001-门窗隐蔽工程质量验收记录
- 格式:xls
- 大小:27.00 KB
- 文档页数:1
隐蔽工程检查验收记录湘质监统编施2020-56单位(子单位)验收日期:年月日编号:注:1.该记录由施工项目专业质量检查员填写,监理工程师(建设单位项目技术负责人)组织项目专业技术负责人等进行验收。
2.记录时应首先说明是否按设计图号施工,如有设计变更应立即在备用竣工图纸上用红色文字注明变更情况或绘制变更补充图;凡有、无设计变更,监理(建设)单位的旁站监督人均应在备用竣工图上签字认可后,才能办理该部位隐蔽验收手续。
3.隐蔽验收时,必须严格按国家施工质量验收规范的主控项目,一般项目的内容要求全数检查,凡有不合格处必须整改达到合格后才能办理隐蔽验收手续。
4.检查评定结论必须语言规范,并针对主控项目、一般项目,特别是结构构造措施的内容要求,填写真实可靠的结果或结论。
5.隐蔽部位要按隐蔽内容拍摄现场照片作为该记录附件。
6.检验批、隐蔽验收质量责任人现场履职照片,过程质量责任标识牌按湘建建【2018】135号文件附件1-3要求。
7.隐蔽工程主要内容详见隐蔽工程填写说明页。
隐蔽工程内容填写说明1 . 土建工程主要的隐蔽验收记录:(1)地基验槽:建筑物应进行施工验槽,检查内容包括基坑位置、平面尺寸、持力层核查、基底绝对高程和相对标高、基坑土质及地下水位等,有桩支护或桩基的工程还应进行桩的检查。
地基验槽检查记录应由建设、勘察、设计、监理、施工单位共同验收签认。
地基需处理时,应由勘察、设计单位提出处理意见。
(2)桩基工程:检查钢筋笼规格、尺寸、沉渣厚度、清孔情况,嵌岩桩的岩性报告等。
(3)支护工程:对锚杆进行编号,检查锚杆、土钉的品种、规格、数量、位置、插入长度、钻孔直径、深度和角度等。
检查地下连续墙的成槽宽度、深度、垂直度、钢筋笼规格、位置、槽底清理、沉渣厚度以及边坡放坡情况等。
其他支护亦按此做好隐检。
(4)土方工程:基槽、房心回填前检查基底清理、基底标高、基底处理情况等。
包括设计标高、地质、基槽宽度、长度、放坡、坡度等。
门窗玻璃安装检验批质量验收记录03040501001注:本表内容的填写需依据《现场验收检验批检查原始记录》。
本检验批质量验收的规范依据见本页背面。
填写说明一、填写依据1 《建筑装饰装修工程质量验收规范》GB50210-2001。
2 《建筑工程施工质量验收统一标准》GB50300-2013。
二、检验批划分各分项工程的检验批应按下列规定划分:1 同一品种、类型和规格的木门窗、金属门窗、塑料门窗及门窗玻璃每100樘应划分为一个检验批,不足100樘也应划分为一个检验批。
2 同一品种、类型和规格的特种门每50樘应划分为一个检验批,不足50樘也应划分为一个检验批。
三、GB50210-2001规范摘要主控项目5.6.2 玻璃的品种、规格、尺寸、色彩、图案和涂膜朝向应符合设计要求。
单块玻璃大于1.5时应使用安全玻璃。
检验方法:观察;检查产品合格证书、性能检测报告和进场验收记录。
5.6.3 门窗玻璃裁割尺寸应正确。
安装后的玻璃应牢固,不得有裂纹、损伤和松动。
检验方法:观察;轻敲检查。
5.6.4 玻璃的安装方法应符合设计要求。
固定玻璃的钉子或钢丝卡的数量、规格应保证玻璃安装牢固。
检验方法:观察;检查施工记录。
5.6.5 镶钉木压条接触玻璃处,应与裁口边缘平齐。
木压条应互相紧密连接,并与裁口边缘紧贴,割角应整齐。
检验方法:观察。
5.6.6 密封条与玻璃、玻璃槽口的接触应紧密、平整。
密封胶与玻璃、玻璃槽口的边缘应粘结牢固、接缝平齐。
检验方法:观察。
5.6.7 带密封条的玻璃压条,其密封条必须与玻璃全部贴紧,压条与型材之间应无明显缝隙,压条接缝应不大于0.5mm。
检验方法:观察;尺量检查。
一般项目5.6.8 玻璃表面应洁净,不得有腻子、密封胶、涂料等污渍。
中空玻璃内外表面均应洁净,玻璃中空层内不得有灰尘和水蒸气。
检验方法:观察。
5.6.9 门窗玻璃不应直接接触型材。
单面镀膜玻璃的镀膜层及磨砂玻璃的磨砂面应朝向室内。
中空玻璃的单面镀膜玻璃应在最外层,镀膜层应朝向室内。
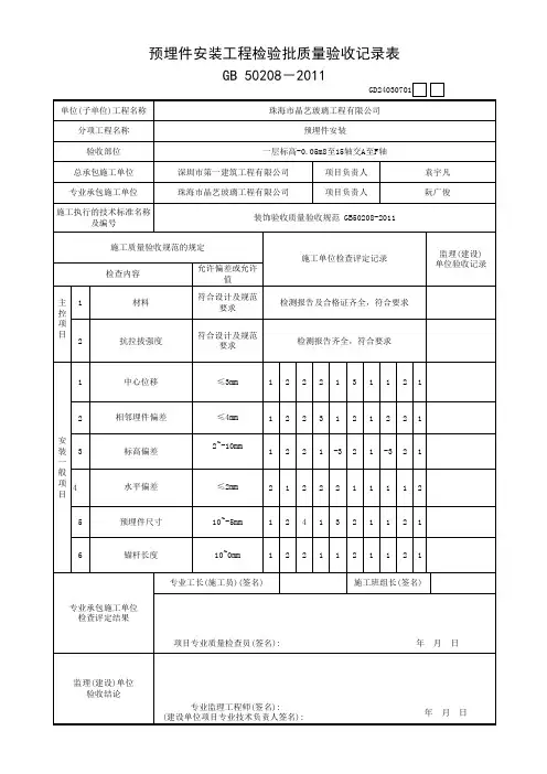
建筑工程-门窗隐蔽工程验收及案例一、门窗隐蔽工程检查内容:依据施工图纸,有关施工验收规范要求和施工方案、技术交底,主要检查以下内容:(1)预埋件和锚固件的埋设:数量、位置、间距、防腐处理(如预埋木砖、铁件)、埋设方式、与:框和墙体的连接方式等。
(2)门窗安装:安装位置、与墙体连接方式;缝隙防腐、填嵌及密封处理等。
(3)固定玻璃的钉子或钢丝卡的数量、规格、位置及玻璃垫块的设置数量、规格、位置安装方法以及橡胶垫的设置应符合有关标准的规定。
(4)木门窗与砖石砌体、混凝土或抹灰层接触处应进行防腐处理并应设防潮层;埋入砌体或混凝土中的木砖的防腐处理。
(5)金属门窗防雷装置的设置应符合设计和有关标准的规定。
特种门窗安装除应符合设计要求和本规范规定外,还应符合有关专业标准和主管部门的规定。
二、门窗隐蔽工程填写要点:门窗工程隐检记录中要注明施工图纸编号,门窗的类型(木门窗、铝合金门窗、塑料门窗、玻璃门、金属门、防火门),预埋件和锚固件的位置,木门窗顶埋木砖的防腐处理、与墙体间缝隙的填嵌材料、保温材料等;金属门窗的预埋件位置、埋设方式、密封处理等情况;塑料门窗内衬型钢的壁厚尺寸,门窗框,副框和扇的安装固定片活膨胀螺栓的数量等情况要描述清楚,特种门窗的防火防腐处理,与框的连接方式等。
三、门窗隐蔽工程填写范例验收内容:主要材料名称及规格/型号:型材:60×60×4、50×25×3;膨胀螺丝M10×lOO;镀锌角钢角码:70×70×6;连接角码:50×5;不锈钢螺栓:M8×110;垫片:50×50×4 隐蔽内容:1.铝合金窗副框采用镀锌钢管焊接而成,镀锌钢管规格为(mm:50×25×3、60×60×4)。
2.钢副框与主体结构采用M10×100膨胀及连接角码进行连接,连接角码为L 70×70×6(mm)的镀锌角钢角码,10膨胀螺栓的拉拔力试验合格(检测报告编号为×××),符合设计及施工规范要求。
一、门窗隐蔽工程检查内容:依据施工图纸,有关施工验收规范要求和施工方案、技术交底,主要检查以下内容:(1)预埋件和锚固件的埋设:数量、位置、间距、防腐处理(如预埋木砖、铁件)、埋设方式、与:框和墙体的连接方式等。
(2)门窗安装:安装位置、与墙体连接方式;缝隙防腐、填嵌及密封处理等。
(3)固定玻璃的钉子或钢丝卡的数量、规格、位置及玻璃垫块的设置数量、规格、位置安装方法以及橡胶垫的设置应符合有关标准的规定。
(4)木门窗与砖石砌体、混凝土或抹灰层接触处应进行防腐处理并应设防潮层;埋入砌体或混凝土中的木砖的防腐处理。
(5)金属门窗防雷装置的设置应符合设计和有关标准的规定。
特种门窗安装除应符合设计要求和本规范规定外,还应符合有关专业标准和主管部门的规定。
二、门窗隐蔽工程填写要点:门窗工程隐检记录中要注明施工图纸编号,门窗的类型(木门窗、铝合金门窗、塑料门窗、玻璃门、金属门、防火门),预埋件和锚固件的位置,木门窗顶埋木砖的防腐处理、与墙体间缝隙的填嵌材料、保温材料等;金属门窗的预埋件位置、埋设方式、密封处理等情况;塑料门窗内衬型钢的壁厚尺寸,门窗框,副框和扇的安装固定片活膨胀螺栓的数量等情况要描述清楚,特种门窗的防火防腐处理,与框的连接方式等。
三、门窗隐蔽工程填写范例以下表格由施工单位填写:验收内容:主要材料名称及规格/型号:型材:60×60×4、50×25×3;膨胀螺丝M10×lOO;镀锌角钢角码:70×70×6;连接角码:50×5;不锈钢螺栓:M8×110;垫片:50×50×4 隐蔽内容:1.铝合金窗副框采用镀锌钢管焊接而成,镀锌钢管规格为(mm :50×25×3、60×60×4)。
2.钢副框与主体结构采用M10×100膨胀及连接角码进行连接,连接角码为L 70×70×6(mm )的镀锌角钢角码,10膨胀螺栓的拉拔力试验合格(检测报告编号为×××),符合设计及施工规范要求。
年月日 2、对保温、隔热层与节点处的防火、防虫、防腐蚀措施,应作出质量认定。
3、隐蔽工程检查记录的表式,可按表C2-5-1-4形式和要求项目填写。
并写明所用材料的合格证件或复查试验单编号,以及试件强度报告编号。
4、有防水要求的屋面、楼面应有蓄水检验记录。
在工程交工前,对工程的每个有防水要求的楼、地面进行24小时蓄水检验。
蓄水深度20~30mm,屋面进行淋水检验,人工连续2小时淋水或连续降雨3小时以上屋面不渗漏,检验记录见表式C2-5-2 防水工程隐蔽检查验收记录1、屋面、地下室、室内地面处的防水工程均应做防水工程隐蔽检查记录,隐蔽内容应包括:① 记明隐蔽部位各层间(包括保温层等)质量情况(坡度、厚度、渗漏、积水);② 记载施工前(防水)测定的各层材料含水率数值;③ 对重大部位或重要节点处设计变更情况应加以说明(文字难以说明的可用图示说明)。
伸缩缝处理、穿越防水层埋件等节点处理状况、验收情况。
不编写钢筋工程隐蔽检查验收记录。
钢结构工程隐蔽检查验收记录:钢结构工程中箱式结构等要对其防腐或防火涂装工程按表C2-5-1-4作为隐蔽检查验收。
装饰装修工程中的隐蔽工程验收装饰装修工程中涉及隐蔽工程验收的,详见“细则”,应按装饰装修分部工程表Q·1·45填写,并列入汇总表C2-5-1-1。
件,如梁、板、柱、架、基墩等可编制单一的隐蔽记录。
2、钢筋隐蔽的检查内容应包括:钢筋配置是否符合设计要求(品种、规格、数量、位置及预埋件);设计变更、材料代用情况;施工质量如绑扎方法、焊接方法、除锈状态、搭接长度、垫块厚度、焊接或搭接位置与方式等;以及材质情况如焊件试验报告、钢筋出厂合格证件、进场试验报告等,对重要结构部位的钢筋隐蔽,必要时可拍照或录像作为隐蔽附件存档。
3、对于小型钢筋混凝土构件(门窗过梁、室内地沟盖板、挑檐板、阳台栏板、梁垫、小型墩池等),可缝隙处理情况;3、砌筑施工质量检验情况(包括标高、埋深、大放脚、拉结石、砂浆饱满度等),以及相邻基础处理方法(深、浅基础)等。
至专业监理工程师(建设单位项目技术负责人):专业工长专业质检员施工班组长备注/相关示图、照片:监理(建设)单位施工单位隐蔽工程内容质量要求施工单位自检记录监理(建设)单位验收意见水泥的品种、规格水泥强度及工艺性能符合设计及规范要求隐蔽部位343#、344#、345#、346#、347#、348#、349#、350#、351#、352#、353#、354#验收时间2020年5月13日2020年5月13日施工单位广尧生态建设集团有限公司分部/子分部/分项 (系统/子系统)地基与基础/基坑支护/三轴水泥土搅拌桩检验批编号GD-C5-711549单位(子单位)工程名称第三届亚青会汕头市人民体育场改造工程(人民体育场)至专业监理工程师(建设单位项目技术负责人):专业工长专业质检员施工班组长备注/相关示图、照片:监理(建设)单位施工单位隐蔽工程内容质量要求施工单位自检记录监理(建设)单位验收意见水泥的品种、规格水泥强度及工艺性能符合设计及规范要求隐蔽部位355#、356#、356#、357#、358#、360#验收时间2020年5月14日2020年5月14日施工单位广尧生态建设集团有限公司分部/子分部/分项 (系统/子系统)地基与基础/基坑支护/三轴水泥土搅拌桩检验批编号GD-C5-711549单位(子单位)工程名称第三届亚青会汕头市人民体育场改造工程(人民体育场)至专业监理工程师(建设单位项目技术负责人):专业工长专业质检员施工班组长备注/相关示图、照片:监理(建设)单位施工单位隐蔽工程内容质量要求施工单位自检记录监理(建设)单位验收意见水泥的品种、规格水泥强度及工艺性能符合设计及规范要求隐蔽部位470#、471#、472#、473#、474#、475#、476#验收时间2020年5月15日2020年5月15日施工单位广尧生态建设集团有限公司分部/子分部/分项 (系统/子系统)地基与基础/基坑支护/三轴水泥土搅拌桩检验批编号GD-C5-711549单位(子单位)工程名称第三届亚青会汕头市人民体育场改造工程(人民体育场)至专业监理工程师(建设单位项目技术负责人):专业工长专业质检员施工班组长备注/相关示图、照片:监理(建设)单位施工单位隐蔽工程内容质量要求施工单位自检记录监理(建设)单位验收意见水泥的品种、规格水泥强度及工艺性能符合设计及规范要求隐蔽部位477#、478#、479#、480#、481#、482#、483#、484#、485#、486#、487#、488#验收时间2020年5月16日2020年5月16日施工单位广尧生态建设集团有限公司分部/子分部/分项 (系统/子系统)地基与基础/基坑支护/三轴水泥土搅拌桩检验批编号GD-C5-711549单位(子单位)工程名称第三届亚青会汕头市人民体育场改造工程(人民体育场)至专业监理工程师(建设单位项目技术负责人):专业工长专业质检员施工班组长备注/相关示图、照片:监理(建设)单位施工单位隐蔽工程内容质量要求施工单位自检记录监理(建设)单位验收意见水泥的品种、规格水泥强度及工艺性能符合设计及规范要求隐蔽部位489#、490#、491#、492#、493#、494#、495#、496#、497#、498#、499#、500#、501#、502#、503#、504#、505#、506#、507#验收时间2020年5月17日2020年5月17日施工单位广尧生态建设集团有限公司分部/子分部/分项 (系统/子系统)地基与基础/基坑支护/三轴水泥土搅拌桩检验批编号GD-C5-711549单位(子单位)工程名称第三届亚青会汕头市人民体育场改造工程(人民体育场)至专业监理工程师(建设单位项目技术负责人):专业工长专业质检员施工班组长备注/相关示图、照片:监理(建设)单位施工单位隐蔽工程内容质量要求施工单位自检记录监理(建设)单位验收意见水泥的品种、规格水泥强度及工艺性能符合设计及规范要求隐蔽部位508#、509#、510#、511#、512#、513#、514#、515#、516#、517#、518#、519#、520#、521#、522#、523#、524#、525#、526#、527#验收时间2020年5月18日2020年5月18日施工单位广尧生态建设集团有限公司分部/子分部/分项 (系统/子系统)地基与基础/基坑支护/三轴水泥土搅拌桩检验批编号GD-C5-711549单位(子单位)工程名称第三届亚青会汕头市人民体育场改造工程(人民体育场)至专业监理工程师(建设单位项目技术负责人):专业工长专业质检员施工班组长备注/相关示图、照片:监理(建设)单位施工单位隐蔽工程内容质量要求施工单位自检记录监理(建设)单位验收意见水泥的品种、规格水泥强度及工艺性能符合设计及规范要求隐蔽部位528#、529#、530#、531#、532#、533#、534#、535#、537#、537#、538#、539#、540#、541#、542#、543#、544#、545#、546#、547#、549#验收时间2020年5月19日2020年5月19日施工单位广尧生态建设集团有限公司分部/子分部/分项 (系统/子系统)地基与基础/基坑支护/三轴水泥土搅拌桩检验批编号GD-C5-711549单位(子单位)工程名称第三届亚青会汕头市人民体育场改造工程(人民体育场)至专业监理工程师(建设单位项目技术负责人):专业工长专业质检员施工班组长备注/相关示图、照片:监理(建设)单位施工单位隐蔽工程内容质量要求施工单位自检记录监理(建设)单位验收意见水泥的品种、规格水泥强度及工艺性能符合设计及规范要求隐蔽部位548#、550#、551#、552#、553#、554#、555#、556#、557#、558#、559#、560#、561#、562#、563#、564#、565#验收时间2020年5月20日2020年5月20日施工单位广尧生态建设集团有限公司分部/子分部/分项 (系统/子系统)地基与基础/基坑支护/三轴水泥土搅拌桩检验批编号GD-C5-711549单位(子单位)工程名称第三届亚青会汕头市人民体育场改造工程(人民体育场)至专业监理工程师(建设单位项目技术负责人):专业工长专业质检员施工班组长备注/相关示图、照片:监理(建设)单位施工单位隐蔽工程内容质量要求施工单位自检记录监理(建设)单位验收意见水泥的品种、规格水泥强度及工艺性能符合设计及规范要求隐蔽部位566#、567#验收时间2020年5月21日2020年5月21日施工单位广尧生态建设集团有限公司分部/子分部/分项 (系统/子系统)地基与基础/基坑支护/三轴水泥土搅拌桩检验批编号GD-C5-711549单位(子单位)工程名称第三届亚青会汕头市人民体育场改造工程(人民体育场)至专业监理工程师(建设单位项目技术负责人):专业工长专业质检员施工班组长备注/相关示图、照片:监理(建设)单位施工单位隐蔽工程内容质量要求施工单位自检记录监理(建设)单位验收意见水泥的品种、规格水泥强度及工艺性能符合设计及规范要求隐蔽部位568#、569#、570#、571#验收时间2020年5月22日2020年5月22日施工单位广尧生态建设集团有限公司分部/子分部/分项 (系统/子系统)地基与基础/基坑支护/三轴水泥土搅拌桩检验批编号GD-C5-711549单位(子单位)工程名称第三届亚青会汕头市人民体育场改造工程(人民体育场)至专业监理工程师(建设单位项目技术负责人):专业工长专业质检员施工班组长备注/相关示图、照片:监理(建设)单位施工单位隐蔽工程内容质量要求施工单位自检记录监理(建设)单位验收意见水泥的品种、规格水泥强度及工艺性能符合设计及规范要求隐蔽部位573#、573#、574#、575#、576#、577#、578#、579#、580#、581#、582#、583#、584#、585#验收时间2020年5月23日2020年5月23日施工单位广尧生态建设集团有限公司分部/子分部/分项 (系统/子系统)地基与基础/基坑支护/三轴水泥土搅拌桩检验批编号GD-C5-711549单位(子单位)工程名称第三届亚青会汕头市人民体育场改造工程(人民体育场)至专业监理工程师(建设单位项目技术负责人):专业工长专业质检员施工班组长备注/相关示图、照片:监理(建设)单位施工单位隐蔽工程内容质量要求施工单位自检记录监理(建设)单位验收意见水泥的品种、规格水泥强度及工艺性能符合设计及规范要求隐蔽部位586#、587#、588#、589#、590#、591#、592#、593#、594#、595#、596#、597#验收时间2020年5月24日2020年5月24日施工单位广尧生态建设集团有限公司分部/子分部/分项 (系统/子系统)地基与基础/基坑支护/三轴水泥土搅拌桩检验批编号GD-C5-711549单位(子单位)工程名称第三届亚青会汕头市人民体育场改造工程(人民体育场)至专业监理工程师(建设单位项目技术负责人):专业工长专业质检员施工班组长备注/相关示图、照片:监理(建设)单位施工单位隐蔽工程内容质量要求施工单位自检记录监理(建设)单位验收意见水泥的品种、规格水泥强度及工艺性能符合设计及规范要求隐蔽部位1#、2#、3#、4、5#、6#、7#、598#、599#、600#、601#验收时间2020年5月25日2020年5月25日施工单位广尧生态建设集团有限公司分部/子分部/分项 (系统/子系统)地基与基础/基坑支护/三轴水泥土搅拌桩检验批编号GD-C5-711549单位(子单位)工程名称第三届亚青会汕头市人民体育场改造工程(人民体育场)至专业监理工程师(建设单位项目技术负责人):专业工长专业质检员施工班组长备注/相关示图、照片:监理(建设)单位施工单位隐蔽工程内容质量要求施工单位自检记录监理(建设)单位验收意见水泥的品种、规格水泥强度及工艺性能符合设计及规范要求隐蔽部位8#、9#、10#、11#、12#、13#、14#、15#、16#、17#、18#、19#、20#、21#、23#、44#、45#冷缝验收时间2020年5月26日2020年5月26日施工单位广尧生态建设集团有限公司分部/子分部/分项 (系统/子系统)地基与基础/基坑支护/三轴水泥土搅拌桩检验批编号GD-C5-711549单位(子单位)工程名称第三届亚青会汕头市人民体育场改造工程(人民体育场)至专业监理工程师(建设单位项目技术负责人):专业工长专业质检员施工班组长备注/相关示图、照片:监理(建设)单位施工单位隐蔽工程内容质量要求施工单位自检记录监理(建设)单位验收意见水泥的品种、规格水泥强度及工艺性能符合设计及规范要求隐蔽部位22#、24#、25#、26#、27#、28#、29#、31#验收时间2020年5月27日2020年5月27日施工单位广尧生态建设集团有限公司分部/子分部/分项 (系统/子系统)地基与基础/基坑支护/三轴水泥土搅拌桩检验批编号GD-C5-711549单位(子单位)工程名称第三届亚青会汕头市人民体育场改造工程(人民体育场)至专业监理工程师(建设单位项目技术负责人):专业工长专业质检员施工班组长备注/相关示图、照片:监理(建设)单位施工单位隐蔽工程内容质量要求施工单位自检记录监理(建设)单位验收意见水泥的品种、规格水泥强度及工艺性能符合设计及规范要求隐蔽部位30#、32#、33#、34#、35#、36#、37#、38#、39#、40#、41#、42#、43#验收时间2020年5月28日2020年5月28日施工单位广尧生态建设集团有限公司分部/子分部/分项 (系统/子系统)地基与基础/基坑支护/三轴水泥土搅拌桩检验批编号GD-C5-711549单位(子单位)工程名称第三届亚青会汕头市人民体育场改造工程(人民体育场)至专业监理工程师(建设单位项目技术负责人):专业工长专业质检员施工班组长备注/相关示图、照片:监理(建设)单位施工单位隐蔽工程内容质量要求施工单位自检记录监理(建设)单位验收意见水泥的品种、规格水泥强度及工艺性能符合设计及规范要求隐蔽部位364#、365#、366#、367#、368#、369#、370#验收时间2020年6月4日2020年6月4日施工单位广尧生态建设集团有限公司分部/子分部/分项 (系统/子系统)地基与基础/基坑支护/三轴水泥土搅拌桩检验批编号GD-C5-711549单位(子单位)工程名称第三届亚青会汕头市人民体育场改造工程(人民体育场)。
门窗隐蔽工程质量验收记录
GD-C4-6310
单位(子单位)工程名称广州知识城腾飞园项目(1D)总承包工程(创意楼J座、K座、L座、M座及地下室,科技楼E座、F座)检验批编号GD-C5-711178施工单位中建三局集团有限公司检查日期年 月 日分部/子分部/分项建筑装饰装修-门窗-金属门窗安装施工图名称及图号
检查项目施工单位自检记录监理(建设)单位验收意见备注
1、人造木板甲醛含量检测
2、建筑外窗三性检测
3、预埋件及锚固件
4、防腐和嵌填、密封处理
5、型材厚度
监理(建设)单位施工单位
项目专业工长项目专业质检员施工班组长监理工程师
(建设单位项目专业技术负责人):。