企业三级教育培训档案
- 格式:doc
- 大小:78.50 KB
- 文档页数:7
员工三级安全教育培训档案在公司里,安全教育培训可真是个大事儿。
大家可千万别小看了这三级安全教育,它可是我们每位员工的“护身符”。
想象一下,如果你在工作中不注意安全,可能会发生什么?嘿,别让这些负面情绪缠上我们,咱们要把安全教育当成一种乐趣。
三级安全教育的第一步,就是让大家了解工作环境的基本安全知识。
就像咱们上学时老师教的那些基础知识,首先要了解的就是周围的情况。
比如说,消防设施的位置,安全出口在哪儿,别一忙起来就把这些忘得一干二净了。
第二步呢,就是强化大家的安全意识。
你们想啊,安全可不是口头上说说而已的,得落实到行动中。
就像你走在马路上,红灯停绿灯行,心里得有个谱,不然可就有麻烦了。
再说了,培训的时候,我们会用一些生动的案例来让大家更深刻地理解。
记得上次有个小伙伴在搬重物时不小心扭了腰,那可真是个惨痛的教训。
咱们可不能犯这样的错误,得从中吸取教训,才是明智之举。
接下来就是第三步,模拟演练。
说实话,大家可能觉得模拟演练有点无聊,但其实它可是个“真枪实弹”的环节,绝对能让你大开眼界。
在这儿,你能学会如何在突发情况下应对。
比如说,如果发生火灾,咱们得迅速找到安全出口,千万不能慌。
训练的时候,教练会扮演各种角色,有时候还会搞得挺好玩的,大家一起大笑中学到东西,何乐而不为呢?安全培训的目的就是让大家在轻松愉快的氛围中掌握知识。
讲到这里,不知道大家有没有听过“安全第一,预防为主”这句老话。
真的是特别重要,这不仅仅是挂在嘴边的口号,咱们得把它落实到生活中,时刻警惕。
你看看,身边的小伙伴们,大家都学得津津有味的,笑声不断,气氛那叫一个热烈。
培训也没那么可怕嘛,关键是我们得调整好心态。
说到心态,培训之后,大家的安全意识明显提升。
大家不再像以前那样,心大得跟个葫芦,而是都变得谨慎起来,时刻注意身边的安全隐患。
就连平时的工作中,大家都开始主动检查设备,互相提醒注意安全。
咱们公司的安全文化也因此愈发浓厚,真是个好兆头。
企业职工三级安全教育培训档案1. 引言企业职工的安全意识和培训水平直接关系到企业生产经营的安全和稳定。
为了提高职工的安全意识和技能,企业需要进行三级安全教育培训。
本文档对企业职工三级安全教育培训档案进行详细的介绍和说明。
2. 背景企业面临着各种安全风险,为了保障职工的人身安全和降低企业的安全风险,企业需要进行安全教育培训。
职工的安全教育培训分为三个级别,包括入职培训、定期培训和临时培训。
每个级别的培训目标和内容略有不同,但都是为了提高职工的安全意识和技能。
3. 档案内容3.1 入职培训档案入职培训是新员工接受的第一次安全培训,主要目的是让新员工了解企业的安全制度和规定,掌握基本的安全知识和技能。
入职培训档案应包括以下内容:•新员工的基本信息,包括姓名、性别、年龄、入职日期等;•入职培训计划和培训内容,包括培训时间、培训地点、培训人员等;•培训考核结果和证书,包括考核成绩、考核时间、颁发机构等。
3.2 定期培训档案定期培训是对在职员工进行的定期安全教育培训,目的是通过培训提高员工的安全意识和技能,增强员工的安全防范能力。
定期培训档案应包括以下内容:•员工的基本信息,包括姓名、性别、年龄、所属部门等;•定期培训计划和培训内容,包括培训时间、培训地点、培训人员等;•培训考核结果和证书,包括考核成绩、考核时间、颁发机构等。
3.3 临时培训档案临时培训是针对特定岗位或特定工作任务而进行的临时安全教育培训,目的是提高员工在临时任务中的安全意识和技能。
临时培训档案应包括以下内容:•员工的基本信息,包括姓名、性别、年龄、所属部门等;•临时培训计划和培训内容,包括培训时间、培训地点、培训人员等;•培训考核结果和证书,包括考核成绩、考核时间、颁发机构等。
4. 档案管理企业职工三级安全教育培训档案是企业管理安全教育培训工作的重要依据,对于提高职工的安全意识和技能起到至关重要的作用。
企业应建立完善的档案管理制度,确保档案的完整性、准确性和可访问性。
职工三级安全教育培训档案前言随着社会的发展和企业的不断壮大,人才的需求越来越大,但是人才的素质也成了企业考核的一个关键因素,其中最为重要的便是安全意识。
本文档旨在介绍公司职工三级安全教育培训的档案记录,以便于对职工安全教育培训的管理。
职工三级安全教育培训档案记录为了加强企业的职工安全意识和培养职工的安全习惯,公司规定对所有新入职员工进行三级安全教育培训,并作为日常工作的必需环节。
安全意识培训包括基础知识培训、逃生指南、现场安全监督等,公司的培训计划按照以下计划进行实施:基础知识培训基础知识培训是安全教育培训的第一阶段,主要包括以下知识:•安全生产的概念是什么,企业的安全生产责任主体是什么;•常见安全生产事故发生的原因及防范措施;•如何正确使用工作场所的设备和工具;•工作时如何正确配戴劳保用品;•紧急救援的基本方法。
逃生指南逃生指南是安全教育培训的第二阶段,主要包括以下知识:•消防器材的种类、使用方法和使用条件;•珍爱生命,遵守逃生原则;•知道紧急情况下的逃生方案和选择正确的逃生通道;•火场现场的自救及求助方法;•图示标示的含义和应急疏散通道的标示等。
现场安全监督现场安全监督是安全教育培训的第三阶段,以现场监督方式进行,主要包括以下内容:•评估现场危险源及风险,并制定相应的控制措施;•强化对职工的安全意识教育,加强职工的安全培训;•强化对职工的安全实践培养,要求职员借助比较商品的学习方式,提高安全防范意识和自我保护能力;•及时发现和纠正不安全行为或不安全环境。
培训档案记录公司通过培训档案记录来管理三级安全教育培训,建立员工培训档案,并建立与企业工作实际相结合的升级培训制度,不断提升职工安全意识和培养职工的安全习惯。
结语职工三级安全教育培训是每个企业的必要环节,只有通过不断培训提升职工的安全意识,才能够有效的降低企业的安全事故发生率,并从中学习吸取经验,不断提升安全防范和应急能力,为企业更好的发展壮大保驾护航。
第一章总则第一条为确保企业安全生产,提高员工安全素质,规范三级安全教育档案管理,根据国家安全生产法律法规及企业内部相关制度,特制定本制度。
第二条本制度适用于企业内部新入职员工、在岗员工及转岗员工的厂级、车间级和岗位级安全教育档案管理。
第三条三级安全教育档案管理应遵循真实、准确、完整、及时的原则,确保档案的完整性和有效性。
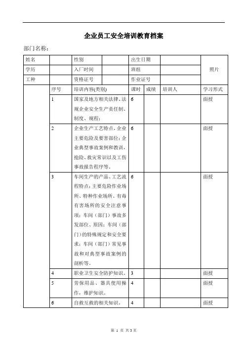
第二章档案内容第四条三级安全教育档案应包括以下内容:1. 员工个人信息:姓名、性别、年龄、籍贯、学历、入职时间等;2. 安全教育记录:厂级安全教育记录、车间级安全教育记录、岗位级安全教育记录;3. 安全教育培训记录:安全培训课程、培训时间、培训内容、培训教师、培训成绩等;4. 安全生产事故及处理记录:事故发生时间、地点、原因、处理结果等;5. 安全生产奖惩记录:安全生产先进个人、集体奖惩情况等;6. 安全生产考核记录:年度安全生产考核成绩、考核内容等;7. 其他与安全相关的资料。
第三章档案管理要求第五条安全教育档案应由企业安全管理部门负责归档和管理。
第六条档案管理人员应具备以下条件:1. 具有良好的职业道德,责任心强;2. 熟悉国家安全生产法律法规及企业内部相关制度;3. 具备一定的档案管理知识和技能。
第七条档案管理应遵循以下要求:1. 档案资料应真实、准确、完整,不得伪造、篡改;2. 档案资料应分类存放,便于查阅;3. 档案资料应定期进行整理、归档,确保档案的完整性;4. 档案资料应采取防火、防盗、防潮、防虫等措施,确保档案的安全;5. 档案管理人员应严格执行档案管理制度,不得泄露档案信息。
第四章档案查阅与利用第八条档案查阅需经企业安全管理部门批准,查阅人需出示有效证件。
第九条查阅档案应遵循以下规定:1. 查阅人需遵守档案保密制度,不得泄露档案信息;2. 查阅人需在规定时间内归还档案,不得擅自复制、摘抄;3. 查阅人需爱护档案,不得损坏、遗失。
第五章档案销毁第十条档案销毁需经企业安全管理部门批准,并按照以下程序进行:1. 档案管理人员对档案进行审核,确认无保存价值;2. 档案管理人员填写《档案销毁申请表》,经企业安全管理部门批准;3. 档案管理人员在销毁档案前,应拍照或录像,记录销毁过程;4. 档案销毁后,应填写《档案销毁记录表》,并报企业安全管理部门备案。
三级安全教育培训档案(全面版)资料前言安全教育培训是企业安全管理的重要手段。
三级安全教育培训是一种全面的安全培训,不仅遵守国家安全法律法规,也符合企业安全管理的需求。
本档案旨在为企业提供一份全面而详实的三级安全教育培训档案参考。
第一章三级安全教育培训要求三级安全教育培训应该满足的要求:1.内容全面- 三级培训包含基本观念、基本知识、基本技能、常见问题等全面的内容- 包含行政法律法规、安全生产方针、安全生产标准、安全生产操作规程等内容- 包括安全监管体系的建立与应对措施等内容2.针对性强- 根据岗位需求进行针对性培训- 根据员工能力和需求进行培训内容的科学编制3.培训时长满足要求- 前三天的总课时不少于20小时,每日不超过8小时,总计不少于18个培训课时(每小时45分钟计算)。
- 第四天的总课时不少于8小时。
第二章三级安全教育培训内容详情1. 基本观念- 安全生产的本质、目的及其在社会与企业发展中的地位和作用;- 安全生产思想、安全文化及其涵义;- 安全生产责任制与管理制度的核心要素及其运行机制;- 监督和评价体系构建的基本思路和方法。
2. 基本知识- 安全生产基本标准的认识和掌握;- 安全生产法律法规和有关政策、规章、标准等的基本知识;- 安全生产技术知识;- 事故案例分析、安全检查、隐患排查及整改。
3. 基本技能- 安全生产各类设备、巡检工具和作业方法的正确使用方法、维修方法;- 应急处理演练、现场防护措施、逃生和疏散等基本技能;- 班组或特种作业人员的技能训练。
4. 常见问题- 事故生产实录、控制措施、人为因素等;- 问答互动、经验交流等。
第三章评估考核要求1. 考核方式- 理论考试:包括单选题、多选题和判断题等;- 实践操作:根据员工岗位安排,考核对应的实操操作;- 考试成绩应达到理论和实践操作的合格标准。
2. 考评标准- 准时参加培训的人员,到训学时不得早退旷训;- 完成培训的人员,考试成绩应达到理论和操作的合格标准;- 培训合格的人员可获得《安全生产合格证书》。
附件档案编号:生产经营单位从业人员安全培训档案姓名:身份证号:建档日期:年月日单位名称〔公章〕:河北省应急治理厅监制——生产经营单位入职从业人员登记表生产经营单位名称〔盖章〕:档案编号:姓名性别民族政治面貌近期小2 寸白底彩色免冠文化程度安康状况照片诞生年月身份证号毕业院校及专业户籍所在地进入本单位时间职务/职称参与工作时间入职部门岗位名称之前从事本岗位时间主要工作经受入职前承受安全培训和考核以及取得安全培训有关的岗位证书等状况入职前受过何种有关安全生产的惩罚以及是否受到刑事惩罚入职人承诺:以上信息已经本人核实,信息真实、有效、完整,如有虚假或哄骗等行为,自愿担当相应的法律责任。
入职统计表相关信息核定状况入职人〔签字并按指纹〕:承诺日期:年月日生产经营单位核查意见:核查人员〔签字〕:核查日期:年月日——厂〔矿〕级安全培训考核记录生产经营单位或安全生产治理机构名称〔盖章〕:档案编号:1.非煤矿山、危急化学品、烟花爆竹等生产经营单位以及金属冶炼、加工、制造业生产单位对入职的从业人 使用此表。
2.生产经营单位应当在厂〔矿〕级安全培训考核记录的每一页加盖本单位或者本单位安全生产治理 在每一页签名确认。
3.记录人员应当由本单位安全生产治理机构专〔兼〕职安全生产治理人员担当。
记录人员〔签字〕:考核人员〔签字〕:分管负责人〔签章〕:姓名 职务/职称人员类型 性别 部门身份证号 工种学历 行业类别□其他负责人 □其他治理人员 □技术人员 □岗位工人 □劳务派遣工 □实习生 □外来施工人员 □其他〔序号培训时间培训地点厂〔矿〕级安全培训及考核实施状况 培训主要内容学时 培训教师车间〔工段、区、队〕级安全培训考核记生产经营单位或安全生产治理机构名称〔盖章〕:档案编号1.非煤矿山、危急化学品、烟花爆竹、金属冶炼以及加工、制造业等生产经营单位对入职的从业人员进展车 及考核时使用此表。
2.生产经营单位应当在车间〔工段、区、队〕级安全培训考核记录的每一页加盖本单位或 章并由参与培训的人员在每一页签名确认。
(完整版)员工三级培训教育档案(完整版) 员工三级培训教育档案1. 引言本文档旨在记录公司员工的三级培训教育档案,包括培训内容、培训时间、培训方式等信息,以便对员工培训效果进行评估和提升。
2. 培训内容2.1 一级培训- 培训时间:2021年1月1日- 培训方式:线下培训- 培训内容:- 公司的基本规章制度介绍- 岗位职责和工作流程的培训- 公司文化、价值观和团队合作意识的培养2.2 二级培训- 培训时间:2021年2月1日- 培训方式:在线培训- 培训内容:- 专业知识技能培训- 沟通技巧和团队协作能力的培养- 解决问题和决策能力的提升2.3 三级培训- 培训时间:2021年3月1日- 培训方式:混合培训(包括线上和线下)- 培训内容:- 领导力培训,包括领导才能的培养和领导风格的塑造- 创新思维和问题解决能力的培养- 团队管理和决策能力的提升3. 培训评估为了评估培训效果和提升培训质量,我们将采取以下措施:- 每次培训结束后,进行培训效果的问卷调查,并根据调查结果进行优化和改进;- 跟踪培训后员工的工作表现和职业发展,评估培训对员工个人和团队的影响;- 定期召开培训效果评估会议,汇总分析培训效果和员工反馈,制定下一阶段的培训计划。
4. 培训总结与展望通过三级培训,我们期望可以帮助员工全面提升自身素质和能力,更好地适应公司快速发展和变化的需求。
我们将继续关注培训效果,持续优化培训计划和内容,努力提升公司整体绩效和竞争力。
以上是员工三级培训教育档案的完整版本,希望能对公司的培训工作有所帮助,也期待通过培训能够培养出更多优秀的员工,为公司的未来发展做出贡献。
谢谢!。
三级教育培训档案范本一、培训目的本次培训旨在提高职员的专业技能和创新意识,增强团队协作精神和沟通能力,帮助职员更好地完成各项工作任务,推动企业的可持续发展。
二、培训时间和地点•培训时间:2021年8月1日-8月3日•培训地点:公司大会议室三、培训内容1. 专业技能提升通过培训,职员将掌握以下技能:•熟悉公司产品及服务,了解市场需求与行业走向。
•掌握基本的客户服务技能,在工作中更好地处理客户关系。
•学习销售技巧,提高销售业绩。
•学习高效时间管理技巧,提高工作效率。
2. 团队协作和沟通能力提升通过培训,职员将学会以下技能:•了解自己的性格特点及工作风格,更好地融入团队。
•学习团队协作技巧,提高团队合作效率。
•学习有效沟通技巧,减少沟通误解和矛盾。
3. 创新意识和个人能力提升通过培训,职员将了解以下内容:•增强创新意识,积极参与创新活动,提高自己的创新能力。
•学习自我管理技巧,提高自我认知和自我控制能力。
•学习职业规划和发展方法,并找到适合自己的发展路径。
四、培训效果通过本次培训,职员将获得以下效果:•提高专业技能水平,更好地完成各项工作任务。
•增强团队协作意识和沟通能力,有效推进团队工作。
•增强创新意识,积极参与公司创新活动,并为公司发展做出贡献。
五、总结三级教育培训档案是公司进行培训评估和人才发展的重要依据。
本次培训旨在提高职员的专业技能和创新能力,促进公司可持续发展。
同时,积极推动公司文化建设和培养优秀人才,为公司未来发展打下坚实基础。
员工三级培训教育档案1. 培训目标本员工三级培训教育档案旨在提供组织内三级员工的培训计划和记录,以确保员工获得必要的技能和知识,以便在其职位上取得成功。
2. 培训计划2.1 三级员工培训要求三级员工需要接受多个方面的培训,包括但不限于:- 公司的核心价值观和文化意识- 部门职能和工作流程- 职位相关的技能和知识- 有效的沟通和协作技巧- 问题解决和决策能力培养- 合规和法律意识的提升2.2 培训计划安排根据三级员工的需要和公司的要求,制定了以下培训计划安排:- 第一周:公司概况和核心价值观培训- 第二周:部门职能和工作流程培训- 第三至第六周:职位相关的技能和知识培训- 第七至第八周:沟通和协作技巧培养- 第九至第十周:问题解决和决策能力培养- 第十一至第十二周:合规和法律意识的提升3. 培训记录3.1 培训记录表培训记录表将详细记录每个三级员工的培训情况,包括培训日期、培训内容、培训时长和培训评估等信息。
3.2 培训评估每次培训结束后,将进行培训评估,以确保培训的有效性和质量。
评估方法包括问卷调查、小组讨论和个人总结等。
4. 培训效果评估为了评估培训效果并进一步提升培训质量,将进行培训效果评估。
评估内容包括员工对培训的满意度、培训后的工作表现和工作成果等。
5. 结语本员工三级培训教育档案将作为员工培训的重要参考和记录,旨在帮助公司更好地培养和发展人才,提高组织整体绩效。
> 请注意,由于严格保护个人隐私,此文档中的员工姓名和具体培训内容仅作示例使用,实际应用中应做相应的隐私保护和信息保密。
员工三级教育培训档案及考试题一、员工三级教育培训档案员工三级教育培训是公司的一项重要制度,旨在提高员工的职业素养和技能水平,为公司的发展壮大打下人才基础。
为了做好员工三级教育培训档案管理工作,公司制定了相关的规章制度,并详细记录了每位员工的培训情况,下面是员工三级教育培训档案内容:1.员工信息每位员工的基本信息如姓名、性别、出生日期、身份证号、部门、岗位、联系方式等应列入档案。
2.培训计划根据公司制定的员工三级教育培训计划,在档案中记录员工培训的时间、地点、内容和培训方式,以便随时查阅。
3.培训证书员工完成培训后应获得相应的培训证书,将证书复印并存入员工三级教育培训档案中。
4.培训效果记录员工参加培训前的表现和参加培训后的表现,通过分析对比来评估培训工作的效果,并对下一步的培训工作提供借鉴。
5.绩效评估员工参加培训后,如何提升工作绩效也是需要关注的一个问题,所以在档案中应该有相应的绩效评估,可以从多个角度来评估员工工作的变化和提升情况。
6.其他附加资料员工三级教育培训档案中还可以存放一些员工自我提升的记录、经验分享和其他相关资料,为员工的自我提升打好基础。
以上是员工三级教育培训档案的主要内容,注重记录和管理这些信息,能够推动公司的培训制度不断完善和提升。
二、员工三级教育培训考试题员工三级教育培训考试是检验员工职业素养和技能水平的一个重要手段,下面是员工三级教育培训考试题供参考:一、选择题1、企业职业道德规范的核心是?A、公正诚信B、廉洁自律C、勤勉敬业D、服务客户2、公司培养和要求员工遵守的基本职业道德是?A、自律自强B、业绩导向C、拼搏创新D、感恩回报3、员工绩效评价的原则是?A、客观公正B、切实可行C、标准明确D、量化评价4、员工需要保护好哪些信息?A、客户资料B、公司机密C、自身隐私D、以上三项都是5、企业文化核心是?A、客户第一B、勤劳、务实、拼搏C、团队合作D、感恩回报二、判断题1、员工三级教育培训,是企业所有员工必须接受的培训。