三极管S8050&S8550的使用
- 格式:docx
- 大小:12.59 KB
- 文档页数:2
s9011、9012、9013~8050、8550系列三极管特性及用途讲解(一) 系列三极管S9011、9012、9013、9014、9015、9018、8050、8550系列三极管是小功率三极管。
大部分是NpN型管,只有9012、9015丶8550是PNP型三极管。
这里值得注意的是: 一般地,在三极管前面如果加ss,那么这个三极管是原装进口的; 而只帶一个s,那么应是国产的。
例如: ss8050是进口的,而s8050是国产的。
(二)系列三极管如图①,图②,图③,图④,图⑤图① s9013系列三极管图② s8050、8550三极管图③ s9013系列三极管引脚图④ NPN、PNP三极管符号图⑤ 单管驱动继电器(二) 系列三极管技术参数:9011NpN低噪放大,50Ⅴ0.3A.0.4w;9012pNp低噪放大,50v0.5A.0.625w;9013NpN低频放大,50v0.5A.0.625w;9014NpN低噪放大,50Ⅴ0.1A.0.4w;9015pNp低躁放大,50Ⅴ0.1A.0.4w;9018NpN高频放大,30v.0.05A.0.4w;8050NpN高频放大,40v.1.5A.1w;8550pNp高频放大,40v1.5A.1w。
(三) 它们的主要作用.用途:以上系列三极管,是半导体基本元器件之一,具有开关和电流放大作用;它们作为音频放大和收音机推挽1w输出及电子玩具、灯具放大和开关等电路。
(四) 三极管应用电路2例:图① NpN、PNP单管驱动发光管图② P NP、NpN三管推挽电路以上s9011一9018,s8050、8550系列三极管是目前市场上和产品上常用和使用最多的元器件,广泛应用于各种小功率电路产品中,很受欢迎。
s8050电流驱动能力测试实验目的:测试npn 三极管s8050 的电流驱动能力设备:电阻,面包板,带电流显示的可调电源。
方法:电路为最简单的开关管电路,e 极接地,b 极串4.7k 电阻接控制端,控制端是5v 电源,5v 电源接led 正极,led 负极接三极管c 极。
led 电流为700ma。
电压为3.3-3.6v(三极管单位楼底下买滴)分别用不同的电源电压,控制电压和串接在基极的不同阻值的电阻,测试电流与基极电阻,与控制电压和电源电压之间的变化。
控制端串4.7k 电源电压控制端电压led 电流温度开始时, 3.3V 5V 0.16A 手摸大概30 度左右调节电源电压5V 5V 0.28A 手摸烫大概50-60 度的样子调节控制电压5V 9V 0.38A 手摸很烫大概60-70 度的样子控制端并两个4.7k 时(也就是串1 个2.35K)开始时,3.3V 5V 0.20A 手摸大概30 度左右调节电源电压5V 5V 0.38A 手摸烫大概50- 60 度的样子调节控制电压5V 9V 0.48A 手摸很烫大概70 度以上的样子控制端串1k 开始时, 3.3V 5V 0.25A 手摸大概30 度左右调节电源电压5V 5V 0.51A 手摸烫大概60 度的样子调节控制电压5V 9V 0.65A 手没敢摸控制端并两个1k电阻(也就是串一个500 欧)开始时, 3.3V 5V 0.22A 调节电源电压5V 5V 0.67A 调节控制电压5V 5.5V 0.70A 调节控制电压5V 7.5V 0.80A 此时基极电流到10ma 左右,LED 温度手摸已经灰常烫了。
当C 极并联两个LED 时调节控制电压5v 9V 0.85A 调节控制电压5v 29V 1.40A 此时基极电流到50ma 左右,LED 附近,三极管附近,开始冒烟。
在试验的过程中还发现了一个问题,温漂的问题,开始的时候,LED 温度和室温一样,这时候,控制端加5v,电源电压是3.3v 的时候,是0.22A,将电源电压加到5V 时,电流提升到0.67A 这时候,LED 和三极管的温度会急剧上升。
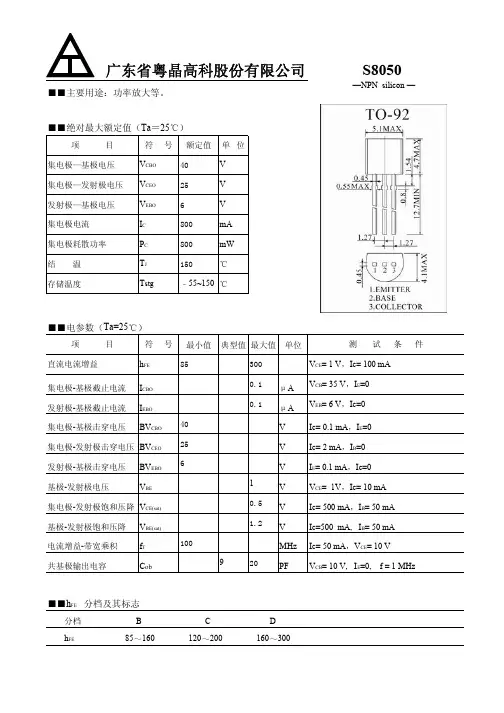
S8050—NPN silicon —项目符 号额定值单位集电极—基极电压V CBO 40V 集电极—发射极电压V CEO 25V 发射极—基极电压VEBO 6V 集电极电流I C 800mA 集电极耗散功率P C 800mW 结温T J 150℃存储温度T stg﹣55~150℃项目符 号最小值典型值最大值单位测试条件直流电流增益h FE 85300V CE =1V ,Ic= 100 mA 集电极-基极截止电流I CBO 0.1μA V CB =35 V ,I E =0发射极-基极截止电流I EBO 0.1μA V EB =6V ,Ic=0集电极-基极击穿电压BV CBO40V Ic= 0.1 mA ,I E =0集电极-发射极击穿电压BV CEO 25V Ic= 2 mA ,I B =0发射极-基极击穿电压BV EBO 6V I E =0.1 mA ,Ic=0基极-发射极电压V BE1V V CE =1V ,Ic= 10 mA 集电极-发射极饱和压降V CE(sat)0.5V Ic= 500 mA ,I B =50 mA 基极-发射极饱和压降V BE(sat) 1.2V Ic=500 mA, I B =50 mA 电流增益-带宽乘积f T 100MHz Ic= 50 mA ,V CE =10 V 共基极输出电容C ob920PF V CB =10 V, I E =0, f = 1 MHz广东省粤晶高科股份有限公司■■主要用途:功率放大等。
■■绝对最大额定值(Ta =25℃)分档B C D h FE85~160120~200160~300■■电参数(Ta=25℃)■■h FE 分档及其标志。
几种常见8050的区别8050 8550三极管有时在电路里做为对管来使用,也有的做单管应用。
在有些电路里对S8050放大倍数要求是很高的,不能随意替换,必需要用原参数管才能替换,否则电路不能正常工作。
8050为NPN型三极管8550为PNP型三极管S8050 S8550参数:耗散功率0.625W(贴片:0.3W)集电极电流0.5A集电极--基极电压40V集电极--发射极击穿电压25V集电极-发射极饱和电压0.6V特征频率fT 最小150MHZ 典型值产家的目录没给出引脚排列为EBC或ECB按三极管后缀号分为 B C D档贴片为L H档放大倍数B85-160 C120-200 D160-300 L100-200 H200-3508050S 8550S参数:耗散功率0.625W(贴片:0.3W)集电极电流0.5A集电极--基极电压30V集电极--发射极击穿电压25V集电极-发射极饱和电压0.5V特征频率fT 最小150MHZ 典型值产家的目录没给出引脚排列为ECB按三极管后缀号分为 B C D档贴片为L H档放大倍数B85-160 C120-200 D160-300 E280-400 L100-200 H200-350关于C8050 C8550参数:耗散功率1W集电极电流1.5A集电极--基极电压40V集电极--发射极击穿电压25V特征频率fT 最小100MHZ 典型190MHZ放大倍数:按三极管后缀号分为 B C D档放大倍数B:85-160 C:120-200 D:160-300关于8050SS 8550SS参数:耗散功率: 1W(TA=25℃) 2W(TC=25℃)集电极电流1.5A集电极--基极电压40V集电极--发射极击穿电压25V特征频率fT 最小100MHZ放大倍数:按三极管后缀号分为 B C D D3 共4档放大倍数B:85-160 C:120-200 D:160-300 D3:300-400 引脚排列有EBC ECB两种关于SS8050 SS8550参数:耗散功率: 1W(TA=25℃) 2W(TC=25℃)集电极电流1.5A集电极--基极电压40V集电极--发射极击穿电压25V特征频率fT 最小100MHZ放大倍数:按三极管后缀号分为 B C D 共3档放大倍数B:85-160 C:120-200 D:160-300引脚排列多为EBCUTC的S8050 S8550 引脚排列有EBC8050S 8550S 引脚排列有ECB这种管子很少见参数:耗散功率1W集电极电流0.7A集电极--基极电压30V集电极--发射极击穿电压20V特征频率fT 最小100MHZ 典型产家的目录没给出放大倍数:按三极管后缀号分为C D E档C:120-200 D:160-300 E:280-400图一是这几种三极管的管脚排列图。
PNP 、NPN 的区别及三极管S8550和S8050 参数NPN 是用B T E 的电流(IB )控制C T E 的电流(IC ) , E 极电位最低,且正常放大时通 常C 极电位最高,即 VC > VB > VEPNP 是用E T B 的电流(IB )控制E T C 的电流(IC ), E 极电位最高,且正常放大时通 常C 极电位最低,即 VC<VB<VENPN 电路中,E 最终都是接到地板(直接或间接),C 最终都是接到天花板 (直接或间接) PNP 电路则相反,C 最终都是接到地板(直接或间接),E 最终都是接到天花板(直接或间 接)。
这也是为了满足上面的 VC 和VE 的关系。
NPN 基极高电压,集电极与发射极短路。
低电压,集电极与发射极开路。
也就是不工作。
PNP 基极高电压,集电极与发射极开路,也就是不工作。
如果基极加低电位,集电极与发 射极短路。
NPN 和PNP 的区别: 1.如果输入一个高电平,而输出需要一个低电平时,首选择npn 。
黄电结、a oN -P -一基工H一rbo --------c-—N --WlxVa集电權G2. 如果输入一个低电平,而输出需要一个低电平时,首选择 pnp 。
3. 如果输入一个低电平,而输出需要一个高电平时,首选择 npn 。
4. 如果输入一个高电平,而输出需要一个高电平时,首选择pnp 。
圄片一TO92封装S8050和S8550是现在很常用的小功率三极管。
S8050是NPN 管,S8550是PNP 管。
它们引脚排列完全一样。
你面对字标,自左向右一一e ;发射极;b 基级;c 集电极。
指针万用表核对:档位拨到 hfe 档位,8050插入到NPN 测试孔,8550插入到PNP 测试孔,万用表正确指示 hfe 值的,万用表测试孔标定的ebc 管脚记下就是了。
S8550 TO-92封装TO 921. 发射扱2. 基极玉集电扱SOT —23T 基极 2发射根3集电棣團片二贴片对装W WEI 1 Z5M|S8550PNP General Purpose Transistors 观 Lead(Pb)-Free,.™r Z. BA^iE I^COLLECTOR、ABSOLCTE MAXJMUV1 RATIM^S (T 沪站t )RjtflDgS? nibihl ^'alur Uni[ Coilectcr-Emilter VoltageVCEO -2SVdc Collector-Base Voltage VtBOVdc Emvitt^r-Base VOltageV£BO-SOVdc Collector Current<C -SOO m Adc Total Device Dissipation T A =25 <Z Pp Q 635 W Junction Ttrnperature TJ ISO p Storage. Ternp&ratureTstg-55 10 fl 50°CS8550 SOT-23MAXIMUM RATINGS (T A =25 Cunless ottienvise notedSymbol Pa4r<amfli$r Value Units VtM Gollector'Basft Vbitfige 40 V VetoCoKectw-Emlfter votta^e 25 V 皿 Emilter-Base Vdtage 5V lcGodeclw Currenl -Conlinuou^ 0.5A P CCoiilectv OiMipanon 03w 卜Junction Temp&mure150£JStoraoa TemperalurB■55-15QS8050 TO-92FEATURESComplim&frtary tc S855OCollector Current" IC=& 5AMARKING; J3YSOT-23DimMin MaxA2.8Q03 040 6 1 2001 400 CQmC 1.110 D Q.37QO^OCIG 1.TB0 2X0 H 0.013 0.100J o.oes0.177K0.4AO 0<600 L 0.6S0 1 QEOs 2.100 2 500 ¥0.450OuOOOAll Di men sio n in mmi ■in*A 初 e 賈ci 「V •嚏per”豊n 乳河 晒补-MtEle TS8050 SOT-23。
8050三极管参数类型:开关型;极性:NPN;材料:硅;最大集存器电流(A):0.5 A;直流电增益:10 to 60;功耗:625 mW;最大集存器发射电(VCEO):25;频率:150 MHzPE8050 硅 NPN 30V 1.5A 1.1W3DG8050 硅 NPN 25V 1.5A FT=190 *K2SC8050 硅 NPN 25V 1.5A FT=190 *KMC8050 硅 NPN 25V 700mA 200mW 150MHzCS8050 硅 NPN 25V 1.5A FT=190 *K8050和8550三极管在电路应用中经常作为对管来使用,当然很多时候也作为单管应用。
8050 为硅材料NPN型三极管;8550 为硅材料PNP型三极管。
8050S 8550S S8050 S8550 参数:耗散功率0.625W(贴片:0.3W)集电极电流0.5A集电极--基极电压40V集电极--发射极击穿电压25V特征频率fT 最小150MHZ 典型值产家的目录没给出按三极管后缀号分为 B C D档贴片为 L H档放大倍数B85-160 C120-200 D160-300 L100-200 H200-350 C8050 C8550 参数:耗散功率1W集电极电流1.5A集电极--基极电压40V集电极--发射极击穿电压25V特征频率fT 最小100MHZ 典型190MHZ放大倍数:按三极管后缀号分为 B C D档放大倍数B:85-160 C:120-200 D:160-3008050SS 8550SS 参数:耗散功率: 1W(TA=25℃) 2W(TC=25℃)集电极电流1.5A集电极--基极电压40V集电极--发射极击穿电压25V特征频率fT 最小100MHZ放大倍数:按三极管后缀号分为 B C D D3 共4档放大倍数 B:85-160 C:120-200 D:160-300 D3:300-400 引脚排列有EBC ECB两种SS8050 SS8550 参数:耗散功率: 1W(TA=25℃) 2W(TC=25℃)集电极电流1.5A集电极--基极电压40V集电极--发射极击穿电压25V特征频率fT 最小100MHZ放大倍数:按三极管后缀号分为 B C D 共3档放大倍数 B:85-160 C:120-200 D:160-300 引脚排列多为EBCUTC的 S8050 S8550 引脚排列有EBC8050S 8550S 引脚排列有ECB这种管子很少见参数:耗散功率1W集电极电流0.7A集电极--基极电压30V集电极--发射极击穿电压20V特征频率fT 最小100MHZ 典型产家的目录没给出放大倍数:按三极管后缀号分为C D E档C:120-200 D:160-300 E:280-400NEC的8050最大集电极电流(A):0.5 A;直流电增益:10 to 60;功耗:625 mW;最大集电极-发射极电压(VCEO):25;频率:150 MHz .其它的8050PE8050 硅 NPN 30V 1.5A 1.1WMC8050 硅 NPN 25V 700mA 200mW 150MHzCS8050 硅 NPN 25V 1.5A FT=190 *K3DG8050 硅 NPN 25V 1.5A FT=190 *K2SC8050 硅 NPN 25V 1.5A FT=190 *K值得注意的是,在代换相应的8050或8550三极管时,除了型号匹配,放大倍数也是很重要的参数。
代换S8550 S8050三极管要特别注意放大倍数8050 8550三极管有时在电路里做为对管来使用,也有的做单管应用。
在有些电路里对S8050放大倍数要求是很高的,不能随意替换,必需要用原参数管才能替换,否则电路不能正常工作。
8050为NPN型三极管 8550为PNP型三极管ab126计算公式大全图片一TO92封装图片二贴片封装S8050 S8550参数:耗散功率0.625W(贴片:0.3W)集电极电流0.5A集电极--基极电压40V集电极--发射极击穿电压25V集电极-发射极饱和电压 0.6V特征频率fT 最小150MHZ 典型值产家的目录没给出引脚排列为EBC或ECB838电子按三极管后缀号分为 B C D档贴片为 L H档放大倍数B85-160 C120-200 D160-300 L100-200 H200-3508050S 8550S参数:耗散功率0.625W(贴片:0.3W)集电极电流0.5A集电极--基极电压30V集电极--发射极击穿电压25V集电极-发射极饱和电压 0.5V特征频率fT 最小150MHZ 典型值产家的目录没给出引脚排列为ECB按三极管后缀号分为 B C D档贴片为 L H档放大倍数B85-160 C120-200 D160-300 E280-400 L100-200 H200-350关于C8050 C8550参数:耗散功率1W集电极电流1.5A集电极--基极电压40V集电极--发射极击穿电压25V特征频率fT 最小100MHZ 典型190MHZ放大倍数:按三极管后缀号分为 B C D档放大倍数B:85-160 C:120-200 D:160-300关于8050SS 8550SS参数:耗散功率: 1W(TA=25℃) 2W(TC=25℃)集电极电流1.5A集电极--基极电压40V集电极--发射极击穿电压25V特征频率fT 最小100MHZ放大倍数:按三极管后缀号分为B C D D3 共4档放大倍数B:85-160 C:120-200 D:160-300 D3:300-400 引脚排列有EBC ECB两种关于SS8050 SS8550参数:耗散功率: 1W(TA=25℃) 2W(TC=25℃)集电极电流1.5A集电极--基极电压40V集电极--发射极击穿电压25V特征频率fT 最小100MHZ放大倍数:按三极管后缀号分为B C D 共3档放大倍数B:85-160 C:120-200 D:160-300引脚排列多为EBCUTC的S8050 S8550 引脚排列有EBC8050S 8550S 引脚排列有ECB这种管子很少见参数:耗散功率1W集电极电流0.7A集电极--基极电压30V集电极--发射极击穿电压20V特征频率fT 最小100MHZ 典型产家的目录没给出放大倍数:按三极管后缀号分为C D E档C:120-200 D:160-300 E:280-400 图一是这几种三极管的管脚排列引脚。
8050三极管电路图_8050三极管参数_8050三极管引脚图 - 电子元器件在一些电路中相信大家都见过长着几个脚的小元件,其中有一种叫8050三极管,今天我们来了看看8050三极管引脚图,8050三极管参数情况:8050三极管是什么?8050三极管是非常常见的NPN型晶体三极管,在各种放大电路中经常看到它,应用范围很广,主要用于高频放大。
也可用作开关电路。
8050三极管引脚图:8050三极管(TO-92封装)引脚图8050三极管(SOT-23封装)引脚图8050三极管电路图8050三极管参数:类型:开关型;极性:NPN;材料:硅;最大集电极电流(A):0.5A;直流电增益:10to60;功耗:625mW;最大集电极-发射极电压(VCEO):25;[1]特征频率:150MHzPE8050硅NPN30V1.5A1.1W3DG8050硅NPN25V1.5AFT=190*K2SC8050硅NPN25V1.5AFT=190*KMC8050硅NPN25V700mA200mW150MHzCS8050硅NPN25V1.5AFT=190*Ks8050三极管参数参数:耗散功率0.625W(贴片:0.3W)集电极电流0.5A集电极--基极电压40V集电极--发射极击穿电压25V集电极-发射极饱和电压0.6V特征频率fT最小150MHZ典型值产家的目录没给出引脚排列为EBC或ECB838电子按三极管后缀号分为BCD档贴片为LH档放大倍数B85-160C120-200D160-300L100-200H200-350 ss8050三极管参数耗散功率0.625W(贴片:0.3W)集电极电流0.5A集电极--基极电压40V集电极--发射极击穿电压25V集电极-发射极饱和电压0.6V特征频率fT最小150MH按三极管后缀号分为BCD档贴片为LH档放大倍数B85-160C120-200D160-300L100-200H200-350 管脚排列顺序:E,B,C。
8050三极管参数,8050的引脚参数首先,三极管,全称应为半导体三极管,也称双极型晶体管、晶体三极管,是一种控制电流的半导体器件其作用是把微弱信号放大成幅度值较大的电信号,也用作无触点开关。
晶体三极管,是半导体基本元器件之一,具有电流放大作用,是电子电路的核心元件。
三极管是在一块半导体基片上制作两个相距很近的PN结,两个PN结把整块半导体分成三部分,中间部分是基区,两侧部分是发射区和集电区,排列方式有PNP和NPN两种。
8050是非常常见的NPN型晶体三极管,在各种放大电路中经常看到它,应用范围很广,主要用于高频放大。
参数:类型:开关型;极性:NPN;材料:硅;最大集电极电流(A):0.5 A;直流电增益:10 to 60;功耗:625 mW;最大集电极-发射极电压(VCEO):25;特征频率:150 MHzPE8050 硅 NPN 30V 1.5A 1.1W3DG8050 硅 NPN 25V 1.5A FT=190 *K2SC8050 硅 NPN 25V 1.5A FT=190 *KMC8050 硅 NPN 25V 700mA 200mW 150MHzCS8050 硅 NPN 25V 1.5A FT=190 *K对于8050的引脚参数其实很容易判别的。
S8050,NPN三极管,平面向上,左到右分别为为EBC极D8050则是ECB极8050参数:BVCBO=40伏,BVCEO=25伏,I=1.5安,P=1瓦8050S参数:BVCBO=25伏,BVCEO=20伏,I=0.7安,P=0.625瓦S8050和S8550是现在很常用的小功率三极管。
S8050是NPN 管,S8550是PNP管。
它们参数都一样。
BVceo=25V,Pcm=1W,Icm=1.5A,引脚排列完全一样。
面对型号,从左到右引脚分别是e、b、c。
/342ac65c10385343e7e2f4499313b07eca8088ac?x-bce-process=image/resize,m_lfit,w_600,h_800,limit_18050三极管参数共享文档 2018-06-28 2页用App免费查看8050三极管参数类型:开关型;极性:NPN;材料:硅;最大集存器电流(A):0.5 A;直流电增益:10 to 60;功耗:625 mW;最大集存器发射电(VCEO):25;频率:150 MHzPE8050 硅 NPN 30V 1.5A 1.1W3DG8050 硅 NPN 25V 1.5A FT=190 *K2SC8050 硅 NPN 25V 1.5A FT=190 *KMC8050 硅 NPN 25V 700mA 200mW 150MHzCS8050 硅 NPN 25V 1.5A FT=190 *K8050和8550三极管在电路应用中经常作为对管来使用,当然很多时候也作为单管应用。
s8050放大电路实验S8050 DF331最优方案12V 基极电阻 4.7K 1.8K集电极电流5.87V/50=117mA集电极电阻功率为0.686W,基极电阻功率为0.000423W,三极管功率为0.336W7.55V/50=151mA集电极电阻功率为1.14W,基极电阻功率为0.000624w,三极管功率为0.135W二极管电压 2.17V 2.35V基极电流 1.41V/4.7K=0.3mA 1.06V/1.8K=0.589mA 发射结电压0.56V 正偏0.7V 正偏ULN2003输出脚电压0.84V0.9V集电结电压 2.57V 反偏(放大区)0.2V 反偏(放大区)三极管放大倍数117mA/0.3mA=390151mA/0.589mA=256 S8050 DF3315V 基极电阻 4.7K 1.8K集电极电流2.27V/50=45.4mA集电极电阻功率为0.103W,基极电阻功率为0.000589W,三极管功率为0.0045W2.32V/50=46.4mA集电极电阻功率为0.107W,基极电阻功率为0.0015W,三极管功率为0.0027W二极管电压 1.88V 1.86V基极电流 1.67V/4.7K=0.353mA 1.66V/1.8K=0.92mA发射结电压0.70V 正偏0.72V 正偏ULN2003输出脚电压0.75V0.76V集电结电压0.61v 正偏(截止区)0.66V 正偏(截至区)三极管放大倍数45.4mA/0.353mA=12846.4mA/0.92mA=40.6 1K8.15V/50=163mA(非常烫手)集电极电阻功率为1.328W,基极电阻功率为0.0008836W,三极管功率为0.048W 2.42V0.94V/1K=0.94mA0.74正偏0.90V0.44V 正偏(截止区)163mA/0.94mA=1731K2.28V/50=45.6mA集电极电阻功率为0.104W,基极电阻功率为0.00256W,三极管功率为0.001824W 1.90V1.60V/1K=1.6mA0.73V 正偏0.76V0.69V 正偏(截至区)45.6mA/1.6mA=28.5。
S8050 DF331最优方案12V 基极电阻 4.7K 1.8K集电极电流5.87V/50=117mA集电极电阻功率为0.686W,基极电阻功率为0.000423W,三极管功率为0.336W7.55V/50=151mA集电极电阻功率为1.14W,基极电阻功率为0.000624w,三极管功率为0.135W二极管电压 2.17V 2.35V基极电流 1.41V/4.7K=0.3mA 1.06V/1.8K=0.589mA 发射结电压0.56V 正偏0.7V 正偏ULN2003输出脚电压0.84V0.9V集电结电压 2.57V 反偏(放大区)0.2V 反偏(放大区)三极管放大倍数117mA/0.3mA=390151mA/0.589mA=256 S8050 DF3315V基极电阻 4.7K 1.8K集电极电流2.27V/50=45.4mA集电极电阻功率为0.103W,基极电阻功率为0.000589W,三极管功率为0.0045W2.32V/50=46.4mA集电极电阻功率为0.107W,基极电阻功率为0.0015W,三极管功率为0.0027W二极管电压 1.88V 1.86V基极电流 1.67V/4.7K=0.353mA 1.66V/1.8K=0.92mA发射结电压0.70V 正偏0.72V 正偏ULN2003输出脚电压0.75V0.76V集电结电压0.61v 正偏(截止区)0.66V 正偏(截至区)三极管放大倍数45.4mA/0.353mA=12846.4mA/0.92mA=40.61K8.15V/50=163mA(非常烫手)集电极电阻功率为1.328W,基极电阻功率为0.0008836W,三极管功率为0.048W 2.42V0.94V/1K=0.94mA0.74正偏0.90V0.44V 正偏(截止区)163mA/0.94mA=1731K2.28V/50=45.6mA集电极电阻功率为0.104W,基极电阻功率为0.00256W,三极管功率为0.001824W 1.90V1.60V/1K=1.6mA0.73V 正偏0.76V0.69V 正偏(截至区)45.6mA/1.6mA=28.5。
8050 8550三极管有时在电路里做为对管来使用,也有的做单管应用。
在有些电路里对S8050 的放大倍数要求是很高的,不能随意替换,必需要用原参数管才能替换,否则电路不能正常工作。
8050为NPN型三极管 8550为PNP型三极管
S8050 S8550
参数:
耗散功率0.625W(贴片:0.3W)
集电极电流0.5A
集电极--基极电压40V
集电极--发射极击穿电压25V
集电极-发射极饱和电压 0.6V
特征频率fT 最小150MHZ 典型值产家的目录没给出
引脚排列为EBC或ECB
按三极管后缀号分为 B C D档贴片为 L H档
放大倍数B85-160 C120-200 D160-300 L100-200 H200-350
8050S 8550S
参数:
耗散功率0.625W(贴片:0.3W)
集电极电流0.5A
集电极--基极电压30V
集电极--发射极击穿电压25V
集电极-发射极饱和电压 0.5V
特征频率fT 最小150MHZ 典型值产家的目录没给出
引脚排列为ECB
按三极管后缀号分为 B C D档贴片为 L H档
放大倍数B85-160 C120-200 D160-300 E280-400 L100-200 H200-350
关于C8050 C8550
参数:
耗散功率1W
集电极电流1.5A
集电极--基极电压40V
集电极--发射极击穿电压25V
特征频率fT 最小100MHZ 典型190MHZ
放大倍数:按三极管后缀号分为 B C D档
放大倍数B:85-160 C:120-200 D:160-300
关于8050SS 8550SS
参数:
耗散功率?: 1W(TA=25℃) 2W(TC=25℃)
集电极电流1.5A
集电极--基极电压40V
集电极--发射极击穿电压25V
特征频率fT 最小100MHZ
放大倍数:按三极管后缀号分为 B C D D3 共4档
放大倍数 B:85-160 C:120-200 D:160-300 D3:300-400 引脚排列有EBC ECB两种
关于SS8050 SS8550
参数:
耗散功率?: 1W(TA=25℃) 2W(TC=25℃)
集电极电流1.5A
集电极--基极电压40V
集电极--发射极击穿电压25V
特征频率fT 最小100MHZ
放大倍数:按三极管后缀号分为 B C D 共3档
放大倍数 B:85-160 C:120-200 D:160-300
引脚排列多为EBC
UTC的 S8050 S8550 引脚排列有EBC
8050S 8550S 引脚排列有ECB
这种管子很少见
参数:
耗散功率1W
集电极电流0.7A
集电极--基极电压30V
集电极--发射极击穿电压20V
特征频率fT 最小100MHZ 典型产家的目录没给出
放大倍数:按三极管后缀号分为C D E档
C:120-200 D:160-300 E:280-400。