梯形螺纹 直径与螺距系列
- 格式:pdf
- 大小:125.15 KB
- 文档页数:4
《公制、美制和英制螺纹标准手册》我国常用螺纹标准一览表类别标准名称标准号与国际标准的关系普通螺纹普通螺纹基本牙型GB/T192 —1981与ISO68等效普通螺纹直径与螺距系列GB/T193 —1981与ISO261等效普通螺纹基本尺寸GB/T196 —1981与ISO724等效普通螺纹公差与配合GB/T197 —1981与ISO965/1等效普通螺纹极限偏差GB/T2516 —1981与ISO965/3等效商品紧固件的普JB/T7912 —1999与ISO262等效通螺纹选用系列商品紧固件的中GB/T9145 —1988与ISO965/2等效等精度普通螺纹极限尺寸光学螺纹光学仪器特种细牙螺纹ZBN30006—1988 -光学仪器用目镜螺纹JB/T8204—1995光学仪器用短牙螺纹JB/T5450-1991紧配合螺纹过渡配合螺纹GB/T1167—1996 -过盈配合螺纹GB/T1181—1998小螺纹小螺纹牙型GB/T1505 4.1—1994与ISO1501等效小螺纹直径与螺距系列GB/T1505 4.2—1994小螺纹基本尺寸GB/T1505 4.3—1994小螺纹公差GB/T15054.4-1994小螺纹极限尺寸GB/T15054.5-1994MJ螺纹MJ螺纹基本牙型GJB/T3.1 —1982ISO5855MJ螺纹螺栓与螺母螺纹的尺寸与公差GJB/T3.2 —1982MJ螺纹管路件螺纹的尺寸与公差GJB/T3.3 —1985MJ螺纹结构件的尺寸与公差GJB/T3.4 —1985MJ螺纹计算公式GJB/T3.5 —1985MJ螺纹首尾GJB52-1985梯形螺纹梯形螺纹牙型GB/T5796 .1—1986与ISO2901等效梯形螺纹直径与螺距系列GB/T5796 .2—1986与ISO2902等效梯形螺纹基本尺寸GB/T5796 .3—1986与ISO2904等效梯形螺纹公差GB/T5796 .4—1986与ISO2903等效梯形螺纹极限尺寸GB/T12359—1990 -机床梯形螺纹丝杠、螺母技术条件JB/T2886—1992锻钢阀门用短牙梯形螺纹JB/TQ374—1985锯齿形螺纹锯齿形(3 °、30°)螺纹牙型GB/T13576.1—1992 -锯齿形(3 °、30°)螺纹直径与螺距系列GB/T13576.2—1992锯齿形(3 °、30°)螺纹基本尺寸GB/T13576.3—1992锯齿形(3 °、30°)螺纹公差GB/T13576.4—1992水压机45 °锯齿形螺纹牙型与基本尺寸JB2076—1984管螺纹用螺纹密封的管螺纹GB/T7306 —1987与ISO7/1等效非螺纹密封的管螺纹GB/T7307 —1987与ISO228/1等效60°圆锥管螺纹GB/T12716—1991 -米制锥螺纹GB/T1415—1992管路旋入端用普通螺纹尺寸系列GB/T1414—1978气瓶专用螺纹GB/T8335-1998通用基准螺纹术语GB/T1479 1—1993与ISO5408等效。
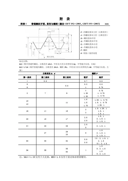
附录D—内螺纹基本大径(公称直径)d—外螺纹基本大径(公称直径)D2—螺纹基本中径d2—外螺纹基本中径D1—内螺纹基本小径d1—外螺纹基本小径P—螺距H—原始三角形高度标记示例:M10(粗牙普通外螺纹、公称直径d=10、中径及大径公差带均为6g、中等旋合长度、右旋)M10×1-LH(细牙普通内螺纹、公称直径D=10、螺距P=1、中径及大径公差带均为6H、中等旋合长度、左公称直径D、d螺距P 第一系列第二系列第三系列粗牙细牙4 3.5 0.7 0.55 6 5.50.810.50.758 7 911.251.250.751、0.751、0.7510 12 111.51.51.751.25、1、0.751.5、1、0.751.25、116 14 15 221.5、1.25、11.5、11.5、120 18 17 2.52.51.5、12、1.5、12、1.5、124 22 25 2.532、1.5、127 262831.52、1.5、12、1.5、130 33 32 3.53.5(3)、2、1.5、12、1.5(3)、2、1.536 39 353841.53、2、1.51.53、2、1.5附表2 梯形螺纹直径与螺距系列(摘自GB/T 5796.3—2005)mm 标记示例:Tr36×12(6)-LH标记示例:11/2圆锥内螺纹:Rc11/2;圆锥内螺纹与圆锥外螺纹的配合: Rc11/2 / R11/2;11/2圆柱内螺纹:Rp11/2;圆柱内螺纹与圆锥外螺纹的配合: Rc11/2 / R11/2;11/2圆锥外螺纹:R11/2;11/2圆锥外螺纹,左旋:Rc11/2-LH。
标记示例:内外螺纹的装配标记;G11/2/ G11/2A;11/2内螺纹:G11/2;11/2A级外螺纹:G11/2A;11附表5 六角头螺栓mm六角头螺栓——C级(摘自GB/T 5780-2000)标记示例:螺栓GB\T5780 M20×100(螺纹规格d=M12、公称长度l=100右旋、性能等级为4.8级、不经表面处理、杆身半螺纹、C级的六角头螺栓)六角头螺栓——全螺纹——C级(摘自GB/T 5781-2000)标记示例:螺栓GB\T5781M12×80(螺纹规格d=M12、公称长度l=80右旋、性能等级为4.8级、不经表面处理、全螺纹、C级的六角头螺栓)螺纹规格d M5 M6 M8 M10 M12 M16 M20 M24 M30 M36 M42 M48b参考l≦125 16 18 22 26 30 38 40 54 66 78 ——125﹤l≦200——28 32 36 44 52 60 72 84 96 108 l﹥200 —————57 65 73 85 97 109 121 k公称 3.5 4.0 5.3 6.4 7.5 10 12.5 15 18.7 22.5 26 30 s max8 10 13 16 18 24 30 36 46 55 65 75 e max8.63 10.9 14.2 17.6 19.9 26.2 33.0 39.6 50.9 60.9 72.0 82.6 d smax 5.48 6.48 8.58 10.6 12.7 16.7 20.8 24.8 30.8 37.0 45.0 49.0l范围GB\T5780—200025~5030~6035~8040~10045~12055~16065~20080~24090~300110~300160~420180~480 GB\T5781—200010~4012~5016~6520~8025~10030~10040~10050~10060~10070~10080~42090~480 l系列10、12、16、20~50(5进位)、(55)、60(65)、70—160(10进位)、180、220~500(20进位)注:1.括号内的规格尽可能不用。
普通螺纹直径与螺距系列GB/T193 —1981普通螺纹基本尺寸GB/T196 —1981普通螺纹公差与配合GB/T197 —1981普通螺纹偏差表GB/T2516 —1981商品紧固件的普通螺纹选用系列JB/T7912 —1999商品紧固件的中等精度普通螺纹极限尺寸GB/T9145 —1988 光学螺纹光学仪器特种细牙螺纹ZBN30006—1988光学仪器用目镜螺纹JB/T8204—1995光学仪器用短牙螺纹JB/T5450-1991紧配合螺纹过渡配合螺纹GB/T1167—1996过盈配合螺纹GB/T1181—1998小螺纹小螺纹牙型GB/T1505 4.1—1994小螺纹直径与螺距系列GB/T1505 4.2—1994小螺纹基本尺寸GB/T1505 4.3—1994小螺纹公差GB/T15054.4-1994小螺纹极限尺寸GB/T15054.5-1994MJ螺纹MJ螺纹基本牙型GJB/T3.1 —1982MJ螺纹螺栓与螺母螺纹的尺寸与公差GJB/T3.2 —1982MJ螺纹管路件螺纹的尺寸与公差GJB/T3.3 —1985MJ螺纹结构件的尺寸与公差GJB/T3.4 —1985MJ螺纹计算公式GJB/T3.5 —1985MJ螺纹首尾GJB52-1985梯形螺纹梯形螺纹牙型GB/T5796 .1—1986梯形螺纹直径与螺距系列GB/T5796 .2—1986梯形螺纹基本尺寸GB/T5796 .3—1986梯形螺纹公差GB/T5796 .4—1986梯形螺纹极限尺寸GB/T12359—1990机床梯形螺纹丝杠、螺母技术条件JB/T2886—1992锻钢阀门用短牙梯形螺纹JB/TQ374—1985锯齿形螺纹锯齿形(3 °、30°)螺纹牙型GB/T13576.1—1992 锯齿形(3 °、30°)螺纹直径与螺距系列GB/T13576.2—1992 锯齿形(3 °、30°)螺纹基本尺寸GB/T13576.3—1992锯齿形(3 °、30°)螺纹公差GB/T13576.4—1992水压机45 °锯齿形螺纹牙型与基本尺寸JB2076—1984管螺纹用螺纹密封的管螺纹GB/T7306 —1987非螺纹密封的管螺纹GB/T7307 —198760°圆锥管螺纹GB/T12716—1991米制锥螺纹GB/T1415—1992管路旋入端用普通螺纹尺寸系列GB/T1414—1978气瓶专用螺纹GB/T8335-1998通用基准螺纹术语 GB/T1479 1—1993。
附录D—内螺纹基本大径(公称直径)d—外螺纹基本大径(公称直径)D2—螺纹基本中径d2—外螺纹基本中径D1—内螺纹基本小径d1—外螺纹基本小径P—螺距H—原始三角形高度标记示例:M10(粗牙普通外螺纹、公称直径d=10、中径及大径公差带均为6g、中等旋合长度、右旋)M10×1-LH(细牙普通内螺纹、公称直径D=10、螺距P=1、中径及大径公差带均为6H、中等旋合长度、左公称直径D、d螺距P 第一系列第二系列第三系列粗牙细牙4 3.5 0.7 0.55 6 5.50.810.50.758 7 911.251.250.751、0.751、0.7510 12 111.51.51.751.25、1、0.751.5、1、0.751.25、116 14 15 221.5、1.25、11.5、11.5、120 18 17 2.52.51.5、12、1.5、12、1.5、124 22 25 2.532、1.5、127 262831.52、1.5、12、1.5、130 33 32 3.53.5(3)、2、1.5、12、1.5(3)、2、1.536 39 353841.53、2、1.51.53、2、1.5附表2 梯形螺纹直径与螺距系列(摘自GB/T 5796.3—2005)mm 标记示例:Tr36×12(6)-LH标记示例:11/2圆锥内螺纹:Rc11/2;圆锥内螺纹与圆锥外螺纹的配合: Rc11/2 / R11/2;11/2圆柱内螺纹:Rp11/2;圆柱内螺纹与圆锥外螺纹的配合: Rc11/2 / R11/2;11/2圆锥外螺纹:R11/2;11/2圆锥外螺纹,左旋:Rc11/2-LH。
标记示例:内外螺纹的装配标记;G11/2/ G11/2A;11/2内螺纹:G11/2;11/2A级外螺纹:G11/2A;11附表5 六角头螺栓mm六角头螺栓——C级(摘自GB/T 5780-2000)标记示例:螺栓GB\T5780 M20×100(螺纹规格d=M12、公称长度l=100右旋、性能等级为4.8级、不经表面处理、杆身半螺纹、C级的六角头螺栓)六角头螺栓——全螺纹——C级(摘自GB/T 5781-2000)标记示例:螺栓GB\T5781M12×80(螺纹规格d=M12、公称长度l=80右旋、性能等级为4.8级、不经表面处理、全螺纹、C级的六角头螺栓)螺纹规格d M5 M6 M8 M10 M12 M16 M20 M24 M30 M36 M42 M48b参考l≦125 16 18 22 26 30 38 40 54 66 78 ——125﹤l≦200——28 32 36 44 52 60 72 84 96 108 l﹥200 —————57 65 73 85 97 109 121 k公称 3.5 4.0 5.3 6.4 7.5 10 12.5 15 18.7 22.5 26 30 s max8 10 13 16 18 24 30 36 46 55 65 75 e max8.63 10.9 14.2 17.6 19.9 26.2 33.0 39.6 50.9 60.9 72.0 82.6 d smax 5.48 6.48 8.58 10.6 12.7 16.7 20.8 24.8 30.8 37.0 45.0 49.0l范围GB\T5780—200025~5030~6035~8040~10045~12055~16065~20080~24090~300110~300160~420180~480 GB\T5781—200010~4012~5016~6520~8025~10030~10040~10050~10060~10070~10080~42090~480 l系列10、12、16、20~50(5进位)、(55)、60(65)、70—160(10进位)、180、220~500(20进位)注:1.括号内的规格尽可能不用。
表4-7 普通螺纹基本牙型及尺寸计算(GB/T192—2003)(单位:mm)2.普通螺纹代号与标记普通螺纹分为粗牙普通螺纹和细牙普通螺纹两种。
粗牙普通螺纹用字母“M”及“公称直径”表示,如M8、M16等。
细牙普通螺纹用字母“M”及“公称直径×螺距”表示,如M10×1、M20×1.5等。
当螺纹为左旋时,在螺纹代号之后加“左”字,如M16左,M20×1.5左。
普通螺纹标记是由螺纹代号和公差代号及旋合长度代号组成,示例如下:普通螺纹直径与螺距系列,见表4-8。
表4-8 普通螺纹直径与螺距系列(GB/T193—2003)(单位:mm)注:1.直径优先选用第一系列,第三系列尽可能不用。
2.括号内的螺距尽可能不用。
3.注①处的M14×1.25仅用于火花塞。
4.注②处的M35×1.5仅用于滚动轴承锁紧螺母。
3.普通螺纹基本尺寸(见表4-9)表4-9 普通螺纹基本尺寸(GB/T196—2003)(单位:mm)4.普通螺纹公差(GB/T197—2003)(1)螺纹公差带螺纹公差带的位置由基本偏差确定,并规定外螺纹的上偏差(es)和内螺纹的下偏差(EI)为基本偏差,见图4-1。
对内螺纹规定了G和H两种位置[见图4-2(a)],对外螺纹规定了e、f、g、h等4种位置[见图4-2(b)]。
(2)内、外螺纹的基本偏差(见表4-10)表4-10 内、外螺纹的基本偏差(单位:μm)(3)内、外螺纹各直径的公差等级(见表4-11)(4)螺纹旋合长度(见表4-12)(5)螺纹公差带的选用(见表4-13)(6)普通螺纹的极限偏差(见表4-14)表4-11 内、外螺纹各直径的公差等级表4-12 普通螺纹旋合长度(单位:mm)表4-13 螺纹公差带的选用(GB/T2516—2003)注:1.大量生产的精制紧固件螺纹,推荐采用带方框的公差带。
2.带*的公差带应优先选用,不带*的公差带其次,括号内的公差带尽可能不用。
螺纹系列标准介绍1螺纹分类螺纹按用途分为四大类紧固螺纹传动螺纹管螺纹专用螺纹紧固螺纹紧固螺纹包括普通螺纹小螺纹(公称直径<㎜)超细牙螺纹热镀锌螺纹高温螺纹过渡配合螺纹过盈配合螺纹航空航天螺纹(军标螺纹)惠氏螺纹(英制螺纹)也有称为威氏螺纹有ISO标准,未纳入我国国家标准统一螺纹(美标英制螺纹)未纳入ISO标准和我国国家标准传动螺纹传动螺纹包括梯形螺纹锯齿形螺纹传动螺纹也可以应用于紧固。
管螺纹管螺纹包括55°管螺纹(英标)60°管螺纹(美标)也称为布氏锥管螺纹米制管螺纹专用螺纹专用螺纹包括石油螺纹气瓶螺纹自攻螺纹瓶口螺纹光学仪器螺纹灯口螺纹等2. 现行螺纹和螺纹量规标准GB/T3-1997 普通螺纹收尾、肩距、退刀槽和倒角GB/T192-2003 普通螺纹基本牙型GB/T193-2003 普通螺纹直径与螺距系列GB/T196-2003 普通螺纹基本尺寸GB/T197-2003 普通螺纹公差GB/T1167-1996 过渡配合螺纹GB/T1181-1998 过盈配合螺纹GB/T1414-2003 普通螺纹管路系列GB/T1415-1992 米制锥螺纹GB/T1581-1979 米制锥螺纹量规GB/T2350-1980 液压气动系统及元件活塞杆螺纹型式和尺寸系列GB/T2516-2003 普通螺纹极限偏差GB/T3934-1983 普通螺纹量规GB/T4749-1993 石油钻杆接头螺纹量规GB/T5280-1985 自攻螺钉用螺纹GB/ 梯形螺纹牙型GB/ 梯形螺纹直径与螺距系列GB/ 梯形螺纹基本尺寸GB/ 梯形螺纹公差与配合GB/T6559-1986 自攻锁紧螺钉的螺杆粗牙普通螺纹系列GB/ 55°密封管螺纹第1部分:圆柱内螺纹与圆锥外螺纹GB/ 55°密封管螺纹第2部分:圆锥内螺纹与圆锥外螺纹GB/T7307-2001 55°非密封管螺纹GB/T8124-1987 梯形螺纹量规技术条件GB/T8125-1987 梯形螺纹量规型式和尺寸GB8335-1998 气瓶专用螺纹GB/T8336-1998 气瓶专用螺纹量规GB/T9144-2003 普通螺纹优选系列GB/T9145-2003 普通螺纹中等精度、优选系列的极限尺寸GB/T9146-2003 普通螺纹粗糙精度、优选系列的极限尺寸GB/ 石油钻杆接头螺纹GB/ 石油天然气工业套管、油管和管线管螺纹的加工、测量和检验GB/ 石油钻杆螺纹GB/ 石油钻杆螺纹量规GB9765-1997 轮胎气门嘴螺纹GB/T10920-1989 普通螺纹量规型式和尺寸GB/T10922-1989 非螺纹密封的管螺纹量规GB/T10932-1989 螺纹千分尺GB/T12359-1990 梯形螺纹极限尺寸GB/T12716-2002 60°密封管螺纹GB/ 锯齿形(3°、30°)螺纹牙型GB/ 锯齿形(3°、30°)螺纹直径与螺距系列GB/ 锯齿形(3°、30°)螺纹基本尺寸GB/ 锯齿形(3°、30°)螺纹公差与配合GB/T14038-1993 气缸气门螺纹GB/T14791-1993 螺纹术语GB/ 小螺纹牙型GB/ 小螺纹直径与螺距系列GB/ 小螺纹基本尺寸GB/ 小螺纹公差GB/ 小螺纹极限尺寸GB/T15756-1995 普通螺纹极限尺寸GB/T17194-1997 电气导管电气安装用导管的外径和导管与配件的螺纹GB/T17449-1998 包装玻璃容器螺纹瓶口尺寸GB/T18052-2000 套管、油管和管线管螺纹的测量和检验方法GB/T18685-2002 搓、滚制普通螺纹前的毛坯尺寸MJ螺纹第1部分:通用要求MJ螺纹第2部分:螺栓和螺母螺纹MJ螺纹第3部分:管路件螺纹的极限尺寸JB/T3326-1999 量针JB/T7912-1999 商品紧固件的普通螺纹选用系列JB/T7981-1999 螺纹样板JB/T8240-1999 光学仪器用目镜螺纹JB/T9193-1999 搓(滚)制普通螺纹前的毛坯直径JB/T9313-1999 光学仪器特种细牙螺纹JB/T10031-1999 用螺纹密封的管螺纹量规ISO965-4:1998 ISO一般用途米制螺纹公差第4部分:热镀锌外螺纹的极限尺寸,与其相配合的内螺纹为热镀后攻丝,内螺纹的公差带位置为H或GISO965-5:1998 ISO一般用途米制螺纹公差第5部分:内螺纹的极限尺寸,与其相配合的为热镀锌外螺纹,热镀前外螺纹的最大尺寸在公差带h位置上ASME 英寸制统一螺纹ASME 一般用途管螺纹ASME 干密封管螺纹BS84-1956 惠氏螺纹3. 常用螺纹术语相关标准GB/T14791-1993 螺纹术语几个应注意理解的问题关于螺纹的完整性我国标准中,“不完整螺纹”是指牙顶不完整、而牙底完整的螺纹。
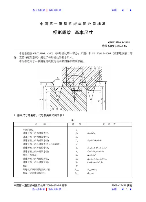
1基本尺寸的名称、代号及关系式列于表1中国第一重型机械集团公司标准梯形螺纹基本尺寸GB /T 5796.3-2005代替GB /T 5796.3-86本标准根据GB /T 5796.1-2005《梯形螺纹第一部分:牙型》和GB 5796.2-2005《梯形螺纹第二部分:直径与螺距系列》规定了梯形螺纹的基本尺寸。
本标准适用于一般用途的机械传动和紧固梯形螺纹联接。
名称代号关系式牙顶间隙;设计牙型上的内螺纹大径;设计牙型上的内螺纹中径;设计牙型上的内螺纹小径;设计牙型上的外螺纹大径(公称直径);设计牙型上的外螺纹中径;设计牙型上的外螺纹小径;基本牙型牙高;设计牙型上的内螺纹牙高;设计牙型上的外螺纹牙高;螺距外螺纹牙顶倒圆角圆弧半径;螺纹牙底倒角圆弧半径;a c D 4D 2D 1d d 2d 3H 1H 4h 3P R 1max R 2maxD 4=d+2a cD 1=d-2H 1=d-Pd 2=D 2=d-H 1=d-0.5P d 3=d-2h 3=d -P -2a c H 1=0.5PH 4=h 3=H 1+a c =0.5P +a c h 3=H 1+a c =P +0.5a c R 1max =0.5a c R 2max =a c表11返回总目录返回分目录后退2各直径基本尺寸列于表2表2基本尺寸mm公称直径d螺距P 中径d 2=D 2大径D 4小径第一系列d 3D 181.57.2508.3006.2006.5001.528.2508.0009.3009.5007.2006.5007.5007.000101.529.2509.00010.30010.5008.2007.5008.5008.0002310.0009.50011.50011.5008.5007.5009.0008.000122311.00010.50012.50012.5009.5008.50010.0009.0002313.00012.50014.50014.50011.50010.50012.00011.000162415.00014.00016.50016.50013.50011.50014.00012.0002417.00016.00018.50018.50015.50013.50016.00014.000202419.00018.00020.50020.50017.50015.50018.00016.00035820.50019.50018.00022.50022.50023.00018.50016.50013.00019.00017.00014.0002435822.50021.50020.00024.50024.50025.00020.50018.50015.00021.00019.00016.00035824.50023.50022.00026.50026.50027.00022.50020.50017.00023.00021.00018.0002835826.50025.50024.00028.50028.50029.00024.50022.50019.00025.00023.00020.000361028.50027.00025.00030.50031.00031.00026.50023.00019.00027.00024.00020.00032361030.50029.00027.00032.50033.00033.00028.50025.00021.00029.00026.00022.000第二系列第三系列9111418222630螺距P 中径d2=D2大径D4第一系列d3D13 6 1032.50031.00029.00034.50035.00035.00030.50027.00023.00031.00028.00024.00036361034.50033.00031.00036.50037.00037.00032.50029.00025.00033.00030.00026.000 371036.50034.50033.00038.50039.00039.00034.50030.00027.00035.00031.00028.00040371038.50036.50035.00040.50041.00041.00036.50032.00029.00037.00033.00030.000 371040.50038.50037.00042.50043.00043.00038.50034.00031.00039.00035.00032.00044371242.50040.50038.00044.50045.00045.00040.50036.00031.00041.00037.00032.000 381244.50042.00040.00046.50047.00047.00042.50037.00033.00043.00038.00034.00048381246.50044.00042.00048.50049.00049.00044.50039.00035.00045.00040.00036.000 381248.50046.00044.00050.50051.00051.00046.50041.00037.00047.00042.00038.00052381250.50048.00046.00052.50053.00053.00048.50043.00039.00049.00044.00040.000 391453.50050.50048.00055.50056.00057.00051.50045.00039.00052.00046.00041.00060391458.50055.50053.00060.50061.00062.00056.50050.00044.00057.00051.00046.0004101663.00060.00057.00065.50066.00067.00060.50054.00047.00061.00055.00049.000第二系列第三系列34384246505565螺距P 中径d2=D2大径D4第一系列d3D1704101668.00065.00062.00070.50071.00072.00065.50059.00052.00066.00060.00054.000 4101673.00070.00067.00075.50076.00077.00070.50064.00057.00071.00065.00059.000804101678.00075.00072.00080.50081.00082.00075.50069.00062.00076.00070.00064.000 4121883.00079.00076.00085.50086.00087.00080.50072.00065.00081.00073.00067.000904121888.00084.00081.00090.50091.00092.00085.50077.00070.00086.00078.00072.000 4121893.00089.00086.00095.50096.00097.00090.50082.00075.00091.00083.00077.0001004122098.00094.00090.000100.500101.000102.00095.50087.00078.00096.00088.00080.000 41220103.00099.00095.000105.000106.000107.000100.00092.00083.000101.00093.00085.000 41220108.000104.000100.000110.500111.000112.000105.50097.00088.000106.00098.00090.000 61422112.000108.000104.000116.000117.000117.000108.00099.00091.000109.000101.00093.00012061422117.000113.000109.000121.000122.000122.000113.000104.00096.000114.000106.00098.00061422122.000118.000114.000126.000127.000127.000118.000109.000101.000119.000111.000103.00061422127.000123.000119.000131.000132.000132.000123.000114.000106.000124.000116.000108.000第二系列第三系列758595105110115125130P d 2=D 2D 4第一系列d 3D 161424132.000128.000123.000136.000137.000137.000128.000119.000109.000129.000121.000111.00014061424137.000133.000128.000141.000142.000142.000133.000124.000114.000134.000126.000116.00061424142.000138.000133.000146.000147.000147.000138.000129.000119.000139.000131.000121.00061624147.000142.000138.000151.000152.000152.000143.000132.000124.000144.000134.000126.00061624152.000147.000143.000156.000157.000157.000148.000137.000129.000149.000139.000131.00016061628157.000152.000146.000161.000162.000162.000153.000142.000130.000154.000144.000132.00061628162.000157.000151.000166.000167.000167.000158.000147.000135.000159.000149.000137.00061628167.000162.000156.000171.000172.000172.000163.000152.000140.000164.000154.000142.00081628171.000167.000161.000176.000177.000177.000166.000157.000145.000167.000159.000147.00018081828176.000171.000166.000181.000182.000182.000171.000160.000150.000172.000162.000152.00081832181.000176.000169.000186.000187.000187.000176.000165.000151.000177.000167.000153.00081832186.000181.000174.000191.000192.000192.000181.000170.000156.000182.000172.000158.00081832191.000186.000179.000196.000197.000197.000186.000175.000161.000187.000177.000163.00020081832196.000191.000184.000201.000202.000202.000191.000180.000166.000192.000182.000168.000第二系列第三系列135145150155165170175185190195P d 2=D 2D 4第一系列d 3D 182036206.000200.000192.000211.000212.000212.000201.000188.000172.000202.000190.000174.00022082036216.000210.000202.000221.000222.000222.000211.000198.000182.000212.000200.000184.00082036226.000220.000212.000231.000232.000232.000221.000208.000192.000222.000210.000194.00024082236236.000229.000222.000241.000242.000242.000231.000216.000202.000232.000218.000204.000122240244.000239.000230.000251.000252.000252.000237.000226.000208.000238.000228.000210.000260122240254.000249.000240.000261.000262.000262.000247.000236.000218.000248.000238.000220.000122440264.000258.000250.000271.000272.000272.000257.000244.000228.000258.000246.000230.000280122440274.000268.000260.000281.000282.000282.000267.000254.000238.000268.000256.000240.000122444284.000278.000268.000291.000292.000292.000277.000264.000244.000278.000266.000246.000300122444294.000288.000278.000301.000302.000302.000287.000274.000254.000288.000276.000256.000第二系列第三系列210230250270290。
公制粗螺纹公制细螺纹规格标准径最大最小规格标准径最大最小规格标准径最大最小M1.0*0.25 0.75 0.785 0.729 M1.0*0.2 0.8 0.821 0.783 M15*1.0 14 14.353 13.917M1.1*0.25 0.85 0.885 0.829 M1.1*0.2 0.9 0.921 0.883 M16*1.5 14.5 14.676 14.376M1.2*0.25 0.95 0.985 0.929 M1.2*0.2 1 1.021 0.983 M16*1.0 15 15.15314.917M1.4*0.3 1.1 1.142 1.075 M1.4*0.2 1.2 1.221 1.183 M17*1.5 15.5 15.676 15.376M1.6*0.35 1.25 1.321 1.221 M1.6*0.2 1.4 1.421 1.383 M17*1.0 16 16.153 15.917M1.7*0.35 1.35 1.421 1.321 M1.7*0.2 1.45 1.5 1.46 M18*2.0 16 16.21 15.835 M1.8*0.35 1.45 1.521 1.421 M1.8*0.2 1.6 1.621 1.583 M18*1.5 16.5 16.676 16.376M2.0*0.4 1.6 1.679 1.567 M2.0*0.25 1.75 1.785 1.729 M18*1.0 17 17.153 16.917M2.2*0.45 1.75 1.888 1.713 M2.2*0.25 1.95 1.985 1.929 M20*2.0 18 18.21 17.835M2.3*0.4 1.9 1.979 1.867 M2.3*0.25 2.05 2.061 2.001 M20*1.5 18.5 18.676 18.376M2.5*0.45 2.1 2.138 2.013 M2.5*0.35 2.2 2.221 2.121 M20*1.0 19 19.153 18.917M2.6*0.45 2.2 2.238 2.113 M2.5*0.35 2.2 2.246 2.186 M22*2.0 20 20.2119.835M3.0*0.5 2.5 2.599 2.459 M3.0*0.35 2.7 2.721 2.621 M22*1.5 20.5 20.676 20.376M3.0*0.6 2.4 2.44 2.28 M3.5*0.35 3.2 3.221 3.121 22*1.0 21 21.153 20.917M3.5*0.6 2.9 3.01 2.85 M4.0*0.5 3.5 3.599 3.459 M24*2.0 22 22.21 21.835M4.0*0.7 3.8 3.422 3.242 M4.5*0.5 4 4.099 3.959 M24*1.5 22.5 22.676 22.376 M4.0*0.75 3.25 3.326 3.106 M5.0*0.5 4.5 4.599 4.459 M24*1.0 23 23.153 22.917M4.5*0.7 3.8 3.878 3.688 M5.5*0.5 5 5.099 4.959 M25*2.0 23 23.21 22.835M5*0.8 4.2 4.334 4.134 M6.0*0.75 5.3 5.378 5.188 M25*1.5 23.5 23.67623.376M5*0.9 4.1 4.17 3.98 M6.0*0.5 5.5 5.55 5.4 M25*1.0 24 24.153 23.917M6*1.0 5 5.153 4.917 M7.0*0.75 6.3 6.378 6.188 M26*1.5 24.5 24.676 24.876 M7*1.0 6 6.153 5.917 M7.0*0.5 6.5 6.55 6.4 M27*2.0 25 25.21 24.735M8*1.25 6.8 6.912 6.647 M8.0*1 7 7.153 6.917 M27*1.5 25.5 25.676 25.376 M9*1.25 7.8 7.912 7.647 M8.0*0.75 7.3 7.378 7.188 M27*1.0 26 26.15325.735M10*1.5 8.5 8.676 8.376 M8.0*0.5 7.5 7.52 7.4 M28*2.0 26 26.21 25.835M11*1.5 9.5 9.676 9.376 M9.0*1 8 8.153 7.917 M28*1.5 26 26.676 26.376M12*1.75 10.3 10.24 10.106 M9.0*0.75 8.3 8.378 8.188 M28*1.0 27 27.153 26.917M14*2.0 12 12.21 11.835 M10*1.25 8.8 8.912 8.647 M30*3.0 27 27.25226.752M16*2.0 14 14.21 13.835 M10*1.0 9 9.153 8.917 M30*2.0 28 28.21 27.835M18*2.5 15 15.144 15.294 M10*0.75 9.3 9.378 9.188 M30*1.0 28 28.676 28.376M20*2.5 17 17.744 17.294 M10*0.5 9.5 9.52 9.4 M32*2.0 30 29.153 28.917M22*2.5 19 19.744 19.294 M11*1.0 10 10.153 9.917 M32*1.5 30 30.21 29.835 M24*3.0 21 21.252 20.752 M11*0.75 10.3 10.378 10.188 M33*3.0 30 30.676 30.376M27*3.0 24 24.252 23.752 M12*1.5 10.5 10.676 10.376 M33*2.0 31 30.252 29.752M30*3.5 26.5 26.771 26.211 M12*1.25 10.8 10.912 10.647 M33*1.5 31.5 31.21 30.835M12*1 11 11.153 10.917 M35*1.5 33.5 33.676 31.376M12*0.5 11.5 11.523 11.4 M36*3.0 33 33.252 32.752M14*0.5 12.5 12.676 12.376 M36*2.0 34 34.21 33.835M14*1.0 13 13.153 12.917 M36*1.5 34 34.676 34.376M15*1.50 13.5 13.676 13.376英美联合螺纹英美联合细螺纹规格钻头径2B螺纹径规格钻头径下孔径上限下限上限下限NO.1-64UNC 1.55 1.582 1.425 no.0-80unf 1.25 1.305 1.182NO.2-56UNC 1.8 1.871 1.695 no.1-72unf 1.55 1.612 1.474NO.3-48UNC 2.1 2.146 1.941 no.2-64-unf 1.85 1.912 1.756NO.4-40UNC 2.3 2.385 2.157 no.3-565unf 2.1 2.197 2.025NO.5-40UNC 2.6 2.679 2.487 no.4-48unf 2.4 2.458 2.271NO.6-32UNC 2.8 2.895 2.642 no.5-44unf 2.7 2.74 2.551NO.832UNC 3.4 3.53 3.302 no.6-40unf 2.9 3.022 2.82NO.10-24UNC 3.9 3.926 3.683 no.8-36unf 3.5 3.606 3.404NO.12-24UNC 4.5 4.597 4.344 no.10-32unf 4.1 4.165 3.9631\4-20UNC 5.1 5.257 4..979 no.12-28unf 4.6 4.724 4.4965\16-18unc 6.6 6.731 6.401 1\4-28unf 5.5 5.588 5.363\8-16UNC 8 8.153 7.798 5\16-24unf 6.9 7.035 6.7827\16-14UNC 9.4 9.55 9.144 3\8-24unf 8.5 8.636 8.3821\2-13UNC 10.8 11.023 10.599 7\16-20unf 9.9 10.033 9.7299\16-12UNC 12.2 12.446 11.989 1\2-unf 11.5 11.607 11.3295\8-11UNC 13.6 13.868 13.386 9\16-unf 12.9 13.081 12.753\4-10UNC 16.5 16.84 16.307 5\8-18unf 14.5 14.681 14.357\8-9UNC 19.5 19.761 19.177 3\4-16unf 17.5 17.678 17.321--8UNC 22.2 22.606 21.971 7\8-14unf 20.5 20.675 20.2711\8-7UNC 25 25.349 24.813 1--12unf 23.2 23.571 23.1111\4-7UNC 28.2 28.524 27.813 11\8-12unf 26.5 26.746 26.2813\8-6UNC 30.8 31.115 30.353 11\4-12unf 29.5 29.921 29.4611\2-6UNC 34 34.29 33.528 13\8-12unf 32.8 33.096 32.6313\4-5UNC 39.5 39.827 38.964 11\2-12unf 36 36.271 35.812-41\2UNC 45.2 45.593 44.679我国常用螺纹标准一览表类别标准名称标准号与国际标准的关系普通螺纹普通螺纹基本牙型GB/T192 —1981与ISO68等效普通螺纹直径与螺距系列GB/T193 —1981与ISO261等效普通螺纹基本尺寸GB/T196 —1981与ISO724等效普通螺纹公差与配合GB/T197 —1981与ISO965/1等效普通螺纹偏差表GB/T2516 —1981与ISO965/3等效商品紧固件的普JB/T7912 —1999与ISO262等效通螺纹选用系列商品紧固件的中GB/T9145 —1988与ISO965/2等效等精度普通螺纹极限尺寸光学螺纹光学仪器特种细牙螺纹ZBN30006—1988 -光学仪器用目镜螺纹JB/T8204—1995光学仪器用短牙螺纹JB/T5450-1991紧配合螺纹过渡配合螺纹GB/T1167—1996 -过盈配合螺纹GB/T1181—1998小螺纹小螺纹牙型GB/T1505 4.1—1994与ISO1501等效小螺纹直径与螺距系列GB/T1505 4.2—1994小螺纹基本尺寸GB/T1505 4.3—1994小螺纹公差GB/T15054.4-1994小螺纹极限尺寸GB/T15054.5-1994MJ螺纹MJ螺纹基本牙型GJB/T3.1 —1982ISO5855MJ螺纹螺栓与螺母螺纹的尺寸与公差GJB/T3.2 —1982MJ螺纹管路件螺纹的尺寸与公差GJB/T3.3 —1985MJ螺纹结构件的尺寸与公差GJB/T3.4 —1985MJ螺纹计算公式GJB/T3.5 —1985MJ螺纹首尾GJB52-1985梯形螺纹梯形螺纹牙型GB/T5796 .1—1986与ISO2901等效梯形螺纹直径与螺距系列GB/T5796 .2—1986与ISO2902等效梯形螺纹基本尺寸GB/T5796 .3—1986与ISO2904等效梯形螺纹公差GB/T5796 .4—1986与ISO2903等效梯形螺纹极限尺寸GB/T12359—1990 -机床梯形螺纹丝杠、螺母技术条件JB/T2886—1992锻钢阀门用短牙梯形螺纹JB/TQ374—1985锯齿形螺纹锯齿形(3 °、30°)螺纹牙型GB/T13576.1—1992 -锯齿形(3 °、30°)螺纹直径与螺距系列GB/T13576.2—1992锯齿形(3 °、30°)螺纹基本尺寸GB/T13576.3—1992锯齿形(3 °、30°)螺纹公差GB/T13576.4—1992水压机45 °锯齿形螺纹牙型与基本尺寸JB2076—1984管螺纹用螺纹密封的管螺纹GB/T7306 —1987与ISO7/1等效非螺纹密封的管螺纹GB/T7307 —1987与ISO228/1等效60°圆锥管螺纹GB/T12716—1991 -米制锥螺纹GB/T1415—1992管路旋入端用普通螺纹尺寸系列GB/T1414—1978气瓶专用螺纹GB/T8335-1998通用基准螺纹术语GB/T1479 1—1993与ISO5408等效仅供参考。
国标螺纹标准对照表与国际标准的关类别标准名称标准号系普通螺纹基本牙型 GB/T192 —1981 与ISO68 等效普通螺纹直径与螺距系列 GB/T193 —1981 与ISO261等效普通螺纹基本尺寸 GB/T196 —1981 与ISO724等效普通螺普通螺纹公差与配合 GB/T197 —1981 与ISO965/1 等效纹普通螺纹偏差表 GB/T2516 —1981 与ISO965/3 等效商品紧固件的普通螺纹选用系列 JB/T7912 —1999 与ISO262等效商品紧固件的中等精度普通螺纹极限尺GB/T9145 —1988 与ISO965/2等效寸光学仪器特种细牙螺纹 ZBN30006—1988光学螺光学仪器用目镜螺纹 JB/T8204—1995 - 纹光学仪器用短牙螺纹 JB/T5450-1991过渡配合螺纹 GB/T1167—1996 紧配合- 螺纹过盈配合螺纹 GB/T1181—1998小螺纹牙型 GB/T1505 4.1—1994小螺纹直径与螺距系列 GB/T1505 4.2—1994小螺纹小螺纹基本尺寸 GB/T1505 4.3—1994 与ISO1501 等效小螺纹公差 GB/T15054.4-1994小螺纹极限尺寸 GB/T15054.5-1994MJ螺纹基本牙型 GJB/T3.1 —1982MJ螺纹螺栓与螺母螺纹的尺寸与公差 GJB/T3.2 —1982MJ螺纹管路件螺纹的尺寸与公差 GJB/T3.3 —1985 MJ螺纹 ISO5855MJ螺纹结构件的尺寸与公差 GJB/T3.4 —1985MJ螺纹计算公式 GJB/T3.5 —1985MJ螺纹首尾 GJB52-1985梯形螺纹牙型 GB/T5796 .1—1986 与 ISO2901等效梯形螺纹直径与螺距系列 GB/T5796 .2—1986 与 ISO2902等效梯形螺纹基本尺寸 GB/T5796 .3—1986 与 ISO2904等效梯形螺梯形螺纹公差 GB/T5796 .4—1986 与 ISO2903等效纹梯形螺纹极限尺寸 GB/T12359—1990机床梯形螺纹丝杠、螺母技术条件 JB/T2886 —1992 -锻钢阀门用短牙梯形螺纹 JB/TQ374—1985锯齿形(3 ?、30?)螺纹牙型 GB/T13576.1—1992锯齿形(3 ?、30?)螺纹直径与螺距系列 GB/T13576.2 —1992锯齿形锯齿形(3 ?、30?)螺纹基本尺寸 GB/T13576.3—1992 - 螺纹锯齿形(3 ?、30?)螺纹公差 GB/T13576.4—1992水压机45 ?锯齿形螺纹牙型与基本尺寸 JB2076—1984用螺纹密封的管螺纹 GB/T7306 —1987 与ISO7/1等效非螺纹密封的管螺纹 GB/T7307 —1987 与ISO228/1等效60?圆锥管螺纹 GB/T12716—1991管螺纹米制锥螺纹 GB/T1415—1992-管路旋入端用普通螺纹尺寸系列 GB/T1414—1978气瓶专用螺纹 GB/T8335-1998通用基螺纹术语 GB/T1479 1—1993 与 ISO5408等效准。