3.0.13-2主体结构分部(子分部)工程质量控制资料核查记录
- 格式:docx
- 大小:12.22 KB
- 文档页数:2
主体结构分部工程质量控制资料核查记录一、前言主体结构分部工程是整个建筑工程中最为重要的部分之一,其质量直接关系到建筑物的安全和稳定。
为了确保主体结构分部工程的质量,必须进行严格的质量控制和监督。
本文将对主体结构分部工程质量控制资料进行核查记录,以确保相关资料的完整性和合规性。
二、质量控制资料清单1. 建筑设计文件:包括建筑设计图纸、建筑结构计算书、建筑材料规格等;2. 工程施工图:根据设计文件编制的具体施工图纸;3. 质量检验包括主要材料的质量检验报告,如混凝土、钢筋等;4. 工程质量验收资料:包括工程验收报告、验收合格证等;5. 施工记录:包括施工日志、施工合同、施工方案等;6. 质量控制记录:包括工程质量检测记录、验收记录等。
三、核查内容及操作步骤1. 建筑设计文件的核查:步骤一:核对建筑设计文件的完整性和准确性;步骤二:根据设计文件对施工现场进行实地核查,确认设计文件与实际施工情况是否一致;举例:设计文件中规定的主体结构柱的截面尺寸为400mm*400mm,核查时发现实际施工尺寸为380mm*380mm,需及时与设计单位联系沟通并做出调整。
2. 工程施工图的核查:步骤一:核对工程施工图的完整性和标注准确性;步骤二:核查施工图与设计文件的一致性;举例:在工程施工图中标注了柱的布置位置和数量,核查时发现实际施工中某根柱未按照施工图标注的位置进行布置,需要及时进行整改。
3. 质量检验报告的核查:步骤一:核对质量检验报告的合规性和准确性;步骤二:查看质量检验报告中的检测项目和结果是否符合要求;举例:钢筋的拉力试验报告显示合格,但核查时发现试验过程存在操作失误,需重新进行拉力试验并出具新的检测报告。
4. 工程质量验收资料的核查:步骤一:核对工程验收资料的完整性和正确性;步骤二:查看验收资料中是否包括主体结构分部工程的验收内容;举例:工程验收报告中未包含主体结构分部工程的验收内容,需补充相关信息以确保验收的完整性。
主体结构分部工程质量控制资料核查记录三篇
预览说明:预览图片所展示的格式为文档的源格式展示,下载源文件没有水印,内容可编辑和复制
主体结构分部工程质量控制资料核
查记录三篇
篇一:主体结构分部工程质量控制资料核查记录
编号:
篇二:主体结构分部工程质量控制资料核查记录
混凝土结构(子分部)工程质量验收记录
附件:混凝土主体结构分部工程质量验收纪要。
注:1、此表一式四份,监督站、建设、施工及档案馆各存一份;
2、主体结构分部(子分部)主要指砼结构、钢结构、木结构等受力结构;
3、此表为主体结构分部工程质量验收记录的附件。
主体结构分部工程质量验收记录。
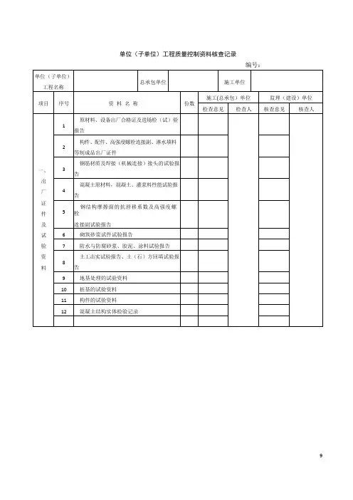
主体结构分部工程质量控制资料核查记录三篇第1条主体结构分部工程质量控制资料核查记录主体结构分部工程质量控制资料核查记录编号单位(子单位)工程名称施工单位编号资料名称编号份数施工单位监理(施工)单位检验意见检查员检验意见检查员1图纸将被检查、设计变更、洽商记录52测量放线记录和沉降观测记录/ 3施工方案、操作说明、技术交底记录24原材料出厂合格证和进场检验报告335部件、附件、高强度螺栓连接/辅助制造产品出厂合格证6钢结构摩擦面抗滑移系数和高强度螺栓连接副试验报告/7螺栓最小载荷试验报告、高强度六角螺栓连接副扭矩系数复验报告/ 8预应力锚具、连接器合格证及进场复验报告/9预应力钢筋安装、张拉及灌浆记录/10隐蔽工程验收记录511主体结构检验及抽样检验数据/ 12混凝土原材料及混凝土试件试验报告513钢筋材料及焊接(机械连接)接头试验报告514混凝土结构实体检验记录415混凝土工程施工记录516混凝土配合比试验报告317预拌混凝土合格证(出厂检验报告) 和入口塌落度记录1318嵌入式螺栓、铺设框架测量记录/19电网接头承载力测试报告/ XXXX,1月,月,年(项目技术负责人),月,年,月,年,年,年,年,年,年,年,年,年,年,年,年,年,年,年,年,年,年,年,年,年,年,年,年,年,年,年,年,年,年,年,年,年,年,年,年,年,年,年,年,年年,建筑面积4层为361XXXX,监理单位的意见(单位公章)总监理工程师是XXXX,日期附表2,混凝土结构质量验收记录(子分部)项目名称XX服装有限公司厂房项目厂房、A厂房B、厂房C、厂房d结构类型框架结构层4 /4建设单位XX市建设工程有限公司、陈庆分包商有限公司技术部负责人质量部负责人/分包商负责人/分包商技术负责人/序号子项目名称检验批编号施工单位检验评定验收意见1现浇结构模板安装符合要求。
各分项工程应通过检验批验收,符合设计和质量验收规范,通过验收,并同意验收。