电压比较器实验报告
- 格式:pdf
- 大小:3.35 MB
- 文档页数:15
`实验报告课程名称:电路与电子技术实验指导老师:成绩:实验名称:电压比较器及其应用实验类型:电子电路实验同组学生姓名:一、实验目的二、实验内容三、主要仪器设备四、实验数据记录、处理与分析五、思考题及实验心得一、实验目的1.了解电压比较器与运算放大器的性能区别;2.掌握电压比较器的结构及特点;3.掌握电压比较器电压传输特性的测试方法;4.学习比较器在电路设计中的应用。
二、实验内容及原理实验内容1.设计过零电压比较器电路,反相输入端接地,同相输入端接1kHz、1V正弦波信号,测量并绘制输出波形和电压传输特性曲线。
2.设计单门限电压比较器电路,同相输入端接1V直流电压,反相输入端接1kHz、1V正弦波信号,测量3.并绘制输出波形和电压传输特性曲线。
4.设计反相输入(下行)滞回电压比较器,反相输入端接1kHz、1V正弦波信号,测量并绘制输出波形和电压传输特性曲线。
5.设计窗口电压比较器电路,输入为1kHz、5V三角波信号,设置参考电压Vref1为1V直流电压,参考电压Vref2为4V直流电压,测量并绘制输出波形和电压传输特性曲线。
6.设计三态电压比较器电路,输入电压信号Vin为1kHz、5V三角波信号,当输入Vin<Vref2时,输出Vout=VOL;Vin<Vref1时,输出Vout=VOH。
实验原理电压比较器(简称为比较器)是对输入信号进行鉴幅和比较的集成器件,它可将模拟信号转换成二值信号,即只有高电平和低电平两种状态的离散信号。
可用作模拟电路和数字电路的接口,也可用作波形产生和变换电路等。
比较器看起来像是开路结构中的运算放大器,但比较器和运算放大器在电气性能参数方面有许多不同之处。
运算放大器在不加负反馈时,从原理上讲可以用作比较器,但比较器的响应速度比运算放大器快,传输延迟时间比运算放大器小,而且不需外加限幅电路就可直接驱动TTL、CMOS等数字集成电路。
但在要求不高情况下也可以考虑将某些运算放大器(例如:LM324、LM358、μA741、TL081、OP07、OP27等)当作比较器使用。
电压比较器实验报告.doc
本次实验采用了MC1458、NE555及其搭配的电感、电容,以及几根导线组成了一只电压比较器,在两路电压输入之后,如果高电压输入大于低电压输入,就会将状态置为高;若低电压输入大于高电压输入,就会将状态置为低。
实验现场,首先将两个电压源(4V与7V)接入电压比较器的VCC端,随后以多次调节条件分别测量状态端的电压,从而可以发现:当输入的高电压大于低电压时,状态端的电压为高电平,为VCC,可见在电压比较器的动作下,它的放大贴片继续作用,从而使状态端的电压保持在VCC的状态;当输入的低电压大于高电压时,状态端的电压为低电平,在此情况下电压比较器不再工作,直接将状态端的电压放在OC端口位置上。
在实验中,调节电压源可以使状态端改变,而NE555的放大贴片接收到改变后将电压放大给状态端,以维持状态,可见电压比较器的动作的确起到了应有的作用。
回顾本实验,用MC1458、NE555及其搭配的电感、电容搭建的电压比较器工作状态稳定,响应精准,符合实验要求。
这次实验让我对电压比较器有了进一步的了解,也巩固了基础电子学知识。
电压比较器实验总结1. 实验目的本实验旨在通过搭建电压比较器电路来研究和了解电压比较器的基本原理和特性,并通过实验验证和观察电压比较器在不同条件下的工作情况和输出结果。
2. 实验原理电压比较器是一种基础的电子元件,主要用于将输入的模拟电压与参考电压进行比较,并根据比较结果产生相应的输出信号。
一般情况下,电压比较器的输出是一个二进制信号,即高电平和低电平。
在本实验中,我们使用了一个基本的运算放大器来实现电压比较器的功能。
电压比较器的工作原理基于运算放大器的反馈作用。
比较器的输入端连接两个电压源,其中一个为输入电压Vin,另一个为参考电压Vref。
当Vin大于Vref时,比较器的输出为高电平;当Vin小于或等于Vref时,比较器的输出为低电平。
3. 实验材料和设备•运算放大器电路板•电压源•示波器•多用途实验箱•电压源线缆•接线板•电压表4. 实验步骤4.1 搭建电压比较器电路根据实验要求,使用示波器观察电压比较器的输入和输出波形。
首先,将运算放大器电路板连接到示波器和电压源上。
接着,使用接线板和电压源线缆将输入电压源和参考电压源分别连接到运算放大器的输入端。
4.2 设置输入和参考电压调节输入电压源和参考电压源的输出值,分别设置不同的输入电压和参考电压。
确保它们的变化范围适用于运算放大器。
4.3 观察输入和输出波形通过将示波器的探头连接到运算放大器输出处,可以实时观察和记录输入和输出波形。
记录波形的变化情况以及不同输入和参考电压下的输出结果。
5. 实验数据记录与分析在实验过程中,我们记录了不同输入电压和参考电压下的输出结果,并将其整理成表格和图表。
根据数据分析,我们得出以下结论:•当输入电压大于参考电压时,输出为高电平;当输入电压小于或等于参考电压时,输出为低电平。
•输入和参考电压的差异越大,输出电平的变化越明显。
•随着参考电压的变化,输出电平也相应变化,但变化的趋势与输入电压和参考电压的关系有关。
电压比较器的研究实验报告一、实验目的1. 熟练掌握电压比较器的基本概念和工作原理。
2. 理解电压比较器的功能及应用。
3. 学会使用实验仪器和设备进行实验操作。
二、实验原理电压比较器是一种电子元件,它能够对两个电压信号进行比较,并输出高电平或低电平信号。
电压比较器通常用来检测信号是否具有特定的电平或达到某个预定阈值。
电压比较器的常用类型有两种:基本电压比较器和差分电压比较器。
基本电压比较器通常由一个运放、一个反馈电阻和一个比较电阻组成。
差分电压比较器则由两个输入端口和一个输出端口组成。
当两个输入信号的差距超过阈值时,输出端口会产生一个电压信号。
在实际应用中,电压比较器广泛用于检测和控制电子设备的运行状态,例如测量温度、湿度、压力等物理量,以及反馈控制系统、功率转换器等领域。
三、实验仪器和设备1. 示波器2. 功能信号发生器3. 电压比较器芯片4. 电阻箱5. 实验电路板四、实验步骤1.根据实验原理接线图,搭建实验电路并连接所需仪器和设备。
2.将功能信号发生器的输出端口分别接入电压比较器的两个输入端口。
3.将示波器的探针连接到电压比较器的输出端口并打开示波器。
4.依次调整功能信号发生器的频率和幅度,观察比较器输出端口的电压变化,并记录数据。
5.根据实验结果分析电压比较器对信号的比较和判断功能,得出结论。
五、实验结果经过实验测试和数据分析,得到以下结论:1.在功能信号发生器输出方波信号时,电压比较器的输出端口产生一个高电平和一个低电平信号。
2.当输入信号幅度相同时,电压比较器输出的电平受频率影响;频率越高,输出电平越短。
4.通过观察电压比较器输出端口的电压变化,可以判断输入信号的大小和是否达到设定的阈值。
3. 根据实验结果,电压比较器对输入信号的幅度和频率具有一定的敏感性,需要进行精确的调整和控制。
电压比较器实验报告
实验目的:
1.了解电压比较器的基本原理;
2.掌握电压比较器的实际应用;
3.学会使用示波器观察电压比较器输出信号。
实验仪器与器件:
1.电压比较器集成电路LM311
2.电源
3.电阻、电容、开关等元器件
4.示波器
实验原理:
电压比较器是一种用于实现电压比较功能的模拟电路。
它根据输入电压的大小,输出高电平或低电平信号。
电压比较器通常由一个差动放大器和一个输出级组成。
实验步骤:
1.将电压比较器集成电路LM311连接到电路板上。
将正极接入正电源,负极接地。
2.连接一个可调电阻和电容,以便调节输入电压。
3.将示波器的探头分别连接到比较器的输入端和输出端。
4.调节可调电阻和电容,改变输入电压,并观察输出信号的变化。
5.记录实验结果。
实验结果与分析:
根据实验观察,当输入电压大于参考电压时,输出为高电平;当输入电压小于参考电压时,输出为低电平。
通过调节可调电阻和电容,可以改变输入电压的大小,从而改变输出信号的状态。
实验结论:
通过实验,我们了解了电压比较器的基本原理和实际应用。
电压比较器可以根据输入电压的大小来输出不同的信号,常用于比较电压大小、触发器、开关等电路中。
同时,我们也学会了使用示波器观察电压比较器输出信号,并能根据实验结果进行分析。
电压比较器实验报告【实验目的】1.了解电压比较器的基本原理和工作方式;2.掌握电压比较器的基本电路连接方法;3.学会使用示波器测量电压比较器输出波形。
【实验仪器】示波器、电源、电阻、变阻器、电容、集成电路LM358等。
【实验原理】电压比较器是一种广泛应用于电子电路中的重要器件,它常用于信号比较和开关控制等场合。
基本原理是比较输入电压与参考电压的大小关系,然后输出高电平或低电平信号。
常见的电压比较器有比较输入电压与参考电压的大小关系,然后输出高电平或低电平信号。
常见的电压比较器有LM358、LM393等。
【实验步骤】1.接线:将示波器、电源和电阻、电容正确连接,接入比较器的正、负输入端口和输出端口。
2.调节电源:设置电源的输出电压,确保输入端口的电压在适当的范围内。
3.调节变阻器:通过调节变阻器的阻值,来控制比较器的参考电压。
4.测量输出波形:将示波器的输入端口接入比较器的输出端口,打开示波器并设置合适的测量参数,观察输出波形。
【实验数据】1. 测量输出波形的时间周期:T = 2ms。
2. 测量输出波形的峰峰值:Vpp = 4.8V。
3. 设定的参考电压:Vref = 2.4V。
【实验分析】1. 根据实验数据,输出波形的时间周期为2ms,说明电压比较器的工作频率较高。
2.输出波形的峰峰值为4.8V,说明输出信号的幅度较大。
3.参考电压设定为2.4V,当输入电压高于2.4V时,输出信号为高电平;反之,输出信号为低电平。
【实验结论】通过本次实验,我们学习了电压比较器的基本原理和工作方式,并成功地实验了电压比较器的基本电路连接方法。
通过调节参考电压和输入电压,我们可以控制比较器的输出信号。
实验结果符合基本原理,验证了电压比较器的工作准确性和稳定性。
【实验总结】本次实验通过实际操作和测量,使我们更加深入地了解了电压比较器的原理和工作方式。
同时,我们也学会了如何使用示波器来测量输出波形,加深了对电子电路测量的认识。
电压比较器的分析与设计实验报告篇一:东南大学模电实验报告_比较器东南大学电工电子实验中心实验报告课程名称:第 6 次实验实验名称:比较器电路院(系):专业:姓名:学号:实验室:实验组别:同组人员:实验时间:评定成绩:审阅教师:实验六比较器电路一、实验目的1、熟悉常用的单门限比较器、迟滞比较器、窗口比较器的基本工作原理、电路特性和主要使用场合;2、掌握利用运算放大器构成单门限比较器、迟滞比较器和窗口比较器电路各元件参数的计算方法,研究参考电压和正反馈对电压比较器的传输特性的影响;3、了解集成电压比较器LM311的使用方法,及其与由运放构成的比较器的差别;4、进一步熟悉传输特性曲线的测量方法和技巧。
二、实验原理三、预习思考1、用运算放大器LM741设计一个单门限比较器,将正弦波变换成方波,运放采用双电源供电,电源电压为±12V,要求方波前后沿的上升、下降时间不大于半个周期的1/10,请根据LM741数据手册提供的参数,计算输入正弦波的最高频率可为多少。
答:查询LM74的数据手册,可得转换速率为0.5V/us,电源电压为?10V左右,计算可得输出方波的最大上升时间为40us,根据设计要求,方波前后沿的上升下降时间不大于半个周期的1/10,计算可得信号的最大周期为800us,即输入正弦波得到最高频率为1.25KHZ. 2、画出迟滞比较器的输入输出波形示意图,并在图上解释怎样才能在示波器上正确读出上限阈值电平和下限阈值电平。
答:Ch1接输入信号,ch2接输出信号,两通道接地,分别调整将两个通道的零基准线,使其重合。
用示波器的游标功能,通道选择ch1,功能选择电压,测出交点位置处电压即对应上限和下限阈值。
4、完成必做实验和选做实验的电路设计和理论计算。
答:1)LM741构成单门限电压比较器:2)LM311构成单门限电压比较器: 3)迟滞电压比较器:四、实验内容1、单门限电压比较器:(I) 用LM741构成一个单门限电压比较器,基准电平为0V,要求输出高低电平为±6V,供电电压为±12V,输入频率为1KHZ的正弦波,用示波器观察输入、输出信号波形,并用坐标纸定量记录(提示:可以使用稳压管)。
实验十电压比较器一、实验目的1、掌握比较器的电路构成及特点。
2、学会测试比较器的方法。
二、仪器设备1、双踪示波器2、信号发生器3、数字万用表三、预习要求电压比较器的功能是比较两个电压的大小。
例如,将一个信号电压Ui和另一个参考电压Ur进行比较,在Ui>Ur和Ui<Ur两种不同情况下,电压比较器输出两个不同的电平,即高电平和低电平。
常用的电压比较器有简单电压比较器、滞回电压比较器和窗口电压比较器。
1、过零比较器过零比较器是将信号电压Ui与参考电压零进行比较。
电路由集成运放构成,对于高质量的集成运放而言,其开环电压放大倍数很大,输入偏置电流、失调电压都很小。
若按理想情况考虑时,则集成运放开环工作时当Ui>0时,Uo为低电平Ui<0时,Uo为高电平电压传输特性曲线2、滞回电压比较器滞回电压比较器是由集成运放外加反馈网络构成的正反馈电路,Ui为信号电压,Ur为参考电压值,输出端的稳压管使输出的高低电平值为±Uz。
电压传输特性曲线可以看出,当输入电压从低逐渐升高或从高逐渐降低经过0电压时,Uo会从一个电平跳变为另一个电平,称0为过零比较器的阈值。
阈值定义为当比较器的输出电平从一个电平跳变到另一个电平时对应的输入电压值。
四、实验内容1、过零比较器实验电路如图10-1所示(1)按图接线Vi悬空时测Vo的电压。
实验测得Vi悬空时测Vo的电压为5.83V。
(2) Vi输入500HZ有效值为1V的正弦波,观察Vi和Vo波形并记录。
输出电压:Uo=6.622 V(3)改变Vi幅值,观察Vo变化。
增大Vi值测得Vi和Vo波形如下:当Ui<0时,由于集成运放的输出电压Uo’=+Uom,使稳压管D2工作在稳压状态,所以输出电压Uo=Uz;当Ui>0时,由于集成运放的输出电压Uo’=-Uom,使稳压管D1工作在稳压状态,所以输出电压Uo=-Uz。
2、反相滞回比较器实验电路如图10-2所示(1)按图接线,并将R P1调为100K,Vi接DC电压源,测出Vo由+Vom→- Vom 时Vi的临界值。
实验十二--电压比较器实验十二 电压比较器一、实验目的1. 掌握比较器的电路构成及特点。
2.学会测试比较器的方法。
二、实验器材1. 双踪示波器2. 函数信号发生器3. 交流毫伏表4. 数字万用表5.电子线路实验学习机(带A3模块) 三、预习要求1. 复习教材中有关电压比较器的内容。
2.过零比较器中,如果要改变输出电压的幅度,应该电路中哪个元件的参数?四、实验原理电压比较器可将模拟信号转换成二值信号,即只有高电平和低电平两种状态的离散信号,可以完成对输入信号的鉴幅与比较,是组成非正弦波发生电路的基本单元电路,在测量和控制中有着相当广泛的应用。
在电压比较器电路中,集成运放工作在非线性区,即输出电压和输入电压不再是线性关系。
表示输出电压与输入电压之间关系的特性曲线称为传输特性曲线。
常见的比较器有过零比较器、滞回比较器,窗口比较器等。
1.过零比较器(如图3-12-1)-+1R 10K2R 5K1iu ou 0iu ou iu ou 0(a) 电路图 (b) 传输特性 (c)输出波形图3-12-1 过零比较器其阈值电压U T =0V 。
集成运放工作在开环状态,其输出电压为zU ±。
当输入电压在阈值电压附近的任何微小变化,都将引起输出信号的跃变,不管这种微小变化是来源于输入信号还是外部干扰。
因此,抗干扰能力差。
2.反相滞回比较器-+1R 10K3R 5K16V2R 10KFR 680Kiu ou Piu ou THU TLUttiu ou 0THU TLU(a) 电路图 (b) 传输特性 (c) 输出波形图3-12-2 反相滞回比较器如图3-12-2所示,从输出端通过电阻FR 连到同相输入端P ,以实现正反馈,若ou 改变状态,P点也随着改变电位,使过零点离开原来位置。
当i Pu U <时,ou 输出为正zU ,22Pz T F R UU U R R +==+,则当iT u U+>后,ou 即由正zU 变成负zU ,这时将TU 称为门限电压或转折电压;ou 变成负zU 后,22Pz T F R UU U R R -=-=+。
实验九电压比较器一实验目的1、掌握比较器的电路构成及特点2、学会测试比较器的方法二实验仪器1、双踪示波器;2、数字万用表三实验原理1、图9-1所示为一最简单的电压比较器,UR为参考电压,输入电压Ui加在反相输入端。
图9-1(b)为(a)图比较器的传输特性。
图9-1 电压比较器当Ui<UR时,运放输出高电平,稳压管Dz反向稳压工作。
输出端电位被其箝为在稳压管的稳定电压Uz,即:Uo=Uz。
当Ui>UR时,运放输出低电平,Dz正向导通,输出电压等于稳压管的正向压降UD,即:Uo=-UD。
因此,以UR为界,当输入电压Ui变化时,输出端反映两种状态。
高电位和低电位。
2、常用的幅度比较器有过零比较器、具有滞回特性的过零比较器(又称Schmitt触发器)、双限比较器(又称窗口比较器)等。
图9-2为简单过零比较器图9-2 过零比较器1)图9-3为具有滞回特性的过零比较器。
过零比较器在实际工作时,如果Ui刚好好在过零值附近,则由于零点漂移的存在,Uo将会不断由一个极限值转换到另一个极限值,这在控制系统中,对执行机构将是很不利的。
为此就需要输出特性具有滞回现象。
如图9-3:图9-3 有滞回特性的过零比较器从输出端引入一个电阻分压支路到同相输入端,若Uo改变状态,U∑点也随着改变点位,使过零点离开原来位置。
当Uo为正(记作UD )DfURRRU22+=∑,则当UD> U∑后,Uo再度回升到UD,于是出现图(b)中所示的滞回特性。
- U∑与U∑的差别称为回差。
改变R2的数值可以改变回差的大小。
2)窗口(双限)比较器图9-4 两个简单比较器组成的窗口比较器简单的比较器仅能鉴别输入电压Ui 比参考电压UR 高或低的情况,窗口比较电路是由两个比较器组成,如图9-4所示,它能指示出Ui 值是否处于+R U 和-R U 之间。
四、实验内容 1、过零电压比较器(1)如图9-5所示在运放系列模块中正确连接电路,打开直流开关,用万用表测量Ui 悬空时的Uo 电压。
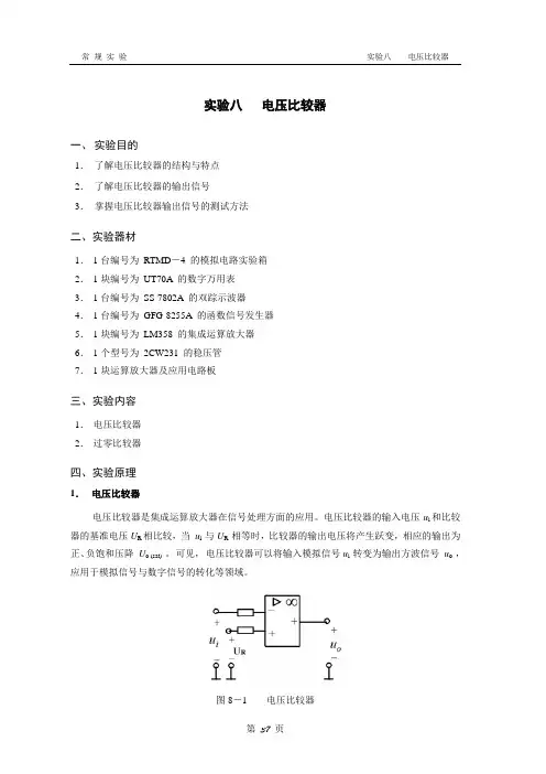
实验八电压比较器一、实验目的1.了解电压比较器的结构与特点2.了解电压比较器的输出信号3.掌握电压比较器输出信号的测试方法二、实验器材1.1台编号为RTMD-4 的模拟电路实验箱2.1块编号为UT70A 的数字万用表3.1台编号为SS-7802A 的双踪示波器4.1台编号为GFG-8255A 的函数信号发生器5.1块编号为LM358 的集成运算放大器6.1个型号为2CW231 的稳压管7.1块运算放大器及应用电路板三、实验内容1.电压比较器2.过零比较器四、实验原理1.电压比较器电压比较器是集成运算放大器在信号处理方面的应用。
电压比较器的输入电压u i和比较器的基准电压U R相比较,当u i 与U R 相等时,比较器的输出电压将产生跃变,相应的输出为正、负饱和压降U o (sat) 。
可见,电压比较器可以将输入模拟信号u i 转变为输出方波信号u o ,应用于模拟信号与数字信号的转化等领域。
图8-1 电压比较器电压比较器电路如图8-1 所示,当u i 与U R 相同时,电压比较器输出一个方波信号,其幅值等于运算放大器的正、负饱和压降U o (sat) 。
U o (sat) 数值较大,近似等于电路的电源电压。
如果要求比较器的输出电压为后级电路所需要的数值,可以在比较器电路中增加限幅电路,图8-2(a )为带单向限幅的电压比较器。
图中,U R 为比较器的基准电压,加在运算放大器的同相输入端,输入信号 u i 加在反相输入端,限流电阻R 及稳压管V Z 构成限幅电路,使得电压比较器输出的正向电压变为稳压管的稳定电压U Z 。
带单向限幅电路的电压比较器, 其电压传输特性如图8-2(b) 所示。
(a) 电路图 (b) 电压传输特性图8-2 带单向限幅电路的电压比较器从电压传输特性可以看出,当u i < U R 时,运算放大器输出正饱和压降,限幅电路中的稳压管V z 反向击穿, 比较器输出端电压被稳压管箝制在稳压管的稳定电压U z ,故有:Z o U u当 u i > U R 时,运算放大器输出负饱和压降,稳压管V z 正向导通,比较器输出电压等于稳压管的正向导通压降U D ,故有:u o =-U D可见,在电压比较器中,以基准电压U R 为比较器输出电压跃变的界线,当输入电压变化越过基准电压时, 输出电压从一种输出状态变为另一种输出状态,这两种状态分别为:高电位信号U z 和低电位信号-U D 。
`实验报告 课程名称: 电路与电子技术实验 指导老师: 周箭 成绩: 实验名称: 电压比较器及其应用 实验类型: 电子电路实验 同组学生姓名: 邓江毅 一、实验目的 二、实验内容三、主要仪器设备 四、实验数据记录、处理与分析五、思考题及实验心得一、实验目的1.了解电压比较器与运算放大器的性能区别;2.掌握电压比较器的结构及特点;3.掌握电压比较器电压传输特性的测试方法;4.学习比较器在电路设计中的应用。
二、实验数据记录、处理与分析① 【过零电压比较器电路】过零电压比较器是电压比较电路的基本结构,它可将交流信号转化为同频率的双极性矩形波。
常用于测量正弦波的频率相位等。
当输入电压V in ≤V out 时,输出V out =V OL ;反之,当输入电压V in ≥V out 时,输出V out =V OH 。
实验仿真:85专业:电气工程卓越人才姓名: 卢倚平学号:日期:实测实验记录:由于时间不足,没有做过零比较器的相关实测②【基本单门限比较器电路】单门限比较器的输入信号Vin 接比较器的同相输入端,反相输入端接参考电压Vref(门限电平)。
当输入电压Vin>Vref 时,输出为高电平VOH;当输入电压Vin<Vref 时,输出为低电平VOL。
实验仿真实测实验记录(未接上拉电阻)(接了上拉电阻)(电压传输特性曲线)(改变比较电压Vref=)(改变边角电压Vref=(输入方波)(放大)改变输入正弦波的频率进行测量:(输入正弦波20KHZ)(输入正弦波50Khz)(输入正弦波100KHZ)(输入正弦波500KHZ)改用运放LM358:(输入正弦波1KHZ)(输入正弦波2KHZ)(输入正弦波20KHZ)(输入正弦波50KHZ)(输入正弦波100KHZ)(输入正弦波500KHZ)分析:对比运放LM358和LM393,发现LM393对于高频段的正弦波输入有更好的输出响应(失真度远低于运放LM358)上述两种电路都是将基准电压连接至反相输入端,并将信号电压连接至同相输入端,利用两输入端子之间的差动输入电压动作,因此信号电压与基准电压即使任意互换,除了输出的动作会反相外,对电路并不会造成任何问题。
电压比较器实验报告实验目的:本实验旨在通过实际操作,掌握电压比较器的工作原理及其在电路中的应用,从而加深对电压比较器的理解。
实验仪器与器材:1. 电压比较器集成电路。
2. 电源。
3. 示波器。
4. 电阻、电容等元器件。
5. 面包板、导线等实验工具。
实验原理:电压比较器是一种将两个输入电压进行比较,并输出相应电平信号的集成电路。
当输入电压满足一定条件时,输出电平会发生变化。
通过实验,我们将研究电压比较器的工作原理,探究其在电路中的应用。
实验步骤:1. 将电压比较器集成电路连接至电源,并接入示波器进行监测。
2. 通过改变输入电压的大小和极性,观察输出端的电平变化。
3. 将电压比较器与其他元器件(如电阻、电容)组合成简单电路,观察其在不同条件下的工作状态。
4. 记录实验数据,并进行分析总结。
实验结果与分析:通过实验观察和数据记录,我们发现当输入电压满足一定条件时,电压比较器的输出电平会发生变化。
在不同的电路组合下,电压比较器表现出不同的工作状态,如滞回特性、响应速度等。
这些结果验证了电压比较器的工作原理,并为其在电路设计中的应用提供了参考。
实验结论:本实验通过实际操作,加深了对电压比较器的理解。
我们掌握了电压比较器的工作原理及其在电路中的应用,为今后的电路设计和实际应用奠定了基础。
同时,我们也发现了一些实验中的问题和不足之处,这将为今后的实验改进提供参考。
实验总结:通过本次实验,我们对电压比较器有了更深入的了解,同时也积累了实验操作和数据分析的经验。
在今后的学习和工作中,我们将继续加强实践能力,不断提高自己的实验技能和科研能力。
以上就是本次电压比较器实验的报告内容,希望能对大家的学习和工作有所帮助。
感谢大家的阅读!。
详细电压比较器实验报告一、实验目的1、掌握常见类型电压比较器的构成及特性。
2、学习电压比较器电压传输特性的测试方法。
二、预习要求1、复习常见类型电压比较器的构成及特性。
2、分析本次实验选用电路的类型及特性。
3、根据实验测试内容,自行制作表格。
三、实验说明电压比较器是对输入信号进行鉴幅和比较的电路,就是将一个模拟电压信号去与一个参考电压信号相比较,当两者相等时,输出电压状态将发生突然跳变。
常见的比较器类型有:过零电压比较器、滞回电压比较器、窗口电压比较器等。
1、过零电压比较器实验电路如图1(1)所示,其阈值电压,即当输入电压时,其输出电压状态将发生跳变:由高电平跳变为低电平或由低电平跳变为高电平。
所对应的电压传输特性如图1(2)所示。
2、反相滞回比较器滞回比较器有两个阈值电压,当输入电压的取值在阈值电压附近时,输出电压状态仍具有保持原状态的“惯性”。
根据输入信号接入端的不同,可分为反相滞回比较器和同相滞回比较器两种。
反相滞回比较器实验电路如图2(1)所示。
3、窗口比较器窗口比较器阈值电压有两个,当输入电压压值在两阈值电压之间时,输出电压所对应的状态将不同于输入电压压值高于或低于两阈值电压时所对应状态。
实验电路如图3(1)所示:四、实验仪器与器件1、+12V直流电源2、函数信号发生器3、双踪示波器4、交流毫伏表5、直流电压表6、集成运放741&TImes;27、频率计8、万用表9、-5V~+5V可调直流信号源&TImes;2[注意:与±5V直流电源共用电源开关],电阻器若干10、双稳压二极管2DW231(UZ≈6V)&TImes;1,普通二极管IN4007&TImes;2五、实验内容1、过零比较器(1)按照图1(1)所示电路连线,接通±12V直流电源。
(2)将引入端悬空,用直流电压表测量输出电压。
(3)将的正弦波作为输入信号引入,观察输入、输出电压波形,并记录。
电子技术实验报告—实验10集成运算放大器构成的电压比较器5篇第一篇:电子技术实验报告—实验10集成运算放大器构成的电压比较器电子技术实验报告实验名称:集成运算放大器构成的电压比较器系别:班号:实验者姓名:学号:实验日期:实验报告完成日期:目录一、实验目的 (3)二、实验原理 (3)1.集成运算放大器构成的单限电压比较器...........................3 2.集成运算放大器构成的施密特电压比较器. (4)三、实验仪器 (4)四、实验内容 (5)1.单限电压比较器...............................................5 2.施密特电压比较器.. (10)五、实验小结与疑问 (1)3一、实验目的1.掌握电压比较器的模型及工作原理2.掌握电压比较器的应用二、实验原理电压比较器主要用于信号幅度检测——鉴幅器;根据输入信号幅度决定输出信号为高电平或低电平;或波形变换;将缓慢变化的输入信号转换为边沿陡峭的矩形波信号。
常用的电压比较器为:单限电压比较器;施密特电压比较器窗口电压比较器;台阶电压比较器。
下面以集成运放为例,说明构成各种电压比较器的原理。
1.集成运算放大器构成的单限电压比较器集成运算放大器构成的单限电压比较器电路如图1(a)所示。
由于理想集成运放在开环应用时,AV→∞、Ri→∞、Ro→0;则当ViER 时,VO=VOL;由于输出与输入反相,故称之为反相单限电压比较器;通过改变ER值,即可改变转换电平VT(VT≈ER);当ER=0时,电路称为“过零比较器”。
同理,将Vi与ER对调连接,则电路为同相单限电压比较器。
2.集成运算放大器构成的施密特电压比较器集成运算放大器构成的施密特电压比较器电路如图2(a)所示。
当VO=VOH时,V+1=VT+=R当VO=VOL时,V+2=VT−=R回差电平:△VT=VT+−VT−R22+R3VOH+RVOL+RR32+R3ER;VT+称为上触发电平;R22+R3R32+R3ER;VT-称为下触发电平;当Vi从足够低往上升,若Vi>VT+时,则Vo由VOH翻转为VOL;当Vi从足够高往下降,若Vi三、实验仪器1.示波器1台2.函数信号发生器1台3.数字万用表1台4.多功能电路实验箱1台四、实验内容1.单限电压比较器(1)按图1(a)搭接电路,其中R1=R2=10kΩ,ER由实验箱提供;(2)观察图1(a)电路的电压传输特性曲线;电压传输特性曲线的测量方法:用缓慢变化信号(正弦、三角)作Vi(Vip-p=15V、f=200Hz),将Vi=接示波器X(CH1)输入,VO 接示波器Y(CH2)输入,令示波器工作在外扫描方式(X-Y);观察电压传输特性曲线。