中小学校规范办学行为专项督查自查参考表
- 格式:docx
- 大小:23.17 KB
- 文档页数:4
中小学校规范办学行为专项督查自查参考表
(4)(义务教育学校)招生是否已划片(① )①是②否,划片方式(①)①单校划片②多校划片;(普通高中)招生区域为(③ )①面向县域内所有初中学校②面向部分乡镇或区域③其他
(14)是否举办实验班、特优班和其它变相重点班(② )①是②否,实验班的数量( 0 )个,批准文号(无),批准部门(无)
(20)家庭作业布置情况:小学低年级(②)作业①有②无,小学高年级作业总量( 30)分钟/天,初中作业总量()分钟/天,普通高中()分钟/天
(21)小学生平均每天在校课堂学习时间( 4 )小时,初中生平均每天在校课堂学习时间()小时,高中生平均每天在校课堂学习时间()小时
(22)寄宿制学生平均睡眠时间:小学(10)小时,初中()小时,高中()小时
(23)是否存在组织学生集体补课(②)①是②否,是否有教师参与有偿补课或校外兼职(②)①是②否
(24)义务教育是否统一征订教辅资料(② )①是②否;普通高中是否严格执行一科一辅和自愿购买原则()①是②否
1/ 1。
学校:郑杲中心小学校长:张彦久检查日期:2017年9月指标检查内容评分办法自评情况检查情况A1、校务管理30分1.实行校长负责制、全员聘用制和岗位责任制。
坚持依法治校,实行校务公开。
坚持教职工代表大会制度,民主管理学校。
密切与家庭、社区的联系,建立社区教育管理机构,让家长、社区代表参与学校管理,监督学校日常教育教学。
2.完善学校常规管理,制定符合法律法规要求、涵盖学校全面工作、符合素质教育需要和学校实际的管理规章。
建立健全各种管理档案。
3.注重教育公平,规范办学行为,按规定收费。
坚持均衡编班,均衡配置校内教育教学资源,不举办“校中校”,不分重点班和非重点班。
1. 大力开展普法教育,提高师生法律素质和公民意识4分。
2.依法治校,民主管理,实行校务公开,有校务公开栏,公开及时,内容全面。
保障师生的合法权利6分。
依据实际情况酌情计分。
2、建立健全学校管理制度,装订成册,计5分;各类档案健全,计5分;3、无乱收费现象,不举办“校中校”,不分重点班和非重点班。
(出现任何一条,此项不得分。
)281、我校大力开展普法教育。
2、我校实行校长负责制、全员聘用制及岗位责任制。
坚持依法治校,实行校务公开制度。
坚持教职工代表大会制度,定期召开教职工代表大会,真正实行了民主管理学校。
3、学校常规管理制度健全,各种档案健全。
学校办学行为规范,无任何乱收费现象,编班均衡,校内教育教学资源分配均衡,未设重点班和非重点班。
A2、德育管理50分1、将德育工作作为素质教育的首要任务,深入开展公民道德教育、民族精神教育、理想信念教育、法治教育、心理健康教育。
2.健全德育工作机构和德育工作制度,改进德育工作方法,充分利用校内外德育资源,寓德育于各学科教学之中,加强学校德育与学生生活和社会实践的联系,讲究实效,克服形式主义。
教师实行一岗双责,既教书又育人,形成全员育人、全程育人的德育工作机制,把德育渗透到学校工作的各个领域和各个环节。
规范办学行为检查记录表
学校名称: XX 小学
检查员:__________ 日 期:__________
序号 检查项目 检查情况记录
1
学校规模与班额
2 作息时间
3 课程课时
4 作业量
5 考试及评价情况
6 节假日安排
7
“一科一辅”落实
情况
8 教师是否从事有
偿家教
9 体育锻炼一小时
学校课程管理情况检查记录表
学校名称:
检查班级授课时间课程设置授课课程授课人备注
检查员:__________
日期:__________ - 2 -
义务教育阶段学生辍学工作
检查记录表
学校名称:
年级上学期末本学期变
动
人
数
变动原因
辍
学
率班
数
人
数
班
数
人
数
转
出
转
入
休
学
复
学
辍
学
其
他
学籍注册人数:
升入初中人数(初中学校不填):
升学率(初中学校不填):
说明:1、凡是不能提供学生转出、转入、休学、复学等变动资料的,均视为辍学
2、“其他”为死亡
3、辍学率=辍学人数/(上学期学生数+转入-转出-休学)
检查员:__________
日期:__________
3。
学校规范办学行为检查表指标设定A1课程设置(30 分)郑杲中心小学2018年 9 月检查因素检查内容检查方法及评分说明学校督学自查检查B1. 全面履行部颁、省颁课1、依据部颁、省颁课程方案制定和实行学校课程程方案,学校课程表向社会方案。
1、有实行学校课程方案即可。
(1 分)2、教室、办公室有课表(分)。
宣布。
( 2 分)2、课程表经过校务公示栏。
B2. 开齐开足各样课程, 尤1、比较课表开齐课程( 2 分);即小学 10其要严格履行科学、艺术、1、依据课程方案规定要求,开齐各样课程,开足13 科(含地方课)。
各门课程课时(非学校因素除外)。
科(含地方课)、中学技术、综合实践活动课程、 2 、查备课本及课表,能否开足课程(4102、体育、科学、艺术(音乐、美术)学校课程及文体活动等方、综合实践、信息技术等课程安排和实行落实到位。
分);要点查体育、艺术(音乐、美术)面的课时规定。
( 10 分)能否落实到位。
( 4 分)1、接见、观看两操(早、课间操、眼保1、体育课、课间操(晨操)、眼保健操合理安排落真相况)。
(2 分)并获得落实。
健操及体育课的安排、B3. 保证学生每日体育锻炼2、张开各样形式的体育活动记录、安排。
1 小时。
( 8 分)2、就地取材组织全体学生张开各样形式的体育活7动锻炼。
( 2 分)3、每日学生在校体育炼时间,即课表+访3、学生每日在校体育锻炼时间累计最少 1 小时。
1 小时。
( 4 分)问 +学校安排活动记录≥1、依据课程标准张开讲课,无任意加深课程难度。
1、查察教师的科目计划。
( 1 分)2、依据讲课计划进度张开讲课活动,无任意赶超2、查讲课计划、并比较科目计划查进度。
讲课进度和提早结束课程的现象。
( 1 分)B4. 无任意加深课程难度、3、有关课程、课时因改革实验需调整设置的,按3、课时设置改动有审批(分);教师无随任意增减课程和课时、赶超规定申报并获得审批。
不存在教师之间任意调课意调课现象。
附件义务教育学校规范办学行为专项督查项目一、规范招生入学和学籍管理1. 地方各级教育行政部门和重点大城市进一步规范义务教育免试就近入学方案制订情况。
2. 县级教育行政部门合理划定义务教育学校招生范围情况。
就近入学比例。
择校生比例过大的是否制定了明确的消减计划。
3. 优质高中招生指标分配比例,操作办法完善情况。
4. 特长生招生规范情况及比例。
5. 因地制宜解决外来务工人员随迁子女义务教育入学工作情况。
6. 县级教育行政部门和义务教育学校实施“阳光招生”,面向社会主动公开各种招生信息接受社会监督情况。
7. 是否存在或变相将义务教育学校分为重点学校和非重点学校、以各种名目分重点班和非重点班情况。
8. 民办学校招生入学秩序监管情况。
是否存在公办学校与民办学校联合招生、提前招生等情况。
9. 是否存在笔试、面试或任何变相形式的考试、考核情况。
是否存在公办学校将获奖证书、考级证明同入学挂钩情况。
— 1 —10. 是否存在学校举办或参与举办选拔生源培训班或以各种学科类实验班名义招生,“掐尖”选拔生源情况。
11. 是否存在任何形式的收取择校费行为。
12. 规范学籍管理情况,全国联网的电子学籍系统使用和学籍信息维护情况。
是否存在人籍分离问题。
二、规范教育教学1. 国家课程方案落实情况,是否按照国家课程方案开设规定课程,是否存在挤占体育、艺术课和综合实践活动课程时间情况。
是否落实保证中小学生每天锻炼1小时有关规定。
2. 是否存在随意加深课程难度、增加课时、赶超教学进度情况。
小学一年级新生入学后是否实行“零起点”教学。
3. 各级教育行政部门是否制定出台治理中小学补课乱收费的政策措施。
是否存在学校或教师组织、要求学生参加校内外有偿补课,或者组织、参与校外培训机构对学生有偿补课情况。
是否以家长委员会等方式组织有偿补课。
三、规范作息时间1. 县级教育行政部门是否按照国家和省有关要求,对学生休息时间、在校学习时间、体育锻炼时间、活动内容和家庭作业等做出合理规定并督促学校落实。
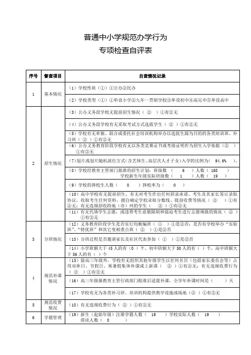
中小学校规范办学行为专项督查自查参考表
中小学校规范办学行为专项督查自查参考表(学校)
表二:()学校20xx年5月1日
序号
督查项目
督查情况记录
1
基本情况
(1)学段(①)①小学②初中③九年一贯制④普通高中⑤十二年一贯制⑥完全中学
(2)性质(①)①公办②民办
(3)现有学生(450)人;教师(37)人
2
招生情况
(4)(义务教育学校)招生是否已划片(①)①是②否,划片方式(①)①单校划片②多校划片;(普通高中)招生区域为(③)①面向县域内所有初中学校②面向部分乡镇或区域③其他
(5)初中分配到的优质高中招生名额2012年()人,2013年()人
(6)招生入学期间是否主动公开招生结果等重要信息(①)
①是②否
(7)(义务教育学校)本学年就近入学和择校生的比例(100 %)和(0 %)
(8)(义务教育学校)是否存在笔试、面试或任何变相形式的考试、考核情况(②)①是②否
(9)是否参与举办选拔生源培训班(②)①是②否
(10)(公办义务教育学校)是否与民办学校联合招生、提前招生(②)①是②否
(11)是否将获奖证书、考级证明同入学挂钩(②)①是②否
3
分班情况
(12)是否实行均衡编班(①)①是②否,分班过程是否邀请家长代表参加(①)①是②否
(13)是否组织分班考试,按考试成绩分班(②)①是②否(14)是否举办“实验班”、“特优班”和其它变相重点班(②)①是②否,实验班的数量(0 )个,批准文号(无),批准部门(无)
4
日常管理情况
(15)是否严格执行国家课程方案,(小学)实行“零起点”教学(①)①是②否。