100板模板(盘扣式)计算书
- 格式:doc
- 大小:4.87 MB
- 文档页数:16
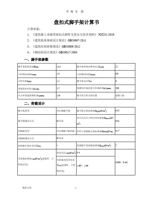
盘扣式脚手架计算书计算依据:1、《建筑施工承插型盘扣式钢管支架安全技术规程》 JGJ231-20102、《建筑地基基础设计规范》GB50007—20113、《建筑结构荷载规范》GB50009—20124、《钢结构设计规范》GB50017—2003一、脚手架参数二、荷载设计稳定性)风荷载体型系数μs1。
02搭设示意图盘扣式脚手架剖面图盘扣式脚手架立面图盘扣式脚手架平面图三、横向横杆验算横向横杆钢管类型A-SG-1500 横向横杆自重G khg(kN)0。
05单跨间横杆根数n jg 2 间横杆钢管类型B—SG-1500 间横杆自重G kjg(kN)0。
043 纵向横杆钢管类型B—SG-1500横向横杆抗弯强度设计值(f)(N/mm2205纵向横杆自重G kzg(kN)0.043)横向横杆截面惯性矩I(mm4) 92800 横向横杆弹性模量E(N/mm2)206000横向横杆截面抵抗矩W(mm3)3860承载力使用极限状态q=1.2×(G khg/l b+G kjb×l a/(n jg+1))+1.4×Q kzj × l a /( n jg +1)=1.2×(0。
050/0.9+0.35×1。
8/(2+1))+1。
4×2。
0×1。
8/(2+1)=1.999kN/m 正常使用极限状态q'=(G khg/l b+G kjb×l a/(n jg+1) )+Q kzj × l a /( n jg +1)=(0。
050/0.9+0.35×1。
8/(2+1))+2。
0×1。
8/(2+1)=1。
466kN/m 计算简图如下1、抗弯验算M max=ql b2/8=1。
999×0。
92/8=0.202kN·mσ=M max/W=0。
202×106/3860=52。
43N/mm2≤[f]=205N/mm2满足要求。
盘扣式梁底模板支架(梁板共用立杆)计算书一、参数信息和规范依据依据规范:《施工脚手架通用规范》GB55023-2022《钢结构通用规范》GB55006-2021《木结构通用规范》GB55005-2021《建筑施工承插型盘扣式钢管脚手架安全技术标准》JGJ/T231-2021《建筑结构可靠性设计统一标准》GB50068-2018《建筑施工脚手架安全技术统一标准》GB51210-2016《施工脚手架通用规范》GB55023-2022《承插型盘扣式钢管支架构件》JG/T 503-2016《建筑施工模板安全技术规范》JGJ 162-2008《建筑结构荷载规范》GB50009-2012《钢结构设计标准》GB50017-2017《混凝土结构设计规范》GB50010-2010《建筑地基基础设计规范》GB50007-2011《建筑施工扣件式钢管脚手架安全技术规范》JGJ130-2011计算参数:立杆钢管选择Q355,强度为300N/mm2水平杆钢管选择Q355,强度为300N/mm2,钢管强度折减系数取1.00,结构重要性系数取1.00;承载力设计值调整系数取1.00;考虑脚手架重复使用和折旧情况:立杆钢管强度设计值取300.0N/mm2,水平钢管强度设计值取300.0N/mm2。
模板支架搭设高度为11.7m,梁截面B×D=350mm×700mm,梁底立杆的纵距(跨度方向) l=0.90m,脚手架步距 h=1.50m,脚手架顶层水平杆步距 h'=0.00m,梁板共用立杆的横距为0.90m,纵距为0.90m,梁板共用立杆纵距为0.90m立杆钢管选择:φ48.00×3.20mm横杆钢管选择:φ48.00×3.20mm梁底增加2道承重立杆。
面板厚度15.00mm,剪切强度1.40N/mm2,抗弯强度17.00N/mm2,弹性模量9000.00N/mm2。
木方60×80mm,剪切强度1.7N/mm2,抗弯强度17.0N/mm2,弹性模量9000.0N/mm2。
板模板(盘扣式)计算书计算依据:1、《建筑施工承插型盘扣式钢管支架安全技术规程》JGJ231-20102、《建筑施工模板安全技术规范》JGJ162-20083、《混凝土结构设计规范》GB 50010-20104、《建筑结构荷载规范》GB 50009-20125、《钢结构设计规范》GB 50017-2003一、工程属性模板设计平面图纵向剖面图横向剖面图四、面板验算面板类型覆面木胶合板面板厚度t(mm) 15面板抗弯强度设计值[f](N/mm2) 16.83 面板抗剪强度设计值[τ](N/mm2) 1.4面板弹性模量E(N/mm2) 9350 面板计算方式三等跨连续梁W=bh2/6=1000×15×15/6=37500mm3,I=bh3/12=1000×15×15×15/12=281250mm4承载能力极限状态q1=[1.2×(G1k +(G2k+G3k)×h)+1.4×Q1k]×b=[1.2×(0.1+(24+1.1)×0.15)+1.4×3]×1=8.838kN/m q1静=[γG(G1k +(G2k+G3k)h)]b = [1.2×(0.1+(24+1.1)×0.15)]×1=4.638kN/mq1活=(γQ×Q1k)×b=(1.4×3)×1=4.2kN/m正常使用极限状态q=(γG(G1k+(G2k+G3k)×h)+γQ×Q1k)×b =(1×(0.1+(24+1.1)×0.15)+1×3)×1=6.865kN/m计算简图如下:1、强度验算M max=0.1q1静L2+0.117q1活L2=0.1×4.638×0.32+0.117×4.2×0.32=0.086kN·mσ=M max/W=0.086×106/37500=2.292N/mm2≤[f]=16.83N/mm2满足要求!2、挠度验算νmax=0.677ql4/(100EI)=0.677×6.865×3004/(100×9350×281250)=0.143mmνmax=0.143mm≤min{300/150,10}=2mm满足要求!五、小梁验算小梁类型矩形木楞小梁截面类型(mm) 40×90小梁抗弯强度设计值[f](N/mm2) 12.87 小梁抗剪强度设计值[τ](N/mm2) 1.386小梁截面抵抗矩W(cm3) 54 小梁弹性模量E(N/mm2) 8415小梁截面惯性矩I(cm4) 243 小梁计算方式三等跨连续梁11k2k3k1k=2.723kN/m因此,q1静=1.2×(G1k +(G2k+G3k)×h)×b=1.2×(0.3+(24+1.1)×0.15)×0.3=1.463kN/m q1活=1.4×Q1k×b=1.4×3×0.3=1.26kN/m计算简图如下:1、强度验算M1=0.1q1静L2+0.117q1活L2=0.1×1.463×0.92+0.117×1.26×0.92=0.238kN·mM2=q1L12/2=2.723×0.12/2=0.014kN·mM max=max[M1,M2]=max[0.238,0.014]=0.238kN·mσ=M max/W=0.238×106/54000=4.406N/mm2≤[f]=12.87N/mm2满足要求!2、抗剪验算V1=0.6q1静L+0.617q1活L=0.6×1.463×0.9+0.617×1.26×0.9=1.49kNV2=q1L1=2.723×0.1=0.272kNV max=max[V1,V2]=max[1.49,0.272]=1.49kNτmax=3V max/(2bh0)=3×1.49×1000/(2×40×90)=0.621N/mm2≤[τ]=1.386N/mm2满足要求!3、挠度验算q=(γG(G1k+(G2k+G3k)×h)+γQ×Q1k)×b=(1×(0.3+(24+1.1)×0.15)+1×3)×0.3=2.119kN/m挠度,跨中νmax=0.677qL4/(100EI)=0.677×2.119×9004/(100×8415×243×104)=0.46mm≤[ν]=min(L/150,10)=min(900/150,10)=6mm;悬臂端νmax=ql14/(8EI)=2.119×1004/(8×8415×243×104)=0.001mm≤[ν]=min(2×l1/150,10)=min(2×100/150,10)=1.333mm满足要求!六、主梁验算q1=[1.2×(G1k+(G2k+G3k)×h)+1.4×Q1k]×b=[1.2×(0.5+(24+1.1)×0.15)+1.4×3]×0.3=2.795kN/mq1静=1.2×(G1k +(G2k+G3k)×h)×b=1.2×(0.5+(24+1.1)×0.15)×0.3=1.535kN/mq1活=1.4×Q1k×b =1.4×3×0.3=1.26kN/mq2=(γG(G1k+(G2k+G3k)×h)+γQ×Q1k)×b=(1×(0.5+(24+1.1)×0.15)+1×3)×0.3=2.179kN/m承载能力极限状态按三等跨连续梁,R max=(1.1q1静+1.2q1活)L=1.1×1.535×0.9+1.2×1.26×0.9=2.881kN按悬臂梁,R1=q1l1=2.795×0.1=0.28kN主梁2根合并,其主梁受力不均匀系数=0.6R=max[R max,R1]×0.6=1.729kN;正常使用极限状态按三等跨连续梁,R'max=1.1q2L=1.1×2.179×0.9=2.158kN按悬臂梁,R'1=q2l1=2.179×0.1=0.218kNR'=max[R'max,R'1]×0.6=1.295kN;计算简图如下:主梁计算简图一2、抗弯验算主梁弯矩图一(kN·m)σ=M max/W=0.441×106/4490=98.287N/mm2≤[f]=205N/mm2满足要求!3、抗剪验算主梁剪力图一(kN)τmax=2V max/A=2×2.796×1000/424=13.187N/mm2≤[τ]=125N/m m2满足要求!4、挠度验算主梁变形图一(mm)跨中νmax=0.546mm≤[ν]=min{900/150,10}=6mm悬挑段νmax=0.142mm≤[ν]=min(2×150/150,10)=2mm满足要求!5、支座反力计算承载能力极限状态图一支座反力依次为R1=4.12kN,R2=5.389kN,R3=5.389kN,R4=4.12kN七、可调托座验算荷载传递至立杆方式可调托座可调托座承载力容许值[N](kN) 30满足要求!八、立杆验算立杆钢管截面类型(mm) Ф48×3.2立杆钢管计算截面类型(mm) Ф48×3钢材等级Q235 立杆截面面积A(mm2) 424 立杆截面回转半径i(mm) 15.9 立杆截面抵抗矩W(cm3) 4.49 抗压强度设计值[f](N/mm2) 205 支架自重标准值q(kN/m) 0.15 支架立杆计算长度修正系数η 1.2 悬臂端计算长度折减系数k 0.71、长细比验算l01=hˊ+2ka=1200+2×0.7×450=1830mml0=ηh=1.2×1800=2160mmλ=max[l01,l0]/i=2160/15.9=135.849≤[λ]=150满足要求!2、立杆稳定性验算顶部立杆段:λ1=l01/i=1830.000/15.9=115.094查表得,φ=0.483不考虑风荷载:N1 =Max[R1,R2,R3,R4]/0.6=Max[4.12,5.389,5.389,4.12]/0.6=8.982kN f=N1/(ΦA)=8982/(0.483×424)=43.859N/mm2≤[f]=205N/mm2满足要求!非顶部立杆段:λ=l0/i=2160.000/15.9=135.849查表得,φ1=0.371不考虑风荷载:N=Max[R1,R2,R3,R4]/0.6+γG×q×H=Max[4.12,5.389,5.389,4.12]/0.6+1.2×0.15×3.325=9.5 8kNf=N/(φ1A)=9.58×103/(0.371×424)=60.901N/mm2≤[σ]=205N/mm2满足要求!九、高宽比验算根据《建筑施工承插型盘扣式钢管支架安全技术规范》JGJ231-2010 第6.1.4: 对长条状的独立高支模架,架体总高度与架体的宽度之比不宜大于3H/B=3.325/30=0.111≤3满足要求!十、抗倾覆验算混凝土浇筑前,倾覆力矩主要由风荷载产生,抗倾覆力矩主要由模板及支架自重产生M T=ψc×γQ(ωk L1Hh2+Q3k L1h1)=1×1.4×(0.076×40×3.325×3.2+0.55×40×3.2)=143.844kN·mM R=γG(G1k+0.15H/(l a l b))L1B12/2=0.9×(0.5+0.15×3.325/(0.9×0.9))×40×302/2=18075kN·mM T=143.844kN·m≤M R=18075kN·m满足要求!混凝土浇筑时,倾覆力矩主要由泵送、倾倒混凝土等因素产生的水平荷载产生,抗倾覆力矩主要由钢筋、混凝土、模板及支架自重产生M T=ψc×γQ(Q2k L1H2+Q3k L1h1)=1×1.4×(1×40×3.3252+0.55×40×3.2)=717.675kN·mM R=γG[(G2k+G3k)×h0+(G1k+0.15H/(l a l b))]L1B12/2=0.9×[(24+1.1)×0.15+(0.5+0.15×3.325/ (0.9×0.9))]×40×302/2=79068kN·mM T=717.675kN·m≤M R=79068kN·m满足要求!十一、立杆支承面承载力验算11、受冲切承载力计算根据《混凝土结构设计规范》GB50010-2010第6.5.1条规定,见下表h t0u m =2[(a+h0)+(b+h0)]=1000mmF=(0.7βh f t+0.25σpc,)ηu m h0=(0.7×1×0.829+0.25×0)×1×1000×100/1000=58.03kN≥F1=9.58kNm满足要求!2、局部受压承载力计算根据《混凝土结构设计规范》GB50010-2010第6.6.1条规定,见下表c cβl=(A b/A l)1/2=[(a+2b)×(b+2b)/(ab)]1/2=[(400)×(300)/(200×100)]1/2=2.449,A ln=ab=20000mm2F=1.35βcβl f c A ln=1.35×1×2.449×8.294×20000/1000=548.534kN≥F1=9.58kN满足要求!。
盘扣式脚手架计算书盘扣式脚手架计算书1. 引言1.1 背景1.2 目的2. 定义与术语2.1 盘扣式脚手架2.2 计算书3. 盘扣式脚手架计算标准3.1 国家标准3.2 行业标准4. 盘扣式脚手架计算流程4.1 起始条件与输入数据4.2 计算方法4.2.1 结构分析方法4.2.2 荷载计算方法4.2.3 刚度计算方法4.2.4 安全系数计算方法4.2.5 脚手架稳定性计算方法4.3 计算示例与结果分析5. 盘扣式脚手架计算书编写要点5.1 整体框架5.2 细化章节5.3 数据来源与准确性5.4 格式规范6. 附件6.1 设计图纸6.2 材料清单6.3 计算表格7. 法律名词及注释7.1 盘扣式脚手架安全管理条例 7.2 建筑工程安全生产管理条例 7.3 建筑法规7.4 脚手架结构设计规范附件:1. 设计图纸- 图纸1: 结构图- 图纸2: 细部连接图2. 材料清单- 清单1: 钢管- 清单2: 节点连接器- 清单3: 扣件3. 计算表格- 表格1: 荷载计算表- 表格2: 安全系数计算表- 表格3: 结构刚度计算表法律名词及注释:1. 盘扣式脚手架安全管理条例: 国家针对盘扣式脚手架的安全管理制定的法规。
2. 建筑工程安全生产管理条例: 国家建筑工程项目的安全生产管理相关法规。
3. 建筑法规: 国家关于建筑工程设计、施工与验收的法律法规。
4. 脚手架结构设计规范: 行业针对脚手架结构设计所制定的规范。
盘扣式板模板支撑计算书————————————————————————————————作者:————————————————————————————————日期:盘扣式模板支撑计算书一、模板支架选型由于其中模板支撑架高3.6米,为确保施工安全,编制本专项施工方案。
设计范围包括:楼板,长*宽=8m*8m,厚0.25m。
根据本工程实际情况,结合施工单位现有施工条件,3#和4#楼地下室区域选择盘扣式钢管脚手架作为模板支架的搭设材料,进行相应的设计计算。
二、搭设方案(一)基本搭设参数模板支架高H为3.6m,立杆步距h(上下水平杆轴线间的距离)取1.8m,立杆纵距l取0.9m,横距l b取0.9m。
立杆伸出顶层横向水平杆中心线至模板支撑点的自由长a度a取0.2m。
整个支架的简图如下所示。
模板底部的方木,截面宽40mm,高80mm,布设间距0.2m。
(二)材料及荷载取值说明本支撑架使用Φ48 *3mm钢管,钢管壁厚不得小于3mm,钢管上严禁打孔;采用的扣件,应经试验,在螺栓拧紧扭力矩达65N·m时,不得发生破坏。
模板支架承受的荷载包括模板及支架自重、新浇混凝土自重、钢筋自重,以及施工人员及设备荷载、振捣混凝土时产生的荷载等。
三、板模板支架的强度、刚度及稳定性验算荷载首先作用在板底模板上,按照"底模→底模方木/钢管→横向水平钢管→可调托座→立杆→基础"的传力顺序,分别进行强度、刚度和稳定性验算。
其中,取与底模方木平行的方向为纵向。
(一)板底模板的强度和刚度验算模板按三跨连续梁计算,如图所示:(1)荷载计算,按单位宽度折算为线荷载。
此时,模板的截面抵抗矩为:w=1000?72/6=4.82?04mm3;模板自重标准值:x1=0.3? =0.3kN/m;新浇混凝土自重标准值:x2=0.25?4? =6kN/m;板中钢筋自重标准值:x3=0.25?.1? =0.275kN/m;施工人员及设备活荷载标准值:x4=1? =1kN/m;振捣混凝土时产生的荷载标准值:x5=2?=2kN/m。
盘扣式板模板支撑计算书
首先,需要计算板模板所受的荷载。
一般来说,板模板所受的荷载主要包括自重、人员和设备的荷载以及混凝土的施工荷载等。
通过测量和统计,确定板模板所受的各个荷载的大小和作用位置。
其次,根据荷载计算板模板所受的应力。
应力是指单位面积内受力的大小,通过应力的计算,可以得到板模板在各个部位的应力分布情况。
然后,需要根据所选用的板模板的材料特性和尺寸,计算板模板的强度和刚度。
板模板的强度是指板模板承受荷载的能力,而刚度是指板模板变形的程度。
一般来说,板模板支撑的安全性和可行性要求板模板具有足够的强度和刚度。
最后,通过对板模板的支撑方式和支撑点的调整,优化板模板的支撑结构,提高板模板整体支撑的效果和稳定性。
通过计算和分析,确定合适的支撑方式和支撑点的位置,以保证模板支撑的安全和稳定。
综上所述,盘扣式板模板支撑的计算需要考虑荷载、应力、强度和刚度等因素,并通过调整支撑方式和支撑点的位置来优化支撑结构。
通过合理的计算和设计,可以保证盘扣式板模板的支撑稳定性和安全性,提高施工效率和质量。
板模板(轮扣式)计算书计算依据:1、《建筑施工承插型轮扣式模板支架安全技术规程》T/CCIAT0003-20192、《建筑施工承插盘扣式钢管支架安全技术规范》JGJ 231-20103、《混凝土结构设计规范》GB 50010-20104、《建筑结构荷载规范》GB 50009-20125、《钢结构设计标准》GB 50017-2017一、工程属性二、荷载设计风荷载参数:三、模板体系设计设计简图如下:模板设计平面图纵向剖面图横向剖面图四、面板验算面板类型覆面木胶合板面板厚度t(mm) 15面板抗弯强度设计值[f](N/mm2) 15 面板抗剪强度设计值[τ](N/mm2) 1.4面板弹性模量E(N/mm2) 10000 面板计算方式简支梁按简支梁,取1m单位宽度计算。
W=bh2/6=1000×15×15/6=37500mm3,I=bh3/12=1000×15×15×15/12=281250mm4 承载能力极限状态q1=1×max[1.2(G1k +(G2k+G3k)×h)+1.4×Q1k ,1.35(G1k+(G2k+G3k)×h)+1.4×0.7×Q1k]×b=1×max[1.2×(0.1+(24+1.1)×0.1)+1.4×3,1.35×(0.1+(24 +1.1)×0.1)+1.4×0.7×3] ×1=7.332kN/mq2=1×1.2×G1k×b=1×1.2×0.1×1=0.12kN/m根据《建筑施工承插型轮扣式模板支架安全技术规程》T/CCIAT0003-2019第4.2.2条,在计算模板面板、次楞梁时,施工荷载需要另外按集中荷载2.5kN进行计算:p=1×1.4×Q1k=1×1.4×2.5=3.5kN正常使用极限状态q=(γG(G1k +(G2k+G3k)×h)+γQ×Q1k)×b =(1×(0.1+(24+1.1)×0.1)+1×3)×1=5.61kN/m 计算简图如下:1、强度验算M1=q1l2/8=7.332×0.252/8=0.057kN·mM2=q2L2/8+pL/4=0.12×0.252/8+3.5×0.25/4=0.22kN·mM max=max[M1,M2]=max[0.057,0.22]=0.22kN·mσ=M max/W=0.22×106/37500=5.858N/mm2≤[f]/γR=15/1=15N/mm2满足要求!2、挠度验算νmax=5ql4/(384EI)=5×5.61×2504/(384×10000×281250)=0.101mmν=0.101mm≤[ν]=L/250=250/250=1mm满足要求!五、小梁验算小梁类型矩形木楞小梁截面类型(mm) 50×100小梁抗弯强度设计值[f](N/mm2) 12.87 小梁抗剪强度设计值[τ](N/mm2) 1.386小梁截面抵抗矩W(cm3) 83.333 小梁弹性模量E(N/mm2) 8415小梁截面惯性矩I(cm4) 416.667 小梁计算方式二等跨连续梁q1=1×max[1.2(G1k+ (G2k+G3k)×h)+1.4Q1k,1.35(G1k+(G2k+G3k)×h)+1.4×0.7×Q1k]×b=1×max[1.2×(0.3+(24+1.1)×0.1)+1.4×3,1.35×(0.3+(24 +1.1)×0.1)+1.4×0.7×3]×0.25=1.893kN/m因此,q1静=1×1.2×(G1k+(G2k+G3k)×h)×b=1×1.2×(0.3+(24+1.1)×0.1)×0.25=0.843kN/mq1活=1×1.4×Q1k×b=1×1.4×3×0.25=1.05kN/mq2=1×1.2×G1k×b=1×1.2×0.3×0.25=0.09kN/m根据《建筑施工承插型轮扣式模板支架安全技术规程》T/CCIAT0003-2019第4.2.2条,在计算模板面板、次楞梁时,施工荷载需要另外按集中荷载2.5kN进行计算:p=1×1.4×Q1k=1×1.4×2.5=3.5kN计算简图如下:1、强度验算M1=0.125q1静L2+0.125q1活L2=0.125×0.843×0.92+0.125×1.05×0.92=0.192kN·mM2=max[0.07q2L2+0.203pL,0.125q2L2+0.188pL]=max[0.07×0.09×0.92+0.203×3.5×0 .9,0.125×0.09×0.92+0.188×3.5×0.9]=0.645kN·mM3=max[q1L12/2,q2L12/2+pL1]=max[1.893×0.152/2,0.09×0.152/2+3.5×0.15]=0.526 kN·mM max=max[M1,M2,M3]=max[0.192,0.645,0.526]=0.645kN·mσ=M max/W=0.645×106/83333=7.735N/mm2≤[f]/γR=12.87/1=12.87N/mm2满足要求!2、抗剪验算V1=0.625q1静L+0.625q1活L=0.625×0.843×0.9+0.625×1.05×0.9=1.065kNV2=0.625q2L+0.688p=0.625×0.09×0.9+0.688×3.5=2.459kNV3=max[q1L1,q2L1+p]=max[1.893×0.15,0.09×0.15+3.5]=3.514kNV max=max[V1,V2,V3]=max[1.065,2.459,3.514]=3.514kNτmax=3V max/(2bh0)=3×3.514×1000/(2×50×100)=1.054N/mm2≤[τ]/γR=1.386/1=1.386N/m m2满足要求!3、挠度验算q=(γG(G1k+(G2k+G3k)×h)+γQ×Q1k)×b=(1×(0.3+(24+1.1)×0.1)+1×3)×0.25=1.453kN/m挠度,跨中νmax=0.521qL4/(100EI)=0.521×1.453×9004/(100×8415×416.667×104)=0.142 mm≤[ν]=L/250=900/250=3.6mm;悬臂端νmax=ql14/(8EI)=1.453×1504/(8×8415×416.667×104)=0.003mm≤[ν]=2×l1/250=2×150/250=1.2mm满足要求!六、主梁验算1、小梁最大支座反力计算q1=1×max[1.2(G1k +(G2k+G3k)×h)+1.4Q1k,1.35(G1k+(G2k+G3k)×h)+1.4×0.7×Q1k]×b=1×max[1.2×(0.45+(24+1.1)×0.1)+1.4×3,1.35×(0.45+( 24+1.1)×0.1)+1.4×0.7×3]×0.25=1.938kN/mq1静=1×1.2×(G1k +(G2k+G3k)×h)×b=1×1.2×(0.45+(24+1.1)×0.1)×0.25=0.888kN/m q1活=1×1.4×Q1k×b=1×1.4×3×0.25=1.05kN/mq2=(γG(G1k+(G2k+G3k)×h)+γQ×Q1k)×b=(1×(0.45+(24+1.1)×0.1)+1×3)×0.25=1.49kN/m 承载能力极限状态按二等跨连续梁,R max=1.25q1L=1.25×1.938×0.9=2.18kN按二等跨连续梁按悬臂梁,R1=(0.375q1静+0.437q1活)L+q1l1=(0.375×0.888+0.437×1.05)×0.9+1.938×0.15=1.003kN主梁2根合并,其主梁受力不均匀系数=0.6R=max[R max,R1]×0.6=1.308kN;正常使用极限状态按二等跨连续梁,R'max=1.25q2L=1.25×1.49×0.9=1.676kN按二等跨连续梁悬臂梁,R'1=0.375q2L+q2l1=0.375×1.49×0.9+1.49×0.15=0.726kN R'=max[R'max,R'1]×0.6=1.006kN;计算简图如下:主梁计算简图一主梁计算简图二2、抗弯验算主梁弯矩图一(kN·m)主梁弯矩图二(kN·m)σ=M max/W=0.443×106/5150=86.093N/mm2≤[f]/γR=205/1=205N/mm2 满足要求!3、抗剪验算主梁剪力图一(kN)主梁剪力图二(kN)τmax=2V max/A=2×2.963×1000/493=12.022N/mm2≤[τ]/γR=125/1=125N/mm2 满足要求!4、挠度验算主梁变形图一(mm)主梁变形图二(mm)跨中νmax=0.697mm≤[ν]=900/250=3.6mm悬挑段νmax=0.284mm≤[ν]=2×100/250=0.8mm满足要求!5、支座反力计算承载能力极限状态图一支座反力依次为R1=3.228kN,R2=4.969kN,R3=5.231kN,R4=2.269kN 图二支座反力依次为R1=2.728kN,R2=5.12kN,R3=5.12kN,R4=2.728kN七、可调托座验算按上节计算可知,可调托座受力N=5.231/0.6=8.718kN≤[N]/γR=30/1=30kN 满足要求!八、立杆验算1、长细比验算根据《建筑施工承插型轮扣式模板支架安全技术规程》T/CCIAT0003-2019条文说明5.1.5条,构件的允许长细比计算时构件的长度取节点间钢管的长度l0=h=1200mmλ=l0/i=1200/15.9=75.472≤[λ]=150满足要求!2、立杆稳定性验算立杆计算长度:l0=μh=2.852×1200=3422mmμ ----立杆计算长度系数,按规范附录G表G-1取值n z----立杆步数,n z=[(支架高度H- h1- h2)/h]取整=[(2.7-0.35-0.4)/1.2]取整=1K----无剪刀撑框架式支撑结构的刚度比,K=EI/(hk)+l max/(6h)=206000×12.43×104/(1200×15×106)+900/(6×1200)=1.548α----扫地杆高度h1与步距h之比与悬臂长度h2与步距h之比的较大值,α=max(h1/h,h2/ h)= max(350/1200,400/1200)=0.333l02=h’+2k0h2=600+2×0.7×400=1160mml0=max(l01,l02)=max(3422,1160)=3422mmλ=l0/i=3422/15.9=215.22,查表得,φ=0.157支撑脚手架风线荷载标准值:q wk=l a×ωfk=0.9×0.274=0.247kN/m:风荷载作用在支架外侧模板上产生的水平力标准值:F wk=l a×H m×ωmk=0.9×1×0.199=0.179kN支撑脚手架计算单元在风荷载作用下的倾覆力矩标准值M ok:M ok=0.5H2q wk+HF wk=0.5×2.72×0.247+2.7×0.179=1.382kN.m立杆考虑风荷载造成的立杆附加轴力N wtk,计算如下:N wtk=6n×M ok/[(n+1)(n+2)B]=6×21×1.382/[(21+1)×(21+2)×18]=0.019kN主梁支座反力:R1=3.228kN,R2=5.12kN,R3=5.231kN,R4=2.728kN不考虑风荷载N=Max[R1,R2,R3,R4]/0.6+1×γG×q×H=Max[3.228,5.12,5.231,2.728]/0.6+1×1.35×0.15×2.7 =9.265kNf= N/(φA)=9264.556/(0.157×493)=119.696N/mm2≤[f]/γR=205/1=205N/mm2 满足要求!考虑风荷载M w=γQωk l a h2/10=1.4×0.024×0.9×1.22/10=0.004kN·mN=Max[R1,R2,R3,R4]/0.6+1×γG×q×H=Max[3.228,5.12,5.231,2.728]/0.6+1×1.35×0.15×2.7 =9.265kNf=(N w+φcγQ N wtK)/(φA)+M w/(W(1-1.1φ(N w+φcγQ N wtK)/N E′))=(9264.556+0.6×1.4×19.124)/(0.157×493)+0.004×10 6/(5.15×103×(1-1.1×0.157×(9264.556+0.6×1.4×19.124)/21639.545))=120.816N/mm2≤[f] /γR=205/1=205N/mm2满足要求!N E′----立杆的欧拉临界力(N),N E′=π2EA/λ2=3.142×206000×493/215.222=21639.545N 九、高宽比验算根据《建筑施工承插型轮扣式模板支架安全技术规程》T/CCIAT0003-2019第5.4.1条:当模板支架侧向无可靠连接且高度大于5m或者高宽比大于3时,需要进行支架整体的抗倾覆验算H/B=2.7/18=0.15≤3H=2.7≤5m满足要求!十、架体抗倾覆验算参考《建筑施工承插型轮扣式模板支架安全技术规程》T/CCIAT0003-2019第5.4.2条:B2l a(g k1+ g k2)+2ΣG jk b j≥3γ0M okg k1——均匀分布的架体面荷载自重标准值kN/m2g k2——均匀分布的架体上部的模板等物料面荷载自重标准值kN/m2G jk——支撑脚手架计算单元上集中堆放的物料自重标准值kNb j——支撑脚手架计算单元上集中堆放的物料至倾覆原点的水平距离mB2l a(g k1+ g k2)+2ΣG jk b j=B2l a[qH/(l a×l b)+G1k]+2×G jk×B/2=182×0.9×[0.15×2.7/(0.9×0.9)+0.45]+2×1×18/2=295.0 2kN.m≥3γ0M ok =3×1×1.382=4.147kN.M满足要求!十一、立杆支承面承载力验算F1=N=9.281kN1、受冲切承载力计算根据《混凝土结构设计规范》GB50010-2010第6.5.1条规定,见下表可得:βh =1,f t=0.829N/mm 2,η=1,h 0=h-20=100mm , u m =2[(a+h 0)+(b+h 0)]=800mmF=(0.7βh f t +0.25σpc ,m )ηu m h 0=(0.7×1×0.829+0.25×0)×1×800×100/1000=46.424kN≥F 1=9.281kN 满足要求!2、局部受压承载力计算根据《混凝土结构设计规范》GB50010-2010第6.6.1条规定,见下表可得:f c=8.294N/mm2,βc=1,βl=(A b/A l)1/2=[(a+2b)×(b+2b)/(ab)]1/2=[(300)×(300)/(100×100)]1/2=3,A ln=ab=10000mm 2F=1.35βcβl f c A ln=1.35×1×3×8.294×10000/1000=335.907kN≥F1=9.281kN满足要求!。
盘扣式满堂楼板模板支架计算书楼板模板的计算参照《建筑施工模板安全技术规范》(JGJ162-2008)、《混凝土结构工程施工规范》(GB506666-2011)、《建筑施工承插型盘扣式钢管支架安全技术规程》(JGJ231-2010)、《混凝土结构设计规范》(GB50010-2010)、《钢结构设计规范》(GB 50017-2003)、《组合钢模板技术规范》(GB50214-2001)、《木结构设计规范》(GB 50005━2003)、《建筑结构荷载规范》(GB 50009-2012)等编制。
一、参数信息:楼板楼板现浇厚度为0.20米,模板支架搭设高度为3.00米,搭设尺寸为:立杆的纵距b=1.20米,立杆的横距l=1.20米,立杆的步距h=1.20米。
模板面板采用胶合面板,厚度为18mm,板底龙骨采用木方: 50×80;间距:300mm;托梁采用双楞设置,梁顶托采用10号工字钢。
采用的钢管类型为60×3.2,立杆上端伸出至模板支撑点长度:0.30米。
图1 楼板支撑架立面简图图2 楼板支撑架荷载计算单元二、模板面板计算依据《混凝土结构工程施工规范》GB50666-2011,4.3.5和4.3.6计算。
面板为受弯结构,需要验算其抗弯强度和刚度。
模板面板按照三跨连续梁计算。
使用模板类型为:胶合板。
(1)钢筋混凝土板自重(kN/m):q11 = 25.100×0.200×1.200=6.024kN/m(2)模板的自重线荷载(kN/m):q12 = 0.350×1.200=0.420kN/m(3)活荷载为施工荷载标准值(kN/m):q13 = 2.500×1.200=3.000kN/m均布线荷载标准值为:q = 25.100×0.200×1.200+0.350×1.200=6.444kN/m均布线荷载设计值为:q1 = 0.90×[1.35×(6.024+0.420)+1.4×0.9×3.000]=11.231kN/m 面板的截面惯性矩I和截面抵抗矩W分别为:本算例中,截面抵抗矩W和截面惯性矩I分别为:W = 120.00×1.80×1.80/6 = 64.80cm3;I = 120.00×1.80×1.80×1.80/12 = 58.32cm4;(1)抗弯强度计算M = 0.1q1l2 = 0.1×11.231×0.3002=0.101kN.mσ = M / W < [f]其中σ——面板的抗弯强度计算值(N/mm2);M ——面板的最大弯距(N.mm);W ——面板的净截面抵抗矩;[f]——面板的抗弯强度设计值,取15.00N/mm2;经计算得到面板抗弯强度计算值σ = 0.101×1000×1000/64800=1.560N/mm2面板的抗弯强度验算σ < [f],满足要求!(2)挠度计算验算挠度时不考虑可变荷载值,仅考虑永久荷载标准值,故采用均布线荷载标准值为设计值。
扣件钢管楼板模板支架计算书(板厚100mm)计算依据1《建筑施工扣件式钢管脚手架安全技术规范》(JGJ130-2001)。
计算依据2《施工技术》2002.3.《扣件式钢管模板高支撑架设计和使用安全》(杜荣军)。
计算参数:模板支架搭设高度为2.9m,立杆的纵距 b=1.00m,立杆的横距 l=1.00m,立杆的步距 h=1.35m。
面板厚度12mm,剪切强度1.4N/mm2,抗弯强度15.0N/mm2,弹性模量6000.0N/mm4。
木方50×100mm,间距300mm,剪切强度1.3N/mm2,抗弯强度13.0N/mm2,弹性模量9000.0N/mm4。
模板自重0.35kN/m2,混凝土钢筋自重25.00kN/m3,施工活荷载3.00kN/m2。
扣件计算折减系数取1.00。
图1 楼板支撑架立面简图图2 楼板支撑架荷载计算单元采用的钢管类型为48×3.5。
一、模板面板计算面板为受弯结构,需要验算其抗弯强度和刚度。
模板面板的按照三跨连续梁计算。
静荷载标准值 q1 = 25.000×0.100×1.000+0.350×1.000=2.850kN/m活荷载标准值 q2 = (2.000+1.000)×1.000=3.000kN/m面板的截面惯性矩I和截面抵抗矩W分别为:本算例中,截面惯性矩I和截面抵抗矩W分别为:W = 100.00×1.20×1.20/6 = 24.00cm3;I = 100.00×1.20×1.20×1.20/12 = 14.40cm4;(1)抗弯强度计算f = M / W < [f]其中 f ——面板的抗弯强度计算值(N/mm2);M ——面板的最大弯距(N.mm);W ——面板的净截面抵抗矩;[f] ——面板的抗弯强度设计值,取15.00N/mm2;M = 0.100ql2其中 q ——荷载设计值(kN/m);经计算得到 M = 0.100×(1.20×2.850+1.4×3.000)×0.300×0.300=0.069kN.m经计算得到面板抗弯强度计算值 f = 0.069×1000×1000/24000=2.858N/mm2面板的抗弯强度验算 f < [f],满足要求!(2)抗剪计算 [可以不计算]T = 3Q/2bh < [T]其中最大剪力 Q=0.600×(1.20×2.850+1.4×3.000)×0.300=1.372kN截面抗剪强度计算值 T=3×1372.0/(2×1000.000×12.000)=0.171N/mm2截面抗剪强度设计值 [T]=1.40N/mm2抗剪强度验算 T < [T],满足要求!(3)挠度计算v = 0.677ql4 / 100EI < [v] = l / 250面板最大挠度计算值 v = 0.677×2.850×3004/(100×6000×144000)=0.181mm面板的最大挠度小于300.0/250,满足要求!二、模板支撑木方的计算木方按照均布荷载下连续梁计算。
板模板(盘扣式)计算书计算依据:1、《建筑施工承插型盘扣式钢管支架安全技术规程》JGJ231-20102、《建筑施工模板安全技术规范》JGJ162-20083、《混凝土结构设计规范》GB 50010-20104、《建筑结构荷载规范》GB 50009-20125、《钢结构设计规范》GB 50017-2003一、工程属性三、模板体系设计主梁布置方向平行立柱纵向方向立柱纵向间距l a(mm) 900 立柱横向间距l b(mm) 900 水平拉杆步距h(mm) 1200450 顶层水平杆步距hˊ(mm)600 支架可调托座支撑点至顶层水平杆中心线的距离a(mm)小梁间距l(mm) 200 小梁最大悬挑长度l1(mm) 100 主梁最大悬挑长度l2(mm) 150模板设计平面图纵向剖面图横向剖面图四、面板验算面板类型覆面木胶合板面板厚度t(mm) 15面板抗弯强度设计值[f](N/mm2) 16.83 面板抗剪强度设计值[τ](N/mm2) 1.4面板弹性模量E(N/mm2) 9350 面板计算方式三等跨连续梁W=bh2/6=1000×15×15/6=37500mm3,I=bh3/12=1000×15×15×15/12=281250mm4承载能力极限状态q1=[1.2×(G1k +(G2k+G3k)×h)+1.4×Q1k]×b=[1.2×(0.1+(24+1.1)×0.15)+1.4×3]×1=8.838kN/mq1静=[γG(G1k +(G2k+G3k)h)]b = [1.2×(0.1+(24+1.1)×0.15)]×1=4.638kN/mq1活=(γQ×Q1k)×b=(1.4×3)×1=4.2kN/m正常使用极限状态q=(γG(G1k+(G2k+G3k)×h)+γQ×Q1k)×b =(1×(0.1+(24+1.1)×0.15)+1×3)×1=6.865kN/m计算简图如下:1、强度验算M max=0.1q1静L2+0.117q1活L2=0.1×4.638×0.22+0.117×4.2×0.22=0.038kN·mσ=M max/W=0.038×106/37500=1.019N/mm2≤[f]=16.83N/mm2满足要求!2、挠度验算νmax=0.677ql4/(100EI)=0.677×6.865×2004/(100×9350×281250)=0.028mmνmax=0.028mm≤min{200/150,10}=1.333mm满足要求!五、小梁验算小梁类型矩形木楞小梁截面类型(mm) 40×90小梁抗弯强度设计值[f](N/mm2) 12.87 小梁抗剪强度设计值[τ](N/mm2) 1.386小梁截面抵抗矩W(cm3) 54 小梁弹性模量E(N/mm2) 8415小梁截面惯性矩I(cm4) 243 小梁计算方式二等跨连续梁11k2k3k1k=1.816kN/m因此,q1静=1.2×(G1k +(G2k+G3k)×h)×b=1.2×(0.3+(24+1.1)×0.15)×0.2=0.976kN/mq1活=1.4×Q1k×b=1.4×3×0.2=0.84kN/m计算简图如下:1、强度验算M1=0.125q1静L2+0.125q1活L2=0.125×0.976×0.92+0.125×0.84×0.92=0.184kN·m M2=q1L12/2=1.816×0.12/2=0.009kN·mM max=max[M1,M2]=max[0.184,0.009]=0.184kN·mσ=M max/W=0.184×106/54000=3.404N/mm2≤[f]=12.87N/mm2满足要求!2、抗剪验算V1=0.625q1静L+0.625q1活L=0.625×0.976×0.9+0.625×0.84×0.9=1.021kNV2=q1L1=1.816×0.1=0.182kNV max=max[V1,V2]=max[1.021,0.182]=1.021kNτmax=3V max/(2bh0)=3×1.021×1000/(2×40×90)=0.426N/mm2≤[τ]=1.386N/mm2满足要求!3、挠度验算q=(γG(G1k+(G2k+G3k)×h)+γQ×Q1k)×b=(1×(0.3+(24+1.1)×0.15)+1×3)×0.2=1.413kN/m挠度,跨中νmax=0.521qL4/(100EI)=0.521×1.413×9004/(100×8415×243×104)=0.236mm≤[ν]=min(L/150,10)=min(900/150,10)=6mm;悬臂端νmax=ql14/(8EI)=1.413×1004/(8×8415×243×104)=0.001mm≤[ν]=min(2×l1/150,10)=min(2×100/150,10)=1.333mm满足要求!六、主梁验算q1=[1.2×(G1k+(G2k+G3k)×h)+1.4×Q1k]×b=[1.2×(0.5+(24+1.1)×0.15)+1.4×3]×0.2=1.864kN/mq1静=1.2×(G1k +(G2k+G3k)×h)×b=1.2×(0.5+(24+1.1)×0.15)×0.2=1.024kN/mq1活=1.4×Q1k×b =1.4×3×0.2=0.84kN/mq2=(γG(G1k+(G2k+G3k)×h)+γQ×Q1k)×b=(1×(0.5+(24+1.1)×0.15)+1×3)×0.2=1.453kN/m承载能力极限状态按二等跨连续梁,R max=1.25q1L=1.25×1.864×0.9=2.097kN按悬臂梁,R1=1.864×0.1=0.186kN主梁2根合并,其主梁受力不均匀系数=0.6R=max[R max,R1]×0.6=1.258kN;正常使用极限状态按二等跨连续梁,R'max=1.25q2L=1.25×1.453×0.9=1.635kN按悬臂梁,R'1=q2l1=1.453×0.1=0.145kNR'=max[R'max,R'1]×0.6=0.981kN;计算简图如下:主梁计算简图一2、抗弯验算主梁弯矩图一(kN·m)σ=M max/W=0.475×106/4490=105.879N/mm2≤[f]=205N/mm2 满足要求!3、抗剪验算主梁剪力图一(kN)τmax=2V max/A=2×3.464×1000/424=16.338N/mm2≤[τ]=125N/mm2满足要求!4、挠度验算主梁变形图一(mm)跨中νmax=0.725mm≤[ν]=min{900/150,10}=6mm悬挑段νmax=0.292mm≤[ν]=min(2×150/150,10)=2mm满足要求!5、支座反力计算承载能力极限状态图一支座反力依次为R1=4.084kN,R2=5.98kN,R3=5.98kN,R4=4.084kN七、可调托座验算荷载传递至立柱方式可调托座可调托座承载力容许值[N](kN) 30满足要求!八、立柱验算钢管截面类型(mm) Ф48×3钢管计算截面类型(mm) Ф48×3钢材等级Q235 立柱截面面积A(mm2) 424l01=hˊ+2ka=600+2×0.7×450=1230mml0=ηh=1.2×1200=1440mmλ=max[l01,l0]/i=1440/15.9=90.566≤[λ]=150满足要求!2、立柱稳定性验算根据《建筑施工承插型盘扣式钢管支架安全技术规程》JGJ231-2010公式5.3.1-2:小梁验算q1=[1.2×(0.5+(24+1.1)×0.15)+1.4×0.9×3]×0.2 = 1.78kN/m同上四~六步计算过程,可得:R1=3.899kN,R2=5.709kN,R3=5.709kN,R4=3.899kN顶部立柱段:λ1=l01/i=1230.000/15.9=77.358查表得,φ=0.739不考虑风荷载:N1 =Max[R1,R2,R3,R4]/0.6=Max[3.899,5.709,5.709,3.899]/0.6=9.514kN f=N1/(ΦA)=9514/(0.739×424)=30.364N/mm2≤[f]=205N/mm2满足要求!考虑风荷载:M w=γQφcωk×l a×h2/10=1.4×0.9×0.076×0.9×1.22/10=0.012kN·mN1w=Max[R1,R2,R3,R4]/0.6+M w/l b=Max[3.899,5.709,5.709,3.899]/0.6+0.012/0.9=9.528kN f=N1w/(φA)+ M w/W=9528/(0.739×424)+0.012×106/4490=33.081N/mm2≤[f]=205N/mm2满足要求!非顶部立柱段:λ=l0/i=1440.000/15.9=90.566查表得,φ1=0.661不考虑风荷载:N=Max[R1,R2,R3,R4]/0.6+γG×q×H=Max[3.899,5.709,5.709,3.899]/0.6+1.2×0.15×10=11.31 4kNf=N/(φ1A)=11.314×103/(0.661×424)=40.369N/mm2≤[σ]=205N/mm2满足要求!考虑风荷载:M w=γQφcωk×l a×h2/10=1.4×0.9×0.076×0.9×1.22/10=0.012kN·mN w=Max[R1,R2,R3,R4]/0.6+γG×q×H+M w/l b=Max[3.899,5.709,5.709,3.899]/0.6+1.2×0.15×1 0+0.012/0.9=11.328kNf=N w/(φ1A)+M w/W=11.328×103/(0.661×424)+0.012×106/4490=43.092N/mm2≤[σ]=205N/mm2满足要求!九、高宽比验算根据《建筑施工承插型盘扣式钢管支架安全技术规范》JGJ231-2010 第6.1.4: 对长条状的独立高支模架,架体总高度与架体的宽度之比不宜大于3H/B=10/30=0.333≤3满足要求,不需要进行抗倾覆验算!十、立柱支承面承载力验算11、受冲切承载力计算根据《混凝土结构设计规范》GB50010-2010第6.5.1条规定,见下表h t0u m =2[(a+h0)+(b+h0)]=1120mmF=(0.7βh f t+0.25σpc,)ηu m h0=(0.7×1×0.829+0.25×0)×1×1120×130/1000=84.492kN≥F1=11.328kNm满足要求!2、局部受压承载力计算根据《混凝土结构设计规范》GB50010-2010第6.6.1条规定,见下表c cβl=(A b/A l)1/2=[(a+2b)×(b+2b)/(ab)]1/2=[(400)×(300)/(200×100)]1/2=2.449,A ln=ab=20000mm2F=1.35βcβl f c A ln=1.35×1×2.449×8.294×20000/1000=548.534kN≥F1=11.328kN满足要求!。
盘扣式满堂楼板模板支架计算书楼板模板的计算参照《建筑施工模板安全技术规范》(JGJ162-2008)、《混凝土结构工程施工规范》(GB506666-2011)、《建筑施工承插型盘扣式钢管支架安全技术规程》(JGJ231-2010)、《混凝土结构设计规范》(GB50010-2010)、《钢结构设计规范》(GB 50017-2003)、《组合钢模板技术规范》(GB50214-2001)、《木结构设计规范》(GB 50005━2003)、《建筑结构荷载规范》(GB 50009-2012)等编制。
一、参数信息:楼板楼板现浇厚度为0.20米,模板支架搭设高度为3.00米,搭设尺寸为:立杆的纵距 b=1.20米,立杆的横距 l=1.20米,立杆的步距 h=1.20米。
模板面板采用胶合面板,厚度为18mm,板底龙骨采用木方: 50×80;间距:300mm;托梁采用双楞设置,梁顶托采用10号工字钢。
采用的钢管类型为60×3.2,立杆上端伸出至模板支撑点长度:0.30米。
图1 楼板支撑架立面简图图2 楼板支撑架荷载计算单元二、模板面板计算依据《混凝土结构工程施工规范》GB50666-2011,4.3.5和4.3.6计算。
面板为受弯结构,需要验算其抗弯强度和刚度。
模板面板按照三跨连续梁计算。
使用模板类型为:胶合板。
(1)钢筋混凝土板自重(kN/m):q11 = 25.100×0.200×1.200=6.024kN/m(2)模板的自重线荷载(kN/m):q12 = 0.350×1.200=0.420kN/m(3)活荷载为施工荷载标准值(kN/m):q13 = 2.500×1.200=3.000kN/m均布线荷载标准值为:q = 25.100×0.200×1.200+0.350×1.200=6.444kN/m均布线荷载设计值为:q1 = 0.90×[1.35×(6.024+0.420)+1.4×0.9×3.000]=11.231kN/m 面板的截面惯性矩I和截面抵抗矩W分别为:本算例中,截面抵抗矩W和截面惯性矩I分别为:W = 120.00×1.80×1.80/6 = 64.80cm3;I = 120.00×1.80×1.80×1.80/12 = 58.32cm4;(1)抗弯强度计算M = 0.1q1l2 = 0.1×11.231×0.3002=0.101kN.mσ = M / W < [f]其中σ——面板的抗弯强度计算值(N/mm2);M ——面板的最大弯距(N.mm);W ——面板的净截面抵抗矩;[f]——面板的抗弯强度设计值,取15.00N/mm2;经计算得到面板抗弯强度计算值σ = 0.101×1000×1000/64800=1.560N/mm2面板的抗弯强度验算σ < [f],满足要求!(2)挠度计算验算挠度时不考虑可变荷载值,仅考虑永久荷载标准值,故采用均布线荷载标准值为设计值。
盘扣式脚手架计算书计算依据:1、《建筑施工承插型盘扣式钢管支架安全技术规程》 JGJ231-20102、《建筑地基基础设计规范》GB50007-20113、《建筑结构荷载规范》GB50009-20124、《钢结构设计规范》GB50017-2003一、脚手架参数二、荷载设计搭设示意图盘扣式脚手架剖面图盘扣式脚手架立面图盘扣式脚手架平面图三、横向横杆验算承载力使用极限状态q=1.2×(G khg/l b+G kjb×l a/(n jg+1) )+1.4×Q kzj × l a /( n jg +1)=1.2×(0.050/0.9+0.35×1.8/(2+1))+1.4×2.0×1.8/(2+1)=1.999kN/m 正常使用极限状态q'=(G khg/l b+G kjb×l a/(n jg+1) )+Q kzj × l a /( n jg +1)=(0.050/0.9+0.35×1.8/(2+1))+2.0×1.8/(2+1)=1.466kN/m 计算简图如下1、抗弯验算M max=ql b2/8=1.999×0.92/8=0.202kN·mσ=M max/W=0.202×106/3860=52.43N/mm2≤[f]=205N/mm2满足要求。
2、挠度验算V max=5q'l b4/(384EI)=5×1.466×9004/(384×206000×92800)=0.65mm≤[ν]=min[l b/150,10] = min[900/150,10] =6mm 满足要求。
3、支座反力计算承载力使用极限状态R1=R2= ql b/2=1.999×0.9/2=0.899kN正常使用极限状态R1'=R2'= q'l b/2=1.466×0.9/2=0.659kN四、间横杆验算承载力使用极限状态q=1.2×(G kjg/l b+G kjb×l a/(n jg+1) )+1.4×Q kzj×l a /( n jg +1)=1.2×(0.043/0.9+0.35×1.8/(2+1))+1.4×2.0×1.8/(2+1)=1.989kN/m 正常使用极限状态q'=(G kjg/l b+G kjb×l a/(n jg+1) )+Q kjj×l a /( n jg +1)=(0.043/0.9+0.35×1.8/(2+1))+2.0×1.8/(2+1)=1.458kN/m 计算简图如下1、抗弯验算M max=ql b2/8=1.989×0.92/8=0.201kN·mσ=M max/W=0.201×106/2890=69.70N/mm2≤[f]=205N/mm2 满足要求。
100厚板模板支撑(盘扣式)计算书板模板(盘扣式)计算书计算依据:1、《建筑施工模板安全技术规范》JGJ162-20212、《建筑施工承插盘扣式钢管支架安全技术规范》JGJ 231-20213、《混凝土结构设计规范》GB50010-20214、《建筑结构荷载规范》GB 50009-20215、《钢结构设计规范》GB 50017-2021一、工程属性新浇混凝土板名称模板支架纵向长度La(m) 模板支架高度H(m)B1,标高3.65m 9 3.7新浇混凝土板板厚(mm) 模板支架横向长度Lb(m)100 9二、荷载设计面板 20.1 0.3 0.5 1.05 面板及小梁楼板模板模板及其支架模板及其支架自重标准值G1k(kN/m) 新浇筑混凝土自重标准值G2k(kN/m) 24 钢筋自重标准值G3k(kN/m) 施工人员及设备荷载标准值Q1k(kN/m) 泵送、倾倒混凝土等因素产生的水平荷载标准值Q2k(kN/m) 22331.1 3 0.25 其他附加水平荷载标准值Q3k(kN/m) 0.55 Q3k作用位置距离支架底的距离h1(m) 4 2基本风压ω0(kN/m) 2风荷载标准值ωk(kN/m) 0.250.25×1×0.8=0.2 风荷载高度变化系数μz 1 风荷载体型系数μs 0.8 抗倾覆计算中风荷载作用位置距离支架底的距离h2(m) 6 三、模板体系设计主梁布置方向立杆横向间距lb(mm) 顶层水平杆步距h�@(mm)垂直立杆纵向方向立杆纵向间距la(mm) 1200 500水平杆步距h(mm)支架可调托座支撑点至顶层水平杆中心线的距离a(mm)小梁间距l(mm)主梁最大悬挑长度L2(mm)300 150小梁最大悬挑长度L1(mm)100 1200 1500 350平面图纵向剖面图横向剖面图四、面板验算面板类型抗弯强度设计值f(N/mm) 计算方式2木模板 16.83 三等跨梁厚度t(mm) 弹性模量E(N/mm)215 9350按三等跨梁,取1m单位宽度计算。
100板模板(盘扣式)计算书计算依据:1、《建筑施工模板安全技术规范》JGJ162-20082、《建筑施工承插盘扣式钢管支架安全技术规范》JGJ 231-20103、《混凝土结构设计规范》GB 50010-20104、《建筑结构荷载规范》GB 50009-20125、《钢结构设计规范》GB 50017-2003一、工程属性二、荷载设计三、模板体系设计设计简图如下:模板设计平面图纵向剖面图横向剖面图四、面板验算按简支梁,取1m单位宽度计算。
W=bh2/6=1000×15×15/6=37500mm3,I=bh3/12=1000×15×15×15/12=281250mm4 承载能力极限状态q1=[1.2×(G1k+(G2k+G3k)×h)+1.4×Q1k]×b=[1.2×(0.1+(24+1.1)×0.1)+1.4×3]×1=7.332kN/m 正常使用极限状态q=(γG(G1k +(G2k+G3k)×h)+γQ×Q1k)×b =(1×(0.1+(24+1.1)×0.1)+1×3)×1=5.61kN/m 计算简图如下:1、强度验算M max=q1l2/8=7.332×0.22/8=0.037kN·mσ=M max/W=0.037×106/37500=0.978N/mm2≤[f]=15N/mm2满足要求!2、挠度验算νmax=5ql4/(384EI)=5×5.61×2004/(384×10000×281250)=0.042mmνmax=0.042mm≤min{200/150,10}=1.333mm满足要求!五、小梁验算q1=[1.2×(G1k+(G2k+G3k)×h)+1.4×Q1k]×b=[1.2×(0.3+(24+1.1)×0.1)+1.4×3]×0.2=1.514kN/m 因此,q1静=1.2×(G1k +(G2k+G3k)×h)×b=1.2×(0.3+(24+1.1)×0.1)×0.2=0.674kN/m q1活=1.4×Q1k×b=1.4×3×0.2=0.84kN/m计算简图如下:1、强度验算M1=0.125q1静L2+0.125q1活L2=0.125×0.674×0.82+0.125×0.84×0.82=0.121kN·m M2=q1L12/2=1.514×0.152/2=0.017kN·mM max=max[M1,M2]=max[0.121,0.017]=0.121kN·mσ=M max/W=0.121×106/42667=2.839N/mm2≤[f]=12.87N/mm2满足要求!2、抗剪验算V1=0.625q1静L+0.625q1活L=0.625×0.674×0.8+0.625×0.84×0.8=0.757kNV2=q1L1=1.514×0.15=0.227kNV max=max[V1,V2]=max[0.757,0.227]=0.757kNτmax=3V max/(2bh0)=3×0.757×1000/(2×40×80)=0.355N/mm2≤[τ]=1.386N/mm2满足要求!3、挠度验算q=(γG(G1k+(G2k+G3k)×h)+γQ×Q1k)×b=(1×(0.3+(24+1.1)×0.1)+1×3)×0.2=1.162kN/m挠度,跨中νmax=0.521qL4/(100EI)=0.521×1.162×8004/(100×8415×170.667×104)=0.173 mm≤[ν]=min(L/150,10)=min(800/150,10)=5.333mm;悬臂端νmax=ql14/(8EI)=1.162×1504/(8×8415×170.667×104)=0.005mm≤[ν]=min(2×l1/ 150,10)=min(2×150/150,10)=2mm满足要求!六、主梁验算1、小梁最大支座反力计算q1=[1.2×(G1k+(G2k+G3k)×h)+1.4×Q1k]×b=[1.2×(0.5+(24+1.1)×0.1)+1.4×3]×0.2=1.562kN/m q1静=1.2×(G1k +(G2k+G3k)×h)×b=1.2×(0.5+(24+1.1)×0.1)×0.2=0.722kN/mq1活=1.4×Q1k×b =1.4×3×0.2=0.84kN/mq2=(γG(G1k+(G2k+G3k)×h)+γQ×Q1k)×b=(1×(0.5+(24+1.1)×0.1)+1×3)×0.2=1.202kN/m 承载能力极限状态按二等跨连续梁,R max=1.25q1L=1.25×1.562×0.8=1.562kN按二等跨连续梁按悬臂梁,R1=(0.375q1静+0.437q1活)L+q1l1=(0.375×0.722+0.437×0.84)×0.8+1.562×0.15=0.745kNR=max[R max,R1]=1.562kN;正常使用极限状态按二等跨连续梁,R'max=1.25q2L=1.25×1.202×0.8=1.202kN按二等跨连续梁悬臂梁,R'1=0.375q2L+q2l1=0.375×1.202×0.8+1.202×0.15=0.541kNR'=max[R'max,R'1]=1.202kN;计算简图如下:主梁计算简图一主梁计算简图二2、抗弯验算主梁弯矩图一(kN·m)主梁弯矩图二(kN·m)σ=M max/W=0.498×106/4490=110.996N/mm2≤[f]=205N/mm2满足要求!3、抗剪验算主梁剪力图一(kN)主梁剪力图二(kN)τmax=2V max/A=2×4.043×1000/424=19.071N/mm2≤[τ]=125N/mm2满足要求!4、挠度验算主梁变形图一(mm)主梁变形图二(mm)跨中νmax=0.663mm≤[ν]=min{800/150,10}=5.333mm悬挑段νmax=0.407mm≤[ν]=min(2×150/150,10)=2mm满足要求!5、支座反力计算承载能力极限状态图一支座反力依次为R1=4.815kN,R2=6.448kN,R3=6.839kN,R4=3.767kN 图二支座反力依次为R1=4.276kN,R2=6.658kN,R3=6.658kN,R4=4.276kN 七、可调托座验算按上节计算可知,可调托座受力N=6.839kN≤[N]=30kN满足要求!八、立杆验算1、长细比验算l01=hˊ+2ka=1000+2×0.7×650=1910mml0=ηh=1.2×1200=1440mmλ=max[l01,l0]/i=1910/15.9=120.126≤[λ]=150满足要求!2、立杆稳定性验算根据《建筑施工承插型盘扣式钢管支架安全技术规程》JGJ231-2010公式5.3.1-2:小梁验算q1=[1.2×(G1k+(G2k+G3k)×h)+1.4×0.9×Q1k]×b=[1.2×(0.5+(24+1.1)×0.1)+1.4×0.9×3]×0.2 = 1.478kN/m同上四~六步计算过程,可得:R1=4.556kN,R2=6.3kN,R3=6.471kN,R4=4.046kN顶部立杆段:λ1=l01/i=1910.000/15.9=120.126查表得,φ=0.452不考虑风荷载:N1 =Max[R1,R2,R3,R4]=Max[4.556,6.3,6.471,4.046]=6.471kNf= N1/(ΦA)=6471/(0.452×424)=33.765N/mm2≤[f]=205N/mm2满足要求!考虑风荷载:M w=γQφcωk×l a×h2/10=1.4×0.9×0.076×0.8×1.22/10=0.011kN·mN1w =Max[R1,R2,R3,R4]+M w/l b=Max[4.556,6.3,6.471,4.046]+0.011/0.8=6.485kN f= N1w/(φA)+M w/W=6485/(0.452×424)+0.011×106/4490=36.288N/mm2≤[f]=205N/mm2 满足要求!非顶部立杆段:λ=l0/i=1440.000/15.9=90.566查表得,φ1=0.661不考虑风荷载:N=Max[R1,R2,R3,R4]+γG×q×H=Max[4.556,6.3,6.471,4.046]+1.2×0.15×3.9=7.173kN f=N/(φ1A)=7.173×103/(0.661×424)=25.594N/mm2≤[σ]=205N/mm2满足要求!考虑风荷载:M w=γQφcωk×l a×h2/10=1.4×0.9×0.076×0.8×1.22/10=0.011kN·mN w=Max[R1,R2,R3,R4]+γG×q×H+M w/l b=Max[4.556,6.3,6.471,4.046]+1.2×0.15×3.9+0.011/0 .8=7.187kNf=N w/(φ1A)+M w/W=7.187×103/(0.661×424)+0.011×106/4490=28.094N/mm2≤[σ]=205N /mm2满足要求!九、高宽比验算根据《建筑施工承插型盘扣式钢管支架安全技术规范》JGJ231-2010 第6.1.4:对长条状的独立高支模架,架体总高度与架体的宽度之比不宜大于3 H/B=3.9/51.4=0.076≤3满足要求!十、抗倾覆验算混凝土浇筑前,倾覆力矩主要由风荷载产生,抗倾覆力矩主要由模板及支架自重产生M T=ψc×γQ(ωk L1Hh2+Q3k L1h1)=1×1.4×(0.076×53.8×3.9×3.9+0.55×53.8×3.9)=248.628kN ·mM R=γG(G1k+0.15H/(l a l b))L1B12/2=0.9×(0.5+0.15×3.9/(0.8×0.8))×53.8×51.42/2=90446.05 6kN·mM T=248.628kN·m≤M R=90446.056kN·m满足要求!混凝土浇筑时,倾覆力矩主要由泵送、倾倒混凝土等因素产生的水平荷载产生,抗倾覆力矩主要由钢筋、混凝土、模板及支架自重产生M T=ψc×γQ(Q2k L1H2+Q3k L1h1)=1×1.4×(1×53.8×3.92+0.55×53.8×3.9)=1307.179kN·mM R=γG[(G2k+G3k)×h0+(G1k+0.15H/(l a l b))]L1B12/2=0.9×[(24+1.1)×0.1+(0.5+0.15×3.9/(0.8×0.8))]×53.8×51.42/2=250990.303kN·mM T=1307.179kN·m≤M R=250990.303kN·m满足要求!十一、立杆支承面承载力验算F1=N=7.187kN1、受冲切承载力计算根据《混凝土结构设计规范》GB50010-2010第6.5.1条规定,见下表可得:βh=1,f t=0.829N/mm2,η=1,h0=h-20=80mm,u m =2[(a+h0)+(b+h0)]=920mmF=(0.7βh f t+0.25σpc,m)ηu m h0=(0.7×1×0.829+0.25×0)×1×920×80/1000=42.71kN≥F1=7.18 7kN满足要求!2、局部受压承载力计算根据《混凝土结构设计规范》GB50010-2010第6.6.1条规定,见下表可得:f c=8.294N/mm2,βc=1,βl=(A b/A l)1/2=[(a+2b)×(b+2b)/(ab)]1/2=[(400)×(300)/(200×100)]1/2=2.449,A ln=ab=2000 0mm2F=1.35βcβl f c A ln=1.35×1×2.449×8.294×20000/1000=548.534kN≥F1=7.187kN满足要求!。