常用金属材料的显微组织观察
- 格式:pdf
- 大小:2.81 MB
- 文档页数:18
实验一有色合金显微组织观察与分析一、实验目的1. 观察常见的铝合金、铜合金、镁合金及轴承合金等有色金属试样的显微组织特征。
2. 了解有色金属中合金元素对其组织和性能的影响。
二、实验说明(一)铝合金1.铸造铝合金:应用最广泛的铸造铝合金为含有大量硅的铝合金,即所谓硅铝合金。
典型的硅铝合金牌号为ZL102,含硅11~13%,在共晶成分附近,因而具有优良的铸造性能——流动性好,铸件致密,不容易产生铸造裂纹。
铸造后几乎全部得到共晶组织即粗大灰色针状的共晶硅分布在白亮色的α-Al固溶体基体上,这种粗大的针状硅晶体严重降低合金的塑性,因此通常在浇铸时向合金溶液中加入2~3%的变质剂,进行变质处理,合金共晶点向右移,原来的合金变成亚共晶,其组织为枝晶状初生α固溶体(白亮色)+细的(α+Si)共晶体(黑色),如图1-1所示,从而提高合金强度和塑性。
(a)未经变质处理(b)变质处理图1-1 铸造铝合金(ZL102)的显微组织500X2.形变铝合金:硬铝是Al-Cu-Mg系合金,是重要的形变铝合金,具有强烈的时效强化作用,经时效处理后具有很高的硬度、强度,故而称Al-Cu-Mg系合金为硬铝合金。
在Al-Cu-Mg系中,形成了CuAl2(θ相)、CuMgAl2(S相),这两个相在加热时均能溶入合金的固溶体内,并在随后的时效热处理过程中通过形成“富集区”、“过渡相”而使合金达到强化。
如图1-2所示。
(a)铸态(b)时效板材图1-2 硬铝(ZL12)的显微组织 100X(二)铜合金1. 普通黄铜普通黄金是Cu-Zn合金,其含锌量均在45%以下,根据Cu-Zn合金状态图,含锌量在32%以下的黄铜(如H80、H70)为α相固溶体的单相组织;而含锌量在32~45%之间的黄铜(H62、H59)则为(α+β)两相组织。
(1)α单相黄铜:含锌在36%以下的黄铜属单相α固溶体,典型牌号有H70。
铸态组织为α固溶体呈树枝状,经变形和再结晶退火,其组织为多边形晶粒,有退火孪晶。
实验三碳钢的非平衡组织及常用金属材料显微组织观察实验目的概述实验内容实验方法实验报告思考题一、实验目的1. 观察碳钢经不同热处理后的显微组织。
2. 熟悉碳钢几种典型热处理组织——M、T、S、M回火、T回火、S回火等组织的形态及特征。
3. 熟悉铸铁和几种常用合金钢、有色金属的显微组织。
4. 了解上述材料的组织特征、性能特点及其主要应用。
TOP二、概述1. 碳钢热处理后的显微组织碳钢经退火、正火可得到平衡或接近平衡组织,经淬火得到的是不平衡组织。
因此,研究热处理后的组织时,不仅要参考铁碳相图,而且更主要的是参考钢的等温转变曲线(C曲线)。
为了简便起见,用C曲线来分析共析钢过冷奥氏体在不同温度等温转变的组织及性能(见表3-1)。
在缓慢冷时(相当于炉冷,见图2-3中的V1)应得到100%的珠光体;当冷却速度增大到V2。
时(相当于空冷),得到的是较细的珠光体,即索氏体或屈氏体;当冷却速度增大到V3时(相当于油冷),得到的为屈氏体和马氏体;当冷却速度增大至V4、V5,(相当于水冷),很大的过冷度使奥氏体骤冷到马氏体转变开始点(Ms)后,瞬时转变成马氏体。
其中与C曲线鼻尖相切的冷却速度(V4)称为淬火的临界冷却速度。
转变类型组织名称形成温度范围/℃显微组织特征硬度(HRC)珠光体型相变珠光体(P)>650在400~500X金相显微镜下可以观察到铁索体和渗碳体的片层状组织~20(HBl80~200)索氏体(S)600~650在800一]000X以上的显微镜下才能分清片层状特征,在低倍下片层模糊不清25~35屈氏体(T)550~600用光学显微镜观察时呈黑色团状组织,只有在电子显徽镜(5000~15000X)下才能看出片层状35—40贝氏体型相变上贝氏体(B上)350~550在金相显微镜下呈暗灰色的羽毛状特征40—48下贝氏体(BT)230~350在金相显微镜下呈黑色针叶状特征48~58马氏体型相变马氏体(M)<230在正常淬火温度下呈细针状马氏体(隐晶马氏体),过热淬火时则呈粗大片状马氏体60~65亚共析钢的C曲线与共析钢相比,只是在其上部多了一条铁素体先析出线,当奥氏体缓慢冷却时(相当于炉冷,如图2-3中V1:),转变产物接近平衡组织,即珠光体和铁素体。
铝铜合金金相显微组织分析铝铜合金是世界上最常用的金属合金,由于其优良的力学性能和良好的加工性能,在建筑、制造、交通等各个领域得到了广泛的应用。
但是,为了获得良好的性能,在开发铝铜合金时,必须综合考虑多种因素,包括其微观组织、晶粒尺寸、均匀度和含量等。
从金相显微镜的角度来看,金相显微组织分析可以更全面地了解铝铜合金的组织结构和性能特征,从而更好地实现性能的优化和改进。
铝铜合金金相显微组织分析主要可以从两个相关性方面进行。
首先,金相显微镜可以观察到合金中细小晶粒的形状、尺寸和分布情况,以及合金组织中相互关系的特征。
其次,金相显微镜可以准确地分析铝铜合金中基体和夹杂物之间的相互作用,揭示合金中基体、析出物、熔合现象以及其他特殊组织成分的聚集状态和分布规律。
进行金相显微组织分析前,需要准备具有良好的外观性质的铝铜合金,以确保技术结果的准确性。
通常,需要对样品进行热处理,以消除机械冲击、疲劳和拉伸等影响,从而有效地稳定晶界和含量,使分析结果更准确。
其次,样品需要进行锉削,以消除表面的划痕和污染,使表面的晶界更加明晰和更加自然。
此外,金相显微镜分析一般采用原子比色分析技术,通过观察晶界的颜色差异,从而准确地识别和分析基体与夹杂物之间的特征和分布规律。
铝铜合金金相显微组织分析技术的准确性和可靠性决定了铝铜合金加工工艺的发展,同样也直接影响着性能的优化和改进。
因此,在实际应用中,金相显微组织分析无论对于对新型铝铜合金的开发和改进,以及对现有材料应用的改进都是至关重要的。
综上所述,金相显微组织分析可以更准确地解释铝铜合金的组织结构,揭示其微观组织的特性和分布规律,提高合金的性能,并有效地指导铝铜合金的开发和应用。
因此,金相显微组织分析一直是铝铜合金加工的重要技术,也是未来铝铜合金加工产业发展的核心能力。
常用金属材料显微组织观察实验报告- 图文常用金属材料的显微组织观察一、实验目的1.观察各种常用合金钢,有色金属和铸铁的显微组织。
2.分析这些金属材料的组织和性能的关系及应用。
二、金属材料的显微组织观察及分析1.几种常用合金钢的显微组织合金钢依合金元素含量的不同,可分为三种:合金元素总量小于5%的称为低合金钢;合金元素为5~10%的称为中合金钢;合金元素大于10%的称为高合金钢。
1)一般合金结构钢、合金工具钢都是低合金钢。
由于加入合金元素,铁碳相图发生一些变动,但其平衡状态的显微组织与碳钢的显微组织并没有本质的区别。
低合金钢热处理后的显微组织与碳钢的显微组织也没有根本的不同,差别只是在于合金元素都使C曲线右移(除Co外),即以较低的冷却速度可获得马氏体组织。
40Cr钢经调质处理后的显微组织是回火索氏体。
GCrl5钢(轴承钢)840℃油淬低温回火试样的显微组织,与T12钢780℃水淬低温回火试样的显微组织也是一样的,都得到回火马氏体+碳化物十残余奥氏体组织。
图1、16Mn-淬火-x400马氏体16Mn钢属于碳锰钢,碳的含量在0.16%左右。
16Mn钢的合金含量较少,焊接性良好,焊前一般不必预热。
加入合金元素锰,使C曲线右移,在淬火处理后,组织为马氏体组织。
但由于16Mn钢的淬硬倾向比低碳钢稍大,所以在低温下(如冬季露天作业)或在大刚性、大厚度结构上焊接时,为防止出现冷裂纹,需采取预热措施。
图2、16Mn-正火-x400铁素体索氏体16Mn属于低碳钢,碳含量<0.16%,正火后组织为F+S。
在400倍显微镜下,索氏体基本上不可分辨。
16Mn钢是目前我国应用最广的低合金钢。
广泛应用于各种板材、钢管。
图3、65Mn-等温淬火-400下贝氏体65Mn,锰提高淬透性,但Mn含量过大会导致过热现象。
特性:经热处理后的综合力学性能优于碳钢,65Mn 钢板强度、硬度、弹性和淬透性均比65号钢高。
但有过热敏感性和回火脆性。
实验三碳钢的非平衡组织及常用金属材料显微组织观察实验目的概述实验内容实验方法实验报告思考题一、实验目的1. 观察碳钢经不同热处理后的显微组织。
2. 熟悉碳钢几种典型热处理组织——M、T、S、M回火、T回火、S回火等组织的形态及特征。
3. 熟悉铸铁和几种常用合金钢、有色金属的显微组织。
4. 了解上述材料的组织特征、性能特点及其主要应用。
TOP二、概述1. 碳钢热处理后的显微组织碳钢经退火、正火可得到平衡或接近平衡组织,经淬火得到的是不平衡组织。
因此,研究热处理后的组织时,不仅要参考铁碳相图,而且更主要的是参考钢的等温转变曲线(C曲线)。
为了简便起见,用C曲线来分析共析钢过冷奥氏体在不同温度等温转变的组织及性能(见表3-1)。
在缓慢冷时(相当于炉冷,见图2-3中的V1)应得到100%的珠光体;当冷却速度增大到V2。
时(相当于空冷),得到的是较细的珠光体,即索氏体或屈氏体;当冷却速度增大到V3时(相当于油冷),得到的为屈氏体和马氏体;当冷却速度增大至V4、V5,(相当于水冷),很大的过冷度使奥氏体骤冷到马氏体转变开始点(Ms)后,瞬时转变成马氏体。
其中与C曲线鼻尖相切的冷却速度(V4)称为淬火的临界冷却速度。
转变类型组织名称形成温度范围/℃显微组织特征硬度(HRC)珠光体型相变珠光体(P)>650在400~500X金相显微镜下可以观察到铁索体和渗碳体的片层状组织~20(HBl80~200)索氏体(S)600~650在800一]000X以上的显微镜下才能分清片层状特征,在低倍下片层模糊不清25~35屈氏体(T)550~600用光学显微镜观察时呈黑色团状组织,只有在电子显徽镜(5000~15000X)下才能看出片层状35—40贝氏体型相变上贝氏体(B上)350~550在金相显微镜下呈暗灰色的羽毛状特征40—48下贝氏体(BT)230~350在金相显微镜下呈黑色针叶状特征48~58马氏体型相变马氏体(M)<230在正常淬火温度下呈细针状马氏体(隐晶马氏体),过热淬火时则呈粗大片状马氏体60~65亚共析钢的C曲线与共析钢相比,只是在其上部多了一条铁素体先析出线,当奥氏体缓慢冷却时(相当于炉冷,如图2-3中V1:),转变产物接近平衡组织,即珠光体和铁素体。
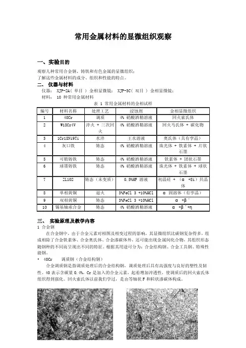
常用金属材料的显微组织观察一、实验目的观察几种常用合金钢、铸铁和有色金属的显微组织;了解这些金属材料的成分、组织和性能的特点。
二、仪器与材料仪器: XJP-2A( 单目 ) 金相显微镜; XJP-3C( 双目 ) 金相显微镜;材料: 10 种常用金属材料表 1 常用金属材料的金相试样三、实验原理及教学内容1 合金钢在合金钢中,由于合金元素对相图及相变过程的影响,其显微组织比碳钢复杂得多,组成相除了合金铁素体、合金奥氏体、合金渗碳体外,还可能出现金属间化合物,其组织形态随钢种的不同而呈现出不同的特征。
根据其用途可分为:合金结构钢、合金工具钢、特殊性能钢。
• 40Cr 调质钢(合金结构钢)合金调质钢是指调质处理后的合金结构钢,调质处理后具有高强度与良好的塑性及韧性。
40表示含碳量0.4%,Cr是加入的合金元素,起着增加淬透性,使调质后的回火索氏体组织得到强化。
回火索氏体以前我们学过,是由等轴状F和粒状渗碳体构成。
40Cr调质处理(淬火后高温回火) W18Cr4V退火• W18Cr4V 高速钢(合金工具钢)高速钢是一种高合金工具钢,具有高硬度、高耐磨性和高热硬性,还具有一定的强度、韧性和塑性。
加入合金元素W提高热硬性;Cr可以提高钢的淬透性;加入合金元素V可显著提高钢的耐磨性和热硬性。
a. 铸态组织显微组织分为三个部分:晶界附近为骨骼状莱氏体共晶碳化物Fe4W2C及WC,严重地分割了基体,使钢受载时极易脆裂;晶粒外层为奥氏体分解产物—马氏体及残余奥氏体,因为它不易被浸蚀而呈亮色,常称为“白色组织”;晶粒的心部是δ共析体,为极细的共析组织,易受浸蚀而呈黑色,通常称为“黑色组织”。
b. 锻造和退火后的组织为了改善碳化物的不均匀性,生产上采用反复锻造的方法将共晶碳化物击碎使其分布均匀。
为了去除锻造内应力,清除不平衡组织,降低了硬度,改善切削加工性能,为淬火提供良好的原始组织,必须对高速钢进行退火处理。
经过860~880℃退火后,高速钢 W18Cr4V 的退火组织为较粗大的共晶碳化物颗粒及稍细的二次碳化物,分布在索氏体基体上。
合金钢、铸铁、有色金属的显微组织观察与分析实验目的实验说明实验内容及方法指导实验报告要求思考题一:实验目的(1)观察各种常用合金钢、有色金属和铸铁的显微组织。
(2)分析这些金属材料的组织和性能的关系及应用。
二:实验说明1.几种常用合金钢的显微组织一般合金结构钢、低合金工具钢都是低合金钢。
即合金元素总量小于5%的钢,由于加入了合金元素,使相图发生了一些变动,但其平衡状态的显微组织与碳钢没有质的区别。
热处理后的显微组织仍然可借助C曲线来分析,除了Co元素之外,合金元素都使C曲线右移,所以低合金钢用较低的冷却速度即可获得马氏体组织。
例如,除作滚动轴承外,还广泛用作切削工具、冷冲模具、冷轧辊及柴油机喷嘴的GCrl5钢,经过球化退火、840~C油淬和低温回火,得到的组织为隐针或细针回火马氏体和细颗粒状均匀分布的碳化物以及少量残余奥氏体。
高速钢是一种常用的高合金工具钢。
如W18Cr4V 高速钢,因为含有大量合金元素,使Fe—Fe3C相图中点E大大向左移动,所以它虽然只含有w(C)=0.7%~0.8%碳,但已经含有莱氏体组织。
在高速钢的铸态组织中可看到鱼骨状共晶碳化物,如图1所示。
这些粗大的碳化物,不能用热处理方法去除,只能用锻造的方法将其打碎。
锻造退火后高速钢的显微组织是由索氏体和分布均匀的碳化物组成(图2)。
大颗粒碳化物是打碎了的共晶碳化物。
高速钢淬火加热时,有一部分碳化物未溶解,淬火后得到的组织是马氏体、碳化物和残余奥氏体(图3)。
碳化物呈颗粒状,马氏体和残余奥氏体都是过饱和的固溶体,腐蚀后都呈白色,无法分辨,但可看到明显的奥氏体晶界。
为了消除残余奥氏体,需要进行三次回火,回火后的显微组织为暗灰色回火马氏体、白亮小颗粒状碳化物和少量残余奥氏体,如图4所示。
图1 W18Cr4V钢铸态组织图2 W18Cr4V钢锻后退火组织图3 W18Cr4V钢的淬火组织图4 W18V钢的淬火回火组织2.铸铁的显微组织依铸铁在结晶过程中石墨化程度不同,可分为白口铸铁、灰口铸铁、麻口铸铁。
常用金属材料的组织与性能分析一、实验目的:1、观察和研究各种不同类型常用金属材料的显微组织特征。
2、掌握成分、显微组织对性能的影响关系。
二、实验设备与材料:金相显微镜(MC006 4X1)视频图像处理金相显微镜(4XC-ST)计算机(成像、分析软件)常用金属材料的标准金相试样三.实验前思考问题:1、铁碳合金相图,不同碳钢的组织变化及其显微组织特征。
2、实验五钢的热处理,同一种钢材,不同的热处理下为什么性能出现较大的变化。
3、常用的金属材料有哪些。
四、实验内容:1、铁碳合金的平衡组织观察铁碳合金的平衡组织是指铁碳合金在极为缓慢的冷却条件下(如退火)得到的组织。
可以根据Fe-Fe3C相图來分析其在平衡状态下的显微组织。
铁碳合金主要包括碳钢和白口铸铁,其室温组成相由铁素体和渗碳体这两个基本相所组成。
由于含碳量不同,铁素体和渗碳体的相对数量、析出条件及分布状况均有所不同,因而呈现不同的组织形态。
各种铁碳合金在室温下的显微组织铁碳合金在金相显微镜下具有下面四种基本组织:铁素体(F)是碳溶解于a-Fe中的间隙固溶体。
工业纯铁用4%硝酸酒精溶液浸蚀后,在显微镜下呈现明亮的等轴晶粒;亚共析钢中铁素体呈白色块状分布;当含碳量接近共析成分时,铁素体则呈现断续的网状分布于珠光体周围。
渗碳体(Fe3C)是铁与碳形成的金属间化合物,其含碳量为6.69%, 质硬而脆,耐蚀性强,经4%硝酸酒精浸蚀后,渗碳体任呈亮白色,而铁素体浸蚀后呈灰白色,由此可区别铁素体和渗碳体。
渗碳体可以呈现不同的形态:一次渗碳体直接由液体中结晶出,呈粗大的片状;二次渗碳体由奥氏体中析出,常呈网状分布于奥氏体的晶面;三次渗碳体由铁素体中析出,呈不连续片状分布于铁素体晶界处,数量极微,可忽略不计。
珠光体(P)是铁素体和渗碳体呈层片状交替排列的机械混合物。
经4%硝酸酒精浸蚀后,在不同放大倍数的显微镜下可以看到具有不同特征的珠光体组织。
当放大借数较低时,珠光体中的渗碳体看到的只是一条黑线, 甚至珠光体片层因不能分辨而呈黑色。
金相显微镜操作规程一、引言金相显微镜是一种常用的金属材料显微分析工具,广泛应用于金属材料的组织结构分析和表面形貌观察。
为了保证操作的准确性和安全性,制定本操作规程。
二、设备准备1. 确保金相显微镜处于良好的工作状态,检查并清洁镜头、照明系统和样品台。
2. 准备所需的样品,确保样品标签清晰可读,并记录样品的相关信息。
三、操作步骤1. 打开金相显微镜电源,确保电源正常供电。
2. 调整照明系统,使其适合观察样品。
3. 将样品放置在样品台上,调整样品位置,使其处于观察范围内。
4. 调整目镜焦距,使其清晰可见。
5. 使用目镜调节旋钮,将样品调整到合适的位置。
6. 使用物镜转盘,选择合适的物镜倍率。
7. 使用调焦旋钮,将样品调整到最清晰的焦点。
8. 使用光强调节旋钮,调整照明光的强度,以获得最佳的观察效果。
9. 使用光源切换旋钮,选择合适的光源类型,如透射光或者反射光。
10. 使用目镜调节旋钮,将整个样品的显微图象调整到最佳状态。
11. 使用目镜锁紧螺丝,固定目镜位置。
12. 使用物镜锁紧螺丝,固定物镜位置。
13. 使用样品台调节旋钮,调整样品的倾斜角度,以获得所需的观察角度。
14. 使用目镜调节旋钮,进行最后的调焦,确保样品的清晰度。
四、安全注意事项1. 操作金相显微镜时,应注意避免直接触碰镜头和其他易损部件。
2. 在操作过程中,应注意避免用力过大,以免损坏设备。
3. 操作结束后,应关闭电源,并及时清理和存放设备。
五、常见问题及解决方法1. 显微图象含糊:调节目镜焦距和物镜倍率,进行调焦。
2. 光线不足:调节照明系统,增加光强。
3. 样品位置不许确:使用目镜调节旋钮,将样品调整到合适位置。
4. 显微镜无法开启:检查电源是否接通,确认电源供电正常。
六、操作记录1. 在操作过程中,记录每一个样品的相关信息,如样品名称、编号、观察倍率等。
2. 记录观察到的样品结构和表面形貌,可以使用文字描述或者拍摄照片。
七、维护保养1. 定期清洁镜头和照明系统,避免灰尘和污物影响观察效果。
金相检测方法
金相检测是金属材料分析中的一项重要技术,通过对金属组织
结构的观察和分析,可以确定金属材料的性能和品质。
金相检测方
法主要包括金相显微镜观察、腐蚀组织观察、显微硬度测试等多种
手段。
下面将就金相检测方法进行详细介绍。
一、金相显微镜观察。
金相显微镜是金相检测中最常用的设备,通过金相显微镜可以
观察金属材料的晶粒组织、非金属夹杂物、孔隙、气泡等微观结构。
在进行金相显微镜观察时,需要先将金属试样进行切割、研磨、腐
蚀等预处理工序,然后在金相显微镜下进行观察和分析。
二、腐蚀组织观察。
金属材料的腐蚀组织观察是金相检测中的重要手段之一,通过
对金属试样进行腐蚀处理,可以清晰地显示出金属材料的晶粒组织、晶界、相界等微观结构。
腐蚀组织观察可以帮助分析金属材料的晶
粒大小、分布均匀性、晶界清晰度等指标。
三、显微硬度测试。
显微硬度测试是金相检测中的另一项重要手段,通过在金相显
微镜下进行硬度测试,可以了解金属材料的硬度分布情况。
显微硬
度测试可以帮助分析金属材料的硬度差异、相变组织、残余应力等
情况,对金属材料的性能评定具有重要意义。
综上所述,金相检测方法包括金相显微镜观察、腐蚀组织观察、显微硬度测试等多种手段,通过这些手段可以全面地了解金属材料
的组织结构和性能特点。
在实际应用中,金相检测方法对于材料的
质量控制、产品性能评定、失效分析等领域具有重要意义。
希望本
文介绍的金相检测方法对您有所帮助,谢谢阅读。