常用模拟开关芯片引脚,功能及应用电路
- 格式:doc
- 大小:210.00 KB
- 文档页数:7
交直流调速器电路常用IC引脚功能图说明:从应用的维修的角度,掌握一些IC器件的引脚功能,便于测量部分引脚的电压(电平)状态,判断IC是否处于正常工作状态就够了。
IC内部,具体是个什么电路,是来不及也无须去管它的。
比如单片机电路,重点检测供电、复位、晶振、控制信号、输入信号几个端子的电压(电平)状态,就可以了。
对于数字(包括光耦合器)电路,一般情况下,知道器件引脚功能,便可根据输入、输出端的逻辑关系,测量判断IC的好坏了。
而模拟电路,在变频器电路中,一半是用于处理开关量信号的,如电压比较器等,检测判断上,同数字电路是一样方便的。
部分处理模拟信号的模拟电路,可据动、静态电压的明显变化,测其好坏,也不是太难的事。
因而,只要知晓两点,1:IC是个什么类型的芯片,数字或模拟电路?2:引脚功能,该脚为输入、输出或供电脚?便能实施测量了。
将变频器常用IC引脚功能图,集中附录于后,就不必花费大量时间再去查阅相关的手册了。
一、CPU(微控制器)芯片及外围IC电路引脚功能图:1、CPU芯片-MB90F562B 贴片封装64引脚,应用广泛:2、CPU芯片-S87C196MH贴片封装80引脚,应用广泛:3、CPU芯片-MN18992MDY-6 塑封双列直插,64引脚,用于松下早期DV551、DV561机型:4、CPU芯片-HD6404733037F 贴片封装80引脚,应用广泛:5、存储器引脚功能图:93C56 24C04A 93C66 6、RS485通讯模块引脚功能图:ADM485 SN75179B二、常用运算放大器引脚功能图:LF347四运放电路 LM324四运放电路 LM339四运放(开路集电极输出)LF353 双运放电路 LM393 双运放(开路集电极输出) TL072四运放电路运算放大器多用于电流、电压检测电路,用于处理模拟信号和将模拟信号转换为开关量信号——报警、停机保护信号。
开路集电极输出型多用于电压比较器电路。
常用模拟开关芯片型号与功能和应用介绍
1.CD4066:
CD4066是一种四路双开关模拟集成电路。
它可以用作高速CMOS开关、模拟信号开关和数字信号开关。
CD4066具有低电平阈值和高通串脉冲响
应等特性,可以通过外部电压来控制其开关状态。
其应用包括模拟开关、
数据路由、模拟选择器和模拟交换等。
2.MAX4617:
MAX4617是一种低电阻四路双开关。
它具有低电阻和低电平失真的特点,可用于模拟交换、模拟多路复用和模拟电流控制等应用。
MAX4617还
具有高速开关时间和广泛的供电电压范围,适用于多种电路设计。
3.ADG601:
ADG601是一种单路、高精度CMOS模拟开关芯片。
它具有低电位失真、低电流和低电压操作的特点,适用于音频信号开关、电量计选择、过程控
制和自动测试设备等应用。
ADG601还具有低串扰和低抖动等特性,可以
提供高品质的信号传输。
这些模拟开关芯片的功能和应用广泛,可以满足不同领域的需求。
它
们在信号传输、数据交换、功率控制和信号处理等方面发挥着重要作用。
无论是工业自动化、通信设备、消费电子产品还是医疗设备,这些模拟开
关芯片都能够提供可靠和精确的信号控制。
因此,选取适合的模拟开关芯
片对于电路设计和系统性能至关重要。
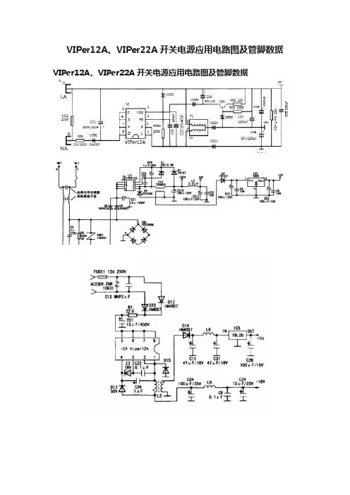
VIPer12A、VIPer22A开关电源应用电路图及管脚数据VIPer12A、VIPer22A开关电源应用电路图及管脚数据VIPER12A各引脚的功能如下:12脚是内部场效应管的源极3脚是反馈输入4脚是VDD5678脚接内部场效应管的漏极一般5678脚外接AC220经桥堆整流后的电压(约300V左右),12脚接地,4脚输出18V,而5V也有18V经7805而来,3脚为电压反馈与外接18V稳压管形成稳压电路,当燃,VIPER12A与桥堆间还有一个线绕电阻很容易烧坏,VIPER12A可用VIPER22A代替。
VIPer12A引脚功能和电压参数脚位功能电压(V)1-2 场效应开关管的S极 03 误差放大信号输入 0.54 供电、供电异常检测 16.55-8 开关管漏极和高雅恒流源 309注意:部分电磁炉采用该器件时,它的1 .2脚并未直接接地,而是接在18V供电的续流二极管(整流二极管)的负极,所以他的1.2脚电压为18V,这样他的4脚电压为40V左右。
另外此类开关电源也多未设置尖峰脉冲吸收回路。
代换AP8012主要特性:输入电压范围85V-265V芯片内置MOS耐压:最小值730V工作频率:55KHzVCC 10V-39V过温·过压·过流保护AP8012优点:(与Viper12A相比较)1、 AP8012比Viper12A在系统待机功耗与芯片发热方面的表现更有优势;2、AP8012芯片频率略比Viper12A低,而使得芯片本身发热较小;3、系统短路时,芯片上的尖峰高压会略为降低而不易炸毁芯片;4、比Viper12A更有利于降低EMI;5、完全直接PIN TO PIN替换VIPER12A而不须变更变压器及外围线路;。
模拟开关芯片有什么用途模拟开关芯片是一种电子元件,可以在模拟电路中实现开关功能。
与数字开关芯片不同,模拟开关芯片能够在模拟信号电路中实现连接和断开的功能。
它能够在模拟信号处理中起到非常重要的作用。
模拟开关芯片具有广泛的应用领域。
下面我将从几个方面介绍其主要用途。
首先,模拟开关芯片可以用于模拟信号的选择和切换。
在许多电路中,需要对信号进行切换和选择,以便于在不同的电路部分进行处理和分析。
模拟开关芯片可以实现对模拟信号的切换和选择,可以灵活地将不同的信号引入不同的电路部分。
比如在音频处理中,我们可以利用模拟开关芯片将多个输入信号进行选择,然后通过声音的处理输出至扬声器或耳机。
其次,模拟开关芯片可以用于模拟信号的调节和控制。
在一些需要对信号的幅度、频率、相位等进行调节和控制的应用中,模拟开关芯片可以实现对信号的放大、衰减、滤波等处理。
比如在音频放大器中,我们可以利用模拟开关芯片对音频信号进行放大,以增加音量的大小。
此外,模拟开关芯片还可以用于电源管理系统中。
电源管理是一项重要的任务,它可以确保电路在工作时能够提供稳定的电压和电流。
模拟开关芯片可以实现对电源信号的开关和控制,可以根据需要开启或关闭电源,以保护电路的安全和稳定运行。
另外,模拟开关芯片还广泛应用于测量仪器中。
在测试和测量领域,模拟开关芯片可以实现对测量信号的切换和选择,以满足不同测量需求。
比如在示波器中,我们可以利用模拟开关芯片对输入信号进行选择和切换,以便于对不同信号进行观察和分析。
总之,模拟开关芯片在电子领域中有着广泛的用途。
它可以实现对模拟信号的选择、切换、调节和控制,从而满足不同应用的需求。
无论是在音频处理、电源管理、测试测量还是其他领域,模拟开关芯片都起到了非常重要的作用。
开关电源厚膜集成电路各引脚的功能大全在这里搜集了一些常用厚膜集成电路各引脚的功能:STR51213、STR50213、STR50103引脚号引脚功能1接地,内接稳压基准电路2开关管基极3开关管集电极4开关管发射极5误差比较电压信号输入,兼待机控制STR3302、STR3202引脚号引脚功能1内部半桥变换电路场效应管工作电源输入300V 2空脚3高端场效应管触发信号输入4高端激励触发信号输出5空脚6接地7控制振荡器频率的定时电容外接端8稳压与直流待机控制信号输入9控制振荡器频率的定时电阻外接端10软启动阻容器件外接端11延迟关断控制端,外接欠压保护监控电路12内部振荡及其信号处理电路供电端13低端激励触发信号输出14过流保护检测输入端,高于0.7V时起控15低端场效应管触发信号输入16接地17空脚18半桥式场效应管变换控制输出端19高端触发激励电路自举升压端STR5741、STR5941引脚号引脚功能1开关管集电极2开关管发射极3开关管基极4内接反馈量自动调整管的集电极5内接反馈量自动调整管的基极6软启动保护控制电压输入7接地8稳压控制电路误差取样电压输入9基准电压比较输入STR-6307、STR6308、STR6309引脚号引脚功能1内接开关管集电极2内接开关管发射极3内接开关管基极4反馈兼恒流驱动端5反馈信号激励控制6软启动保护控制信号输入7接地端8稳压控制/保护控制输入9稳压控制电路电源输入端STR-6707、STR6708、STR6709引脚号引脚功能1内接开关管集电极2内接开关管发射极3内接开关管基极4开关管基极驱动电流输入端,内接驱动5开关管基极驱动电流输出端6内部过电流保护检测电压输入端7稳压控制信号反馈输入端8开关管导通、截止时间的控制端9内等效电路的电源电压输入兼保护输入STR5707、STR5708引脚号引脚功能1内接开关管集电极2内接开关管发射极3内接开关管基极4线性驱动电路反馈信号输入端5过电流保护检测电压输入端6内部运放同相工作电压输入端7稳压控制取样信号输入8开关管工作状态控制脉冲输出9内等效电路的电源电压输入兼保护输入STR54041、STR59041引脚号引脚功能1基准电压比较输入2启动脉冲输入,内接开关管基极3脉冲电源输入,内接开关管集电极4内部电路接地,内接开关管发射极STR66011稳压控制脉冲调整信号输入2启动电压输入,内接开关和基极3内接开关管集电极4内接开关管发射极5内部分流管与激励管供电输入STR40090、STR41090引脚号引脚功能1内部取样放大电路基准工作电源输入端2振荡启动电压输入,内接开关管基极3开关管集电极4开关管过流保护监测,内接开关管发射极5稳压控制信号误差电压输入STR6259引脚号引脚功能1内接开关管漏极300V2开关管过流检测,内接开关管源极3接地4过流保护检测输入5电源、启动、保护检测电压输入6稳压控制信号误差电压输入7双重保护触发脉冲信号输入STR6833引脚号引脚功能1内接开关管漏极300V2开关管过流检测,内接开关管源极3接地4过流保护检测输入5电源、启动、保护检测电压输入6稳压控制信号误差电压输入7过压保护触发脉冲信号输入端STR6821、STR6831、STR65451内接开关管漏极300V2开关管过流检测,内接开关管源极3接地4过流保护检测输入5电源、启动、保护检测电压输入6稳压控制信号误差电压输入7双重保护触发脉冲信号输入STR2152引脚号引脚功能1内部场效应管工作电源输入2变换电路场应管输出信号反馈输入3接地4控制振荡器频率的定时电容外接端5稳压与直流待机控制信号输入6控制振荡器频率的定时电阻外接端7软启动电阻,电容外接端8延迟关断电容外接端9内部振荡及其信号处理电路供电10内部基准电压输出端兼末级场效应管控制部分电源输入11过渡保护检测输入12接地13空脚14开关场效应管变换控制输出15自举升压,外接自举升压元件STR50115引脚号引脚功能1接地2振荡启动电压输入,开关管基极3开关管集电极4+B电压输出,开关管发射极5稳压控制比较电压输入,接误差放大管基极(内) STR4302引脚号引脚功能1场效应管工作电压输入300V2接地3外接控制振荡频率的定时电阻4控制振荡器的定时电容保护端5稳压与直流待机控制信号输入6控制振荡器最大频率判定电阻外接端7外接软启动电阻、电容8延迟关断电容外接端9内部振荡及其信号处理与控制电路供电10内部基准电压输出兼场效应管控制电源输入11过流保护检测输入12接地13空14开关管变换控制输出15高端触发激励电路电源输入、接自举升压元件IX0512引脚号引脚功能1内部取样放大电路基准工作电源输入2振荡启动电压输入,开关管基极3开关管集电极4开关管过流保护检测,开关管发射极5稳压控制信号误差电压输入KA3S0680引脚号引脚功能1开关管漏极2开关管源极,接地3电源启动电压输入4稳压控制信号输入5振荡电路外同步信号输入TDA2581引脚号引脚功能1内部鉴相器误差电压输出2行逆程脉冲信号输入3行同步脉冲信号输入4软启动电路外接偏置电阻兼遥控控制信号输入5软启动控制,主要用来控制开机时开关脉冲的占空比6开关管过流保护检测输入,-0.7V时保护7稳压保护检测电压输入,7V以上时保护8稳压控制电路取样检测信号输入9集成块内部电源电压输入10稳压控制电路基准电压输入11行频激励开关脉冲输出12开关脉冲最大允许占空比控制信号输入13振荡器频率控制,外接RC元件14低通滤波,对1脚的误差电压进行滤波形成基准电压15低通滤波,对1脚的误差电压进行滤波形成AFC电压16地TEA2260/2261引脚号引脚功能1开关变压器磁饱和消除检测信号输入,有些机型接地2外部控制脉冲信号输入,有些机型接地3过流保护检测信号输入4地5地6误差取样电压输入7内部误差信号输出,反馈到6脚8重复过载保护电容外接端9软启动电容外接10振荡定时电容11振荡定时电阻12地13地14开关脉冲驱动信号输出,正向时电流出,反向时电流入15内部正向驱动管集电极工作电源输入16内部电路工作电源输入STR6653、TR6654、TR6656引脚号引脚功能1过流检测输入兼稳压控制输入2内接MOS开关管源极3内接开关管漏极4电源、启动、保护检测电压输入5接地STR6707引脚号引脚功能1过流检测输入2开关管发射极3开关和集电极4电源启动电压输入5热地端STR2152引脚号引脚功能1内部末级半桥变换电路场效应管工作电源输入2变换电路场效应管输出信号反馈输入3接地4外接控制振荡器频率的定时电容5稳压与直流待机控制信号输入6外接控制振荡器频率的定时电阻7外接软启动电阻、电容8延迟关断电容外接端9内部振荡及其信号处理电路供电10内部基准电压输出兼末级场效应控制部分电源11过流保护检测输入12接地13空脚14半桥式开关场效应管变换控制输出15自举升压脚,外接自举升压元件SMR62000引脚号引脚功能1正反馈输入起输出功率限定作用2启动电压输入,内接场效应开关管栅极3开关管漏极300V4过流保护取样,开关管源极5稳压控制电压输入TDA16846引脚号引脚功能1断路时间控制,外接定时RC电路2初级绕组电流检测输入3过零检测信号输入4软启动时间控制,外接定时电容5稳压控制信号输入6误差比较2反向信号输入7RC振荡基准同步信号输入8空脚9基准电压、电流输出10误差1同向信号输入11主电压监测信号输入,高于1V时电源停振12地13开关管开关状态的激励脉冲信号输出14集成块工作电源输入IR2112引脚号引脚功能1低端驱动脉冲信号输出2低端场效应驱动输出基准点3低端驱动器RS触发器与驱动输出电路供电4空5高端场效应管驱动输出基准点外接场效应管源极6高端驱动器RS触发器与驱动输出电路供电7高端驱动脉冲信号输出8空9芯片内部电路供电10高端驱动脉冲信号输入11低端驱动脉冲信号输入12低端驱动脉冲信号输入13地14空TDA8133引脚号引脚功能1电源输入12电源输入23延迟器退耦4失效控制指令输入5地6复位控制7空8受控电源输出29受控电源输出1TDA4601引脚号引脚功能1内部基准电压输出2过零检测触发电压信号输入3稳压控制误差信号输入4集成电路内部模拟电流输入5保护控制信号输入6地7振荡电路反向驱动电压输出8振荡电路正向驱动电压输出9集成块内部电路工作电源输入TEA5170引脚号引脚功能1外接软启动电容构成电源软启动控制2芯片内部电路供电,3脉宽调制器产生的PWM脉冲信号输出4地5误差电压放大器倒相输入,外接+B电压取样电路6误差电压放大器输出7振荡器电路外接定时电容8振荡器电路定时电阻UC3842引脚号引脚功能1误差电压放大器输出2电压反馈信号输入,与内部2.5V基准电压进行比较后产生误差控制信号3主回路电流2检测,具有过流保护功能4定时端子5地6驱动信号输出7电源供电8内部电压输出HIC1015、HIC1016引脚号引脚功能1开关电源输出的+B电压取样电路控制电压输入2过流保护控制检测信号输入3开关电源稳压控制误差信号输入兼待机、开机控制输出4空5开关电源稳压控制误差放大电路基准电压输入6内部过流保护监控电路输出信号滤波7地8内部控制电路偏置电压输入9遥控待机、开机控制信号输入10内部放大电路工作状态控制,一般未用11内部放大电路工作副电源输入,一般均为空12行扫描电路工作电源输入13空14过流、过压保护监测电压信号输入15+5V电源输入16过流、过压保护监控电压输出17地TDA8380引脚号引脚功能1开关管正向驱动电流输出,正向驱动管发射极2正向驱动管供电,管的集电极3防磁饱和检测兼过零检测信号输入4输入到5脚电源的欠压保护基准电平设置端5内部电源输入6主基准电流设定端7稳压控制取样电压反馈信号输入8误差放大信号输出9PWM脉冲调制输入10外接振荡定时电容11振荡电路外部同步脉冲信号输入12脉宽调制占空系数设置兼软启动控制端13过流保护检测信号输入14地15内接反向驱动管发射极16开关管反向驱动信号输出,内接反向驱动管集电极TEA2164引脚号引脚功能1地2开关变压器初级电流检测输入3重复过载电压输入4地5地6稳压控制的误差电压或同步脉冲信号输入7振荡定时电阻外接8振荡定时电容外接9控制振荡TON的直流取样电压输入10软启动控制,外接软启动电容11过流检测,一般接地12开关管驱动脉冲信号输出,一般接地13同上14开关管驱动脉冲信号输出15正向驱动电路直流供电16芯片供电端兼过压、欠压保护检测端MC44603引脚号引脚功能1芯片电源电压兼启动电压、过压、欠压保护检测2芯片内部脉冲缓冲驱动输出级供电3开关管驱动脉冲输出4地5过载保护阀值点调整控制6过压保护触发信号7初级电流检测8开关变压器去磁保护检测控制9振荡器外接同步控制信号输入10正常工作模式振荡频率定时电容11振荡器软启动控制,外接软启动时间常数电容12降频工作模式时开关电源最小负载阀什电平设定脚13翻转触发、正常工作信号输出兼误差放大器输出14反馈取样电压输入15待机工作模式振荡频率定时控制,外接振荡定时电阻16基准模块电阻外接脚MC33025引脚号引脚功能1误差放大器反向输入,外接过流保护检测取样电路2误差放大器同向输入,外接固定基准电压3误差放大器输出,作过流保护输出4同步发生器时钟信号输出,5锯齿波振荡定时电阻外接6锯齿波振荡器定时电容外接端兼锯齿波输出7振荡器放电端即PWN器同相输入8软启动控制,外接软启动电容9驱动脉冲关闭兼过流保护控制输入10地11脉宽信号输出12地13脉宽放大部分电路的供电电源输入14脉宽信号输出15芯片内部电路供电165.1V基准电压输出将会持续搜集新出来的电源厚膜块各引脚的作用资料,欢迎分享到QQ,让我们一起维修!。
单通道模拟开关芯片1. 介绍单通道模拟开关芯片是一种用于控制模拟信号通路的集成电路。
它可以实现模拟信号的开关、切换和放大等功能,广泛应用于通信、音频和视频等领域。
本文将对单通道模拟开关芯片的原理、特性和应用进行详细介绍。
2. 原理单通道模拟开关芯片由开关管和控制电路组成。
开关管负责控制模拟信号的通断,而控制电路则根据输入的控制信号来控制开关管的导通和截止。
当控制信号为高电平时,开关管导通;当控制信号为低电平时,开关管截止。
通过控制信号的变化,我们可以实现对模拟信号通路的开关和切换。
3. 特性3.1 低电压操作单通道模拟开关芯片通常采用低电压供电,工作电压通常在1.8V至5V之间。
这使得它在低功耗应用中具有优势,同时也降低了系统的整体功耗。
3.2 低导通电阻开关管的导通电阻是衡量开关芯片性能的重要指标之一。
单通道模拟开关芯片通常具有低导通电阻,可以实现更好的信号传输效果。
3.3 高带宽单通道模拟开关芯片具有高带宽特性,能够实现对高频信号的快速切换和传输。
这使得它在音频和视频等高频应用中表现出色。
3.4 低串扰单通道模拟开关芯片能够有效降低信号通路之间的串扰效应,提供更清晰、稳定的信号传输。
3.5 保护功能单通道模拟开关芯片通常具有过压保护、过流保护和过温保护等功能,可以保护芯片和系统免受意外损坏。
4. 应用4.1 通信领域在通信领域,单通道模拟开关芯片常用于信号切换和选择。
例如,在手机中,它可以用于控制麦克风和扬声器之间的信号切换,实现通话和录音的功能。
4.2 音频领域在音频设备中,单通道模拟开关芯片可以用于音频信号的选择和放大。
例如,在音频放大器中,它可以用于选择输入信号源和控制音量大小。
4.3 视频领域在视频设备中,单通道模拟开关芯片可以用于视频信号的切换和放大。
例如,在视频监控系统中,它可以用于选择不同的摄像头信号源,并对信号进行放大和处理。
4.4 测试和测量领域在测试和测量领域,单通道模拟开关芯片常用于仪器设备中的信号切换和控制。
4052芯片关于4052芯片的介绍(1000字)概述4052芯片是一种集成电路芯片,属于模拟多路复用器/分解器。
它提供了四个独立的双通道模拟开关,可以在通路和断路间切换。
4052芯片在各种应用中被广泛使用,包括数据选择、模拟信号多路复用以及模拟信号分解等。
特性4052芯片具有以下主要特征:1. 双路模拟开关:每个芯片包含四个独立的双通道模拟开关。
这些开关可以独立地将输入连接到输出,从而实现通路和断路的切换。
每个开关允许最大±15V的电压范围,并能够驱动±10V的电压。
2. 引脚控制:4052芯片使用三个输入引脚来控制通路和断路的状态。
这三个引脚均具有CMOS逻辑电平(0V至VDD),以帮助用户控制模拟开关的行为。
3. 低“ON”电阻:4052芯片具有非常低的“ON”电阻,通常仅为80欧姆。
这意味着模拟信号可以通过开关进行通路传输时,不会受到显著的幅度衰减。
这对于一些对信号传输质量要求较高的应用非常重要。
4. 大电压范围:4052芯片支持广泛的电压范围,从正负15V 的电源电压到0V至VDD之间的逻辑电平。
这使得它非常适合在各种设备和电路中使用。
5. 独立选择:由于每个通道都是独立控制的,用户可以根据需要单独选择通道。
这种独立选择的能力使得4052芯片非常灵活,并且可以根据不同的应用需求进行配置。
应用4052芯片在各种应用中都非常有用,以下是一些常见的应用场景:1. 数据选择:由于4052芯片具有多个通道,并且可以独立选择通道,因此它可以用于数据选择应用。
例如,在某些电路中需要从多个传感器中选择信号,并将其传输到单个数据采集器中。
2. 模拟信号多路复用:由于4052芯片具有四个独立的双通道模拟开关,它可以用于将多个模拟信号复用到单个信道中。
这对于一些需要分别控制和处理多个信号的应用非常有用。
3. 模拟信号分解:4052芯片还可以用于将单个模拟信号分解为多个信号。
它可以通过将一个输入连接到多个输出来实现这一功能,从而将一个信号分发到不同的设备或电路中。
常用模拟开关芯片引脚功能及应用电路模拟开关芯片是一种用于模拟信号转换、测量测控以及信号驱动等领域的电子电路板上的元件。
它的功能是将信号从一组网络转换成另一组网络,或者将一组信号从一个模拟网络转换到另一个模拟网络。
模拟开关芯片的最常用的引脚有:GND(地)、VCC(供电电压)、Vin(输入信号电压)、Vout(输出信号电压)、EN(使能引脚)、复位(RESET)、CLK(时钟)、SD脚(数据)和SW(串行数据)等。
GND引脚:该引脚为模拟开关芯片的公共电源引脚,用于将芯片与其他电子元件之间的电源连接起来,方便其他电子元件的控制和使用。
VCC引脚:该引脚用于提供电源,一般情况下,为5V,即芯片可以接受5V的电压。
Vin引脚:该引脚用于接收输入信号,信号可以是不同的电压,如DC 电压或AC电压,电流等。
Vout引脚:该引脚用于输出转换后的信号,也可以是不同的电压,如DC电压或AC电压,电流等。
EN引脚:该引脚用于控制模拟开关的使用,通过EN引脚可以使能芯片,即使其处于不同的工作状态。
复位引脚:该引脚用于复位芯片,该引脚可以通过使芯片进入一种初始状态来重新设置芯片。
常用模拟开关芯片引脚,功能及应用电路CMOS模拟开关是一种可控开关,它不象继电器那样可以用在大电流、高电压场合,只适于处理幅度不超过其工作电压、电流较小的模拟或数字信号。
一、常用CMOS模拟开关功能及引脚介绍1.四双向模拟开关CD4066CD4066的引脚功能如图1所示。
每个封装内部有4个独立的模拟开关,每个模拟开关有输入、输出、控制三个端子,其中输入端和输出端可互换。
当控制端加高电平时,开关导通;当控制端加低电平时开关截止。
模拟开关导通时,导通电阻为几十欧姆;模拟开关截止时,呈现很高的阻抗,可以看成为开路。
模拟开关可传输数字信号和模拟信号,可传输的模拟信号的上限频率为40MHz。
各开关间的串扰很小,典型值为-50dB。
2.单八路模拟开关CD4051CD4051引脚功能见图2。
CD4051相当于一个单刀八掷开关,开关接通哪一通道,由输入的3位地址码ABC来决定。
其真值表见表1。
“INH”是禁止端,当“INH”=1时,各通道均不接通。
此外,CD4051还设有另外一个电源端VEE,以作为电平位移时使用,从而使得通常在单组电源供电条件下工作的CMOS电路所提供的数字信号能直接控制这种多路开关,并使这种多路开关可传输峰-峰值达15V的交流信号。
例如,若模拟开关的供电电源VDD=+5V,VSS=0V,当VEE=-5V时,只要对此模拟开关施加0~5V的数字控制信号,就可控制幅度范围为-5V~+5V的模拟信号。
表1附件: 您所在的用户组无法下载或查看附件, 保暖拖鞋,就算打一天电脑也不冷收藏分享评分新洁家园致力于电气电子、软件编程、佛教、中医中药、产品开发、情感交流,是您我梦寐以求的温馨家园!回复引用订阅TOP《新洁家园论坛总版规》《论坛新增大附件上传功能》《新洁家园论坛积分等级说明》新洁电子管理员UID1帖子2557积分31797 阅读权限200在线时间979 小时2#发表于 2010-6-12 14:27 | 只看该作者3.双四路模拟开关CD4052CD4052的引脚功能见图3。
多通道模拟开关芯片多通道模拟开关芯片是一种集成电路芯片,能够实现多通道的模拟信号开关功能。
它具有广泛的应用领域,包括通信系统、工业自动化、仪器仪表等。
本文将介绍多通道模拟开关芯片的工作原理、特点及应用。
多通道模拟开关芯片是基于CMOS技术制造的集成电路。
它由多个模拟开关单元组成,每个单元可以独立控制一个通道的开关状态。
通过控制电压或数字信号,可以实现不同通道的开关控制。
开关单元内部采用高质量的开关管,能够在工作频率范围内快速切换信号,并保持较低的失真和串扰。
多通道模拟开关芯片具有以下特点:1. 高精度:采用高精度的模拟开关单元,能够保持较低的导通电阻和开断电阻,从而减少信号的失真和衰减。
2. 低功耗:采用CMOS技术制造,工作电压和电流较低,能够降低功耗和热量产生,提高芯片的可靠性和稳定性。
3. 快速切换:开关单元能够在纳秒级的时间内完成通道的切换,适用于高速数据传输和处理的应用场景。
4. 多通道:芯片内部集成了多个模拟开关单元,可以实现多路信号的选择和切换,提高系统的灵活性和可扩展性。
多通道模拟开关芯片的应用非常广泛。
在通信系统中,可以用于信号的选择和切换,实现不同通道之间的数据传输和处理。
在工业自动化领域,可以用于控制系统中的传感器信号采集和控制信号输出。
在仪器仪表中,可以用于测试仪器中的信号输入和输出。
总之,多通道模拟开关芯片是一种应用广泛、功能强大的集成电路。
它具有高精度、低功耗、快速切换和多通道的特点,在各个领域都有重要的应用。
未来随着科技的发展和需求的增加,多通道模拟开关芯片将会有更大的发展潜力,并为我们的生活和工作带来更多便利和效益。
HEF4053模拟开关集成电路
HEF4053模拟开关集成电路
HEF4053是一种通用模拟开关集成电路,广泛应用于大屏幕及背投彩电、家庭影院、通信无绳电话、影碟机、计算机及显示器等系统中作信号切换用。
例如长虹51PT28A背投彩电、德赛无绳电话等。
1.功能特点
HEF4053集成电路内含三路“单刀双掷”开关,由微电脑输出的信号控制,以对信号进行切换和选择。
其集成块的内电路方框图如图所示。
2.引脚功能及数据
HEF4053集成电路采用16脚双列直插式塑封结构,其集成电路的引脚功能及数据见表所列.。
文档来源为:从网络收集整理.word版本可编辑.欢迎下载支持.变频器电路常用IC引脚功能图说明:从应用的维修的角度,掌握一些IC器件的引脚功能,便于测量部分引脚的电压(电平)状态,判断IC是否处于正常工作状态就够了。
IC内部,具体是个什么电路,是来不及也无须去管它的。
比如单片机电路,重点检测供电、复位、晶振、控制信号、输入信号几个端子的电压(电平)状态,就可以了。
对于数字(包括光耦合器)电路,一般情况下,知道器件引脚功能,便可根据输入、输出端的逻辑关系,测量判断IC的好坏了。
而模拟电路,在变频器电路中,一半是用于处理开关量信号的,如电压比较器等,检测判断上,同数字电路是一样方便的。
部分处理模拟信号的模拟电路,可据动、静态电压的明显变化,测其好坏,也不是太难的事。
因而,只要知晓两点,1:IC是个什么类型的芯片,数字或模拟电路?2:引脚功能,该脚为输入、输出或供电脚?便能实施测量了。
将变频器常用IC引脚功能图,集中附录于后,就不必花费大量时间再去查阅相关的手册了。
一、CPU(微控制器)芯片及外围IC电路引脚功能图:1、CPU芯片-MB90F562B 贴片封装64引脚,应用广泛:2、CPU芯片-S87C196MH贴片封装80引脚,应用广泛:3、CPU芯片-MN18992MDY-6 塑封双列直插,64引脚,用于松下早期DV551、DV561机型:4、CPU芯片-HD37F 贴片封装80引脚,应用广泛:5、存储器引脚功能图:93C56 24C04A 93C666、RS485通讯模块引脚功能图:ADM485 SN75179B二、常用运算放大器引脚功能图:LF347四运放电路 LM324四运放电路 LM339四运放(开路集电极输出)LF353 双运放电路 LM393 双运放(开路集电极输出) TL072四运放电路运算放大器多用于电流、电压检测电路,用于处理模拟信号和将模拟信号转换为开关量信号——报警、停机保护信号。
例:CD4001/74LS02(四双输入或非门)1、简要功能介绍2、引脚功能图3、应用实例电路图图* 4001构成视力保护器例:CD4011/74LS08(四2输入端与非门)1、引脚功能图逻辑表达式:Y = A.B(1)当X=0、Y=0时,将使两个NAND门之输出均为1,违反触发器之功用,故禁止使用。
如真值表第一列。
(2)当X=0、Y=1时,由于X=1导致NAND-A的输出为”1”,使得NAND-B的两个输入均为”1”,因此NAND-B的输出为”0”,如真值表第二列。
(3)当X=1、Y=0时,由于Y=0导致NAND-B的输出为”1”,使得NAND-1的两个输入均为””1,因此NAND-A的输出为”0”,如真值表第三列。
(4)当X=1、Y=1时,因为一个””1不影响NAND门的输出,所以两个NAND门的输出均不改变状态,如真值表第四列。
3、应用实例电路图例:CD4012/74LS20(双4输入端与非门)例:CD4017/CD4022(十进制计数/分配器)1、简要功能介绍CD4017 是5 位Johnson 计数器,具有10 个译码输出端,CP、CR、INH 输入端。
时钟输cd4017入端的斯密特触发器具有脉冲整形功能,对输入时钟脉冲上升和下降时间无限制。
INH 为低电平时,计数器在时钟上升沿计数;反之,计数功能无效。
CR 为高电平时,计数器清零。
2、引脚功能图CO:进位脉冲输出CP:时钟输入端CR:清除端INH:禁止端Q0-Q9 计数脉冲输出端VDD:正电源VSS:地3、应用实例电路图例:CD4026(十进制计数/7段译码器)1、引脚功能图当2和15为低3为高时,数码管随脉冲0-1-2…9-02脚为高电平时计数锁存脚5.4.14一般为高显9时5脚为低显2时14脚为低4脚与3脚一至3、应用实例电路图图* 4026构成时基电路例:CD4027/74LS111、114(双J-K触发器)1、引脚功能图当jk同时为1时Qn+1=Qn’3、应用实例电路图该振荡器能产生交变的50Hz脉冲方波,其占空比为50%。
电源原理图--每个元器件的功能详解!FS1:由变压器计算得到Iin值,以此Iin值(0.42A)可知使用公司共享料2A/250V,设计时亦须考虑Pin(max)时的Iin是否会超过保险丝的额定值。
TR1(热敏电阻):电源启动的瞬间,由于C1(一次侧滤波电容)短路,导致Iin电流很大,虽然时间很短暂,但亦可能对Power产生伤害,所以必须在滤波电容之前加装一个热敏电阻,以限制开机瞬间Iin在Spec之内(115V/30A,230V/60A),但因热敏电阻亦会消耗功率,所以不可放太大的阻值(否则会影响效率),一般使用5Ω-10Ω热敏,若C1电容使用较大的值,则必须考虑将热敏电阻的阻值变大(一般使用在大瓦数的Power上)。
VDR1(突波吸收器):当雷极发生时,可能会损坏零件,进而影响Power的正常动作,所以必须在靠AC输入端 (Fuse之后),加上突波吸收器来保护Power(一般常用07D471K),但若有价格上的考虑,可先忽略不装。
CY1,CY2(Y-Cap):Y-Cap一般可分为Y1及Y2电容,若AC Input有FG(3 Pin)一般使用Y2- Cap ,AC Input若为2Pin(只有L,N)一般使用Y1-Cap,Y1与Y2的差异,除了价格外(Y1较昂贵),绝缘等级及耐压亦不同(Y1称为双重绝缘,绝缘耐压约为Y2的两倍,且在电容的本体上会有“回”符号或注明Y1),此电路蛭蠪G所以使用Y2-Cap,Y-Cap会影响EMI特性,一般而言越大越好,但须考虑漏电及价格问题,漏电(Leakage Current )必须符合安规须求(3Pin公司标准为750uA max)。
CX1(X-Cap)、RX1:X-Cap为防制EMI零件,EMI可分为Conduction及Radiation两部分,Conduction规范一般可分为: FCC Part 15J Class B 、 CISPR 22(EN55022) Class B 两种, FCC测试频率在450K~30MHz,CISPR 22测试频率在150K~30MHz,Conduction可在厂内以频谱分析仪验证,Radiation 则必须到实验室验证,X-Cap 一般对低频段(150K ~ 数M之间)的EMI防制有效,一般而言X-Cap愈大,EMI防制效果愈好(但价格愈高),若X-Cap在0.22uf以上(包含0.22uf),安规规定必须要有泄放电阻(RX1,一般为1.2MΩ 1/4W)。
8路模拟开关芯片8路模拟开关芯片是一种电子器件,用于模拟信号的开关控制。
它通常由8个输入端和一个输出端组成,可以根据输入信号的不同状态将其连接到输出端,实现信号的开关功能。
8路模拟开关芯片的主要作用是在电路中切换不同的模拟信号,以实现不同功能的电路设计。
它广泛应用于电子设备中,如音频设备、视频设备、测量仪器等。
在音频设备中,8路模拟开关芯片常用于音频输入和音频输出的切换。
通过不同的控制信号,可以选择不同的音频输入源,实现音频信号的选择和分配。
比如,在音频放大器中,可以通过8路模拟开关芯片控制不同的音频输入源,使得用户可以选择播放不同的音频源。
在视频设备中,8路模拟开关芯片通常用于视频信号的切换和处理。
通过控制不同的输入信号,可以选择不同的视频输入源,并将其连接到显示器或者其他输出设备。
这样可以实现多种视频信号的切换和分配,满足用户对不同视频源的需求。
在测量仪器中,8路模拟开关芯片常用于信号的切换和连接。
通过控制信号输入和输出的连接状态,可以选择不同的信号源,并将其连接到不同的测量电路中。
这样可以实现对不同信号的测量和分析,提高测量仪器的多功能性和性能。
除了以上应用,8路模拟开关芯片还可以应用于电源管理、通信设备、测试仪器等领域。
它具有低功耗、高精度、快速响应等特点,可以提供稳定可靠的信号切换和处理功能。
总之,8路模拟开关芯片是一种重要的电子器件,用于模拟信号的开关控制。
它在不同领域的电子设备中都起到了重要的作用,提供了信号选择和切换的功能,满足了用户对信号处理的需求。
随着电子技术的不断发展,8路模拟开关芯片将继续发展和创新,为电子设备的设计和应用带来更多的可能性。
常用模拟开关芯片引脚,功能及应用电路CMOS模拟开关是一种可控开关,它不象继电器那样可以用在大电流、高电压场合,只适于处理幅度不超过其工作电压、电流较小的模拟或数字信号。
一、常用CMOS模拟开关功能及引脚介绍1.四双向模拟开关CD4066CD4066的引脚功能如图1所示。
每个封装内部有4个独立的模拟开关,每个模拟开关有输入、输出、控制三个端子,其中输入端和输出端可互换。
当控制端加高电平时,开关导通;当控制端加低电平时开关截止。
模拟开关导通时,导通电阻为几十欧姆;模拟开关截止时,呈现很高的阻抗,可以看成为开路。
模拟开关可传输数字信号和模拟信号,可传输的模拟信号的上限频率为40MHz。
各开关间的串扰很小,典型值为-50dB。
2.单八路模拟开关CD4051CD4051引脚功能见图2。
CD4051相当于一个单刀八掷开关,开关接通哪一通道,由输入的3位地址码ABC来决定。
其真值表见表1。
“INH”是禁止端,当“INH”=1时,各通道均不接通。
此外,CD4051还设有另外一个电源端VEE,以作为电平位移时使用,从而使得通常在单组电源供电条件下工作的CMOS电路所提供的数字信号能直接控制这种多路开关,并使这种多路开关可传输峰-峰值达15V的交流信号。
例如,若模拟开关的供电电源VDD=+5V,VSS=0V,当VEE=-5V时,只要对此模拟开关施加0~5V的数字控制信号,就可控制幅度范围为-5V~+5V的模拟信号。
表1附件: 您所在的用户组无法下载或查看附件, 保暖拖鞋,就算打一天电脑也不冷收藏分享评分新洁家园致力于电气电子、软件编程、佛教、中医中药、产品开发、情感交流,是您我梦寐以求的温馨家园!回复引用订阅TOP《新洁家园论坛总版规》《论坛新增大附件上传功能》《新洁家园论坛积分等级说明》新洁电子管理员UID1帖子2557积分31797 阅读权限200在线时间979 小时2#发表于 2010-6-12 14:27 | 只看该作者3.双四路模拟开关CD4052CD4052的引脚功能见图3。
CD4052相当于一个双刀四掷开关,具体接通哪一通道,由输入地址码AB来决定。
其真值表见表2。
表24.三组二路模拟开关CD4053CD4053的引脚功能见图4。
CD4053内部含有3组单刀双掷开关,3组开关具体接通哪一通道,由输入地址码ABC来决定。
其真值表见表3。
表3附件: 您所在的用户组无法下载或查看附件, 达芙妮正品2010新款靴子,99元起新洁家园致力于电气电子、软件编程、佛教、中医中药、产品开发、情感交流,是您我梦寐以求的温馨家园!回复引用TOP新洁电子管理员UID1帖子2557 积分31797 阅读权限200 在线时间979 小时3#发表于 2010-6-12 14:30 | 只看该作者5.十六路模拟开关CD4067CD4067的引脚功能见图5。
CD4067相当于一个单刀十六掷开关,具体接通哪一通道,由输入地址码ABCD来决定。
其真值表见表4。
表4附件: 您所在的用户组无法下载或查看附件, 秋冬热卖款夹克,百搭经典款新洁家园致力于电气电子、软件编程、佛教、中医中药、产品开发、情感交流,是您我梦寐以求的温馨家园!回复引用TOP新洁电子4#管理员UID1帖子2557 积分31797 阅读权限200 在线时间979 小时发表于 2010-6-12 14:33 | 只看该作者二、典型应用举例1.单按钮音量控制器单按钮音量控制器电路见图6。
VMOS管VT1作为一个可变电阻并接在音响装置的音量电位器输出端与地之间。
VT1的D极和S极之间的电阻随VGS成反比变化,因此控制VGS就可实现对音量大小的控制。
VT1的G极接有3个模拟开关S1~S3和一个100μF的电容,其中100μF电容起电压保持作用。
由于VMOS 管的G极和S极之间的电阻极高,故100μF电容上的电压可长时间基本保持不变。
模拟开关S1为电容提供充电回路,当S1导通时,电源通过S1给电容充电,电容上电压不断增高,使VT1导通电阻越来越小,使音量也越来越小。
模拟开关S2为电容提供放电回路,当S2导通时,电容通过S2放电,电容上电压不断下降,使音量越来越大。
模拟开关S3起开机音量复位作用,开机时,电源在S3控制端产生一短暂的正脉冲,使S3导通,由于与S3连接的电阻较小,故使电容很快充到一定的电压,使起始音量处于较小的状态。
F1~F6及其外围元件组成长短脉冲识别电路。
静态时,F1、F2输入为高电平,当较长时间按压按钮开关AN时,F4输出变高,经100k电阻给3.3μF电容充电,当充电电压超过CMOS门转换电压时,F5输出由高变低,F6输出由低变高,模拟开关S2导通,100μF电容放电,音量变大。
与此同时,F1输出也变高,也给电容充电,但F1输出的一次正跳变不足以使电容上电压超过转换电压,故F2输出仍为高电平,F3输出低电平,模拟开关S1保持截止。
当连续按动按钮开关AN时,F4输出也不断变化,输出为高时,给电容充电,而输出变低时,电容又很快通过二极管VD3放电,故电容上电压总是达不到转换电压,因此F6输出一直为低。
而此时F1输出连续高低变化,经二极管整流不断给电容充电,使3.3μF电容上电压迅速达到转换电压,F2输出变低,F3输出变高,模拟开关S1导通,给电容充电,音量变小。
由此,利用一只按钮开关,实现了对音量的大小控制。
附件: 您所在的用户组无法下载或查看附件, 保暖拖鞋,就算打一天电脑也不冷新洁家园致力于电气电子、软件编程、佛教、中医中药、产品开发、情感交流,是您我梦寐以求的温馨家园!回复引用TOP新洁电子5#管理员UID1帖子2557 积分31797 阅读权限200 在线时间979 小时发表于 2010-6-12 14:36 | 只看该作者2.四路视频信号切换器四路视频信号切换器电路见图7。
“与非”门YF3、YF4组成脉冲振荡器,振荡频率由100k电位器调节。
若嫌调节范围不够,可适当更换0.47μF电容和100k电阻。
脉冲振荡器受YF1、YF2组成的双稳态电路的控制,按S1时,YF1输出低电平,脉冲振荡器停振;按S2时,YF1输出高电平,脉冲振荡器开始振荡。
脉冲振荡器的输出作为CD4017十进制计数器的时钟,使Y0~Y3依次出现高电平,相应的四个模拟开关依次导通,由Vi1~Vi4输入的视频信号被依次切换至输出端,完成了四路视频信号的切换。
显然,增加一片CD4066可做成八路视频信号切换器,相应地,由Y0~Y7进行模拟开关控制,Y8连至Cr。
依此类推,可做成更多路数的视频信号切换器。
而且,输入、输出也可以是其它形式的信号。
如要求视频、音频信号同传,则并接上相应数量的模拟开关即可。
附件: 您所在的用户组无法下载或查看附件, 达芙妮正品2010新款靴子,99元起新洁家园致力于电气电子、软件编程、佛教、中医中药、产品开发、情感交流,是您我梦寐以求的温馨家园!回复引用TOP新洁电子管理员6#发表于 2010-6-12 14:39 | 只看该作者3.数控电阻网络图8示出数字控制电阻网络电阻值大小的电路。
在图8中,CD4066的四个独立开关分别并接在四个串接电阻上,电阻的值是按二进制位权关系选择的。
当某个开关接通时,并接在该开关上的电阻被短路,此处假设该电阻阻值R�RON(RON为模拟开关的导通电阻);当某个开关断开时,电阻两端阻值仍保持原阻值不变,此处假设该电阻阻值R�ROFF(ROFF为模拟开关断开时的电阻)。
四个开关的控制端由四位二进制数A、B、C、D控制,因此,在A、B、C、D端输入不同的四位二进制数,可控制电阻网络的电阻变化,并从其上获得2~16种不同的电阻值。
UID1帖子2557 积分31797 阅读权限200 在线时间979 小时按图8所给的电阻值,该电阻网络所对应的16种阻值列于表5中。
表5附件: 您所在的用户组无法下载或查看附件, 达芙妮正品2010新款靴子,99元起新洁家园致力于电气电子、软件编程、佛教、中医中药、产品开发、情感交流,是您我梦寐以求的温馨家园!回复引用TOP新洁电子管理员UID1帖子2557 积分31797 阅读权限200 在线时间979 小时7#发表于 2010-6-12 14:40 | 只看该作者4.音量调节电路音量调节电路见图9。
音频信号由Vi端输入,经分压电阻R11和隔直电容加到由R1~R10构成的加/减电阻网络。
CD40192为十进制加/减计数器,“与非”门YF3、YF4构成低频振荡器,“与非”门YF1、YF2分别为加计数端CPU和减计数端CPD的计数闸门。
当D1端为高电平时,闸门YF1开通,低频脉冲经YF1加到CD40192的CPU端,使其作加法计数,输出端Q0~Q3数据增大,使16路模拟开关的刀向低端转换,顺序接通R1~R10,接通的电阻增大,经与R11分压后,使输出音频信号Vo增大;当D2端为高电平时,闸门YF2开通,低频脉冲经YF2加到CD40192的CPD端,使其作减法计数,输出端Q0~Q3数据减小,使16路模拟开关的刀向高端转换,顺序接通R10~R1,接通的电阻减小,经与R11分压后,使输出音频信号Vo减小。