【CN209790341U】一种新型按摩枕【专利】
- 格式:pdf
- 大小:260.21 KB
- 文档页数:5
专利名称:一种保健按摩枕专利类型:实用新型专利
发明人:洪培海
申请号:CN201621227056.1申请日:20161115
公开号:CN206729664U
公开日:
20171212
专利内容由知识产权出版社提供
摘要:本实用新型公开了一种保健按摩枕,包括按摩枕主体,分为颈枕区,过渡区和头枕区,所述的颈枕区设有颈部按摩装置和磁疗材料,过渡区和头枕区设有磁疗材料,颈部按摩装置包括颈部支撑柱,颈部支撑柱下方为凸起上连接扣,与弹簧上端连接,弹簧下端与下连接扣相连,下连接扣设在底座上,弹簧外有隔离架,隔离架固定在颈枕区,底座固定在按摩枕底部。
本实用新型的有益效果是:使用物理作用力,刺激颈部穴位,辅助颈椎病治疗,缓解颈椎病患者痛苦,同时结合磁疗和玉石的保健功能,改善亚健康,促进睡眠,疏经通络,有助血液循环。
申请人:洪培海
地址:515000 广东省揭阳市揭东县砲台镇丰溪村洪厝沟仔边直三巷九号
国籍:CN
代理机构:北京久维律师事务所
代理人:邢江峰
更多信息请下载全文后查看。
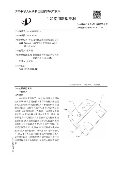
(19)中华人民共和国国家知识产权局(12)实用新型专利(10)授权公告号 (45)授权公告日 (21)申请号 201920443229.0(22)申请日 2019.04.03(73)专利权人 魏俊杰地址 230000 安徽省合肥市瑶海区新安江路兴漕新居1幢2704室(72)发明人 魏俊杰 (74)专利代理机构 合肥律通专利代理事务所(普通合伙) 34140代理人 郑松林(51)Int.Cl.A47G 9/10(2006.01)(54)实用新型名称一种多功能按摩枕头(57)摘要本实用新型提供一种多功能按摩枕头,涉及按摩枕头领域,包括枕头和按摩器,枕头的内部填充有填充层,且枕头的内部中间位置处位于填充层的内部设置有按摩器,枕头的内部位于按摩器的一侧开设有第一卡槽和第二卡槽。
本实用新型中,通过在枕头内部设置有呼叫器,可适用于在日常生活中,腿脚不方便的病人和老人,即在床上行动不方便的用户,就可以使用一键呼叫功能,则另一端的警报器就会响铃,直接呼叫家人或者医生帮忙,通过设置迷你闹钟,可通过移动终端设置时间,关闭的按钮位于枕头上,通过这样的设置不会干扰用户的睡眠且不会造成辐射,整个枕头的所有功能都是一体化的,便于携带,可适用于不同的场合使用。
权利要求书1页 说明书3页 附图3页CN 209898972 U 2020.01.07C N 209898972U权 利 要 求 书1/1页CN 209898972 U1.一种多功能按摩枕头,包括枕头(1)和按摩器(5),其特征在于:所述枕头(1)的内部填充有填充层(13),且枕头(1)的内部中间位置处位于填充层(13)的内部设置有所述按摩器(5),所述枕头(1)的内部位于按摩器(5)的一侧开设有第一卡槽(10)和第二卡槽(11),且第一卡槽(10)位于第二卡槽(11)的一侧,所述第一卡槽(10)的内部放置有呼叫器(9),所述第二卡槽(11)的内部放置有迷你闹钟(12),所述枕头(1)的顶部且位于按摩器(5)的正上方设置有用于提醒用户的按摩区(2),所述按摩器(5)上连接有数据线(7),且数据线(7)从枕头(1)的底部穿出。
专利名称:一种按摩靠枕
专利类型:实用新型专利
发明人:喻书哲
申请号:CN201921814133.7申请日:20191025
公开号:CN210696991U
公开日:
20200609
专利内容由知识产权出版社提供
摘要:本实用新型公开了一种按摩靠枕,包括靠枕本体,所述靠枕本体的正面为贴合人体颈部的弧形结构,且沿弧形结构设置弧形结构的电加热片,所述靠枕本体的左右两端开设凹槽,且凹槽内设置供电插口,且每个供电插口上均设置加热布,且加热布上具备与供电插口相匹配的插头,且加热布内固定有电加热片,所述电加热片由电源线供电,所述加热布上设置用于连接的魔术贴。
本实用新型结构简单、使用方便,本实用新型促进颈部血液循环的效果更为的明显,而且能够对加热布进行拆卸,一方面便于清洗,另一方面可根据情况进行使用加热布。
申请人:南通英喆纺织品有限公司
地址:226000 江苏省南通市通州区东社镇五马路村一组
国籍:CN
更多信息请下载全文后查看。
专利名称:一种具有按摩功能的颈椎护理用护理枕专利类型:实用新型专利
发明人:苗乐杰
申请号:CN202021994278.2
申请日:20200914
公开号:CN212755134U
公开日:
20210323
专利内容由知识产权出版社提供
摘要:本实用新型公开了一种具有按摩功能的颈椎护理用护理枕,包括本体、护头枕和乳胶垫,所述本体内部的一侧安装有第一伺服电机,且第一伺服电机的一侧安装有颈部按摩器,所述颈部按摩器的外部均均匀安装有固定按摩头,所述本体外部两侧的顶端均安装有卡块,所述本体的一端安装有第二凹槽,所述本体的顶端安装有护头枕,且护头枕两侧的底端均安装有卡槽,所述护头枕的内部均匀设置有按摩结构,所述护头枕内部安装有乳胶垫。
本实用新型通过在固定板顶端安装有旋转按摩头,旋转按摩头的转动会带动多方位按摩头的转动,可以多方位按摩到头部,且乳胶垫有散发湿气和去除螨虫的效果,有利于人体健康。
申请人:苗乐杰
地址:264200 山东省威海市光明路51号威海市妇幼保健院一楼CT室
国籍:CN
更多信息请下载全文后查看。
(19)中华人民共和国国家知识产权局(12)实用新型专利(10)授权公告号 (45)授权公告日 (21)申请号 201920474431.X(22)申请日 2019.04.10(73)专利权人 深圳新烯旺科技有限公司地址 518101 广东省深圳市宝安区西乡街道福中福社区西乡金海路碧海中心区西乡商会大厦509(72)发明人 邹灿文 (74)专利代理机构 深圳市世通专利代理事务所(普通合伙) 44475代理人 谢素(51)Int.Cl.A61N 1/36(2006.01)(54)实用新型名称一种折叠颈椎按摩器(57)摘要本实用新型公开了一种折叠颈椎按摩器,包括一颈套,颈套的两端均通过一铰接件连接一侧套;颈套包括一颈椎套梁、骨架、颈椎棉;颈套的下方设有一第一转接板和多片脉冲导电片;一个侧套内设有一电池安装槽,电池安装槽内安装有电池,该侧套内还设有一第二转接板;另一个侧套内设有一电路板安装槽,电路板安装槽内安装固定一集成电路板,集成电路板上设有一电路开关;该侧套上还设有一充电接口。
本实用新型可折叠,折叠后便于携带;能够不同人群佩戴;治疗按摩效果好。
权利要求书1页 说明书3页 附图1页CN 209933824 U 2020.01.14C N 209933824U权 利 要 求 书1/1页CN 209933824 U1.一种折叠颈椎按摩器,其特征在于:包括一颈套,颈套的两端均通过一铰接件连接一侧套;颈套包括一颈椎套梁、骨架、颈椎棉;颈套的下方设有一第一转接板和多片脉冲导电片;一个侧套内设有一电池安装槽,电池安装槽内安装有电池,该侧套内还设有一第二转接板;另一个侧套内设有一电路板安装槽,电路板安装槽内安装固定一集成电路板,集成电路板上设有一电路开关;该侧套上还设有一充电接口。
2.根据权利要求1所述的折叠颈椎按摩器,其特征在于:颈椎套梁、骨架、颈椎棉呈弧形结构;骨架上设有多个安装槽;颈椎套梁上设有多个插块,插块插入至安装槽中;固定架的下方设有一颈椎棉安装槽,颈椎棉安装在颈椎棉安装槽内。
专利名称:一种具有按摩功能的枕头专利类型:实用新型专利
发明人:杨海东
申请号:CN202021413143.2
申请日:20200717
公开号:CN212650665U
公开日:
20210305
专利内容由知识产权出版社提供
摘要:本实用新型属于生活用品领域,特别涉及一种具有按摩功能的枕头,包括枕体,枕体上表面的中心部设有多个按摩块,多个按摩块内设有震动器,震动器上设有按摩磁片,枕体的两端部设有充气气囊,枕体内设有第一腔室,第一腔室内设有第一芯片和蓄电池,多个按摩块均与第一芯片相连接,通过设置枕体,在枕体上表面的中心部设置多个按摩块,在多个按摩块内设置震动器,在震动器上设置按摩磁片,在枕体内设置第一腔室,在第一腔室内设置第一芯片,第一芯片与多个按摩块相连接,有利于对人体头部进行按摩,提高睡眠时的舒适性,在枕体的两端设置充气气囊,有利于固定人们的睡姿,提高人们睡眠质量。
申请人:杨海东
地址:350119 福建省福州市闽侯县青口镇杨厝村门口里5号
国籍:CN
代理机构:北京易捷胜知识产权代理事务所(普通合伙)
代理人:蔡晓敏
更多信息请下载全文后查看。
专利名称:一种按摩枕头
专利类型:实用新型专利
发明人:顾军
申请号:CN200620016159.3申请日:20061201
公开号:CN201067497Y
公开日:
20080604
专利内容由知识产权出版社提供
摘要:本实用新型公开了一种按摩枕头,包括外套、振动体、外套中的填充物以及电源,其中振动体包裹于外套内的填充物中,电源与振动体连接,所述外套表面中部凸起,该凸起部分为皮质材质,在正面凸起部上分布有磁性按摩钉,在外套内的填充物中有一块与所述磁性按摩钉相对应的振动板,该振动板振动时会带动按摩钉振动,所述振动板跟包裹于填充物中的振动体连接。
本实用新型在外套上设置磁性按摩钉,在按摩钉相对应的外套内填充物中设有振动板,该振动板与按摩钉近距离接触,其振动时能很好带动按摩钉振动,而且使按摩钉受到的驱动力基本一致,力度均匀,按摩时更具有针对性,效果更好,更舒服。
申请人:顾军
地址:518000 广东省深圳市龙岗区坪山沙博同富裕工业区12号
国籍:CN
代理机构:深圳市精英专利事务所
代理人:李新林
更多信息请下载全文后查看。
专利名称:一种按摩枕专利类型:实用新型专利发明人:蔡柏福,孟福能申请号:CN02248039.0申请日:20020913
公开号:CN2566834Y 公开日:
20030820
专利内容由知识产权出版社提供
摘要:本实用新型涉及健身器具技术领域,特指一种便于睡眠休息的按摩枕。
其包括有本体,本体内填充有海绵体,同时本体内还配置有若干按摩电机,按摩电机通过导线与一微电脑连接,微电脑由一外置的控制器控制,同时微电脑还与一扬声器连接,该微电脑由4.5V的直流电源供电。
本实用新型根据人体头、颈之穴位配置有按摩电机,由此给予人体按摩,使全身的肌体放松,并由扬声器发出和谐的音律,让人自然无忧地进入睡眠状态,促进使用者睡眠休息。
本实用新型结构简单,操作方便。
申请人:邓和庆
地址:523517 广东省东莞市企石镇铁岗管理区
国籍:CN
代理机构:东莞市华南专利事务所
代理人:李卫平
更多信息请下载全文后查看。
(19)中华人民共和国国家知识产权局
(12)实用新型专利
(10)授权公告号 (45)授权公告日 (21)申请号 201920273577.8
(22)申请日 2019.03.05
(73)专利权人 张卫锋
地址 312000 浙江省绍兴市越城区盛世名
苑7幢1802室
(72)发明人 张卫锋
(51)Int.Cl.
A61H 7/00(2006.01)
A61F 7/08(2006.01)
(54)实用新型名称一种新型按摩枕(57)摘要本实用新型创造涉及一种新型按摩枕,它包括按摩枕本体,所述按摩枕本体上设置有用于按摩头部的头部按摩区和用于颈椎的颈椎调节区,所述按摩枕本体上连接有控制手柄和充气球,所述按摩枕本体的内部设置有填充物,所述颈椎调节区的内部设置有与所述充气球相连接的气囊,所述气囊上设置有发热片,头部按摩区的内部设置有按摩器,所述按摩器上设置有可以上下移动的凸起,所述发热片连接着所述控制手柄,用于控制发热片的热量控制,所述填充物为珍珠棉,所述发热片为内部含有电阻丝的结构,所述填充物分布在所述按摩枕本体的左右部,所述按摩器采用电动的方式;因此,本实用新型具有结构合理、
功能全面和控制方便的优点。
权利要求书1页 说明书2页 附图1页CN 209790341 U 2019.12.17
C N 209790341
U
权 利 要 求 书1/1页CN 209790341 U
1.一种新型按摩枕,它包括按摩枕本体,其特征在于:所述按摩枕本体上设置有用于按摩头部的头部按摩区和用于颈椎的颈椎调节区,所述按摩枕本体上连接有控制手柄和充气球,所述按摩枕本体的内部设置有填充物,所述颈椎调节区的内部设置有与所述充气球相连接的气囊,所述气囊上设置有发热片,头部按摩区的内部设置有按摩器,所述按摩器上设置有可以上下移动的凸起。
2.根据权利要求1所述的一种新型按摩枕,其特征在于:所述发热片连接着所述控制手柄,用于控制发热片的热量控制。
3.根据权利要求1所述的一种新型按摩枕,其特征在于:所述填充物为珍珠棉。
4.根据权利要求1所述的一种新型按摩枕,其特征在于:所述发热片为内部含有电阻丝的结构。
5.根据权利要求1所述的一种新型按摩枕,其特征在于:所述填充物分布在所述按摩枕本体的左右部。
6.根据权利要求1所述的一种新型按摩枕,其特征在于:所述按摩器采用电动的方式。
2。