(WHGC-JSBZ-017)烟道及排风井技术标准(A0)
- 格式:doc
- 大小:3.57 MB
- 文档页数:49
③凡符合如右图所示(1)、(2)款,外观无缺陷且尺寸偏差符右图合3条要求的产品,混凝土强度符合设计要求,按一等品验收。
④凡尺寸偏差符合3条的产品,符合(1)、(2)款部分指标,在允许修补范围内有较轻缺陷的产品,其混凝土强度符合设计要求时,可按合格品验收。
(2)修复凡在制造、搬运中不慎碰坏或稍有损伤的排烟道,在允许修补范围内采取有效措施修复后,能符合技术要求的经检验合格后,可验收。
(3)产品标志产品的外表应用防水油漆在烟道制品上注明品种、规格、等级、制造日期及制造厂标记。
表示方法如下:制造厂名称—产品代号—等级—制造日期示例:沈阳北方烟道厂PYZ—1R09一等品90.7.18。
(4)包装为防止碰坏排烟道,其两端应用软织物或草绳包孝乙。
(4)运输用各种运输工具运输。
装卸排烟道时,装卸起吊过程中应轻起轻放,严禁抛掷。
运输过程中应使其固定,以减少运输过程中的震动,防止碰撞。
(5)贮存排烟道的堆放场地必须坚实平坦,不同规格的排烟道应分别堆放。
堆垛高度不应超过2m。
[3]分类与型号排烟道制品分类(1)按排烟道所组成的系统构造不同,排烟道分为各户分用支烟道共用主烟道的主支(PYZ)型和各户单设烟道的单设(PYD)型。
(2)排烟道按每节长度分为0.9、1.0m和以层高(H)为长度的三种类型,其代号分别为09;10;27;28;29;30。
(3)排烟道按进烟口方向分为三种类型,其代号为L、R、F。
L表示进烟口位于左面,R表示进烟口位于右面,F 表示进烟口位于前面。
无该符号时表示无此项。
进烟口方进烟口方向规定向规定如右图所示。
(4)每节排烟道按在系统中安装的位置分四种类型,代号分别为1、2、3、0。
1、2、3分别表示每层为分段组装④裂缝应用不小于20倍的放大镜测量。
[3]高温安全性由于火灾高温的作用,使得隧道结构体系的材料综合性能严重下降,这将必然导致排烟道结构体系的承载力和高温安全性能严重降低,体系的工作状态也将随之发生变化。
风管系统安装(送风、排风、排烟系统)质量标准及检验方法
1检查数量:
主控项目
1)第1 项~第5 项:按数量抽查20%,不得少于1 个系统。
2)第6 项、第7 项:按数量抽查20%,不得少于5 件。
3)第8 项:低压系统风管的严密性检验应采用抽检方式,抽检率为5%,且不得少于1个系统;中压系统风管的严密性检验抽检量为20%,且不得少于1个系统;高压系统风管的严密性检验应全数进行漏风量测试。
4)第9 项:全数检查。
一般项目
5)第1 项~第6 项:按数量抽查10%,不得少于1 个系统。
6)第7 项:按数量抽查20%,不得少于5 件。
7)第8 项~第10 项:按数量抽查10%,不得少于5 件。
8)第11 项:按数量抽查10%,不得少于1 个系统或至少5 件和2 个房间的风口。
2质量标准和检验方法:
风管系统安装(送风、排风、排烟系统)质量标准和检验方法。
新风系统技术标准(总4页)--本页仅作为文档封面,使用时请直接删除即可----内页可以根据需求调整合适字体及大小--万科新风系统技术标准一、技术标准负压式新风系统设备应按本技术规范规定的标准和规范进行设计和制造。
若在设计和制造中应用的某项标准或规范在本技术规范中没有规定,则乙方应详细说明其所采用的标准和规范,并提供该标准或规范的完整中文原件给甲方。
只有当其采用的标准和规范是国际公认的、惯用的;且等于或优于本技术规范的要求时,此标准或规范才可能为甲方所接受。
负压式新风系统产品、设计、施工必须满足以下标准及规范要求:GB/T18883-2002《室内空气质量》GB/T14295-2008《空气过滤器》GB/T 14806-2003《家用和类似用途的交流换气扇及其调速器》GB IEC669-1《家用和类似用途固定式电气装置的开关》第一部分:通用要求GB50243---2002《通风空调安装工程施工及验收规范》GB50019—2003《新风通风与空气调节设计规范》GB 50303-2002《建筑电气工程施工质量验收规范》GB 3096-2008《声环境质量标准》国家强制性产品认证(CCC)(风机、开关)二、技术要求三、技术性能1、排风机1)采用进口低噪音管道风机。
2)有自平衡定风量功能。
3)电机应使用国内外名牌产品且有3C认证的产品,能够永久自动润滑,风机转子应有动平衡测试报告,运行噪音低于37db。
4)风机电机须为全封闭、E 级绝缘及IP44 保护设计,可在40℃的室温下不停操作,带有过载断电保护。
5)机芯可开启,便于维护。
6)采用钢制或塑料外壳,防腐、防蛀性能好。
7)风机调速分高、中、低三级。
8)运行能耗低, 额定功率小于40w。
9)使用耐久, 连续24小时运转,使用寿命十年以上。
10)主机高度不超过250mm。
11)风机换气量必须达到产品铭牌标识注明的换气量。
新风系统配置原则:室内新风量保证室内换气次数1次/小时风机选型换气次数=新风量/房间有效通风体积其中新风量=有效通风面积(不计厨房、卫生间、设备房后的套内面积)*装修后室内净高。
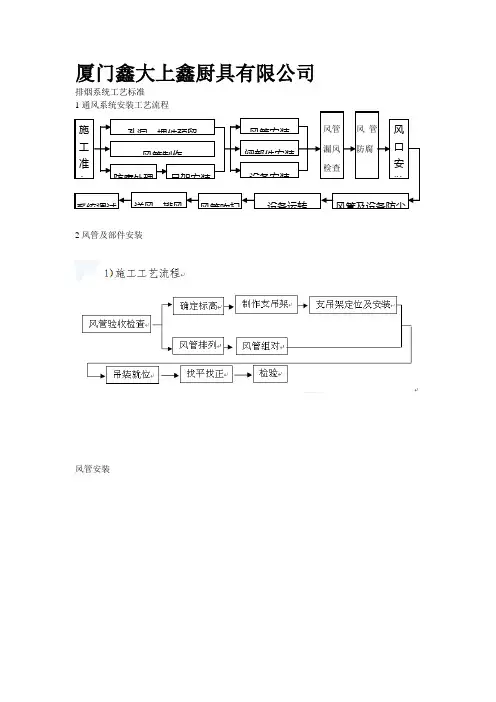
厦门鑫大上鑫厨具有限公司排烟系统工艺标准2风管及部件安装风管安装风管漏风检查施工准备风管安装阀部件安装设备安装孔洞、埋件预留风管制作防腐处理吊架安装风管防腐风口安装风管及设备防尘风管吹扫送风、排风系统调试设备运转(1)根据设计图纸和国家规范的要求,进行风管安装。
风管安装前,做好组装件的清洁工作。
之后,根据图纸风管各系统的分布,按照制作好的风管编号进行排列、组合,经核对确认位置、标高无误后方可吊装。
(2)风管安装时,主管尽量贴大梁底,支管也尽高安装,风管用角钢横担固定于支吊架上。
交叉作业时一定要与水施、电施协调配合好,同时要注意安全。
(3)风管安装好后,检查风管的安装高度是否满足设计要求,风管的水平、垂直度是否符合规范要求,水不平度允许偏差,每米不大于3mm,总的偏差不大于10mm,立管的垂直度允许偏差每米不大于2mm,总偏差不大于10mm。
支架是否歪斜,支架间距是否符合要求。
风管支吊架间距应符合规定。
水平安装风管底边尺寸不大于1000mm时,支吊架间距不超过2m;水平安装风管底边尺寸大于1000mm时,支吊架间距不超过1.5m;水平安装风管底边尺寸大于1600mm时,支吊架间距不超过1m;垂直安装风管的支架间距不超过2.4M,每根立管的支架不少于2个;水平安装风管主、干管长度超过20M时,应设置不少于1个防摆支架。
与风管连接的风阀等部件,应单独设置支吊架。
(4)风管安装时应注意防护。
风管穿过楼板或墙时,应设预埋管或防护套管,其钢板厚不小于0.75mm;穿过封闭的防火、防爆的墙体或楼板时,其预埋管或防护套管钢板厚不小于1.6mm;穿屋面时,应设防水套管风管制作与风管系统安装完毕后,按分项工程质量检验程序和要求分别进行质量检查验收。
风口安装(1)安装通则:风口安装从接口和外观两方面要求。
风口与风管连接严密、牢固保证风口与风管离缝处不漏风;风口在室内墙面或吊顶做到横平竖直,表面平整,风口与装饰面贴实,达到无明显缝隙。
目录1、…………………………………………………………………………编制依据2、………………………………………………………………………术语和定义3、………………………………………………………………产品性能技术要求4、…………………………………………………………………………材料要求5、………………………………………………………………………..质量要求6、…………………………………………………………………………设计要求7、……………………………………………………………………施工安装要求8、……………………………………………………………………成品保护要求9、…………………………………………………………………………注意事项10、………………………………………………………………………………验收11、…………………………………………………………………………施工图集1、依据1.1除另有注明外,本工程须符合设计要求、图纸和相关国家、地方及行业标准,主要包括但不限于:《高层民用建筑设计防火规范》GB 50045《住宅设计规范》GB 50096《民用建筑设计通则》GB 50352《住宅建筑规范》GB 50368《住宅厨房、卫生间排气道》JG/T 194-2006《排油烟气防火止回阀》GA/T 798-2008《住宅排气道一》07J916-1《住宅厨房卫生间变压式排风道Ⅱ型安装构造》05EJ5061.2本标准适用于40层及40层以下的住宅厨房和卫生间的机械排风用排气道。
不适用于燃气热水器、燃油和燃煤锅炉用排气道。
超高层住宅建筑可参照使用。
2、术语和定义2.1烟道将烟送到外部空间去的孔道,是用于排除厨房炊事活动产生的烟气的管道制品2.2排风井用来调节卫生间内空气,将卫生间浊气排到室外的井道2.3排气道用于排除厨房炊事活动产生的烟气或卫生间浊气的管道制品是住宅厨房卫生间共用排气管道系统的基本组成部分,烟道和排风井统称为排气道2.4进气口排气道制品的进气口2.5止回阀靠烟道管路中油烟气本身的流动产生的力而自动开启和关闭的自动阀门,其主要作用是防止油烟气倒流。
目录1、…………………………………………………………………………编制依据2、………………………………………………………………………术语和定义3、………………………………………………………………产品性能技术要求4、…………………………………………………………………………材料要求5、………………………………………………………………………..质量要求6、…………………………………………………………………………设计要求7、……………………………………………………………………施工安装要求8、……………………………………………………………………成品保护要求9、…………………………………………………………………………注意事项10、………………………………………………………………………………验收11、…………………………………………………………………………施工图集1、依据1.1除另有注明外,本工程须符合设计要求、图纸和相关国家、地方及行业标准,主要包括但不限于:《高层民用建筑设计防火规》 GB 50045《住宅设计规》 GB 50096《民用建筑设计通则》 GB 50352《住宅建筑规》 GB 50368《住宅厨房、卫生间排气道》 JG/T 194-2006《排油烟气防火止回阀》 GA/T 798-2008《住宅排气道一》07J916-1《住宅厨房卫生间变压式排风道Ⅱ型安装构造》 05EJ5061.2本标准适用于40层及40层以下的住宅厨房和卫生间的机械排风用排气道。
不适用于燃气热水器、燃油和燃煤锅炉用排气道。
超高层住宅建筑可参照使用。
2、术语和定义2.1烟道将烟送到外部空间去的孔道,是用于排除厨房炊事活动产生的烟气的管道制品2.2排风井用来调节卫生间空气,将卫生间浊气排到室外的井道2.3排气道用于排除厨房炊事活动产生的烟气或卫生间浊气的管道制品是住宅厨房卫生间共用排气管道系统的基本组成部分,烟道和排风井统称为排气道2.4进气口排气道制品的进气口2.5止回阀靠烟道管路中油烟气本身的流动产生的力而自动开启和关闭的自动阀门,其主要作用是防止油烟气倒流。
排烟道工程技术交底一、项目背景排烟道工程是建筑物中的重要组成部分,主要用于排除燃烧产生的废气和烟雾,确保室内空气质量和人员安全。
本次技术交底旨在详细介绍排烟道工程的设计、施工和维护等相关技术要求,以确保工程质量和使用安全。
二、设计要求1. 排烟道的设计应满足国家相关规范标准,确保排烟效果良好。
2. 排烟道的尺寸和布置应符合建筑设计方案,确保排烟畅通。
3. 排烟道的材料选择应符合防火、耐高温和耐腐蚀要求。
4. 排烟道的施工应考虑方便维护和清洁。
三、施工要求1. 施工前,应对施工区域进行安全检查,确保施工环境安全。
2. 施工过程中,应按照设计要求进行施工,确保施工质量。
3. 施工过程中,应使用符合规范要求的材料和设备,确保施工质量和安全。
4. 施工过程中,应注意施工现场的防火措施,确保施工安全。
5. 施工结束后,应进行验收,确保排烟道的功能正常。
四、维护要求1. 排烟道的维护应定期进行,以确保排烟效果良好。
2. 维护过程中,应清除排烟道内的积尘和杂物,确保排烟道畅通。
3. 维护过程中,应检查排烟道的密封性和连接处的松动情况,确保排烟道的完整性。
4. 维护过程中,应检查排烟风机和排烟阀门的工作情况,确保设备正常运行。
五、安全注意事项1. 在施工过程中,应严格遵守安全操作规程,确保工人的人身安全。
2. 施工现场应设置明显的警示标志,以提醒他人注意施工区域。
3. 施工过程中,应注意防止排烟道内积水和异物,以免影响排烟效果。
4. 在维护过程中,应切勿随意更改排烟道的设计和连接方式,以免影响排烟效果和安全性。
六、技术交底记录1. 交底人员:XXX(施工负责人)、XXX(技术负责人)2. 交底时间:XXXX年XX月XX日3. 交底内容:排烟道工程的设计要求、施工要求、维护要求以及安全注意事项。
4. 交底记录:详细记录了交底的过程、内容和参与人员,包括技术交底的时间、地点、人员等。
以上是对排烟道工程技术交底的详细介绍,包括项目背景、设计要求、施工要求、维护要求、安全注意事项和技术交底记录等内容。
排烟道工程技术交底一、背景介绍排烟道工程是建筑物中的重要部分,用于排除烟雾和废气,确保室内空气质量和人员安全。
本文将详细介绍排烟道工程的技术要求和交底内容。
二、技术要求1. 设计要求排烟道工程应根据建筑物的功能和使用要求进行合理设计。
设计应满足以下要求:- 确保排烟系统的正常运行和安全性;- 满足相应的排烟量和风速要求;- 合理选择排烟道材料和尺寸,确保排烟畅通;- 安装排烟风机和其他设备,确保正常运行。
2. 施工要求排烟道工程的施工应符合以下要求:- 按照设计图纸和相关规范进行施工;- 采用合适的材料和工艺,确保施工质量;- 安全施工,遵守相关安全规定;- 排烟道与其他管道的连接应牢固可靠;- 安装排烟风机和其他设备时,应按照要求进行连接和调试。
3. 检验验收要求排烟道工程的检验验收应满足以下要求:- 检查排烟道工程的质量,包括材料、尺寸、连接等;- 检测排烟系统的运行情况,确保正常工作;- 检验排烟风机和其他设备的安装和运行情况;- 出具相应的检验报告和验收证明。
三、技术交底内容1. 工程概况- 工程名称:排烟道工程- 工程地点:XX建筑物- 工程范围:包括排烟道系统的设计、施工和验收等内容。
2. 设计要求交底- 介绍设计图纸和相关规范,包括排烟量、风速要求、排烟道材料和尺寸等;- 解释设计的合理性和安全性,确保施工人员理解设计意图。
3. 施工要求交底- 介绍施工图纸和相关规范,包括施工工艺、材料选择和连接要求等;- 解释施工过程中的安全注意事项和施工顺序,确保施工人员安全施工。
4. 设备安装交底- 介绍排烟风机和其他设备的安装位置和连接方式;- 解释设备的使用方法和注意事项,确保设备正常运行。
5. 检验验收要求交底- 介绍检验验收的标准和方法,包括质量检查、系统运行检测和设备安装调试等;- 解释检验验收的程序和要求,确保施工人员按照要求进行操作。
6. 安全注意事项交底- 介绍施工过程中的安全注意事项,包括高空作业、用电安全、防火措施等;- 解释应急处理措施和事故防范措施,确保施工人员安全施工。
中国标协标准《恒风量油烟机油烟逃逸性能技术规范》(征求意见稿)编制说明一、工作简况1、背景介绍在烹饪过程中,人们一直被厨房油烟所困扰。
油脂和食物通过高温氧化分解产生大量有机气溶胶、油烟颗粒及CO2等油烟污染物,不仅影响人的身体健康,还影响建筑的美观。
为了解决厨房油烟问题,各油烟机厂家均投入大量资源进行研究,大风量、大风压技术逐步成为行业的主格调,各大企业也在大风量和大风压数值方面展开了全面竞争。
在单一消费者家中,大风量、大风压烟机在一定程度上也的确起到了提升排烟效果的目的,但同时也引起公共烟道压力增加,导致其它居民家中的排烟效果变差。
为了提升排烟效果,吸烟效果变差的消费者不得不购买大风量大风压油烟机,进而导致公共烟道的压力进一步增大,如此恶性循环,最终导致大风量大风压油烟机在所有用户家中均无法真正提升排烟效果,反而工作时噪音大幅增大。
为了降低公共烟道的压力,提升吸烟效果,为消费者提供更好的厨房环境。
青岛海尔智慧厨房电器有限公司联合同济大学、中家院(北京)检测技术有限公司,研究基于有效风量的吸油烟效果评价方法,目的是引导各企业不断的在提升在低风量条件下的吸油烟能力方面投入研发资源,最终实现在低风量条件下的良好吸烟效果。
该标准不同于GB/T17713标准中的气味降低度要求,是一种评价一定出口静压范围条件下的实际风量的方法,并选定12m³/min的典型有效风量,评价油烟逃逸程度,从而引导行业研究提升吸油烟技术。
最终实现对各楼层的排风量进行合理调配,从而降低公共烟道压力,同时又可以保证良好的吸烟效果,给消费者最佳的体验。
2、任务来源研究吸油烟机在消费者家中实际可达到的风量,模拟用户实际使用环境,通过高稳定性的油烟散发与控制,对油烟机在12m³/min风量条件下的油烟逃逸性能进行测试和评价,制订《恒风量油烟机油烟逃逸性能技术规范》团体标准,以规范油烟逃逸测试方法,满足行业发展需要,推动行业技术迭代更新。
住宅工程部品标准(补充)——厨房、卫生间排气(烟)道做法标准二〇一五年三月二日住宅工程部品标准(补充)——厨房、卫生间排气(烟)道做法标准一、现行的国家有关建筑规范、标准、规程:《住宅厨房、卫生间排气道》JGT194-2006《住宅设计规范》GB50096-2011二、规范约定一类是工厂预制的薄壁排气道,内壁相对比较平整、光滑,壁厚介于12~15毫米之间,每节排气道的标准长度为2.7~3.2米或者1.4~1.6米,也可以根据用户的实际要求定做;另外一类是现场砌筑的排气道,内壁相对比较粗糙,壁厚120毫米。
而现场砌筑的排气道是用砖或者石块,按照国家有关建筑规范在现场砌筑而成,砖缝砂浆务必饱满,以免烟气泄漏;排气道内部用水泥砂浆尽量抹平,以降低气流摩擦阻力损失。
内表面要求光滑,外表面要求平整无空洞和缝隙,端面应平整且无毛边;进出口上方应标明规格、型号(层号)标有气流方向的箭头“↑”,以免安装时产生错误;为方便排演气道的安装可制成每层楼一节,这样排烟气道长度等于层高。
1、钢丝网水泥排气道制品的水泥强度不应低于32.5。
硅酸盐水泥、普通硅酸盐水泥性能应符合GB175的规定,快硬硅酸盐水泥性能应符合GB199的规定,矿渣硅酸盐水泥、火山灰质硅酸盐水泥及粉煤灰质硅酸盐水泥性能应符合GB1344的规定。
增强材料宜采用22#-26#及直径4的钢筋,钢丝网网眼尺寸以为10㎜×10㎜。
2、玻璃纤维网增强水泥排气道制品的水泥强度不应低于32.5级。
低碱度硫铝酸盐水泥性能应符合JC/T659的规定,硫铝酸盐水泥性能应符合JC714的规定。
耐碱玻璃纤维网格布应符合JC/T841的规定。
3、骨料性能应符合JGJ51的规定,其粒径不应大于排气道壁厚的1/34、允许采用耐老化、耐腐蚀、耐潮湿并符合防火及环保规定的化学建材或其他轻质材料。
5、排气道进风口处须配有符合GB15931要求的进风口接口件,其耐火极限不应低于1.0h三、相关图集07J916-1住宅排气道新03J13(四)图集四、工艺做法操作要点排气道制作:工厂预制的薄壁排气道按照《住宅厨房排风道》JG/T194-2006建设部行业标准,采用不然材料制作,以高强水泥砂浆作为主体材料,以镀锌电焊钢丝网、龟甲网或者玻璃纤维作为增强材料,模具预制成型。
附件2:住宅厨房烟道排气系统技术要求和质量标准目录:1.依据(标准和规范)2.提供样品及相关资料3.设计、制作工序要求1)设计要求;2)制作工序要求;4.材料进场检查5.运输和堆放6.安装要求7.排气阀及相关配件8.烟道烟帽9.其他注意事项10.施工组织方案编制、供货、安装工期及其他时间配合要求1.依据1.1.除另有注明外,本工程须符合设计、图纸和相关国家、地方及行业标准,主要包括但不限于(当以下所引用的标准出现废止情况,自动更新为最新标准,并更新相应条款):《工程建设标准强制性条文》《建筑工程施工质量验收统一标准》(GB50300-2001)《建筑装饰装修工程质量验收规范》(GB50210-2001)《住宅装饰装修工程施工规范》(GB50327-2001)《住宅排气道(一)》(07J916—1)《住宅厨房卫生间变压式排风道图集(II型)》(统一编号:BK2001—02C)《住宅厨房卫生间变压式防串烟防倒灌排风道》(广东省推荐标准GJT003)《住宅共用变压拔气式五防排气系统》(广东省推荐标准粤12J/T910)《排油烟气防火止回阀》GA∕T798-2008《建筑通风和排烟系统用防火阀门》GB19530-2007《通风管道耐火实验方法》GB∕T17428-2009《建筑材料及制品燃烧性能分级》GB8624-2006《建筑材料放射性核素限量》GB6566-2001《建筑构件耐火实验方法》GB∕T19978-1999《住宅设计规范》(GB50096—2011)《民用建筑设计通则》GB50352—2005《住宅建筑规范》GB50368—2005《建筑设计防火规范》GB50016—2006《采暖通风与空气调节设计规范》GB50019—2003《住宅厨房、卫生间排气道》JG/T194—2006《住宅厨房及相关设备参数》(GB11228-89)1.2.本技术要求及质量标准是针对厨房排烟道,不包括卫生间排烟道和商业排烟道。
表A不同火灾规模下的机械排烟量
续表A
表B排烟口最大允许排烟量(X1o4
3∕h)
rn
续表B
注:1本表仅适用于排烟口设置于建筑空间顶部,且排烟口中心点至最近墙体的距离大于或等于2倍排烟口当量直径的情形、当小于2倍或排烟口设于侧墙时,应按表中的最大允许排烟量减半。
2本表仅列出了部分火灾热释放速率、部分
空间净高、部分设计烟层厚度条件下,排烟口的最大允许排烟量。
3对于不符合上述两条所述情形的工况,应按实际
情况按本标准第4.6.14条的规定进行计算。
表C防烟、排烟系统分部、分项工程划分表
表DT施工现场质量管理检查记录
表A3防烟、排烟系统分项工程施工过程检查记录
表E防烟、排烟系统工程质■控制资料检查记录
表F-2防烟、排烟系统隐蔽工程验收记录
表G防烟、排烟系统维护管理工作检查项目。
成品烟道安装工程技术标准一、适用范围本技术标准适用于佳兆业地产西南区域成品烟道工程招投标及现场施工指导。
适用于住宅厨房、卫生间烟气集中排放系统。
二、依据符合设计要求、图纸和国家、地方及行业相关标准,主要包括不限于:1、国家建设部颁布的建筑工业行业标准《住宅厨房、卫生间排气道》(JG/T194-2006)2、国家标准《建筑设计防火规范》(GB50016-2006)3、国家标准《住宅建筑规范》(GB50368-2005)三、烟道概述及分类1、住宅的烟道,是指住宅用于厨房、卫生间排放油烟和烹调废气及通风技术的竖向排风道。
目前在住宅使用的主要排风道形式是在集合住宅中竖向设置穿越各楼层的管道。
用于将各楼层厨房、卫生间的废弃收集后,集中排出。
四、成品烟道技术标准1、技术指标1.1.烟气道是以耐碱高强度玻纤网格布为增强材料的水泥浆薄壁构件,水泥应采用强度不小于32.5的低碱度水泥,砂采用中砂,水泥与砂的配合比为1:3,烟气道壁厚15mm;1.3.1.止回阀外壳、阀芯等主要构件应采用金属材料或ABS工程塑料制作;1.3.2.阀门烟气流动阻力系数不大于2.0;m/3;1.3.3.在200Pa背压下,阀门漏风量小于2h1.3.4.阀门的开启动压力不大于10Pa,开启角度不小于45度;1.3.5.阀芯能在不改变安装条件下方便自如地脱卸清洗。
1.2.设计要求1.2.1.条件允许的情况下,首层可不做成品烟道,改为在二层楼板烟道位置做成局部降板(降500mm左右),做成为首层现浇钢筋混凝土烟道。
1.2.2.烟道如穿过原楼板,则在根部做混凝土挡坎,挡坎高度为高出厅房楼板高度200mm。
1.2.3.烟道出屋面的部分及风帽必须做成钢筋混凝土整体结构。
1.2.4.成品烟道高度与楼层高度一致,烟道必须在楼板位置接缝。
1.2.5.烟道的布置方面,如果对外立面没有影响,可以考虑布置在室外。
这样,既可以增加房间的使用面积,也可以减少厨房漏水隐患。
建筑物烟道工程验收标准烟道排放测试要求建筑物烟道工程验收标准是确保建筑物烟道工程质量合格的基础,其中烟道排放测试是验收中的重要环节。
本文将详细介绍建筑物烟道工程验收标准中烟道排放测试的要求。
一、测试目的和原则烟道排放测试的目的是评估烟道系统的排放性能是否达标,以确保其对环境没有不良影响。
测试应严格按照相关法律法规和技术标准进行,确保测试结果准确、可靠。
测试过程应遵循公正、独立、客观的原则,确保结果真实可信。
二、测试环境和方法1. 测试环境烟道排放测试应在建筑物的正常使用条件下进行,确保测试结果代表实际使用情况。
测试过程中,应对建筑物周围环境进行监测,以排除外部因素对测试结果的干扰。
2. 测试方法(1)采样烟道排放测试应采用适当的采样方法,确保样品获取的准确性和代表性。
采样点的选择应遵循相关技术标准,并在测试前进行现场勘察和测点确认。
(2)分析对采集到的样品进行全面、准确的分析。
分析方法应符合相关技术标准和法规要求,并由具备相应资质的实验室进行。
三、测试要求1. 排放浓度限值根据建筑物使用性质和相关法律法规,确定烟道排放浓度的限值要求。
在测试过程中,应准确监测和记录烟道排放浓度,与限值进行比对。
2. 排放量限值烟道排放量限值也是建筑物烟道工程验收的重要指标之一。
排放量的计算应根据相关法律法规和技术标准进行,测试结果应与限值进行对比。
3. 排放物的监测要求烟道排放物的监测要求主要包括对排放物的种类、浓度、颗粒物大小等进行监测。
应使用合适的监测装置和方法,确保监测结果准确可靠。
4. 监测设备的要求烟道排放测试需要使用专业的监测设备,设备的性能和准确性对测试结果的可靠性至关重要。
在测试前,应对设备进行校准和验证,保证其能够满足测试要求。
5. 测试记录和报告烟道排放测试应详细记录测试过程中的各项数据和操作情况。
测试报告应准确、完整地呈现测试结果,并与排放限值进行对比。
报告中应包括测试方法、设备说明、数据分析和结论等内容。
成品烟道安装工程技术标准一、适用范围本技术标准适用于佳兆业地产西南区域成品烟道工程招投标及现场施工指导。
适用于住宅厨房、卫生间烟气集中排放系统。
二、依据符合设计要求、图纸和国家、地方及行业相关标准,主要包括不限于:1、国家建设部颁布的建筑工业行业标准《住宅厨房、卫生间排气道》(JG/T194-2006)2、国家标准《建筑设计防火规范》(GB50016-2006)3、国家标准《住宅建筑规范》(GB50368-2005)三、烟道概述及分类1、住宅的烟道,是指住宅用于厨房、卫生间排放油烟和烹调废气及通风技术的竖向排风道。
目前在住宅使用的主要排风道形式是在集合住宅中竖向设置穿越各楼层的管道。
用于将各楼层厨房、卫生间的废弃收集后,集中排出。
四、成品烟道技术标准1、技术指标1.1.烟气道是以耐碱高强度玻纤网格布为增强材料的水泥浆薄壁构件,水泥应采用强度不小于32.5的低碱度水泥,砂采用中砂,水泥与砂的配合比为1:3,烟气道壁厚15mm ; 1.2烟气道的性能应符合相关规范要求,其主要性能指标如下:检验项目 一等品 合格品体积密度,3/m g1.7~2.1 吸水率,%≤12 ≤18 抗弯强度,MPa≥13 ≥10 抗冲击强度,2/m KJ≥8 ≥6 垂直承载,KN≥110 ≥90 抗柔性冲击性 10Kg 砂袋1m 高度自由落下,同一位置冲击5次,不开裂燃烧性能 不燃烧体1.3脱卸式止回阀技术要求:1.3.1.止回阀外壳、阀芯等主要构件应采用金属材料或ABS 工程塑料制作;1.3.2.阀门烟气流动阻力系数不大于2.0;1.3.3.在200Pa 背压下,阀门漏风量小于2h m /3;1.3.4.阀门的开启动压力不大于10Pa ,开启角度不小于45度;1.3.5.阀芯能在不改变安装条件下方便自如地脱卸清洗。
1.2.设计要求1.2.1.条件允许的情况下,首层可不做成品烟道,改为在二层楼板烟道位置做成局部降板(降500mm 左右),做成为首层现浇钢筋混凝土烟道。
烟道的设计要求及安装标准时间:2011-03-31来源:未知作者:admin点击:212次导读:一、烟道的设计要求:1、条件允许的情况下,首层可不做成品烟道,改为在二层楼板烟道位置做成局部降板(降500左右),做成为首层现浇钢筋混凝土烟道。
2、烟道如穿过楼板,则在根部做混凝土挡坎,挡坎高度为高出厅一、烟道的设计要求:1、条件允许的情况下,首层可不做成品烟道,改为在二层楼板烟道位置做成局部降板(降500左右),做成为首层现浇钢筋混凝土烟道。
2、烟道如穿过楼板,则在根部做混凝土挡坎,挡坎高度为高出厅房楼板标高200。
3、烟道出屋面的部分及风帽必须做成钢筋混凝土整体结构。
4、成品烟道高度与楼层高度一致,烟道必须在楼板位置接缝。
5、烟道的布置方面,如果对外立面没有影响,可以考虑布置在室外,这样,既可以增加房间的使用面积,也可减少厨卫漏水隐患。
二、烟道的设计要求及安装标准:1、烟道由下向上逐层安装,特别要注意核对烟道型号和楼层。
严格按产品型号代号的标记,按顺序安装,安装时绝对不能错装。
2、烟道必须在楼板处接缝安装,上下管道之间的接缝用水泥砂素灰做好密封,管道与楼板间隙用C20细石混凝土填塞,并浇注C20混凝土坎(坎厚80,坎顶标高较厅房楼板标高高200),每层排风道要做承托处理(烟道下端预埋铁件,在楼板处焊接角钢承托)。
3、烟道安装后,必须用C20细石混凝土灌实烟道与墙面的间隙,如间隙过小,则应在安装烟道前,将墙面抹灰,防止烟道万一漏烟串过墙面。
4、施工时不允许异物投入烟道中,烟道施工安装过程中,管口应采取遮蔽措施,直到安装接口件时再拆除。
遮蔽为薄壁水泥砂浆时,厂家应在其表面预埋铁丝,方便拆除时外拉,以免造成拆除时薄壁掉入烟道内。
5、为规范和方便厨房烟道与排油烟机的连接,管道厂家应提供专用的排风道进风口接口件,供施工单位在厨房内抹灰时嵌埋。
6、注意首层烟道的沉降,要注意确保首层烟道与建筑共同沉降。
7、清洗烟道表面时,烟道与墙面之间应挂网,防止接缝处开裂。
住宅烟道系统一、适用范围本工法适用于大唐地产南宁城市公司广西区域所有烟道的制安工程招投标及现场施工指导。
二、依据2.1除另有注明外,本工法须符合设计、图纸和相关国家、地方及行业标准,主要包括但不限于:> 《工程建设标准强制性条文》> 《住宅厨房、卫生间防火组合变压型排气道》(桂11J601)> 《住宅厨房、卫生间防火组合变压型排气道》(桂12J602)> 《住宅排气道(一)》(07J916-1)> 《排油烟气防火止回阀》GA/ T798-2008> 《建筑通风和排烟系统用防火阀门》GB19530-2007> 《通风管道耐火试验方法》GB /T17428-2009> 《建筑材料及制品燃烧性能分级》GB8624-2006> 《建筑材料放射性核素限量》GB6566-2001> 《建筑构件耐火试验方法》GB /T19978-1999> 《住宅设计规范》(GB50096—2011)> 《民用建筑设计通则》GB50352—2005> 《住宅建筑规范》GB50368—2005> 《建筑设计防火规范》GB50016—2006> 《采暖通风与空气调节设计规范》GB50019—2003> 《住宅厨房、卫生间排气道》JG/T194—2006> 《住宅厨房及相关设备参数》(GB11228-89)> 《全国民用建筑工程设计技术措施09版》2.2本工法仅针对厨房排烟道,不包括卫生间排烟道和商业排烟道。
三、烟道概述及分类3.1住宅的烟道,是指住宅用于厨房、卫生间排放烟和烹饪废气及通风的竖向排气道。
目前在住宅中所用的排气道主要形式是在住宅中设置竖向穿越各楼层的管道,通过机械(抽油烟机或排风扇)将各楼层厨房、卫生间的废气收集后,集中排出。
3.2住宅排气道按照产品特性分为:自排式排气道、变压式排气道、止逆阀是排气道、变压与止逆阀式排气道等。
目录1、…………………………………………………………………………编制依据2、………………………………………………………………………术语和定义3、………………………………………………………………产品性能技术要求4、…………………………………………………………………………材料要求5、………………………………………………………………………..质量要求6、…………………………………………………………………………设计要求7、……………………………………………………………………施工安装要求8、……………………………………………………………………成品保护要求9、…………………………………………………………………………注意事项10、………………………………………………………………………………验收11、…………………………………………………………………………施工图集1、依据1.1除另有注明外,本工程须符合设计要求、图纸和相关国家、地方及行业标准,主要包括但不限于:《高层民用建筑设计防火规范》GB 50045《住宅设计规范》GB 50096《民用建筑设计通则》GB 50352《住宅建筑规范》GB 50368《住宅厨房、卫生间排气道》JG/T 194-2006《排油烟气防火止回阀》GA/T 798-2008《住宅排气道一》07J916-1《住宅厨房卫生间变压式排风道Ⅱ型安装构造》05EJ5061.2本标准适用于40层及40层以下的住宅厨房和卫生间的机械排风用排气道。
不适用于燃气热水器、燃油和燃煤锅炉用排气道。
超高层住宅建筑可参照使用。
2、术语和定义2.1烟道将烟送到外部空间去的孔道,是用于排除厨房炊事活动产生的烟气的管道制品2.2排风井用来调节卫生间内空气,将卫生间浊气排到室外的井道2.3排气道用于排除厨房炊事活动产生的烟气或卫生间浊气的管道制品是住宅厨房卫生间共用排气管道系统的基本组成部分,烟道和排风井统称为排气道2.4进气口排气道制品的进气口2.5止回阀靠烟道管路中油烟气本身的流动产生的力而自动开启和关闭的自动阀门,其主要作用是防止油烟气倒流。
分为防火止回阀(有消防要求时)和普通止回阀(无消防要求时)2.6风帽分为自力式风帽、变压式风帽和无动力风帽,严格按照设计要求选用,本标准推荐采用自力式风帽和无动力风帽,形式见附图15,无动力风帽尺寸规格见表二。
若设计对风帽无任何要求时,则按照预制成品风帽要求施工。
3、产品性能、技术参数3.1 排气道系统由竖向排气道管体、导流式排油烟气防火止回阀(有消防要求时)、风帽及排气机械设备组成。
排气道产品按2.8米(3.0米)层高考虑,标准长度2800mm (3000mm),非标准构件可按设计要求另行加工,排气道长度为下层楼板表面至上层楼板表面的距离。
3.2 厨房排气道按每台排油烟机排风量为300~500m3/h设计,卫生间排气道按每台排风机排风量为200~300m3/h设计。
3.3 排气道分普通排气道和变压式排气道两种,变压式排气道是在普通排气道内部设置了气流导向装置——导向管和气体变压装置——变压板,使上升气流在上层排气道进气口位置形成局部负压,再配以导流式排油烟气防火止回阀(有消防要求时)的导流和止逆作用,可有效地防止气体的回流,并能起到隔烟阻火的作用。
3.4 排气道管体的耐火极限不应低于1.0h。
3.5 排气道管体垂直承重力不应小于90KN。
3.6 排气道管体在使用10Kg砂袋,由1m高度自由落下,同一位置冲击5次的条件下,排气道制品不开裂。
3.7 导流式排油烟气防火止回阀(有消防要求时)技术要求应符合GA/T 798-2006《排油烟气防火止回阀》的规定。
注:标准中使用的止逆阀是“导流式排油烟气防火止回阀”,目前公司使用的止逆阀无防火功能,消防验收也无该项内容,若后期消防验收有该要求时,则依消防验收标准采用导流式排油烟气防火止回阀4、材料要求4.1排气道是以钢丝网为增强材料的水泥砂浆薄壁构件,强度达到M20,壁厚为10~15mm,不同截面尺寸的烟道选用不同的壁厚,相见表一4.2钢丝网水泥排气道制品的水泥应采用强度等级不低于42.5级,硅酸盐水泥、普通硅酸盐水泥性能应符合GB175的规定,快硬硅酸盐水泥性能应符合GB199的规定,矿渣硅酸盐水泥、火山灰质硅酸盐水泥及粉煤灰制硅酸盐水泥性能应符合GB1344的规定。
增强材料宜使用22#~26#钢丝网及ø4钢筋,钢丝网网眼尺寸宜为10mm×10mm。
4.3当风帽采用预制成品时,屋顶风帽出气口尺寸如下:4.4当设计对风帽无任何要求时,可由施工单位现场制作时,且屋顶风帽四个方向的出气口尺寸不得小于预制成品的尺寸。
4.5变压版、导向管采用薄壁预制成品。
4.6止逆阀须采用不锈型材料制作,阀门烟气流动阻力系数不大于2.0。
4.7止逆阀的开启动压不大于5.4Pa,开启角度不小于45°,阀门关闭时在300Pa被压下,阀门漏风量小于1m³/h。
5、质量要求5.1排气道内表面应光滑,外表面应平整无孔洞和裂缝,端面平整且无毛边,壁厚应均匀。
5.2排气道不允许有裂纹,内壁交界处宜制成圆角或倒角。
5.3排气道端面应平整无飞边,且与管体外壁面相垂直。
5.4管体承载力≥25KN,管体垂直破坏荷载≥38KN,5.5有下列情况的排气道允许修补:A)每侧壁面的麻面、蜂窝不应超过两处,每处面积不应超过0.005㎡;B)端面碰损,外壁纵深度不应超过50mm,宽度不应超过100mm。
5.6排气道尺寸公差、验收检验执行《住宅厨房、卫生间排气道》JG/T 194的有关规定排气道尺寸与形位允许偏差(mm)注:垂直度系指管体外壁面相对于管体端面而言6、设计要求6.1户型设计时应充分考虑烟道的尺寸及布置,避免烟道位置影响厨房布置、避免烟道与烟机位距离过大造成排烟不畅;6.2结构设计时应核实图纸,保证排气道垂直布置,不应水平布置或中途转弯、改变断面,避免结构梁占用烟道位置,造成烟道无法安装或截面尺寸变小等问题影响排烟效果。
6.3相邻排气道不宜并联布置,以免影响风帽排风效果,排气道的位置宜避开屋面楼梯间外墙、水箱外壁等构筑物,必须贴临布置时,风帽基座应高出构筑物顶,以保证风帽四面排风。
6.4排气道的位置应一个面或两个面贴墙布置,当排风道不贴墙布置时,应经单项工程设计作加固处理。
6.5设计人员在选用排气道型号时,应根据住宅层数选用并考虑厨房、卫生间的平面布置形式,使排气道进气口与排油烟机或排气扇直接对接。
在设计选型时,应注明楼板预留洞尺寸和排气道型号;6.6无动力风帽安装在屋面时,必须与避雷带连接,做法见下图无动力排气风帽与避雷带连接端子示意6.7排气道起始层落在地面上,基础构造见附图14-⑤或下图⑤。
首层落在楼板上,设计人员应考虑排气道的荷载,验算局部配筋,并应进行抗倾覆验算,构造详见附图14-⑥或下图⑥。
7、施工及安装要求7.1排气道的施工应在主体结构完工、楼板预留洞拆模后,在隔墙板安装、装饰工程和设备管道安装之前进行。
7.2排气道安装之前,应对排气道的标志、尺寸及外观进行检查,并校对型号及层号。
7.3检查楼板预留洞口是否符合设计要求,上下楼板孔洞是否垂直对中,不符合要求应进行调整。
7.4悬挑外脚手架的工字钢不易压在烟道预留洞口上,避免影响后期烟道安装质量。
7.5混凝土输送管不易铺设在烟道预留洞口内,影响烟道安装。
7.6排气道搬运应防止碰、撬、摔等机械损伤。
安装前应对其外观进行质量检查,并清除其内外表面杂物。
安装中途停顿时,应将排气道端口临时封闭,避免杂物坠入。
7.7排气道安装应自下而上逐层安装,每安装完三层管道时,应及时用C20细石混凝土将排气道与楼板之间的缝隙填实,并做防水处理。
排气道与楼板缝隙做法详见附图14-①②或见下图7.8从排气道安装的第二层开始,每层要做承托处理,其构造详图见下图承托钢筋选用标准:或用承托角钢,具体做法见下图:排气道可按本图所示在每层楼板接头处设L30x30x30钢托,使每层的排气道承托于该层,钢托设于排气道长边或短边;采用两根排气道上下连接时,连接处用聚合物砂浆为座浆勾缝磨平,外贴100宽玻纤网格布;排气道接缝处医用0.5后镀锌薄钢板U型箍与墙连接,U型箍外再贴一层玻纤网格布,腻子刮平。
7.9上下两节排气道对接宜用水泥砂浆加胶粘剂密封,质量比为水泥:细沙:801建筑胶=1:2:(0.25~0.5),座浆应饱满。
7.10出屋面排气道的施工应在屋面保温隔热层、防水层施工前进行。
7.11风帽安装前,应将出屋面排气道的出口用钢板网(直径1mm,孔径50mm×50mm)遮盖,避免杂物掉入或发生危险。
7.12自力式风帽安装节点详图见附图17、18、19。
无动力风帽安装节点详图20、21、22。
7.13如在排气道外壁粘贴瓷砖,应在排气道外壁增加一道钢丝网(丝径0.5mm,孔径10mm×10mm~15mm×15mm),钢丝网应超过排气道与墙面的交接处150mm并固定,用1:3水泥砂浆打底,再按贴瓷砖的施工要求粘贴瓷砖。
7.14排气道进气口必须安装导流式排油烟气防火止回阀,安装方法详见附图18或如下图7.15排烟道进气口穿墙和外包管井做法;厨房排烟道进气口处预埋内径170~175套管穿墙,套管长度齐墙体厚度一致,中对中,套管高度板底距套管边缘80~100。
卫生间排气道外包管井在进气口处预埋直径110穿墙套管,长度齐墙体粉刷层,中对中,套管高度板底距套管边缘80~100。
7.16烟道安装至屋面后需及时砖砌或现浇风帽基座至标准高度,上口伸出的高度应不低于女儿墙(或构筑物)确保风帽出气口四面通风,要及时将风帽基座及盖板粉刷完工并安装钢丝网,以免屋面杂物坠入管内。
7.17屋顶风帽现场施工的要求:当设计对风帽无任何要求时,由施工单位现场制作时,需要满足以下要求:1)砌体应围绕成品烟道或排气井外壁砌筑,不得减小烟道或排气井的截面尺寸,并且砂浆应随砌随抹,保持井道内光滑,砂浆不得落入井内;2)风帽顶部必须用镀锌钢丝网或带孔不锈钢板封闭,以防止物体坠落井内,导致止逆阀失效;3)风帽可排气部位最低处应高出女儿墙300mm;4)风帽应采用有效措施避免雨水落入井内,当采用铝合金百叶时,叶片间最小间距不小于50mm(叶片与叶片之间的有效距离,不是叶片中心间距,见附图);四个方向的通风面积中百叶框内净高度和净宽度尺寸不应小于下表对应的尺寸要求:5)通风百叶四个方向中,如果某一方被女儿墙或电梯机房遮挡,另外三个方向应增加百叶高度,可采取面积代换进行增加。
8、产品标志、运输及堆放要求8.1应在排气道进气口下缘100mm处喷涂产品型号、气流方向、生产厂家名称及生产日期等。