太阳能热水系统工程质量竣工报告
- 格式:doc
- 大小:174.50 KB
- 文档页数:21
太阳能工程质量验收证明书单位工程名称:安装面积:施工单位名称:工程名称:太阳能热水器安装海南XXXX有限公司工程竣工验收报告单位工程名称海南XXXX学生公寓安装面积施工单位名称海南XXXX有限公司设计单位名称海南XXXX有限公司工程开工时间年10月10日投入使用时间年月日工程造价¥N元工程概况工程质量竣工报告(合格证明书单位工程名称海南XXXX 学生公寓安装面积施工单位名称海南XXXXX 有限公司施工单位地址施工单位邮编联系电话质量验收意见1、海南瑞乐阳光科技有限公司依法承揽工程、分包工程签订书面合同,符合资质要求,已建立工程质量保证体系;2、本工程已按要求完成工程设计和合同约定各项内容;3、工程完成后,经自查,工程达到竣工标准,工程质量达到合格质量等级,满足使用功能要求.项目经理:日期: 年月日施工单位公章企业质量负责人: 日期:年月日企业技术负责人:(总工程师日期:年月日企业法人代表: 日期: 年月日分项、分部质量验收证明书质量验收意见施工单位意见1、经自查,该分项(分部工程质量,符合下列要求:(1、我国现行法律、法规要求:(2、我国现行工程建设强制性标准要求;(3、设计文件要求;(4、施工合同要求;(5、质保资料有效齐全要求。
2、自评质量等级总工程师:、日期:年月日施工单位章:项目经理:、日期:年月日设计单位意见经自查,该分项(分部工程质量,符合下列要求:(1、我国现行法律、法规要求:(2、我国现行工程建设强制性标准要求;(3、设计文件要求(包括设计变更要求;(4、工程质量缺陷处理符合设计处理要求。
设计项目负责人:日期:年月日设计单位章:工程质量检验单工程名称:海南XXXXX学生公寓安装单位:海南XXXX有限公司安装面积:全玻璃真空管支竣工时间:年月日序号检验内容完成确认安装质量情况1 太阳能集热器支架制作安装合格2 太阳能保温水箱制作安装合格3 联集器合格4 尾托合格5 太阳能循环管道合格6 太阳能热水管网、混合双向水龙头合格7 太阳能集热器合格8 太阳能循环泵合格9 回水泵合格10 加压泵合格11 辅助燃油热水炉合格12 电控箱合格设备质量测试运行情况:甲方验收人员意见:签名:日期:乙方验收人员意见:签名:日期:。
太阳能热水系统工程竣工验收资料目录第一分册:太阳能热水系统工程质量竣工验收记录1、施工单位出具的《太阳能热水系统工程质量竣工报告》2、设计单位出具的《太阳能热水系统工程质量检查报告》3、监理单位出具的《太阳能热水系统工程质量评估报告》4、监理单位提交的《太阳能热水系统工程质量验收监督通知书》5、《太阳能热水系统工程质量管理和控制及功能检验资料核查记录》6、《太阳能热水系统工程观感质量检查记录》7、《太阳能热水系统工程质量验收记录》8、《太阳能热水系统工程竣工验收报告》第二分册:太阳能热水系统工程施工质量管理记录1、施工许可证2、太阳能热水系统工程专业分包单位资质及施工分包合同3、分包项目管理人员资质4、分包工程开工报告5、分包单位施工项目管理机构审查记录6、施工现场质量管理检查记录7、施工组织设计方案审批记录& 设计图纸会审记录9、施工技术交底记录10、分部工程质量验收申请表11、施工日记第三分册:太阳能热水系统工程施工质量主控资料与安全和使用功能检查资料及主要功能抽查资料一、给排水工程1、材料、设备清单2、材料、设备出厂合格证及出厂检测报告3、主要设备开箱检查记录4、塑料管道熔接质量检查记录5、阀门强度、严密性实验记录6、各类管道,阀门和设备隐蔽前强度和严密性试验记录7、隐蔽工程验收记录8电线电缆隐蔽工程验收记录9、管道系统吹(冲)洗(脱脂)实验记录10、淌口水箱(罐)水压试验记录11、给水管道通水实验记录12、屋面淋水或蓄水试验记录13、系统集热性能检验记录14、太阳能热水系统调试和运行记录15、太阳能热水系统工程使用维护说明书16、交接检查记录17、分项工程质量验收记录18、施工记录二、电气工程19、接地电阻测试记录20、绝缘电阻测试记录21、漏电开关模拟试验记录22、成套配电柜、控制柜安装检验批质量验收记录23、电线、电缆管和线槽敷线检验批质量验收记录表三、智能建筑工程24、系统功能测定记录25、设备调试记录26、智能建筑分部工程观感质量检查评价验收记录27、材料、构配件进场检验记录28、智能建筑系统试运行记录第一分册:太阳能热水系统工程质量竣工验收记录1、《太阳能热水系统工程质量竣工报告》2、《太阳能热水系统工程质量检查报告》3、《太阳能热水系统工程质量验收监督通知书》4、《太阳能热水系统工程质量管理和控制及功能检验资料核查记录》5、《太阳能热水系统工程观感质量检查记录》6、《太阳能热水系统工程质量验收记录》7、《太阳能热水系统工程竣工验收报告》1、太阳能热水系统工程质量竣工报告2、太阳能热水系统工程质量检查报告表TYN1-3- 封面3、太阳能热水系统工程质量评估报告工程名称:__________________________________________________________监理单位:日期:_____________________________________________________________TYN1-3-1TYN-1-3-24、太阳能热水系统工程质量验收监督通知书5、太阳能热水系统工程质量管理和控制及功能检验资料核查记录6、太阳能热水系统工程质量观感质量检查记录注:1.本表“抽查质量状况”栏中,观感质量好打,一般打“O”,差打“X”,质量评价为差的项目应进行返修。
工程竣工报告一、工程概况。
本次工程是由我公司承接的XX项目,位于XX地区,总占地面积XXX平方米,总建筑面积XXX平方米,工程内容包括XXX。
经过XX个月的紧张施工,项目已于XX年XX月XX日顺利竣工。
二、工程质量。
在施工过程中,我们严格按照相关标准和规范进行施工,确保了工程质量。
所有材料均符合国家标准,施工过程中严格按照设计图纸进行,保证了工程的准确性和稳定性。
经过多次的质量检查和验收,工程质量达到了预期目标,各项指标均符合要求。
三、安全生产。
在工程施工过程中,我们高度重视安全生产工作,建立了科学的安全管理体系,严格执行各项安全操作规程。
全体施工人员均参加了安全生产培训,具备了相关的安全生产知识和技能。
在施工现场,我们严格执行各项安全措施,确保了施工过程中的安全和稳定。
在工程竣工过程中,未发生任何安全事故,得到了业主和监理单位的一致好评。
四、环保措施。
在工程施工过程中,我们积极采取了各项环保措施,减少了对环境的影响。
严格控制施工噪音和粉尘污染,合理利用水资源,减少了对周边环境的影响。
在竣工后,我们对工程周边环境进行了清理和恢复,确保了周边环境的整洁和美观。
五、工程成果。
经过多方努力,本次工程取得了丰硕的成果,得到了广大业主和用户的肯定和好评。
工程竣工后,已经投入使用,各项设施齐全,运行良好,为当地的经济和社会发展做出了积极贡献。
六、总结。
本次工程的竣工,标志着我们取得了一定的成绩,也意味着我们将迎来新的挑战和机遇。
我们将继续秉承“质量第一,用户至上”的宗旨,不断提高自身的施工水平和服务质量,为客户提供更优质的工程服务。
同时,我们也将继续加大科技创新和人才培养力度,不断提升企业的核心竞争力,为行业的发展做出更大的贡献。
七、致谢。
在此,我们要感谢业主单位、监理单位、设计单位、施工人员以及所有关心支持本工程建设的各界人士,是你们的支持和帮助,才使得本次工程竣工顺利。
我们将以更加饱满的热情和更加务实的作风,继续为社会建设事业做出更大的贡献。
表1太阳能热水系统工程质量竣工报告
说明
1、本报告由施工单位负责填写, 向建设单位提交。
2、填写要求内容真实, 语言简练, 字迹清楚。
3、本表中”具备竣工验收条件情况”各项应全部符合有关规定, 否则认为不具备竣工验收条件, 不能申请竣工验收。
4、本报告一式五份, 施工单位、监理单位、建设单位、监督站、备案部门各一份。
表2太阳能热水系统工程质量检查报告
说明
1、本报告由设计单位负责填写, 向建设单位提交。
2、填写要求内容真实, 语言简练, 字迹清楚。
3、本报告一式四份, 设计单位、建设单位、监督站、备案部门各一份。
表3太阳能热水系统工程质量评估报告
工程名称
监理单位( 盖章)
年月日
说明
1、本报告由监理单位负责填写, 向建设单位提交。
2、填写要求内容真实, 语言简练, 字迹清楚。
3、本报告一式四份, 监理单位、建设单位、监督站、备案部门各一份。
太阳能设备竣工验收报告报告概要:本报告是关于太阳能设备竣工验收的详细情况和评估结果。
验收主要涉及设备安装情况、性能测试和可行性分析,并对设备的使用和维护提出建议。
通过本次验收,我们旨在确保太阳能设备达到预期的效果和要求,促进可持续能源的使用。
1. 设备安装情况太阳能设备的竣工验收首先需要确保设备的正确安装。
我们对设备的支架、组件安装、电网连接等进行了详细检查。
所有安装工作均符合相关安全标准和规范要求。
在此基础上,我们进一步测试了设备的稳定性和可靠性,并进行了现场巡视,以验证设备无安全隐患。
2. 设备性能测试为了评估太阳能设备的性能,我们进行了一系列测试。
首先是光电转换效率测试,包括太阳能电池板的光吸收、光电转换和输出电流等参数。
测试结果表明,设备的光电转换效率符合预期,并能满足预定的电能产出需求。
此外,我们还对设备的电池储存性能、逆变器效率等进行了评估,结果均符合要求。
3. 可行性分析太阳能设备的可行性分析是对设备投资与回报的评估。
我们考虑了诸多因素,包括设备成本、设备维护、电能产出和可再生能源政策等。
通过综合评估,我们得出了以下结论:太阳能设备的可行性较高,能够满足长期稳定的电能供应需求,并在经济和环境方面带来巨大的潜力。
建议相关方面考虑增加太阳能设备的投资与应用。
4. 使用和维护建议根据我们的验收结果,我们为使用和维护太阳能设备提出了以下建议:- 定期清洗设备表面和组件,以保持设备的最佳工作状态;- 建立完善的设备维护记录,及时处理设备故障和损坏;- 加强对设备的监测和维护,确保设备长期稳定运行;- 定期检查设备的电缆和连接器,防止线路松动或氧化导致的电能损失;- 培训维护人员,提高其对设备操作和维护的技能水平。
结论:通过本次太阳能设备竣工验收,我们确认设备安装合规,性能良好,并且满足可行性要求。
太阳能设备在可持续能源发展中具有重要地位和作用。
希望相关方面能充分利用该设备,提高可再生能源利用率,为环境保护和经济发展做出贡献。
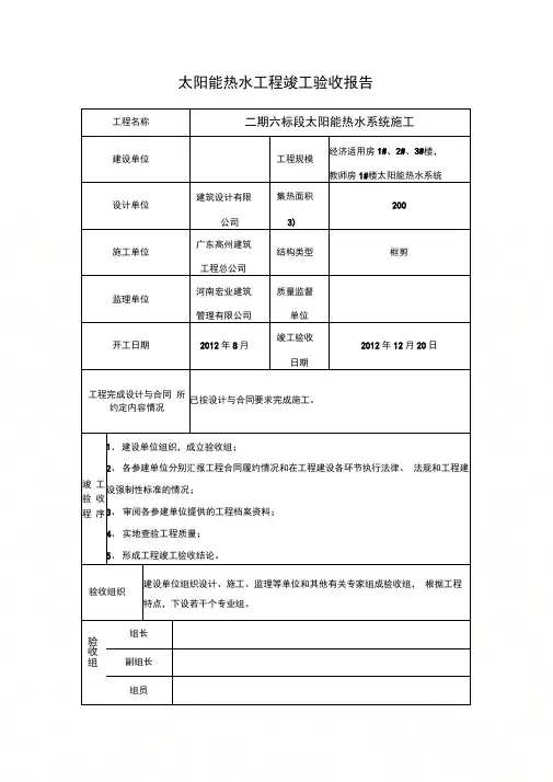
太阳能热水工程竣工验收报告工程名称二期六标段太阳能热水系统施工建设单位工程规模经济适用房1#、2#、3#楼,教师房1#楼太阳能热水系统设计单位建筑设计有限公司集热面积3)200施工单位广东高州建筑工程总公司结构类型框剪监理单位河南宏业建筑管理有限公司质量监督单位开工日期2012年8月竣工验收日期2012年12月20日工程完成设计与合同所约定内容情况已按设计与合同要求完成施工。
竣工验收程序1、建设单位组织,成立验收组;2、各参建单位分别汇报工程合同履约情况和在工程建设各环节执行法律、法规和工程建设强制性标准的情况;3、审阅各参建单位提供的工程档案资料;4、实地查验工程质量;5、形成工程竣工验收结论。
验收组织建设单位组织设计、施工、监理等单位和其他有关专家组成验收组,根据工程特点,下设若干个专业组。
验收组组长副组长组员工程竣工验收情况分项名称验收结论共4分项经查分项,符合标准及设计要求 4 分项。
检查结果:合格质量控制资料核查:观感质量验收土建工程合格共5项,经审查符合要求5 项,经过核定符合规范要求5项。
安全和主要使用功能核查及抽查结果:共核查丄项,符合要求1项,共抽查1 项,符合要_1_项,经返工处理符合要求0项。
检查结果:合格共抽查6项,符合要求项,不符合要求0项。
抽查结果:合格给排水工程合格电气工程工程合格监测与控制工程合格参建各方竣工验收 .、、八意见建设单位(公章)项目负责人:设计单位(公早)设计负责人:施工单位(公早)项目经理:技术负责人:监理单位(公章)总监理工程师:验收组工程竣工验收结论竣工验收程序执行情况:建设单位执行基本建设程序情况:对工程设计、施工、监理等方面的评价:对工程施工、设备安装质量和各管理环节等方面做出总体评价:参加验收人贝签字单位名称姓名广东高州建筑工程总公司黄家平、李卧龙、陈南坤、陈国燕、马红林。
太阳能热水工程验收报告一、工程概述太阳能热水工程是为了利用太阳能的热能,提供给用户供暖和热水的系统。
本工程于XX年XX月XX日开始施工,历时XX个月,总投资XX万元。
工程包括太阳能集热器的安装、热水储存设备的配套安装以及管道系统的铺设等。
二、工程验收内容1.太阳能集热器的安装情况根据合同要求,太阳能集热器的数量和类型符合设计要求,并且安装位置合理。
集热器的连接、固定和绝缘等工艺操作符合规范要求,各组件之间接头连接严密,无渗漏现象。
集热器表面没有明显划痕、裂纹或者褪色情况。
2.热水储存设备的配套安装情况热水储存设备的数量和容量符合合同要求,并且安装位置合理。
设备的连接、固定和绝缘等工艺操作符合规范要求,各管道接头连接严密,无渗漏现象。
设备外表未发现明显损坏或者腐蚀情况。
3.管道系统的铺设情况管道系统的设计符合规范要求,并且根据设计进行合理铺设。
管道系统采用优质材料,连接紧密,无泄漏现象。
管道铺设过程中遵守安全操作,各连接点使用密封材料密封严实,无渗漏现象。
4.辅助设备的安装情况辅助设备包括泵、控制器、阀门等,其数量和类型符合设计要求,并且安装位置合理。
设备的连接、固定和绝缘等工艺操作符合规范要求,各管道接头连接严密,无渗漏现象。
设备外表未发现明显损坏或者腐蚀情况。
5.系统运行情况测试完成工程验收前,对太阳能热水系统进行了系统运行情况测试。
测试表明,系统运行正常,太阳能集热器吸收太阳能并将其转化为热能,热水储存设备按照设计要求储存热水,并且通过管道系统向用户提供热水。
系统在运行过程中无明显异常现象。
三、现场验收情况本次验收是在施工现场进行的。
验收小组成员对工程进行了现场勘察与检查,对照设计文件与合同要求,进行了全面的验收。
根据现场勘察和检查,太阳能热水工程整体质量较好,符合设计要求和合同规定。
工程实施过程中严格按照相关标准和要求进行操作,工程质量得到有效控制。
四、问题与建议在工程验收过程中,未发现明显质量问题,但还是存在一些建议和改进点,具体如下:1.需要加强工程质量管理,严格按照设计要求和合同规定进行施工,确保太阳能热水系统的质量和可靠性。
工程竣工报告范本一、工程概况本报告针对XXX工程的竣工情况进行详细总结,该工程位于XXXX地区,总工程规模约为XXX平方米。
项目建设周期为XXX个月,从XXXX年X月开始,至XXXX年X月完成竣工。
二、工程进展本工程从计划开始,在项目启动阶段进行了充分的前期准备工作,包括项目规划、设计方案确定、人员组织等。
在施工过程中,按照合同约定的要求和标准进行施工,确保了工程的顺利进行。
在建设过程中,我们组织了一支专业的施工团队,严格遵守工程施工组织设计、施工技术标准和安全操作规程等,确保了质量、安全和进度的顺利推进,同时采用了先进的施工技术和设备,提高了工程质量和效率。
三、技术标准与质量控制本工程严格按照国家和地方关于工程建设的相关技术规范进行施工。
我们严格把控每一个施工环节,按照图纸要求进行规范施工。
同时,我们注重施工现场的管理和质量控制,进行了多次的现场巡查,对存在的质量问题及时进行整改。
在施工过程中,我们采取了一系列的质量检测措施,包括实验室试验、现场检测等。
通过不断优化工艺和工程控制措施,确保了施工流程的稳定和质量的稳定。
最终,工程达到了设计要求的质量标准。
四、安全管理在施工过程中,我们高度重视安全管理,切实保障了人员和财产的安全。
我们按照相关法律法规和安全生产规章制度,制定了详细的安全施工方案,明确了施工现场的安全隐患及相应的防范措施。
同时,我们组织了安全培训,提高了员工的安全意识和操作技能。
严格执行工地安全规章制度,提供了必要的安全防护设施,确保了施工过程中的人员安全。
五、竣工验收及问题整改在工程竣工前,我们组织了竣工验收,邀请了相关专家对工程进行检查和评估。
根据专家评估和监理单位的要求,我们对存在的问题进行了整改和修复,并获得了竣工验收的合格证书。
六、工程成果与社会效益本工程的竣工对于当地经济发展起到了积极的推动作用,为当地居民提供了便利的生活空间。
工程的建设还带动了周边产业发展,为就业创造了良好的条件。
太阳能竣工验收资料目录第一册太阳能热水系统工程质量竣工验收资料1、施工单位出具的《太阳能热水系统工程质量竣工报告》(表1)2、设计单位出具的《太阳能热水系统工程质量检查报告》(表2)3、监理单位出具的《太阳能热水系统工程质量评估报告》(表3)4、监理单位(或建设单位)提交的《太阳能热水系统工程质量验收监督通知书》(表4)5、《太阳能热水系统工程质量管理和控制及功能检验资料核查记录》(表5)6、《太阳能热水系统工程观感质量检查记录》(表6)7、《太阳能热水系统工程质量验收记录》(表7)8、《太阳能热水系统工程竣工验收报告》(表8)第二册太阳能热水系统工程施工质量管理资料1、施工图设计文件审查意见2、施工许可证3、太阳能热水系统工程专业分包单位资质及施工分包合同4、天面荷载变更设计单位验算证明材料5、开工报告(表9)6、施工现场质量管理检查记录(表10)7、图纸会审记录(表11)8、设计变更、洽商记录9、太阳能热水系统工程施工组织设计(施工方案)及审批记录10、施工技术交底记录(表12)11、太阳能热水系统工程质量事故调查处理记录(表13、表14、表15)12、施工日记(表16)13、太阳能热水系统工程竣工图第三册太阳能热水系统工程质量控制资料与安全和使用功能检验资料及主要功能抽查资料第一分册给排水工程一、施工质量保证资料1、材料、配件、设备出厂合格证及进场检(试)验报告(1)材料、设备清单(表17)(2)材料、设备出厂合格证及进场检(试)验报告(3)主要设备开箱检验记录(表18)2、管道、设备强度试验和严密性试验记录(1)阀门安装前强度和严密性试验记录(表19)(2)热水管道系统安装完毕后,管道水压试验及太阳能集热器玻璃安装前,集热排管和上下集管水压试验记录(表20)3、压力容器及设备试运转记录4、示范项目能效测评报告(含《形式检查报告》、《性能检测报告》、《能效评估报告》5、隐蔽工程验收记录和中间验收记录(表21)6、系统冲洗、灌(满)水试验记录(1)热水管道系统冲洗试验记录(表22)(2)水池灌(满)水试验记录(表23)(3)通水试验记录(表24)7、系统水质化验报告8、屋面防水检漏记录(表25)9、系统集热性能检验记录(表26)10、太阳能热水系统调试和试运行记录(表27)11、太阳能热水系统工程使用维护说明书12、交接检查记录(表28)13、施工记录(表29)二、施工质量验收记录1、检验批质量验收记录2、分项工程质量验收记录三、安全和功能检验资料及主要功能抽查记录1、给水管道通水试验记录2、排水干管通球试验记录第二分册电气工程一、施工质量保证资料1、材料、配件、设备出厂合格证及进场检(试)验报告(1)材料、设备清单(2)材料、设备出厂合格证及进场检(试)验报告(3)主要设备开箱检验记录2、隐蔽工程验收记录3、电气工程试验记录(1)接地电阻测试记录(表30)(2)绝缘电阻测试记录(表31)(3)漏电开关模拟试验记录(表32)(4)抽测:由法定检测部门出具抽测报告4、交接检查记录5、施工记录二、施工质量验收记录1、检验批质量验收记录2、分项工程质量验收记录第三分册监测与控制工程一、施工质量控制资料1、材料、设备出厂合格证及进场检(试)验报告(1)材料、设备清单(2)材料、设备出厂合格证及进场检(试)验报告(3)主要材料、设备开箱检验记录2、隐蔽工程验收记录3、设备调试记录(表33)4、系统功能测定记录(表34)5、系统技术、操作和维护手册二、施工质量验收记录1、检验批质量验收记录2、分项工程质量验收记录三、安全和功能检验资料及主要功能抽查记录1、系统试运行记录(表35)2、系统电源及接地检测报告注:土建工程质量控制资料与安全和使用功能检验资料及主要功能抽查资料、其它安装工程用表参照《建筑工程竣工资料目录及统一用表》整理。
太阳能热水系统工程竣工验收资料目录第一分册:太阳能热水系统工程质量竣工验收记录1 、施工单位出具的《太阳能热水系统工程质量竣工报告》2 、设计单位出具的《太阳能热水系统工程质量检查报告》3 、监理单位出具的《太阳能热水系统工程质量评估报告》4 、监理单位提交的《太阳能热水系统工程质量验收监督通知书》5 、《太阳能热水系统工程质量管理和控制及功能检验资料核查记录》6 、《太阳能热水系统工程观感质量检查记录》7 、《太阳能热水系统工程质量验收记录》8 、《太阳能热水系统工程竣工验收报告》第二分册:太阳能热水系统工程施工质量管理记录1、施工许可证2、太阳能热水系统工程专业分包单位资质及施工分包合同3、分包项目管理人员资质4、分包工程开工报告5、分包单位施工项目管理机构审查记录6、施工现场质量管理检查记录7、施工组织设计方案审批记录8、设计图纸会审记录9、施工技术交底记录10、分部工程质量验收申请表11、施工日记第三分册:太阳能热水系统工程施工质量主控资料与安全和使用功能检查资料及主要功能抽查资料一、给排水工程1、材料、设备清单2、材料、设备出厂合格证及出厂检测报告3、主要设备开箱检查记录4、塑料管道熔接质量检查记录5、阀门强度、严密性实验记录6、各类管道,阀门和设备隐蔽前强度和严密性试验记录7、隐蔽工程验收记录8、电线电缆隐蔽工程验收记录9、管道系统吹(冲)洗(脱脂)实验记录10、淌口水箱(罐)水压试验记录11、给水管道通水实验记录12、屋面淋水或蓄水试验记录13、系统集热性能检验记录14、太阳能热水系统调试和运行记录15、太阳能热水系统工程使用维护说明书16、交接检查记录17、分项工程质量验收记录18、施工记录二、电气工程19、接地电阻测试记录20、绝缘电阻测试记录21、漏电开关模拟试验记录22、成套配电柜、控制柜安装检验批质量验收记录23、电线、电缆管和线槽敷线检验批质量验收记录表三、智能建筑工程24、系统功能测定记录25、设备调试记录26、智能建筑分部工程观感质量检查评价验收记录27、材料、构配件进场检验记录28、智能建筑系统试运行记录第一分册:太阳能热水系统工程质量竣工验收记录1 、《太阳能热水系统工程质量竣工报告》2 、《太阳能热水系统工程质量检查报告》3 、《太阳能热水系统工程质量验收监督通知书》4 、《太阳能热水系统工程质量管理和控制及功能检验资料核查记录》5 、《太阳能热水系统工程观感质量检查记录》6 、《太阳能热水系统工程质量验收记录》7 、《太阳能热水系统工程竣工验收报告》表3 TYN1-3-封面3、太阳能热水系统工程质量评估报告工程名称:监理单位日期:4、太阳能热水系统工程质量验收监督通知书5、太阳能热水系统工程质量管理和控制及功能检验资料核查记录6、太阳能热水系统工程质量观感质量检查记录注:1.本表“抽查质量状况”栏中,观感质量好打“√”,一般打“Ο”,差打“×”,质量评价为差的项目应进行返修。
菏泽天华实业有限公司验收报告阳台壁挂太阳能热水器验收报告山东沐阳太阳能科技限公司山东沐阳太阳能科技限公司11.验收报告2013年07月20日山东沐阳太阳能科技限公司2验收项目明细表3山东沐阳太阳能科技限公司山东沐阳太阳能科技限公司4山东沐阳太阳能科技限公司5篇二:太阳能验收单四季沐歌太阳能热水器安装验收单说明:1、若安装出现任何质量问题,均由安装单位负责。
2、由于甲方未能提供试水条件,此次只能对其安装进行验收。
3、待安装验收后至试水之前这段时间,除人为破坏或用户使用、保管不当出现的问题,均由安装单位负责。
4、本验收单甲乙双方各一份,双方签字后生效。
篇三:临邑比德弗花园小区太阳能热水器安装工程竣工总结报告临邑比德弗花园小区太阳能热水器安装工程竣工总结报告尊敬的各位领导、专家:你们好!由我单位承揽施工的比德弗花园小区太阳能热水器采购及安装工程自从2010年10月开工以来,经过3个月的精心施工,在建设、监理单位的细心指导和帮助下现已完成了该工程,现我代表施工单位就工程的施工情况,向各位领导和专家组简要汇报:一、工程概况工程地点:临邑县瑞园路以东,纬三大街以北本公司承包工程范围:比德弗花园1—10、22、23、26—29、32、33、35号楼太阳能采购及安装工程。
建筑特点:本小区分为多层住宅和高层住宅。
产品特点:根据各个住宅的不同特点,我们采用屋面承压真空管集热器太阳能及平板壁挂式太阳能热水器,分体式安装,介质循环导热。
二、项目班子组成根据本工程特点,为保证工程保质保量按期顺利完成,我单位成立了以项目经理部为中心,并配备一批经验丰富,具有相应职称、职务资格的管理人员。
三、回收年限每天节约7度电,电费按0.5元/天计算,则每天节约3.5元。
2280/3.5=651天,每年按300天正常使用,则2年多就能收回投资。
根据专家统计,每节约1度(千瓦时)电,就相应节约了0.4千克标准煤,同时减少污染排放0.272千克碳粉尘,0.997千克二氧化碳、0.03千克二氧化硫、0.015千克氮氧化物。
附录 D太阳能热水系统隐蔽工程验收记录工程名称分项工程名称太阳能热水系统施工单位隐蔽工程工程工程经理专业工长分包单位分包工程经理施工标准名称DGJ32/J08-2021施工图名称及编号及编号隐蔽工程部位1、太阳能集热器安装底座隐蔽工程;2 、管道保温隐蔽工程;3 、电导管内穿线隐蔽工程质量要求施工单位监理〔建设〕自查记录单位验收记录1太阳能集热器安装底附图片资料份座隐蔽工程编号:符合要求2管道保温隐蔽工程附图片资料份编号:符合要求3电导管内穿线隐蔽工附图片资料份程编号:符合要求4附图片资料份编号:5附图片资料份编号:施工单位工程专业质量检查员:检查结论〔工程技术负责人〕年月日监理〔建设〕监理工程师〔建设单位工程负责人〕:单位验收结论年月日附录 E太阳能热水系统水压试验与冲洗检验记录实验范围□别离式涉及户名:#楼单元□整体式系统名称:施工单位工程经理施工执行DGJ32/J08-2021标准、编号施工单位检验评定记录施工质量验收标准规定试验试验压力建设〔监理〕系统类型压力起止降检查验收记录〔 MPa〕时间(MPa)结论集热循环合格1. 试验压力应符系统合设计要求,按储热局部0合格常倍最大工作压力,不得小于换热局部0合格规2. 试验压力下10min 压力不降,供热局部0合格水不慎不漏其他局部压试集热循环合格验系统非1. 满水渡试验储热局部合格承静置 24 h压换热局部合格2. 观察不慎部不漏件供热局部合格其他局部整 1. 水压试验前去除杂物1、在试压前,去除管内杂物,符合要冲个清洗求。
洗系 2. 水压试验后反复冲洗2、水压试压后,对管道进行反复冲洗,统直至排出水不浑浊、无杂质直到符合标准要求。
施工单位检验结果工程专业质量检查员:〔工程技术负责人〕年月日建设〔监理〕监理工程师〔建设单位工程负责人〕:单位验收结论年月日附录 F太阳能热水系统调试记录工程名称□别离式涉及户名:调试范围□整体式系统名称:施工单位工程经理施工执行DGJ32/J08-2021标准、编号调试内容及标准规定建设施工单位记录〔监理〕名称调试标准调试记录时间检查记录水泵连续运转 2 h 正常工作正常电磁阀安装正确,开启正常开启正常设备仪表显示正常,动作准确符合要求单机及电气控制到达设计功能,准确可靠符合要求部件保护装置到达设计功能,准确可靠符合要求调试专门防护防护装置工作正常阀门管件开启灵活,密封严密开启灵活,密封严密辅助加热到达设计功能,工作正常符合要求续表系统联动调试72 h 连续运行1调整水泵控制阀门工作正常2调电磁阀前后压力工作正常3调各分支回路调节阀门4调试辅助能源加热系统工作正常5调试集热循环水泵工作正常6调试辅助加热装置工作正常环境温度:出水温度:7调试热水供给系统记录:8校验控制仪控制区、点9设计符合下各水泵调试各设备及主要部件的工作正常联动协调无异常现象工程专业质量检查员:施工单位调试评定结果〔工程技术负责人〕年月日建设〔监理〕监理工程师〔建设单位工程负责人〕:单位系统验收结论年月日附录 G太阳能热水系统分项工程检验批质量验收记录工程名称太阳能热检验批 / 分项分项工程名称系统、部位水系统施工单位专业工长工程经理施工执行标准名称及编号分包单位分包工程经理省验收标准规定1、集热器应与建筑物主体结构或集热器支架牢靠固定,防止脱落。
表1太阳能热水系统工程质量竣工报告
说明
1、本报告由施工单位负责填写,向建设单位提交。
2、填写要求内容真实,语言简练,字迹清楚。
3、本表中“具备竣工验收条件情况”各项应全部符合有关规定,否则认为不具备竣工验收条件,不能申请竣工验收。
4、本报告一式五份,施工单位、监理单位、建设单位、监督站、备案部门各一份。
表2太阳能热水系统工程质量检查报告
说明
1、本报告由设计单位负责填写,向建设单位提交。
2、填写要求内容真实,语言简练,字迹清楚。
3、本报告一式四份,设计单位、建设单位、监督站、备案部门各一份。
表3太阳能热水系统工程质量评估报告
工程名称
监理单位(盖章)
年月日
说明
1、本报告由监理单位负责填写,向建设单位提交。
2、填写要求内容真实,语言简练,字迹清楚。
3、本报告一式四份,监理单位、建设单位、监督站、备案部门各一份。
表4太阳能热水系统工程质量验收监督通知书
监理(建设)单位公章
年月日
说明
1、本表由建设单位按规定填写。
2、本表一式五份,施工单位、监理单位、建设单位、设计
单位、城建档案馆各一份。
表5太阳能热水系统工程质量管理和控制及功能检验资料核查记录
全、结果符合要求的,结论中填写“资料完整”。
说明
1、本表检查评定内容由施工单位填写,验收结论由监理(建
设)单位填写。
2、填写要求内容真实、字迹清楚。
3、本表一式四份,施工单位、监理单位、建设单位、城建
档案馆各一份。
表6太阳能热水系统工程观感质量检查记录
差
说明
1、本表由总监理工程师(建设单位项目负责人)组织监理(建设)单
位和施工单位有关人员现场检查后填写。
2、抽查质量状况栏由验收人员填写,自己量评价及综合结论
栏由总监
理工程师(建设单位项目负责人)填写。
3、本表一式四份,施工单位、监理单位、建设单位、城建档
案馆各一
份。
表7太阳能热水系统工程质量验收记录
1、本表检查评定内容由施工单位填写,验收结论由监理(建
设)单位填写。
2、填写要求内容真实、字迹清楚。
3、本表一式四份,施工单位、监理单位、建设单位、城建档案馆各一份。
表8太阳能热水工程竣工验收报告
工程名称
建设单位
年月_______日
说明
1、竣工验收报告由建设单位、验收组负责填写。
2、竣工验收报告一律用钢笔书写,语言简练,字迹要清晰工整。
3、报告内容必须真实可靠,如发现虚假情况,不予备案。
4、验收组名单如填写不下,可根据实际情况另附表。
5、报告须经建设、设计、施工、工程监理单位法定代表人或者项目负责人签字,并加盖单位公章后方为有效。
6、本报告一式六份,建设单位、监理单位、施工单位、城建档案管理部门、监督站、备案部门各一份。
公安局“天网工程”整体解决方案
.21。