B1地铁车辆技术参数
- 格式:doc
- 大小:63.50 KB
- 文档页数:3
地铁车辆结构较多.下面以广州地铁为例.广州地铁四号线电客车简介列车简介广州轨道交通四号线首列车由日本川崎公司与南车集团四方机车车辆股份有限公司合作制造。
广州地铁四号线车辆的车型为L型,采用四节编组列车,四节编组列车长约71.64米、宽2.8米,车体侧面为鼓形结构,最高运行速度为90公里/小时。
车体结构采用大端面挤压铝型材全焊接结构,地板、车顶、侧墙、端墙采用隔热和隔音材料,每节车每侧设置三套塞拉门。
列车以浅白色为主色调,车体两边各有一条鲜艳的玫瑰红饰带,列车的外玻璃窗宽阔通透,现代感十足。
每节车厢的两侧各有2个长座椅,2个短座椅,纵向靠墙布置,座椅表面采用压纹的不锈钢制成。
车厢内墙面与天花板以月白色调为主,使列车内显得清爽优雅。
因四号线线路坡度达55‰(一、二号线均小于33‰),客观条件要求四号线列车必须要有超强的爬坡能力,而通用的旋转电机是无法胜任的。
广州地铁大胆采用在国际地铁界已有成熟经验,但在我国还是一片空白的直线电机系统。
直线电机传动是利用直线电机和轨道中间安装的感应板之间的电磁效应产生的推力作为列车的牵引力或电制动力,此牵引力或电制动力与轮轨间的粘着无关,因此列车的爬坡能力远大于采用旋转电机的车辆,成功解决了四号线的客观困难。
广州地铁四号线的列车为全动车,爬坡能力可达到70‰以上。
另外四号线车辆可通过受电弓或集电靴受电。
其中车辆段内以柔性接触网受电方式受电,提供了车辆段内检修人员的安全性;隧道内、高架线路区段采用第三轨下部受电方式,试车线可采用接触网或第三轨受电。
高架线路区段以第三轨下部受电方式又保证了城市的景观不受破坏。
四号线的直线电机车辆由于重量轻,同时牵引及电制动的传递不需通过轮轨的粘着,使得传统电机机械牵引传动部件所产生的噪声没有了、轮轨产生的噪声和振动也大大减少,所以四号线车辆在运行过程中产生的噪声和振动远远低于旋转电机车辆,乘坐起来更加安静舒适。
四号线每辆车设有两台薄型车顶一体式空调机组及控制系统,保证为车内提供温度小于26℃、湿度为60%的舒适乘车环境。
广州地铁三号线B1型电动车组系统修(五)规程GDY3/QW-JG-CL-05.221 前言本标准起草单位:广州地铁集团有限公司运营事业总部运营三中心车辆维保三部。
本标准主要起草人:刘国召、曾成、肖向前、李许磊、李贵善、张朝阳、黄周兴、伍尚志、陈敏钊、吴易容、陈小南、李昌强、周文明、程昌焰、廖国宇、苏锦华、郭云晶、徐丹、刘沛坚、左健涛、何杰、陈明、谢竹伟、贺佳琦、李岳等本标准主要审核人:巫红波、陶波、邱伟明、陈明、黄文灿、谢竹伟、赵仁龙、刘兴之、魏晓婷、贺佳琦、何志勇、李召亮、朱健富等。
本标准版本号为第1版。
本标准2015年12月18日发布。
本标准从2015年12月21日起实施。
本标准由广州地铁集团有限公司运营事业总部运营三中心车辆维保三部负责解释。
本标准由广州地铁集团有限公司运营事业总部运营三中心标准化委员会提出。
本标准由广州地铁集团有限公司运营事业总部运营三中心标准化工作组归口。
2 范围本标准规定了广州地铁三号线电动车组(03001002~03039040)(以下简称车辆)系统修(五)检查的要求。
本标准适用于广州地铁三号线电动车组(03001002~03039040)每年5月份进行的检修。
3 引用标准本标准是根据车辆制造商提供的《司机操作手册》和《维修手册》的要求制定的。
《司机操作手册》 Siemens 编制《维修手册》Siemens 编制4 定义B1型电动车组:指可载乘客运行的电客车,由六节车厢组成,构成可控制的整体(4动2拖)。
A 车为带司机室的动车,一端装有全自动车钩,二端装有半永久牵引杆,A车顶部设有受电弓;B车为拖车,两端装有半永久牵引杆;C车为带司机室的动车(配置与A车相同);编组形式为:-A+B+C-C+B+A-(-表示自动车钩,+表示半永久牵引杆)。
★标:带有★的项目以两年为一个检修周期,在偶数年中完成。
5 操作规程及维护保养规程车辆各部分的检查要求见下表。
车辆各部分的检查要求项目说明5.1 检查项目执行完后,填写相关的记录表。
城市轨道交通市域快线120~160 km/h车辆通用技术条件1 范围本标准规定了城市轨道交通市域快线车辆的使用条件、车辆基本技术规格、一般规定、车辆型式与列车编组、车体及内装设备、转向架、电气牵引系统、辅助电源系统、列车网络控制系统、制动和供风系统、空气调节及采暖装置、列车广播与乘客信息系统、列车车地通讯、安全设施、电磁兼容性、试验与验收、标识、运输与质量保证期限等。
本标准适用于城市轨道交通市域快线120~160 km/h车辆(以下简称车辆)。
2 规范性引用文件下列文件对于本文件的应用是必不可少的。
凡是注日期的引用文件,仅所注日期的版本适用于本文件。
凡是不注日期的引用文件,其最新版本(包括所有的修改单)适用于本文件。
GB/T 1402 轨道交通牵引供电系统电压GB/T 4549.3—2004 铁道车辆词汇第3部分:制动装置GB 4208—2008 外壳防护等级(IP代码)GB 5599—1985 铁道车辆动力学性能评定和试验鉴定规范GB/T 11944—2012 中空玻璃GB/T 14894—2005 城市轨道交通车辆组装后的检查与试验规则GB 18045—2000 铁道车辆用安全玻璃GB/T 21413 铁路应用机车车辆电气设备GB/T 21561.1 轨道交通机车车辆受电弓特性和试验第1部分:干线机车车辆受电弓GB/T 21561.2 轨道交通机车车辆受电弓特性和试验第2部分:地铁与轻轨车辆受电弓GB/T 21563 轨道交通机车车辆设备冲击和振动试验GB/T 24338.3 轨道交通电磁兼容第3-1部分:机车车辆列车和整车GB/T 24338.4 轨道交通电磁兼容第3-2部分:机车车辆设备GB/T 25119—2010 轨道交通机车车辆电子装置GB/T 25120 轨道交通机车车辆牵引变压器和电抗器GB/T 25122.1—2010 轨道交通机车车辆用电力变流器第1部分:特性和试验方法GB/T 25123.2—2010 电力牵引-铁路与道路车辆用旋转电机-第2部分:电子变流器供电的交流电动机GB/T 28029 牵引电气设备列车总线GB/T 28806 轨道交通机车车辆机车车辆制成后投入使用前的试验TB/T 304—2011 机车用总风缸TB/T 1804 铁道客车空调机组TB/T 2945 铁道车辆用LZ50钢车轴及钢坯技术条件TB/T 3035—2002 列车通信网络TB/T 2325.1—2013 机车、动车组前照灯、辅助照明灯和标志灯技术条件第1部分:前照灯CJ/T 353—2010 贯通道技术条件CJ/T 354—2010 城市轨道交通车辆空调、采暖及通风装置技术条件CJ/T 416—2012 城市轨道交通车辆防火要求ISO 3381 铁路设施-声学-有轨车辆内的噪声测量(Railway applications-Acoustics-Measurement of noise inside railbound vehicles)ISO 3095 声学-铁路设施-轨道车辆产生的噪音测定(Acoustics-Railway applications - Measurement of noise emitted by railbound vehicles)ISO 8573-1 压缩空气- 第1部分杂质及纯度分级(Compressed air-part 1:contaminants and purity classes)IEC 60099(所有部分)避雷器(Surge arresters)IEC 61133:2006 铁路设施-铁路车辆-车辆组装后和运行前的整车试验(Railway application-Rolling stock-Testing of rolling stock on completion of construction and before entry into service)IEC 61373:2010 铁路应用机车车辆设备冲击和振动试验(Railway applications-Rolling stock equipment-Shock and vibration tests)UIC 515(所有部分)客车走行部分(Passenger rolling stock-Trailer bogies-Running gear)UIC 615(所有部分)动力车转向架和走行装置(Tractive units - Bogies and running gear)UIC 651 机车、动车、动车组和驾驶拖车的司机室设计(Layout of driver’s cabs in locomotives,railcars,multiple unit trains and drving trailers)EN 12663-1:2014 铁路应用铁道车辆车体结构要求第1部分:机车和客车(及货车的可选用方法)(Railway applications-Structural requirement of railway vehicle bodies Part1:Locomotives and passenger rolling stock(and alternative method for freight wagons))EN 13260 铁路设施轮副和转向架轮副产品要求(Railway applications-Wheelsets and bogies-Wheelsets-Product requirements)EN 13261 铁路应用轮副和转向架轮轴产品要求(Railway applications-Wheelsets and bogies-Axles-Product requirements)EN 13262 铁路设施轮副和行车机构轮子生产要求(Railway applications-Wheelsets and bogies-Wheels-Product requirement)EN 13749 铁路设备轮组和转向架规定车架结构要求的方法(Railway applications-Wheelsets and bogies-Method of specifying the structural requirements of bogie frames)EN 50500 关于人体辐射的铁路环境中电子和电气装置产生的磁场等级测量程序(Measurement procedures of megnetic field levels generated by electronic and electrical apparatus in the railway environment with respect to human exposure)3 术语GB/T 4549.3—2004界定的以及下列术语和定义适用于本文件。
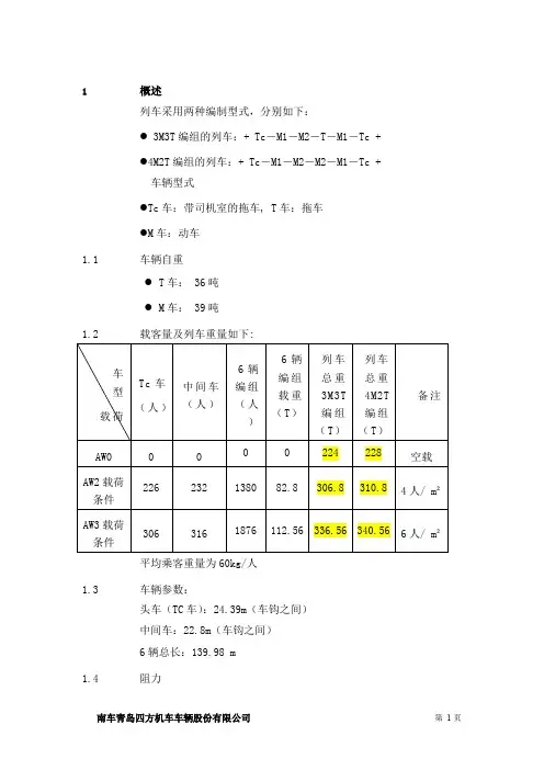
1概述列车采用两种编制型式,分别如下:● 3M3T编组的列车:+ Tc-M1-M2-T-M1-Tc +●4M2T编组的列车:+ Tc-M1-M2-M2-M1-Tc +车辆型式●Tc车:带司机室的拖车, T车:拖车●M车:动车1.1车辆自重●T车: 36吨●M车: 39吨1.2载客量及列车重量如下:平均乘客重量为60kg/人1.3车辆参数:头车(TC车):24.39m(车钩之间)中间车:22.8m(车钩之间)6辆总长:139.98 m1.4阻力基本阻力公式:Wv=[(1.65+0.0247*v)×Mm+(0.78+0.0028*v)×Mt+(0.028+0.0078×(N-1))v*v]×9.80665×10-3 kN其中:Wv:列车基本阻力 [kN]Mm:动车重量 [t]Mt:拖车重量 [t]N:车辆数v:列车速度 [km/h]列车启动阻力计算(按49×10-3kN/t)计算:(AW0):Rq0=M0×49=224×49×10-3=10.976 kN(3M3T)(AW0):Rq0=M0×49=228×49×10-3=11.172 kN(4M2T)(AW2):Rq2=M2×49=306.8×49×10-3=14.99 kN(3M3T)(AW2):Rq2=M2×49=310.8×49×10-3=15.19 kN(4M2T)(AW3):Rq3=M3×49=336.56×49×10-3=16.49 kN(3M3T)(AW3):Rq3=M3×49=340.56×49×10-3=16.687kN(4M2T)最大坡度上的附加阻力Wi(kN) (i=30‰):(AW0):Wi0= M0×30‰×9.81=224×30‰×9.81=65.86(3M3T)(AW0):Wi0= M0×30‰×9.81=228×30‰×9.81=67.1(4M2T)(AW2):Wi2= M2×30‰×9.81=306.8×30‰×9.81=90.29(3M3T)(AW2):Wi2= M2×30‰×9.81=310.8×30‰×9.81=91.47 kN(4M2T)(AW3):Wi3= M3×30‰×9.81=336.56×30‰×9.81=99(3M3T)(AW3):Wi3= M3×30‰×9.81=340.56×30‰×9.81=100.23 kN(4M2T)2列车基本参数和动力性能最大坡度:30‰供电方式:接触网 1500V起动平均加速度:在超员载客情况下,列车速度从 0~40km/h,不小于1.0m/s²;从 0~80km/h,不小于 0.6m/s²。
地铁车辆的术语解释、英文缩写含义及标准一、地铁车辆术语解释车辆的主要尺寸1车辆长度车辆处于自由状态,车钩呈锁闭状态时,两端车钩连接面之间的距离。
2车辆最大宽度指车体横断面上最宽部分的尺寸。
3最大高度指车辆顶部最高点与轨顶面之间的距离。
4车辆定距同一车辆的两转向架回转中心之间的距离。
5固定轴距同一转向架的两车轴中心线之间的距离。
6车钩中心线距离轨面高度简称车钩高,指车钩连接面中心点至轨面的高度。
7地板面高度车辆地板面与钢轨顶面之间的距离。
车辆的主要性能参数1自重指车辆整备状态下的本身结构及设备组成的全部质量。
2载重指正常情况下车辆允许的最大装载质量。
3最高运行速度指车辆设计时按照安全及结构强度等条件所决定的车辆最高行驶速度;并要求连续以该速度运行时车辆具有足够良好的运行性能。
4轴重指按车轴形式及在某个运行速度范围内,车辆允许负担(包括轮对自身的质量)的最大质量。
5通过最小曲线半径指配用某种形式转向架的车辆在站场或厂、段内调车时所能安全通过的最小曲线半径。
6轴配置或轴列式用数字或字母表示车辆走行部结构特点的方式。
7制动形式指车辆获得制动力的方式。
8启动平均加速度是指在平直线路上,列车载荷为额定定员,自牵引电动机取得电流开始,至启动过程结束,该速度值被全过程经历的时间所除的商。
9制动平均减速度是指在平直线路上,列车载荷为额定定员,自制动指令发出至列车完全停止的全过程,相应的制动初始速度(一般取最高运行速度)被全过程经历的时间所除得的商。
10冲击率由于工况改变引起的列车中各车辆所受到的纵向冲击。
在城轨车辆中,主要用于说明车辆本身电气及制动系统所应达到的冲动限制。
11列车平稳性指标是评定旅客舒适程度的主要依据,反映了车辆振动对人体感受的影响,因此评定平稳性的方法主要以人的感觉疲劳程度为依据,通常以平稳性指标W表示。
W值越大,说明车辆的平稳性越差,一般地铁车辆运行的平稳性指标应小于2.5。
二、地铁车辆英文缩写含义车辆类型1B1型车表示车辆以受流器与第三轨上部接触受电的B 型地铁车辆2B2型车表示车辆以受电弓与接触网接触受电的B 型地铁车辆3T车表示地铁车辆拖车4Tc车表示带司机室的拖车5M车表示地铁车辆动车6Mc车表示带司机室的动车7Mp车表示带受电弓的动车8Mcp车表示带司机室和受电弓的动车车钩类型1“-”表示全自动车钩2“=”或“+”表示半自动车钩3“*”或“-”表示半永久车钩工况类型1AW0表示地铁车辆空载2AW1表示地铁车辆座客载荷3AW2表示地铁车辆定员载荷(6人/m2)4AW3表示地铁车辆超员载荷(9人/m2)地铁车辆主要部件1VVVF交流调压变频主逆变器2DCU牵引控制单元3SIV辅助逆变器4IVS辅助电源开关5SPS车间电源插座6HTB高压供电箱7TMS或TCMS列车监控系统8MS/DS隔离开关9EXB扩展供电箱10PIS无线通讯设备11LED电子显示屏12LCD液晶显示屏13EMC电磁兼容ATC(列车自动控制装置)、ATO(微机自动驾驶)、ATP(微机自动保护)、ATS(微机自动监控)1ATO微机自动驾驶,将执行除“启动”外的列车自动运行(自动调速、自动停车、定点停车)。
广州地铁三号线B1型电动车组系统修(四)规程GDY3/QW-JG-CL-05.211 前言本标准起草单位:广州地铁集团有限公司运营事业总部运营三中心车辆维保三部。
本标准主要起草人:刘国召、曾成、肖向前、李许磊、李贵善、张朝阳、黄周兴、伍尚志、陈敏钊、吴易容、陈小南、李昌强、周文明、程昌焰、廖国宇、苏锦华、郭云晶、徐丹、刘沛坚、左健涛、何杰、陈明、谢竹伟、贺佳琦、李岳等本标准主要审核人:巫红波、陶波、邱伟明、陈明、黄文灿、谢竹伟、赵仁龙、刘兴之、魏晓婷、贺佳琦、何志勇、李召亮、朱健富等。
本标准版本号为第1版。
本标准2015年12月18日发布。
本标准从2015年12月21日起实施。
本标准由广州地铁集团有限公司运营事业总部运营三中心车辆维保三部负责解释。
本标准由广州地铁集团有限公司运营事业总部运营三中心标准化委员会提出。
本标准由广州地铁集团有限公司运营事业总部运营三中心标准化工作组归口。
2 范围本标准规定了广州地铁三号线电动车组(03001002~03039040)(以下简称车辆)系统修(四)检查的要求。
本标准适用于广州地铁三号线电动车组(03001002~03039040)每年4月份进行的检修。
3 引用标准本标准是根据车辆制造商提供的《司机操作手册》和《维修手册》的要求制定的。
《司机操作手册》Siemens 编制《维修手册》Siemens 编制4 定义B1型电动车组:指可载乘客运行的电客车,由六节车厢组成,构成可控制的整体(4动2拖)。
A车为带司机室的动车,一端装有全自动车钩,二端装有半永久牵引杆,A车顶部设有受电弓;B车为拖车,两端装有半永久牵引杆;C车为带司机室的动车(配置与A车相同);编组形式为:-A+B+C-C+B+A-(-表示自动车钩,+表示半永久牵引杆)。
★标:带有★的项目以两年为一个检修周期,在偶数年中完成。
5 操作规程及维护保养规程车辆各部分的检查要求见下表。
车辆各部分的检查要求。
广州地铁三号线B1型电动车组系统修(六)规程GDY3/QW-JG-CL-05.231 前言本标准起草单位:广州地铁集团有限公司运营事业总部运营三中心车辆维保三部。
本标准主要起草人:刘国召、曾成、肖向前、李许磊、李贵善、张朝阳、黄周兴、伍尚志、陈敏钊、吴易容、陈小南、李昌强、周文明、程昌焰、廖国宇、苏锦华、郭云晶、徐丹、刘沛坚、左健涛、何杰、陈明、谢竹伟、贺佳琦、李岳等。
本标准主要审核人:巫红波、陶波、邱伟明、陈明、黄文灿、谢竹伟、赵仁龙、刘兴之、魏晓婷、贺佳琦、何志勇、李召亮、朱健富等。
本标准版本号为第1版。
本标准2015年12月18日发布。
本标准从2015年12月21日起实施。
本标准由广州地铁集团有限公司运营事业总部运营三中心车辆维保三部负责解释。
本标准由广州地铁集团有限公司运营事业总部运营三中心标准化委员会提出。
本标准由广州地铁集团有限公司运营事业总部运营三中心标准化工作组归口。
2 范围本标准规定了广州地铁三号线电动车组(03001002~03039040)(以下简称车辆)系统修(六)检查的要求。
本标准适用于广州地铁三号线电动车组(03001002~03039040)每年6月份进行的检修。
3 引用标准本标准是根据车辆制造商提供的《司机操作手册》和《维修手册》的要求制定的。
《司机操作手册》Siemens 编制《维修手册》Siemens 编制4 定义B1型电动车组:指可载乘客运行的电客车,由六节车厢组成,构成可控制的整体(4动2拖)。
A车为带司机室的动车,一端装有全自动车钩,二端装有半永久牵引杆,A车顶部设有受电弓;B车为拖车,两端装有半永久牵引杆;C车为带司机室的动车(配置与A车相同);编组形式为:-A+B+C-C+B+A-(-表示自动车钩,+表示半永久牵引杆)。
★标:带有★的项目以两年为一个检修周期,在偶数年中完成。
5 操作规程及维护保养规程车辆各部分的检查要求见下表。
车辆各部分的检查要求。