给排水管道距墙距离汇总情况
- 格式:doc
- 大小:751.50 KB
- 文档页数:11
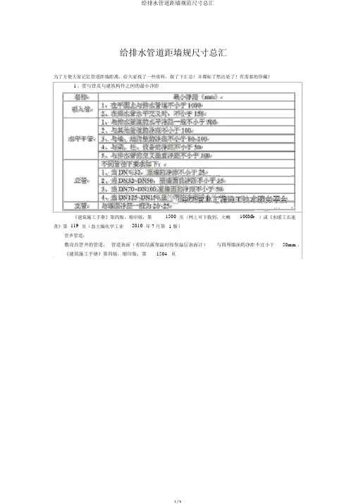
管道距墙距离(各种规范、图集、技术规程以及相关资料有关给排水管道距墙尺寸的汇总)1、管与管及与建筑构件之间的最小净距论坛|建筑给排水《建筑施工手册》第四版,缩即版,第1500页(两上可帀载到,大100Mb)或《水暖工长速查》第i 19页(杨磊主錮化学工业岀版社201卉?月第i版)管井管道:藏设在管井内的管道.管道衷面(有防结露保温时按保温层衷面计)与周围埴面的净距不宜小于5Ommo《建筑腌工手册》笫四版,缩甲版,第13D4页2、水暖管离墙距离水暖管离墻距离:标准图规定给加熱加采暖管(DN15-DN32)中心起距墙表面刃ME为宜,DN40以上取60mm为宜。
因为距离过近,立管阀门安装不使,有吋需爰破坏墙面才能将阀门裝上;距高过远则影响美观*且占用空问(算他管道也一样一清秋怀远)■均耒用管外皮距墻衰面30mm;而对于排朮管"由于打口所需,采用承口距墻表面50mm。
《给廉茨采暖工程现场施工处理方注与技巧> ,笫39頁3. 样水柔性接口铸铁管离墙距离当管道沿墙或墙角敷i殳时.应保证菅道及附件的安裝及检修距离,菅道与墙体面层挣距一般为40-GOmm,管道反附件不律入墙.其卡箍与法兰压盖的螺栓检置应调整至墙(ffi)的外侧.以使于拧紧螺栓*《推水柔性接口铸铁管技术规程》(0旳1门3園-200®北京地方标准.可在百度文库下载到),第&页4. 立管管外皮距建筑装饰面的间距(mm)(明装给水立管〉管径范以下32-50 65-100 125-150间距232525-30 30-50 60《建筑给申咪及采暖工程旄工工艺标准》〔麵列&1七8-2005)笫42员(此书为陕西地方标准』可在百度文库下载到)采暖干管距墙尺寸I供水干管沿内墙衆空敷设,当管径<DB 的时,供水干管距埴尺寸为150mm ;当管径XDB80时,供水干管距墙尺寸対180mm.回水干管在室内地坪臥上沿内墙甦设嗽 当管径<DN8Q 时,回水干管距墙尺寸为SOmms 当管径壬DM8Q 时,回水 干管距墙尺寸为砧m mo《建筑给挥水及釆瞪工程趙工工艺标准》CDBJ/T6P38-2005)第1朋贡 釆暧立管距墙尺寸I当设计采用单立管安装时,立管中心距后墙尺寸为50mm,如仅后墙有一组散热器(一臂形)时,则立管中心距侧墙尺寸为 65mm(如后墙和侧墙另一侧各有一绘散热器〔双背形)时,距侧墙尺寸仍为65mm ;如后墙和侧墙同侧有散熱器(直角形) 时,距侧墙尺寸为200mm ;如后侧、侧墙同侧和另一侧各有一组散热器(丁字形)时,距侧墙尺寸为300mnrio 立管之间距离:当设计采用双立暂安装吋,供水立管一般按照在右础 回水立管一般按照在左亂 立管距墙尺寸与单立管安裝时相同,管径兰 0阳2时’两立管中心距为80mm ;管径工DN40时’两立管中心距为130mnio 《建筑给菲水及釆暖工程脇工工艺标准》(DBJ/T& 138-2005)笫189-190®5、排水立管、支管距墙尺寸«怎;样当好水暖工长》表311-第垢3贞注:如想知道更多关于常用卫生器具摊水支管预留孔稠位曹与尺寸内容,可购买或管道工畏遠查伊(曲德仁主编化学工业出版卫生器具类熾孔洞平面位置及尺寸腐式大便器DM 00TVDV100坐式大便器zD.VlOOPM 00挂式小便器立武小愛器立骨洞200X200洞 200^200立管洞200X200W20CX200立背竊200X2002OOX2Off6、管道上部净空给水引入管管顶上部挣空一般不^lQQmm排水持出管管顶上部淨空一般不小于曙怎样当好水暖工长》电子版第茁2页7. 管道的中心线与梁、柱、楼板的最小距离(自喷系统)公称直径(mm) 25 32 40 50 70 80 100 125 150 200距离(mm) 40 40 50 60 70 B0 100 125 150 200《自动喷水灭火系统施工及验收規范》(GB 50261-2005)第[顶8,水平干管安装与塔弋柱表面的安装距离(给水管道)_11.2、表中管中心与墙、柱的安装距离使用于水平干管的安装《怎样当好水暧工长》«3-6,第12i贡(PDF电子版*可下载到)9.建筑排水金属管道距墙尺寸当建筑排水金属管道沿墙或墙角敷设时,管道外壁面与堵体面层的最小徹距离不得小于40mmC建筑排水金属管道工程技术规程》(CJJ 127-2009)第429条■,10.建筑排水塑料管道距埴尺寸设置于室內的雨、污水立管离墙挣距宜为20mm-5Dm m.室外沿墙敷设的雨、污水管和空调凝结水管道离墙净距不宜大于20mnrioC建筑排水塑料管道工程技术规程》(CJJ/T 29-2010)第5丄9条*11.建筑给水金属管道距墙尺寸明装管道的外壁或管道的保谧层外表面与装饰墻面的净距宜为lOmmo《建筑给水金属管道工程技术规程》(CJJ/T 154-2011)第£3.7条。
不知道大家在刚开始记忆规范、图集的时候有没有觉得特别的费劲,这个尺寸,那个数值的,为了方便大家记忆管道距墙距离,给大家找了一些资料,做了下汇总!并都标明了出处了!有需要的收藏!1、管与管及与建筑构件之间的最小净距《建筑施工手册》第四版,缩印版,第1500页(网上可下载到,大约100Mb)或《水暖工长速查》第119页(杨磊主编化学工业出版社2010年7月第1版)管井管道:敷设在管井内的管道,管道表面(有防结露保温时按保温层表面计)与周围墙面的净距不宜小于50mm。
《建筑施工手册》第四版,缩印版,第1504页2、水暖管离墙距离水暖管离墙距离:标准图规定给水、热水、采暖管(DN15~DN32)中心起距墙表面50mm 为宜,DN40以上取60mm为宜。
因为距离过近,立管阀门安装不便,有时需要破坏墙面才能将阀门装上;距离过远则影响美观,且占用空间(其他管道也一样—清秋怀远)。
均采用管外皮距墙表面30mm;而对于排水管,由于打口所需,采用承口距墙表面50mm。
《给水排水及采暖工程现场施工处理方法与技巧》,第39页3、排水柔性接口铸铁管离墙距离当管道沿墙或墙角敷设时,应保证管道及附件的安装及检修距离,管道与墙体面层净距一般为40~60mm,管道及附件不得入墙,其卡箍与法兰压盖的螺栓位置应调整至墙(角)的外侧,以便于拧紧螺栓。
《排水柔性接口铸铁管技术规程》(DB11/T364-2006,北京地方标准,可在百度文库下载到),第6页4、立管管外皮距建筑装饰面的间距(mm)(明装给水立管)管径32以下32~50 65~100 125~150间距20~25 25~30 30~50 60《建筑给排水及采暖工程施工工艺标准》(DBJ/T61-38-2005)第42页;(此书为陕西地方标准,可在百度文库下载到)采暖干管距墙尺寸:供水干管沿内墙架空敷设,当管径<DB80时,供水干管距墙尺寸为150mm;当管径≥DB80时,供水干管距墙尺寸为180mm。
给排水管道距墙规尺寸总汇为了方便大家记忆管道距墙距离,给大家找了一些资料,做了下汇总!并都标了然出处了!有需要的珍藏!1、管与管及与建筑构件之间的最小净距《建筑施工手册》第四版,缩印版,第1500 页(网上可下载到,大概100Mb )或《水暖工长速查》第119 页(磊主编化学工业2010 年7月第 1 版)管井管道:敷设在管井的管道,管道表面(有防结露保温时按保温层表面计)与四周墙面的净距不宜小于50mm 。
《建筑施工手册》第四版,缩印版,第1504页2 、水暖管离墙距离水暖管离墙距离:标准图规定给水、热水、采暖管(DN15~DN32 )中心起距墙表面50mm 为宜,DN40 以上取60mm 为宜。
因为距离过近,立管阀门安装不便,有时需要损坏墙面才能将阀门装上;距离过远则影响雅观,且占用空间(其余管道也同样—清秋怀远)。
均采纳管外皮距墙表面30mm ;而对于排水管,因为打口所需,采纳承口距墙表面50mm 。
《给水排水及采暖工程现场施工办理方法与技巧》,第39 页3、排水柔性接口铸铁管离墙距离当管道沿墙或墙角敷设时,应保证管道及附件的安装及检修距离,管道与墙风光层净距一般为40~60mm,管道及附件不得入墙,其卡箍与法兰压盖的螺栓地点应调整至墙(角)的外侧,以便于拧紧螺栓。
《排水柔性接口铸铁管技术规程》(DB11/T364-2006,地方标准,可在下载到),第 6 页4、立管管外皮距建筑装修面的间距(mm )(明装给水立管)管径 32 以下 32~5065~100125~150间距 20~2525~3030~5060《建筑给排水及采暖工程施工工艺标准》(DBJ/T61-38-2005)第42页;(此书为地方标准,可在下载到)采暖干管距墙尺寸:供水干管沿墙架空敷设,当管径<DB80 时,供水干管距墙尺寸为150mm ;当管径≥ DB80 时,供水干管距墙尺寸为180mm 。
回水干管在室地坪以上沿墙敷设时,当管径<DN80 时,回水干管距墙尺寸为50mm ;当管径≥ DN80 时,回水干管距墙尺寸为65mm 。
给排水管道距墙规尺寸总汇为了方便大家记忆管道距墙距离,给大家找了一些资料,做了下汇总!并都标明了出处了!有需要的收藏!1、管与管及与建筑构件之间的最小净距《建筑施工手册》第四版,缩印版,第1500页(网上可下载到,大约100Mb)或《水暖工长速查》第119页(磊主编化学工业2010年7月第1版)管井管道:敷设在管井的管道,管道表面(有防结露保温时按保温层表面计)与周围墙面的净距不宜小于50mm。
《建筑施工手册》第四版,缩印版,第1504页2、水暖管离墙距离水暖管离墙距离:标准图规定给水、热水、采暖管(DN15~DN32)中心起距墙表面50mm为宜,DN40以上取60mm为宜。
因为距离过近,立管阀门安装不便,有时需要破坏墙面才能将阀门装上;距离过远则影响美观,且占用空间(其他管道也一样—清秋怀远)。
均采用管外皮距墙表面30mm;而对于排水管,由于打口所需,采用承口距墙表面50mm。
《给水排水及采暖工程现场施工处理方法与技巧》,第39页3、排水柔性接口铸铁管离墙距离当管道沿墙或墙角敷设时,应保证管道及附件的安装及检修距离,管道与墙体面层净距一般为40~60mm,管道及附件不得入墙,其卡箍与法兰压盖的螺栓位置应调整至墙(角)的外侧,以便于拧紧螺栓。
《排水柔性接口铸铁管技术规程》(DB11/T364-2006,地方标准,可在百度文库下载到),第6页4、立管管外皮距建筑装饰面的间距(mm)(明装给水立管)管径32以下32~5065~100125~150间距20~2525~3030~5060《建筑给排水及采暖工程施工工艺标准》(DBJ/T61-38-2005)第42页;(此书为地方标准,可在百度文库下载到)采暖干管距墙尺寸:供水干管沿墙架空敷设,当管径<DB80时,供水干管距墙尺寸为150mm;当管径≥DB80时,供水干管距墙尺寸为180mm。
回水干管在室地坪以上沿墙敷设时,当管径<DN80时,回水干管距墙尺寸为50mm;当管径≥DN80时,回水干管距墙尺寸为65mm。
不知道大家在刚开始记忆规范、图集的时候有没有觉得特别的费劲,这个尺寸,那个数值的,为了方便大家记忆管道距墙距离,给大家找了一些资料,做了下汇总!并都标明了出处了!有需要的收藏!时间:2021.03.12 创作:欧阳文1、管与管及与建筑构件之间的最小净距《建筑施工手册》第四版,缩印版,第1500页(网上可下载到,大约100Mb)或《水暖工长速查》第119页(杨磊主编化学工业出版社 2010年7月第1版)管井管道:敷设在管井内的管道,管道表面(有防结露保温时按保温层表面计)与周围墙面的净距不宜小于50mm。
《建筑施工手册》第四版,缩印版,第1504页2、水暖管离墙距离水暖管离墙距离:标准图规定给水、热水、采暖管(DN15~DN32)中心起距墙表面50mm为宜,DN40以上取60mm为宜。
因为距离过近,立管阀门安装不便,有时需要破坏墙面才能将阀门装上;距离过远则影响美观,且占用空间(其他管道也一样—清秋怀远)。
均采用管外皮距墙表面30mm;而对于排水管,由于打口所需,采用承口距墙表面50mm。
《给水排水及采暖工程现场施工处理方法与技巧》,第39页3、排水柔性接口铸铁管离墙距离当管道沿墙或墙角敷设时,应保证管道及附件的安装及检修距离,管道与墙体面层净距一般为40~60mm,管道及附件不得入墙,其卡箍与法兰压盖的螺栓位置应调整至墙(角)的外侧,以便于拧紧螺栓。
《排水柔性接口铸铁管技术规程》(DB11/T364-2006,北京地方标准,可在百度文库下载到),第6页4、立管管外皮距建筑装饰面的间距(mm)(明装给水立管)管径32以下32~50 65~100 125~15 0间距20~25 25~3030~50 60《建筑给排水及采暖工程施工工艺标准》(DBJ/T61-38-2005)第42页;(此书为陕西地方标准,可在百度文库下载到)采暖干管距墙尺寸:供水干管沿内墙架空敷设,当管径<DB80时,供水干管距墙尺寸为150mm;当管径≥DB80时,供水干管距墙尺寸为180mm。
给排水管道距墙尺寸的完全汇总1、管与管及与建筑构件之间的最小净距管井管道:敷设在管井内的管道,管道表面(有防结露保温时按保温层表面计)与周围墙面的净距不宜小于50mm。
《建筑施工手册》第四版,缩印版,第1504页2、水暖管离墙距离水暖管离墙距离:标准图规定给水、热水、采暖管(DN15~DN32)中心起距墙表面50mm为宜,DN40以上取60mm为宜。
因为距离过近,立管阀门安装不便,有时需要破坏墙面才能将阀门装上;距离过远则影响美观,且占用空间(其他管道也一样)。
均采用管外皮距墙表面30mm;而对于排水管,由于打口所需,采用承口距墙表面50mm。
《给水排水及采暖工程现场施工处理方法与技巧》,第39页3、排水柔性接口铸铁管离墙距离:当管道沿墙或墙角敷设时,应保证管道及附件的安装及检修距离,管道与墙体面层净距一般为40~60mm,管道及附件不得入墙,其卡箍与法兰压盖的螺栓位置应调整至墙(角)的外侧,以便于拧紧螺栓。
《排水柔性接口铸铁管技术规程》(DB11/T364-2006,北京地方标准,可在百度文库下载到),第6页4、立管管外皮距建筑装饰面的间距(mm)(明装给水立管)管径32以下32~50 65~100 125~150间距20~25 25~30 30~50 60《建筑给排水及采暖工程施工工艺标准》(DBJ/T61-38-2005)第42页;(此书为陕西地方标准,可在百度文库下载到)采暖干管距墙尺寸:供水干管沿内墙架空敷设,当管径<DB80时,供水干管距墙尺寸为150mm;当管径≥DB80时,供水干管距墙尺寸为180mm。
回水干管在室内地坪以上沿内墙敷设时,当管径<DN80时,回水干管距墙尺寸为50mm;当管径≥DN80时,回水干管距墙尺寸为65mm。
《建筑给排水及采暖工程施工工艺标准》(DBJ/T61-38-2005)第189页采暖立管距墙尺寸:当设计采用单立管安装时,立管中心距后墙尺寸为50mm,如仅后墙有一组散热器(一臂形)时,则立管中心距侧墙尺寸为65mm;如后墙和侧墙另一侧各有一组散热器(双臂形)时,距侧墙尺寸仍为65mm;如后墙和侧墙同侧有散热器(直角形)时,距侧墙尺寸为200mm;如后侧、侧墙同侧和另一侧各有一组散热器(丁字形)时,距侧墙尺寸为300mm。
实用文档之"不知道大家在刚开始记忆规范、图集的时候有没有觉得特别的费劲,这个尺寸,那个数值的,为了方便大家记忆管道距墙距离,给大家找了一些资料,做了下汇总!并都标明了出处了!有需要的收藏!"1、管与管及与建筑构件之间的最小净距《建筑施工手册》第四版,缩印版,第1500页(网上可下载到,大约100Mb)或《水暖工长速查》第119页(杨磊主编化学工业出版社2010年7月第1版)管井管道:敷设在管井内的管道,管道表面(有防结露保温时按保温层表面计)与周围墙面的净距不宜小于50mm。
《建筑施工手册》第四版,缩印版,第1504页2、水暖管离墙距离水暖管离墙距离:标准图规定给水、热水、采暖管(DN15~DN32)中心起距墙表面50mm为宜,DN40以上取60mm为宜。
因为距离过近,立管阀门安装不便,有时需要破坏墙面才能将阀门装上;距离过远则影响美观,且占用空间(其他管道也一样—清秋怀远)。
均采用管外皮距墙表面30mm;而对于排水管,由于打口所需,采用承口距墙表面50mm。
《给水排水及采暖工程现场施工处理方法与技巧》,第39页3、排水柔性接口铸铁管离墙距离当管道沿墙或墙角敷设时,应保证管道及附件的安装及检修距离,管道与墙体面层净距一般为40~60mm,管道及附件不得入墙,其卡箍与法兰压盖的螺栓位置应调整至墙(角)的外侧,以便于拧紧螺栓。
《排水柔性接口铸铁管技术规程》(DB11/T364-2006,北京地方标准,可在百度文库下载到),第6页4、立管管外皮距建筑装饰面的间距(mm)(明装给水立管)管径 32以下 32~50 65~100 125~150间距 20~25 25~30 30~50 60《建筑给排水及采暖工程施工工艺标准》(DBJ/T61-38-2005)第42页;(此书为陕西地方标准,可在百度文库下载到)采暖干管距墙尺寸:供水干管沿内墙架空敷设,当管径<DB80时,供水干管距墙尺寸为150mm;当管径≥DB80时,供水干管距墙尺寸为180mm。
不知道大家在刚开始记忆规范、图集的时候有没有觉得特别的费劲,这个尺寸,那个数值的,为了方便大家记忆管道距墙距离,给大家找了一些资料,做了下汇总!并都标明了出处了!有需要的收藏!欧阳家百(2021.03.07)1、管与管及与建筑构件之间的最小净距《建筑施工手册》第四版,缩印版,第1500页(网上可下载到,大约100Mb)或《水暖工长速查》第119页(杨磊主编化学工业出版社2010年7月第1版)管井管道:敷设在管井内的管道,管道表面(有防结露保温时按保温层表面计)与周围墙面的净距不宜小于50mm。
《建筑施工手册》第四版,缩印版,第1504页2、水暖管离墙距离水暖管离墙距离:标准图规定给水、热水、采暖管(DN15~DN32)中心起距墙表面50mm为宜,DN40以上取60mm为宜。
因为距离过近,立管阀门安装不便,有时需要破坏墙面才能将阀门装上;距离过远则影响美观,且占用空间(其他管道也一样—清秋怀远)。
均采用管外皮距墙表面30mm;而对于排水管,由于打口所需,采用承口距墙表面50mm。
《给水排水及采暖工程现场施工处理方法与技巧》,第39页3、排水柔性接口铸铁管离墙距离当管道沿墙或墙角敷设时,应保证管道及附件的安装及检修距离,管道与墙体面层净距一般为40~60mm,管道及附件不得入墙,其卡箍与法兰压盖的螺栓位置应调整至墙(角)的外侧,以便于拧紧螺栓。
《排水柔性接口铸铁管技术规程》(DB11/T364-2006,北京地方标准,可在百度文库下载到),第6页4、立管管外皮距建筑装饰面的间距(mm)(明装给水立管)管径 32以下 32~50 65~100 125~150间距 20~25 25~30 30~50 60《建筑给排水及采暖工程施工工艺标准》(DBJ/T61-38-2005)第42页;(此书为陕西地方标准,可在百度文库下载到)采暖干管距墙尺寸:供水干管沿内墙架空敷设,当管径<DB80时,供水干管距墙尺寸为150mm;当管径≥DB80时,供水干管距墙尺寸为180mm。
给排水管道距墙规范尺寸总汇
在建筑中,给排水系统是一个至关重要的组成部分。
合理设置给排水管道的距墙规范尺寸不仅能够有效地保护管道安全,还能提高使用者的舒适度。
一、给排水管道基本概述
给排水管道是指用于供水和排水的管道系统。
在建筑中,主要包括供水管道系统和排水管道系统。
供水管道系统用于将水源引入建筑物,而排水管道系统则用于将废水排出建筑物。
这两种管道系统的设计和布局对于建筑物的正常运行和使用具有重要作用。
二、给排水管道距墙规范尺寸
合理设置给排水管道的距墙尺寸不仅关乎系统的安全可靠性,还与建筑的使用功能和设计要求密切相关。
以下是一些常见的给排水管道距墙规范尺寸总结:
1. 进水管距墙尺寸:
a. 主进水管道:一般距离墙体的最小距离应大于300mm。
b. 支管进水管道:一般距离墙体的最小距离应大于150mm。
2. 排水管距墙尺寸:
a. 主排水管道:一般距离墙体的最小距离应大于300mm。
b. 支管排水管道:一般距离墙体的最小距离应大于150mm。
3. 排气管距墙尺寸:
排气管道一般设置在排水管道的高点,用于排除管道内的空气。
距离墙体的最小距离应大于150mm。
4. 水泵进出口管距墙尺寸:
水泵的进出口管道需要保持一定的距离墙体以便安装和维修。
一般距离墙体的最小距离应大于500mm。
5. 排污管距墙尺寸:
排污管道用于排除建筑物内部的污水,其距离墙体的最小距
离应大于150mm。
6. 其他管道距墙尺寸:。
室内管道和墙的距离
1.给水管道:
(1)水平干管与墙(地沟壁)距离100mm,与梁、柱、设备等的净距为50mm。
与排水管道平行的水平净距不小于500mm,与排水管道交叉时,垂直净距不小于150mm,当与暖气管道等热力管道同时铺设时,应按暖气管道靠墙净距来定;
(2)立管与墙面的净距H为:当DN<=32mm时,H>=25mm, 32mm<DN<=50mm 时,H>=35mm,65mm<=DN<100mm时,H=50mm,100mm<DN<=150mm时,H=60mm;(3)支管距墙面的净距一般为25mm(DN<=25mm);
(4)水表外壳距墙净距为10-30mm。
2.排水管道:
(1)立管中心距墙面间距最小值H为:DN=50mm时,H=50,DN=75mm时,H=70mm,DN=100mm时,H=80mm,DN=125mm时,H=90mm,DN=150mm时,H=90mm,DN=200mm时,H<=130;
(2)水平横管中心到楼板底的间距不得大于300mm;
(3)横管清扫口和与其垂直的墙面距离不得小于200mm。
3.室内采暖管道
(1)送水水平干管中心距墙面不小于100mm,回水水平干中心距墙面不小于70mm;(2)垂直干管中心距墙面不小于100mm;
(3)立支管中心距墙50mm,双立管管之间间距80mm;
(4)水平干管在天棚内铺设时应距外墙1-1.5m并做好保温绝热,在室内半通行地沟中铺设时绝热层与地沟壁净距不小于100mm。
给排水管道距墙距离汇总排水管道距墙的距离是一个非常重要的设计参数,它直接关系到排水系统的正常运行和建筑物的使用安全。
在建筑设计和施工过程中,需要根据相关标准和规范来确定排水管道距墙的距离。
本文将会从以下几个方面对排水管道距墙距离进行详细的介绍和汇总。
其次,排水管道距离墙面的距离还受到建筑物的类型和用途的影响。
在不同类型和用途的建筑物中,排水管道的距离要求可能会有所不同。
例如,在住宅建筑中,由于排水管道的维修和维护相对较少,并且排水量较小,所以可以适当减小排水管道距离墙面的距离。
而在工业建筑和公共建筑中,由于排水量较大,所以需要增加排水管道距离墙面的距离,以保证排水的顺畅和安全。
此外,排水管道距离墙面的距离还需要考虑到排水系统的布局和管道的连接。
在排水系统的设计中,需要尽量减少管道的弯曲和连接,以减少水流的阻力和水压的损失。
同时,还需要保证排水管道距离墙面的距离足够,以便进行排水管道的连接和维修。
再次,排水管道距离墙面的距离还需要考虑到墙体结构和防渗要求。
在建筑物的设计和施工中,墙体结构的强度和稳定性是非常关键的。
如果排水管道距离墙面的距离过小,可能会对墙体结构产生影响,导致墙体开裂或者倾斜。
因此,需要根据墙体结构和排水管道的布置来确定排水管道距离墙面的距离。
最后,排水管道距离墙面的距离还需要考虑到排水管道的保温和防冻要求。
在寒冷地区的建筑设计中,需要采取措施来保证排水管道的正常运行。
例如,在排水管道距离墙面的距离较大的情况下,可以在墙体内部设置保温层,以防止排水管道受到冷凝或者结冰的影响。
综上所述,排水管道距离墙面的距离对于排水系统的正常运行和建筑物的使用安全非常重要。
在建筑设计和施工过程中,需要根据相关标准和规范来确定排水管道距离墙面的距离,并综合考虑建筑物的类型和用途、排水系统的布局、墙体结构和防渗要求以及排水管道的保温和防冻要求等因素,以确保排水系统的顺畅和安全。
1、管与管及与建筑构件之间的最小净距《建筑施工手册》第四版,缩印版,第1500页(网上可下载到,大约100Mb)或《水暖工长速查》第119页(杨磊主编化学工业出版社 2010年7月第1版)管井管道:敷设在管井内的管道,管道表面(有防结露保温时按保温层表面计)与周围墙面的净距不宜小于50mm。
《建筑施工手册》第四版,缩印版,第1504页2、水暖管离墙距离水暖管离墙距离:标准图规定给水、热水、采暖管(DN15~DN32)中心起距墙表面50mm 为宜,DN40以上取60mm为宜。
因为距离过近,立管阀门安装不便,有时需要破坏墙面才能将阀门装上;距离过远则影响美观,且占用空间(其他管道也一样—清秋怀远)。
均采用管外皮距墙表面30mm;而对于排水管,由于打口所需,采用承口距墙表面50mm。
《给水排水及采暖工程现场施工处理方法与技巧》,第39页3、排水柔性接口铸铁管离墙距离当管道沿墙或墙角敷设时,应保证管道及附件的安装及检修距离,管道与墙体面层净距一般为40~60mm,管道及附件不得入墙,其卡箍与法兰压盖的螺栓位置应调整至墙(角)的外侧,以便于拧紧螺栓。
《排水柔性接口铸铁管技术规程》(DB11/T364-2006,北京地方标准,可在百度文库下载到),第6页4、立管管外皮距建筑装饰面的间距(mm)(明装给水立管)管径32以下32~50 65~100 125~150间距20~25 25~30 30~50 60《建筑给排水及采暖工程施工工艺标准》(DBJ/T61-38-2005)第42页;(此书为陕西地方标准,可在百度文库下载到)采暖干管距墙尺寸:供水干管沿内墙架空敷设,当管径<DB80时,供水干管距墙尺寸为150mm;当管径≥DB80时,供水干管距墙尺寸为180mm。
回水干管在室内地坪以上沿内墙敷设时,当管径<DN80时,回水干管距墙尺寸为50mm;当管径≥DN80时,回水干管距墙尺寸为65mm。
《建筑给排水及采暖工程施工工艺标准》(DBJ/T61-38-2005)第189页采暖立管距墙尺寸:当设计采用单立管安装时,立管中心距后墙尺寸为50mm,如仅后墙有一组散热器(一臂形)时,则立管中心距侧墙尺寸为65mm;如后墙和侧墙另一侧各有一组散热器(双臂形)时,距侧墙尺寸仍为65mm;如后墙和侧墙同侧有散热器(直角形)时,距侧墙尺寸为200mm;如后侧、侧墙同侧和另一侧各有一组散热器(丁字形)时,距侧墙尺寸为300mm。
给排水管道距墙规范尺寸总汇随着城市建设的不断发展,排水系统的设计和安装越来越重要。
在建筑物的排水系统中,给排水管道的距墙规范尺寸起着至关重要的作用。
本文将总结和介绍给排水管道距墙规范尺寸的相关要点。
I. 管道布局和设计原则在开始讨论给排水管道距墙规范尺寸之前,有几个与管道布局和设计相关的原则需要注意。
1.1 管道布局应尽量简洁和合理,以确保管道的排水效果和流畅性。
1.2 确保管道系统的整体设计符合相关的建筑法规和国家标准,以确保建筑物的安全和卫生。
II. 给排水管道距墙的基本要求2.1 立墙排水管道距墙的尺寸要求:在建筑物内,立墙排水管道距离墙面的最小距离应不小于50mm,以便维修和维护。
2.2 平行排水管道距墙的尺寸要求:平行排水管道距离墙面的最小距离如下:- 直径小于等于75mm的管道:不小于50mm- 直径大于75mm的管道:不小于100mm2.3 交叉排水管道距墙的尺寸要求:交叉排水管道距离墙面的最小距离如下:- 直径小于等于75mm的管道:不小于100mm- 直径大于75mm的管道:不小于150mmIII. 给排水管道与墙体结合的防漏措施除了距离墙面的尺寸要求外,给排水管道与墙体之间的结合也需要特别注意防止漏水。
3.1 对于立墙排水管道,应使用防水软连接,并且在软连接处增加密封胶圈。
3.2 平行排水管道与墙体之间的连接处应采用密封胶垫或经过密封处理的胶水。
3.3 交叉排水管道与墙体之间的连接处需要使用承插式接头,并且在连接处增加密封圈。
IV. 其他需要注意的因素除了距离和防漏措施之外,还有一些其他因素也需要注意。
4.1 给排水管道的通风口应尽量远离窗户和门口,以防止恶臭气味进入室内。
4.2 在给排水管道设计中,要避免在管道上方有横向和竖向的弯曲,以保证管道的流畅性和排水效果。
4.3 室内给排水管道的施工前,应对底层地面进行防水处理,以防止地面渗水。
总结:给排水管道距墙规范尺寸的合理设计和安装对于建筑物的正常排水起着至关重要的作用。
不知道大家在刚开始记忆规范、图集的时候有没有觉得特别的费劲,这个尺寸,那个数值的,为了方便大家记忆管道距墙距离,给大家找了一些资料,做了下汇总!并都标明了出处了!有需要的收藏!
1、管与管及与建筑构件之间的最小净距
《建筑施工手册》第四版,缩印版,第1500页(网上可下载到,大约100Mb)或《水暖工长速查》第119页(杨磊主编化学工业出版社 2010年7月第1版)
管井管道:
敷设在管井内的管道,管道表面(有防结露保温时按保温层表面计)与周围墙面的净距不宜小于50mm。
《建筑施工手册》第四版,缩印版,第1504页
2、水暖管离墙距离
水暖管离墙距离:标准图规定给水、热水、采暖管(DN15~DN32)中心起距墙表面50mm 为宜,DN40以上取60mm为宜。
因为距离过近,立管阀门安装不便,有时需要破坏墙面才能将阀门装上;距离过远则影响美观,且占用空间(其他管道也一样—清秋怀远)。
均采用管外皮距墙表面30mm;而对于排水管,由于打口所需,采用承口距墙表面50mm。
《给水排水及采暖工程现场施工处理方法与技巧》,第39页
3、排水柔性接口铸铁管离墙距离
当管道沿墙或墙角敷设时,应保证管道及附件的安装及检修距离,管道与墙体面层净距一般为40~60mm,管道及附件不得入墙,其卡箍与法兰压盖的螺栓位置应调整至墙(角)的外侧,以便于拧紧螺栓。
《排水柔性接口铸铁管技术规程》(DB11/T364-2006,北京地方标准,可在百度文库下载到),第6页
4、立管管外皮距建筑装饰面的间距(mm)(明装给水立管)
管径32以
下32~50 65~100 125~150
间
距20~25 25~30 30~50 60《建筑给排水及采暖工程施工工艺标准》(DBJ/T61-38-2005)第42页;
(此书为陕西地方标准,可在百度文库下载到)
采暖干管距墙尺寸:
供水干管沿内墙架空敷设,当管径<DB80时,供水干管距墙尺寸为150mm;当管径≥DB80时,供水干管距墙尺寸为180mm。
回水干管在室内地坪以上沿内墙敷设时,当管径<DN80时,回水干管距墙尺寸为50mm;当管径≥DN80时,回水干管距墙尺寸为65mm。
《建筑给排水及采暖工程施工工艺标准》(DBJ/T61-38-2005)第189页
采暖立管距墙尺寸:
当设计采用单立管安装时,立管中心距后墙尺寸为50mm,如仅后墙有一组散热器(一臂形)时,则立管中心距侧墙尺寸为65mm;如后墙和侧墙另一侧各有一组散热器(双臂形)时,距侧墙尺寸仍为65mm;如后墙和侧墙同侧有散热器(直角形)时,距侧墙尺寸为200mm;如后侧、侧墙同侧和另一侧各有一组散热器(丁字形)时,距侧墙尺寸为300mm。
立管之间距离:
当设计采用双立管安装时,供水立管一般按照在右侧,回水立管一般按照在左侧。
立管距墙尺寸与单立管安装时相同,管径≤DN32时,两立管中心距为80mm;管径≥DN40时,两立管中心距为130mm。
《建筑给排水及采暖工程施工工艺标准》(DBJ/T61-38-2005)第189~190页
5、排水立管、支管距墙尺寸
《怎样当好水暖工长》表3-11,第133页
注:如想知道更多关于常用卫生器具排水支管预留孔洞位置与尺寸内容,可购买《管道工长速查》(曲德仁主编化学工业出版社出版)第144页表3-41
6、管道上部净空
给水引入管管顶上部净空一般不小于100mm
排水排出管管顶上部净空一般不小于150mm
《怎样当好水暖工长》电子版第132页
7、管道的中心线与梁、柱、楼板的最小距离(自喷系统)
公称直径
(mm)25 32 40 50
70 80 100 125 150
200
距离
(mm)40 40 50
60 70 80 100 125
150 200
《自动喷水灭火系统施工及验收规范》(GB 50261-2005)第15页
8、水平干管安装与墙、柱表面的安装距离(给水管道)
注:(1)钢立管净距指给水、采暖立管外壁与墙、柱的距离。
(2)表中管中心与墙、柱的安装距离使用于水平干管的安装
《怎样当好水暖工长》表3-6,第121页(PDF电子版,可下载到)
9、建筑排水金属管道距墙尺寸
当建筑排水金属管道沿墙或墙角敷设时,管道外壁面与墙体面层的最小净距离不得小于40mm
《建筑排水金属管道工程技术规程》(CJJ 127—2009)第4.2.9条。
10、建筑排水塑料管道距墙尺寸
设置于室内的雨、污水立管离墙净距宜为20mm~50mm。
室外沿墙敷设的雨、污水管和空调凝结水管道离墙净距不宜大于20mm。
《建筑排水塑料管道工程技术规程》(CJJ/T 29—2010)第5.1.9条。
11、建筑给水金属管道距墙尺寸
明装管道的外壁或管道的保温层外表面与装饰墙面的净距宜为10mm。
《建筑给水金属管道工程技术规程》(CJJ/T 154-2011)第5.3.7条。
12、建筑给水复合管道距墙尺寸
对明装管道,其外壁距装饰墙面的距离应符合下列规定:
①管道公称直径为10mm~25mm时,应小于或等于40mm;
②管道公称直径为32mm~65mm时,应小于或等于50mm。
《建筑给水复合管道工程技术规程》(CJJ/T 155-2011)第5.3.8条。
注:11条不适合给水立管(比如立管底部有蝶阀),不适合安装较大阀门的干管,不适合装饰墙面厚度未确定的管道。
13、《全国民用建筑工程设计技术措施—给水排水》
14、采暖支管(接散热器)管中距墙(完成墙面)50mm。
《建筑设备施工安装通用图集—暖气工程》(91SB1,华北标准),第17页。
(注:可编辑下载,若有不当之处,请指正,谢谢!)。