阀门调试记录
- 格式:doc
- 大小:87.50 KB
- 文档页数:4
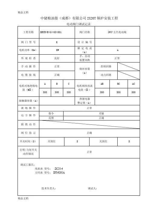
阀门调试记录SH/3503-J03阀门调试记录工程名称中泰化学阜康100万吨/年电石项目电石炉气管网200000m3气柜及配套设施工程工程编号/ 阀门名称电动金属硬密封双偏心蝶阀(3-6)阀门型号D943H-1.5 DN900 产品编号081405-16、081405-17、081405-18、081405-19电机功率(KW) 1.5KW额定电流(A)4.5A外观检查手、自动装置切换手动操作熔丝容量(A)控制回路15A电缆接线动力回路30A电机对地绝缘电阻(MΩ)A B C / AB BC AC / / / / / / /接触器容量(A) /热继电器整定值(A)/就地操作远方操作连锁动作阀位指示开关时间(S) 开到位关到位行程/力矩开关动作情况调试工具:兆欧表型号:/ 万用表型号:/技术负责人:调试人:建设单位监理单位总承包单位施工单位专业工程师:日期:年月日专业工程师:日期:年月日专业工程师:日期:年月日专业工程师:质量检查员:施工班组长:日期:年月日SH/3503-J03阀门调试记录工程名称中泰化学阜康100万吨/年电石项目电石炉气管网200000m3气柜及配套设施工程工程编号/ 阀门名称电动金属硬密封三偏心蝶阀(1-2) 阀门型号SPD941H-2.5D DN900 产品编号081405-23、081405-24 电机功率(KW) 1.5KW额定电流(A)4.5A外观检查手、自动装置切换手动操作熔丝容量(A)控制回路15A电缆接线动力回路30A电机对地绝缘电阻(MΩ)A B C / AB BC AC / / / / / / /接触器容量(A) /热继电器整定值(A)/就地操作远方操作连锁动作阀位指示开关时间(S) 开到位关到位行程/力矩开关动作情况调试工具:兆欧表型号:/ 万用表型号:/技术负责人:调试人:建设单位监理单位总承包单位施工单位专业工程师:日期:年月日专业工程师:日期:年月日专业工程师:日期:年月日专业工程师:质量检查员:施工班组长:日期:年月日SH/3503-J03阀门调试记录工程名称中泰化学阜康100万吨/年电石项目电石炉气管网200000m3气柜及配套设施工程工程编号/ 阀门名称电动金属硬密封双偏心蝶阀(3-6)阀门型号D943H-1.5 DN900 产品编号081405-16、081405-17、081405-18、081405-19电机功率(KW) 1.5KW额定电流(A)4.5A外观检查手、自动装置切换手动操作熔丝容量(A)控制回路15A电缆接线动力回路30A电机对地绝缘电阻(MΩ)A B C / AB BC AC / / / / / / /接触器容量(A) /热继电器整定值(A)/就地操作远方操作连锁动作阀位指示开关时间(S) 开到位关到位行程/力矩开关动作情况调试工具:兆欧表型号:/ 万用表型号:/技术负责人:调试人:建设单位监理单位总承包单位施工单位专业工程师:日期:年月日专业工程师:日期:年月日专业工程师:日期:年月日专业工程师:质量检查员:施工班组长:日期:年月日SH/3503-J03阀门调试记录工程名称中泰化学阜康100万吨/年电石项目电石炉气管网200000m3气柜及配套设施工程工程编号/ 阀门名称带膨胀节扇形盲板阀阀门型号F944X3-1.5C DN900 产品编号131405-19、13140520、131405-21电机功率(KW) 1.1KW额定电流(A)3.4A外观检查手、自动装置切换手动操作熔丝容量(A)控制回路15A电缆接线动力回路30A电机对地绝缘电阻(MΩ)A B C / AB BC AC / / / / / / /接触器容量(A) /热继电器整定值(A)/就地操作远方操作连锁动作阀位指示开关时间(S) 开到位关到位行程/力矩开关动作情况调试工具:兆欧表型号:/ 万用表型号:/技术负责人:调试人:建设单位监理单位总承包单位施工单位专业工程师:日期:年月日专业工程师:日期:年月日专业工程师:日期:年月日专业工程师:质量检查员:施工班组长:日期:年月日。
编号:IV-PD4-RG-01-02-06-02-A0 第1页/共10页1.编制依据《电力建设安全施工规程及管理规定》《火电施工质量检验及评定标准》(热工仪表及控制装臵篇)《电力建设施工及验收技术规范》(热工仪表及控制装臵篇)《电力建设安全工作规程》(火力发电厂部分)《热控专业施工组织设计》阀门生产厂家技术资料2.工程概况及工作量本作业指导书适用于盘电二期#4机组电动、气动阀门调试。
#4机共有电动阀门273个;气动阀门237个;电磁阀102个。
3.作业前必须具备的条件及施工工期3.1施工条件1)施工用各种技术资料已准备齐全。
2)技术员已经完成施工图纸会审。
3)施工任务单、作业指导书已经过批准。
4)对施工人员已经进行技术交底。
5)施工用正式电源已投入。
6)施工所用的工器具准备齐全,计量器具有检验合格证。
3.2参加作业人员的分配及要求技术员2人、组长2人、安装工10人1)技术员2名技术员熟悉施工范围及施工作业的技术要求,在施工过程中,对施工人员进行严格要求,不许脱离工作岗位,协助组长处理施工中遇到的问题。
2)组长2名组长必须具有一定的施工经验及技术水平,能独立处理施工遇到的一些问题,并能组织好施工人员严格按照作业指导书的要求施工,能认真编号:IV-PD4-RG-01-02-06-02-A0 第2页/共10页完成施工自检记录工作,施工及自检工作完毕后,及时向工地质量员申请检查验收。
3)安装工10名施工人员必须服从组长的统一指挥,熟悉施工中所使用的工器具的性能及安全注意事项,严格按作业指导书的要求施工,不得擅自离开现场。
3.3施工工期2001年9月15日——2001年11月20日4.施工工机具和仪器、仪表4.1使用机具施工所需主要工具接线工具10套(含螺丝刀、偏口钳、尖嘴钳、剥线钳、试灯等)对讲机4对试电笔10个信号发生器2台活扳手8、12″各2把内六角扳手2套4.2使用量具兆欧表500V/500MΩ2块万用表4块秒表4块5.施工方法5.1电动阀门调试5.1.1auma电动执行器调试1)断开配电柜所有分开关,合上配电柜总电源。
压力控制阀调试指南说明书一、前言压力控制阀是一种用于控制管道中流体压力的装置,广泛应用于工业生产和民用设施中。
为了确保阀的正常运行和高效性能,正确的调试是十分重要的。
本说明书将详细介绍压力控制阀的调试方法和步骤,帮助用户使用和维护设备。
二、调试准备1. 确保阀门与管道之间的连接牢固,并检查密封垫圈是否正常。
2. 在调试前,务必先对工作环境进行安全检查,包括检查管道是否有漏气或漏液等。
三、调试步骤1. 了解系统压力:在调试前,需要了解管道系统的设计压力和工作压力范围,并根据此设置调试参考值。
2. 打开阀门:轻轻转动手柄,逐渐打开压力控制阀。
四、调试注意事项1. 调节阀门开度:根据系统的实际需求,逐渐调节阀门的开度,以达到所需的压力值。
2. 观察系统压力:在调节过程中,需要随时观察系统的压力表,确保压力控制阀正常工作。
3. 调试记录:在调试过程中,应及时记录调整参数和压力变化情况,以备后续维护和修正使用。
五、故障排除1. 压力偏差:如果调试后的工作压力与预期值有较大偏差,可尝试重新调节阀门开度,或者检查系统管道是否有其他问题。
2. 泄漏问题:如发现压力控制阀存在泄漏,可检查密封垫圈和连接接口是否紧固,必要时更换密封件。
六、保养与维护1. 定期检查:压力控制阀的正常工作需要定期检查,确保零部件完好,并进行润滑。
2. 清洁阀门:定期清洗阀门和管道,保持畅通。
七、安全提示1. 在调试过程中,务必佩戴防护手套和眼镜,注意个人安全。
2. 调试时应轻动手柄,避免突然操作造成意外伤害。
3. 若出现异常情况或操作不当造成的问题,请立即停止使用并联系专业人员进行检修。
八、结束语本指南提供了对压力控制阀的调试方法和维护要点进行了详细说明,希望能对用户在使用过程中提供帮助。
如有任何疑问或困难,请及时联系相关技术支持人员。
W0312_安全阀门调试记录调试日期:20xx年xx月xx日调试人员:xxx调试内容:1.调试目的:安全阀门是保证设备在正常工作压力范围内的重要设备,通过调试,确保其工作可靠、灵敏,以确保设备运行过程的安全性和稳定性。
2.调试前准备:(1)检查安全阀门的相关资料,包括安全阀门的型号、规格、额定工作压力等信息,确保了解其基本性能参数。
(2)检查整个系统的工作压力范围,确保调试的安全性。
(3)确保调试过程中的人员安全,穿戴工作服和防护用品。
3.调试步骤:(1)确定调试位置:根据设备布置图纸和安全考虑,选择合适的位置进行调试。
(2)清洁阀门:使用清洁剂擦拭阀门外壳和连接部位,确保表面清洁无污物。
(3)检查安全阀门的三通接头:检查接头是否松动,如有松动情况,及时紧固。
(4)打开管道系统:开启管道系统,确保准备调试的安全阀门处于正常工作条件下。
(5)调整开启压力:根据安全阀门的额定开启压力,通过调整阀门的调节螺杆来调整开启压力,确保在额定压力范围内。
(6)测试安全阀门的开启压力:通过增加管道系统的压力,逐渐接近安全阀门的额定开启压力,观察阀门的开启情况。
(7)测试安全阀门的关闭压力:逐渐减小管道系统的压力,观察安全阀门的关闭情况,确保阀门能够在设定的关闭压力下完全关闭。
(8)调整阀门的敏感度:逐渐增加和减小管道系统的压力,观察安全阀门的灵敏度。
(9)检查安全阀门的漏气情况:关闭管道系统,并观察安全阀门的端口是否有气体泄漏情况。
(10)记录测试数据:记录每一个调试步骤的压力参数、阀门的开启情况等数据。
4.调试结果:(1)阀门的开启压力和关闭压力符合设计要求,工作稳定。
(2)阀门的敏感度良好,能够及时响应系统的压力变化。
(3)阀门无漏气现象,密封性良好。
5.调试结论:经过调试,安全阀门的工作性能良好,能够按照设计要求对系统进行压力释放,保证设备运行过程中的安全性和稳定性。
6.调试总结:安全阀门是设备运行过程中重要的安全保障设备,调试前需要了解安全阀门的基本参数,并按照相关步骤进行调试。