防水工程技术标、商务标评分表
- 格式:xls
- 大小:29.50 KB
- 文档页数:2
技术标评标评分表(100分)评标人签名:2010年9月15日商务标评标书评审表(50分)评标人签名:2010年9月15日学生评分表(100分)投标团队编号:资信评分表(100分)评标人签名:2010年9月15日幕墙施工技术标一.技术标评审说明: 1.资信标评审(代码 A1,满分 20 分):采用后附表“资格审查文件评分表”的形式进行。
2.技术标(施工组织设计)评审(代码 A2,满分 50 分):采用后附表“技术标评分表”的形式进行,评标的主要内容详见该表; 3.技术标(深化图纸设计能力)评审(代码 A3,满分 30 分):采用后附表“深化图纸设计评分表”的形式进行,评标的主要内容详见该表;二.评分表 1.资信标评分表(20 分,分数代码 A1)序号评审项目总分值评审内容及评分标准质量体系 QMS、环保体系 EMS、职业安全健康体系 OHSMS、其他如 TUV、CE 等,每认证一个得 1 分,最高评 3 分;无证明材料的,得 0 分。
2 项目经理业绩 3分提供项目经理与本工程类似的工程业绩(需提供证明资料)每一个得 2 分,两个及以上得 3 分;否则得 0 分。
提供最少 3 个本工程类似工程业绩(需提供合同复印件,原件备查)得 2 分;每多提供一份再得 1 分,最多得 4 分;否则得 0 分。
2分信用等级 AAA 得 2 分,AA 得 1 分,A 及以下不得分。
实际得分 1 体系认证情况 3分 2 企业近三年类似工程业绩信用等级 4分 3 4 5 获奖情况加工基地 2分 2分提供类似业绩获奖情况(需提供证明资料),有鲁班奖的得 2 分,有省部级奖的得 1 分;低于省部级奖不得分。
周边地区设有幕墙加工基地得 2 分,800kM 以上距离得 1 分,没有幕墙基地得 0 分。
1.管理机构人员配备齐全合理、职能清晰完善,人员年龄结构合理,专业技术力量强,得 3-4 分; 6 项目组织机构 4分 2.管理机构人员配备齐全较好、职能比较清晰完善,人员年龄结构较好,专业技术力量一般,得 1-2 分; 3.管理机构人员配备配备一般、职能欠完善,人员年龄结构一般,专业技术力量薄弱,得 0-1 分。
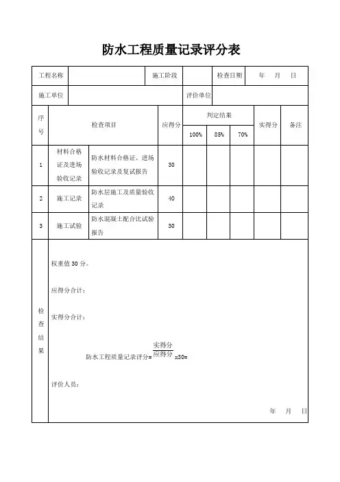
防水工程质量记录评分表防水工程质量记录评分表(标准版)使用说明一、引言防水工程质量记录评分表(标准版)是一份旨在确保防水工程在施工过程中严格按照规范进行,并通过量化评分体系来评估其质量的重要工具。
该评分表通过详细列出各项检查项目及其应得分,为施工单位和评价单位提供了明确的指导和评判依据。
以下将详细介绍该评分表的使用方法及注意事项。
二、表格结构说明基本信息部分:工程名称:填写被评价的防水工程的具体名称。
施工单位:记录负责该防水工程施工的单位名称。
评价单位:填写进行防水工程质量评价的单位名称。
检查日期:记录每次检查的具体日期,通常包括多个检查点以覆盖整个施工阶段。
检查项目与评分部分:该部分详细列出了防水工程的各项检查项目,包括但不限于材料合格证及进场验收记录、施工记录、施工试验等。
每个检查项目均设有“应得分”,表示该项目在满足规范要求时应得的分数。
“判定结果”列用于填写实际检查中该项目的完成情况,并根据完成情况给出相应的得分比例(如100%、85%、70%等)。
“实得分”则是根据判定结果和应得分计算得出的实际得分。
合计与评分部分:在表格底部,设有权重值和应得分合计、实得分合计的计算区域。
权重值通常设定为30分,表示该评分表在整体防水工程质量评价中的占比。
“防水工程质量记录评分”通过实得分合计乘以权重值得出,是评价防水工程质量的重要依据。
三、使用方法前期准备:在开始使用评分表之前,评价人员需充分了解防水工程的施工规范和质量要求。
准备好相关的检查工具和资料,如测量工具、验收标准、施工图纸等。
现场检查:按照评分表所列的检查项目逐一进行现场检查,并记录每项检查的结果。
根据检查结果,在“判定结果”列中填写相应的得分比例。
计算得分:根据每项检查的应得分和判定结果计算实得分。
将所有检查项目的实得分相加得出实得分合计。
将实得分合计乘以权重值(30分)得出防水工程质量记录评分。
填写备注:对于检查过程中发现的特殊问题或需要注意的事项,在“备注”列中进行详细说明。
防水技术标评分表简介防水技术在建筑、土木工程和水利工程中发挥着重要作用。
防水技术标评分表用于评估建筑、土木工程和水利工程中的防水技术质量。
评分表根据防水技术的不同方面给出评分,以确定防水技术的质量。
评分表的目的是为了鼓励建筑、土木工程和水利工程中的施工者在防水技术方面更加注重质量和效果,创造更安全、更可靠的建筑、土木工程和水利工程。
评分标准下面是防水技术标评分表中的具体评分标准:评分项评分标准材料防水材料的种类、质量、适用性和施工性能施工工艺施工工艺的先进性、合理性、标准化程度和规范性施工质量防水施工的质量、完整性和可靠性施工效果防水施工后的效果、耐久性和保护性项目管理防水施工中的项目管理、协调和执行情况评分标准解释材料防水材料的种类、质量、适用性和施工性能:•种类:防水材料种类繁多,评分标准需要考虑常用防水材料的质量评估。
•质量:防水材料质量评分包括材料生产质量控制、质检报告及保障和质量保证期等方面。
•适用性:防水材料的适应性评分关注防水材料在不同环境条件下的适用性,如温度、湿度、压力、荷载等。
•施工性能:防水材料施工性能评分主要考察防水材料在施工现场使用过程中的表现与效果,例如搅拌均匀性、黏合力、施工难易程度等。
施工工艺施工工艺的先进性、合理性、标准化程度和规范性:•先进性:防水施工工艺的技术水平和应用程度。
•合理性:防水施工工艺的整体合理性,包括布局、细节、技术选型等。
•标准化程度:防水施工工艺的规范化程度,符合现行防水标准规范。
•规范性:防水施工工艺是否能够满足防水标准要求,防水成果合格率。
施工质量防水施工的质量、完整性和可靠性:•质量:防水施工过程中的施工质量,包括施工前、施工中和施工后的质量评估。
•完整性:防水系统的完整性,防止隐患,避免漏水现象。
•可靠性:防水施工后的长期可靠性,经久耐用性。
施工效果防水施工后的效果、耐久性和保护性:•效果:防水施工后的总体效果评估,包括表面形状和防渗效果等方面。
(一)商务标评分标准(满分70分)备注:评标基准价C1、C2、C3按照如下方法确定:1、投标总报价的评标基准价C1按照“综合平均法”计算评标基准价C1=A×K1×Q1+B×K2×Q2A:投标价算术平均值。
当n(有效投标人个数,以下相同)<7时,A=所有投标价的算术平均值;当7≤n<10时,A=所有投标报价中去掉1个最高价、1个最低价后的算术平均值;当n≥10时,A=所有投标报价中去掉2个最高价、2个最低价后的算术平均值。
B:招标控制价。
K:下浮系数;K1的取值为:在开标前由投标人推选的的代表从97.5%、97.6%、97.7%、97.8%、98%、中随机抽取确定;K2的取值为100% 。
Q:权重比例Q1+Q2=100%;Q1的取值为:在开标前由投标人推选的的代表从32%、34%、36%、38%、40%中随机抽取确定。
2、措施项目报价评标基准价C2按照“平均法”计算评标基准价C2为各投标报价中相应措施费项目报价的算术平均值。
当n≥5时,评标基准价为去掉其中最高价和最低价后的算术平均值。
3、分部分项工程量清单报价评标基准价C3按照“平均法”计算评标基准价C3为各投标报价中相应分部分项综合单价金额的算术平均值。
当n≥5时,评标基准价为去掉其中最高价和最低价后的算术平均值。
附件:评分标准(一)技术标评分标准(满分18分)(二)资信标评分标准(满分12分)注:1、评标基准值A的确定:当投标人N≤5家时,则所有投标人的有效投标报价算术平均值为A值;当投标人5<N≤11家时,则所有投标人的有效投标报价去掉一个最高,一个最低后的算术平均值为A值;当投标人N>11家时,则所有投标人的有效投标报价去掉两个最高,两个最低后的算术平均值为A值。
2、业绩证明。
提供施工合同原件或中标通知书(中标通知书必须有招标监管机构的盖章),项目机构人员证件、与评分相关的获奖证书,供招标人进行核验原件,再由专家确认计分。
商务综合标评分表(含公式)(一)技术标的评标标准:(25分)(二)综合标的评标标准:(15分)(三)商务标的评标标准:(60分)含公式自动计算各项得分及总分评标标准和方法一、根据《政府采购法》、《招标投标法》及相关法律法规的有关规定与本工程特点,本着公开、公平、公正的原则,特制定本评标办法。
二、评标工作在评委会内独立进行,评委会将遵照评标原则,公正、平等地对待所有投标人。
三、投标文件的评审分初步评审和详细评审两个阶段。
1、初步评审是指评标委员会对所有投标文件的符合性、响应性和重大偏差按招标文件的要求逐一审查的评审。
审核投标人的资格,投标人投标报价超过业主预算控制金额(拦标价)的视为无效投标。
1.1如初审合格的投标人少于或等于11家时,评标委员会则对实际通过初审合格的投标人进入详细评审。
(进入详细评审的投标人应高于或等于3家,如低于3家时该标段应重新招标)。
1.2如初审合格的投标人超过11家(不含)时,评标委员会则对初审合格的投标人按照投标报价从低到高的顺序确定11家进入详细评审的投标人。
2、详细评审是对初步评审合格投标文件的技术标、商务标、综合标按照招标文件中明确的评标办法以列表、抽量的方式进行分析、比较和评审。
四、评标委员会不对无效投标文件或废标的投标人进行评审或打分。
五、本工程详细评审采用综合打分法,具体计分标准如下:(一)技术标的评标标准:(25分)1、主要施工办法(5分)(1)施工准备1分;(2)确定各施工过程的施工顺序1分;(3)分部、分项尤其是主要施工过程的施工方法2分;(4)分冬、雨季施工措施1分。
(一)技术标的评标标准:(25分)(二)综合标的评标标准:(15分)(三)商务标的评标标准:(60分)含公式自动计算各项得分及总分2、拟投入的主要物资计划(1.5分)(1)满足工程施工所需的材料数量0.8分;(2)满足工程施工所需的材料供应计划0.7分。
3、拟投入的主要施工机械及检测设备(1.5分)(1)满足工程施工所需的机械数量及供应计划1分;(2)测量、实验、检测仪器设备数量及供应计划0.5分。
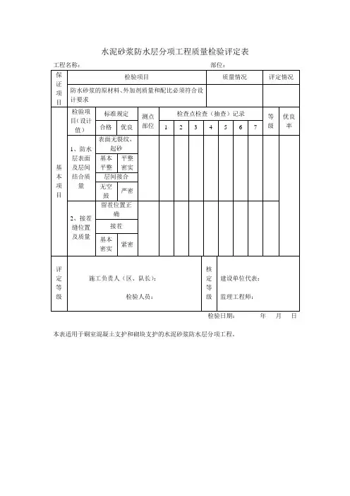
水泥砂浆防水层分项工程质量检验评定表本表适用于硐室混凝土支护和砌块支护的水泥砂浆防水层分项工程。
卷材防水层分项工程质量检验评定表本表适用于立井、硐室用塑料、橡胶等铺贴的卷材防水层分项工程。
本表适用于井下各种风门、防火门、防爆门、防水闸门、排泥仓密闭门、密闭墙的基础分项工程。
检验日期:年月日本表适用于井下各种风门、防火门、防爆门、防水闸门、排泥仓密闭门、密闭墙的墙体分项工程。
本表适用于井下各种风门、防火门、防爆门、防水闸门、排泥仓密闭门、密闭墙的门框分项工程。
检验日期:年月日本表适用于井下各种风门、防火门、防爆门的门扇安装分项工程。
检验日期:年月日本表适用于井下防水闸门、排泥仓密闭门闸门安装分项工程。
检验日期:年月日本表适用于井巷的混凝土地坪分项工程。
本表适用于斜井、斜巷中的各种砌块台阶分项工程。
检验日期:年月日本表适用于斜井、斜巷中的混凝土台阶分项工程本表适用于井巷、硐室表面喷刷浆分项工程。
检验日期:年月日本表适用于井下铺轨基底分项工程。
混凝土固定道床分项工程质量检验评定表检验日期:年月日本表适用于井下铺轨混凝土固定道床分项工程。
本表适用于井下铺轨道碴道床分项工程。
本表适用于井下铺轨轨枕、岔枕分项工程。
轨道分项工程质量检验评定表道岔分项工程质量检验评定表检验日期:年月日本表适用于井下铺轨安全防护中的轨距杆分项工程。
检验日期:年月日本表适用于井下铺轨安全防护中的防爬器分项工程。
防滑移设施分项工程质量检验评定表本表适用于井下铺轨安全防护中的防滑移设施分项工程。
托辊、托绳轮分项工程质量检验评定表本表适用于井下铺轨安全防护中的托辊、托绳轮分项工程。
栅栏、安全标志桩分项工程质量检验评定表本表适用于井下铺轨安全防护中的栅栏、安全标志桩分项工程。
精品文档商务标评标:按有效投标人投标报价的最低价为基准价,投标报价得分 =(基准价 / 投标报价) *100=投标人:序号评分项目项目经理部组成及拟派1项目管理班子成员2现场平面布置施工进度计划及工期保3证措施4劳动力安排计划技术标评分表评分要点、评分标准与评分取值建议分值得分项目经理有建造师证 2 分;项目经理履A 档历表 1 分;项目管理配置情况表 2 分;其他人员资格证书 2 分;项目管理人员岗位职责 3 分项目经理有建造师证 2 分;项目经理履10B 档历表 1 分;项目管理配置情况表 2 分;其他人员资格证书 2 分C档项目经理有建造师证 2 分;项目经理履历表 1分施工现场平面布置与管理方案或措施A 档 4 分,现场平面布置图 3 分;零时用水用电及其他计划及安排 3 分10施工现场平面布置与管理方案或措施B 档4 分,现场平面布置图 3 分C档现场平面布置图 3 分工期承诺或保证 2 分,施工总进度计划A 档表(横道图) 6 分;影响工期因素及保证制度或措施 6 分;工程进度落后的处理措施 6 分工期承诺或保证 2 分,施工总进度计划20B 档表(横道图) 6 分;影响工期因素及保证制度或措施 6 分C档工期承诺或保证 2 分,施工总进度计划表(横道图) 6 分劳动力安排计划表及计划 3 分;施工机A 档械、仪器、防护设备表及管理措施3分;材料采购、验收、检测、管理措施4 分10劳动力安排计划表及计划 3 分;施工机B 档械、仪器、防护设备表及管理措施3分C档劳动力安排计划表及计划 3 分5 6 7 8工程难点、项目管理重点及采取的相应措施安全、文明施工计保证措施施工技术方案合理化建议合计得分工程难点分析透彻,采取措施针对性强A 档得 10分B 档分析欠透彻,针对性不够强得7 分C档分析不透彻,针对性差得 4 分安全文明生产、教育、保证制度及措施2分;消防管理制度和意外情况处理措A 档施2分;设备安全管理制度及检验方法2 分;现场环境管理 2 分;成品、半成品保护 2分安全文明生产、教育、保证制度及措施2分;消防管理制度和意外情况处理措B档施 2 分;设备安全管理制度及检验方法 2 分;消防管理制度和意外情况处理措施2C档分施工技术管理制度 2 分;各分部分项工程施工方法 10 分;工程质量保证体系、A 档组织措施、保证措施 6 分;工程补修保修措施及承诺 2 分施工技术管理制度 2 分;各分部分项工B 档程施工方法 10 分;工程质量保证体系、组织措施、保证措施 6 分C档施工技术管理制度 2 分;各分部分项工程施工方法 10 分有合理化建议 3 分。
防水工程单元评定表
前言
本评定表用于评定建筑工程中防水工程单元的施工、设计、材料选用等情况,以保证建筑工程的防水质量及安全性。
施工质量
评价标准
施工质量是评定防水工程单元的重要标准之一。
评价施工质量是否合格需要考虑以下因素:
1. 防水层是否完整、紧密;
2. 材料的选用是否符合要求;
3. 是否存在漏涂、漏刷、漏贴等现象;
4. 防水层是否与基层紧密结合;
5. 防水层是否存在砂眼、气泡、皱褶等缺陷。
评定方法
施工质量评定主要通过实地检查、验收记录、施工质量报告等途径获得。
设计质量
评价标准
设计质量是评定防水工程单元的另一个重要标准。
评价设计质量是否合格需要考虑以下因素:
1. 设计图纸、说明书是否准确明确;
2. 防水层的性能、厚度、施工工艺等是否与设计要求一致;
3. 其他防水层相关配合工程的设计方案是否符合要求。
评定方法
设计质量评定主要通过方案审核、图纸、施工说明书等进行。
材料质量
评价标准
材料质量是评定防水工程单元的另一个关键指标。
评价材料质量是否合格需要考虑以下因素:
1. 材料的品牌、型号、规格等是否符合设计要求;
2. 材料的检测报告是否合格;
3. 运输、存储、保管等环节是否规范。
评定方法
材料质量主要通过检测、证明和出产单位、产品使用记录等途径评定。
总结
防水工程单元评定表是保证建筑工程施工安全、防水质量的重要措施,应在施工前进行编制、完善,同时应结合实地情况进行不断评估、完善。
评定指标的准确性和评定体系的完整性是防水工程单元评定表设计的核心问题,需仔细考虑。
评标办法
本次招标采用综合评分法(按评审得分计)确定中标单位,分商务标和技术标两项,商务标权重系数_____,技术标权重系数______,具体评标方法下:
1. 招标人在开标仪式上根据投标须知相关规定,对投标人的投标文件是否应当受理进行审查,然后将应当受理的投标文件送招标小组评审。
2. 符合性及完整性评审:每位评委分别对各投标文件进行符合性及完整性评审,对各投标文件能否符合招标文件要求做出明确判定。
3. 对于通过符合性及完整性评审的投标文件,投标人对投标方案进行讲述后,招标小组针对各投标文件的技术标进行评审打分,并对投标人由高至低进行排序,技术标评审时不得拆封并宣读商务标报价。
4. 技术标评审完成后,由招标小组拆封并宣读商务标报价,招标小组针对各投标文件的商务标进行评审打分,综合评分前______家单位,招标小组邀约进行商务标议价,最终综合评审分数最高者为中标单位。
招标评分表(商务标)
1、得分规则:(商务标满分为分,具体计算方法为:分数合计A作为评标依据,保留小数点后两位,采用四舍五入方法记分)
2、恶意竞争——不合理高价或低价,不具备履行合同的价格,经招标小组商议后最终确认属于恶意竞争的,给予该项0分。
招标评分表(技术标)
得分规则:(技术标满分为分,具体计算方法为:分数合计B作为评标依据,保留小数点后两位,采用四舍五入方法记分)
商务标、技术标评分汇总表。