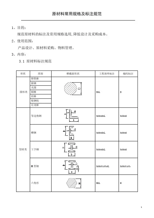
材料标注对照表08-4
- 格式:docx
- 大小:15.80 KB
- 文档页数:5
不锈钢材料对照表不锈钢材料对照表材料对照表不锈钢国家和标准 工 件比 加工瑞材德国中国英国法国意大利利西班牙日本美国 特性典 料 组 组 材料编号DINGBBSENAFNORUNI时 NBNSSUNEJISAISI/S AE12/1 3 1.400 0 X6Cr130Cr13; 1Cr12 403S17-Z6C13X6Cr13-230 1F.3110SUS403403 12/1 3 1.400 1X7Cr14-------F.8401--12/1 3 1.400 6 X10Cr131Cr13410S2156AZ10C14X12Cr13-230 2F.3401SUS410410 12/1 3 1.401 6X6Cr171Cr17430S1560Z8C17X8Cr17-220F.3113SUS430430 12/1 3 1.402 1X20Cr132Cr13S6256B; 56CZ20C13X20C13--F.3401SUS41041012/1 3 1.402 7G-X20Cr14-420C2956BZ20C13M----SCS2- 12/1 3 1.403 4X46Cr134Cr13420S4556DZ40CMZ38C13MX40Cr14-230 4 F.3405 SUS420J 2 -P 12/1 3 1.405 7X20CrNi1721Cr17Ni2431S2957Z15CNi6.02X16CNi16-232 1F.3427SUS431431 12/1 31.410 4 X12CrMoS17Y1Cr17--Z10CF17X10CrS17-238 3F.3117SUS430F430F 12/1 3 1.411 3X6CrMo1711Cr17Mo434S17-Z8CD17.01X8CrMo17-232 5-SUS434434 12/1 3 1.431 3X5CrNi134-425C11-Z4CND13.4M----SCS5-12/1 31.440 8 G-X6CrNiMo1810-316C16-----F.8414SCS14-12/1 3 1.471 8X45CrSi934Cr9Si2401S4552Z45CS9X45CrSi8--F.322SUH1HW3 12/1 3 1.472 4X10CrAl130Cr13Al403S17-Z10C13X10CrAl12--F.311SUS405405121.474 2X10CrAl18Cr17430S1560Z10CAS18X8Cr17--F.3113SUS43043012/1 3 1.401 7 X80CrNiSi208Cr20Si2Ni443S6559 Z80CSN20.0 2X80CrSiNi20--F.320VSUH4HNV612 1.402 2X10CrAl242Cr25N--Z10CAS24X16Cr26-232 2 -SUH446446 F.35511.4011X5CrNi18100Cr18Ni9304S1558EZ6CN18.09X5CrNi1810-2332 ; F.3541;14SUS304304F.350414 1.403 5 X10CrNiS189 1Cr18Ni9Mo Z r 303S2158M Z10CNF18.09X10CrNiS18.0 9 - 234 6F.3508SUS303303 14 1.404 6 X2CrNi19110Cr19Ni10304S12-Z2CN18.10X2CrNi18.11- 235 2F.3503SCS19304L14 1.406 8 G-X6CrNi189-304C15-Z6CN18.10M----SCS13-14 1.407 0 X12CrNi177Cr17Ni7--Z12CN17.07X12CrNi1707-233 1F.3517SUS30130114 1.412 1X2CrNiN1810-304S62-Z2CN18.10--237 1 - SUS304L N304LN 141.432 0X5CrNi1890Cr19Ni9304S3158EZ6CN18.09X5CrNi1810---SUS30430414 1.441 1 X5CrNiMo1712 0Cr17Ni11M o2316S16 Z6CND17. 111.473X5CrNiMo1712- 234 7F.3543SUS316316 M 14 1.475 900Cr17Ni13M o2 X2CrNiMoN17133--Z2CND17.13--237 5 - SUS316LN316LN14 1.476 5 X2CrNiMo18143 0Cr27Ni12M o 3316S12-Z2CDN17.13X2CrNiMo1713-235 3-SCS16,316L 14 1.443 8 X2CrNiMo17133 00Cr19Ni13M o3317S12-Z2CND19.15 X2CrNiMo18.1 6 -236 7-SUS317L317LSUS329L14 1.446 0 X8CrNiMo275------232 4 - ; SCH11;329L SCS1112/1 31.454 1 X6CrNiTi18101Cr18Ni9Ti2337321S12Z6CNT18.10X6CrNiTi1811-58BF.3553SUS32132112/1 31.455 0X6CrNiNb18101Cr18Ni11Nb347S1758FZ6CNNb18.1X6CrNiTi1811-233 8F.3552SUS347347 12/1 3 1.457 1 X6CrNiMoTi1712 2 Cr18Ni12Mo 2Ti320S1758JZ6NDT17.12X6CrNiMoTi17- 235 0F.3535-316Ti 12/1 3 1.458 1 G-X5CrNiMoNb18 10-318C7-Z4CNDNb181 2M XG8CrNiMo18---SCS22-12/11.458X10CrNiMoNb181Cr17Ni12Mo3--Z6CNDNb171X6CrNiMoTiNb----318332Nb3B1714 1.403 8 X15CrNiSi20121Cr23Ni13309S24-Z15CNS20.1----SUH30930914 1.402 5 X12CrNi25210Cr25Ni20310S24-Z12CN2520X6CrNi2520-236 1F.331SUH310310S 14 1.404 4 X12NiCrSi3616 Cr15Ni36W3T i --Z12CNS35.1----SUH33033014 1.405 5 G-X40NiCrSi381 8-330C11--XG50NiCr3919---SCH15-1.406 1 X53CrMnNiN2195Cr2Mn9Ni4N 349S54 ; 321S12 - 58BX53CrMnNiN21 9Z52CMN21.014---SUH35EV8 工具钢材料对照表添加时间:2009-08-04详细信息:工具钢材料对照表材料对照表工具钢工国家和标准 件 材料组 加工 特性 组 材料 编号德国中国英国法国意大利比利时 DINGBBSENAFNORUNINBNSSUNEJIS瑞 典AISI/S AE 西班牙日本美国6/7 1.408 5 C105W1T10--Y1105 C98KU;C100K U - 188 0 F.515;F.5 16-W.1106/7 1.413 3C125WT12A--Y2120C120KU--(C120)SK2W.11291.433 7100Cr6CrV;9SiCrBL3-Y100C6---100Cr6-L3P 10/1 1 1.442 0X210Cr12Cr12BD3-Z200Cr12X210Cr13KU; X250Cr12KU--X210Cr12SKD1D3X35CrMoV05K10/1 1 1.474 4 X40CrMoV5 1 4Cr5MoVSiBH1 3-Z40CDV5U; X40CrMoV51K - 224 2X40CrMoV5SKD61H13U10/1 11.477 3 X100CrMoV 51Cr6WVBA2-Z100CDV5X100CrMoV51 KU - 226 0X100CrMoV 5SKD12A210/1 1 1.4049105WCr6CrWMo--105WC1310WCr6; 107WCr5KU- 214105WCr5 SKS31; SKS2;SKS3-10/1 11.403 6X210CrW12Cr12W---X215CrW121K U - 231 2X210CrW12SKD2-10/1 11.405 245WCrV75CrNiMoBS1--45WCrV8KU-271 045WCrSi8-S1 X30WCrV9310/1 1 1.407 1 ; X30WCrV93 3Cr2W8V BH2 1-Z30WCV9X28W09KU X30WCrV93KU----- KU10/1 11.409 1 X165CrMoV 12Cr12MoV---X165CrMoW12 KU - 231 0X160CrMoV 12SKD11D310/1 11.414 3 55NiCrMoV 65CrNiMo--55NCDV7---F.250.SSKT4L610/1 11.434 3100V1VBW2-Y 1105V-C98KU; 102V2K U--SKS43W210 10/1 1 1.443 3 S6-5-2-5 W6Mo5Cr4V2C o5--Z85WDKCVHS6-5-2-5-272 3HS6-5-2-5SKH55- 10/1 1 1.4445S18-1-2-5W18Cr4VCo5BT4-Z80WKCV; 10-05-04- 01X78WCo1805K U--HS18-1-1-5SKH3T410/1 1 1.4753S6-5-2W6Mo5Cr4V2BM2-Z85WDCV 06-05-04- 02X82WMo0605K U -2722HS6-5-2SKH9M210/1 1 1.4788S2-9-2---Z-Z100WCWV 09-02-04- 02HS2-9-2- 278 2HS2-9-2-M710/1 11.479 5 S18-0-1W18Cr4VBT1-Z80WCV 18-04-01X75W18KU--HS18-0-1SKH2T110/1 1 -S6-5-3W6Mo5Cr4V3-------SKH52M3 10/1 1---BM4 2------SKH59 结构钢材料对照表添加时间:2009-08-04 详细信息:结构钢材料对照表材料对照表结构钢工 件 加 工 特 性 组 材 料 组材料编号 国家和标准瑞 典德国中国英国法国意大利比利时 西班牙日本美国DINGBBSENAFNORUNINBNSSUNEJISAISI/SAE1 1.405 01 C1515080M15-CC12C15C16-135 0F.111-10151 1.404 02C2220050A202CCC20C20C21C25-1145 0F.112-1020 1/ 2 1.405 01 C3535060A35-CC35C35C35-1155 0F.113-1035 2 1.406 03 C4545080M40-CC45C45C45-1 165 0 F.114-1045 2/ 3 1.408 35C5555070M55--C55C55-1 165 5--10553 1.409 01C6060080A6243DCC55C60C60-1---1060 1 1.410 15 9SMn28Y15230M07-S250CF9SMn28-191 211SMn28SUM2212131 1.415 189SMnPb28---S250PbCF9MnPb28-191 411SMnPb2 8SUM22L12L13P 1 1.435 2210SPb20---10PbF2CF10Pb20--10SPb20--2 1.445 2635S20-212M368M35MF4--195 7F210G-1140 1/ 2 1.476 36 9SMn36Y13240M071BS300CF9SMn36--12SMn35-1215 1/ 2 1.480 379SMnPb36---S300PbCF9SMnPb36-192 612SMnP35-12L14 2/ 31.444 04 55Si955Si2Mn250A534555S755Si855Si7208 556Si7-9255 2/ 3 1.447 6160SiCr7---60SC760SiCr860SiCr8-60SiCr8-92621 1.456 41 Ck1515080M1532CXC12C16C16-2137 0C15KS15C10152 1.459 5740Mn440Mn150M361535M5-----10391/1.11Ck2525----C25-2--S25C10252582/ 3 1.406 6736Mn535Mn2--40Mn5--212 0 36Mn5SMn438(H )1335 2/ 3 1.406 7028Mn630Mn150M2814A20M5C28Mn28Mn6--SCMn113302/ 3 1.407 83Cf3535Mn060A35-XS38TSC36C36157 2-S35C10352/ 3 1.410 9145Ck45080M46-XC42C45C45-2167 2C45KS45C1045 2/ 3 1.411 03Ck5555070M55-XC45C50C55-2-C55KS55C10553/ 4 1.411 13Cf5350060A52-XC48TSC53C53167 4 -S50C1050 3/ 4 1.416 21Ck6060Mn080A6243DXC60C60C60-2167 8 -S58C1060 9 1.436 74Ck101-060A96---- 187 0-SUP4109510 1.446 01 X120Mn12-Z120M12-X120M12XG120Mn12--X120Mn12SCMnH/1- 9 1.447 05 100Cr6 Gr15;45 Gr 534A9931100C6100Cr6- 225 8F.131SUJ252100 9 1.477 1515Mo3-1501-240-15D316Mo3KW16Mo3 291 216Mo3- ASTM A20Gr.A8 1.481 26 16Mo5-1503-245-420--16Mo516Mo5-16Mo5-4520 5 1.445 2214Ni6---16N614Ni618Ni6-15Ni6- ASTM A350LF59 1.448 62 X8Ni9-1501-509;510--X10Ni910Ni36-XBNi09-ASTMA3539 1.457 80 12Ni19---Z18N5-12Ni20---25156 1.458 1036NiCr6-640A35111 A35NC6----SNC2363135 6 1.460 32 14NiCr10---14NC1116NiCr11--15NiCr11SNC415(H )34156 1.57 5214NiCr14-655M13;655A 1236A12NC15-13NiCr1 2-- SNC815(H )3415;331061.65 11 36CrNiMo 4 -816M4011040NCD338CrNiMo4( KB) --35CrNiMo 4-98406 1.65 23 21NiCrMo 2-850M2036220NCD220NiCrMo2- 250 3 20NiCrM o2SNCCM220 (H)8620 61.6540NiCrMo-311-Type7--40NiCrMo2(40NiCrM-40NiCrMoSNC2408740462KB)o226 1.4078234CrNiMo640CrNiMoA817M402435NCD635CrNiMo6(KB)35CrNiMo62541--43406 1.4078717CrNiMo6-820A16-18NCD6-17CrNiMo7-14CrNiMo13--2 1.4081515Cr315Cr523M15-12C3-15Cr2--SCr415(H)50156 1.4123334Cr435Cr530A3218B32C434Cr4(KB)34Cr4-35Cr4SCr430(H)51326 1.4123541Cr440Cr530M401842C441Cr442Cr4-42Cr4SCr440(H)51406 1.4174542Cr440Cr-----224542Cr4SCr44051406 1.4183116MnCr1518CrMn(527M20)-16MC516MnCr1516MnCr15251116MnCr15-51156 1.4377655Cr320CrMn527A604855C3-55Cr3--SUP9(A)51556 1.4381825CrMo430CrMn1717CDS110-25CD425CrMo4(KB)25CrMo4222555Cr3SCM420;SCM43041306 1.4482034CrMo435CrMo708A3719B35CD435CrMo434CrMo4223434CrMo4SCM432;SCRRM34137;41356 1.4782341CrMo440CrMoA708M4019A42CD4TS41CrMo441CrMo4224441CrMo4SCM4404140;41421.4822542CrMo442CrMo;42CrMnMo708M4019A42CD442CrMo442CrMo4224442CrMo4SCM440(H)641406 1.4466215CrMo5---12CD4--221612CrMo4SCM415(H)-6 1.4473513CrMo44-1501-620Gr.27-15CD3.5;15CD4.514CrMo4414CrMo45-14CrMo45-ASTMA182;F11;F126 1.4496132CrMo12-722M2440B30CD1232CrMo1232CrMo12224F.124.A--6 1.4598010CrMo91-1501-622Gr.31;45-12CD9;112CrMo9,10-2218TU.H-ASTMA182F.226 1.4611514MoV63-1503-660-440---13MoCrV6-13MoCrV6--7 1.585950CrV450CrVA735A504750CV450CrV450CrV422351CrV4SUP1061509 1.660941CrAlMo7-905M3941B40CAD6,1241CrAlMo741CrAlMo729441CrAlMo7--91.8539CrMoV1-897M3940C-36CrMoV1236CrMoV----233913模具钢、工具钢规格特性对照添加时间:2009-08-04 详细信息:模具钢、工具钢规格特性对照模具钢、工具钢规格特性对照钢种韩国HJ 美国AI德国DIN瑞典ASSAB日本JIS出厂硬度(交货化学成分(%)CSiMnNiCrMo特淬火温回火后硬度用性度℃HRC途SI基准)一良般好杂的货加的工型性预硬板10和化表玩塑料模具钢HP-1A50优化-760S55C优化面HS28-331.408-.551.408-.351.409-.9≤0.5--大为减少的加工时间具,精密部件的基材良大好型HP-4 A 4140优化2311HOLDEX预硬化表面SCM440优化1.413-.441.413-.351.419-.95≤0.51.439-1.11.449-0.35830-86HS38-44磨车损保性险,杠加,工电变视形机微后小盖良好大的型加模工具性的HP-4 MA P2优化2738718预硬化表面SNCM优化HS41-471.409-.371.409-.351.410-11.414-1.4141.420-1.751.440-.5性,840-87面要硬求度家分用布电均器一良好的加车顶灯HAM- 70工,性冰和预硬箱表P2化表蔬1DAIDO0.05-01.450-01.479-1.483-0面840-87 --面菜1.448-2-优NAK80.25HSC37.74.5光盒照化洁-41度明,灯硬等度透分明件布均一彩良 好 的 抗 管 玻 HEMS -1A 420 优 化 2083 ESR S-136-S- 136H SUS42退火0.25-0 .3 0J2优HRC23 化 -551.410-0.55 1.411-0 .8 ≤0.3 1.415-1 1.415 ≤0.5 腐 蚀性 和 精 加工1000-1 050200-500℃HR C50-55壳 模具 CD、 透 ,高精度镜 、PVC底盘高 清 净 度 ,压 结铸构模 STD- 61 热 作H1 3 退火 23448407SKD61HB ≤2 29 1.421-0 .4 1.441-1 .2 1.451-0 .5 ≤0.2 51.480-5 .5 1.484-1 .5 均 匀, 良 好 1000-1050空 冷,油 冷 550-680℃HRC ≤53具 ,热 压模工 高挤具 温压钢强模 度 和 韧 性 良压HDS- 1H1 3 优 化2344 优化 -退火 HB ≤229 SKD61 优化专利进行中好 1000-1 050真 气550-680℃HR C ≤53铸 模 具 ,的韧空,煤性,热热压均模裂性和软化抵抗性及硬化性高清净修度边,模结,冷构成型模作硬1000-1 D2退火工STD-SKD111.40-11.411-01.412-01.416-11.416-1度050空550-680℃HR 优2379XW42HB≤2-具11优化.6.35.53.2均冷,油C≥58 化25冲钢匀冷WORD格式抗磨损,高模,热压模强度高清净锻度造锻6F预硬,用模STF-工2SKT4化1.422-01.442-01.452-11.481-1.485-11.449-0良--热4M具优优化HRC42.54.3.051.450.1.55好压化-48的钢模抗热冲击性 和 抗 磨 损 性 火 焰 表 面 硬化 火 焰硬HFH-化1 钢---HITAC HI HMD5退火 HB ≤2 251.410-0 .81.412-1 .051.413-0 .8≤0.1 51.417-1 .11.417-0.25处 理 ,良 好的 抗磨875-95 0空 冷,油 冷150-200℃HRC ≥61 压模, 修 边模损 性 和 加 工 性不锈钢材料的类型及用途牌号类型用途1Cr18Ni9Ti 奥氏体型使用最广泛,适用于食品、化工、医药、原子能工业 0Cr25Ni20奥氏体型炉用材料,汽车排气净化装置用材料 1Cr18Ni9奥氏体型经冷加工有高的强度,建筑用装饰部件 0Cr18Ni9奥氏体型作为不锈耐热钢使用最广泛,食品用设备,一般化设备,原子能工业用 00Cr19Ni10奥氏体型用于抗晶间腐蚀性要求高的化学、煤炭、石油产业的野外露 0Cr17Ni12Mo2奥氏体型适用于在海水和其它介质中,主要作耐点蚀材料,照相、食品工业、沿海地区设 施、绳索、CD 杆、螺栓、螺母00Cr17Ni14Mo2奥氏体型为0Cr17Ni14Mo2的超低碳钢,用于对抗晶间腐蚀性有特别要求的产品 1Cr18Ni12Mo2Ti 奥氏体型用于抗硫酸、磷酸、甲酸、乙酸的设备,有良好的耐晶家腐蚀性0Cr18Ni12Mo2Ti奥氏体型同上0Cr18Ni10Ti奥氏体型添加Ti提高耐晶间腐蚀,不推荐作装饰部件0Cr16Ni14奥氏体型无磁不锈钢,作电子元件具有较高的高温强度和抗氧化性,对含硫气氛较敏感,在600-800°C有析出相0-1Cr20Ni14Si2奥氏体型的脆化倾向,适用于制作承受应力的各种炉用构件1Cr17Ni7奥氏体型适用于高强度构件,火车客车车厢用材料耐应力腐蚀破裂性能良好,具有较高的强度,适用于含氯离子的环境,用于炼油,00Cr18Ni5Mo3Si2奥氏体+铁素体化肥,造纸,石油,化工等工业,制造热交换器、冷凝器等00Cr12Ti超纯铁素体型用于洗衣机内冲压件,装饰用0Cr17(Ti)铁素体型用于汽车消音器管,装饰用0Cr13AI铁素体型从高温下冷却不产生显著硬化,汽轮机材料,淬火用部件,复合钢材耐蚀性良好的通用钢种,建筑内装饰用,重油部件,用于家庭用具,家用电器部1Cr17铁素体型件0Cr13铁素体型作较高韧性及受冲击的零件,如汽轮页片,结构架,螺栓,螺帽等1Cr13马氏体型具有良好的耐腐蚀性,机械加工性,用作一般用途、刀刃机械零件、石油精练装置、螺栓、螺母、泵杆、餐具等2Cr13马氏体型淬火状态下硬度高,耐腐蚀性良好,作汽轮机叶片,餐具(刀)。
中国美国 日本 德国 英国 法国 前苏联 国际标准化组织 GB AST JIS DIN 、DINENBS 、BSEN NF 、NFEN ΓOCT IS0 630品 名牌号 牌号 牌号 牌号 牌号 牌号 牌号 08F1008 1010 SPHD SPHE040A1080K П10 1010S10C S12C CKl0 040A12 XCl0 10 C101151015 S15C S17C CKl5 Fe360B 08M15 XCl2 Fe306B 15 C15E4201020 S20C S22C C22IC22 C222025 1025 S25C S28C C25 IC25 C25 25 C25E440 1040 S40C S43C C40 IC40 080M40 C40 40 C40E445 1045 S45C S48C C45 IC45 080A47 C45 45 C45E450 1050 S50C S53C C50 IC50 080M50 C50 50 C50E4 优 质 碳 素 结 构 钢15Mn1019080A1515r中国美国 日本 德国英国 法国 前苏联 国际标准化组织 GB AST JIS DIN 、DINENBS 、BSENNF 、NFENΓOCT IS0 630品 名牌号 牌号牌号 牌号 牌号 牌号 牌号 T7(A)SK7 C70W2060A67 060A72 C70E2Uy7TC70T8(A)T72301 WlA —8SK5 SK6 C80W1 060A78 060A81 C80E2Uy8 TC80T8Mn(A)SK5 C85W 060A81 Y75 y8r T10(A) T72301 W1A —91/2SK3 SK4 C105W11407C105E2Uy10TCl05T11(A) T72301 W1A —10l/2SK3C105W1 1407 C105E2U y11 TCl05碳 素 工 具 钢T12(A) T72301 WlA —111/2 SK2 1407 C120E3U y12 TCl20Crl2T30403(UNS)(D3)SKDl X210Crl2 BD3 X210Crl2 X12 210Crl2Crl2MolVl T30402(UNS)(D2)SKDll X155CrVMo121BD2160CrMoVl25CrMnMo5X ΓM 5CrNiMo T61206(UNS)(L6) SKT4 55NiCrMoV6BH224/5 55NiCrMoV75XHM合 金 工 具 钢3Cr2W8V T20821SKD5BH21X30WCrV93X2B8Φ30WCrV9中国美国 日本 德国 英国 法国 前苏联 国际标准化组织GB AST JIS DIN 、DINEN BS 、BSEN NF 、NFEN ΓOCT IS0 630品 名牌号 牌号 牌号 牌号 牌号 牌号 牌号Y12 1211 G12110(UNS) SUM12 SUM21 10S20 S10M15 13MF4 A12 10S20 Y12Pb 12L13 SUM22L10SPb2010SPb20 11SMnPb28Y20 1117 G11170(UNS)SUM32 C22 C22 210M15 C22 A20Y40Mn 1144 G11440(UNS)SUM43 226M4445MF6.3 A40Γ 44Mn28Y45Ca 1145C45 C45 C45易 切 削 结 构 钢Y1Crl8Ni9 SUS303 X8CrNiSl8—9 303S31 303S21 17Q295A Gr.42 Gr.A SPFC490 E295 E295E295 295Q295B Gr.42 Gr.A SPFC490 S275JR S275JR S275JR 295Q345CGr.50Gr.A Gr.C ,Gr.D A808MSPFC590 S335JO S335JO S335JO 345 E355DDQ345EType7 Gr.50 SPFC590 S355NL S355ML S355NL S355ML S355NL S355MLE355E E355DD 低 合 金 结 构 钢Q420B Cr60 Gr.ESEV295 SEV345S420NL S420MLS420NL S420MLS420NL S420MLS420C E420CC中国美国 日本 德国 英国 法国 前苏联 国际标准化组织GB AST JIS DIN 、DINEN BS 、BSEN NF 、NFEN ΓOCT IS0 630品 名牌号牌号 牌号 牌号 牌号 牌号 牌号 Q420C Gr.B Type7SEV295 SEV345 S420NL S420MLS420NL S420MLS420NL S420MLHS420D E420DD低 合 金 结 构 钢Q460DGr.65 SM570SMA570W SMA570PS460NL S460MLS460NL S460MLS460NL S460MLE460DD F460E20Mn2 1524 SMn420 P355GH 0355GH P0355GH 22Mn615Cr 5115 SCr415 17Cr3 527A17 15X20Cr 5120 SCr420 20Cr4 590M17 20x 20Cr430Cr 5130 SCr430 34Cr4 34Cr4 34Cr4 30x 34Cr440Cr5140 SCr440 41Cr4 41Cr4 41Cr4 40x 4lCr445Cr5145 SCr445 4lCr4 41Cr4 4lCr4 45x 41Cr430CrMo 4130 SCM430 25CrMo4 25CrMo4 25CrMo4 30xM 25CrMo435CrMo 4317 SCM435 34CrMo4 34CrMo4 34CrMo4 35xM 34CrMo442CrMo 4140 SCM440 42CrMo4 42CrMo4 42CrMo4 38xM 42CrMo438CrMoAl SCM645 41CrAlMo7 905M39 38x2MIoA 41CrAlMo7450CrVA 6150 SCPl0 5lCrV4 51CrV4 51CrV4 50x ΦA 51CrV4合 金 结 构 钢40CrMnMo 4140 4142SCM440 42CrM 04 42CrMo4 708Mn4042CrMo4 42CrMo4中国美国 日本 德国 英国 法国 前苏联 国际标准化组织GB AST JIS DIN 、DINEN BS 、BSEN NF 、NFEN ΓOCT ISO630 品 名牌号 牌号 牌号 牌号 牌号 牌号 牌号 85 1084 SUP3 CK85 FMR86 TypeDC 55Si2Mn9260 H92600 SUP6 SUP7 55Si7251H6056SC756SiCr760Si2Mn H92600 SUP6 SUP7 60SiCr7 25H60 61SiCr7 61SiCr755CrMnA H51550 G51550 SUP9 55Cr3 525A58 527A60 55Cr3 55Cr3 60Si2CrVA 弹 簧 钢50CrVA H51500 G61500 SUPl0 50CrV4 735A51 50CV4 50x ΦA 5lCrV4 GCr951100 SUJl GCrl552100 SUJ2 100Gr6 100Gr6 WXl5 l 轴 承 钢9Crl8Mo440C SUS440C Z100CDl7 2l 35W250 36F320M 35A250 M250—35A M250—35A M250—35A 2413 电 工 钢27QGll0 27P146M27P110M103—27PM103—27PM103—27P3408常用国内外钢材牌号对照表中国 美国 日本 德国 英国 法国 前苏联 国际标准化组织GB AST JIS DIN 、DINEN BS 、BSEN NF 、NFEN ΓOCT ISO 630品 名牌号牌号 牌号 牌号牌号 牌号牌号Q195Cr.B Cr.CSS330 SPHC SPHDS185 040 A10 S185S185CT1K ПCTlC П CTl ПCQ215A Cr.C Cr.58SS 330 SPHC040 A12CT2K П—2CT2C П—2 CT2ПC —2 Q235ACr.DSS400 SM400A080A15CT3K П—2CT3C П—2 CT3ПC —2E235B Q235B Cr.DSS400 SM400AS235JR S235JRGl S235JRG2S235JR S235JRGl S235JRG2S235JR S235JRGl S235JRG2CT3K П—3 CT3C П—3 CT3ПC —3 E235B Q255ASS400 SM400ACT4K П—2CT4C П—2 CT4ПC —2 普 通 碳 素 结 构 钢Q275 SS490 CT5C П—2 CT5ПC —2E275A中国美国 日本 德国 英国 法国 前苏联 国际标准化组织GB AST JIS DIN 、DINEN BS 、BSENNF 、NFEN ΓOCT IS0 630品 名牌号 牌号 牌号 牌号 牌号 牌号 牌号 W18Cr4VT12001(UNS)(T1) SKH2BTlHSl8-0-1P18HSl8-0-1 (S1) W18Cr4VCo5T12004(UNS)(T4) SKH3 S18-l-2-5 BT4 HSl8-1-1-5HSl8-1-1-5(S7) 高 速 工 具 钢W6Mo5Cr4V2 T11302(UNS)(M2) SKH51 S6-5-2 BM2 HS6-5-2 p6M5HS6-5-2 (S4) 1Crl8Ni9 S30200(UNS)(302) SUS302 X10CrNis 18-9 302S31 302S25 Z12CNl8-09 12X18H912 10 1Crl8Ni9Ti S32100(UNS)(321)SUS321 X6CrNiTi 18-10 X6CrNiTi 18-10 X6CrNiTi 18-10 12X18H 10TX6CrNiTi181011 2Crl3S42000(UNS) (420)SUS420J1X20Crl3420S37 X20Crl3 X20Crl320X13440Mn1043 SWRH42B C40 080M40 1C40 C40 40ΓSL SM 45Mn 1046 SWRH47B C45 080M47 2C45C45 45ΓSL SM 不 锈 钢65Mn 1065 65ΓASLSM TypeSC TypDC常用国内外钢材牌号对照表中国 美国 日本 德国 英国 法国 前苏联 国际标准化组织GB AST JIS DIN 、DINEN BS 、BSEN NF 、NFEN ΓOCT ISO 630品 名牌号牌号 牌号 牌号牌号 牌号牌号Q195Cr.B Cr.CSS330 SPHC SPHDS185 040 A10 S185S185CT1K ПCTlC П CTl ПCQ215A Cr.C Cr.58SS 330 SPHC040 A12CT2K П—2CT2C П—2 CT2ПC —2 Q235ACr.DSS400 SM400A080A15CT3K П—2CT3C П—2 CT3ПC —2E235B Q235B Cr.DSS400 SM400AS235JR S235JRGl S235JRG2S235JR S235JRGl S235JRG2S235JR S235JRGl S235JRG2CT3K П—3 CT3C П—3 CT3ПC —3 E235B Q255ASS400 SM400ACT4K П—2CT4C П—2 CT4ПC —2 普 通 碳 素 结 构 钢Q275 SS490 CT5C П—2 CT5ПC —2E275A中国美国 日本 德国 英国 法国 前苏联 国际标准化组织 GB AST JIS DIN 、DINENBS 、BSEN NF 、NFEN ΓOCT IS0 630品 名牌号 牌号 牌号 牌号 牌号 牌号 牌号 08F1008 1010 SPHD SPHE040A1080K П10 1010S10C S12C CKl0 040A12 XCl0 10 C101151015 S15C S17C CKl5 Fe360B 08M15 XCl2 Fe306B 15 C15E4201020 S20C S22C C22IC22 C222025 1025 S25C S28C C25 IC25 C25 25 C25E440 1040 S40C S43C C40 IC40 080M40 C40 40 C40E445 1045 S45C S48C C45 IC45 080A47 C45 45 C45E450 1050 S50C S53C C50 IC50 080M50 C50 50 C50E4 优 质 碳 素 结 构 钢15Mn1019080A1515r中国美国 日本 德国英国 法国 前苏联 国际标准化组织 GB AST JIS DIN 、DINENBS 、BSENNF 、NFENΓOCT IS0 630品 名牌号 牌号牌号 牌号 牌号 牌号 牌号 T7(A)SK7 C70W2060A67 060A72 C70E2Uy7TC70T8(A)T72301 WlA —8SK5 SK6 C80W1 060A78 060A81 C80E2Uy8 TC80T8Mn(A)SK5 C85W 060A81 Y75 y8r T10(A) T72301 W1A —91/2SK3 SK4 C105W11407C105E2Uy10TCl05T11(A) T72301 W1A —10l/2SK3C105W1 1407 C105E2U y11 TCl05碳 素 工 具 钢T12(A) T72301 WlA —111/2 SK2 1407 C120E3U y12 TCl20Crl2T30403(UNS)(D3)SKDl X210Crl2 BD3 X210Crl2 X12 210Crl2Crl2MolVl T30402(UNS)(D2)SKDll X155CrVMo121BD2160CrMoVl25CrMnMo5X ΓM 5CrNiMo T61206(UNS)(L6) SKT4 55NiCrMoV6BH224/5 55NiCrMoV75XHM合 金 工 具 钢3Cr2W8V T20821SKD5BH21X30WCrV93X2B8Φ30WCrV9中国美国 日本 德国 英国 法国 前苏联 国际标准化组织GB AST JIS DIN 、DINEN BS 、BSENNF 、NFEN ΓOCT IS0 630品 名牌号 牌号 牌号 牌号 牌号 牌号 牌号 W18Cr4VT12001(UNS)(T1) SKH2BTlHSl8-0-1P18HSl8-0-1 (S1) W18Cr4VCo5T12004(UNS)(T4) SKH3 S18-l-2-5 BT4 HSl8-1-1-5HSl8-1-1-5(S7) 高 速 工 具 钢W6Mo5Cr4V2 T11302(UNS)(M2) SKH51 S6-5-2 BM2 HS6-5-2 p6M5HS6-5-2 (S4) 1Crl8Ni9 S30200(UNS)(302) SUS302 X10CrNis 18-9 302S31 302S25 Z12CNl8-09 12X18H912 10 1Crl8Ni9Ti S32100(UNS)(321)SUS321 X6CrNiTi 18-10 X6CrNiTi 18-10 X6CrNiTi 18-10 12X18H 10TX6CrNiTi181011 2Crl3S42000(UNS) (420)SUS420J1X20Crl3420S37 X20Crl3 X20Crl320X13440Mn1043 SWRH42B C40 080M40 1C40 C40 40ΓSL SM 45Mn 1046 SWRH47B C45 080M47 2C45C45 45ΓSL SM 不 锈 钢65Mn 1065 65ΓASLSM TypeSC TypDC中国美国 日本 德国 英国 法国 前苏联 国际标准化组织GB AST JIS DIN 、DINEN BS 、BSEN NF 、NFEN ΓOCT IS0 630品 名牌号 牌号 牌号 牌号 牌号 牌号 牌号Y12 1211 G12110(UNS) SUM12 SUM21 10S20 S10M15 13MF4 A12 10S20 Y12Pb 12L13 SUM22L10SPb2010SPb20 11SMnPb28Y20 1117 G11170(UNS)SUM32 C22 C22 210M15 C22 A20Y40Mn 1144 G11440(UNS)SUM43 226M4445MF6.3 A40Γ 44Mn28Y45Ca 1145C45 C45 C45易 切 削 结 构 钢Y1Crl8Ni9 SUS303 X8CrNiSl8—9 303S31 303S21 17Q295A Gr.42 Gr.A SPFC490 E295 E295E295 295Q295B Gr.42 Gr.A SPFC490 S275JR S275JR S275JR 295Q345CGr.50Gr.A Gr.C ,Gr.D A808MSPFC590 S335JO S335JO S335JO 345 E355DDQ345EType7 Gr.50 SPFC590 S355NL S355ML S355NL S355ML S355NL S355MLE355E E355DD 低 合 金 结 构 钢Q420B Cr60 Gr.ESEV295 SEV345S420NL S420MLS420NL S420MLS420NL S420MLS420C E420CC中国美国 日本 德国 英国 法国 前苏联 国际标准化组织GB AST JIS DIN 、DINEN BS 、BSEN NF 、NFEN ΓOCT IS0 630品 名牌号牌号 牌号 牌号 牌号 牌号 牌号 Q420C Gr.B Type7SEV295 SEV345 S420NL S420MLS420NL S420MLS420NL S420MLHS420D E420DD低 合 金 结 构 钢Q460DGr.65 SM570SMA570W SMA570PS460NL S460MLS460NL S460MLS460NL S460MLE460DD F460E20Mn2 1524 SMn420 P355GH 0355GH P0355GH 22Mn615Cr 5115 SCr415 17Cr3 527A17 15X20Cr 5120 SCr420 20Cr4 590M17 20x 20Cr430Cr 5130 SCr430 34Cr4 34Cr4 34Cr4 30x 34Cr440Cr5140 SCr440 41Cr4 41Cr4 41Cr4 40x 4lCr445Cr5145 SCr445 4lCr4 41Cr4 4lCr4 45x 41Cr430CrMo 4130 SCM430 25CrMo4 25CrMo4 25CrMo4 30xM 25CrMo435CrMo 4317 SCM435 34CrMo4 34CrMo4 34CrMo4 35xM 34CrMo442CrMo 4140 SCM440 42CrMo4 42CrMo4 42CrMo4 38xM 42CrMo438CrMoAl SCM645 41CrAlMo7 905M39 38x2MIoA 41CrAlMo7450CrVA 6150 SCPl0 5lCrV4 51CrV4 51CrV4 50x ΦA 51CrV4合 金 结 构 钢40CrMnMo 4140 4142SCM440 42CrM 04 42CrMo4 708Mn4042CrMo4 42CrMo4中国美国 日本 德国 英国 法国 前苏联 国际标准化组织GB AST JIS DIN 、DINEN BS 、BSEN NF 、NFEN ΓOCT ISO630 品 名牌号 牌号 牌号 牌号 牌号 牌号 牌号 85 1084 SUP3 CK85 FMR86 TypeDC 55Si2Mn9260 H92600 SUP6 SUP7 55Si7251H6056SC756SiCr760Si2Mn H92600 SUP6 SUP7 60SiCr7 25H60 61SiCr7 61SiCr755CrMnA H51550 G51550 SUP9 55Cr3 525A58 527A60 55Cr3 55Cr3 60Si2CrVA 弹 簧 钢50CrVA H51500 G61500 SUPl0 50CrV4 735A51 50CV4 50x ΦA 5lCrV4 GCr951100 SUJl GCrl552100 SUJ2 100Gr6 100Gr6 WXl5 l 轴 承 钢9Crl8Mo440C SUS440C Z100CDl7 2l 35W250 36F320M 35A250 M250—35A M250—35A M250—35A 2413 电 工 钢27QGll0 27P146M27P110M103—27PM103—27PM103—27P3408碳素结构钢世界钢号对照表中国美国日本德国英国法国前苏联国际标准化组织Q215B Gr.58(220) SS330(SS34)SPHCSPHD040A12CT2KJI—3CT2JIC—3CT2JIC—3Q235C Gr.DGr65SM4400A(SM41A)SM400B(SM41B)S235JO080A15S235J0S235J0CT2JIC—4CT2JIC—4CT2JIC—4E235C(Fe630D)Q235D Gr.D SM400A(SM41A)SM400B(SM41B)S235J2G3S235J2G4S235J2G3S235J2G4S235J2G3S235J2C4CT3KJI—4CT3JIC—4CT3JIC—4E235D(Fe360D)HR235Q255BSS4009(SS41)SS400A(SS41A)CT4KJI—3CT4JIC—3CT$JIC—3(1)碳素结构钢中国国际标准原苏联美国日本德国英国法国GB/T699—1999 ISO 683—11IS0 8458—3ISO 8458—2ΓOCT 1050ΓOCT 14959ΓOCT 4543ASTM,A29MJISC 4051JISG 3056TISG 4106DINEN 10016—2DINEN 10083—1DINEN 10083—2DIN 17223—1DINENl0028—2BS970BSEN 10025BSEN 10083—2BSEN 10083—1BSEN 10028—2NFA35—551NFEN 10025NFEN 10083—1NFEN 10083—2NFEA35—051NFEN 10028—210 C101 10 1010 S10C,S12C CK10 040A12 XC1015 C15E4 15 1015 S15C,S17C CK15,Fe360B 080M15 XCl2,Fe306B 20 20 1020 S20C,S22C C22 C22 C2225 C25E4 25 1025 S25C,S28C C25 C25 C2530 C30E4 30 1030 S30C,S33C C30 C30 C3035 C35E4 35 1035 S35C,S38C C35 C35 C3540 C40E4 40 1040 S40C,S43C C40 C40 C4045 C45E4 45 1045 S45C,S48C C45 C45 C4550 C50E4 50 1050 S50C,S53C C50 C50 C5055C55E4TYPeSCTYPeDC55 1055 S55C,S58C C55 1C55 C55优质型钢常用钢号与进口钢号对照表中国国际标准原苏联美国日本德国英国法国60C60E4TYPeSCTYPeDC60 1060 S58C C60 1C60 C6065 SL、SMTYPeSCTYPeDC65 1065SWRH67ASWRH67BC66DAC66D C66D70 SL、SMTYPeSCTYPeDC70 1070SWRH72ASWRH72BC70DAC70D C70D20Mn 20Γ1022 070M2025Mn 25Γ1026 080M2530Mn 30Γ1030 080W3040Mn SL,SM 40Γ1043 SWRH42B C40 080M40,C40 C40 45Mn SL,SM 45Γ1046 SWRH47B C45 08MA47,C45 C45 50Mn SL,SM 50Γ1053 SWRH52B C50 080M50,C50 C50中国国际标准原苏联美国日本德国英国法国GB/T 1298—1986 ISO 4957 ΓOCT 1435 ASTMA686 JISC 4401 DIN 17350 BS970BS1407NFA 35—590T7 TA TC70 Y7 SK7 C70W2 060A67.72 C70E2UT8 T8A TC80 Y8 T7230lWIA—8SK5SK6C85W1060A78060A81C80E2UT8Mn T8Mn(A) Y8ΓT7230lWIA—81/2SK5 C85W 060A81 Y75T9 T9A TC90 Y9T72301WIA—9SK5SK4C90E2UT10 T10A TC105 Y10T7230lWIA—9SK4SK3C105W1 1407 C105E2UT11 T11A TC105 Y11T72301WIA—101/2SK3 C105W1 1407 C105EUT12 T12A TC120 Y12T7230lWIA—111/2SK2 1407 C120E3UT13 T13A TC140 Y13 SK1 C140E3U2)碳素工具钢中国美国 日本 德国 英国 法国 前苏联 国际标准化组织GB AST JIS DIN 、DINEN BS 、BSENNF 、NFEN ΓOCT IS0 630品 名牌号 牌号 牌号 牌号 牌号 牌号 牌号 W18Cr4VT12001(UNS)(T1) SKH2BTlHSl8-0-1P18HSl8-0-1 (S1) W18Cr4VCo5T12004(UNS)(T4) SKH3 S18-l-2-5 BT4 HSl8-1-1-5HSl8-1-1-5(S7) 高 速 工 具 钢W6Mo5Cr4V2 T11302(UNS)(M2) SKH51 S6-5-2 BM2 HS6-5-2 p6M5HS6-5-2 (S4) 1Crl8Ni9 S30200(UNS)(302) SUS302 X10CrNis 18-9 302S31 302S25 Z12CNl8-09 12X18H912 10 1Crl8Ni9Ti S32100(UNS)(321)SUS321 X6CrNiTi 18-10 X6CrNiTi 18-10 X6CrNiTi 18-10 12X18H 10TX6CrNiTi181011 2Crl3S42000(UNS) (420)SUS420J1X20Crl3420S37 X20Crl3 X20Crl320X13440Mn1043 SWRH42B C40 080M40 1C40 C40 40ΓSL SM 45Mn 1046 SWRH47B C45 080M47 2C45C45 45ΓSL SM 不 锈 钢65Mn 1065 65ΓASLSM TypeSC TypDC中国美国 日本 德国 英国 法国 前苏联 国际标准化组织GB AST JIS DIN 、DINEN BS 、BSEN NF 、NFEN ΓOCT IS0 630品 名牌号 牌号 牌号 牌号 牌号 牌号 牌号Y12 1211 G12110(UNS) SUM12 SUM21 10S20 S10M15 13MF4 A12 10S20 Y12Pb 12L13 SUM22L10SPb2010SPb20 11SMnPb28Y20 1117 G11170(UNS)SUM32 C22 C22 210M15 C22 A20Y40Mn 1144 G11440(UNS)SUM43 226M4445MF6.3 A40Γ 44Mn28Y45Ca 1145C45 C45 C45易 切 削 结 构 钢Y1Crl8Ni9 SUS303 X8CrNiSl8—9 303S31 303S21 17Q295A Gr.42 Gr.A SPFC490 E295 E295E295 295Q295B Gr.42 Gr.A SPFC490 S275JR S275JR S275JR 295Q345CGr.50Gr.A Gr.C ,Gr.D A808MSPFC590 S335JO S335JO S335JO 345 E355DDQ345EType7 Gr.50 SPFC590 S355NL S355ML S355NL S355ML S355NL S355MLE355E E355DD 低 合 金 结 构 钢Q420B Cr60 Gr.ESEV295 SEV345S420NL S420MLS420NL S420MLS420NL S420MLS420C E420CC中国美国 日本 德国 英国 法国 前苏联 国际标准化组织GB AST JIS DIN 、DINEN BS 、BSEN NF 、NFEN ΓOCT IS0 630品 名牌号牌号 牌号 牌号 牌号 牌号 牌号 Q420C Gr.B Type7SEV295 SEV345 S420NL S420MLS420NL S420MLS420NL S420MLHS420D E420DD低 合 金 结 构 钢Q460DGr.65 SM570SMA570W SMA570PS460NL S460MLS460NL S460MLS460NL S460MLE460DD F460E20Mn2 1524 SMn420 P355GH 0355GH P0355GH 22Mn615Cr 5115 SCr415 17Cr3 527A17 15X20Cr 5120 SCr420 20Cr4 590M17 20x 20Cr430Cr 5130 SCr430 34Cr4 34Cr4 34Cr4 30x 34Cr440Cr5140 SCr440 41Cr4 41Cr4 41Cr4 40x 4lCr445Cr5145 SCr445 4lCr4 41Cr4 4lCr4 45x 41Cr430CrMo 4130 SCM430 25CrMo4 25CrMo4 25CrMo4 30xM 25CrMo435CrMo 4317 SCM435 34CrMo4 34CrMo4 34CrMo4 35xM 34CrMo442CrMo 4140 SCM440 42CrMo4 42CrMo4 42CrMo4 38xM 42CrMo438CrMoAl SCM645 41CrAlMo7 905M39 38x2MIoA 41CrAlMo7450CrVA 6150 SCPl0 5lCrV4 51CrV4 51CrV4 50x ΦA 51CrV4合 金 结 构 钢40CrMnMo 4140 4142SCM440 42CrM 04 42CrMo4 708Mn4042CrMo4 42CrMo4中国美国 日本 德国 英国 法国 前苏联 国际标准化组织GB AST JIS DIN 、DINEN BS 、BSEN NF 、NFEN ΓOCT ISO630 品 名牌号 牌号 牌号 牌号 牌号 牌号 牌号 85 1084 SUP3 CK85 FMR86 TypeDC 55Si2Mn9260 H92600 SUP6 SUP7 55Si7251H6056SC756SiCr760Si2Mn H92600 SUP6 SUP7 60SiCr7 25H60 61SiCr7 61SiCr755CrMnA H51550 G51550 SUP9 55Cr3 525A58 527A60 55Cr3 55Cr3 60Si2CrVA 弹 簧 钢50CrVA H51500 G61500 SUPl0 50CrV4 735A51 50CV4 50x ΦA 5lCrV4 GCr951100 SUJl GCrl552100 SUJ2 100Gr6 100Gr6 WXl5 l 轴 承 钢9Crl8Mo440C SUS440C Z100CDl7 2l 35W250 36F320M 35A250 M250—35A M250—35A M250—35A 2413 电 工 钢27QGll0 27P146M27P110M103—27PM103—27PM103—27P3408中国国际标准前苏联美国日本德国英国法国CB/T9943—1988ISO 4957 ΓOCT 19265 ASMA 600 JISC 4403 DIN 17350 BS 4659 NFA 35—590W18Cr4V HS18—0—1(S1)P18T12001(UNS)(T1)SKH2 BT1 HSl8—0—lW18Cr4VCo5 HS18—1—1—5(S7)T12004(UNS)(T4)SKH3S18—1—2—5BT4HS18—1—1—5CW6Mo5Cr4V3 HS6—5—3(S5)T11323(UNS)(M3)SKH53 S6—5—3 HS6—5—3W6Mo5Cr4V2 HS6—5—2 P6M5 T11302(UNS) SKH51 S6—5—2 BM2 HS6—5—2 (5)高速工具钢中国国际标准前苏联美国日本德国英国法国GB/T 1222—1984 ISO 8458/3ISO 683—14ΓOCT 14959ASTM,A29MA304A322JISC 4801DIN 17222DIN 17221BS 970 NFA 35—57165Mn TYPeDC 65Γ1566 080A6755Si2Mn 59Si7 55C2ΓH9260(UNS)(9260H) SUP6SUP755Si7 251H60 56SC760Si2Mn 59Si7 60C2A H92600(UNS)(9260H)SUP6SUP760SiCr7 251H60 61SiCr760Si2MnA 59Si7 60C2A H92600(UNS)(9260H)SUP6SUP760SiCr7 251H60 61SiCr760Si2CrVA 60C2X¢A50CrVA 51CrV4 50X¢A G61500(UNS)(6150)SUPl0 50CrV4 735A51 50CrV4(6)弹簧钢(7)高碳铬轴承钢中国国际标准前苏联美国日本德国英国法国GB/TISO 683/17 ΓOCT 801 ASTMA 295 JISG,4805 DIN 17230 NFA 35—565 18254—2000GCr9 51100 SUJlGCr9SiMn 2 Gr1 SUJ3GCrl5 1 Ⅲ×15 52100 SUJ2 100Cr6 100Cr6 GCrl5SiMn 3 Ⅲ×15CΓ100CrMn6 100M6中国国际标准前苏联美国日本德国英国法国GB/T 1220—1992ISO 683/13ISO 4955ISO 9328—5ΓOCT 5632 ASTM.A 276 JISC 4303DIN 17440DINEN10083—3BS970BSEN10088—3NFA 35—578NFEN10083—3NFA 35—5771Crl8Ni9 121012×18H9 SUS302 X10CrNiS189302S31302S25Z12CNl8—091Crl8Ni9Ti11X6CYNiTi18—1012×18H10TS32100(UNS)(321)SVS321X6CrNiTi18—10X6CrNiTi18—10321S3132lSl2X6CrNiTi18—101Crl3 3 12×13 S41000(UNS)(410)SUS410 X12Crl3 410S21403F00(26C13)2Crl3 4 20×13 S42000(UNS)(420)SUS420J1 X20Crl3420S37420S2920Crl3220Crl3420F20X20Crl33Crl3 5 30×13 S42000(UNS)(420)SUS420J2 X30Crl3420S45X30Crl3Z33C13Z30C13X30Crl34Crl3 40×13 X46Crl3X38Crl3X46Crl3Z44C14Z40C14X46Crl39Crl8 95×18 S44004(UNS)(440)SUS440C(8)不锈棒钢中国国际标准前苏联美国日本德国英国法国GB/T1221—1992ISO 683/15 ΓOCT 5632 JIS 4311 DIN 17480 BS 970 NFA 35—579 4Cr9Si2 X45CrSi93 40×9C2 X45CrSi93 401S45 Z45CS94Crl0Si2Mo 40×10C2M SUH3 X40CrSiMol02 Z40CSDl040Crl4Nil4W2Mo 45×14H14B2M 33IS42(9)耐热钢。
世界材料牌号对照表世界材料牌号对照表材料对照表工具钢国家和工标准件加工材特性德国中国英国法国意大利比利时瑞典西班牙日本美国中国料组材料编DIN GB BS EN AFNOR UNI NBN SS UNE JIS AISI/SAE GB 组号6/7 1.1545 C105W1 T10 - - Y1105 C98KU;C100KU - 1880 F.515;F.516 - W.110 T10 6/7 1.1663 C125W T12A - - Y2120 C120KU - - (C120) SK2 W.112T12A 9 1.2067 100Cr6 CrV;9SiCr BL3 - Y100C6 - - - 100Cr6 - L3 CrV;9SiCr X210Cr13KU; 10/11 1.2080 X210Cr12 Cr12 BD3 - Z200Cr12 - - X210Cr12 SKD1 D3 Cr12 X250Cr12KUX35CrMoV05KU;10/11 1.2344 X40CrMoV51 4Cr5MoVSi BH13 - Z40CDV5 - 2242 X40CrMoV5 SKD61 H13 4Cr5MoVSiX40CrMoV51KU10/11 1.2363 X100CrMoV51 Cr6WV BA2 - Z100CDV5 X100CrMoV51KU - 2260X100CrMoV5 SKD12 A2 Cr6WV10WCr6; SKS31; 10/11 1.2419 105WCr6 CrWMo - - 105WC13 - 2140 105WCr5 - CrWMo 107WCr5KU SKS2;SKS3 10/11 1.2436 X210CrW12 Cr12W - - -X215CrW121KU - 2312 X210CrW12 SKD2 - Cr12W 10/11 1.2542 45WCrV7 5CrNiMo BS1 - - 45WCrV8KU - 2710 45WCrSi8 - S1 5CrNiMoX30WCrV93; X28W09KU 10/11 1.2581 3Cr2W8V BH21 - Z30WCV9 - - - - -3Cr2W8V X30WCrV93KU X30WCrV93KU P10/11 1.2601 X165CrMoV12 Cr12MoV - - -X165CrMoW12KU - 2310X160CrMoV12 SKD11 D3 Cr12MoV 10/11 1.2713 55NiCrMoV6 5CrNiMo - - 55NCDV7 - - - F.250.S SKT4 L6 5CrNiMoC98KU; 10/11 1.2833 100V1 V BW2 - Y1105V - - - SKS43 W210 V 102V2KU 10/11 1.3243 S6-5-2-5 W6Mo5Cr4V2Co5 - - Z85WDKCV HS6-5-2-5 - 2723HS6-5-2-5 SKH55 - W6Mo5Cr4V2Co5Z80WKCV; 10/11 1.3255 S18-1-2-5 W18Cr4VCo5 BT4 - X78WCo1805KU - -HS18-1-1-5 SKH3 T4 W18Cr4VCo5 10-05-04-01Z85WDCV 10/11 1.3343 S6-5-2 W6Mo5Cr4V2 BM2 - X82WMo0605KU - 2722HS6-5-2 SKH9 M2 W6Mo5Cr4V2 06-05-04-02Z100WCWV 10/11 1.3348 S2-9-2 - - -Z- HS2-9-2 - 2782 HS2-9-2 - M7 -09-02-04-02Z80WCV 10/11 1.3355 S18-0-1 W18Cr4V BT1 - X75W18KU - - HS18-0-1 SKH2 T1 W18Cr4V 18-04-0110/11 - S6-5-3 W6Mo5Cr4V3 - - - - - - - SKH52 M3 W6Mo5Cr4V3 10/11 - - - BM42 - - - - - - SKH59 M42 - 材料对照表结构钢工国家和标准件加工德国中国英国法国意大利比利时瑞典西班牙日本美国中国材特性材料编料组DIN GB BS EN AFNOR UNI NBN SS UNE JIS AISI/SAE GB号组1 1.0401 C15 15 080M15 - CC12 C15C16 - 1350 F.111 - 1015 15 1 1.0402 C22 20 050A20 2C CC20 C20C21 C25-1 1450 F.112 - 1020 20 1/2 1.0501 C35 35060A35 - CC35 C35 C35-1 1550 F.113 - 1035 35 2 1.0503 C45 45 080M40 -CC45 C45 C45-1 1650 F.114 - 1045 45 2/3 1.0535 C55 55 070M55 - - C55C55-1 1655 - - 1055 55 3 1.0601 C60 60 080A62 43D CC55 C60 C60-1 - - - 1060 60 1 1.7015 9SMn28 Y15 230M07 - S250 CF9SMn28 - 1912 11SMn28 SUM22 1213 Y15 1 1.0718 9SMnPb28 - - - S250Pb CF9MnPb28 - 1914 11SMnPb28 SUM22L 12L13 - 1 1.0722 10SPb20 - - - 10PbF2 CF10Pb20 - - 10SPb20 - - - 2 1.0726 35S20 - 212M36 8M 35MF4 - - 1957 F210G - 1140 - 1/2 1.07369SMn36 Y13 240M07 1B S300 CF9SMn36 - - 12SMn35 - 1215 Y13 1/2 1.07379SMnPb36 - - - S300Pb CF9SMnPb36 - 1926 12SMnP35 - 12L14 - P 2/3 1.0904 55Si9 55Si2Mn 250A53 45 55S7 55Si8 55Si7 2085 56Si7 - 9255 55Si2Mn 2/3 1.0961 60SiCr7 - - - 60SC7 60SiCr8 60SiCr8 - 60SiCr8 - 9262 - 1 1.1141 Ck15 15 080M15 32C XC12 C16 C16-2 1370 C15K S15C 1015 15 2 1.1157 40Mn4 40Mn 150M36 15 35M5 - - - - - 1039 40Mn 1/2 1.1158 Ck25 25 - - - - C25-2 - - S25C 1025 25 2/3 1.1167 36Mn5 35Mn2 - - 40Mn5 - - 2120 36Mn5SMn438(H) 1335 35Mn2 2/3 1.1170 28Mn6 30Mn 150M28 14A 20M5 C28Mn 28Mn6 - - SCMn1 1330 30Mn 2/3 1.1183 Cf35 35Mn 060A35 - XS38TS C36 C36 1572 -S35C 1035 35Mn 2/3 1.1191 45 Ck45 080M46 - XC42 C45 C45-2 1672 C45K S45C 1045 Ck45 2/3 1.1203 Ck55 55 070M55 - XC45 C50 C55-2 - C55K S55C 1055 55 3/4 1.1213 Cf53 50 060A52 - XC48TS C53 C53 1674 - S50C 1050 50 3/41.1221 Ck60 60Mn 080A62 43D XC60 C60 C60-2 1678 - S58C 1060 60Mn 91.1274 Ck101 - 060A96 - - - - 1870 - SUP4 1095 - 10 1.3401 X120Mn12 -Z120M12 - X120M12 XG120Mn12 - - X120Mn12 SCMnH/1 - - 9 1.3505 100Cr6Gr15;45Gr 534A99 31 100C6 100Cr6 - 2258 F.131 SUJ2 52100 Gr15;45Gr ASTM 9 1.5415 15Mo3 - 1501-240 - 15D3 16Mo3KW 16Mo3 2912 16Mo3 - -A20Gr.A 8 1.5426 16Mo5 - 1503-245-420 - - 16Mo5 16Mo5 - 16Mo5 - 4520 - PASTM 5 1.5622 14Ni6 - - - 16N6 14Ni6 18Ni6 - 15Ni6 - - A350LF5 9 1.5662X8Ni9 - 1501-509;510 - - X10Ni9 10Ni36 - XBNi09 - ASTM A353 - 9 1.568012Ni19 - - - Z18N5 - 12Ni20 - - - 2515 - 6 1.5710 36NiCr6 - 640A35 111A 35NC6 - - - - SNC236 3135 - 6 1.5732 14NiCr10 - - - 14NC11 16NiCr11 - - 15NiCr11 SNC415(H) 3415 -6 1.5752 14NiCr14 - 655M13;655A12 36A 12NC15 - 13NiCr12 - - SNC815(H) 3415;3310 - 6 1.6511 36CrNiMo4 - 816M40 110 40NCD3 38CrNiMo4(KB) - -35CrNiMo4 - 9840 - 6 1.6523 21NiCrMo2 - 850M20 362 20NCD2 20NiCrMo2 - 2503 20NiCrMo2 SNCCM220(H) 8620 - 6 1.6546 40NiCrMo2 - 311-Type7 - -40NiCrMo2(KB) 40NiCrMo2 - 40NiCrMo2 SNC240 8740 - 6 1.6582 34CrNiMo640CrNiMoA 817M40 24 35NCD6 35CrNiMo6(KB) 35CrNiMo6 2541 - - 434040CrNiMoA 6 1.6587 17CrNiMo6 - 820A16 - 18NCD6 - 17CrNiMo7 - 14CrNiMo13 - - - 2 1.7015 15Cr3 15Cr 523M15 - 12C3 - 15Cr2 - - SCr415(H) 5015 15Cr6 1.7033 34Cr4 35Cr 530A32 18B 32C4 34Cr4(KB) 34Cr4 -35Cr4 SCr430(H) 5132 35Cr 6 1.7035 41Cr4 40Cr 530M40 18 42C4 41Cr4 42Cr4 - 42Cr4SCr440(H) 5140 40Cr 6 1.7045 42Cr4 40Cr - - - - - 2245 42Cr4 SCr440 5140 40Cr 6 1.7131 16MnCr15 18CrMn (527M20) - 16MC5 16MnCr15 16MnCr15 251116MnCr15 - 5115 18CrMn 6 1.7176 55Cr3 20CrMn 527A60 48 55C3 - 55Cr3 - - SUP9(A) 5155 20CrMnSCM420; 6 1.7218 25CrMo4 30CrMn 1717CDS110 - 25CD4 25CrMo4(KB)25CrMo4 2225 55Cr3 4130 30CrMn SCM430SCM432; 6 1.7220 34CrMo4 35CrMo 708A37 19B 35CD4 35CrMo4 34CrMo42234 34CrMo4 4137;4135 35CrMo SCRRM3 6 1.7223 41CrMo4 40CrMoA 708M40 19A 42CD4TS 41CrMo4 41CrMo4 2244 41CrMo4 SCM440 4140;4142 40CrMoA42CrMo; 42CrMo; 6 1.7225 42CrMo4 708M40 19A 42CD4 42CrMo4 42CrMo4 2244 42CrMo4 SCM440(H) 4140 P 42CrMnMo 42CrMnMo 6 1.7262 15CrMo5 - - - 12CD4 - - 2216 12CrMo4 SCM415(H) - -15CD3.5; ASTM 6 1.7335 13CrMo44 - 1501-620Gr.27 - 14CrMo44 14CrMo45 - 14CrMo45 - - A182;F11;F12 15CD4.56 1.7361 32CrMo12 - 722M24 40B 30CD12 32CrMo12 32CrMo12 2240 F.124.A - - -ASTM A182 6 1.7380 10CrMo910 - 1501-622Gr.31;45 - 12CD9;1012CrMo9,10 - 2218 TU.H - - F.22 6 1.7715 14MoV63 - 1503-660-440 - - -13MoCrV6 - 13MoCrV6 - - - 7 1.8159 50CrV4 50CrVA 735A50 47 50CV4 50CrV4 50CrV4 2230 51CrV4 SUP10 6150 50CrVA 9 1.8509 41CrAlMo7 - 905M39 41B40CAD6,12 41CrAlMo7 41CrAlMo7 2940 41CrAlMo7 - - - 9 1.8523 39CrMoV139 - 897M39 40C - 36CrMoV12 36CrMoV13 - - - - -材料对照表不锈钢工国家和标准件加工德国中国英国法国意大利比利时瑞典西班牙日本美国中国材特性材料编料组DIN GB BS EN AFNOR UNI NBN SS UNE JIS AISI/SAE GB号组0Cr13; 0Cr13; 12/13 1.4000 X6Cr13 403S17 - Z6C13 X6Cr13 - 2301F.3110 SUS403 403 P 1Cr12 1Cr12 12/13 1.4001 X7Cr14 - - - - - - - F.8401 - - -12/13 1.4006 X10Cr13 1Cr13 410S21 56A Z10C14 X12Cr13 - 2302 F.3401 SUS410 410 1Cr13 12/13 1.4016 X6Cr17 1Cr17 430S15 60 Z8C17 X8Cr17 - 220 F.3113 SUS430 430 1Cr17 56B; 12/13 1.4021 X20Cr13 2Cr13 S62 Z20C13 X20C13 - - F.3401 SUS410 410 2Cr13 56C12/13 1.4027 G-X20Cr14 - 420C29 56B Z20C13M - - - - SCS2 - -Z40CM 12/13 1.4034 X46Cr13 4Cr13 420S45 56D X40Cr14 - 2304 F.3405 SUS420J2 - 4Cr13 Z38C13M12/13 1.4057 X20CrNi172 1Cr17Ni2 431S29 57 Z15CNi6.02 X16CNi16 - 2321 F.3427 SUS431 431 1Cr17Ni2 12/13 1.4104 X12CrMoS17 Y1Cr17 - -Z10CF17 X10CrS17 - 2383 F.3117 SUS430F 430F Y1Cr17 12/13 1.4113X6CrMo171 1Cr17Mo 434S17 - Z8CD17.01 X8CrMo17 - 2325 - SUS434 4341Cr17Mo 12/13 1.4313 X5CrNi134 - 425C11 - Z4CND13.4M- - - - SCS5 - -12/13 1.4408 G-X6CrNiMo1810 - 316C16 - - - - - F.8414 SCS14 - - 12/13 1.4718 X45CrSi93 4Cr9Si2 401S45 52 Z45CS9 X45CrSi8 - - F.322 SUH1 HW34Cr9Si2 12/13 1.4724 X10CrAl13 0Cr13Al 403S17 - Z10C13 X10CrAl12 - -F.311 SUS405 405 0Cr13Al 12 1.4742 X10CrAl18 Cr17 430S1560 Z10CAS18X8Cr17 - - F.3113 SUS430 430 Cr17 12/13 1.4757 X80CrNiSi20 8Cr20Si2Ni 443S65 59 Z80CSN20.02 X80CrSiNi20 - - F.320V SUH4 HNV6 8Cr20Si2Ni 121.4762 X10CrAl24 2Cr25N - - Z10CAS24 X16Cr26 - 2322 - SUH446 446 2Cr25NF.3551;14 1.4301 X5CrNi1810 0Cr18Ni9 304S15 58E Z6CN18.09 X5CrNi1810 - 2332F.3541; SUS304 304 0Cr18Ni9F.350414 1.4305 X10CrNiS189 1Cr18Ni9MoZr 303S21 58M Z10CNF18.09X10CrNiS18.09 - 2346 F.3508 SUS303 303 1Cr18Ni9MoZr 14 1.4306 X2CrNi1911 0Cr19Ni10 304S12 - Z2CN18.10 X2CrNi18.11 - 2352 F.3503 SCS19 304L0Cr19Ni10 14 1.4308 G-X6CrNi189 - 304C15 - Z6CN18.10M - - - - SCS13 - - 14 1.4310 X12CrNi177 Cr17Ni7 - - Z12CN17.07 X12CrNi1707 - 2331 F.3517 SUS301 301 Cr17Ni7 14 1.4311 X2CrNiN1810 - 304S62 - Z2CN18.10 - - 2371 - SUS304LN 304LN - 14 1.4350 X5CrNi189 0Cr19Ni9 304S31 58E Z6CN18.09 X5CrNi1810 - - - SUS304 304 0Cr19Ni9 14 1.4401 X5CrNiMo1712 0Cr17Ni11Mo2 316S16 Z6CND17.11 1.4401X5CrNiMo1712 - 2347 F.3543 SUS316 3160Cr17Ni11Mo2 14 1.4429 X2CrNiMoN17133 00Cr17Ni13Mo2 - - Z2CND17.13 - - 2375 - SUS316LN 316LN 00Cr17Ni13Mo2 M14 1.4435 X2CrNiMo18143 0Cr27Ni12Mo3 316S12 - Z2CDN17.13X2CrNiMo1713 - 2353 - SCS16, 316L 0Cr27Ni12Mo3 14 1.4438 X2CrNiMo17133 00Cr19Ni13Mo3 317S12 - Z2CND19.15 X2CrNiMo18.16 - 2367 - SUS317L 317L00Cr19Ni13Mo3SUS329L; 14 1.4460 X8CrNiMo275 - - - - - - 2324 - SCH11; 329L -SCS11 12/13 1.4541 X6CrNiTi1810 1Cr18Ni9Ti 2337 321S12 Z6CNT18.10X6CrNiTi1811 - 58B F.3553 SUS321 321 1Cr18Ni9Ti 12/13 1.4550X6CrNiNb1810 1Cr18Ni11Nb 347S17 58F Z6CNNb18.1 X6CrNiTi1811 - 2338F.3552 SUS347 347 1Cr18Ni11Nb 12/13 1.4571 X6CrNiMoTi17122 Cr18Ni12Mo2Ti 320S17 58J Z6NDT17.12 X6CrNiMoTi17 - 2350 F.3535 - 316Ti Cr18Ni12Mo2Ti 12/13 1.4581 G-X5CrNiMoNb1810 - 318C7 - Z4CNDNb1812M XG8CrNiMo18 - - - SCS22 - - 12/13 1.4583 X10CrNiMoNb1812 Cr17Ni12Mo3Nb - - Z6CNDNb1713BX6CrNiMoTiNb17 - - - - 318 Cr17Ni12Mo3Nb14 1.4828 X15CrNiSi2012 1Cr23Ni13 309S24 - Z15CNS20.1 - - - - SUH309 309 1Cr23Ni13 14 1.4845 X12CrNi2521 0Cr25Ni20 310S24 - Z12CN2520X6CrNi2520 - 2361 F.331 SUH310 310S 0Cr25Ni20 14 1.4864 X12NiCrSi3616Cr15Ni36W3Ti - - Z12CNS35.1 - - - - SUH330 330 Cr15Ni36W3Ti 14 1.4865 G-X40NiCrSi3818 - 330C11 - - XG50NiCr3919 - - - SCH15 - -349S54; - 14 1.4871 X53CrMnNiN219 5Cr2Mn9Ni4N Z52CMN21.0X53CrMnNiN219 - - - SUH35 EV8 5Cr2Mn9Ni4N 321S12 58B14 1.4878 X12CrNiTi189 1Cr18Ni9Ti 321S320 58C Z6CNT18.12X6CrNiTi1811 - - F.3523 SU321 321 1Cr18Ni9Ti材料对照表铸铁工国家和标准件加工德国中国英国法国意大利比利时瑞典西班牙日本美国中国材特性材料编料组DIN GB BS EN AFNOR UNI NBN SS UNE JIS AISI/SAE GB号组灰口铸铁(非合金)ASTM A48-76 15 - - - - - - - 01 00 - - No20B - 15 GG10 - - - Ft10D - - 01 10 - - No25B - 15 GG15 HT150 Grade150 - Ft15D - - 01 15 - - No30B HT150 15 GG20 HT200 Grade220 - Ft20D - - 01 20 - - No35B HT200 15 GG25 HT250 - - Ft25D - - 01 25 - - No40B HT250 16 GG30 HT300 Grade300 - Ft30D - - 01 30 - - No45B HT300 16 GG35 HT350 Grade350 - Ft35D - - 01 35 - - No50B HT350 16 GG40 HT400 Grade400 - Ft40D - - 01 40 - - No55B HT400 灰口铸铁(合金)MB ASTM DIN4694 3468:1974 A32-301 ISO-215 A436-72 16 GGL-NiCr202 -L-NiCr202 - L-NC202 - - 05 23 - - Type2 - K 球墨铸铁(非合金) ASTM 2789:1973 NF A32-201 A536-7207 17/18 GGG40 QT400-18 SNG420/12 - FCS400-12 - - - - 60-40-18QT400-18 17-0207 17/18 GGG40.3 - SNG370/17 - FCS370-17 - - - - - - 17-1207 17/18 GGG35.3 - - - - - - - - - - 17-1507 17/18 GGG50 QT500-7 SNG500/7 - FCS500-7 - - - - 80-55-06 QT500-7 27-0207 17/18 GGG60 QT600-3 SNG600/3 - FCS600-3 - - - - - QT600-3 32-0317/18 GGG70 QT700-18 SNG700/2 - FCS700-2 - - 07 - - 100-70-03 QT700-1837-01合金铸铁DIN1694 18 GGG NiMn137 - L-NiMn137 - L-NM137 - - 07 72 - - - - 18 GGG NiCr202 - L-NiCr202 - L-NC202 - - 07 76 - - Type2 -可锻铸铁ASTM A47-74 A220-76 2 19 - - 8 290/6 - MN31-8 - - 08 14 - - 100-70-03 - 19 GTS-35 - B340/12 - MN35-10 - - 08 15 - - 32510 - 19 GTS-45 -P440/7 - - - - 08 52 - - 40010 - 19 GTS-55 - P510/4 - MN35-10 - - 08 54 - - 50005 - 19 GTS-65 - B570/12 - MP60-3 - - 08 58 - - 70003 - 19 GTS-70 - B690/ - IP70-2 - - 08 62 - - (002) -。
中外金属材料牌号对照表七国钢材牌号对照表国内外常用钢钢号对照表钢号中国前苏联美国英国日本法国德国GB ГОСТASTM BS JIS NF DIN08F 08КП 1006 040A04 S09CK C10优08 08 1008 045M10 S9CK C1010F 1010 040A10 XC1010 10 1010,1012 045M10 S10C XC10 C10,CK10质15 15 1015 095M15 S15C XC12 C15,CK1520 20 1020 050A20 S20C XC18 C22,CK2225 25 1025 S25C CK25碳30 30 1030 060A30 S30C XC3235 35 1035 060A35 S35C XC38TS C35,CK3540 40 1040 080A40 S40C XC38H1素45 45 1045 080M46 S45C XC45 C45,CK4550 50 1050 060A52 S50C XC48TS CK53结55 55 1055 070M55 S55C XC5560 60 1060 080A62 S58C XC55 C60,CK6015Mn 15Г1016,1115 080A17 SB46 XC12 14Mn4 构20Mn 20Г1021,1022 080A20 XC1830Mn 30Г1030,1033 080A32 S30C XC3240Mn 40Г1036,1040 080A40 S40C 40M5 40Mn4 钢45Mn 45Г1043,1045 080A47 S45C50Mn 50Г1050,1052 030A52 S53C XC48080M5020Mn2 20Г2 1320,1321 150M19 SMn420 20Mn530Mn2 30Г2 1330 150M28 SMn433H 32M5 30Mn5 合35Mn2 35Г2 1335 150M36 SMn438(H) 35M5 36Mn5 40Mn2 40Г2 1340 SMn443 40M545Mn2 45Г2 1345 SMn443 46Mn7金50Mn2 50Г2 ~55M520MnV 20MnV635SiMn 35CГEn46 37MnSi5结42SiMn 35CГEn46 46MnSi440B TS14B3545B 50B46H构40MnB 50B4045MnB 50B4415Cr 15X 5115 523M15 SCr415(H) 12C3 15Cr3钢20Cr 20X 5120 527A19 SCr420H 18C3 20Cr4 30Cr 30X 5130 530A30 SCr430 28Cr435Cr 35X 5132 530A36 SCr430(H) 32C4 34Cr440Cr 40X 5140 520M40 SCr440 42C4 41Cr445Cr 45X 5145,5147 534A7><99 SCr445 45C438CrSi 38XC12CrMo 12XM 620CR.B 12CD4 13CrMo4415CrMo 15XM A-387Cr . B 1653 STC42 12CD416CrMo44STT42STB42合20CrMo 20XM 4119,4118 CDS12 SCT42 18CD4 20CrMo44CDS110 STT42STB42金25CrMo 4125 En20A 25CD4 25CrMo430CrMo 30XM 4130 1717COS110 SCM420 30CD442CrMo 4140 708A42 42CD4 42CrMo4 结708M4035CrMo 35XM 4135 708A37 SCM3 35CD4 34CrMo412CrMoV 12XMΦ构12Cr1MoV 12X1MΦ13CrMoV4225Cr2Mo1VA 25X2M1ΦA20CrV 20XΦ6120 22CrV4钢40CrV 40XΦA 6140 42CrV650CrVA 50XΦA 6150 735A30 SUP10 50CV4 50CrV415CrMn 15XГ,18XГ20CrMn 20XГCA 5152 527A60 SUP930CrMnSiA 30XГCA40CrNi 40XH 3140H 640M40 SNC236 40NiCr620CrNi3A 20XH3A 3316 20NC11 20NiCr1430CrNi3A 30XH3A 3325 653M31 SNC631H 28NiCr103330 SNC63120MnMoB 80B2038CrMoAlA 38XMIOA 905M39 SACM645 40CAD6.1241CrAlMo0740CrNiMoA 40XHMA 4340 871M40 SNCM43940NiCrMo22弹60 60 1060 080A62 S58C XC55 C6085 85 C1085 080A86 SUP31084簧65Mn 65Г156655Si2Mn 55C2Г 9255 250A53 SUP6 55S6 55Si760Si2MnA 60C2ГA 9260 250A61 SUP7 61S7 65Si7 钢9260H50CrVA 50XΦA 6150 735A50 SUP10 50CV4 50CrV4滚GCr9 ШX9 E51100 SUJ1 100C5 105Cr4动51100轴GCr9SiMn SUJ3承GCr15 ШX15 E52100 534A<99 SUJ2 100C6 100Cr6 钢52100GCr15SiMn ШX15CГ100CrMn6易Y12 A12 C1109 SUM12切Y15 B1113 220M07 SUM22 10S20削Y20 A20 C1120 SUM32 20F2 22S20钢Y30 A30 C1130 SUM42 35S20Y40Mn A40ГC1144 225M36 45MF2 40S20耐磨钢ZGMn13 116Г13ЮSCMnH11 Z120M12X120Mn12T7 y7 W1-7 SK7,SK6 C70W1碳T8 y8 SK6,SK5素T8A y8A W1-0.8C 1104Y175 C80W1工T8Mn y8ГSK5具T10 y10 W1-1.0C D1 SK3钢T12 y12 W1-1.2C D1 SK2 Y2 120 C125WT12A y12A W1-1.2C XC 120 C125W2T13 y13 SK1 Y2 140 C135W8MnSi C75W39SiCr 9XC BH21 90CrSi5Cr2 X L3 100Cr6合Cr06 13X W5 SKS8 140Cr39Cr2 9X L 100Cr6金金W B1 F1 BF1 SK21 120W4Cr12 X12 D3 BD3 SKD1 Z200C12 X210Cr12 工Cr12MoV X12M D2 BD2 SKD11 Z200C12 X165CrMoV46 9Mn2V 9Г2Φ 02 80M80 90MnV8具9CrWMn 9XBГ01 SKS3 80M8CrWMn XBГ07 SKS31 105WC13 105WCr6 钢3Cr2W8V 3X2B8ΦH21 BH21 SKD5 X30WC9VX30WCrV935CrMnMo 5XГM SKT5 40CrMnMo75CrNiMo 5XHM L6 SKT4 55NCDV7 55NiCrMoV64Cr5MoSiV 4X5MΦC H11 BH11 SKD61 Z38CDV5X38CrMoV514CrW2Si 4XB2C SKS41 40WCDS35-12 35WCrV75CrW2Si 5XB2C S1 BSi 45WCrV7W18Cr4V P18 T1 BT1 SKH2 Z80WCV S18-0-1 高18-04-01速W6Mo5Cr4V2 P6M3 N2 BM2 SKH9 Z85WDCV S6-5-2工06-05-04-02具W18Cr4VCo5 P18K5Φ2 T4 BT4 SKH3 Z80WKCV S18-1-2-5 钢18-05-04-01W2Mo9Cr4VCo8 M42 BM42 Z110DKCWV S2-10-1-809-08-04-02-011Cr18Ni9 12X18H9 302 302S25 SUS302 Z10CN18.09X12CrNi188S30200Y1Cr18Ni9 303 303S21 SUS303 Z10CNF18.09X12CrNiS188S30300不0Cr19Ni9 08X18H10 304 304S15 SUS304 Z6CN18.09X5CrNi189S3040000Cr19Ni11 03X18H11 304L 304S12 SUS304L Z2CN18.09 X2CrNi189S304030Cr18Ni11Ti 08X18H10T 321 321S12 SUS321 Z6CNT18.10X10CrNiTi189锈S32100 321S200Cr13Al 405 405S17 SUS405 Z6CA13 X7CrAl13S405001Cr17 12X17 430 430S15 SUS430 Z8C17 X8Cr17 钢S430001Cr13 12X13 410 410S21 SUS410 Z12C13 X10Cr13S410002Cr13 20X13 420 420S37 SUS420J1 Z20C13 X20Cr13S420003Cr13 30X13 420S45 SUS420J27Cr17 440A SUS440AS440020Cr17Ni7Al 09X17H7Ю631 SUS631 Z8CNA17.7X7CrNiAl177S177002Cr23Ni13 20X23H12 309 309S24 SUH309 Z15CN24.13S309002Cr25Ni21 20X25H20C2 310 310S24 SUH310 Z12CN25.20 CrNi2520耐S310000Cr25Ni20 310S SUS310SS31008热0Cr17Ni12Mo2 08X17H13M2T 316 316S16 SUS316Z6CND17.12 X5CrNiMo1810S316000Cr18Ni11Nb 08X18H12E 347 347S17 SUS347 Z6CNNb18.10 X10CrNiNb189钢S347001Cr13Mo SUS410J11Cr17Ni2 14X17H2 431 431S29 SUS431 Z15CN16-02X22CrNi17S431000Cr17Ni7Al 09X17H7Ю631 SUS631 Z8CNA17.7X7CrNiAl177S17700BY:李军辉录入并校对 Mar.16,2000七国铝及其合金牌号对照表国内外常用铝及铝合金牌号对照表类中国美国英国日本法国德国前苏联别GB ASTM BS JIS NF DIN ГОСТ工1A<99 11<99 A1<99.<99R A<99业1A97 A1<99.98R A97纯1A95 A95铝1A80 1080(1A) 1080 1080A A1<99.90 A8 1A50 1050 1050(1B) 1050 1050A A1<99.50 A5防5A02 5052 NS4 5052 5052 A1Mg2.5 Amg锈5A03 NS5 AMg3铝5A05 5056 NB6 5056 A1Mg5 AMg5V5A30 5456 NG61 5556 59572A01 2036 2117 2117 AlCu2.5Mg0.5 D18硬2A11 HF15 2017 2017S AlCuMg1 D1铝2A12 2124 2024 2024 AlCuMg2 D16AVTV 2B16 2319锻2A80 2N01 AK42A90 2218 2018 AK2铝2A14 2014 2014 2014 AlCuSiMn AK8超硬铝7A09 7175 7075 7075 AlZnMgCu1.5 V95PZAlSi7Mn 356.2 LM25 AC4C G-AlSi7Mg 铸ZAlSi12 413.2 LM6 AC3A A-S12-Y4 G-Al12 AL2造ZAlSi5Cu1Mg 355.2 AL5铝ZAlSi2Cu2Mg1 413.0 AC8A G-Al12(Cu)合ZAlCu5Mn AL19金ZAlCu5MnCdVA 201.0ZAlMg10 520.2 LM10 AG11 G-AlMg10 AL8ZAlMg5Si G-AlMg5Si AL13By:Jeffrey Lee Mar.16,2000不锈钢不锈耐酸钢项目中国日本德国美国英国法国前苏联GB,YB JIS DIN(W-Nr.) ASTM AISI SAE BS NF ГОСТ0Cr13 SUS405 X7Cr13(1.4000) 405 405S1708X13(0X13)SUS429 429SUS416 416 416S21 Z12CF131Cr17 SUS430 X8Cr17(1.4016) 430 430S15 Z8C1712X17(X17)SUS430F X12CrMoS17(1.4104) 430FZ10CF17SUS434 X6CrMo17(1.4113) 434 434S19 Z8CD17-01 1Cr28 X8Cr28(1.4083) 15X28(X28)0Cr17Ti 08X17T(0X17T)1Cr17Ti X8CrTi17(1.4510)1Cr25Ti 25X25T(X25T)1Cr17Mo2Ti X8CrMoTi17(1.4523)1Cr13 SUS410, X10Cr13(1.4006), 410, 410S21,Z12C13 12X13(1X13)SUS403 X15Cr13(1.4024) 403 403S17SUS410S X7Cr13(1.4000) 410S Z6C1308X13(0X13)2Cr13 SUS420J1 X20Cr13(1.4021) 420 420S37 Z20C13 20X13(2X13)420S29SUS420F 420F Z30CF133Cr13 SUS420J2 420S45 Z30C13 30X13(3X13)4Cr13 X40Cr13(1.4034) Z40C1440X13(4X13)1Cr17Ni2 SUS431 X22CrNi17(1.4057) 431 431S2914X17H2(1X17H2)9Cr18 95X18(9X18)9Cr18MoV X90CrMoV18(1.4112)SUS440A 440ASUS440B 440BSUS440C 440C Z100CD17SUS440F 440FSUS305 X5CrNi19 11(1.4303) 305 305S19 Z8CN18-12 00Cr18Ni10 SUS304L X2CrNi18 9(1.4306) 304L304L12 Z2CN18-10 03X18H11(000X18H11)0Cr18Ni9 SUS304 X5CrNi18 9(1.4301) 304 304S15Z6CN18-09 08X18H10(0X18H10)1Cr18Ni9 SUS302 X12CrNi18 8(1.4300) 302 302S25Z10CN18-09 12X18H9(X18H9)2Cr18Ni9 17X18H9(2X18H9)SUS303 X12CrNiS18 8(1.4305) 303 303S12Z10CNF18-09SUS303Se 303Se 303S1412X18H10E(X18H10E)SUS201 201SUS202 202 284S16 12X17 Г 9AH4(X17 Г 9AH4)SUS301 301 301S21 Z12CN17-070Cr18Ni9Ti SUS321 X10CrNiTi18 9(1.4541) 321 321S12Z6CNT18-11 08X18H10T(0X18H10T)1Cr18Ni9Ti X10CrNiTi18 9(1.4541) 321S20 Z10CNT18-11 12X18H10T(X18H10T),12X18H9T(X18H9T)1Cr18Ni11Nb SUS347 X10CrNiNb18 9(1.4550) 347 347S17 Z10CNNb18-10 08X18H12 ь(0X18H12 ь )SUS384 384 Z6CNC18-16SUS385 385SUS XM7 XM7 Z6CNU18-10SUS XM15J1 XM152Cr13Mn9Ni4 20X13H4 Г 9(2X13H4 Г 9)1Cr18Mn8Ni5N 15X17A Г 14(X17A Г 14)0Cr18Ni2Mo2Ti X10CrNiMoTi18 10(1.4571)Z8CNDT17-12 10X17H13M2T(X17H13M2T)1Cr18Ni12Mo2Ti X10CrNiMoTi18 10(1.4571)Z8CNDT17-12 10X17H13M2T(X17H13M2T)SUS308 308SUS309S 309SSUS310S 310S00Cr17Ni14Mo3 SUS317L X2CrNiMo18 10(1.4438) 317L 317S12 Z2CND19-150Cr18Ni12Mo3Ti 320S17 Z8CNDT17-131Cr18Ni12Mo3Ti Z8CNDT17-13SUS317 317 317S16SUS316 X2CrNiMo18 10(1.4401) 316Z6CND17-12SUS316L X2CrNiMo18 10(1.4404), 316L 316S12 Z2CND17-12, 03X17H14M2X2CrNiMo18 12(1.4435) Z2CND17-13 (000X17H13M2)00Cr18Ni14Mo2Cu2 SUS316J1L0Cr18Ni18Mo2Cu2Ti X5CrNiMoCuTi18 18(1.4506)0Cr17Ni7Al SUS631 X7CrNiAl17 7(1.4568) 631Z8CNA17-7 09X17H7 ю(0X17H7 ю )SUS630 630工具钢弹簧钢、滚动轴承钢、高速工具钢项目中国日本德国美国英国法国前苏联国际GB,YB JIS DIN(W-Nr.) ASTM AISI SAE BS NF ГОСТISO弹簧钢 65 C67(1.0761) 1064, 1064, 1064, 080A67 XC65 65CK67(1.1231) 1065 1065 106570 C67(1.0761) 1070 1070 1070 070A72 XC70 70CK67(1.1231)75 C75(1.0773) 1074 1074 1074 070A78 XC70, 75XC8085 SUP3 1084 1084 1084 080A86 8565Mn 1566 1566 65 Г-106655Si2Mn SUP6 55Si7(1.0904) 9255 9255 9255 250A53 55S6, 55C256S760Si2Mn SUP7 65Si7(1.0906), 9260 9260 9260250A58, 61S7 60C266Si7(1.5028), 250A6160SiCr7(1.0961)60Si2CrA 67SiCr5(1.7103) 9254 925460C2XA50CrMn SUP9 55Cr3(1.7176) 527A60 50X Г50CrVA SUP10 50CrV4(1.8159) 6150 6150 6150 735A50 50CV4 50X Φ A滚动轴承钢GCr6 105Cr2(1.3501) E50100 50100100C3 Ш X6GCr9 SUJ1 105Cr4(1.3503) E51100 51100 51100534A<99 100C5 Ш X9GCr15 SUJ2 100Cr6(1.3505) E52100 52100 52100534A<99 100C6 Ш X15GCr9SiMn SUJ3 A485-Gr.1GCr15SiMn 100CrMn6(1.3520) Ш X15C Г高速工具钢W18Cr4V SKH2 (S18-0-1)(1.3355) T1 T1 BT1 4201 P18Z80WCV4/1/18SKH3 S18-1-2-5(1.3255) T4 T4 BT4 4271Z80WKCV18-05-04-01SKH4A T5 T5 BT5 4275Z80WKCV18-10-04-02SKH4B T6 T6 BT6SKH10 S12-1-4-5(1.3202) T15 BT15 4175 P10K5 φ 5Z165WKCV12-05-05-04SKH9 S6-5-2(1.3343) M2 M2 BM2 4301Z85WDCV06-05-04-02SKH52 M3-1 M3-1SKH53 S6-5-3(1.3344) M3-2 M3-2SKH54 M4 BM14 4361Z130WDCV06-05-04-04SKH55 S6-5-2-5(1.3243) 4371Z85WDKCV06-05-05-04-02SKH56 M36 M36SKH57 S10-4-3-10(1.3207)W12Cr4V4Mo S12-4(1.3302) P14 φ 4合金工具钢合金工具钢项目中国日本德国美国英国法国前苏联国际GB,YB JIS VDEh(W-Nr.) ASTM AISI SAE BS NF ГОСТISO(1) 量具刃具用9SiCr 90CrSi5(1.2108)9XC8MnSi C75W3(1.1750)钢组CrMn 145Cr5(1.2063) X ГSKS51 L6 L6CrW5 SKS1 XB5SKS11 F2 F2SKS7 O7 O7 2142110WC20CrO6 SKS8 140Cr3(1.2008) 1230 13XY2135CCr2 100Cr6(1.2067), L3 X105Cr5(1.2060)9Cr2 85Cr7(1.2064) 9XSKS2 2141 B1100WC10V SKS43 W2-91/2, BW2 1162 ψW1-91/2 Y1105VW SKS21 F1 BF1(2) 耐冲击工具4CrW2Si SKS41 35WCrV7(1.2541), S1 S1 BS1 2341 4XB2C用钢组45WCrV7(1.2542) 55WC20 5CrW2Si 45WCrV7(1.2542) BS1 5XB2C SKS42 80WCrV8(1.2552)6CrW2Si 6XB2CSKS44 W2-81/2(3) 冷作模具钢组Cr12 SKD1 X210Cr12(1.2080) D3 D3BD3 2233 X12Z200C12Cr12MoV SKD11 X165CrMoV12(1.2601) D2 D2 BD2, 2235 X12MBD2A Z160CDV12Cr6WV X6B ψSKD12 A2 A2 BA2 2231Z100CDV59Mn2 O2 O29Mn2V 90MnV8(1.2842) O2 O2 BO2 221190MV8冷作模具钢组MnCrWV O1 O1 BO1CrWMn SKS31 105WCr6(1.2419) 2212 XB Г90MCW59CrWMo SKS3 9XB ГSKD2 X210CrW12(1.2436) D7 D7(4) 热作模具钢组5CrMnMo SKT3 40CrMnMo7(1.2311) 6G(ASM) 6G 5X Г MSKT5 48CrMoV67(1.2323) 6G(ASM) 6GSKT2 6150 6150 6150SCrNiMo SKT4 55NiCrMoV6(1.2713) 6F2(ASM) 6F2 3381 5X Г M55NCDV73Cr2W8V SKD5 X30WCrV53(1.2567) H21 H21 BH21, 3543 3X2B8 ψBH21A Z30WCV94SiCrV 38SiCrV8(1.2248) 4XC45SiCrV6(1.2249)8Cr3 8X34Cr5MoVSi SKD6 X38CrMoV51(1.2343) H11 H11 BH11 3431Z38CDV5SKD4 4X2B5 ψ MSKD61 X40CrMoV51(1.2344) H13 H13 BH13SKD62 H12 H12 BH12 3432Z38CDWV5冷作模具钢组MnCrWV O1 O1 BO1CrWMn SKS31 105WCr6(1.2419) 2212 XB Г90MCW59CrWMo SKS3 9XB ГSKD2 X210CrW12(1.2436) D7 D7(4) 热作模具钢组5CrMnMo SKT3 40CrMnMo7(1.2311) 6G(ASM) 6G 5X Г MSKT5 48CrMoV67(1.2323) 6G(ASM) 6GSKT2 6150 6150 6150SCrNiMo SKT4 55NiCrMoV6(1.2713) 6F2(ASM) 6F23381 5X Г M55NCDV73Cr2W8V SKD5 X30WCrV53(1.2567) H21 H21 BH21, 3543 3X2B8 ψBH21A Z30WCV94SiCrV 38SiCrV8(1.2248) 4XC45SiCrV6(1.2249)8Cr3 8X34Cr5MoVSi SKD6 X38CrMoV51(1.2343) H11 H11 BH11 3431Z38CDV5SKD4 4X2B5 ψ MSKD61 X40CrMoV51(1.2344) H13 H13 BH13SKD62 H12 H12 BH12 3432Z38CDWV5淬透性合金结构钢淬透性合金结构钢项目中国日本德国美国英国法国前苏联国际GB,YB JIS DIN(W-Nr.) ASTM AISI SAE BS NF ГОСТISOSMn433H 1330H 1330H 1330H(SMn1H)SMn438H 1041H 1041H 1041H(SMn2H)SMn443H 1041H 1041H 1041H(SMn3H)SCr420H 5120H 5120H 5120H(SCr22H)SCr430H 5130H 5130H 5130H 530H30(SCr2H)SCr435H 5135H 5135H 5135H 503H36(SCr3H)SCr440H 5140H 5140H 5140H 503H40(SCr4H)SCM418H 4118H 4118H 4118HSCM435H 4135H 4135H 4135H 640H35 30CD4(SCM3H)SCM440H 4140H 4140H 4140H 708H42(SCM4H)SCM445H 4145H 4145H 4145H(SCM5H)SNC631H 30NC11(SNC2H)SNC815H 655H13(SNC22H)SNCM220H 8620H 8620H 8620H 20NCD2(SNCM21H)SNCM420H 4320H 4320H 4320H(SNCM23H)合金结构钢合金结构钢(1)合金结构钢(2)合金结构钢(3)项目中国日本德国美国英国法国前苏联国际GB,YB JIS DIN(W-Nr.) ASTM AISI SAE BS NF ГОСТISO(1) 锰钢组09Mn2 09 Г 210Mn2 1513 1513 10 Г 215Mn2 15 Г 220Mn2 SMn420 1024 1024 1524 150M19 20 Г 2(SMn21) -102430Mn2 SMn433 28Mn6(1.5065), 1330 1330 1330 150M2830 Г 2(SMn1) 30Mn5(1.5066)35Mn2 SMn438 36Mn5(1.5067) 1335 1335 1335 150M3635 Г 2(SMn2)40Mn2 Smn443 (SMn3) 1340 1340 1340 40 Г 245Mn2 Smn443 (SMn3) 1345 1345 1345 45 Г 250Mn2 1052 1052 1552 50 Г-1052(2) 硅锰钢组27SiMn 27C Г35SiMn 37MnSi5(1.5122) 35C Г42SiMn 46MnSi4(1.5121) 43C Г15MnV 15MnV5(1.5213)(3) 锰钒钢组42Mn2V 42MnVT(1.5223)(4) 铬钢组15Cr SCr415 ( SCr21 )5115 511512C3 15X20Cr SCr240 ( SCr22 )5120 5120 5120 527A19, 18C3 20X527M2030Cr SCr430 ( SCr2 )5130, 5130, 5130, 530A30,32C4 30X5132 5132 5132 530A3235Cr SCr435 ( SCr3 )34Cr4(1.7033), 5135 51355135 530A36 38C4 35X R683/ Ⅶ 237Cr4(1.7034)40Cr SCr440 ( SCr4 )41Cr4(1.7035) 5140 5140 5140 530A40, 42C4 40X R683/ Ⅶ 3530M4045Cr SCr445 ( SCr5 )5147, 5147, 5147, 45C4 45X5145 5145 514550Cr 5150 5150 5150 50X(5) 铬硅钢组38CrSi 38XC40CrSi 40XC(6) 铬锰钢组38CrMn 16MC5 15X Г ,18X Г15CrMn 20MnCr4(1.7147) 20MC5 20X Г40CrMn 40X Г合金结构钢(2)项目中国日本德国美国英国法国前苏联国际GB,YB JIS DIN(W-Nr.) ASTM AISI SAE BS NF ГОСТISO(7) 铬锰硅钢组20CrMnSi 20X Г C25CrMnSi 25X Г C30CrMnSi 30X Г C35CrMnSi 35X Г CA(8) 铬钒钢组20CrV 22CrV4(1.7513)20X ψ40CrV 42CrV6(1.7561) 40X ψ A50CrV SUF10 50CrV4(1.8159) 6150 6150 6150 735A50 50CV4 50X ψ A(9) 铬锰钛钢组30CrMnTi 30X Г T(10) 钼钢组16Mo 15Mo3(1.5415) 16M(11) 铬钼钢组 12CrMo 13CrMo44(1.7335)1501-620Gr · 27 12CD4 12XM15CrMo SCM415 16CrMo44(1.7337) A387Cr 12CD415XM(SCM21) · 1220CrMo SCM420 25CrMo4(1.7218) 18CD4 20XM(SCM22) 20CD430CrMo SCM430 34CrMo4(1.7220) 4130 4130 413030CD4 30XM(SCM2)35CrMo SCM435 34CrMo4(1.7220) 4135 4135 4135 708A37 35CD4 35XM R683/ Ⅱ 2(SCM3)42CrMo SCM440 42CrMo4(1.7225) 4140 4140 4140 708M40,42CD4 R683/ Ⅱ3(SCM4) 708A42,709M40SCM421 R683/ Ⅺ 7(SCM23)SCM418 4118 4118 4118SCM445 50CrMo4(1.7228) 4145 4145 4145(SCM5)SCM822 25CrMo4(1.7218) 25CD4(SCM24)38CrMoAl SACM645 34CrAlMo5(1.8507) 905M3938XM ю A R683/ Ⅹ4(SACM1)(12) 铬锰钼钢组15CrMnMo 15CrMo5(1.7262)20CrMnMo 20CrMo5(1.7264) 18X Г M40CrMnMo 4140 4140 4140 708A42 40X Г M,38X Г M(13) 铬锰钒钢组12CrMoV 24CrMoV55(1.7733)12XM ψ12Cr1MoV 12X1M ψ24CrMoV 35 ψ M ψ A35CrMoV合金结构钢(3)项目中国日本德国美国英国法国前苏联国际GB,YB JIS DIN(W-Nr.) ASTM AISI SAE BS NF ГОСТISO(14) 镍铬钢组 12CrNi2 SNC415 10N11, 12XH2(SNC21) 16NC1112CrNi3A SNC815 14NiCr10(1.5732) -3415 665M1310NC12, 12XH3A(SNC22) 14NC1212Cr2Ni4A (E3310), (3310), 12NC1512X2H2A(E3316) 331620CrNi -3120 -3120 635M15 20NC6 20XH20CrNi3A 20NC11 20XH3A20Cr2Ni4A -3325 30NC14 20X2H4A30CrNi3A SNC631 -3435 653M31 30NC11, 30XH3A(SNC2) 30NC1237CrNi3A SNC836 -3335 35NC15(SNC3)40CrNi SNC236 -3140 -3140 640M40 35NC6 40XH(SNC1)45CrNi (A3145) -3145 45XH(15) 镍铬钼钢组40CrNiMoA SNCM439 4340 4340, 4340, 817M40, 40XMA R683/ Ⅲ4(SNCM8) -4337 4337 816M40SNCM220 8620 8620 8620 805M20 20NCD2R683/ Ⅺ 12(SNCM21)SNCM240 8640 8640 8640 945M38,R683/ Ⅷ 1(SNCM6) 945A40SNCM415 4315(SNCM22)SNCM420 4320 4320 4320(SNCM23)SNCM431 -4337 -4337(SNCM1)SNCM447 4347(SNCM9)SNCM625 830M31(SNCM2)SNCM815 835M15 R683/ Ⅺ 14(SNCM25)(16) 硼钢组40B TS14B3540B 50B36H40MnB TS14B35H40MnB TS14B50H合金结构钢(2)合金结构钢(3)碳素工具钢碳素工具钢项目中国日本德国美国英国法国前苏联国际GB,YB JIS DIN(W-Nr.) ASTM AISI SAE BS NF ГОСТISOT7 SK7,SK6 W1-7 1204Y275, Y71304Y375T8 SK6,SK5 W1-71/2 Y8T8Mn SK5 Y8 ГT9 SK4,SK5 W2-81/2, WB1A Y9W1-81/2T10 SK3,SK4 W2-91/2, BW1B 1203Y290, Y10W1-91/2 1303Y390T11 SK3 W1-101/2 1202Y2105 Y11T12 SK2 W1-111/2 BW1C 1201Y2120 Y12T13 SK1 W2-13, 1200Y2135 Y13W1-121/2T7A 1105Y165 Y7AT8A C80W1(1.1525) 1104Y175 Y8A(VDEh)T8MnA C85WS(1.1830) Y8 Г A(VDEh)T9A 1103Y190 9YAT10A C105W1(1.1545) Y10A(VDEh)T11A 1102Y1105 Y11AT12A 1101Y1120 Y12AT13A Y13A优质碳素结构钢优质碳素结构钢(1)普通含锰量组较高含锰量组项目中国日本德国美国英国法国前苏联国际GB,YB JIS DIN(W-Nr.) ASTM AISI SAE BS NF ГОСТISO普05F 1005 1005 015A03 05kn08F 1006 1006 1006 040A04 08kn 通8 S09CK(S9CK) C10(1.0301), 1008 1008 1008 050A04 8CK10(1.1121)含10F 1010 1010 1010 040A10 10kn10 S10C CK10(1.1121) 1010 1010 1010 040A10,XC10 10锰050A10,060A10量S12C 1012 1012 1012 040A12, XC12050A12,组060A1215F 040A15 15kn15 S15C, C15(1.0401), 1015 1015 1015 040A15,15CK15(1.1141), 050A15,S15CK Cm15(1.1140) 060A15S17C 1017 1017 1017 040A17, XC18050A17,060A1720F 040A20 20kn20 S20C, 1020 1020 1020 050A20, 20S20CK 060A20S22C C22(1.0402), 1023 1023 1023 040A22,CK22(1.1151) 050A22,060A2225 S25C 1025, 1025, 1025, 060A25, XC25 25R683/IC25e1026 1026 1026 080A25S28C 1029 1029 1029 060A27,080A2730 S30C 1030 1030 1030 060A30, XC32 30R683/IC30e080A30,080M30S33C 1035 1035 1035 060A32,080A3235 S35C C35(1.0501), 1035, 1035, 1035, 060A35,XC35 35 R683/IC35eCK35(1.1181), 1037 1037 1037 080A35Cm35(1.1180)优质碳素结构钢(2)项目中国日本德国美国英国法国前苏联国际GB,YB JIS DIN(W-Nr.) ASTM AISI SAE BS NF ГОСТISO普S38C 1038 1038 1038 060A37, XC38080A37通40 S40C 1040, 1040, 1040, 060A40, 40R683/IC40e1039 1039 1039 080A40,含080M40S43C 1042, 1042, 1042, 060A42, XC42 锰1043 1043 1043 080A4245 S45C C45(1.0503), 1045, 1045, 1045, 060A47,XC45 45 R683/IC45e量CK45(1.1191), 1046 1046 1046 080A47,Cm45(1.1201) 080M46钢S48C 1045, 1045, 1045, 060A47, XC481046, 1046, 1046, 080A47组1049 1049 104950 1050, 1050, 1050, 080M50 50 R683/IC50e1053 1053 1053S53C 1055 1055 1055 060A52,080A5255 S55C C55(1.0535), 1055 1055 1055 070M55,XC55 55 R683/IC55eCK55(1.1181), 060A57,Cm55(1.1209) 080A5760 S58C C60(1.0601), 1060 1060 1060 060A62,60 R683/IC60eCK60(1.1221), 080A62Cm60(1.1223)65 1065 1065 1065 060A67, XC65 65080A6770 1070 1070 1070 060A72, XC70 70070A72,080A7275 1074 1074 1074 060A78, 75070A78,080A7880 1080 1080 1080 060A82, XC80 80080A8385 1084 1084 1084 060A86, 85080A86优质碳素结构钢(3)项目中国日本德国美国英国法国前苏联国际GB,YB JIS DIN(W-Nr.) ASTM AISI SAE BS NF ГОСТISO较15Mn 17Mn4(1.8044) 1016, 1016, 1016, 080A15,15 Г1019 1019 1019 080A17高20Mn 1021, 1021, 1021, 080A20, XC18 20 Г含1022 1022 1022 070M2025Mn S28C 1026 1026 1026 070M26 25 Г锰30Mn S30C 1030 1030 1030 080A30, XC32 30 Г080A32量35Mn S35C 1037 1037 1037 080A35 35 Г40Mn S40C 40Mn4(1.5038) 1039, 1039, 1039, 080A4040 Г钢1040 1040 104045Mn S45C 1043, 1043, 1043, 080A47 45 Г组1046 1046 104650Mn S53C 1050, 1050, 1050, 080A52, XC48 50 Г1053 1053 1053 080M5060Mn 1561 1561 080A64 60 Г65Mn 1566 1566(1066) 65 Г70Mn 1572 1572 70 Г普通含锰量组较高含锰量组普通碳素结构钢普通碳素结构钢中国国际原苏联美国日本德国英国法国GB/T 700 ISO 3573 ISO 630 GOST 535 GOST 380 ASTM A283M ASTM A573M ASTM A284M ASTM A709M JIS G3101 JIS G3131 JIS G3106 DIN EN10025 BS 970 Part1 BS EN10025 NF EN10025 Q 195 HR2 CT1KP Gr.B SS 330(SS34) SPHC 040A10CT1CP SPHDCT1PCQ 215 A HR1 CT2KP-2 Gr.C Gr.58 SS 330(SS34) SPHC Fe 360 C 040A12 Fe 360 C Fe 360 CCT2PC-2CT2CP-2Q 215 B CT2KP-3 Gr.C Gr.58 Gr.C SS 330(SS34) SPHC 040A12CT2PC-3 SPHDCT2CP-3Q235 A Fe 360 A CT3KP-2 Gr.D SS 400(SS41) SM 400A(SM41A) Fe 360 B 080A15 Fe 360 B Fe 360 BCT3PC-2 Fe 360 CCT3CP-2 Fe 360 C Fe 360 CQ 235 B Fe 360 D CT3KP-3 Gr.D SS 400(SS41) SM 400A(SM41A) Fe 360 B 080A15 Fe 360 B Fe 360 BCT3PC-3 Fe 360 C Fe 360 C Fe 360 CCT3CP-3Q 235 C Fe 360 D CT3KP-4 Gr.D Gr.65 Gr.D SS 400A(SS41A)SM 400B(SM41B) Fe 360 C 080A15 Fe 360 C Fe 360 CCT3PC-4CT3CP-4Q 235 D Fe 360 D CT3KP-4 SS400A(SS41A) Fe 360D1 Fe 360D1 Fe 360D1CT3PC-4 Fe 360D2CT3CP-4 Fe 360D2 Fe 360D2Q 255 A CT4KP-2 Gr.36 [250] SS 400(SS41) SS 400A(SS41A)CT4PC-2CT4CP-2Q 255 B CT4KP-3 Gr.36 [250] SS 400(SS41) SS 400A(SS41A)CT4PC-3CT4CP-3Q 275 Fe 430 A CT5KP-2 SS490(SS50)CT5CP-2ASSAB一胜百钢材UDDEHOLM ASSAB W.nr AISI JIS 出厂硬度主要成分特性淬硬温度℃回火后硬度用途UHB AS DELIVERED C Cr Ni W Mo V Co CHARACTERISTICS AUSTENITIZING TEMP。