特种加工课后习题答案
- 格式:doc
- 大小:188.50 KB
- 文档页数:10
第一章概论1.从特种加工的发生和发展来举例分析科学技术中有哪些事例是“物极必反”有哪些事例是“坏事有时变为好事”答:这种事例还是很多的。
以“物极必反”来说,人们发明了螺旋桨式飞机,并不断加大螺旋桨的转速和功率以提高飞机的飞行速度和飞行高度。
但后来人们发现证实螺旋桨原理本身限制了飞机很难达到音速和超音速,随着飞行高度愈高,空气愈稀薄,螺旋桨的效率愈来愈低,更不可能在宇宙空间中飞行。
于是人们采用爆竹升空的简单原理研制出喷气式发动机取代了螺旋桨式飞行器,实现了洲际和太空飞行。
由轮船发展成气垫船,也有类似规律。
以“坏事变好事”来说,火花放电会把接触器、继电器等电器开关的触点烧毛、损蚀,而利用脉冲电源瞬时、局部的火花放电高温可用作难加工材料的尺寸加工。
同样,铝饭盒盛放咸菜日久会腐蚀穿孔,钢铁器皿、小刀等在潮湿的环境下会腐蚀。
钢铁在风吹雨淋时遭受锈蚀,海洋船舰的钢铁船体为了防止海水的腐蚀,得消耗巨资进行防锈、防蚀。
人们研究清楚钢铁电化学锈蚀的原理后,创造了选择性阳极溶解的电解加工方法。
这些都是“坏事变好事”的实例。
2.试列举几种采用特种加工工艺之后,对材料的可加工性和结构工艺性产生重大影响的实例。
答:这类实例是很多的,例如:(1)硬质合金历来被认为是可加工性较差的材料,因为普通刀具和砂轮无法对它进行切削磨削加工,只有碳化硅和金刚石砂轮才能对硬质合金进行磨削。
可是用电火花成形加工或电火花线切割加工却可轻而易举地加工出各式内外圆、平面、小孔、深孔、窄槽等复杂表面,其生产效率往往高于普通磨削加工的生产率。
更有甚者,金刚石和聚晶金刚石是世界上最硬的材料,过去把它作为刀具和拉丝模具等材料只有用金刚石砂轮或磨料“自己磨自己”,磨削时金刚石工具损耗很大,正是硬碰硬两败俱伤,确实是可加工性极差。
但特种加工中电火花可成形加工聚晶金刚石刀具、工具,而激光加工则不但“削铁如泥”而且可“削金刚石如泥”。
在激光加工面前,金刚石的可加工性和钢铁差不多了。
《精密与特种加工技术》课后答案《精密与特种加工技术》课后答案第一章1.精密与特种加工技术在机械制造领域的作用与地位如何?答:目前,精密和特种加工技术已经成为机械制造领域不可缺少的重要手段,在难切削材料、复杂型面、精细零件、低刚度零件、模具加工、快速原形制造以及大规模集成电路等领域发挥着越来越重要的作用,尤其在国防工业、尖端技术、微电子工业方面作用尤为明显。
由于精密与特种加工技术的特点以及逐渐被广泛应用,已引起了机械制造领域内的许多变革,已经成为先进制造技术的重要组成部分,是在国际竞争中取得成功的关键技术。
精密与特种加工技术水平是一个国家制造工业水平的重要标志之一。
2.精密与特种加工技术的逐渐广泛应用引起的机械制造领域的那些变革?答:⑴提高了材料的可加工性。
⑵改变了零件的典型工艺路线。
⑶大大缩短新产品试制周期。
⑷对产品零件的结构设计产生很大的影响。
⑸对传统的结构工艺性好与坏的衡量标准产生重要影响。
3.特种加工工艺与常规加工工艺之间有何关系?应该改如何正确处理特种加工与常规加工之间的关系?答:常规工艺是在切削、磨削、研磨等技术进步中形成和发展起来的行之有效的实用工艺,而且今后也始终是主流工艺。
但是随着难加工的新材料、复杂表面和有特殊要求的零件越来越多,常规传统工艺必然难以适应。
所以可以认为特种加工工艺是常规加工工艺的补充和发展,特种加工工艺可以在特定的条件下取代一部分常规加工工艺,但不可能取代和排斥主流的常规加工工艺。
4.特种加工对材料的可加工性以及产品的结构工艺性有何影响?举例说明.答:工件材料的可加工性不再与其硬度,强度,韧性,脆性,等有直接的关系,对于电火花,线切割等加工技术而言,淬火钢比未淬火钢更容易加工。
对传统的结构工艺性好与坏的衡量标准产生重要影响,以往普遍认为方孔,小孔,弯孔,窄缝等是工艺性差的典型,但对于电火花穿孔加工,电火花线切割加工来说,加工方孔和加工圆孔的难以程度是一样的,相反现在有时为了避免淬火产生开裂,变形等缺陷,故意把钻孔开槽,等工艺安排在淬火处理之后,使工艺路线安排更为灵活。
第六章电子束和离子束加工一、课内习题及答案1.电子束加工和离子束加工在原理上和在应用范围上有何异同?答:二者在原理上的相同点是均基于带电粒子于真空中在电磁场的加速、控制作用下,对工件进行撞击而进行加工。
其不同处在于电子束加工是基于电能使电子加速转换成动能,在撞击工件时动能转换成热能使金属熔化、气化而被蚀除。
而离子束加工是电能使质量较大的正离子加速后,打到工件表面,是靠机械撞击能量使工件表面的原子层变形、破坏或切除分离,并不发热。
在工艺上:有离子刻蚀、溅射沉积、离子镀、离子注入(表面改性)等多种形式,而不像电子束加工,有打孔、切割、焊接、热处理等形式。
2.电子束加工、离子束加工和激光加工相比各自的适用范围如何,三者各有什么优缺点?答:三者都适用于精密、微细加工,但电子束、离子束需在真空中进行,因此加工表面不会被氧化、污染,特别适合于“清洁”、“洁净”加工。
离子束主要用于精微“表面工程”,激光因可在空气中加工,不受空间结构的限制,故也适用于大型工件的切割、热处理等工艺。
3.电子束、离子束、激光束三者相比,哪种束流和相应的加工工艺能聚焦得更细?最细的焦点直径大约是多少?答:激光聚焦后焦点的直径取决于光的波长。
波长为0.69μm的红色激光,聚焦后的光斑直径很难小于1μm,因为聚焦透镜有像差等误差。
二氧化碳气体激光器发出1.06μm的红外激光,其焦点光斑直径更大。
波长较短的绿色激光和准分子激光器可获得较小的焦点,常用于精密、微细加工。
电子束最佳时可获得0.25μm的聚焦直径,可用于制作大规模集成电路的光刻。
如果用波长很短的X光射线(波长为10-9~10-10m,即1~0.1nm),可得到0.1μm 左右的聚焦直径。
4.电子束加工装置和示波器、电视机的原理有何异同之处?答:它们都有一个电子枪用来发射电子,使电子奔向高电压的正极,而后再用线圈(电磁透镜)进行聚焦,用电场进行偏转,控制扫描出图形来。
只不过电子束加工装置的功率较大,而示波器、电视机的功率较小而已。
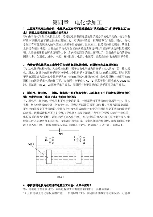
第四章电化学加工1.从原理和机理上来分析,电化学加工有无可能发展成为"纳米级加工"或"原子级加工"技术?原则上要采用哪些措施才能实现?答:由于电化学加工从机理上看,是通过电极表面逐层地原子或分子的电子交换,使之在电解液中"阳极溶解"而被去除来实现加工的,可以控制微量、极薄层"切削"去除。
因此,电化学加工有可能发展成为纳米级加工或原子级的精密、微细加工。
但是真的要实现它,从技术上讲还有相当难度。
主要是由于电化学加工的实质是实现选择性阳极溶解或选择性阴极沉积,只要能把这种溶解或沉积的大小、方向控制到原子级上就可以了。
但是由于它们的影响因素太多,如温度、成分、浓度、材料性能、电流、电压等,故综合控制起来还很不容易。
2.为什么说电化学加工过程中的阳极溶解是氧化过程,而阴极沉积是还原过程?答:从电化学过程来说,凡是反应过程中原子失去电子成为正离子(溶入溶液)的,称为氧化,反之,溶液中的正离子得到电子成为中性原子(沉积在阴极上)的称为还原,即由正离子状态还原成为原来的中性原子状态。
例如在精炼电解铜的时候,在电源正极上纯度不高的铜板上的铜原子在电场的作用下,失去两个电子成为Cu 2+正离子氧化而溶解入CuCl2溶液,而溶液中的Cu 2+正离子在阴极上,得到两个电子还原成为原子而沉积在阴极上。
3.原电池、微电池、干电池、蓄电池中的正极和负极,与电解加工中的阳极和阴极有何区别?两者的电流(或电子流)方向有何区别?答:原电池、微电池、干电池和蓄电池中的正极,一般都是较不活泼的金属或导电体,而其负极,则为较活泼的金属。
例如干电池,正极为不活泼的石墨(碳)棒,负极为活泼金属锌,蓄电池的正极是不活泼的铅。
金属与导电液体形成的微电池中的正极往往是不活泼的碳原子或杂质。
两种活泼程度不同的金属(导电体)在导电溶液中发生电化学反应能产生电位差,电位较正的称为"正极",流出电流(流入电子流),电位较低的流入电流(流出电子流)。
《特种加工》习题解答概论1.从特种加工的发生和发展来举例分析科学技术中有哪些事例是"物极必反" 有哪些事例是"坏事有时变为好事"答:这种事例还是很多的.以"物极必反"来说,人们发明了螺旋桨式飞机,并不断加大螺旋桨的转速和功率以提高飞机的飞行速度和飞行高度.但后来人们发现证实螺旋桨原理本身限制了飞机很难达到音速和超音速,随着飞行高度愈高,空气愈稀薄,螺旋桨的效率愈来愈低,更不可能在宇宙空间中飞行.于是人们采用爆竹升空的简单原理研制出喷气式发动机取代了螺旋桨式飞行器,实现了洲际和太空飞行.由轮船发展成气垫船,也有类似规律.以"坏事变好事"来说,火花放电会把接触器、继电器等电器开关的触点烧毛、损蚀,而利用脉冲电源瞬时、局部的火花放电高温可用作难加工材料的尺寸加工.同样,铝饭盒盛放咸菜日久会腐蚀穿孔,钢铁器皿、小刀等在潮湿的环境下会腐蚀.钢铁在风吹雨淋时遭受锈蚀,海洋船舰的钢铁船体为了防止海水的腐蚀,得消耗巨资进行防锈、防蚀.人们研究清楚钢铁电化学锈蚀的原理后,创造了选择性阳极溶解的电解加工方法.这些都是"坏事变好事"的实例.2.试列举几种采用特种加工工艺之后,对材料的可加工性和结构工艺性产生重大影响的实例. 答:这类实例是很多的,例如:⑴硬质合金历来被认为是可加工性较差的材料,因为普通刀具和砂轮无法对它进行切削磨削加工,只有碳化硅和金刚石砂轮才能对硬质合金进行磨削.可是用电火花成形加工或电火花线切割加工却可轻而易举地加工出各式内外圆、平面、小孔、深孔、窄槽等复杂表面,其生产效率往往高于普通磨削加工的生产率.更有甚者,金刚石和聚晶金刚石是世界上最硬的材料,过去把它作为刀具和拉丝模具等材料只有用金刚石砂轮或磨料"自己磨自己",磨削时金刚石工具损耗很大,正是硬碰硬两败俱伤,确实是可加工性极差.但特种加工中电火花可成形加工聚晶金刚石刀具,工具,而激光加工则不但"削铁如泥"而且可"削金刚石如泥".在激光加工面前,金刚石的可加工性和钢铁差不多了.对过去传统概念上的可加工性,的确需要重新评价.(2)对结构工艺性,过去认为方孔,小孔,小深孔,深槽,窄缝以及细长杆,薄壁等低刚度零件的结构工艺性很差,在结构设计时应尽量避免.对E字形的硅钢片硬质合金冲模,由于90*内角很难磨削,因此常采用多块硬质合金拼镶结构的冲模.但采用电火花成形加工或线切割数控加工,则很容易加工成整体硬质合金的E形硅钢片冲模,特种加工可使某些结构工艺性由"差"变"好".3.工艺和特种加工工艺之间有何关系(应该说如何正确处理常规工艺和特种加工之间的差别) 答:一般而言,常规工艺是在切削,磨削,研磨等技术进步中形成和发展起来的行之有效的实用工艺,而且今后也始终是主流工艺.但是随着难加工的新材料,复杂表面和有特殊要求的零件愈来愈多,常规,传统工艺必然会有所不适应.所以可以认为特种加工工艺是常规加工工艺的补充和发展.特种加工工艺可以在特定的条件下取代一部分常规加工工艺,但不可能取代和排斥主流的常规加工工艺.第二章电火花加工1.两金属在(1)在真空中火花放电;(2)在空气中;(3)在纯水(蒸馏水或去离子水)中;(4)在线切割乳化液中;(5)在煤油中火花放电时,在宏观和微观过程以及电蚀产物方面有何相同和相异之处答:(1)两金属在真空中火花放电时,当电压(电位差)超过一定时即产生"击穿",电子由"-"极逸出飞向"+"极,由于真空中没有物质阻挡电子的运动,所以没有正离子形成,没有发热的放电"通道"的概念,示波器,显象管中电子流的运动与此类似.基本上没有"电蚀产物"生成. (2)两金属在空气中放电的例子是电火花表面强化,涂覆.电焊,等离子切割,等离子焊等,也是在空气中放电,利用电子流在空气中撞击气体原子形成放电通道,在通道中和工件表面产生大量的热能用于强化,涂覆,切割和焊接.(3)在纯水,蒸馏水或去离子水中,两金属间电火花放电与在煤油中类似,只是水分子,原子受电子,正离子撞击发热气化,最后分解为氧原子和氢原子(分子),而不像煤油中会分解出碳原子(碳黑微粒)和氢气等.(4),(5)在乳化液中和煤油中放电过程,详见教材中有关章节,不再另行论述.2.有没有可能或在什么情况下可以用工频交流电源作为电火花加工的脉冲直流电源在什么情况下可用直流电源作为电火花加工用的脉冲直流电源 (提示:轧辊电火花对磨,齿轮电火花跑合时,不考虑电极相对磨损的情况下,可用工频交流电源;在电火花磨削,切割下料等工具,工件间有高速相对运动时,可用直流电源代替脉冲电源,但为什么 )如提示所述,在不需要"极性效应",不需要考虑电极损耗率等的情况下,可以直接用220V的50HZ交流电作为脉冲电源进行轧辊电火花对磨和齿轮电火花跑合等.不过回路中应串接限流电阻,限制放电电流不要过大.如需精规准对磨或跑合,则可在交流工频电源上并联RC电路(R=500-1000,C=0.1-0.01),再接到两个工件上.在用高速转动的金属轮或圆片作电火花磨削,电火花切割,下料时,如果可以不计电极损耗率,则就可以用全波整流或整流后并联电解电容滤波的直流电源进行电火花磨削.由于工具电极高速转动,所以一般不会产生稳定电弧烧伤工件.最好是经调压变压器降压到5-100V再整流供磨削之用,一则可以调节电压或电流,二则和220V交流电源隔离,以保障人身避免触电的危险.3.电火花加工时的自动进给系统和车,钻,磨削时的自动进给系统,在原理上,本质上有何不同为什么会引起这种不同答:电火花加工时工具电极和工件间并不接触,火花放电时需通过自动调节系统保持一定的放电间隙,而车,钻,磨削时是接触加工,靠切削力把多余的金属除去,因此进给系统是刚性的,等速的,一般不需要自动调节.4.电火花共轭同步回转加工和电火花磨削在原理上有何不同工具电极和工件上的瞬间放电之间有无相对移动加工内螺纹时为什么不会"乱扣" 用铜螺杆做工具电极,在内孔中用平动法加工内螺纹,在原理上和共轭同步回转法有何异同答:不同之处在于电火花共轭同步回转加工时:(1)工具电极和工件的转动方向相同;(2)转速严格相等(或成倍角,比例关系);(3)工具和工件上瞬时放电点之间有很慢的相对移动.而电火花磨削时工具和工件可以同向或反向转动;工具和工件的转速并不相同,磨削点之间有很大的相对移动.加工内螺纹时,其所以不会"乱扣",是因为加工中工具电极和工件的转向和转速相等,工具和工件圆周表面上有着"各点对应"的关系,所以能把工具表面的螺纹形状复制到工件表面上去而不会"乱扣". 在内孔中用平动法加工内螺纹,本质上和共轭同步回转法相同,不同之处在于平动法加工时工件不转动而代之以工具电极在平动头中作"公转"行星式运动,其内外圆上"各点对应"的规则仍然存在.5,电火花加工时,什么叫做间隙蚀除特性曲线粗,中,精加工时,间隙蚀除特性曲线有何不同脉冲电源的空载电压不一样时(例如80V,100V,300V三种不同的空载电压),间隙曲线有何不同试定性,半定量地作图分析之.答:间隙蚀除特性曲线是电火花放电间隙蚀除速度和放电间隙大小(间隙平均电压的大小)之间的关系,此关系可以定量地用作图法画成间隙蚀除特性曲线.粗,中,精加工时,由于脉宽,峰值电流等电规准不同,同样大小间隙的蚀除速度也就不一样,总的来说,粗加工时蚀除速度较大,上凹的间隙蚀除特性曲线就高于中,精加工的曲线.当脉冲电源的空载电压不一样时,例如电压较高为300V时,其击穿间隙,平均放电间隙都大于100V或80V的放电间隙,因此横坐标上的A点(电火花击穿间隙)将大于100V或80V时的间隙.间隙特征曲线原点不动,整个曲线稍向右移.同理,80V空载电压的间隙特征曲线的A点将偏向左边.S/ m/V6,在电火花加工机床上用Ф10mm的纯铜杆加工Ф10mm的铁杆,加工时两杆的中心矩偏距5mm,选用=200 s, i=5.4A,各用正极性和负极性加工10min, 试画出加工后两杆的形状,尺寸,电极侧面间隙大小和表面粗糙度值(提示:利用电火花加工工艺参数曲线图表来测算).答:加工示意图见图2-1a.设先用正极性加工,加工后的图形见图b,负极损耗较大;负极性加工后的图形见图c,正极工具损耗较小.具体数据请自行在图中标明,并与书中工艺曲线图表进行对照比较).图2-17,电火花加工一个纪年章浅型腔花模具,设花纹模电极的面积为10mm×20mm=200,花纹的深度为0.8㎜,要求加工出模具的深度为1㎜,表面粗糙度为=0.63 m,分粗,中,精三次加工,试选择每次的加工极性,电规准脉宽,峰值电流,加工余量及加工时间,并列成一表(提示:用电火花加工工艺参数曲线图表来计算).答:可按书中电火花加工工艺曲线图表选择粗,中,精加工的规准.例如:极性脉宽脉间峰值电流加工余量加工后表面粗糙度时间粗加工(可不加抬刀)负600 s100 s10A0.9㎜3 m约30min中加工(加抬刀)负100 s50 s4A0.08㎜1.25 m30min精加工(加正20 s50 s2A0.02㎜30min答:不同之处在于电火花共轭同步回转加工时:(1)工具电极和工件的转动方向相同;(2)转速严格相等(或成倍角,比例关系);(3)工具和工件上瞬时放电点之间有很慢的相对移动.而电火花磨削时工具和工件可以同向或反向转动;工具和工件的转速并不相同,磨削点之间有很大的相对移动.加工内螺纹时,其所以不会"乱扣",是因为加工中工具电极和工件的转向和转速相等,工具和工件圆周表面上有着"各点对应"的关系,所以能把工具表面的螺纹形状复制到工件表面上去而不会"乱扣". 在内孔中用平动法加工内螺纹,本质上和共轭同步回转法相同,不同之处在于平动法加工时工件不转动而代之以工具电极在平动头中作"公转"行星式运动,其内外圆上"各点对应"的规则仍然存在.5,电火花加工时,什么叫做间隙蚀除特性曲线粗,中,精加工时,间隙蚀除特性曲线有何不同脉冲电源的空载电压不一样时(例如80V,100V,300V三种不同的空载电压),间隙曲线有何不同试定性,半定量地作图分析之.答:间隙蚀除特性曲线是电火花放电间隙蚀除速度和放电间隙大小(间隙平均电压的大小)之间的关系,此关系可以定量地用作图法画成间隙蚀除特性曲线.粗,中,精加工时,由于脉宽,峰值电流等电规准不同,同样大小间隙的蚀除速度也就不一样,总的来说,粗加工时蚀除速度较大,上凹的间隙蚀除特性曲线就高于中,精加工的曲线.当脉冲电源的空载电压不一样时,例如电压较高为300V时,其击穿间隙,平均放电间隙都大于100V或80V的放电间隙,因此横坐标上的A点(电火花击穿间隙)将大于100V或80V时的间隙.间隙特征曲线原点不动,整个曲线稍向右移.同理,80V空载电压的间隙特征曲线的A点将偏向左边.S/ m/V6,在电火花加工机床上用Ф10mm的纯铜杆加工Ф10mm的铁杆,加工时两杆的中心矩偏距5mm,选用=200 s, i=5.4A,各用正极性和负极性加工10min, 试画出加工后两杆的形状,尺寸,电极侧面间隙大小和表面粗糙度值(提示:利用电火花加工工艺参数曲线图表来测算).答:加工示意图见图2-1a.设先用正极性加工,加工后的图形见图b,负极损耗较大;负极性加工后的图形见图c,正极工具损耗较小.具体数据请自行在图中标明,并与书中工艺曲线图表进行对照比较).图2-17,电火花加工一个纪年章浅型腔花模具,设花纹模电极的面积为10mm×20mm=200,花纹的深度为0.8㎜,要求加工出模具的深度为1㎜,表面粗糙度为=0.63 m,分粗,中,精三次加工,试选择每次的加工极性,电规准脉宽,峰值电流,加工余量及加工时间,并列成一表(提示:用电火花加工工艺参数曲线图表来计算).答:可按书中电火花加工工艺曲线图表选择粗,中,精加工的规准.例如:极性脉宽脉间峰值电流加工余量加工后表面粗糙度时间粗加工(可不加抬刀)负600 s100 s10A0.9㎜3 m约30min中加工(加抬刀)负100 s50 s4A0.08㎜1.25 m30min精加工(加正20 s50 s2A0.02㎜30min第三章电火花线切割加工1.电火花线切割时,粗,种,精加工时生产率的大小和脉冲电源的功率,输出电流的大小有关.用什么方法衡量,判断脉冲电源加工性能的好坏(绝对性能和相对性能)答:可用单位电流(每安培电流)的生产率来衡量,即可客观地判断脉冲电源加工性能的好坏.例如某脉冲电源峰值电流25A时的切割速度为100mm2/min,另一电源峰值电流27A时切割速度为106mm2/min,则前者的相对生产率为100/25=4mm2/min,优于后者106/27=3.9mm2/min .又如某线切割脉冲电源3A s时切割速度为100mm2/min,另一电源3,5A时为124mm2/min,则前者相对切割速度为33.3mm2/min,后者35.5mm2/min.2.电火花加工和线切割加工时,如何计算脉冲电源的电能的利用率试估计一般线切割方波脉冲电源的电能利用率答:设脉冲电源的空载电压为100V ,加工时火花放电间隙的维持电压为25V则消耗在晶体管限流电阻上的电压为 100-25=75V,由此可以算出电能利用率:有用能量:输入能量=25:100=1:4=25%能量的消耗率为:损耗能量:输入能量=75:100=3:4=75%可见75%的能量损耗在限流电阻的发热上.3.设计一个测量,绘制数控线切割加工的间隙蚀除特性曲线的方法(提示:使线切割等速进给,由欠跟踪到过跟踪).答:这一习题有一定的难度,需对间隙蚀除特性曲线和线切割加工伺服进给系统有一定深度的理解才行.间隙蚀除特性曲线是蚀除速度和放电间隙(间隙平均电压)的关系曲线(参见第二章电火花加工的伺服进给).线切割加工时,调节伺服进给量的大小,可以在一定程度上改变平均放电间隙.例如把进给速度人为放慢,处于"欠进给"状态,则平均放电间隙偏大,反之,进给速度过高,"过进给"时,则放电间隙偏小.测绘间隙蚀除特性曲线时,利用"改变预置进给速度"来改变放电间隙的大小.实际上放电间隙的大小(绝对值)很难测量,但可以用加工时的平均间隙电压大小来相对测量间隙值的大小.为此,要在工件和钼丝(导电块)或直接在电源输出端并一个满刻度100V(用于测空载,偏空载时的开路间隙电压),20V(用于测偏短路时的间隙电压)的直流电压表.实际测绘时,先不用线切割机床的"自动档"(伺服)进给,而采用"人工档"(等速进给)进给功能.最初用较慢的等速进给速度进行切割,此时处于"欠跟踪"的进给状态,待切割稳定后就记下进给速度和此时的间隙平均电压,在坐标上作出曲线上的某一点.以后稍微调快进给速度(仍为等速进给),同样测得第二,三```点的数据.当调节到进给速度约等于蚀除速度时,此时即为最佳状态 B 点放电间隙为最佳放电间隙SB 此时的切割速度为最大.当以更大的进给速度(等速)切割时,由于没有伺服功能,进给速度大于可能的蚀除速度,放电间隙逐步减小,最后即将形成短路,放电间隙为零.此时应尽快停止进给,并事先作好记录.在曲线最高点B只右,用上述方法比较容易做出间隙蚀除特性曲线的右半部分.但B点左边的曲线,因放电间隙逐步减小并趋于短路,易把钼丝顶弯,因此应多加小心.4.一般线切割加工机床的进给调解特性曲线和电火花加工机床的进给特性曲线有何不同与有短路回退功能的线切割加工机床的进给调解特性曲线又有什么不同答:一般线切割机床的进给的进给系统,往往没有短路回退功能,或短路后经一定时间例如30s后仍不能自动消除短路状态,则回退256步(相当于0.256 mm),如仍不能消除短路,则自动停止进给或同时报警,这与电火花成型加工机床遇短路即退回不一样.上述无短路回退功能的线切割机床的进给特性曲线就不会有横坐标左下部分的曲线,亦即工具电极(钼丝)的进给速度 vd没有负值.即使有短路回退功能的线切割机床,短路后的回退速度是固定的(不象电火花成型加工机床那样短路后将以较高的速度vd0回退),所以进给调节特性曲线的左下部为窄小矩形,即放电间隙较小时,进给速度vd《0,一旦完全短路后,钼丝才低速(恒速)回退.5.设计一个测量,绘制数控线切割加工机床的进给调解特性曲线的方法(提示:在线切割机床上做空载模拟实验.用可调的的直流电源模拟火花间隙的平均电压).答:这一习题也有一定难度,需对线切割机床的变频进给系统有一定的了解.线切割机床的进给速度vd是由火花放电间隙的平均电压ue来决定的.ue越大,vd亦大,ue小vd也小,ue=0,vd=0或等速回退.为此可以用"模拟法"来测绘线切割加工机床的进给调解特性曲线. 具体的的方法是:使线切割机床处于加工状态,可不开丝筒,不开高频电源,但应使工作台处于"人工"等速进给状态.此时工作台进给的"取样电压",并不是来自火花放电间隙的平均电压ue(ue再经电阻分压成10~12v的电压,经"变频调节"电位器送至"压—频"(u-f)转换器,将此低电压u转换成进给脉冲,频率为f,另工作台进给),而是由+12V的外加电压,经"变频调节"电位器调压输入至 "压—频"(u-f)转换器.低电压0V相当于间隙短路,最高10~12V相当于间隙开路状态.可以将此电压由低向高调节,例如0V,2V,4V,6V,8V,10V……直至12V,模拟不同的ue.记录下每种不同电压时的工作台进给速度(可以从控制器面板数显表上测得),然后即可绘制出进给调节特性曲线.6.今拟用数控线切割加工有8个齿的爪牙离合器,试画出其工艺示意图并编制出相应的线切割3B相应程序.答:由于爪牙离合器工件是圆筒形的,端面上需切割出8个爪牙方齿,故切割时必须有一个数控回转工作台附件.办法为先在圆套筒上钻一个∮1~2mm的穿丝孔,装夹好工件后,调整到穿丝孔为最高点时穿丝,回转台转动切除爪牙的端面,见示意图.(俯视图)切割的程序(一次切出凹,凸两个爪牙离合器)为:BBBJ=穿丝孔距离GXL3(x向移动)BBBJ=1/2齿宽GYL4(y向转动)BBBJ=齿深GXL3(x向移动)BBBJ=齿宽GYL4(y向转动)BBBJ=齿深GXL1(x向移动)BBBJ=齿宽GYL4(y向转动)……第四章电化学加工1.从原理和机理上来分析,电化学加工有无可能发展成为"纳米级加工"或"原子级加工"技术?原则上要采用哪些措施才能实现?答:由于电化学加工从机理上看,是通过电极表面逐层地原子或分子的电子交换,使之在电解液中"阳极溶解"而被去除来实现加工的,可以控制微量、极薄层"切削"去除。
第三章电火花线切割加工1.电火花线切割时,粗、中、精加工时的生产率的大小和脉冲电源的功率、输出电流的大小有关。
用什么办法来衡量、判断脉冲电源加工性能的好坏(绝对性能和相对性能)?答:可用单位电流(每安培电流)的生产率来衡量,即可客观地判断脉冲电源加工性能的好坏。
例如某脉冲电源峰值电流25A时的切割速度为100mm 2/min,另一电源峰值电流27A 时切割速度为106mm 2/min,则前者的相对生产率为100/25=4mm 2/min,优于后者106/27=3.9mm 2/min。
又如某线切割脉冲电源3A时切割速度为100mm 2/min,另一电源3.5A时为124mm 2/min,则前者相对切割速度为33.3mm 2/A·min,低于后者35.5mm 2/A·min。
2.电火花加工和线切割加工时,如何计算脉冲电源的电能的利用率?试估计一般线切割方波脉冲电源的电能利用率?答:设脉冲电源的空载电压为100V,加工时火花放电间隙的维持电压为25V,则消耗在晶体管限流电阻上的电压为100-25=75V,由此可以算出电能利用率为:有用能量:输入能量=25:100=1:4=25% 能量的消耗率为:损耗能量:输入能量=75:100=3:4=75% 可见75%的能量损耗在限流电阻的发热上。
3.设计一个测量、绘制数控线切割加工的间隙蚀除特性曲线的方法(提示:使线切割等速进给,由欠跟踪到过跟踪)。
答:这一习题有一定的难度,需对间隙蚀除特性曲线和线切割加工伺服进给系统有一定深度的理解才行。
间隙蚀除特性曲线是蚀除速度和放电间隙(间隙平均电压)的关系曲线(参见第二章电火花加工的伺服进给)。
线切割加工时,调节伺服进给量的大小,可以在一定程度上改变平均放电间隙。
例如把进给速度人为调慢,处于"欠进给"状态,则平均放电间隙偏大,反之,进给速度过高,"过进给"时,则放电间隙偏小。
第四章电化学加工1.从原理和机理上来分析,电化学加工有无可能发展成为"纳米级加工"或"原子级加工"技术?原则上要采用哪些措施才能实现?答:由于电化学加工从机理上看,是通过电极表面逐层地原子或分子的电子交换,使之在电解液中"阳极溶解"而被去除来实现加工的,可以控制微量、极薄层"切削"去除。
因此,电化学加工有可能发展成为纳米级加工或原子级的精密、微细加工。
但是真的要实现它,从技术上讲还有相当难度。
主要是由于电化学加工的实质是实现选择性阳极溶解或选择性阴极沉积,只要能把这种溶解或沉积的大小、方向控制到原子级上就可以了。
但是由于它们的影响因素太多,如温度、成分、浓度、材料性能、电流、电压等,故综合控制起来还很不容易。
2.为什么说电化学加工过程中的阳极溶解是氧化过程,而阴极沉积是还原过程?答:从电化学过程来说,凡是反应过程中原子失去电子成为正离子(溶入溶液)的,称为氧化,反之,溶液中的正离子得到电子成为中性原子(沉积在阴极上)的称为还原,即由正离子状态还原成为原来的中性原子状态。
例如在精炼电解铜的时候,在电源正极上纯度不高的铜板上的铜原子在电场的作用下,失去两个电子成为Cu 2+正离子氧化而溶解入CuCl2溶液,而溶液中的Cu 2+正离子在阴极上,得到两个电子还原成为原子而沉积在阴极上。
3.原电池、微电池、干电池、蓄电池中的正极和负极,与电解加工中的阳极和阴极有何区别?两者的电流(或电子流)方向有何区别?答:原电池、微电池、干电池和蓄电池中的正极,一般都是较不活泼的金属或导电体,而其负极,则为较活泼的金属。
例如干电池,正极为不活泼的石墨(碳)棒,负极为活泼金属锌,蓄电池的正极是不活泼的铅。
金属与导电液体形成的微电池中的正极往往是不活泼的碳原子或杂质。
两种活泼程度不同的金属(导电体)在导电溶液中发生电化学反应能产生电位差,电位较正的称为"正极",流出电流(流入电子流),电位较低的流入电流(流出电子流)。
特种加⼯技术题⽬及答案1.从特种加⼯的发⽣和发展来举例分析科学技术中有哪些事例是“物极必反”?有哪些事例是“坏事有时变为好事”?答:这种事例还是很多的。
以“物极必反”来说,⼈们发明了螺旋桨式飞机,并不断加⼤螺旋桨的转速和功率以提⾼飞机的飞⾏速度和飞⾏⾼度。
但后来⼈们发现证实螺旋桨原理本⾝限制了飞机很难达到⾳速和超⾳速,随着飞⾏⾼度愈⾼,空⽓愈稀薄,螺旋桨的效率愈来愈低,更不可能在宇宙空间中飞⾏。
于是⼈们采⽤爆⽵升空的简单原理研制出喷⽓式发动机取代了螺旋桨式飞⾏器,实现了洲际和太空飞⾏。
由轮船发展成⽓垫船,也有类似规律。
以“坏事变好事”来说,⽕花放电会把接触器、继电器等电器开关的触点烧⽑、损蚀,⽽利⽤脉冲电源瞬时、局部的⽕花放电⾼温可⽤作难加⼯材料的尺⼨加⼯。
同样,铝饭盒盛放咸菜⽇久会腐蚀穿孔,钢铁器⽫、⼩⼑等在潮湿的环境下会腐蚀。
钢铁在风吹⾬淋时遭受锈蚀,海洋船舰的钢铁船体为了防⽌海⽔的腐蚀,得消耗巨资进⾏防锈、防蚀。
⼈们研究清楚钢铁电化学锈蚀的原理后,创造了选择性阳极溶解的电解加⼯⽅法。
这些都是“坏事变好事”的实例。
2.试列举⼏种采⽤特种加⼯⼯艺之后,对材料的可加⼯性和结构⼯艺性产⽣重⼤影响的实例。
答:这类实例是很多的,例如:(1)硬质合⾦历来被认为是可加⼯性较差的材料,因为普通⼑具和砂轮⽆法对它进⾏切削磨削加⼯,只有碳化硅和⾦刚⽯砂轮才能对硬质合⾦进⾏磨削。
可是⽤电⽕花成形加⼯或电⽕花线切割加⼯却可轻⽽易举地加⼯出各式内外圆、平⾯、⼩孔、深孔、窄槽等复杂表⾯,其⽣产效率往往⾼于普通磨削加⼯的⽣产率。
更有甚者,⾦刚⽯和聚晶⾦刚⽯是世界上最硬的材料,过去把它作为⼑具和拉丝模具等材料只有靠⽤⾦刚⽯砂轮或磨料“⾃⼰磨⾃⼰”,磨削时⾦刚⽯⼯具损耗很⼤,正是硬碰硬两败俱伤,确实是可加⼯性极差。
但特种加⼯中电⽕花可成形加⼯聚晶⾦刚⽯⼑具、⼯具,⽽激光加⼯则不但“削铁如泥”⽽且可“削⾦刚⽯如泥”。
在激光加⼯⾯前,⾦刚⽯的可加⼯性和钢铁差不多了。
第十五章特种加工及数控加工习题解答15-1 试比较传统的金属切削加工与特种加工之间的区别。
答:特种加工技术是直接利用电能、化学能、声能、光能、热能等能源将坯料或工件上多余的材料除去,以获得零件图样所需要的几何形状、尺寸和表面质量的加工方法。
与传统的金属切削加工间的区别在于:①工具的硬度不必大于被加工材料的硬度,而在电子束加工过程中,不需要使用任何工具;②在加工过程中,工具和工件之间不存在显著的机械切削力的作用,故特别适合于加工低刚度工件。
15-2 试比较电火花加工与电火花线切割加工的异同点。
答:电火花加工是利用正、负电极间脉冲放电时的电腐蚀现象来去除工件上多余的金属,以达到对零件尺寸、形状和表面质量的要求;电火花线切割加工与电火花成形加工的基本原理一样,都是基于电极间脉冲放电时的电火花腐蚀原理,实现零部件的加工。
两者之间的差别在于,电火花线切割加工直接用线状的电极丝作电极,不需要制造复杂的成形电极,缩短了生产准备周期;可以加工用传统切削加工方法难以加工或无法加工的薄壁、窄槽、异形孔等复杂结构工件;在加工中作为刀具的电极丝无须刃磨,可节省辅助时间和刀具费用。
15-3 试述激光加工的特点及应用。
答:激光加工的特点:①可加工任何硬度的金属和非金属材料;②不需要工具,不存在工具损耗、更换和调整等问题,适于自动化连续操作;③激光的强度高、方向性好,且不需加工工具,属于非接触式加工,无机械加工变形,而且加工中的热变形、热影响区都很小,适用于精密微细加工;④加工时间短、速度快、效率高;⑤可用反射镜将激光束送往远处的隔离室进行加工;⑥激光加工设备复杂,价格昂贵,一次性投资较大。
激光加工的应用:激光打孔、激光切割、激光焊接、激光表面处理等。
15-4 简述超声波加工原理。
答:超声波加工是利用工具端面作超声频振动,通过磨料悬浮液加工脆性材料的一种成形加工方法。
超声波发生器将交流电转换为超声频电振荡输送给换能器,换能器将超声频电振荡转换成超声频机械振动,并借助变幅杆将振幅放大,使变幅杆下端的工具产生强烈振动。
第五章激光打印1.激光为什么比普通光有更大的加工瞬时能量和功率密度为什么称它为"激"光答:因为激光器可在较长时间吸收,积聚某一波长光的能量,然后在很短的时间内放出,并且通过光学透镜将大面积光通道上的激光束聚焦在很小的焦点上,经过时间上和空间上的两次能量集中,所以能达到很大的瞬时能量和功率密度.其所以称之为"激光",是因为激光器中的工作物质吸收某一波长的光能,达到粒子数反转之后,再受到这一波长的光照后,就会瞬时受激,产生跃迁,并发出与此波长相同的激光.2.试述激光加工的能量转换过程,即如何从电能具体转换为光能又转化为热能来蚀除材料的答:固体激光器一般都用亮度很高的氙灯将电能转变为光能,使激光器内的工作物质如红宝石中的铬离子,钕玻璃或钕钇铝石榴石(YAG)中的钕离子吸收光能,达到粒子数反转状态,经触发而产生功率密度很大的强激光,照射到工件上的光能转换为热能,使材料气化而蚀除材料.3.固体,气体等不同激光器的能量转换过程是否相同如不相同,则具体有何不同答:并不完全相同.固体激光器有由电能点燃氙灯等强光源(光泵),将电能转换为能使激光器吸收的一般光,到一定程度后发出激光.而气体激光器则直接由电激励激光物质,例如二氧化碳分子,使之连续产生激光.4.不同波长的红外线,红光,绿光,紫光,紫外线光能转换为热能的效率有何不同答:不同波长,频率的光所含的能量E=hv,其中v为光的频率,h为普朗克常数.可见光所含的能量和其频率成正比.但照射到物体上后光能转换成热能的大小,即光能转换的频率,却随波长(频率)和物体对该光波的吸收率不同而不同.例如红光或红外线照射到人体皮肤上,人们感觉到远比绿光,紫光更温暖,因为皮肤吸收红光的效率远比其他广博为高.同样激光打孔,切割时,影响光能转换为热能效率的因素,除材料对该光波的吸收率外,还有反射率也起很大作用,因此很难加工反射率很高的光洁镜面.5.从激光产生的原理来思考,分析,它以后如何被逐步应用于精密测量,加工,表面热处理,甚至激光信息存储,激光通信,激光计算机等技术领域的这些应用的共同技术基础是什么可以从中获得哪些启迪答:激光之所以能广泛应用于上述高,新技术中,主要是基于它的一系列固有的特点,例如单色性,相干性,方向性极好,瞬时功率,能量密度极大等技术基础.以激光通信为例,由于光的频率高,波长短,发射角小,故具有下列优点:(1)信息容量大,传送路数多.因为信息容量和信息道的带宽成正比.带宽愈宽容量愈大.光波的频率极高,约可容纳100亿个通话线路;若每个电视台占用10MHZ带宽,则可同时播送1000万套电视节目而互不干扰.这是过去任何一种通信系统所不能达到的巨大通信容量.(2)通信距离远,保密性能好.由天线发射的波束,其发散角和λ∕D成正比(λ为波长,D为天线直径).所以波长愈短,天线愈大,发射就愈小.例如,对于波长为1 m的光波,若用直径20cm的透镜(就是激光的发射天线),那么发射角就只是1.1,而对于微波来说,即使使用庞大的天线,发射角仍有几度.由于激光束发射角很小,能量集中在狭小的范围内,以此可以把信息传送到很远的距离.这对空间通信,宇宙通信有重要的意义.激光束不仅发射角小,而且可以采用不可见光,因此敌人不易从中截获,保密性能好.(3)结构轻便,设备经济.由于激光的发散角小,方向性好,光通信所需的发射天线和接收天线都可以做得很小.一般天线直径为几十厘米,重量不过几公斤.而功能类似的微波天线,重量以十吨,百吨计.激光电视与普通电视相比,后者存在着屏幕小,亮度低,设备庞大等缺点.而激光电视则:(1)摄像时无需外部照明,免除了庞大的照明设备,因而轻便,激动,还可以拍摄完全处于黑暗中的景物.以其狭窄的光束迅速扫描,即使在黑暗中也难于觉察.若采用不可见的紫外光或红外光,则肉眼根本无法发现,保密性极高.(2)激光摄像无需成像光学系统.物体不管多远,都在焦点上.其有效范围仅受短距离的视觉和长距离的信号功率的限制.至于显示过程,在普通电视中,传递的电视图象显示在显象管的荧光屏上.而在激光电视中,图象可以通过显示器在普通的电影屏幕上.由于激光具有很高的亮度,所以激光电视图象的亮度很高,可以在白天普通的房子里观看,不需要暗室设备.(3)激光显示不需要在真空条件下工作,显示图象的屏幕单独摆在大气空间,这样电视图象就可以放得很大.根据现有水平,图象面积可达3×4m 甚至更大.看电视和看电影一样.这是激光电视的一个重要特色.由于激光束很平行,激光显示的清晰度可以做得比较高.由于激光的颜色很纯,因而所显示图象色彩鲜艳.以上给人的启迪是:任何一种物理化学现象,只要有它一定的与众不同的特点,就有可能发展成为一种有用的新技术,所谓天生其物,比有其用.第六章电子束和离子束加工电子束加工和离子束加工在原理上和在应用范围上有何异同答:二者在原理上的相同点是基于带电粒子于真空中在电磁场的加速,控制作用下,对工件进行撞击而进行加工.其不同处在于电子束加工加速转换成电能,在撞击工件时动能转换成热能使金属熔化,气化而被蚀除.而离子束加工是电能使质量较大的正离子加速后,打到工件表面,是靠机械撞击能量使工件表面的原子层变形,破坏或切除分离,并不发热.在工艺上:有离子刻蚀,渐射沉积,离子镀,离子注入(表面改性)等多种形式,而不象电子束加工,有打孔,切割,焊接,热处理等形式.2.电子束加工,离子束加工和激光加工相比各自的使用范围如何,三者各有什么优缺点答:三者都适用于精密,微细加工,但电子束,离子束需在真空中进行,因此加工表面不会被氧化,污染,特别适合于"清洁","洁净"加工.离子束主要用于精微"表面工程",激光因可在空气中加工,不受空间结构的限制,故也适用于大型工件的切割,热处理等工艺.3.子束,离子束,激光束三者相比,哪种束流和相应的加工工艺能聚焦得更细最细的焦点直径大约是多少答:激光聚焦后焦点的直径取决于光的波长.波长为0.69 m的红色激光,聚焦的光斑直径很难小于1 m,因为聚焦透镜有像差等误差.二氧化碳气体激光器发光1.06 m的红外激光,其焦点光斑直径更大.波长较短的绿色激光和准分子激光器可获得较小的焦点,常用于精密,微细加工.电子束最佳时可获得0.25 m的聚焦直径.可用于制作大规模集成电路的光刻.如果用波长很短的X光射线(波长为10-9-10-10,即1-0.1nm),可得到0.1 m左右的聚焦直径.4.电子束加工装置和示波器,电视机的原理有何异同之处答:它们都有一个电子枪用来发射电子,使电子奔向高电压的正极,而后再用线圈(电磁透镜)进行聚焦,用电场进行偏转,控制扫描出图形来.只不过电子束加工装置的功率较大,而示波器,电视机的功率较小而已.彩色电视机因有红,蓝,黄三种基本色,故需有三个电子枪,结构和控制更为复杂.第七章超声加工超声加工时的进给系统有何特点答:超声加工时的进给系统是靠重锤通过杠杆使工具轻轻压在工件上,靠轻微的压力使工具端面和磨粒与工件表面接触,工件表面去掉多少,进给多少,是悬浮式的柔性进给系统,而不是刚性的进给系统实现的,它与机械加工和电火花加工的进给系统不一样.2.一共振频率为25KHZ的磁致伸缩型超声清洗器,底面中心点的最大振幅为0.01mm,试计算该点最大速度和最大加速度.它是重力加速度g的多少倍如果是共振频率为50KHZ的压电陶瓷型超声清洗器,底面中心点的最大振幅为0.005mm,则最大速度和加速度又是多少答:按教材中超声振动时的最大速度Vmax和最大加速度amax 计算公式Vmax=wA=2πfA=2π×25000×0.01=1570.8mm/s=1.57m/s,amax=w A=4π ×25000 ×0.01=246.74×106mm/s =246740m/s ,是地心加速度g=9.8m/s 的25000倍.如果共振频率增加为一倍f=50KHZ,振幅减小成一半A=0.005mm,则Vmax=1.57×2/2=1.57mm/s,amax=246740×4/2=493480m/s ,是地心加速度g的5000倍.3.试判断超声加工时:(1)工具整体在作超声振动;(2)只有工具端面在作超声振动;(3)工具各个横截面都在作超声振动,单个截面同一时间的振幅并不一样;(4)工具各个横截面依次都在作"原地踏步"式的振动.以上各点,哪种说法最确切有无更确切的说法答:以上说法中,(3)比较确切,超声波在工具(变幅杆)内传递时,各个横截面都在作超声振动,单个截面在同一时间的振幅不一样,有的截面始终为零(如固定超声系统的驻波点),有的有时振幅最大,如工具端面的加工点.最确切的说法是,应按教材中的超声波在固体中的传播过程,各质点都在传播方向上振动,但传到端面后波在反射,两者的合成运动才是各质点的实际运动.4.超声波为什么能"强化"工艺过程,试举出几种超声波在工业,农业或其他行业中的应用.答:超声波因具有较大的瞬时速度,尤其是瞬时加速度,故可用作强化工艺过程.如工业中的粉碎(使物质颗粒细化),乳化.在农业上可用强超声处理种子优化品种,在医学上可用强超声波击碎人体内的肾结石,胆结石等等.第八章快速成型加工1.快速成型的工艺原理与常规加工工艺有何不同具有什么优点答:快速成型在工艺原理上是"增材法",与切削加工,电火花蚀除,电化学阳极溶解等"减材法"不同.其特点是整个工艺过程建立在激光(断层)扫描,数控技术,计算机CAD技术,高分子材料等高科技基础之上,因此工艺先进,柔性好,生产周期短.2.试对常用的快速成型工艺作一优缺点比较.答:下表是4种快速成形工艺的综合比较.几种最常用的快速成形工艺优缺点比较第九章其它特种加工试列表归纳,比较本章中各种特种加工方法的优缺点和适用范围. 答:优点缺点适用范围化学铣削加工可大面积多工件同时加工不易加工深孔,型孔航空航天零件减薄,去毛刺光化学腐蚀加工可刻蚀精度的文字图案刻蚀深度有限用于相片制版,刻蚀精细的网孔图案等离子体加工可高速切割难加工材料切割精度较差,割缝较宽切割,下料各种难加工金属挤压研磨可去除内(外)表面的毛刺和改善表面质量只是表面加工,不能改变尺寸表面光整加工水射流切割可对任何材料切割下料,加工速度高,无毛刺,无残余应力切缝较宽,尺寸精度较差适用于石材,钢筋,水泥板等切削磁性磨料研磨可无应力表面光整加工去除量小,生产率较低精密零件的表面光整加工2.如何能提高化学刻蚀加工和光化学腐蚀加工的精密度(分辨率) 答:在腐蚀液中加入保护剂等添加剂,以减小"钻蚀",详见教材有关章节.3.从水滴穿石到水射流切割工艺的实用化,在思想上有何启迪要具体逐步解决什么技术关键问题答:滴水穿石因能量密度较小,所以只能靠长年累月时间才能穿石.要提高穿石的速度,水射流切割技术中应使超高的水由小孔中喷出,尤其是水中混有细小磨料颗粒高速撞击工件表面,更能提高单位面积上的能量密度和切割速度.当然喷嘴的材料小孔的加工也是关键问题.4.人们日常工作和日常生活中,有哪些物品,商品(包括工艺美术品等),是由本书所述的特种加工方法制造的答:很多家电的外壳,内部构件,如电视机,照相机,洗衣机等的模具都是由电火花,线切割等很多方法制造的.汽车,门窗,建筑用的铝材型品都是电火花,线切割加工的拉伸,挤压模具,又经过挤压抛光后拉制的.有些金黄色的手表壳,手链都是离子镀覆的氮化钛.有些太阳眼镜是离子镀覆的反光层.珍珠项链等采用超声钻孔,金银首饰厂用超声清洗首饰.电动剃须刀的网罩是电铸的产物,手表中宝石轴承小孔都是经过激光打孔而后又用超声研磨的.诸如此类,不胜枚举.爪牙侧面穿丝孔数控回转台。
特种加工习题及答案1.要通过电腐蚀现象达到材料的尺寸加工的目的,必须具备下列基本条件:答: (1)必须在工具电极和工件电极之间保持一定间隙(2)火花放电必须是单向的脉冲性(3)火花放电必须在有一定绝缘性能的液体介质中进行(4)工件电极和工具电极必须是可导电的材料3、指出电火花加工的特点?答:(1)适合于任何难切削导电材料的加工;(2)可以加工特殊及复杂形状的表面和零件;(3)主要用于加工金属等导电材料;(4)一般加工速度较慢;(5)存在电极损耗;4、指出电火花加工工艺方法分类?答:按工具电极和工件相对运动的方式和用途的不同,大致可分为电火花穿孔成形加工、电火花线切割、电火花磨削和镗磨、电火花同步共轭回转加工、电火花高速小孔加工、电火花表面强化与刻字六大类。
5、结合图2-4说明电火花加工机理?答:极间介质的电离、击穿,形成放电通道介质热分解、电极材料熔化、气化热膨胀电极材料的抛出极间介质的消电离6、什么是极性效应,产生极性效应的原因,影响极性效应的因素?答:(1)由于正、负极性不同而彼此电蚀量不一样的现象就是极性效应(2)正、负极表面受负电子和正离子撞击的能量不一样,因此两表面的电蚀量也不一样(3)电子和正离子对电极表面的轰击是影响能量分布的重要因素,而能量在两极上的分配又影响两极的电蚀量。
此外,脉宽、脉冲间隔时间、脉冲峰值电流、放电电压、工作液、电极对的材料都将影响极性效应7、什么是正极性加工?什么是负极性加工?什么时候采用正极性加工?什么时候采用负极性加工?要在加工过程中利用极性效应,应采用什么样的脉冲电源?答:工件接脉冲电源的正极时,称正极性加工;工件接脉冲电源的负极时,称负极性加工。
在用短脉冲加工时,应采用正极性加工;在采用长脉冲加工时,应采用负极性加工。
要在加工过程中利用极性效应,应采用单向脉冲直流电源。
8、电参数主要是指哪几个?指出电参数对电蚀量的影响?答: 电参数主要是指:电压脉冲宽度、电流脉冲宽度、脉冲间隔、脉冲频率、峰值电流、峰值电压和极性等。
补充资料《特种加工技术》习题集0总论1.特种加工在国外也叫做“非传统加工技术”;其“特”在何处2.试述特种加工技术与传统加工技术的并存关系;并说明特种加工技术对现代制造业存在的必然性和影响..3.人们常言“打破传统;锐意创新”;特种加工技术的产生和发展对于科研和工程技术人员从事发明创新工作有何启迪试举例说明生产、生活中还有哪些可以变害为利产生发明和创新的例子第1章电火花成形加工EDM SINKING一、简答题4.试述电火花加工的工作原理及工艺特点..5.电火花加工机床有哪些附件其各自的用途如何6.电火花工作液有哪些供液方式各自的优缺点如何7.常用的电火花工具电极材料有哪些8.电火花磨削与传统机械磨削有何差异9.试述电火花铣削的工作原理、特点及工艺实施形式..10.“反拷法”是何含义其应用场合如何11.“群电极”是什么含义如何制备应用于何种场合12.简述共轭回转电火花加工的工作原理及特点..13.超大深径比的深小孔加工的难点何在对策如何二、选择题1.电火花深小孔加工应当选择以下作为工作液;A.自来水;B.煤油;C.去离子水工业纯水;D.乳化液2.电火花共轭回转加工的最早发明人是:A.中国人;B.美国人C.俄国人D.德国人3. 欲将小型交叉孔口毛刺去除彻底干净;最好采用加工方法来完成..A.锉刀;B.砂带磨削C.砂轮磨削D.电火花工艺4.欲保证最高的加工精度;电火花加工中工作液供给方式最好采用..A.静态淹没工件;B.侧面冲液C.工具电极内部抽吸D.工具电极内部射出5.对于象筛网零件有成千上万个小孔需要加工;为保证生产率;电火花加工宜采用以下工具电极.A.单个实心电极逐个加工;B.单个空心电极逐个加工C. 实心群电极D.空心管群电极三、判断题1.电火花加工中的吸附效应都发生在正极上.. F2.电火花成型加工时;电极在长度方向上损耗后无法得到补偿;需要更换电极.. F3.电火花成型加工中的自动进给调节系统应保证工具电极的进给速度等于工件的蚀除速度;T4.电火花成型加工和穿孔加工相比;前者要求电规准的调节范围相对较小.. F5.电火花成型加工电极损耗较难进行补偿.. T6.在型号为DK7740的数控电火花线切割机床中;D表示电加工机床.. T7.弛张式脉冲电源电能利用率相当高;所以在电火花加工中应用较多.. F8.电火花成型加工属于盲孔加工;工作液循环困难;电蚀产物排除条件差..T9.电火花加工的粗规准一般选取的是窄脉冲、高峰值电流.. F10.电火花成型加工电极损耗较难进行补偿.. T11.电火花加工的粗规准一般选取的是宽脉冲、高峰值电流.. T12.电火花加工的效率较低.. T13.煤油作为电火花液;冷却效果最好F14.紫铜又叫纯铜;T15.电火花机床没有主运动;只有进给运动.. T16. “二次放电”不会影响电火花加工的稳定性;降低材料去除率和破坏加工质量.. F17. 正极性加工时;工件与脉冲电源的正极相连接.. T四、填空题1. 电火花加工的三个基本条件:火花液工作液、脉冲电源和一定的间隙..2. 电火花加工原理是基于极间放电产生火花带来的高温烧蚀来蚀除多余的金属;以达到对零件的尺寸、形状和表面质量等预定的加工要求..3. 电火花加工系统主要由脉冲电源系统、工作液循环过滤系统、伺服控制系统几部分组成..4. 在电火花加工中;提高电蚀量和加工效率的电参数途径有:脉冲宽度、脉冲间隔、脉冲频率..5. 电火花加工的表面质量主要是指被加工零件的表面粗糙度、热影响层厚度、热应力..6.电火花加工的自动进给调节系统主要由以下几部分组成:比较环节、放大驱动、执行机构、调节对象、测量环节..7.电火花成型加工的自动进给调节系统;主要包含工具电极的自动进给调节系统和工作台上工件的数控系统..8.电火花加工是利用电火花放电腐蚀金属的原理;用工具电极对工件进行复制加工的工艺方法;其应用范围分为以下大类:电火花铣削、电火花穿孔成形、电火花磨削、电火花共轭回转加工、电火花强化、刻字..9.普通电火花机床主轴不会旋转;若有需要;可以通过购买附加的工具电极旋转头装置安装在原有主轴上3.WEDM 的切割速度是如何定义的4.简述WEDM切割单叶双曲面零件的工艺原理;这类双曲面靠摩擦可以实现从动件圆周回转的同时并能轴向移动;它应用在哪一种传统加工机床上二、填空题1.线切割加工是利用线丝电极和工件之间的脉冲放电所产生的电腐蚀作用;对工件加工的一种工艺方法..2.快走丝线切割机床的工作液广泛采用的是乳化液/水基工作液 ;其注入方式为外部喷射 ..3.线切割机床走丝机构的作用:更新线丝电极从而延长线丝工作寿命;并保持一定的张力..4.线切割控制系统作用主要是:1自动控制电极丝相对于工件的间隙值;2自动控制伺服的进给速度 ..三、判断题1.目前线切割加工时应用较普遍的工作液是煤油.. F2.线切割机床通常分为两大类;一类是快走丝;另一类是慢走丝.. T3.线切割加工一般采用负极性加工.. F4.在采取适当的工艺保证后;数控线切割也可以加工盲孔.. F5.当电极丝的进给速度明显超过蚀除速度;则放电间隙会越来越小;以致产生短路.. T6.通常慢走丝线切割加工中广泛使用直径为0.1 mm以上的黄铜丝作为电极丝.. T7.快走丝线切割加工中;常用的电极丝为钼丝..T8.电火花线切割加工可以用来制造成形电极.. T9.快走丝线切割的电极丝材料比慢走丝差;所以加工精度较后者低.. F10.线切割加工一般采用正极性加工..T11.数控线切割加工是轮廓切割加工;不需设计和制造成形工具电极.. T12.数控线切割加工一般采用水基工作液;可避免发生火灾;安全可靠;可实现昼夜无人值守连续加工.. T13.通常慢走丝线切割加工中广泛使用直径为0.1 mm以下的细钼丝作为电极丝.. F14.电火花线切割的委托加工报价常常按照切割面积来衡量.. T15.走丝的目的是为了提高加工效率.. F16.线切割加工厚度较大工件时;供液压力应该相应地加大.. T17.总体上;低速走丝线切割机床的加工精度好于高速走丝机床.. T18.线切割加工速度定义为单位时间内切割的槽的长度.. F19.线切割加工可以十分方便地完成盲孔、盲腔.. F20.线切割加工对工件材料的浪费比较大.. F第3章激光束加工LBM一、简答题1.激光束加工有哪些工艺类别2.常用的工业激光器有哪些种类3.激光切割可以切割很厚的材料吗为什么二、判断题1.激光加工可以切割很厚的金属材料.. F2.激光可以加工除了透光物的几乎所有材料.. T3.固体激光器的功率普遍大于气体激光器.. F4.准分子激光是冷激光;常常用于美容、医学行业.. T5.激光加工是靠光子高速运动的机械能去除材料.. F6.激光焊接加入保护气体是为了增加物体对激光的吸收.. F7.激光切割无需考虑材料的硬度.. T8.激光可焊接难熔材料;并能对异性材料施焊.. T9.激光加工对环境要求不高;无需在真空环境进行.. T10.由于能量密度大;激光加工的热影响层比较浅.. T三、填空题1. 激光焊接是将激光束照射至金属表面;通过激光与金属的相互作用;使金属熔化形成熔接..2.当脉冲能量一定时;脉冲宽度越窄;表示以时间为分母的时间能量密度越大..3.在激光打孔中;材料上表面与聚焦透镜焦点之间的距离称靶距..4.激光用于材料表面处理;可分为激光表面淬火的热处理和金属表面合金化处理..5.激光的基本特性单色性、相干性、好的方向性和高的能量密度..6.激光焊接又分为激光表层热传导型浅焊和激光深熔焊型焊接..第4章电子束加工EBM一、简答题1.简述电子束加工的工作原理及特点..2.简述电子束曝光的原理、过程及用途..3.简述电子束焊接的特点..二、判断题1.电子束不仅可以加工各种直的型孔;而且也可以加工弯孔和曲面..T2.电子束加工去除材料是靠高速运动电子的动能直接去除材料.. F3.电子束加工必须在真空条件下进行..T4.电子束可以通过磁透镜聚焦;并靠偏转线圈实现小角度的偏转;扩大加工区域.. T5.电子束光刻主要用于制作掩膜.. T6.电子束可以当成车刀一样;让工件回转对外圆表面切槽;此时工件回转是进给运动.. T7.电子束钻削细微孔;每秒钟最高可达4000个孔;生产率高;T8.几乎可以加工任何材料;并不受其性能限制;T9.电子束焊接的焊缝的深宽比很小.. F10.电子束淬火后;零件几乎不发生变形;可以作为最后一道工序;淬火后可直接装配使用T三、填空题1. 电子束加工时电子的动能绝大部分转变为热能;使材料局部瞬时的快速溶蚀、气化蒸发而去除表层材料;并随真空系统而抽走..2.电子束加工可以加工出尖角、锐边..3.电子束加工设备昂贵;并需要抽真空装置..4.电子束流控制包括束流强度、束流聚焦和束流偏转等三个方面..5.束流电流强度靠电子枪里的阴极栅格完成..束流聚焦靠磁透镜完成; 而束流的偏转靠偏转线圈来实现..6.由于电子束加热速度和冷却速度都很快;在相变过程中;奥氏体化时间很短;故能获得;这是电子束表面淬火最大特点..7.电子束功率密度大、加热集中、热效率高、形成相同焊缝接头需要的热输入量小;所以适宜于难熔金属及热敏感性强的金属材料的焊接..第5章等离子弧加工PAM一、简答题1.简述等离子弧加工的三种模式及其各自的应用场合..2.试述等离子喷涂的工作原理及应用场合..3.等离子弧焊接有何特点有哪些类型二.选择题1.目前穿透型等离子弧焊焊接铜可用 C 作为离子气体..A氧中加少量氢 B氩氮混合气体 C纯氩 D氮气2.等离子强切割不锈钢、铝等厚度可达 B mm以上..A100 B150 C300 D 4003.等离子弧的获得是A、热收缩效应和磁收缩效应三种效应共同作用的结果..A机械压缩效应 B水压缩效应C保护气流压缩效应 D压缩空气的压缩效应4.等离子弧切割的优点有: A 、切割速度快、生产率高、可以切割各种金属材料和非金属材料等..A切割质量高 B不易产生双弧 C只能切割薄板 D看不见弧光5.切割非金属材料用的等离子弧型式采用A ..A非转移型弧 B转移型弧 C正接型弧 D反接型弧6.微束等离子弧焊接用的等离子弧型式采用D ..A间接型弧 B非转移型弧 c转移型弧 D联合型弧7.等离子弧切割基本原理是利用等离子弧把被切割的材料局部D ;并同时用高速气流吹走..A熔化形成熔池 B氧化和燃烧 C熔化形成小孔 D熔化及蒸发三、填空题1.由负电荷电子、正电荷离子和中性原子组成的共存体被称为等离子体 ..2.等离子电弧经过机械压缩效应、热压缩效应和电磁收缩效应三种压缩效应后;能量高度集中在直径很小的弧柱中;弧柱中的气体被充分电离成等离子体;故称为等离子弧..3.当喷嘴直径小;气体流量大和增大电流时;等离子焰自喷嘴喷出的速度很高;具有很大的冲击力;这种等离子弧称为“刚性弧”;主要用于切割金属 ..反之;若将等离子弧调节成温度较低、冲击力较小时;该等离子弧称为“柔性弧”;主要用于焊接 ..4.等离子弧切割是当今唯一的能做到切割不锈钢比中碳钢还快的工艺方法..5.转移型的等离子弧从阴极钨电极引致电导体工件 ;产生的温度可高达33000°C..6.等离子弧会产生红外线和紫外线等辐射; 操作者需佩带手套、护目镜、耳塞等 ..7.非转移型的等离子弧是在切割头内部完成;适合于切割其他方法难以胜任的非导电材料或用于喷涂工艺..8.切割铁族金属采用二氧化碳作保护气套;切割中碳钢也可以采用空气或氧气作保护气套..9.水套保护等离子弧切割可以减少槽宽并改进切割质量;但是效率并不提高..10.等离子弧喷涂的离子运动速度高;获得的涂层与基体材料的附着力强;组织致密..采用惰性气体可以隔离氧气获得更高纯度的涂层组织..11.等离子弧喷涂的涂层金属是凝固沉积的结果;而非单个原子或离子沉积形成涂层..12.用等离子弧作为热源进行焊接的方法称为等离子焊接 ..焊接时离子气形成离子弧和保..四、判断题1.等离子弧焊与钨极氩弧焊TIG十分相似;它们的电弧都是在尖头的钨电极和工件之间形成的.. T2.等离子弧焊接属于低质量的焊接方法具有焊缝的深/宽比小;热影响区宽;工件变形大F3.转移型等离子弧适合于加工非导体材料.. F4.等离子弧切割具有切割速度高;能切割各种金属;能耗比低;切割厚度比较大.. T5.等离子弧不可以与传统的车削、铣削等工艺形成复合加工.. F6.等离子弧焊接设备比较复杂;气体耗量大;只宜于室内焊接.. T第6章热熔钻加工一、简答题1.试述热熔钻的工作原理;其显著的特点是什么2.传统加工的麻花钻与热熔钻在刀具结构上有哪些差异3.热熔丝锥能否在实心材料无预孔上直接攻丝4.热熔钻工作中是否需要润滑剂5.热熔钻/丝锥加工螺纹强度与焊接螺母相比较;哪个更高6.热熔钻适合于钻削盲孔吗7. 材料硬度会不会增高;提高加工难度二、填空题1.普通钻头常常采用高速钢制作;而热熔钻头的刀具材料是硬质合金 ..2.热熔丝锥没有纵向开槽和铲背 ;即没有前角和后角;结构上比普通丝锥更加简单 ..3.热熔钻属于半定尺寸刀具;即加工孔的直径尺寸不变与工具对应尺寸相同;而深度尺寸可变比工件的增加..4.热熔钻钻头基本分为长型、长平型、短型和短平型四种类型..5.热熔钻或丝锥不切削属于刀具;其实质是属于成形模具 ..三.判断题1.与普通钻头一样;热熔钻和丝锥的刀具必须具备前角和后角才能实现加工.. F2.热熔钻必须在专用的钻床上才能实现加工.. F3.热熔钻加工时既不增工件材料也不减少工件材料.. T4.除了加工金属材料外;热熔钻还可以加工木材、石材、塑料等非金属材料.. F5.热熔钻和丝锥加工可以有效地防止薄板焊接螺母烧穿的可能性.. T6.热熔钻的钻头端部是平底结构.. F7.热熔丝锥的端部应该采用锥体结构.. F8.热熔钻加工后的工件不可以直接用手去触碰.. F9.热熔钻和丝锥可以说是“变废为宝”的无屑加工利器..T10.热熔钻加工后形成的工件壁厚是非常均匀的.. F四、拓展题1.为了让热熔钻加工后的孔的下部表面平整而不出现锋利的刃口;你有什么措施2.在数控机床上;如果让热熔钻轴向进给钻出预孔后;刀具自转的同时再作低速公转也可以是工件与工作台的二维数控完成;可否实现热熔钻无屑扩孔加工第7章电化学加工一、简答题1.电化学加工有哪些工艺类型2.简述电解加工的原理和特点3.常用的电解液有哪些种类说明其各自的特点和应用场合..4.电解加工的工艺实施和应用有哪些电解加工去毛刺的优势何在5.试述电解在线砂轮修整ELID的原理及用途..6.简述电解磨削的工作原理及工业应用..可否通过调换直流电源极性来实现金属结合剂砂轮的离线修整7.电解/电火花复合加工的原理和特点..8.阴极沉积有哪些工艺方法试描述其各自的用途..9.涂镀的工艺特点说什么主要应用在哪些地方二、填空题1.电解加工中;..2.电解液的参数除成分外;3.电解磨削的原理是阳极溶解的电化学作用和砂轮磨削的机械作用的综合作用..4.电解加工必须有足够的流速;约在10 m/s以上;5.电解磨削常用的电解液必须是钝化型电解液..6.电铸与电解同为电化学加工;不同的是电解加工依靠阳极溶解原理进行加工;而电铸是依靠电化学_阴极沉积原理进行加工..7.电解加工合金材料表面会呈现不平的台阶..8.电解加工采用硝酸钠电解液的加工精度高于氯化钠电解液的加工精度..9.单位面积上通过的电流值称为电流密度 ..10.电化学加工机床会被腐蚀 ;故需要适当的保护措施..11.电解加工为减少侧面斜度;工具电极应该尽可能侧面绝缘保护;只让其端面参与工作..12.电解加工设备相对复杂;而电解抛光设备比较简单 ..14.复合电镀的固体颗粒根据用途不同分为三类:即耐磨材料、润滑剂颗粒和电接触材料 ..三、判断题1.电化学反应时;金属的电极电位越负;越易失去电子变成正离子溶解到溶液中去.. T2.电解加工是利用金属在电解液中阴极溶解作用去除材料的;电镀是利用阳极沉积作用进行镀覆加工的.. F3.氯化钠电解液在使用中;氯化钠成分不会损耗;不必经常添加补充.. T4.法拉第电解定律认为电解加工时电极上溶解或析出物质的量与通过的电量成正比;它也适用于电镀..T5.电解加工串连在回路中的降压限流电阻使电能变成热能而降低电解加工的电流效率..T6.用钝化型电解液进行电解加工;可获得较高的加工精度.. T7.电解加工型孔时;一般采用端面进给法;为了避免锥度阴极侧面必须绝缘.. T8.复杂型腔表面电解加工时;电解液流场不易均匀;在流速、流量不足的局部地区容易产生短路;此时应在阴极的对应处加开增液孔或增液缝.. T9.电解加工的效率远高于电火花加工.. T10.电解抛光的间隙必须很小.. F11.一定条件下;电镀工艺也可以用于3D快速成形制造.. T12.刷镀主要用于零件补增材料的修复工作.. T13.电铸工艺的复制精度很高;原模的细纹在复制件上都清晰可见.. T14.原本粗糙的表面经过电镀后就可变得十分光滑;即对镀前表面没有粗糙度的要求.. F15.电化学加工是能与其他工艺形成复合加工技术最多的工艺方法.. T16.采用金属结合剂砂轮进行电解磨削时;砂轮磨钝后可以将直流电的正负极对调;然后通电和电解液来修整砂轮..T17.电解加工的参数特点是小电流、低电压.. F18.电解加工有可能产生氢气;需要抽风设备来及时排除;以免引起爆炸.. T19.电解磨削中电化学阳极溶解去除少量金属和机械精密磨削的综合作用来完成.. F20.电铸效率高;适合于大批量生产.. F四、选择题1.一般来说;电解加工时工具电极阴极耗损情况是:Ca、低损耗;b、高损耗;c、基本无损耗;d、中等程度损耗2.电解加工型孔过程中; Ba、要求工具电极作均匀等速进给;b、要求工具电极作自动伺服进给;c、要求工具电极作均加速进给;d、要求工具电极整体作超声振动3.用铜电极电解加工钢;在阴极主要生成 A:a.H2;b.O2;c.Cl2;d.Na;而电解液中最后生成物是 D :a.FeCl2;b.NaCl;c.FeOH2;d.FeOH34.内部的小型交叉孔口交线上的毛刺最好采用 B ;才能保证效率高;去除干净彻底..a、电火花工艺b、电解去毛刺c、钢丝刷d、锉刀5.关于电解加工电解液的流动方式; 论点错误的是Ca.正向流动直流夹具结构较简单;但加工精度较差b.反向流动倒流夹具结构较复杂;但加工精度较好c.反向流动倒流夹具结构较简单;但加工精度较差d.侧向流动适用于薄板类零件的加工6. 利用金属离子阴极沉积方法来进行加工的方法是Ca.离子束加工 b.电解加工 c.电铸 d.等离子体加工7.对大型轧辊类零件可方便实现磨损及损伤补救的措施是Ba.电铸b.涂镀c.电镀d.化学镀8.下列电解加工常用电解液配方中;加工精度最好的是Ba.10%NaCI b.10%NaNO3c.20%NaCIO3 d.20%NaCI9. 能提高电解加工精度的措施是Aa.减小电解加工间隙b.降低进给进度c.增加电解液温度d.增加电解液浓度10.可提高电解加工电流密度i的措施是Aa.加工电压U R↑ b.加工间隙Δ↑ c.电导率σ↓ d.进给速度v↓五、拓展题1.电化学加工在复合技术领域十分活跃;结合图7.21;你能否构思出本书还未涉及提及的新的复合加工技术2.大家在电视里可能时常会看到小朋友手指头被夹入各种金属孔或套内;报警119后;消防队员拿起各种机械工具来拆除;场景比较恐怖;容易给孩子带来次生的生理和心理伤害..结合电解加工的特点;可否开发“温柔一刀”的移动式电解拯救机第8章化学加工CHM一、简答题1.化学加工有哪两种主要类型并简述其工艺实施原理..2.试述光化学加工喷射腐蚀的特点、工艺步骤及应用场合..3.简述化学机械抛光的作用原理及其应用..4.化学镀与电镀有哪些差异5.简述爆炸成形的原理和用途..二、填空题1.化学加工主要分为两大类即化学铣削和光化学腐蚀..2.化学铣削时采用的抗腐蚀的涂层叫做掩膜..3.过切量与腐蚀深度之比值称为腐蚀系数 ..4.光化学腐蚀也叫喷淋腐蚀..5.光化学腐蚀制备掩膜采用光敏树脂等感光材料受到光照射而凝固;不受光的部分仍然为液态;这实质上是将化学加工常规制备掩膜时的掩膜涂覆和刻划两道工序合二为一..6.化学加工采用光化学方式制备掩膜;不仅将涂覆和刻划两道工序合二为一;而且可以做到更加细密..7.光化学加工透明胶片的制作可以有两种方法来完成;即正转片和反转片 ..8.化学抛光利用氧化反应;凸出部分的氧化膜更厚其溶解速度大于凹陷处的溶解速度;从而使得加工表面逐渐均平并光亮化..9.化学抛光包括表面的平滑化和光亮化两个过程..后一个过程是改变了材料的金相结构 ;能使得金属制品超过原有的光泽效果光亮度..10.化学机械抛光CMP是将游离磨料的机械研磨作用和氧化剂的化学作用有机结合;实现超精磨无损伤表面加工;因而也是一种复合加工方法..11.化学镀是利用强还原剂剂在含有金属离子的溶液中将金属离子还原成原子而沉积形成镀层..三、判断题1.化学加工的效率和质量与工件材料的硬度、强度密切相关.. F2.总体上;化学铣削的加工质量好于光化学加工.. F3.化学加工既没有主运动;也不需要进给运动;只需要有些辅助运动;如搬运、吊装.. T4.化学加工基本上不能改变工件的刚度/重量比值.. F5.化学加工的腐蚀深度与腐蚀液成分、浓度、温度、搅拌等有关;而与在腐蚀液里停留的时间无关.. F6.化学加工后工件会留下毛刺并产生加工应力.. F7.化学加工可以做到多个工件或单个工件个多个表面同时加工.. T8.化学加工会暴露工件材料内部原有的缺陷.. T9.化学加工各向异性的材料能获得较好的表面质量.. F10.化学加工的孔侧面不会产生过切量.. T11.光化学加工对操作者的技能要求比化学加工的更低.. F12.化学加工是光化学加工的一个特例.. F13.与化学加工相比较;光化学加工的不仅质量更好;而且效率更高..T14.光化学加工装置比化学加工的装置更为简单.. F15.光化学加工是时间越长;加工的腔体拐角半径越大.. T16.化学抛光对低碳钢的抛光效果比高碳钢的差.. F17.化学镀也叫做自催化镀.. T18.爆炸成形适合于大批量的小型简单工件加工.. F第9章离子束加工IBM一、简答题1.离子束加工与电子束加工的原理差异何在离子束加工有哪些工艺类型。
《特种加工技术》2017版习题参考答案【说明】:每章的第一大题是简答题,其答案基本在书中有描述,此处不再给出;部分章节的拓展题主要目的是启迪、开拓思路或展开应用,故没有统一或固定的答案。
第1章电火花成形加工(EDM SINKING)二、选择题1.电火花深小孔加工应当选择以下 C 作为工作液;A.自来水;B.煤油;C.去离子水(工业纯水) ;D.乳化液2.电火花共轭回转加工的最早发明人是:AA.中国人;B.美国人C.俄国人D.德国人3. 欲将小型交叉孔口毛刺去除彻底干净,最好采用D加工方法来完成。
A.锉刀;B.砂带磨削C.砂轮磨削D.电火花工艺4.欲保证最高的加工精度,电火花加工中工作液供给方式最好采用C。
A.静态淹没工件;B.侧面冲液C.工具电极内部抽吸D.工具电极内部射出5.对于象筛网零件有成千上万个小孔需要加工,为保证生产率,电火花加工宜采用以下D工具电极.A.单个实心电极逐个加工;B.单个空心电极逐个加工C. 实心群电极D.空心管群电极三、判断题1.电火花加工中的吸附效应都发生在正极上。
(F )2.电火花成型加工时,电极在长度方向上损耗后无法得到补偿,需要更换电极。
(T )3.电火花成型加工中的自动进给调节系统应保证工具电极的进给速度等于工件的蚀除速度;(T)4.电火花成型加工和穿孔加工相比,前者要求电规准的调节范围相对较小。
(F )5.电火花成型加工电极损耗较难进行补偿。
(T )6.在型号为DK7740的数控电火花线切割机床中,D表示电加工机床。
(T)7.弛张式脉冲电源电能利用率相当高,所以在电火花加工中应用较多。
(F)8.电火花成型加工属于盲孔加工,工作液循环困难,电蚀产物排除条件差。
(T)9.电火花加工的粗规准一般选取的是窄脉冲、高峰值电流。
(F)10.电火花加工的粗规准一般选取的是宽脉冲、高峰值电流。
(T)11.电火花加工的效率较低。
(T)12.煤油作为电火花液,冷却效果最好(F)13.紫铜又叫纯铜;(T)14.电火花机床没有主运动,只有进给运动。
《精密与特种加工技术》课后答案第一章1.精密与特种加工技术在机械制造领域的作用与地位如何?答:目前,精密和特种加工技术已经成为机械制造领域不可缺少的重要手段,在难切削材料、复杂型面、精细零件、低刚度零件、模具加工、快速原形制造以及大规模集成电路等领域发挥着越来越重要的作用,尤其在国防工业、尖端技术、微电子工业方面作用尤为明显。
由于精密与特种加工技术的特点以及逐渐被广泛应用,已引起了机械制造领域内的许多变革,已经成为先进制造技术的重要组成部分,是在国际竞争中取得成功的关键技术。
精密与特种加工技术水平是一个国家制造工业水平的重要标志之一。
2.精密与特种加工技术的逐渐广泛应用引起的机械制造领域的那些变革?答:⑴提高了材料的可加工性。
⑵改变了零件的典型工艺路线。
⑶大大缩短新产品试制周期。
⑷对产品零件的结构设计产生很大的影响。
⑸对传统的结构工艺性好与坏的衡量标准产生重要影响。
3.特种加工工艺与常规加工工艺之间有何关系?应该改如何正确处理特种加工与常规加工之间的关系?答:常规工艺是在切削、磨削、研磨等技术进步中形成和发展起来的行之有效的实用工艺,而且今后也始终是主流工艺。
但是随着难加工的新材料、复杂表面和有特殊要求的零件越来越多,常规传统工艺必然难以适应。
所以可以认为特种加工工艺是常规加工工艺的补充和发展,特种加工工艺可以在特定的条件下取代一部分常规加工工艺,但不可能取代和排斥主流的常规加工工艺。
4.特种加工对材料的可加工性以及产品的结构工艺性有何影响?举例说明.答:工件材料的可加工性不再与其硬度,强度,韧性,脆性,等有直接的关系,对于电火花,线切割等加工技术而言,淬火钢比未淬火钢更容易加工。
对传统的结构工艺性好与坏的衡量标准产生重要影响,以往普遍认为方孔,小孔,弯孔,窄缝等是工艺性差的典型,但对于电火花穿孔加工,电火花线切割加工来说,加工方孔和加工圆孔的难以程度是一样的,相反现在有时为了避免淬火产生开裂,变形等缺陷,故意把钻孔开槽,等工艺安排在淬火处理之后,使工艺路线安排更为灵活。
1.从特种加工的发生和发展来举例分析科学技术中有哪些事例是"物极必反" 有哪些事例是"坏事有时变为好事"答:这种事例还是很多的.以"物极必反"来说,人们发明了螺旋桨式飞机,并不断加大螺旋桨的转速和功率以提高飞机的飞行速度和飞行高度.但后来人们发现证实螺旋桨原理本身限制了飞机很难达到音速和超音速,随着飞行高度愈高,空气愈稀薄,螺旋桨的效率愈来愈低,更不可能在宇宙空间中飞行.于是人们采用爆竹升空的简单原理研制出喷气式发动机取代了螺旋桨式飞行器,实现了洲际和太空飞行.由轮船发展成气垫船,也有类似规律.以"坏事变好事"来说,火花放电会把接触器、继电器等电器开关的触点烧毛、损蚀,而利用脉冲电源瞬时、局部的火花放电高温可用作难加工材料的尺寸加工.同样,铝饭盒盛放咸菜日久会腐蚀穿孔,钢铁器皿、小刀等在潮湿的环境下会腐蚀.钢铁在风吹雨淋时遭受锈蚀,海洋船舰的钢铁船体为了防止海水的腐蚀,得消耗巨资进行防锈、防蚀.人们研究清楚钢铁电化学锈蚀的原理后,创造了选择性阳极溶解的电解加工方法.这些都是"坏事变好事"的实例.2.试列举几种采用特种加工工艺之后,对材料的可加工性和结构工艺性产生重大影响的实例. 答:这类实例是很多的,例如:⑴硬质合金历来被认为是可加工性较差的材料,因为普通刀具和砂轮无法对它进行切削磨削加工,只有碳化硅和金刚石砂轮才能对硬质合金进行磨削.可是用电火花成形加工或电火花线切割加工却可轻而易举地加工出各式内外圆、平面、小孔、深孔、窄槽等复杂表面,其生产效率往往高于普通磨削加工的生产率.更有甚者,金刚石和聚晶金刚石是世界上最硬的材料,过去把它作为刀具和拉丝模具等材料只有用金刚石砂轮或磨料"自己磨自己",磨削时金刚石工具损耗很大,正是硬碰硬两败俱伤,确实是可加工性极差.但特种加工中电火花可成形加工聚晶金刚石刀具,工具,而激光加工则不但"削铁如泥"而且可"削金刚石如泥".在激光加工面前,金刚石的可加工性和钢铁差不多了.对过去传统概念上的可加工性,的确需要重新评价.(2)对结构工艺性,过去认为方孔,小孔,小深孔,深槽,窄缝以及细长杆,薄壁等低刚度零件的结构工艺性很差,在结构设计时应尽量避免.对E字形的硅钢片硬质合金冲模,由于90*内角很难磨削,因此常采用多块硬质合金拼镶结构的冲模.但采用电火花成形加工或线切割数控加工,则很容易加工成整体硬质合金的E形硅钢片冲模,特种加工可使某些结构工艺性由"差"变"好".3.工艺和特种加工工艺之间有何关系(应该说如何正确处理常规工艺和特种加工之间的差别) 答:一般而言,常规工艺是在切削,磨削,研磨等技术进步中形成和发展起来的行之有效的实用工艺,而且今后也始终是主流工艺.但是随着难加工的新材料,复杂表面和有特殊要求的零件愈来愈多,常规,传统工艺必然会有所不适应.所以可以认为特种加工工艺是常规加工工艺的补充和发展.特种加工工艺可以在特定的条件下取代一部分常规加工工艺,但不可能取代和排斥主流的常规加工工艺.第二章电火花加工1.两金属在(1)在真空中火花放电;(2)在空气中;(3)在纯水(蒸馏水或去离子水)中;(4)在线切割乳化液中;(5)在煤油中火花放电时,在宏观和微观过程以及电蚀产物方面有何相同和相异之处(1)两金属在真空中火花放电时,当电压(电位差)超过一定时即产生"击穿",电子由"-"极逸出飞向"+"极,由于真空中没有物质阻挡电子的运动,所以没有正离子形成,没有发热的放电"通道"的概念,示波器,显象管中电子流的运动与此类似.基本上没有"电蚀产物"生成.(2)两金属在空气中放电的例子是电火花表面强化,涂覆.电焊,等离子切割,等离子焊等,也是在空气中放电,利用电子流在空气中撞击气体原子形成放电通道,在通道中和工件表面产生大量的热能用于强化,涂覆,切割和焊接.(3)在纯水,蒸馏水或去离子水中,两金属间电火花放电与在煤油中类似,只是水分子,原子受电子,正离子撞击发热气化,最后分解为氧原子和氢原子(分子),而不像煤油中会分解出碳原子(碳黑微粒)和氢气等.(4),(5)在乳化液中和煤油中放电过程,详见教材中有关章节,不再另行论述.2.有没有可能或在什么情况下可以用工频交流电源作为电火花加工的脉冲直流电源在什么情况下可用直流电源作为电火花加工用的脉冲直流电源(提示:轧辊电火花对磨,齿轮电火花跑合时,不考虑电极相对磨损的情况下,可用工频交流电源;在电火花磨削,切割下料等工具,工件间有高速相对运动时,可用直流电源代替脉冲电源,但为什么)如提示所述,在不需要"极性效应",不需要考虑电极损耗率等的情况下,可以直接用220V的50HZ交流电作为脉冲电源进行轧辊电火花对磨和齿轮电火花跑合等.不过回路中应串接限流电阻,限制放电电流不要过大.如需精规准对磨或跑合,则可在交流工频电源上并联RC电路(R=500-1000,C=0.1-0.01),再接到两个工件上.在用高速转动的金属轮或圆片作电火花磨削,电火花切割,下料时,如果可以不计电极损耗率,则就可以用全波整流或整流后并联电解电容滤波的直流电源进行电火花磨削.由于工具电极高速转动,所以一般不会产生稳定电弧烧伤工件.最好是经调压变压器降压到5-100V再整流供磨削之用,一则可以调节电压或电流,二则和220V交流电源隔离,以保障人身避免触电的危险.3.电火花加工时的自动进给系统和车,钻,磨削时的自动进给系统,在原理上,本质上有何不同为什么会引起这种不同答:电火花加工时工具电极和工件间并不接触,火花放电时需通过自动调节系统保持一定的放电间隙,而车,钻,磨削时是接触加工,靠切削力把多余的金属除去,因此进给系统是刚性的,等速的,一般不需要自动调节.4.电火花共轭同步回转加工和电火花磨削在原理上有何不同工具电极和工件上的瞬间放电之间有无相对移动加工内螺纹时为什么不会"乱扣" 用铜螺杆做工具电极,在内孔中用平动法加工内螺纹,在原理上和共轭同步回转法有何异同答:不同之处在于电火花共轭同步回转加工时:(1)工具电极和工件的转动方向相同;(2)转速严格相等(或成倍角,比例关系);(3)工具和工件上瞬时放电点之间有很慢的相对移动.而电火花磨削时工具和工件可以同向或反向转动;工具和工件的转速并不相同,磨削点之间有很大的相对移动.加工内螺纹时,其所以不会"乱扣",是因为加工中工具电极和工件的转向和转速相等,工具和工件圆周表面上有着"各点对应"的关系,所以能把工具表面的螺纹形状复制到工件表面上去而不会"乱扣".在内孔中用平动法加工内螺纹,本质上和共轭同步回转法相同,不同之处在于平动法加工时工件不转动而代之以工具电极在平动头中作"公转"行星式运动,其内外圆上"各点对应"的规则仍然存在.5,电火花加工时,什么叫做间隙蚀除特性曲线粗,中,精加工时,间隙蚀除特性曲线有何不同脉冲电源的空载电压不一样时(例如80V,100V,300V三种不同的空载电压),间隙曲线有何不同试定性,半定量地作图分析之.答:间隙蚀除特性曲线是电火花放电间隙蚀除速度和放电间隙大小(间隙平均电压的大小)之间的关系,此关系可以定量地用作图法画成间隙蚀除特性曲线.粗,中,精加工时,由于脉宽,峰值电流等电规准不同,同样大小间隙的蚀除速度也就不一样,总的来说,粗加工时蚀除速度较大,上凹的间隙蚀除特性曲线就高于中,精加工的曲线.当脉冲电源的空载电压不一样时,例如电压较高为300V时,其击穿间隙,平均放电间隙都大于100V或80V的放电间隙,因此横坐标上的A点(电火花击穿间隙)将大于100V或80V时的间隙.间隙特征曲线原点不动,整个曲线稍向右移.同理,80V空载电压的间隙特征曲线的A点将偏向左边.S/ m/V6,在电火花加工机床上用Ф10mm的纯铜杆加工Ф10mm的铁杆,加工时两杆的中心矩偏距5mm,选用=200 s, i=5.4A,各用正极性和负极性加工10min,试画出加工后两杆的形状,尺寸,电极侧面间隙大小和表面粗糙度值(利用电火花加工工艺参数曲线图表来测算).加工示意图见图2-1a.设先用正极性加工,加工后的图形见图b,负极损耗较大;负极性加工后的图形见图c,正极工具损耗较小.具体数据请自行在图中标明,并与书中工艺曲线图表进行对照比较图2-1第三章电火花线切割加工1.电火花线切割时,粗,种,精加工时生产率的大小和脉冲电源的功率,输出电流的大小有关.用什么方法衡量,判断脉冲电源加工性能的好坏(绝对性能和相对性能) 答:可用单位电流(每安培电流)的生产率来衡量,即可客观地判断脉冲电源加工性能的好坏.例如某脉冲电源峰值电流25A时的切割速度为100mm2/min,另一电源峰值电流27A时切割速度为106mm2/min,则前者的相对生产率为100/25=4mm2/min,优于后者106/27=3.9mm2/min .又如某线切割脉冲电源3A s时切割速度为100mm2/min,另一电源3,5A时为124mm2/min,则前者相对切割速度为33.3mm2/min,后者35.5mm2/min.2.电火花加工和线切割加工时,如何计算脉冲电源的电能的利用率试估计一般线切割方波脉冲电源的电能利用率答:设脉冲电源的空载电压为100V ,加工时火花放电间隙的维持电压为25V则消耗在晶体管限流电阻上的电压为100-25=75V,由此可以算出电能利用率:有用能量:输入能量=25:100=1:4=25%能量的消耗率为:损耗能量:输入能量=75:100=3:4=75%可见75%的能量损耗在限流电阻的发热上.3.设计一个测量,绘制数控线切割加工的间隙蚀除特性曲线的方法(提示:使线切割等速进给,由欠跟踪到过跟踪).答:这一习题有一定的难度,需对间隙蚀除特性曲线和线切割加工伺服进给系统有一定深度的理解才行.间隙蚀除特性曲线是蚀除速度和放电间隙(间隙平均电压)的关系曲线(参见第二章电火花加工的伺服进给).线切割加工时,调节伺服进给量的大小,可以在一定程度上改变平均放电间隙.例如把进给速度人为放慢,处于"欠进给"状态,则平均放电间隙偏大,反之,进给速度过高,"过进给"时,则放电间隙偏小.测绘间隙蚀除特性曲线时,利用"改变预置进给速度"来改变放电间隙的大小.实际上放电间隙的大小(绝对值)很难测量,但可以用加工时的平均间隙电压大小来相对测量间隙值的大小.为此,要在工件和钼丝(导电块)或直接在电源输出端并一个满刻度100V(用于测空载,偏空载时的开路间隙电压),20V(用于测偏短路时的间隙电压)的直流电压表.实际测绘时,先不用线切割机床的"自动档"(伺服)进给,而采用"人工档"(等速进给)进给功能.最初用较慢的等速进给速度进行切割,此时处于"欠跟踪"的进给状态,待切割稳定后就记下进给速度和此时的间隙平均电压,在坐标上作出曲线上的某一点.以后稍微调快进给速度(仍为等速进给),同样测得第二,三```点的数据.当调节到进给速度约等于蚀除速度时,此时即为最佳状态B 点放电间隙为最佳放电间隙SB 此时的切割速度为最大.当以更大的进给速度(等速)切割时,由于没有伺服功能,进给速度大于可能的蚀除速度,放电间隙逐步减小,最后即将形成短路,放电间隙为零.此时应尽快停止进给,并事先作好记录.在曲线最高点B只右,用上述方法比较容易做出间隙蚀除特性曲线的右半部分.但B点左边的曲线,因放电间隙逐步减小并趋于短路,易把钼丝顶弯,因此应多加小心.4.一般线切割加工机床的进给调解特性曲线和电火花加工机床的进给特性曲线有何不同与有短路回退功能的线切割加工机床的进给调解特性曲线又有什么不同答:一般线切割机床的进给的进给系统,往往没有短路回退功能,或短路后经一定时间例如30s后仍不能自动消除短路状态,则回退256步(相当于0.256 mm),如仍不能消除短路,则自动停止进给或同时报警,这与电火花成型加工机床遇短路即退回不一样.上述无短路回退功能的线切割机床的进给特性曲线就不会有横坐标左下部分的曲线,亦即工具电极(钼丝)的进给速度vd没有负值.即使有短路回退功能的线切割机床,短路后的回退速度是固定的(不象电火花成型加工机床那样短路后将以较高的速度vd0回退),所以进给调节特性曲线的左下部为窄小矩形,即放电间隙较小时,进给速度vd《0,一旦完全短路后,钼丝才低速(恒速)回退.5.设计一个测量,绘制数控线切割加工机床的进给调解特性曲线的方法(提示:在线切割机床上做空载模拟实验.用可调的的直流电源模拟火花间隙的平均电压).答:这一习题也有一定难度,需对线切割机床的变频进给系统有一定的了解.线切割机床的进给速度vd是由火花放电间隙的平均电压ue来决定的.ue越大,vd亦大,ue小vd也小,ue=0,vd=0或等速回退.为此可以用"模拟法"来测绘线切割加工机床的进给调解特性曲线.具体的的方法是:使线切割机床处于加工状态,可不开丝筒,不开高频电源,但应使工作台处于"人工"等速进给状态.此时工作台进给的"取样电压",并不是来自火花放电间隙的平均电压ue(ue再经电阻分压成10~12v的电压,经"变频调节"电位器送至"压—频"(u-f)转换器,将此低电压u转换成进给脉冲,频率为f,另工作台进给),而是由+12V的外加电压,经"变频调节"电位器调压输入至"压—频"(u-f)转换器.低电压0V相当于间隙短路,最高10~12V相当于间隙开路状态.可以将此电压由低向高调节,例如0V,2V,4V,6V,8V,10V……直至12V,模拟不同的ue.记录下每种不同电压时的工作台进给速度(可以从控制器面板数显表上测得),然后即可绘制出进给调节特性曲线.6.今拟用数控线切割加工有8个齿的爪牙离合器,试画出其工艺示意图并编制出相应的线切割3B相应程序.答:由于爪牙离合器工件是圆筒形的,端面上需切割出8个爪牙方齿,故切割时必须有一个数控回转工作台附件.办法为先在圆套筒上钻一个∮1~2mm的穿丝孔,装夹好工件后,调整到穿丝孔为最高点时穿丝,回转台转动切除爪牙的端面,见示意图.(俯视图)切割的程序(一次切出凹,凸两个爪牙离合器)为:BBBJ=穿丝孔距离GXL3(x向移动)BBBJ=1/2齿宽GYL4(y向转动)BBBJ=齿深GXL3(x向移动)BBBJ=齿宽GYL4(y向转动)BBBJ=齿深GXL1(x向移动)BBBJ=齿宽GYL4(y向转动)……第四章电化学加工1.从原理和机理上来分析,电化学加工有无可能发展成为"纳米级加工"或"原子级加工"技术?原则上要采用哪些措施才能实现?答:由于电化学加工从机理上看,是通过电极表面逐层地原子或分子的电子交换,使之在电解液中"阳极溶解"而被去除来实现加工的,可以控制微量、极薄层"切削"去除。