一般抹灰工程质量验收记录表
- 格式:doc
- 大小:45.00 KB
- 文档页数:3
一般抹灰检验批质量验收记录工程名称:XXX工程工程地点:XXX工程部位:抹灰工程施工单位:XXX施工公司监理单位:XXX监理公司质检人员:XXX一、检验时间:2024年X月X日二、抹灰材料验收情况:1.砂浆原材料验收情况:1.1砂:经过实地取样分析,满足抹灰工程的要求,顺利通过验收。
1.2水泥:经过实地取样分析,满足抹灰工程的要求,顺利通过验收。
2.批次抽样情况:2.1砂浆配合比:抽取了X批次的砂浆进行检验,配合比符合设计要求。
2.2粘结强度:按规定进行了抽样检测,所有抽样试块的粘结强度均满足设计要求。
三、施工工艺质量验收情况:1.基层处理:1.1基层表面清理:基层表面清理干净、无杂物,符合要求,可进行下一步工艺的施工。
1.2基层湿润:基层湿润够充分,确保与砂浆粘结牢固。
2.砂浆的合理搅拌:2.1砂浆搅拌时间:砂浆的搅拌时间控制在X分钟以内。
2.2砂浆搅拌均匀:经过目测,砂浆搅拌得到了较为均匀的混合状态。
3.施工密实:3.1 抹灰厚度:每道抹灰层的厚度符合设计要求,误差在Xmm以内。
3.2抹灰层压实:抹灰层经过压实处理,达到了良好的致密效果。
四、抹灰强度检验情况:1.抽样检测:1.1抽样数量:按照规定抽取了X块试件进行抹灰强度检测。
1.2抹灰强度:经过试验,所有抽样试件的抹灰强度均满足设计要求。
五、验收结论:经过抹灰材料和施工工艺质量的检验,该工程的抹灰工程质量符合设计要求和相关规范标准,在验收合格范围内。
施工单位在抹灰工程方面的质量管理得到了有效的落实。
六、存在的问题:1.X处抹灰厚度不够,需要加强压实。
2.X处砂浆配合比控制不够严格,建议施工单位加强材料配比的控制。
3.X处抹灰面有小面积开裂,需要进行修补处理。
七、整改措施:1.对抹灰厚度不够的部位进行加强压实处理,确保符合设计要求。
2.对砂浆配合比要进行严格控制,确保达到设计要求的强度和稠度。
3.对开裂的部位进行修补处理,确保抹灰面光滑,无明显开裂。
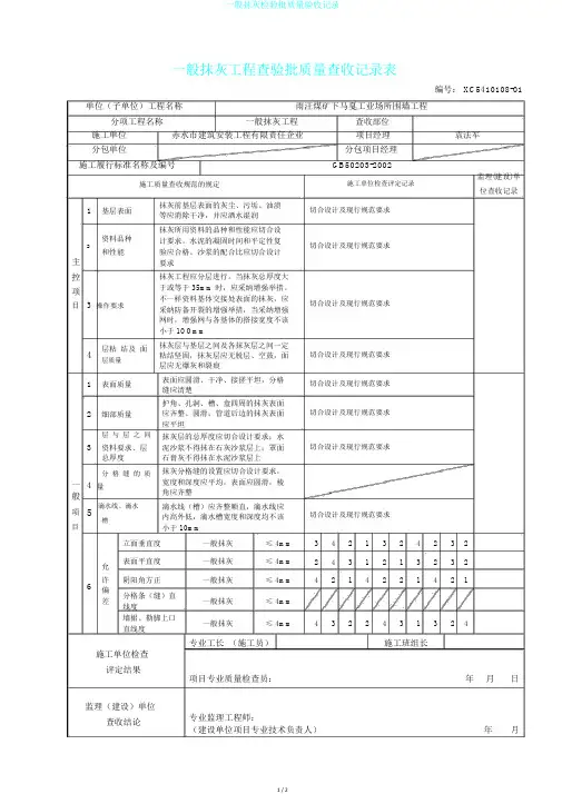
一般抹灰工程查验批质量查收记录表编号: XC5410108-01单位(子单位)工程名称雨汪煤矿下马戛工业场所围墙工程分项工程名称一般抹灰工程查收部位施工单位 赤水市建筑安装工程有限责任企业 项目经理 袁法军分包单位分包项目经理 施工履行标准名称及编号GB50203-2002施工质量查收规范的规定监理(建设)单 施工单位检查评定记录位查收记录1 基层表面资料品种 2和性能主 控项目3 操作要求层粘 结及 面4层质量1 表面质量2 细部质量层 与 层 之 间3 资料要求、层总厚度分 格 缝 的 质一 4 量般项5滴水线、滴水槽目抹灰前基层表面的灰尘、污垢、油渍等应消除干净,并应洒水湿润抹灰所用资料的品种和性能应切合设计要求。
水泥的凝固时间和平定性复验应合格。
沙浆的配合比应切合设计要求抹灰工程应分层进行。
当抹灰总厚度大于或等于 35mm 时,应采纳增强举措。
不一样资料基体交接处表面的抹灰,应采纳防备开裂的增强举措,当采纳增强网时,增强网与各基体的搭接宽度不该小于 1OOmm抹灰层与基层之间及各抹灰层之间一定粘结坚固,抹灰层应无脱层、空鼓,面层应无爆灰和裂痕表面应圆滑、干净、接搓平坦,分格缝应清楚护角、孔洞、槽、盒四周的抹灰表面应齐整、圆滑;管道后边的抹灰表面应平坦抹灰层的总厚度应切合设计要求;水泥沙浆不得抹在石灰沙浆层上;罩面石膏灰不得抹在水泥沙浆层上抹灰分格缝的设置应切合设计要求,宽度和深度应平均,表面应圆滑,棱角应齐整滴水线(槽)应齐整顺直,滴水线应内高外低,滴水槽宽度和深度均不该小于 10mm切合设计及现行规范要求切合设计及现行规范要求切合设计及现行规范要求切合设计及现行规范要求切合设计及现行规范要求切合设计及现行规范要求切合设计及现行规范要求切合设计及现行规范要求立面垂直度 一般抹灰 ≤ 4mm 3 4 2 1 3 2 4 2 3 2允表面平直度一般抹灰≤ 4mm243121323 26 许 阴阳角方正一般抹灰≤ 4mm421422142 1偏分格条(缝)直差 一般抹灰≤ 4mm线度墙裙、勒脚上口 一般抹灰≤ 4mm432243132 4直线度专业工长 (施工员)施工班组长施工单位检查评定结果项目专业质量检查员:年 月日监理(建设)单位查收结论专业监理工程师:(建设单位项目专业技术负责人)年 月日。
一般抹灰工程检验批质量验收记录表1. 项目基本信息•项目名称:•施工单位:•监理单位:•检验日期:2. 检验批次信息批次编号施工部位抹灰面积(平方米)检验结果备注123…3. 检验项目及标准项目编号检验项目检验标准1 墙体平整度墙面平整度允许偏差为±5mm2 抹灰厚度抹灰面的设计厚度为Xmm,允许偏差为±10%3 抹灰层粘结强度抹灰层与基层的粘结强度应符合相关标准,不应出现空鼓、开裂等情况4 抹灰层表面平整度抹灰层的表面平整度应满足设计要求,不应出现起砂、空鼓、裂缝等问题5 抹灰层养护质量抹灰层养护应符合相关标准,包括保持湿润、避免直接阳光照射、防止被雨水冲刷等6 抹灰层阴阳角处理发生阴阳角时,应采取适当的措施进行处理,如加嵌条、过渡层等7 抹灰层防水处理抹灰层与墙面接缝、阳台地膜、厨房洗浴间等特殊部位应进行防水处理,确保防水层与抹灰层的协调与质量4. 检验结果根据对各批次抹灰工程进行检验,结果如下:•批次1:–墙体平整度:合格–抹灰厚度:合格–抹灰层粘结强度:合格–抹灰层表面平整度:合格–抹灰层养护质量:合格–抹灰层阴阳角处理:合格–抹灰层防水处理:合格•批次2:–墙体平整度:合格–抹灰厚度:合格–抹灰层粘结强度:合格–抹灰层表面平整度:合格–抹灰层养护质量:合格–抹灰层阴阳角处理:合格–抹灰层防水处理:合格•批次3:–墙体平整度:不合格(偏差超过5mm)–抹灰厚度:合格–抹灰层粘结强度:合格–抹灰层表面平整度:合格–抹灰层养护质量:合格–抹灰层阴阳角处理:合格–抹灰层防水处理:合格5. 结论与建议根据抹灰工程的检验结果,综合考虑各项指标,我们得出以下结论与建议:•批次1和批次2的抹灰工程质量达到了设计要求,可以通过验收并进行下一步施工工序。
•批次3的抹灰工程存在墙体平整度不合格的问题,需要对该批次的抹灰工程进行整改,并在整改后重新进行质量验收。
6. 备注•特殊情况说明:•其他需要补充的信息:。
一般抹灰分项工程质量验收记录编制日期:[日期]编制单位:[单位名称]项目名称:[项目名称]施工单位:[施工单位名称]监理单位:[监理单位名称]质检人员:[质检人员姓名]一、项目基本信息1.1抹灰分项工程名称:[抹灰分项工程名称]1.2抹灰工程位置:[抹灰工程位置]1.3质量验收日期:[质量验收日期]二、质量验收依据2.1相关技术文件:-抹灰工程设计文件-抹灰材料规范及施工工艺文件-监理单位提供的有关抹灰工程质量验收标准及规范文件2.2相关试验报告:-抹灰材料试验报告-抹灰层强度试验报告三、质量验收内容3.1抹灰层平整度验收:根据设计要求,对抹灰层的平整度进行测量和验收,测量点布置合理,平整度符合设计要求。
3.2抹灰层厚度验收:对抹灰层的厚度进行测量和验收,测量点布置合理,厚度符合设计要求。
3.3抹灰材料验收:对抹灰材料进行抽样检验,包括外观质量、拉伸强度、粘结强度等指标,抽样合格率达到设计要求。
3.4抹灰层强度验收:对抹灰层进行抽样检验,根据强度试验报告判断抹灰层强度是否符合设计要求。
3.5抹灰工艺验收:对抹灰施工工艺进行验收,包括施工前准备、抹灰层施工工艺、抹灰分层要求等,符合设计要求和规范要求。
四、质量验收结果4.1抹灰层平整度验收:合格4.2抹灰层厚度验收:合格4.3抹灰材料验收:合格4.4抹灰层强度验收:合格4.5抹灰工艺验收:合格五、存在问题和改进措施5.1存在问题:-抹灰层部分位置平整度不符合设计要求-抹灰层部分位置厚度偏薄5.2改进措施:-对抹灰层进行修整,提高平整度-确保施工过程中抹灰层厚度控制准确六、质量验收结论根据质量验收结果和存在问题,本次抹灰分项工程质量验收结论如下:-抹灰分项工程质量合格,可以进行下一步施工工序。
-对于存在的问题,施工单位需要及时整改并报监理单位检验合格后方可继续施工。
质检人员签字:[质检人员姓名]施工单位负责人签字:[施工单位负责人签字]。
外墙一般抹灰检验批质量验收记录一、项目基本信息:项目名称:XXX项目施工单位:XXX施工公司质量检验批编号:XXX施工日期:XXXX年XX月XX日二、检验标准:根据《建筑工程质量检验规程》,以及相关的行业标准和施工图纸,对外墙抹灰进行质量验收。
三、检验人员:质检员1:XXX质检员2:XXX四、抹灰材料:外墙抹灰材料类型:XXX外墙抹灰材料品牌:XXX外墙抹灰材料产地:XXX五、施工工艺:1.基层处理:清理基底、适度湿润基底、砌体表面要涂刷涂料。
2.刮灰工艺:先进行一道粗灰层的抹灰,再进行细灰层的抹灰,每道抹灰要保证均匀、牢固,不得出现空鼓、裂缝等问题。
3.抹平工艺:对灰层进行抹平,并保持墙面的平整度。
六、抹灰施工过程及验收情况:1.检验批次:本次检验批共XX个。
2.检验目的:主要针对外墙抹灰质量进行验收,检查是否符合相关标准要求。
3.检查内容:(1)灰层厚度:对抹灰后的墙面进行探针测试,结果符合要求。
(2)粗灰层工艺:对粗灰层进行检查,未发现空鼓、裂缝等问题。
(3)细灰层工艺:对细灰层进行检查,未发现空鼓、裂缝等问题。
(4)抹平工艺:对抹平工艺进行检查,墙面平整度符合要求。
七、检验结果:根据对外墙抹灰施工质量的检查,本次验收结果合格。
八、质量问题及处理意见:本次抹灰过程中,未发现任何质量问题,施工单位的质量管理有力,施工人员技术过硬。
九、检验结论:本次外墙抹灰施工质量验收合格,符合相关标准和要求。
十、附件:1.外墙抹灰施工图纸2.外墙抹灰材料质量检验报告3.外墙抹灰工艺流程图备注:以上记录仅针对一次外墙抹灰施工进行验收,如施工过程中有多次抹灰,则需分别进行质量验收,每次施工均需记录相关资料和结果。
一般抹灰隐蔽工程质量验收记录工程名称:XX大厦装修工程工程位置:XX市XX区XX路XX号建设单位:XX公司施工单位:XX装修工程有限公司验收日期:YYYY年MM月DD日一、验收项目1.抹灰层材料的验收(1)检查抹灰材料是否符合要求,包括粘结剂、砂子、外加剂等;(2)检查抹灰材料是否有潮湿、开裂或变质等情况;(3)检查抹灰层材料的合格证明及检测报告。
2.抹灰施工质量的验收(1)检查抹灰层的均匀性、表面平整度和厚度;(2)检查抹灰层与墙体结合是否牢固;(3)检查抹灰层的饰面是否有剥落、开裂或空鼓等现象;(4)检查抹灰层表面的光滑度以及是否有抹灰工艺要求的纹理效果等。
3.抹灰工艺的验收(1)检查抹灰工艺是否符合设计要求;(2)检查抹灰层的分层、缝隙处理是否规范;(3)检查抹灰工艺中的粉尘控制措施是否到位;(4)检查抹灰过程中的保护措施是否得当。
4.隐蔽工程的验收(1)检查抹灰层下的基层工程质量,包括墙体结构的强度、平整度等;(2)检查抹灰层与其他隐蔽工程如水电管道、通风管道等的协调性;(3)检查抹灰层周边的防水处理是否符合要求。
二、验收结果根据以上验收项目的检查结果,得出以下结论:1.抹灰层材料的验收结果:符合要求,合格。
(1)检查说明:抹灰材料的质量完全符合装修设计图纸和相关要求。
(2)复验要求:无。
2.抹灰施工质量的验收结果:符合要求,合格。
(1)检查说明:抹灰层的平整度、厚度和牢固程度完全符合相关要求。
(2)复验要求:无。
3.抹灰工艺的验收结果:符合要求,合格。
(1)检查说明:抹灰工艺符合装修设计图纸和相关要求,没有违规操作。
(2)复验要求:无。
4.隐蔽工程的验收结果:符合要求,合格。
(1)检查说明:抹灰层下的基层工程质量良好,与其他隐蔽工程协调性良好。
(2)复验要求:无。
三、验收意见经过细致检查,抹灰隐蔽工程的质量达到设计要求和相关标准,各项检测均合格,具备交付使用的资格。
建议验收通过,并督促施工单位做好相应的后续修补工作。
一般抹灰工程检验批质量验收记录表1.工程概况施工单位:xxxx公司施工地点:xxxx地区工程名称:xxxx项目日期:xxxx年xx月xx日2.检验批概述检验批编号施工部位工程要求检验结果备注001 墙面符合要求合格002 地面符合要求合格003 天花板符合要求合格3.检验批详情3.1 检验批编号:0013.1.1 施工部位墙面3.1.2 工程要求•墙面的抹灰层应平整、光滑,无扣渣、空鼓和脱落现象。
•抹灰层应无裂缝和麻面情况。
•抹灰层应符合设计要求的颜色和平整度。
3.1.3 检验结果抹灰层平整光滑,无扣渣、空鼓和脱落现象。
抹灰层无裂缝和麻面情况。
抹灰层颜色和平整度符合设计要求。
3.2 检验批编号:0023.2.1 施工部位地面3.2.2 工程要求•地面的抹灰层应平整、无空鼓和脱落现象。
•抹灰层应无裂缝和麻面情况。
•抹灰层应符合设计要求的颜色和平整度。
3.2.3 检验结果抹灰层平整光滑,无空鼓和脱落现象。
抹灰层无裂缝和麻面情况。
抹灰层颜色和平整度符合设计要求。
3.3 检验批编号:0033.3.1 施工部位天花板3.3.2 工程要求•天花板的抹灰层应平整、光滑,无扣渣、空鼓和脱落现象。
•抹灰层应无裂缝和麻面情况。
•抹灰层应符合设计要求的颜色和平整度。
3.3.3 检验结果抹灰层平整光滑,无扣渣、空鼓和脱落现象。
抹灰层无裂缝和麻面情况。
抹灰层颜色和平整度符合设计要求。
4.质量验收结论根据对一般抹灰工程检验批的质量验收记录,所有检验批的抹灰工程符合设计要求,并具备合格的质量,达到了验收标准。
施工单位可以进一步进行后续的装饰工程。
5.备注无。
以上为一般抹灰工程检验批质量验收记录表。
# 一般抹灰工程检验批质量验收记录表## 1.工程概况...## 2.检验批概述...## 3.检验批详情### 3.1 检验批编号:001#### 3.1.1 施工部位...#### 3.1.2 工程要求...#### 3.1.3 检验结果...### 3.2 检验批编号:002#### 3.2.1 施工部位...#### 3.2.2 工程要求...#### 3.2.3 检验结果...### 3.3 检验批编号:003#### 3.3.1 施工部位...#### 3.3.2 工程要求...#### 3.3.3 检验结果...## 4.质量验收结论...## 5.备注...。
一般抹灰工程检验批质量验收记录注:主控项目应符合设计及技术变更要求。
SG—T080填写说明一、本表适用于石灰砂浆、水泥砂浆、水泥混合砂浆、聚合物水泥砂浆和麻刀石灰、纸筋石灰、石膏灰等一般抹灰工程检验批质量验收记录。
二、本表由监理工程师(建设单位技术负责人)组织项目专业质量(技术)负责人等进行验收。
三、检验批的划分:1.相同材料、工艺和施工条件的室外抹灰工程每500~1000m2应划分为一个检验批,不足500m2处应划分为一个检验批。
2.相同材料、工艺和施工条件的室内抹灰工程每50个自然间(大面积房间和走廊按抹灰面积30m2为一间)应划分为一个检验批,不足50间也应划分为一个检验批。
四、检查数量:1.室内每个检验批应至少抽查10%,并不得少于3间,不足3间时应全数检查。
2.室外每个检验批每100扩应至少抽查1处,每处不得小于10m2。
五、本表主控项目检查方法:1.基层表面应干净、洒水湿润:检查施工记录。
2.材料的品种、性能,砂浆的配合比符合设计要求,水泥凝结蚶间、安定性复验合格:检查产品合格证书、进场验收记录、复验报告和施工记录。
3.抹灰应分层;当抹灰厚度≥35mm应采取措施;不同材料基体交接处应采取防裂措施;当采用加强网时加强网与基体搭接宽度≥100mm:检查隐蔽工程验收记录和施工日记。
4.抹灰层与基层及抹灰层之间粘结乍田,抹灰层无脱层、空鼓,面层应爆灰和裂缝:观察,用小锤轻击检查;检查施工记录。
六、表中一般项目检查方法:1.护角、孔洞、槽、盒周围的抹灰表面应整齐、光滑;管道后面的抹灰表面应平整:观察、手摸检查。
2.抹灰层总厚度符合设计要求;水泥砂浆不得抹在石灰砂浆层上;罩面石膏灰不得抹在水泥砂浆层上:检查施工记录。
3.抹灰分格缝的设置符合设计要求,宽度和深度应均匀,表面光滑,棱角整齐:观察、尺量检查。
4.有排水要求的部位应做滴水线(槽)。
滴水线(槽)整齐顺直,滴水线内高外低,滴水糟宽度、深度≥10mm:观察、尺量检查。