2021年叉车驾驶员实操考核标准及技术规范
- 格式:doc
- 大小:22.01 KB
- 文档页数:7
叉车驾驶员操作考试要求(精选合集)第一篇:叉车驾驶员操作考试要求叉车驾驶员操作考试要求一、操作流程根据图纸起步后直行,然后转弯,到取货区叉托盘(取货应连续)取货后转弯,直行到停车区,制动停车,然后倒车行驶转弯到放货区放下托盘,再倒退转弯,回到停车区。
二、操作规范1、起步时(1)打开电源锁(燃叉车)使发动机起动,达到正常运转,叉车才能起步。
(电瓶叉车电源接就能起步)(2)门架先后倾才起升,起升高度为300~500毫米(3)松开手刹车(4)看清道路或作业场所的状况,确定行驶方向,然后鸣号起步相结合2、行驶中(1)叉车的任何部位不能出线或碰标志杆(2)车辆不能突然熄火(3)行驶中转弯时要正确使用方向灯(4)行驶中不允许驾驶员的身体伸出车外(5)行驶中要正确使用制动器(6)到达指定位置要到位和位置正确3、叉取托盘(1)叉车不能停止状态取托盘(2)叉取托盘时,叉刺应正确的从插刺空中叉取,不能有碰撞,托盘不允许移动(3)托盘叉取后,应先后倾、再升高,高度300~500MM(4)叉取托盘时,托盘要贴近叉刺挂脚4放下托盘(1)放下托盘时,应先下降再前倾(2)托盘堆放整齐(3)不能压线(4)叉刺脱离叉刺孔时,托盘不能移动5叉车停放要求(1)叉车停放在停车区内应整齐(2)叉刺应先下降、再前倾,使叉刺贴地面上(3)各种操纵杆置于零位(4)抓紧手制动器(5)切断电源,拔去钥匙三.评分标准(一)下列情况,为操作不熟练,评为不及格,需补考1.启动后熄火和操作过程熄火。
2.叉车作业过程,叉车任何部分出线或碰到标志杆。
3.叉车在作业过程托盘着地。
4.操作过程错误。
5.叉车在作业过程中货物落地。
6.叉车叉取托盘出接线。
(二)起步时1.门架动作应先,再升高,违反者。
扣2分2.升起不在300~500毫米范围内。
扣2分3.手制动(没有松开,叉车)。
扣5分4.倒顺行驶开关或推杆无确定,叉车扣2分5.不注意通道和作业场地情况,叉车扣2分6.没有鸣号,叉车扣2分(三)行驶中1.急转时,不打方向灯。
叉车驾驶员实操考核标准及技术规范Document serial number【NL89WT-NY98YT-NC8CB-NNUUT-NUT108】叉车驾驶员实操考核标准及技术规范叉车驾驶员实操考试内容分两大项,桩考和路考。
桩考是使用规定的桩杆在预先设定尺寸标准的场地,按规定的行驶线路(包括规定的属具)行驶和操作,其目的是考核学员对车辆的安全操控能力。
路考是按照特定的行驶路径进行行驶操作,其目的是考核学员掌握和运用所学实操技术,掌握交通常识及对路面的适应能力和对事件的应变处理能力。
其中桩考又分成场内“8”字行驶考核和叉载“工”字行驶考核两项,每项均采用50分制和失误扣分的形式进行考试。
路考分为“合格”或“不及格”两种成绩,由考评员按考试标准和考核对象的实际操作情况,直接确定“合格”或“不及格”(目前暂不执行)。
一、桩考(一)场内“8”字行驶考核:考试线路图:见附图场地尺寸:A=2倍车宽+1200mmB=车长+500mmC=车宽+600mmD=车长+1000mmR=2倍轴距的长度+600mmr=轴距的长度+200mm行驶路线:采用空车行驶,叉车从车库驶出到达1,由1倒车至2(甲库),从2前进到3,由3倒车至4(乙库),从4前进到5走一次8字,经6行驶到7,由7倒车经5入走第二次8字,由6回至车库。
技术要求:1、车辆要求:叉车一般采用2吨或3吨叉车,结构、设备完整,技术状态良好,经广州市质量技术监督局检验合格,证照齐备。
2、场地要求;场地尺寸必须符合该车型尺寸参数,地面要平整坚实,没有障碍物,周围设置安全标线和标志,保证场地与设备为考试专用,场地内显眼地方悬挂安全操作规程、考场规定及候考区有遮阳挡雨设施等。
3、时间要求:4分钟内完成。
计时从叉车起步行驶开始至整个场内“8”字行驶考核完成,人离驾驶室时结束。
要求起步和结束时都要鸣号示意。
4、场地标线要求:用黄色油漆描画,线宽50mm。
5、场内标杆要求:桩头高度15厘米,杆孔直径40mm,采用考委会指定的扇形铸铁桩头,以保证标杆的稳定性和防止桩头被车轮挤压飞出伤人。
叉车工考核标准中的操作规程和规范叉车工作是物流运输中重要的一环,为了确保叉车工的安全和工作效率,在叉车工的考核标准中,操作规程和规范起着关键的作用。
本文将重点探讨叉车工考核标准中的操作规程和规范的重要性和内容。
一、操作规程的重要性操作规程是叉车工作的基础,它确保了叉车工的操作行为符合安全和效率的要求。
1.1 提高安全性叉车工作涉及到运送重物、上下货物等操作,如果没有明确的操作规程,就会增加意外事故的发生概率。
操作规程规定了叉车工的动作、速度、路线等,确保其操作动作稳定、准确,减少意外发生的风险。
1.2 提高工作效率操作规程规定了叉车工的操作步骤和规范,通过合理的方式进行货物搬运,可以提高工作效率。
规范的操作使叉车工可以更快速、更有效地完成任务,减少运输时间,提高整体物流效率。
二、操作规程的内容叉车工考核标准中的操作规程通常包括以下内容:2.1 安全操作要求首先,操作规程中要明确保证叉车工作安全的要求,比如提醒叉车工佩戴安全帽、安全带等个人防护用品,要求遵守交通规则和操作规范。
2.2 货物搬运规范操作规程还要规定叉车工在搬运货物过程中的操作规范,如提醒叉车工检查货物的重量和稳定性,注意货物的高度和尺寸,以及正确操作货叉等。
这些规范能够确保货物在运输过程中不受损坏,同时保障叉车工的操作安全。
2.3 叉车操作技巧操作规程也应该包含一些叉车操作的技巧和建议,以帮助叉车工更好地完成工作。
比如,提醒叉车工在行驶时保持稳定速度,避免急刹车、急转弯等动作,以减少货物的颠簸和倾倒风险。
三、规范的重要性规范是操作规程的基础,它对叉车工的行为和态度进行了相关要求和规范,具有以下重要性:3.1 提高职业素养规范要求叉车工遵守公司的工作纪律,保持良好的工作态度和职业道德。
对叉车工来说,守纪律、严格按照规范进行工作能够提高他们的职业素养,进一步提升自身的工作能力。
3.2 统一叉车操作标准规范的存在可以帮助不同叉车工保持操作的一致性,按照相同的标准进行工作。
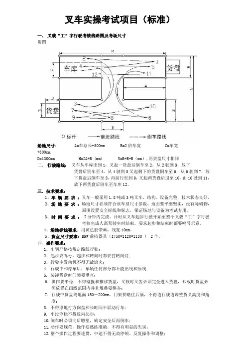
叉车实操考试项目(标准)一.叉载“工”字行驶考核线路图及考场尺寸附图场地尺寸:A=车总长+500mm B=2倍车宽 C=车宽+600mmD=1300mm M=2A+B (mm) N=B+B+B(mm),两货盘尺寸相同二.行驶路线:叉车从车库出到1,叉起一货盘后倒车至2,从2驶到3,放下货盘后倒车至4,从4驶到5叉起剩下的货盘倒车至6,从6驶到7,放下货盘后倒车至8,再前行至到9,叉起两货盘后退至10,由10驶到11,放下两货盘后倒车至车库12。
三.技术要求:1、车辆要求:叉车一般采用1.8吨或3吨叉车,结构、设备完整,技术状态良好。
2、场地要求:场地尺寸必须符合该车型尺寸参数,地面要平整坚实,没有障碍物,周围设置安全标线和标志,保证场地与设备为考试专用。
3、时间要求:7分钟内完成。
计时从叉车起步行驶开始至整个叉载“工”字行驶考核完成人离驾驶室时结束。
要求起步和结束时都要鸣号示意。
4、场地标线要求:用黄色胶带画,线宽10mm。
5、货盘尺寸要求:BMW前档器具(1750*1120*1130 ) 2个。
四.操作要求:1.车辆严格按规定路线行驶;2.起步要鸣号,起步和转向时都要打转向灯;3.行驶中发动机不得无故熄火;4.行驶中和停车后,车辆任何部分都不能出线和压线;5. 装卸货盘时门架要垂直;6. 操作要平稳,不得碰撞和推移货盘,叉载时叉齿必须完全进入货盘,卸载时货盘必须放置在画线范围内并且堆叠要整齐;7. 行驶中货盘离地面150-200mm,门架要略往后倾,不得边行驶边调整货叉高度和角度;8. 不得原地打方向盘和长时间半联动行车;9. 车没停稳不得反向起步;10.倒车时必须向后瞭望,确定安全后再倒车;11.动作要规范,操作要熟练准确,不得有明显的失误;12.整个操作过程要连贯,中途不得无故停顿、反复操作和调整;13.行驶中车轮不得频繁左摇右摆或车速过高造成单边车轮离地;14.行驶中双手不准同时离开方向盘;15.操作完成后,整车必须停在车库内,拉手刹,货叉水平落地,并鸣号示意;16.听从指挥,不得有违规违纪行为。
叉车工考核标准一、理论知识考核1.叉车工作原理:对叉车的结构、作用、工作原理及其性能特点有充分的了解。
2.安全操作规程:了解叉车的安全操作规程,包括起动、行驶、转向、举升、降低、停车等操作流程。
3.叉车检查维护:了解叉车的检查维护方法,包括叉车的日常维护、故障排除和日常保养等。
4.载重计算:了解叉车的载重计算方法和叉车各部件的负载限制。
二、实际操作考核1.起动和停车:能够熟练地进行叉车的起动和停车操作。
2.行驶和转向:能够熟练地进行叉车的行驶和转向操作,准确掌握叉车的行驶速度。
3.举升和降低:能够熟练地进行叉车的举升和降低操作,准确掌握叉车的举升高度和角度。
4.载重搬运:能够熟练地进行叉车的货物装卸和搬运操作,准确掌握叉车的搬运能力和操作要点。
5.特殊操作:能够熟练地进行叉车的特殊操作,如窄通道操作、高空作业等。
三、考核评分1.考核采取百分制评分,考核总分为100分,理论知识考核占40分,实际操作考核占60分。
其中,理论知识考核包括笔试和口试两部分,笔试占20分,口试占20分;实际操作考核按照不同的操作项目进行评分,每项操作评分标准为0-10分,总分为60分。
在进行考核时,应考虑以下几点:1.考核时应设定合理的考核项目和考核标准,确保考核的全面性和公正性。
2.叉车工应接受定期的培训和练习,以提高其操作技能和安全意识。
3.考核结果应及时反馈给叉车工,指出其存在的不足和问题,并制定相应的改进计划。
4.对于考核不合格的叉车工,应及时进行再培训和再考核,确保其操作技能和安全意识得到提高。
5.在日常工作中,企业应加强对叉车工的安全管理和监督,建立健全的安全管理制度和安全培训体系。
总之,科学的叉车工考核标准是保障叉车工安全、提高工作效率和质量的重要手段。
企业应根据实际情况制定相应的考核标准,并通过定期的培训和练习,提高叉车工的操作技能和安全意识,为企业的发展贡献力量。
叉车工操作考核标准作为叉车工,操作技能的熟练程度直接影响到工作安全和效率。
下面是叉车工操作考核标准。
一、叉车操作技能考核:1. 顺利启动和熟练驾驶叉车,包括前进、后退、转弯等动作;2. 熟练掌握叉车的变速、加速、减速等操作;3. 能够正确的使用叉车的扬升装置,包括叉子调整、叉子提升、叉子下降等;4. 能够准确和稳定的将货物装卸到指定位置,包括顶升货物、旋转货物等操作;5. 灵活运用叉车的装载能力,根据不同的货物进行合理的装载和卸载;6. 能够掌握叉车的倾斜和平衡能力,确保货物在移动过程中不掉落和损坏;7. 能够安全驾驶叉车在窄小的通道、狭窄的空间和拥挤的场地中操作;8. 能够正确使用叉车的制动装置,保证在转弯和停车时的稳定;9. 能够熟练使用各类操作手柄、按钮和控制杆,对叉车的各项功能进行操作和控制;10. 具备良好的反应速度和手眼协调能力,能够迅速应对突发情况和避免事故发生。
二、安全操作考核:1. 熟练掌握叉车的安全使用规程和操作流程,并能够正确执行;2. 能够正确判断货物的重量和稳定性,确保在搬运过程中不产生倾斜和滑落的情况;3. 在装卸货物过程中能够遵守安全操作规范,如不超速行驶、不急刹车、不急转弯等;4. 能够合理和准确的调整叉车的高度和角度,以避免与货物或设备发生碰撞;5. 能够遵守工作现场的交通指示和安全标识,确保行驶方向和运输路线的安全;6. 能够正确并及时报告和处理发现的安全隐患和故障;7. 能够严格遵守叉车的停放规定,确保安全停放并进行正确的刹车操作;8. 能够妥善保管和使用个人防护用品,如安全帽、安全鞋等。
三、维护保养考核:1. 能够熟练操作叉车的日常维护和保养工作,包括清洁、润滑、灯光检查等;2. 能够及时发现和排除叉车的故障和问题,如漏油、异响等;3. 能够定期检查和维护叉车的关键部件,如液压系统、电池系统等;4. 能够正确使用和保管叉车的维修工具和设备;5. 能够配合和参与叉车的定期检修和保养工作。
叉车工实操考试细则
一、试题名称:叉车实操考试采作设桩和划线相结合的方法进行
二、考试用车:
三、考试时间:
1、准备时间:2分钟;
2、正式操作时间:4分钟完成
四、试题技术说明:
1、监考人员发出指令后,考生将叉车从停车的库中开出,行驶至考场右侧。
2、倒车行驶至甲库
3、由甲库行驶至考场左侧
4、倒车行驶至乙库
5、将车由乙库开出,倒至停车库中。
五、操作技术要求:
1、上车后要首先检查设备的安全装置是否完好,。
2、要严格按叉车工安全技术操作规程操作,确保安全。
3、操作中要做到规范,避免碰杆、倒杆现象出现。
4、在操作中起步必须鸣笛,转向必须打转向灯,停车时必须使用手制动。
5、操作过程必须是连贯的,行驶途中不允许停车。
六、考试评分:
实操考试得分由现场实际操作、现场问答两部分组成,其中倒库占70分,现场问答占30分,共计满分为100分,合计得分70分为合格;
七、监考
实操考试共设监考人员三人:一人负责计时并记录,一人负责现场、一人负责理论答辨。
附:实操考核记录表
叉车实操考试路线示意图
特种设备作业人员实操考核记录表
(叉车司机)
注:1斜线的左上方填写成绩,右下方填写补考成绩。
2、驾驶技术共70分、
答辩共30分,共100分,70分为合格。
叉车实操示意图。
叉车实操考试项目(标准)叉载“工”字行驶考核线路图及考场尺寸+600mmD=1300mm M=2A+B (mm) N=B+B+B( mr),两货盘尺寸相同二.行驶路线:叉车从车库出到1,叉起一货盘后倒车至2,从2驶到3,放下货盘后倒车至4,从4驶到5叉起剩下的货盘倒车至6,从6驶到7,放下货盘后倒车至8,再前行至到9,叉起两货盘后退至10,由10驶到11, 放下两货盘后倒车至车库12。
三•技术要求:1、车辆要求:叉车一般采用1.8吨或3吨叉车,结构、设备完整,技术状态良好。
2、场地要求:场地尺寸必须符合该车型尺寸参数,地面要平整坚实,没有障碍物,周围设置安全标线和标志,保证场地与设备为考试专用。
3、时间要求:7分钟内完成。
计时从叉车起步行驶开始至整个叉载“工”字行驶考核完成人离驾驶室时结束。
要求起步和结束时都要鸣号示意。
4、场地标线要求:用黄色胶带画,线宽10mm5、货盘尺寸要求:BMW前档器具(1750*1120*1130 ) 2个。
四.操作要求:1 •车辆严格按规定路线行驶;2•起步要鸣号,起步和转向时都要打转向灯;3•行驶中发动机不得无故熄火;4•行驶中和停车后,车辆任何部分都不能出线和压线;5.装卸货盘时门架要垂直;6.操作要平稳,不得碰撞和推移货盘,叉载时叉齿必须完全进入货盘,卸载时货盘必须放置在画线范围内并且堆叠要整齐;7.行驶中货盘离地面150 - 200mm门架要略往后倾,不得边行驶边调整货叉高度和角度;8.不得原地打方向盘和长时间半联动行车;9.车没停稳不得反向起步;10.倒车时必须向后瞭望,确定安全后再倒车;11.动作要规范,操作要熟练准确,不得有明显的失误;12.整个操作过程要连贯,中途不得无故停顿、反复操作和调整;13.行驶中车轮不得频繁左摇右摆或车速过高造成单边车轮离地;14.行驶中双手不准同时离开方向盘;15.操作完成后,整车必须停在车库内,拉手刹,货叉水平落地,并鸣号示意;16.听从指挥,不得有违规违纪行为。
叉车工考核中的操作规范要求叉车工是在物流行业中必不可少的关键角色,他们的操作技术和规范要求直接关系到货物的安全和效率。
为确保叉车工的操作达到标准化和规范化,以下是叉车工考核中的操作规范要求。
一、安全意识和准备工作作为叉车工,首先要具备高度的安全意识。
在开展任何操作之前,必须进行必要的准备工作,包括佩戴个人防护装备、检查叉车的工作状况和安全装置是否完好,确保周围环境的安全等。
二、叉车操作技术1. 上下车安全操作叉车工在上下车时应注意操作规范,首先,驾驶员应正确使用扶梯或车辆侧面的把手,保持身体平衡。
其次,在上下车时,应确保车辆停稳并拉上手刹。
最后,叉车工应注意不要奋力往上或往下跳跃,确保安全。
2. 载重和叉车高度控制叉车工在装载和卸载过程中,应根据叉车的额定载重量合理安排货物的位置和重量。
同时,应注意控制叉车的高度,确保不会碰撞到天花板、货架或其他障碍物。
3. 行驶和转弯操作叉车工在行驶过程中,应按照指定的车辆行驶路线行进,并且要保持适当的车距。
在转弯时,叉车工应减速并确保周围没有行人或其他障碍物,以防止碰撞和事故的发生。
4. 驾驶员姿势和视线叉车工应保持正确的姿势坐在驾驶座上,双手牢牢握住方向盘。
此外,叉车工必须保持清晰的视线,适当调整座椅、反光镜和车辆仪表板,确保能够清楚地看到车辆周围和前方的情况。
5. 与他人的合作和沟通在操作叉车时,叉车工应与其他工作人员和指导员保持良好的合作和沟通。
及时与指导员沟通工作计划和操作需求,确保工作的顺利进行,并注意与其他人员保持安全距离,避免事故的发生。
三、维护和保养作为叉车工,维护和保养叉车是一项极为重要的任务。
以下是几个常见的维护和保养规范要求:1. 定期检查叉车的机械部件、刹车系统、照明设备等,确保其正常运转。
2. 检查并清洁叉车的机油、液压油和冷却剂,确保其在适当的水平和质量。
3. 按照指定的时间和要求更换叉车的滤清器、刷子和其他易损件。
4. 定期对叉车进行维修和保养,消除潜在的故障问题,确保叉车的安全性和可靠性。
叉车司机实操考试评分细则目录-场地评分细则 (1)1、启动前,未检查车辆状态 (1)2、起步前,未鸣号 (1)3、起步时,未松开驻车制动 (1)4、起步不平稳 (1)5、原地打方向 (1)6、换挡不规范 (1)7、离合器使用不规范 (1)8、货叉拖地运行 (2)9、货叉未后倾 (2)10、货叉离地超出0.2m-0.3m范围 (2)11、货叉进出堆垛物件时,堆垛物件移动大于0.2m (2)12、堆垛拆垛时还手(即货叉插入堆垛物件时,位置不对,车辆倒退后重新插入) (2)13、货叉起升时,货叉未完全插入堆垛物件或者货物重心不稳..214、门架未按顺序动作 (3)15、堆垛物件摆放不到位 (3)16、停车压线 (3)17、操作杆未复位 (3)18、货叉未落地 (3)19、未拉紧驻车制动 (3)20、未切断电源 (4)22、操作超时 (4)23、考生身体探出车身外 (4)24、考生离开座位 (4)25、熄火1次 (4)26、行车制动使用不当 (5)27、擦桩或压线 (5)28、未按照要求完成规定项目 (5)29、中途熄火2次以上(含2次) (5)31、碰倒桩杆 (5)32、轮胎整体出线 (5)33、未按规定路线行驶(堆垛拆垛时还手除外) (6)34、冲撞货架 (6)35、因观察、操作或操作不当出现危险情况 (6)36、堆垛物件掉落 (6)二、场内道路评分细则 (8)1、启动前,未检查车辆状态 (8)2、起步前,不鸣号,不打方向灯 (8)3、起步时,未松开驻车制动 (8)4、起步不平稳 (8)5、换挡不规范 (8)6、离合器使用不规范 (8)7、方向灯使用不规范 (9)8、行车制动使用不规范 (9)9、调头、转向时,打急舵 (9)10、熄火一次 (9)Ih货叉拖地行驶 (9)12、货叉未后倾 (9)13、货叉离地O.211ΓO.3m范围 (9)14、坡道停车时,距离停车线误差大于0.2m (10)15、坡道起步时,溜车大于0.2m,但不大于0.5m (10)16、操作杆未复位 (10)17、未切断电源 (10)18、未拉紧驻车制动 (10)19、货叉未落地 (10)20、未按照考评员或考试系统的指示完成项目 (11)21、熄火2次以上(含2次) (11)23、违反厂区内道路行驶规定 (11)24、坡道起步时,溜车大于起5m (11)25、紧急情况处理不当 (11)一、场地评分细则1、启动前,未检查车辆状态考生人脸识别成功后,才允许正式开始考试,在叉车移动前,未绕叉车一周检查车辆状态,扣2分。
叉车工考核标准
1. 安全操作
-叉车设备检查:确保在作业前对叉车进行日常维护与安全检查,包括刹车系统、转向系统、照明设备、警示装置等。
-安全规程遵守:严格执行公司及行业规定的叉车安全操作规程,如佩戴安全帽、反光背心,不超速、不违章载人等。
-应急处理能力:在模拟或实际紧急情况下展示正确的应急响应和故障排除技巧。
2. 技术熟练度
-实操考核:完成规定的实操项目,如起步、行驶、搬运货物、堆垛、卸载等,并在限定时间内按照规定路线(例如“工”字形或8字形行驶)完成操作。
-精准操控:考核驾驶时的精准度,如叉取货物的平稳性和准确性,以及在狭小空间内操作的能力。
3. 理论知识
-规章制度:熟悉并理解国家及地方关于特种设备操作的相关法律法规和企业内部规章制度。
-技术理论:掌握叉车的工作原理、构造、性能参数、保养维修等基础知识。
4. 工作职责履行
-工作效率:根据工作任务量和个人完成情况评估工作效率。
-责任心与纪律性:是否按时按质完成任务,是否未经许可擅自教他人驾驶叉车,是否遵守严禁无证人员驾驶叉车的规定等。
5. 正向激励与通用考核
-团队协作:与同事沟通配合的能力,以及在团队中的表现。
-服务质量:对待工作的态度、服务意识及客户反馈评价。
-公司通用考核指标:迟到早退、出勤率、工作态度等其他符合公司文化与政策的通用考核标准。
6. 持续学习与培训
-定期参加复训,保持操作证书的有效性。
-接受新知识新技术的学习与应用。
具体的考核标准可能因不同企业和行业的具体要求而有所差异,但以上所述内容是一般情况下制定叉车工考核制度会考虑的主要方面。
叉车工考核标准中的操作规范和操作纪律要求叉车工作为一项关乎安全和效率的工作,其操作规范和操作纪律要求尤为重要。
本文将以叉车工考核标准为主线,探讨叉车工作的操作规范和操作纪律要求,以确保叉车工作的安全和顺利进行。
一、操作规范要求1. 装载和卸载物品的规范叉车操作过程中,装载和卸载物品是其中最重要的环节。
叉车工应准确判断物品的重量和形状,并选择合适的方式进行装载和卸载。
在装载过程中,要确保物品稳妥地放置在叉车货叉上,避免物品滑落或破损。
在卸载过程中,要注意避免物品倾斜或者堆放不整,以免造成伤害或者物品损坏。
2. 行驶和转向的规范叉车在行驶和转向时需要遵守一定的规范。
首先,在行驶时应注意车速的控制,根据道路状况和行车环境选择适当的速度,避免过快或过慢。
其次,在转向时应提前给予信号,并且确保转弯过程平稳,避免急转或者过度转向。
此外,叉车在行驶和转向时还应注意避让行人和其他车辆,确保交通安全。
3. 叉车维护和保养的规范叉车的维护和保养对于其正常运行和工作效率的维持至关重要。
叉车工应按照指定的维护周期对叉车进行检查和保养,包括润滑、燃油检查、电池充电等。
同时,发现故障或异常情况时要及时报告,并进行必要的维修和更换,以确保叉车的正常运行和使用安全。
二、操作纪律要求1. 服从指挥和报告工作叉车工在工作中应服从上级的指挥和安排,按照安排的任务进行操作。
如果在操作过程中发现问题或者需要临时更改工作计划,应及时向上级报告。
同时,还应与其他工作人员进行良好的沟通和协调,确保工作的连续性和高效性。
2. 严格遵守安全操作规程叉车工需要严格遵守安全操作规程,包括佩戴安全帽和安全鞋、使用安全带等。
在操作过程中,要确保车辆稳定,不得超载行驶,不得在没有指定的区域行驶等。
另外,要注意操作中的人身安全和货物安全,避免发生碰撞、滑落等意外事故。
3. 秩序井然的操作环境叉车工作环境的整洁和秩序对于操作的顺利进行至关重要。
叉车工应保持操作环境的清洁和有序,避免杂物和障碍物的堆放,保持行车道和货物堆放区畅通。
叉车工考核标准
以下是叉车工考核标准,可供参考:
1. 理论知识考核:包括叉车的基本结构、原理、操作方法、安全注意事项等。
2. 实际操作考核:考核叉车工对于叉车的操作技能,包括起吊、放下、转弯、倒车等。
3. 安全意识考核:考核叉车工对于操作过程中的安全注意事项的掌握和执行情况,包括货物的稳定性、操作区域的安全性等。
4. 工作效率考核:考核叉车工的工作效率,包括操作速度、货物的起吊高度、货物的摆放位置等。
希望以上信息能帮助您解决问题。
如果还有其他问题,请随时告诉我。
叉车工考核标准的关键指标与技术要求随着物流行业的快速发展,叉车作为一种重要的搬运设备在仓储和物流运输中起着至关重要的作用。
为了确保叉车工的操作安全和效率,制定一套科学合理的叉车工考核标准是必要的。
本文将介绍叉车工考核的关键指标和技术要求。
一、关键指标1. 安全操作指标安全是叉车工作中最重要的要求之一。
叉车工必须具备良好的安全意识,并能够正确操作叉车以确保人员和货物的安全。
关键指标包括:- 遵守交通规则,如低速行驶、靠右行驶等;- 使用安全设备,如安全带、防护网等;- 注意观察,避免行人和障碍物;- 熟悉应急预案和事故处理程序。
2. 操作技术指标叉车工的操作技术对工作效率和货物安全至关重要。
关键指标包括:- 熟练掌握叉车的基本操作,如起升、下降、转向等;- 熟悉各类货物的操作方法和规范;- 灵活运用叉车的各项功能,如平衡性、转弯半径等;- 能够准确定位和堆放货物,避免损坏和滑落;- 善于运用叉车的各种辅助工具,如夹具、吊具等。
3. 故障排除指标叉车在使用中难免会遇到各种故障,叉车工必须具备一定的故障排除能力。
关键指标包括:- 能够快速判断故障类型和程度;- 熟悉叉车的常见故障及解决方法;- 能够独立完成常见故障的维修和维护;- 了解叉车的保养知识和预防措施。
二、技术要求1. 知识要求叉车工必须具备一定的专业知识,包括:- 熟悉叉车的结构和工作原理;- 理解叉车的操作规范和安全要求;- 了解货物的特性和运输要求。
2. 技能要求叉车工必须具备一定的操作技能,包括:- 熟练掌握叉车的操作方法和技巧;- 灵活运用叉车的各项功能;- 具备一定的货物堆放和搬运能力。
3. 能力要求叉车工必须具备一定的工作能力,包括:- 具备良好的观察力和判断力;- 具备应变能力和解决问题的能力;- 具备团队合作精神和沟通能力。
三、总结叉车工是物流行业中不可或缺的一环,他们的工作直接关系到整个物流运作的顺畅与安全。
为了确保叉车工能够胜任工作,对其考核标准和技术要求必须明确并符合实际需求。
The world is always unpredictable, and a person's fate often changes in an instant.简单易用轻享办公(WORD文档/A4打印/可编辑/页眉可删)叉车工考核制度1. 没有厂部的安排,叉车司机不准擅自教别人驾驶叉车.未经工厂领导同意其他人不准驾驶叉车,如有违反每次罚款50元。
2. 启动驾驶前未能认真检查车况,造成启动后故障。
每次罚款30元。
3. 在启动驾驶时,严格按照叉车安全管理制度,进行驾驶及操作。
如违反造成叉车故障,按故障原因及故障大小进行处罚10-200元。
4. 在行驶中严格按照“右上左下”方向行驶。
叉车转弯和出入门口应减速慢行并响喇叭。
驾驶时必须集中精神,不可麻痹大意。
驶时货叉应距地面200-300mm,在行进中不允许升高或降低货物,不得急刹车和高速转弯。
遵守工厂限速规定,车速不得超过10km/h;严禁高速行车, 以保证安全。
在十字路口或其它看不见的地方,请减速慢行,并鸣喇叭;在潮湿、不平的地面行驶及转弯时必须减速;避免急转弯,避免在不牢固的物体表面行驶。
叉车出入门口应注意构筑物的高度,不得盲目驶入或驶出。
行车时,叉车司机身边不得坐人,更不能用来运人,或进行其它与叉车作业无关的工作。
停车离人必须熄火,人走拔钥匙;如违反以上驾驶规程每次罚款50元。
注:此考核办法即日起开始实施,如有违反相关部门做通报罚款处理。
生产办20__年4月9日叉车工工资考核办法为加强叉车装卸工作的管理,减少货物破损,提高工作效率,调动叉车工的工作积极性,经研究,对叉车工工资制定以下考核办法:一、叉车工工作职责1.负责全公司货物的转运;2.负责所有集装箱货物的装柜;3.所有叉车的日常保养和管理;二、工资待遇1.叉车工(有叉车操作证)月基本工资2500元;2.叉车工月考核工资500元∕人,由生产部、质检部考核后进行发放;3.装柜补贴为10元∕柜,每月根据生产部考核数量并制表发放;三、考核办法1.工作时间内严禁喝酒,发现一次取消当月考核工资;2.工伤任务不完成,当班人员不得离岗,违反一次扣其考核工资50元;3.在工作时间内由于未按岗位要求做好本职工作的,如因野蛮装卸、操作失误及操作不当而造成设备、产品或车辆受损,造成经济损失的,损失金额500元以内的由责任人承担,超出部分按50%比例赔偿,并取消当月考核工资;4.不得以粗俗语言对待客户和公司员工,不得发生争吵和斗殴,发现一次扣其考核工资50元;5.不准向客户索取金钱物品或变相收取报酬获得利益的行为,发现一次扣其考核工资200元;6.每天工作前,叉车工要做好首检记录,查出故障及时报修,对未做首检的叉车工一次扣50元。
叉车驾驶员实操考核标准及技术规范
欧阳光明(2021.03.07)
叉车驾驶员实操考试内容分两大项,桩考和路考。
桩考是使用规定的桩杆在预先设定尺寸标准的场地,按规定的行驶线路(包括规定的属具)行驶和操作,其目的是考核学员对车辆的安全操控能力。
路考是按照特定的行驶路径进行行驶操作,其目的是考核学员掌握和运用所学实操技术,掌握交通常识及对路面的适应能力和对事件的应变处理能力。
其中桩考又分成场内“8”字行驶考核和叉载“工”字行驶考核两项,每项均采用50分制和失误扣分的形式进行考试。
路考分为“合格”或“不及格”两种成绩,由考评员按考试标准和考核对象的实际操作情况,直接确定“合格”或“不及格”(目前暂不执行)。
一、桩考
(一)场内“8”字行驶考核:
考试线路图:见附图
场地尺寸:A=2倍车宽+1200 mm B=车长+500 mm
C=车宽+600 mm D=车长+1000 mm
R=2倍轴距的长度+600mm r=轴距的长度+200 mm
行驶路线:采用空车行驶,叉车从车库驶出到达1,由1倒车至2(甲库),从2前进到3,由3倒车至4(乙库),从4前进到5走一次8字,经6行驶到7,由7倒车经5入走第二次8字,由6回至车库。
技术要求:
1、车辆要求:叉车一般采用2吨或3吨叉车,结构、设备完整,技
术状态良好,经广州市质量技术监督局检验合格,证照齐备。
2、场地要求;场地尺寸必须符合该车型尺寸参数,地面要平整坚实,
没有障碍物,周围设置安全标线和标志,保证场地与设备为考试专用,场地内显眼地方悬挂安全操作规程、考场规定及候考区有遮阳挡雨设施等。
3、时间要求:4分钟内完成。
计时从叉车起步行驶开始至整个场内“8”
字行驶考核完成,人离驾驶室时结束。
要求起步和结束时都要鸣号示意。
4、场地标线要求:用黄色油漆描画,线宽50mm。
5、场内标杆要求:桩头高度15厘米,杆孔直径40mm,采用考委会
指定的扇形铸铁桩头,以保证标杆的稳定性和防止桩头被车轮挤压飞出伤人。
标杆高度1500mm,采用红白相间,间距300mm。
6、操作要求:
(1)叉车货叉全开,空车行驶。
(2)严格按规定路线行驶;
(3)起步要鸣号,起步与转向时都要打转向灯(8字行驶除外);(4)行驶中不准碰桩,发动机不得无故熄火;
(5)行驶中和停车后,车辆任何部分都不能出线和压线;
(6)车没停稳不得反向起步;
(7)倒车时必须向后瞭望,确定安全后再倒车;
(8)行驶中货叉离地面200—300mm,门架要略往后倾,不得边行驶边调整货叉高度和角度;
(9)不得原地打方向盘和长时间半联动行车;
(10)动作要规范,操作要熟练准确,不得有明显的失误;
(11)整个操作过程要连贯,中途不得无故停顿、反复操作和调整;(12)行驶中车轮不得频繁左摇右摆或转弯时车速过高;
(13)行驶中双手不准同时离开方向盘;
(14)操作完成后,整车必须停在车库内,拉手刹,挂空档,货叉水平落地,并鸣号示意;
(15)听从指挥,不得有违规违纪行为。
7、考评要求:考评员要熟悉评分标准,严格按照考核评分表中的评
分项目进行评分。
个别项目由于包含的内容很多,如考核细则中“动作不规范或操作不熟练”一项,考评时要把握好评分尺度,因为驾驶操作要领中对头、眼、颈、身体、手、腿、脚等部位都有具体要求:又如多次挂不入档、行驶中方向两边摆、车速控制不稳、起步后溜等等,属于操作不熟练,考评时注意力一定要集中,做到公平公正,准确评分。
8、场内8字行驶考试有二次机会,第一次不合格,可进行第二次,
但第二次重考的次序由考评员根据考生的实际情况来确定。
(二)叉载“工”字行驶考核
考核线路图:见附图
场地尺寸:A=车总长+500mm B=2倍车宽C=车宽+600mm
D=1300mm M=2A+B (mm) N=B+B+B(mm),两货盘尺寸相同
行驶路线:叉车从车库出到1,叉起一货盘后倒车至2,从2驶到3,放下货盘后倒车至4,从4驶到5叉起剩下的货盘倒车至6,从6驶到7,放下货盘后倒车至8,再前行至到9,叉起两货盘后退至10,由10驶到11,放下两货盘后倒车至车库12。
技术要求:
1、车辆要求;叉车一般采用2吨或3吨叉车,结构、设备完整,技
术状态良好,经广州市质量技术监督局检验合格,证照齐备。
2、场地要求;场地尺寸必须符合该车型尺寸参数,地面要平整坚实,
没有障碍物,周围设置安全标线和标志,保证场地与设备为考试专用,场地内显眼地方悬挂安全操作规程、考场纪律及候考区有遮阳挡雨设施等。
3、时间要求:5分钟内完成。
计时从叉车起步行驶开始至整个叉载
“工”字行驶考核完成人离驾驶室时结束。
要求起步和结束时都要鸣号示意。
4、场地标线要求:用黄色油漆描画,线宽50mm。
5、场内标杆要求:与场内8字行驶考核相同。
6、货盘尺寸要求:叉板共二件,每件尺寸为长×宽×高(内孔)=
1100×1100×100mm,上下面板用10mm,侧板和中间隔板用15mm 钢板焊接而成。
7、操作要求:(1)车辆严格按规定路线行驶;
(2)起步要鸣号,起步和转向时都要打转向灯;
(3)行驶中不准碰桩,发动机不得无故熄火;
(4)行驶中和停车后,车辆任何部分都不能出线和压线;
(5)装卸货盘时门架要垂直,拉手刹,挂空档;
(6)操作要平稳,不得碰撞和推移货盘,叉载时叉齿必须完全进入货盘,卸载时货盘必须放置在画线范围内并且堆叠要整齐;
(7)行驶中货盘离地面200-300mm,门架要略往后倾,
不得边行驶边调整货叉高度和角度;(8)不得原地打方向
盘和长时间半联动行车;
(9)车没停稳不得反向起步;
(10)倒车时必须向后瞭望,确定安全后再倒车;
(11)动作要规范,操作要熟练准确,不得有明显的失误;
(12)整个操作过程要连贯,中途不得无故停顿、反复操
作和调整;
(13)行驶中车轮不得频繁左摇右摆或车速过高造成单边
车轮离地;
(14)行驶中双手不准同时离开方向盘;
(15)操作完成后,整车必须停在车库内,挂空档,拉手
刹,货叉水平落地,并鸣号示意;(16)听从指挥,不得
有违规违纪行为。
8、考评要求:考评员要熟悉评分标准,严格按照考核评分表中的评
分项目进行评分。
个别项目由于包含的内容很多,如考核细则中“动作不规范或操作不熟练”一项,考评时要把握好评分尺度,因
为驾驶操作要领中对头、眼、颈、身体、手、腿、脚等部位都有规范要求,考评时要把握尺度;对多次挂不入档、行驶中方向频繁两边摆、车速控制不稳、起步后溜等等,判为操作不熟练。
考评时注意力一定要集中,做到公平公正,准确评分。
9、叉载“工”字行驶考试有二次机会,第一次不合格,可进行第二次
操作。
注:场内“8”字行驶,叉载“工”字行驶具体评分操作参考《叉车驾驶实操考核评分表》
二、路考(暂不执行)
l 考核要求:
时间设置:3~4分钟(行驶里程约1000m)。
道路设置:行驶路线必须具有:
(1)8% ≤ 坡度≤ 20%;
(2)十字路口;
(3)不平路段;
(4)障碍路段;
(5)车辆掉头路段。
考试内容:斜坡起步;换档变速;上坡和下坡;十字路口左转弯;不平路段行驶;狭窄路段调头;定点停车;交通标志的识别。
(须叉载行驶)
考核评定:分合格与不合格两种。
有下列情况之一的为不及格
1、起步不打转向灯或发生间歇前冲、剧烈跳动的。
2、坡道起步后退的。
3、不能正确掌握方向,使车辆驶出路外或发生“划龙”行驶;一手换
挡一手不能有效掌握方向盘;转弯角度过大使车辆偏离道路中心线行驶的。
4、原地打方向;用半联动加大油门控制车速的。
5、未按换挡顺序越级换档;挂不进档位或挂挡时发生严重齿轮碰击
响声;入错挡位的。
6、不能根据路面、交通、载荷等情况合理运用动力和掌握换档时机
正确控制车速的。
7、行至障碍路段、因操作不当使车辆无法行驶的。
8、停车不正或停在路中或停车过急的。
9、发动机中途熄火的。
10、狭窄路段调头不能三前两后完成的。
11、转弯时,不会使用转向灯或不会通过倒后镜观察车后事物的。
12、倒车没有向后瞭望的。
13、会车地点选择不正确,使双方无法行车。
14、不懂交通标志或违反交通规则的。
15、违反驾驶安全操作规程的。
16、安全意识差,预见性差,缺乏应变能力的。
17、不听从交通管理人员指挥或发生行车事故的。