水箱配件检验标准
- 格式:doc
- 大小:72.00 KB
- 文档页数:3
一、技术指标(包括执行规范和标准)该水箱经国家有关部门检测,水箱符合GB/T17219-98《生活饮用水输配水设备及防护材料的安全性评价规范》要求,水质符合国家《生活饮用水标准》(GB5749-85)。
广泛适用于工矿、企事业单位、住宅、宾馆、饭店等建筑,作为生活饮用水、中水处理、消防用水及其他用水储水设施。
水箱按标准设计,特殊水箱需要专门设计。
可根据用户需要组装0.125-1500立方米的水箱。
若原有水箱需要更换,不需要改造房屋,适应性很强。
专门研制的定型产品密封带,该密封带无毒、耐水、弹性大、永久变型小,紧固密封。
水箱整体强度高,无渗漏,无变形,保养、检修方便。
二、技术方案(包括使用环境和工作条件)1使用条件(1)市政自来水加防腐阻垢剂或软化水(2)进水压力:市政水压(3)进水温度:10-30℃2 现场制作,钢板的厚度及制作方法见03R402-2《开式水箱》,安装根据图纸、工艺要求施工。
3安装时将浮球阀置于人孔附近的利于检修处,水箱进出、水管、排污管的连接位置可根据现场的实际情况进行调整。
4现场制作的水箱,盛水试验合格后,应将水箱内外除锈,再打磨焊缝表面,施工安装完毕,按照规定做好相关收尾工作,满足采招标人投产使用要求。
5 质量保证5.1 我公司有可操作的质量保证程序及相应的文件,并在生产本规范书中的产品时能严格执行质量程序文件。
5.2 我公司在制造过程中,对设备的材料、联接、组装、工艺、整体及功能进行试验和检验,以保证完全符合本规范书和确认的设计图纸的要求。
5.3 贵方有权在合同执行期间内的任何时候,对设备的质量管理情况,包括设备试验的记录进行检查。
如果贵方认为有必要,可以在产品生产过程中住厂监造,我方将在工作和生活上提供一切方便。
5.4 为了确保产品质量,供货范围内的所有配套产品的生产厂家和分承包商的资格原则上可经贵方和设计院确认后再采用。
5.5 在产品监造、检验和验收过程中,如发现任何不符合本规范书要求的产品或配件,我公司都可以返修或更换,直至符合规定要求。
不锈钢焊接水箱验收标准不锈钢焊接水箱是一种常见的水质储存设备,其具有耐腐蚀、耐高温、密封性好等特点,被广泛应用于工业、农业和民用领域。
为了确保不锈钢焊接水箱的质量和安全性,需要遵循一定的验收标准。
首先,在验收不锈钢焊接水箱时,应对外观进行检查。
外观应平整、无严重变形和变色,焊缝应平整紧密,无焊缝裂纹和明显氧化现象。
水箱表面应平滑,无明显划痕和凹陷。
检查水箱的法兰、接口和阀门的安装是否牢固,有无漏水和渗漏现象。
其次,验收不锈钢焊接水箱时需要进行压力测试。
在测试前,应清理水箱内部,确保无异物和杂质。
压力测试时,锁紧水箱的进水和排水接口,并加水至正常使用水位。
然后,启动水泵将水箱内的水压提升至设计压力,并保持一段时间。
期间需检查水箱及其连接件是否有漏水和渗漏现象。
除此之外,还需要对不锈钢焊接水箱进行水质检测。
水质检测应包括总硬度、pH值、微生物指标和重金属等重要指标的测试。
测试结果应符合相关标准和规定。
在验收不锈钢焊接水箱时,还应对防腐层进行检验。
防腐层是保护水箱不受腐蚀和氧化的重要层,因此其质量必须符合标准。
防腐层应平整、无气泡和剥落现象。
验收时可以进行划刻测试,即使用尖锐物品划过防腐层,检查是否容易剥落。
此外,不锈钢焊接水箱的安装也是验收的重要环节。
安装时需遵循相关规范和要求,确保水箱的稳固性和密封性。
水箱的基础支架应平整、牢固,连接件应紧固可靠。
对于大型水箱,还要考虑环境因素,如地震、风载等。
总之,不锈钢焊接水箱的验收标准是确保其质量和安全性的重要保障。
在验收过程中,要全面检查外观、进行压力测试、水质检测和防腐层检验,并遵循规范要求进行安装。
通过严格的验收,确保不锈钢焊接水箱的质量达到要求,可以提高其使用寿命和可靠性。
玻璃钢水箱国家标准玻璃钢水箱是一种常用的储水设备,广泛应用于建筑、工业、农业等领域。
为了规范玻璃钢水箱的生产和使用,国家颁布了相关的标准,以确保其质量和安全性能。
本文将对玻璃钢水箱国家标准进行介绍和解读,希望能对相关行业提供参考和指导。
首先,玻璃钢水箱国家标准主要包括了产品的技术要求、试验方法、质量评定、标志、包装、运输和储存等内容。
在技术要求方面,标准规定了玻璃钢水箱的材料、结构、尺寸、设计压力、密封性能、耐久性等方面的要求,以保证其在使用过程中能够稳定可靠地运行。
同时,标准还对玻璃钢水箱的试验方法进行了详细的描述,包括外观检查、尺寸测量、压力试验、密封性能试验等,以确保产品符合规定的要求。
其次,玻璃钢水箱国家标准对产品的质量评定和标志也做出了规定。
在质量评定方面,标准要求对玻璃钢水箱进行出厂检验和定期检验,以保证产品质量稳定。
同时,标准还规定了产品标志的内容和形式,包括产品名称、型号、生产厂家、生产日期等信息,以便用户进行识别和查询。
此外,玻璃钢水箱国家标准还对产品的包装、运输和储存提出了要求。
标准规定了玻璃钢水箱在包装时应具备的防护措施,以及在运输和储存过程中需要注意的事项,以确保产品在整个供应链中不受损坏,保持良好的状态。
总的来说,玻璃钢水箱国家标准的制定对于规范产品生产和使用具有重要意义。
遵循标准要求,不仅可以保证产品质量和安全性能,还可以促进行业的健康发展。
因此,生产厂家和用户都应该严格遵守相关标准,共同维护行业的良好秩序。
综上所述,玻璃钢水箱国家标准的制定对于行业发展具有重要意义,希望相关企业和用户能够认真遵守,共同推动玻璃钢水箱行业的健康发展。
同时,也希望标准化工作能够不断完善,以适应行业发展的需要,为产品质量和安全提供更加有力的保障。
不锈钢水箱技术要求1、水箱的设计制造、安装、调试必须满足最新版的国家标准,及相应规范,同时必须满足有关安全、环保及其他方面最新版的国家强制性标准、规程。
投标方应提供设计制造的规范、规程、标准等清单,并指明规范使用部位及依据。
2、软化水水质:浊度(NTU):≤5;硬度(mmol/L):≤0.60;溶解氧(mg/L):≤0.1;油(mg/L):≤2.0;氯离子(mg/L):≤25.0;pH(25℃):7.0—11.0;3、规程、规范和标准水箱的设计、制造、包装、运输、储存、验收应遵照下列标准及其它有关中国国家标准和规范:《二次供水工程技术规程》CJJ140-2010;《生活饮用水卫生标准》GB5749-2006《不锈钢冷轧钢板和钢带》GB/T3280-2007《不锈钢丝》GB/T4242-2009《表面光洁度标准》GB/T1031-2009《流体输送用不锈钢无缝钢管》GB/T14976-2012《钢制管法兰形式、参数》HG/T20592-2009《钢制压力容器焊接工艺评定》JB/T4708-2000《钢制压力容器焊接规程》JB/T4708-20004、技术要求(1)水箱采用SUS304或更高等级不锈钢板,冲压成型,并应符合国家OCr18Ni19卫生检验标准,不生锈,不长青苔,不漏水、永久保持清洁卫生,安全稳固。
(2)组合式不锈钢水箱由三种主要标准模块组合而成,由1000*1000、1000*500、500*500的标准块,根据不同的三维结构设计参数,采用不同厚度的模块,在厂内或现场进行焊接组装,现场采用氩弧焊焊接而成,焊缝表面经酸洗钝化处理,确保焊缝经久耐用不腐蚀。
底盘需采用热浸锌Q235-A碳素钢槽钢。
(3)小换热站水箱:进水口(DN50,1个)、出水口(DN50,2个)、溢流口(DN65,1个)、排污口(DN50,1个)、通气孔(DN32,1个)、人孔(φ700,1个)、液位计接口两个及内外爬梯,接口尺寸及位置暂定,接口为法兰连接,配套相应反法兰密封件及紧固件。
不锈钢焊接水箱验收标准一、引言不锈钢焊接水箱是一种常见的贮存液体的设备,广泛应用于工业、商业和民用领域。
为了保证不锈钢焊接水箱的质量和安全性,需要进行严格的验收。
本文将介绍不锈钢焊接水箱的验收标准,以便相关人员能够按照标准进行验收操作,确保水箱的质量和安全性。
二、不锈钢焊接水箱验收标准的目的不锈钢焊接水箱验收标准的主要目的是为了检验水箱的质量和安全性,防止发生漏水、开裂、变形等问题,确保水箱能够正常使用并具有良好的性能。
三、不锈钢焊接水箱验收标准的适用范围不锈钢焊接水箱验收标准适用于所有不锈钢焊接水箱的验收,包括但不限于工业用水箱、商用水箱、民用水箱等。
四、不锈钢焊接水箱验收标准的内容1.外观质量验收不锈钢焊接水箱外观应无变形、变色、气泡、鼓包、凹陷等缺陷,表面应平整、光滑,无明显划痕、氧化等现象。
2.尺寸偏差验收不锈钢焊接水箱的尺寸应符合设计要求,检查水箱的长度、宽度、高度等尺寸是否与设计图纸一致,是否存在明显的偏差。
3.焊缝质量验收不锈钢焊接水箱的焊缝应均匀、牢固,无裂纹、气孔、凹坑等缺陷,外观无飞溅物、焊渣等污染现象。
4.焊接接头验收不锈钢焊接水箱的接头应牢固、密封,无漏焊、漏气等现象,接头处应平整、光滑。
5.焊接材料验收不锈钢焊接水箱的焊接材料应符合相关标准,材料应表面光滑、无杂质、氧化等现象。
6.安全防护验收不锈钢焊接水箱应设置安全防护装置,如防爆盖、防漏装置、防止异物进入水箱等设计,确保使用过程中的安全和保障。
7.实验压力验收在验收过程中,一定要进行实验压力测试,以检验不锈钢焊接水箱的耐压性能,确保水箱能承受正常使用的压力。
8.表面处理验收不锈钢焊接水箱的表面处理应符合相关标准,包括外观光亮度、表面平整度、腐蚀性等方面的检验。
9.水箱配件验收不锈钢焊接水箱的配件如出水口、进水口、通气孔、排水孔等应符合设计要求,安装位置正确,连接牢固,无渗漏等问题。
10.环境适应性验收不锈钢焊接水箱应能够适应不同的使用环境,如耐高温、耐腐蚀、不易受到外部挤压等特点,验收过程中应进行相应环境的适应性测试。
建设部发布《节水型生活用水器具》行业标准建设部关于发布行业标准《节水型生活用水器具》的通知建标[2002]145号各省、自治区建设厅、直辖市建委及有关部门,本标准技术归口单位、标准主编单位:根据我部《二OOO年建设部第二批工业产品标准制、修订项目计划》(建标[2001]26号)的要求,中国城镇供水协会等单位编制的《节水型生活用水器具》标准,经我部审查,现批准为行业标准,编号为CJ164-2002,自2002年10月1日起实施。
前言保护、合理利用水资源,避免水损失和浪费,是保证我国国民经济和社会发展的重要战略问题。
本标准是在GB/T18145-2000《陶瓷片密封水嘴》、GB/T6952-1999《卫生陶瓷》、JC/T856-2000《6升水便器配套系统》、QB/T3649-1999《大便器冲洗阀》、CJ/T3008-1993《淋浴用机械式脚踏阀门》、GB/T4288-1992《家用电动洗衣机》等产品标准基础上,对上述用水器具的主要用水参数(如流量上限等)和影响产品节水的因素及指标作出了规定。
本标准发布实施后,上述标准继续有效。
本标准第4.2.1、4.2.3、4.2.4、4.3.2、4.4.1、4.5.2、4.6.3条均为强制性条文,其余为推荐性条文。
本标准由建设部标准定额研究所提出。
本标准由建设部给水排水产品标准化技术委员会归口。
本标准起草单位:中国城镇供水协会、天津市城市节约用水办公室、北京市城市节约用水办公室、中国建筑卫生陶瓷协会。
本标准主要起草人:白健生、刘志达、孙菁、仇之瑞、王全忠、何建平、李绍森、缪斌、刘幼红、肖瑞凤。
1范围本标准规定了节水型生活用水器具的定义、技术要求、检验方法、检验规则。
本标准适用于安装在建筑设施内冷热供水管路上,供水压力不大于0.6MPa使用的水嘴(水龙头)、便器及便器系统、便器冲洗阀、淋浴器、家用洗衣机等产品。
2引用标准下列标准所包含的条文,通过在本标准中引用而构成为本标准的条文。
中国节水产品认证规则CQC32-372121-2013冲洗水箱及水箱配件节水认证规则Water Conservation Certification Rules for Flush tank and Flush tank fitting2013年7月17日发布2013年7月17日实施中国质量认证中心前 言本规则由中国质量认证中心发布,版权归中国质量认证中心所有,任何组织及个人未经中国质量认证中心许可,不得以任何形式全部或部分使用。
本规则2017年4月18日第二次修订,主要变化为:1、认证依据由GB26730-2011及GB6952-2005改为GB/T 26730-2011及GB/T 6952-2015;2、对监督抽样要求重新进行了规定。
制定单位: 中国质量认证中心主要起草人:邵争辉、张琨本规则历次修订情况如下:CQC32-372121-2013发布日期2013年7月17日,实施日期2013年7月17日CQC32-372121-2013代替CQC32-372121-2009,主要变化如下:1、认证依据由CQC3228-2009改为GB/T 26730-2011及GB/T 6952-2005;2、认证范围增加了冲洗水箱;3、增加了一致性检查及工厂质量控制检测要求的描述;4、修订了产品描述部分内容;5、对复审要求重新进行了规定;6、对认证标志的加施重新进行了规定。
本规则于2016年7月20日进行第一次修订,主要变化为:对复审要求重新进行了规定。
1.适用范围本规则适用于安装在静压力不大于0.6MPa的冷水供水管路上、靠水的重力作用为各种便器配套的冲水装置。
包括冲洗水箱、进水阀和排水阀,进水阀和排水阀也可作为水箱配件同时申请认证。
本规则不适用于与水接触面为锌合金的产品。
2. 认证模式冲洗水箱及水箱配件的节水认证模式为:产品检验+初次工厂检查+获证后监督。
认证的基本环节包括:a. 认证的申请b. 产品检验c. 初始工厂检查d. 认证结果评价与批准e. 获证后的监督f. 证书到期复审必要时,产品检验与初始工厂检查可以同时进行。
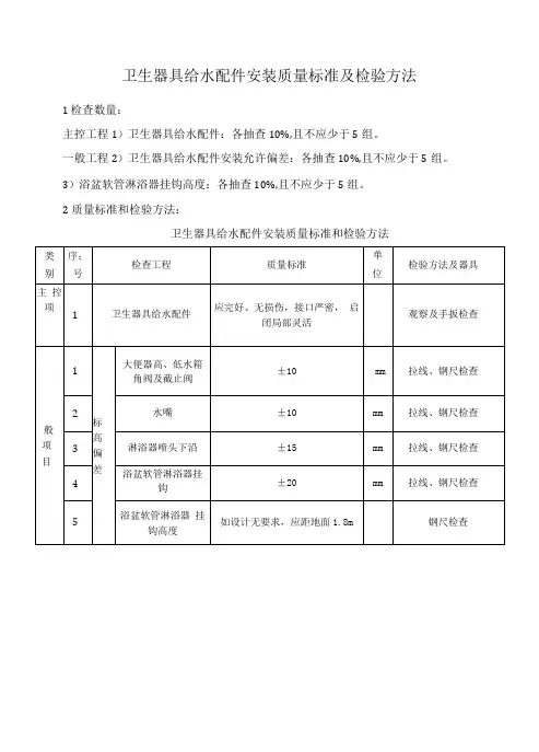
1、目的:为更好对便器水箱配件质量的检验与控制,确保其满足顾客的需求和公司要求。
2、适用范围:本标准适用于本公司便器水箱配件质量的检验。
3、职责:3.1卫生陶瓷技术部负责便器水箱配件检验标准的制订、修改。
3.2 卫生陶瓷品管部负责对便器水箱配件检验标准的执行。
4、引用标准:JC987—2005《便器水箱配件》国家标准5、定义:下列术语和定义适用于本标准。
5.1 静压力:进水阀完全关闭时,在它之前的进水管路中的稳定压力值。
5.2 动压力:进水阀完全打开时,在它之前300mm 500mm长范围内内径不小于5mm的管道中的稳定压力值。
5.3排水阀的排水量:进水阀关闭时,打开排水阀,一次从水箱中排出水的体积。
5.4 进水阀:进水阀是用来自动控制水箱进水的装置。
当水箱中水位低于工作水位时自动进水,水位达到工作水位时自动停止进水。
5.5 排水阀:排水阀是用来控制水箱排水的装置。
开启后能排出预先设定的水量并能自动关闭。
5.6 冲洗水箱:安装有进水阀和排水阀的直接用于冲洗便器或其它排污装置的水箱。
5.7 水箱附件:用于操纵或辅助冲洗水箱完成冲洗动作的除进水阀和排水阀以外的部件。
5.8 溢流水位:水箱中的水即将从溢流口流出时的水位高度,简记为OL。
5.9盈溢水位:在静压力为0.6MPa,进水阀完全打开而排水阀完全关闭的情况下,水箱中的水已溢流时所能达到的最大水位高度,简记为SL。
5.10 工作水位:满足正常冲洗过程需要时水箱中的水位高度,简记为WL。
5.11 临界水位:进水阀产生虹吸和结束虹吸时两者中最低的水位线,简记为CL。
5.12 剩余水位:在工作水位下关闭进水阀,打开排水阀,当排水阀自然关闭时水箱中水位的高度,简记为RL。
5.13 水击:水正常流动状态下遇到阀门关闭而造成的瞬间压力升高。
6、部件代码水箱配件部件代码见表17产品所使用的所有与饮用水直接接触的材料,应符合GB/T17219的规定。
其他材料应满足产品使用性能的要求。
不锈钢水箱检验标准不锈钢水箱是一种常见的储水设备,广泛应用于工业、民用等领域。
为了确保不锈钢水箱的质量和安全性能,制定了一系列的检验标准,以便对不锈钢水箱进行有效的检验和评定。
本文将介绍不锈钢水箱的检验标准,以帮助相关人员更好地了解和掌握相关知识。
首先,不锈钢水箱的材料应符合国家相关标准,一般采用不锈钢板材作为主要原料。
在检验时,需要对不锈钢板材的材质、厚度、硬度等进行检测,以确保其符合要求。
同时,还需要对不锈钢水箱的焊接工艺进行检验,以确保焊接接头牢固、无裂纹、气孔等缺陷。
其次,不锈钢水箱的外观质量也是需要进行检验的重点之一。
在检验时,需要对不锈钢水箱的外表面进行检查,以确保其表面光洁、无明显划痕、凹陷等缺陷。
同时,还需要对不锈钢水箱的涂层进行检验,以确保其附着力、耐腐蚀性能等符合要求。
另外,不锈钢水箱的密封性能也是需要进行检验的重点内容之一。
在检验时,需要对不锈钢水箱的密封件进行检测,以确保其密封性能良好,无渗漏现象。
同时,还需要对不锈钢水箱的进出水口、排气孔等部位进行检验,以确保其安装牢固、无渗漏等现象。
最后,不锈钢水箱的使用性能也是需要进行检验的重点之一。
在检验时,需要对不锈钢水箱的耐压性能、耐腐蚀性能、保温性能等进行检测,以确保其符合相关标准要求。
同时,还需要对不锈钢水箱的配件进行检验,以确保其质量可靠、性能稳定。
总之,不锈钢水箱的检验标准涉及材料、外观质量、密封性能、使用性能等多个方面,需要全面、严格地进行检验。
只有通过严格的检验,确保不锈钢水箱的质量和安全性能,才能更好地为工业、民用等领域提供可靠的储水设备。
希望本文的介绍能够帮助相关人员更好地了解不锈钢水箱的检验标准,提高对不锈钢水箱质量的认识和把控能力,确保不锈钢水箱的质量和安全性能。
卫生器具给水配件安装检验批质量验收记录单位名称:______________检验单位:______________日期:______________一、检验项目及批量序号检验项目特殊要求批量检验数量1阀门无1001002排水管道无2002003水龙头无50504水箱无10105水泵无20206隔膜压力罐无3030二、检验方法1.外观检验:检查产品表面是否有明显缺陷,如划痕、凹痕、脱漆等。
2.尺寸检验:检查产品的尺寸是否符合规定的要求。
3.材质检验:检查产品的材质是否符合规定的标准。
4.功能检验:根据产品的功能要求,进行相应的功能性能测试。
5.密封性检验:检查产品的密封性能是否符合规定的要求。
6.安装检验:对已经安装的产品进行振动测试、水压测试等。
三、检验结果记录表序号检验项目检验标准检验结果备注1阀门外观检验:表面无划痕、凹痕等缺陷合格无尺寸检验:尺寸符合要求材质检验:材质符合要求功能检验:开关灵活、无渗漏2排水管道外观检验:表面无划痕、凹痕等缺陷合格无尺寸检验:尺寸符合要求材质检验:材质符合要求密封性检验:无渗漏现象3水龙头外观检验:表面无划痕、凹痕等缺陷合格无尺寸检验:尺寸符合要求材质检验:材质符合要求功能检验:开关灵活、水流均匀4水箱外观检验:表面无划痕、凹痕等缺陷合格无尺寸检验:尺寸符合要求材质检验:材质符合要求密封性检验:无渗漏现象5水泵外观检验:表面无划痕、凹痕等缺陷合格无尺寸检验:尺寸符合要求材质检验:材质符合要求功能检验:启动正常、无异常声音6隔膜压力罐外观检验:表面无划痕、凹痕等缺陷合格无尺寸检验:尺寸符合要求材质检验:材质符合要求密封性检验:无渗漏现象四、检验结论根据以上检验结果,经检验单位评定,所有卫生器具给水配件的安装检验批质量验收合格。
五、质量不良处理措施如果在安装检验过程中发现有质量不良的产品,将进行以下处理措施:1.对发现质量不良的产品进行隔离,标记不合格。
2.进一步调查原因,找出质量问题的根源。
不锈钢水箱标准不锈钢水箱是一种常见的储水设备,广泛应用于工业、民用建筑等领域。
其具有耐腐蚀、不易生锈、易清洗等优点,因此备受青睐。
然而,由于市场上水箱产品繁多,质量参差不齐,消费者在选购时往往难以辨别优劣。
因此,制定不锈钢水箱标准显得尤为重要。
首先,不锈钢水箱的材质应符合国家标准,采用优质不锈钢板材制作。
不锈钢水箱的主要材质应为304或316不锈钢,其耐腐蚀性能较好,可以有效防止水质污染。
而次品或劣质不锈钢板材则会导致水箱内部腐蚀,影响储水质量,甚至对人体健康造成危害。
其次,不锈钢水箱的设计和制作应符合相关标准要求。
水箱内部应采用圆角设计,避免锐利边缘伤人或损坏水管。
水箱底部应设置排水口,方便清洗和排除废水。
水箱的连接部分应采用优质密封材料,确保不漏水、不渗水。
此外,水箱的支架和固定设施也应符合相关标准,确保水箱的稳固性和安全性。
另外,不锈钢水箱的安装和维护也需符合标准规定。
安装时需确保水箱底部平整、稳固,避免因不平衡而导致水箱倾斜或破损。
在水箱日常维护过程中,应按照标准要求定期清洗、消毒,保持水质清洁卫生。
同时,定期检查水箱及其连接管道是否存在漏水、生锈等问题,及时进行修复和更换。
总之,不锈钢水箱标准的制定对于保障消费者权益、提升产品质量具有重要意义。
只有严格执行标准要求,确保水箱材质、设计、制作、安装、维护等各个环节都符合标准规定,才能有效保障不锈钢水箱的质量和安全,为用户提供优质的储水设备。
因此,相关部门应加强对不锈钢水箱生产、销售和使用环节的监管,推动制定和执行不锈钢水箱标准,提高行业整体水平,保障公众健康和安全。
同时,消费者在选购不锈钢水箱时也应注意选择符合标准要求的产品,增强自我保护意识,共同维护良好的市场秩序。
中国节水产品认证技术要求CSC/T 33—2006 水箱配件节水产品认证技术要求2006-07-17 发布 2006-08-01实施中国质量认证中心前 言本技术要求2005年04月01日首次制定,本次修订为实施后的第一次修定。
本技术要求依据 JC987-2005《便器水箱配件》,修订了水箱配件主要技术指标,并增加了与节水有关的水是冲洗流量等指标,对指标的检测方法进行了明确规定。
本技术要求适用于水箱配件进水阀和排水阀的单独认证。
本技术要求及其中任何部分未经中标认证中心许可不得复制。
本技术要求由中标认证中心负责修订。
对本技术要求的意见可以发至中标认证中心,地址是中国·北京·海淀区知春路4号,邮编:100088。
意见将提交相关专业委员会讨论。
本技术要求作为评价节水产品的基准,未通过中标认证中心认证不得明示符合此技术要求。
本技术要求所有权归中标认证中心所有。
本技术要求由中标认证中心(CSC)提出并归口。
本技术要求起草单位:中标认证中心、国家排灌及节水设备产品质量监督检验中心 本技术要求主要起草人:岳宗文 邵争辉 朱双四 吴珊重要说明:根据国家质量监督检验检疫总局文件《关于同意中国标准化研究院所办认证机构改革问题的批复》(国质监认联2008[47])的指示,原中标认证中心2008年2月合并入中国质量认证中心。
至此,中国质量认证中心享有原中标认证中心技术要求的所有权利,并承担相应责任。
水箱配件节水产品认证技术要求1 范围本技术要求规定了节水型水箱配件产品技术要求、检验方法、检验规则。
本技术要求适用于安装在建筑设施内冷水管路上,供水压力≤0.6MPa 条件下使用的节水型水箱配件。
2 术语和定义下列术语和定义适用于本技术要求。
2.1 静态压力进水阀完全关闭时,进水阀前的进水管路中的稳定静压值。
2.2 动态压力进水阀完全打开时,进水阀前(300~500)mm范围内进水管道中的稳定静压值。
2.3 进水阀进水阀是用来自动控制水箱进水的装置。
屋面水箱间的检验批摘要:一、引言二、屋面水箱间的定义和作用三、屋面水箱间的检验批标准四、屋面水箱间检验批的流程五、屋面水箱间检验批的意义和重要性六、总结正文:一、引言屋面水箱间作为建筑物中重要的设施之一,其质量和安全性直接关系到人们的日常生活。
为了保证其质量,屋面水箱间的检验批工作显得尤为重要。
二、屋面水箱间的定义和作用屋面水箱间,通常是指设置在建筑物屋面上的水箱间,用于存放生活用水、消防用水等。
其主要作用是为建筑物提供生活用水和消防用水,保障人们的日常生活和生命财产安全。
三、屋面水箱间的检验批标准屋面水箱间的检验批应严格按照相关标准和规定进行。
我国现行的标准主要有《建筑给水排水及采暖工程质量验收规范》等,规定了屋面水箱间检验批的相关要求,包括材料质量、施工质量、性能指标等。
四、屋面水箱间检验批的流程屋面水箱间检验批的流程主要包括以下几个步骤:1.资料审查:审查施工单位提供的相关资料,包括设计文件、施工方案、材料合格证等。
2.现场检查:对施工现场进行实地检查,检查施工质量和材料使用情况。
3.性能检测:对屋面水箱间的各项性能指标进行检测,包括水箱容量、水质、密封性能等。
4.结果评定:根据检查和检测结果,评定屋面水箱间的质量是否合格。
5.验收:对合格的屋面水箱间进行验收,并出具验收报告。
五、屋面水箱间检验批的意义和重要性屋面水箱间检验批对于保证建筑物的正常使用、维护人们的日常生活和生命财产安全具有重要意义。
通过检验批工作,可以及时发现和纠正施工中的质量问题,确保屋面水箱间的质量和性能达到规定标准。
六、总结屋面水箱间检验批是保证其质量和安全性的重要环节。
1、目的:为更好对便器水箱配件质量的检验与控制,确保其满足顾客的需求和公司要求。
2、适用范围:本标准适用于本公司便器水箱配件质量的检验。
3、职责:
3.1卫生陶瓷技术部负责便器水箱配件检验标准的制订、修改。
3.2 卫生陶瓷品管部负责对便器水箱配件检验标准的执行。
4、引用标准:
JC987—2005《便器水箱配件》国家标准
5、定义:
下列术语和定义适用于本标准。
5.1 静压力:进水阀完全关闭时,在它之前的进水管路中的稳定压力值。
5.2 动压力:进水阀完全打开时,在它之前300mm 500mm长范围内内径不小于5mm的管道中的
稳定压力值。
5.3排水阀的排水量:进水阀关闭时,打开排水阀,一次从水箱中排出水的体积。
5.4 进水阀:进水阀是用来自动控制水箱进水的装置。
当水箱中水位低于工作水位时自动进水,
水位达到工作水位时自动停止进水。
5.5 排水阀:排水阀是用来控制水箱排水的装置。
开启后能排出预先设定的水量并能自动关闭。
5.6 冲洗水箱:安装有进水阀和排水阀的直接用于冲洗便器或其它排污装置的水箱。
5.7 水箱附件:用于操纵或辅助冲洗水箱完成冲洗动作的除进水阀和排水阀以外的部件。
5.8 溢流水位:水箱中的水即将从溢流口流出时的水位高度,简记为OL。
5.9盈溢水位:在静压力为0.6MPa,进水阀完全打开而排水阀完全关闭的情况下,水箱中的水
已溢流时所能达到的最大水位高度,简记为SL。
5.10 工作水位:满足正常冲洗过程需要时水箱中的水位高度,简记为WL。
5.11 临界水位:进水阀产生虹吸和结束虹吸时两者中最低的水位线,简记为CL。
5.12 剩余水位:在工作水位下关闭进水阀,打开排水阀,当排水阀自然关闭时水箱中水位的高
度,简记为RL。
5.13 水击:水正常流动状态下遇到阀门关闭而造成的瞬间压力升高。
6、部件代码
水箱配件部件代码见表1
7
产品所使用的所有与饮用水直接接触的材料,应符合GB/T17219的规定。
其他材料应满足产品使用性能的要求。
8、要求
8.1 一般要求
8.1.1各部件应能方便的安装和拆卸。
各活动部件应动作灵活、无卡阻现象。
8.1.2进水阀上应标记有CL线;进水阀应有调节进水量的装置。
8.1.3 进水阀是否有补水装置,由制造商决定。
有补水装置的进水阀,补水管应牢固的固定在
进水阀上,其补水量应能满足便器水封回复的要求。
对于零售市场的产品,应标明补水比率或补水量。
8.1.4 排水阀与冲洗水箱排水孔的固定方式,由制造商决定。
8.1.5进水阀与进水管路联接的管螺纹精度应符合GB/T 7307中B级精度的要求。
8.1.6扳手驱动的排水阀的链条或牵引线的抗拉载荷应不小于60N,其与阀门和扳手的固定载荷
应不小于30N。
8.1.7 冲洗水箱内部各部件安装相对位置应满足图1要求
临界水位
盈溢水位
溢流水位
工作水位
注: h1≥10mm h2≥25mm h3≥5mm
图1 水箱内部各部件安装相对位置示意图
8.2 外观质量
8.2.1铜铸件外表面不得有缩孔、砂眼、裂纹、气孔等缺陷,内腔不得有粘附型砂。
8.2.2塑料件表面不应有明显的波纹、熔接痕、明显的擦划伤、修饰损伤等缺陷。
8.2.3安装后的可见电镀表面不得有未镀到的地方,表面应光亮、均匀,不允许有起皮、剥落、
起泡等现象。
8.2.4按GB/T 10125进行24h 酸性盐雾实验后,安装后的可见电镀表面外观等级应达到GB/T
6461-2002标准中6级的要求。
8.3 使用性能
使用性能应符合表1的规定
9、检验规则
2、如抽检结果为拒收数量大于Re所规定值时,则该批产品不收货。
小于等于拒收数
量Re所规定值时,则该批产品可收货。
10、标志、包装、运输和贮存
10.1 产品包装上应有明显清晰配件型号、名称,并附有合格证和安装使用说明书。
10.2产品在运输中应防止雨淋、受潮和磕碰,搬运时应轻放。
10.3产品应贮存在通风良好、干燥的室内,不得与酸、碱及有腐蚀性的物品共贮。