小功率半导体激光器的驱动方法设计
- 格式:pdf
- 大小:263.31 KB
- 文档页数:5
半导体激光器的设计和工艺半导体激光器的设计包括器件结构设计和材料选择两个方面。
首先,器件结构设计是指设计半导体激光器的层状结构和电极形状。
层状结构通常由波导层、活性层和衬底层等部分组成。
其中,波导层用于引导激光的传输,活性层是激发发射激光的重要部分,衬底层用于支撑整个器件。
波导层通常采用半导体材料的异质结构,如GaAs/AlGaAs、InGaAsP/InP等。
其中,GaAs和AlGaAs在能带结构上存在能带差异,可以形成波导。
活性层通常采用单量子阱结构或双量子阱结构,以增强电子和空穴之间的相互作用,从而增强激光的放大效应。
衬底层通常采用GaAs或InP等材料,用于提供较好的机械支撑。
材料选择方面,要选择具有较大的发射系数和较小的损耗系数的半导体材料,以提高激光器的效率和输出功率。
此外,还要考虑材料的耐热性和稳定性,以确保激光器的长期可靠性。
半导体激光器的制备工艺主要包括光刻、沉积、腐蚀、蒸镀、扩散等步骤。
首先,光刻工艺用于制备掩膜,以定义器件的结构。
沉积工艺用于在衬底上生长各种半导体薄膜,如波导层和活性层。
腐蚀工艺用于去除不需要的材料,如形成窗口以便注入电流。
蒸镀工艺用于镀上金属电极。
扩散工艺用于调制材料的掺杂浓度,以改变电流传输和激发效果。
除了基本的制备工艺,还需要进行多种表征和测试工艺,以评估激光器的性能。
例如,光谱测试可用于测量激光器的波长和发光强度。
应变测试可用于评估激光器的应变效应和失谐效应。
温度测试可用于研究激光器的温度特性和热效应等。
这些测试结果将为激光器的优化和改进提供指导。
综上所述,半导体激光器的设计和工艺涉及器件结构设计、材料选择、制备工艺和测试工艺等多个方面。
通过合理的设计和优化的工艺流程,可以获得高性能的半导体激光器,以满足不同应用领域的需求。
半导体激光器驱动电路设计
1、确定参数:首先,根据所采用的半导体激光器进行相应参数的确定,主要包括输入电压、电流以及恒流模块的参数,根据具体的需要可以完成相应的参数确定。
2、结构设计:根据参数确定进行激光器驱动电路的结构设计,结构设计应考虑激光输出能力、负荷及恒流模块的输出的特性,满足激光器输出功率的要求;
3、计算电阻:对于激光驱动电路来说,为保持电流稳定,应据恒流模块的输入电流和输出电压计算电路上的各种电阻值,以便达到设计要求。
4、电路测试:经过上述步骤确定激光驱动电路的参数,在完成电路的组装后应对原装驱动电路进行相应的测量,在测量的时候需要考虑负载的幅值、波形及相位等因素,最后,验证激光输出的功率是否满足设计要求,同时检查电路中各部分是否运行正常。
5、微调激光器参数:最后,产品上线前将对激光器的参数进行微调,确保激光器的输出参数满足所设定的要求,同时可以调节激光的输出功率等参数,以规避在实际使用中出现的误差。
以上就是关于半导体激光器驱动电路设计的介绍,希望对大家有所帮助。
半导体激光器驱动电源半导体激光器是一种应用广泛的激光设备,在通信、医疗、材料加工等领域发挥着重要作用。
而激光器的工作需要稳定而高效的驱动电源来提供电能,以保证其正常运行。
本文将介绍半导体激光器驱动电源的基本原理、设计要求和现有的几种常用方案。
一、基本原理半导体激光器需要一个稳定的电流源来进行驱动,以产生稳定的激光输出。
驱动电源的主要任务是提供所需的电流,并确保输出电流的稳定性和精确性。
为了实现这一目标,驱动电源通常采用了反馈控制的方式,通过不断监测和调节输出电流,以使其保持在设定值附近。
二、设计要求在设计半导体激光器驱动电源时,需要考虑以下几个关键要求:1. 稳定性:驱动电源必须能够提供稳定的输出电流,以确保激光器的工作正常。
任何电流的波动都可能导致激光输出功率的变化,甚至影响激光器的寿命。
2. 精确性:激光器的工作需要精确的电流控制,因此驱动电源必须能够输出精确的电流值。
这对于一些要求高精度的应用尤为重要,如光学仪器和精密加工。
3. 效率:激光器工作时产生的热量较大,因此驱动电源的效率也是一个重要考虑因素。
高效的驱动电源可以减少能量的损耗,同时也减少热量的产生,有助于延长激光器的寿命。
4. 保护功能:驱动电源应具备多种保护功能,如短路保护、过热保护、过压保护等,以确保驱动电源本身和激光器的安全运行。
三、常用方案根据不同的需求和应用场景,目前有多种常用的半导体激光器驱动电源方案。
以下将介绍其中的几种:1. 线性稳压电源:线性稳压电源是一种简单且成本较低的方案。
其原理是通过稳压二极管等器件来实现电流的稳定输出。
然而,由于其工作效率较低并且对输入电压波动较为敏感,因此在某些高功率激光器驱动场景下并不适用。
2. 开关电源:开关电源是目前广泛应用于半导体激光器驱动的一种方案。
它采用开关电路来实现高效能的转换,可以提供稳定的输出电流并适应不同的输入电压波动。
开关电源还具备较好的保护功能和反馈控制能力,适用于各种激光器的驱动需求。
第9卷第21期 2009年11月1671 1819(2009)21 6532 04科学技术与工程ScienceTechnologyandEngineering2009 Sci Tech Engng9 No 21 Nov.2009 Vol通信技术半导体激光器驱动电路设计何成林(中国空空导弹研究院,洛阳471009)摘要半导体激光驱动电路是激光引信的重要组成部分。
根据半导体激光器特点,指出设计驱动电路时应当注意的问题,并设计了一款低功耗、小体积的驱动电路。
通过仿真和试验证明该电路能够满足设计需求,对类似电路设计有很好的借鉴作用。
关键词激光引信半导体激光器窄脉冲中图法分类号 TN242; 文献标志码A激光引信大部分采用主动探测式引信,主要由发射系统和接收系统组成。
发射系统产生一定频率和能量的激光向弹轴周围辐射红外激光能量,而接收系统接收处理探测目标漫反射返回的激光信号,而后通过信号处理系统,最终给出满足最佳引爆输出信号。
由此可见,激光引信的探测识别性能很大程度上取决于激光发射系统的总体性能,即发射激光脉冲质量。
而光脉冲质量取决于激光器脉冲驱动电路的质量。
因此,半导体激光器驱动电路设计是激光引信探测中十分重要的关键技术。
图1 驱动电路模型放电,从而达到驱动激光器的目的。
由于激光引信为达到一定的探测性能,通常会要求激光脉冲脉宽窄,上升沿快,一般都是十几纳秒甚至几纳秒的时间。
因此在选择开关器件时要求器件开关速度快。
同时,由于激光器阈值电流、工作电流大[1]1 脉冲半导体激光器驱动电路模型分析激光器驱动电路一般由时序产生电路、激励脉冲产生电路、开关器件和充电元件几个部分组成,如图1。
图1中,时序产生电路生成驱动所需时序信号,一般为周期信号。
脉冲产生电路以时序信号为输入条件。
根据其上升或下降沿生成能够打开开关器件的正激励脉冲或负激励脉冲。
开关器件大体有三种选择:双极型高频大功率晶体管、晶体闸流管电路和场效应管。
半导体激光器LD恒流源调制电路的设计
与实验
概述
半导体激光器(LD)是一种重要的光电器件,广泛应用于通信、医疗和雷达等领域。
恒流源调制电路在LD的驱动中起到关键
作用。
本文将探讨半导体激光器LD恒流源调制电路的设计与实验。
设计原理
半导体激光器的工作需要稳定的电流源来实现恒定的激发电流。
恒流源调制电路通过控制输入信号和反馈电路的结构来实现恒流输出。
常见的调制电路设计方法包括共射极电路、共基极电路和共集
极电路。
实验步骤
1. 确定实验所需元器件,包括半导体激光器、恒流源电路、反
馈电路、电源等。
2. 根据实验需求选择合适的调制电路设计方法,如共射极电路。
3. 根据调制电路设计方法,搭建实验电路。
4. 进行实验前的参数调整和校准,确保实验的准确性和稳定性。
5. 施加输入信号并观察输出结果,记录实验数据。
6. 对实验数据进行分析和处理,评估恒流源调制电路的性能。
7. 针对实验结果进行必要的改进和优化,提高恒流源调制电路
的稳定性和效果。
结论
本文探讨了半导体激光器LD恒流源调制电路的设计与实验步骤。
恒流源调制电路的设计对于半导体激光器的驱动具有重要意义,能够实现稳定恒流输出。
根据实验结果,可以进行进一步的改进和
优化,提高调制电路的性能和稳定性。
参考文献:
注:以上内容仅供参考,请根据实际需求进行修改和完善。
半导体激光器LD 脉冲驱动电路的设计与实验进行脉冲驱动电路的设计主要是由于,半导体激光器在脉冲驱动电路驱动 时,其结温会在半导体激光器不工作的时刻进行散热, 因此半导体激光器在脉冲 电源驱动下,对半导体激光器的散热要求不高。
在设计半导体激光器的脉冲驱动 电源时,也是先仿真后设计的思想,在电路选型上也是力求简单。
1脉冲电源的仿真在进行脉冲电源仿真时,同样选用的 NI 公司的这款MultisimIO 这款电路仿 真软件。
选用的器件是IRF530,信号源是5V ,占款比为50%,频率为50Hz 的 方波信号源;用电阻 R i代替半导体激光器、且将 R i的阻值设置为 1 Q ,用脉冲电源仿真在仿真电路设计的过程中,选用了功率管IRF530作为主开关,对电阻R i上 的电压进行采样,信号源选取的是输出5V 方波的、频率是50Hz 、占款比是50% 的信号源。
在进行仿真前、将示波器的 A 通道接在电阻R i的两端,对整个电路 的电流信号进行监测。
将示波器的 B通道接在信号源的两端,对信号源的输出MultisimIO 的自带示波器对电阻R i两端的电信号进行测量12V VGCMIL........ X SC1A ETinw ______ • 7訂 _________________ 計旷 ____________________ | Triggr SaihpOTi Diu ::-i■< ■ Suli [TvCi; \ Edgt |T" ijp":电信号进行采样,这样通过A、B两通道的电信号进行对比,看脉冲驱动电路能否满设计要求。
根据仿真示波器监测到的数据显示,电阻R i两端的电信号完全是跟信号源的电信号同步变化的,而且波形完全一致。
仿真结果显示电阻R i的峰值电压是为1.145V,说明电路的峰值电流也是1.145A。
在仿真过程中,通过不断的调整信号源的特性,发现电阻R i两端的电压值的大小只与信号源的电压值大小有关系,而与信号源的频率和占空比关系不大,这说明此脉冲仿真电路输出电流值的大小只与信号源输出的电压值大小有关。
半导体激光器LD恒流源驱动电路的设计与实验这款半导体激光器的恒流源驱动电路,是根据实际的项目需求进行设计的。
项目要求是半导体激光器得根据探测距离,能改变输出光功率,这就要求半导体激光器的驱动电路输出的电流是可调的,这样现阶段几种半导体激光器驱动电路中只有恒流源驱动电路可以做到这一点,实现这种功能是通过改变恒流源电路的基准电压而实现的。
进行恒流源驱动电路的设计的方法是在先仿真的基础上进行的,项目所需要的恒流源驱动电路的设计参数是恒流源输出电流是0-1a可调。
1恒流源软件仿真为了准确地模拟结果,为以后的设计提供理论依据,选用了Ni公司的Multisim10电路模拟软件。
该软件经历了几代人的发展,并不断完善其功能。
它的数据库包含所有常用的组件,这些组件可以模拟模拟电路和数字电路。
其仿真结果精度较高,可以为设计提供设计依据。
恒流源仿真结果恒流源模拟电路选用单电源供电的集成运算放大器lm2900n,功率管irf540,电源电压为9V。
为了测量电路的输出电流,将万用表调整到当前档位,并将其串联到电路上进行测量。
从上图可以看出,所设计的电路非常简单。
集成运算放大器U2B的功能是将采样电阻测量的电压反馈到输入端,并通过集成运算放大器u2a将其与输入端的参考电压进行比较。
恒流源模拟电路是一种经典的恒流源电路,具有电路稳定性高的优点。
该恒流源电路只需调节电阻R3和R3的电阻,在参考电压恒定的情况下,可以方便地调节恒流源的输出电流。
仿真结果显示,当将采样电阻的阻值选为1欧姆、r3r4?13、基准电压选取为2v时,仿真结果得到的电流是1.5a。
在仿真过程中、通过选取不同的基准电压和r3、r3的值可以得到不同的电流值,这样仿真结果为实际的电路设计提供很好参考依据。
为了进一步简化恒流源驱动电路的设计,进行了以下设计和仿真。
选择的电源管为irf530,采样R1的电阻值为1欧姆,选择的电压比较器为单电源供电的装置成运算放大器lm2900n,在电路仿真中,可以看见当基准电压选为1v、采样电阻为1欧姆时,恒流源的输出电流是0.9a,这与理论推导的结果完全一样。
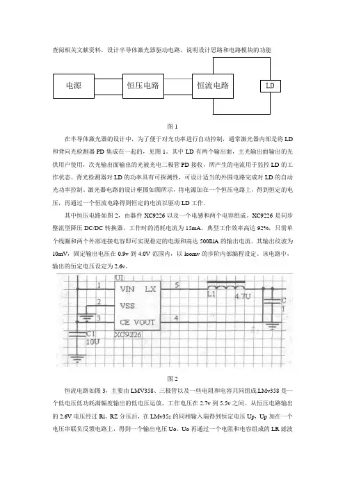
查阅相关文献资料,设计半导体激光器驱动电路,说明设计思路和电路模块的功能
图1
在半导体激光器的设计中,为了便于对光功率进行自动控制,通常激光器内部是将LD 和背向光检测器PD集成在一起的,见图1。
其中LD有两个输出面,主光输出面输出的光供用户使用,次光输出面输出的光被光电二极管PD接收,所产生的电流用于监控LD的工作状态。
背光检测器对LD的功率具有可探测性,可设计适当的外围电路完成对LD的自动光功率控制。
激光器电路的设计框图如图所示,将电源加在一个恒压电路上,得到恒定的电压,再通过一个恒流电路得到恒定的电流以驱动LD工作.
其中恒压电路如图2,由器件XC9226以及一个电感和两个电容组成。
XC9226是同步整流型降压DC/DC转换器,工作时的消耗电流为15mA,典型工作效率高达92%,只需单个线圈和两个外部连接电容即可实现稳定的电源和高达500IllA的输出电流。
其输出纹波为10mV,固定输出电压在0.9v到4.0V范围内,以loomv的步阶内部编程设定。
该电路中,输出的恒定电压设定为2.6v。
图2
恒流电路如图3,主要由LMV358、三极管以及一些电阻和电容共同组成.LMv358是一个低电压低功耗满幅度输出的低电压运放,工作电压在2.7v到5.5v之间。
从恒压电路输出的2.6V电压经过Rl、RZ分压后,在LMv35s的同相输入端得到恒定电压Up,Up加在一个电压串联负反馈电路上,得到一个输出电压Uo。
Uo再通过一个电阻和电容组成的LR滤波
电路上,得到恒定的直流电压uol,将uol作用在由三极管8050组成的共射级放大电路上,得到恒定的集电极电流Ic,k又通过一个滤波电容得到恒定的直流工作电压。
图3。
半导体激光器实验半导体激光器是一种利用半导体材料产生光的器件。
它的核心是由一段p型半导体和一段n型半导体组成的p-n结,称为激光腔,中间填充一种能被激光激发的活性介质,形成光放大器。
半导体激光器具有尺寸小、高效、可调谐性和可靠性等优点,因此在通讯、医学、军事等领域得到了广泛应用。
在本实验中,我们将学习半导体激光器的基本原理和实验操作。
实验仪器:2. 恒流源和恒温源3. 光谱仪实验原理:半导体激光器是一种半导体器件,其工作原理类似于普通的p-n结二极管,即通过控制两端电势差来控制电流的流动。
与普通半导体二极管不同的是,半导体激光器在p-n结中间填充了一种活性介质,当电流经过激光腔时,激发活性介质中的电子和空穴跃迁发射光子,如果这个过程是受到谐振条件控制那么,所激发出来的光子就会相互作用,最后形成一束单色、高亮度的激光。
在实验中,我们需要根据半导体激光器的特性,以一定的电流进行驱动。
通常情况下,对于一颗激光器,其输出功率与波长是相关的,且随着输入电流增加,输出功率也随之增加。
实验操作:1.电源接线将恒流源和恒温源插在插座上,按照接线图将线连接。
其中,黄色线连接激光器的阳极,黑色线连接激光器的阴极,红色线连接恒流源的+端,黑色线连接恒流源的-端,红色线连接恒温源的+端,黑色线连接恒温源的-端。
2.调节恒流源电流通过调节恒流源电流,可以改变半导体激光器的输出功率。
一般来说,激光器的输出功率在一定输入电流范围内随着电流的增加而增加。
因此,可以逐步增加恒流源的电流,直至观察到激光器输出激光为止。
3.测量激光功率和波长将光谱仪放置在半导体激光器的前面,打开光谱仪,调节光谱仪的参数,测量激光的功率和波长。
一般来说,激光器的输出功率在几瓦至数百毫瓦的范围内,波长在800纳米至1550纳米的范围内。
实验注意事项:1.在进行实验前,需要检查仪器和电源的接线是否正确,确保安全可靠。
2.在调节恒流源电流时,应逐步增加电流,以防止过流损坏半导体激光器。
低功率980nm波长半导体激光器驱动电路设计作者:董阳陈海燕程昌彦黄春雄来源:《现代电子技术》2014年第13期摘要:设计一种用于光生微波/毫米波信号源的低功率980 nm波长半导体激光器驱动电路,主要包括保护电路、反馈电路、功率检测、恒流源设计、温控电路及单片机显示电路等。
将所设计的驱动电路用于LDM9P603型蝶形激光器的驱动,对980 nm波长泵浦激光器的输出特性进行测试。
关键词: 980 nm波长泵浦源;恒流源;温度控制器;单片机控制器中图分类号: TN248.4⁃34 文献标识码: A 文章编号: 1004⁃373X(2014)13⁃0119⁃03 Design of driving circuit of low⁃power 980 nm laser diodeDONG Yang, CHEN Hai⁃yan, CHENG Chang⁃yan, HUANG Chun⁃xiong(School of Physics Science and Technology, Yangtze University, Jingzhou 434023,China)Abstract: The driving circuit of a low⁃power 980 nm LD used for the photonic generation microwave and millimeter wave signal sources was designed, which consists of protection circuit,feedback circuit, optical power detection, constant⁃current source design, temperature control circuit, MCU display circuit, etc. The circuit is used to derive the LDM9P903 butterfly LD. The output characteristics of 980 nm LD were tested.Keywords: 980 nm LD; constant⁃current source; temperature controller; MCU controller0 引言高性能的980 nm波长半导体激光器(LD)在激光器、光放大器、光信息处理等领域具有重要应用[1⁃5]。
第9卷第21期 2009年11月1671 1819(200921 6532 04科学技术与工程Science T echno logy and Eng i neeringV o l9 N o 21 N ov .2009 2009 Sci T ech Engng通信技术半导体激光器驱动电路设计何成林(中国空空导弹研究院,洛阳471009摘要半导体激光驱动电路是激光引信的重要组成部分。
根据半导体激光器特点,指出设计驱动电路时应当注意的问题,并设计了一款低功耗、小体积的驱动电路。
通过仿真和试验证明该电路能够满足设计需求,对类似电路设计有很好的借鉴作用。
关键词激光引信半导体激光器窄脉冲中图法分类号 TN 242; 文献标志码A2009年7月14日收到作者简介:何成林(1982 ,男,湖北利川人,助理工程师,硕士,研究方向:激光引信技术,Emai:*******************。
激光引信大部分采用主动探测式引信,主要由发射系统和接收系统组成。
发射系统产生一定频率和能量的激光向弹轴周围辐射红外激光能量,而接收系统接收处理探测目标漫反射返回的激光信号,而后通过信号处理系统,最终给出满足最佳引爆输出信号。
由此可见,激光引信的探测识别性能很大程度上取决于激光发射系统的总体性能,即发射激光脉冲质量。
而光脉冲质量取决于激光器脉冲驱动电路的质量。
因此,半导体激光器驱动电路设计是激光引信探测中十分重要的关键技术。
1 脉冲半导体激光器驱动电路模型分析激光器驱动电路一般由时序产生电路、激励脉冲产生电路、开关器件和充电元件几个部分组成,如图1。
图1中,时序产生电路生成驱动所需时序信号,一般为周期信号。
脉冲产生电路以时序信号为输入条件。
根据其上升或下降沿生成能够打开开关器件的正激励脉冲或负激励脉冲。
开关器件大体有三种选择:双极型高频大功率晶体管、晶体闸流管电路和场效应管。
当激励脉冲到来时,开关器件导通,充电元件通过开关器件和激光器构成的回路图1 驱动电路模型放电,从而达到驱动激光器的目的。
半导体激光器驱动器安全保护电路的设计
1.过电流保护电路:激光器驱动电路中加入过电流保护电路,可以防
止激光器在工作时因过载而烧毁。
过电流保护电路可以通过电流传感器检
测激光器的工作电流,当电流超过设定值时,保护电路会切断电源,保护
激光器的安全。
2.过温度保护电路:激光器工作时会产生热量,如果温度过高,会对
激光器的正常工作产生不良影响甚至损坏激光器。
因此,过温度保护电路
是必不可少的。
过温度保护电路通过温度传感器监测激光器的温度,当温
度超过设定值时,保护电路会采取相应的措施,例如关闭电源或降低输出
功率,以保护激光器的安全。
3.短路保护电路:激光器驱动器输出端可能会存在短路的情况,如果
不及时进行保护,会导致激光器过载而烧毁。
因此,短路保护电路是必要的。
短路保护电路可以通过监测输出电流来检测短路,当检测到短路时,
保护电路会切断电源或降低输出功率,以保护激光器的安全。
4.过压保护电路:激光器工作时需要一定的电压,但如果电压过高,
会对激光器产生损坏。
因此,过压保护电路是必不可少的。
过压保护电路
可以通过电压传感器监测激光器输入电压,当电压超过设定值时,保护电
路会切断电源或降低输出功率,以保护激光器的安全。
以上是一些常见的半导体激光器驱动器安全保护电路的设计。
当然,
具体的设计还需要根据激光器驱动器的具体情况和需求来进行细化和优化。
在实际设计中,还需要充分考虑电路的稳定性、可靠性和成本等因素。
2020.1 设备监理44Technological Process技术工艺0 引言现有激光测量仪的测量原理为上、下CCD 接收系统同步测量目标,这就要求光电CCD 测量系统的上、下接收系统必须保持同步曝光时间。
在测量不同目标、现场粉尘以及目标在辊道颠簸传送等情况下,由于光电CCD 测量系统的上、下接收系统接收激光器能量上存在差异,在同一曝光时间下会导致光电CCD 测量系统的信号产生饱和或过低现象,给测量结果带来误差甚至是测量错误。
本设计是一种根据光电CCD 测量系统接收到的目标激光漫反射功率,自适应调整激光器驱动电流而改变激光器输出功率的技术,可达到抑制光电CCD 信号产生饱和或过低的目的,解决光电CCD 测量系统在激光器漫反射功率突兀变化产生测量误差的问题。
本文从半导体激光器特性出发,使用ADN8810芯片实现功率调节,主控器STM32F103进行数据分析,给ADN8810发送指令。
1 设计原理本设计使用单片机为ST 公司的STM32F103,通过主控器接收光电CCD 测量系统信号反馈信号,控制功率芯片ADN8810实现功率控制。
2 驱动电路整个电路包括电源部分、CCD 光电接收模块、激光器模块以及功率控制模块。
如图1所示。
系统的CCD 光电接收模块,用来控制激光器功率的增大和减少。
STM32F103接收数据,通过SPI 接口给功率控制模块发送指令,实现激光器模块输出相应的功率。
其中,激光使用的是T0-92的半导体激光器,波长为405nm,其功率变化范围为20mW ~ 60mW。
3 各模块的设计(1)CCD 光电接收模块。
光电CCD 接收模块如图2基于ARM 的半导体激光器驱动电路设计■温方金 艾朝辉 方扬扬 贾治国 吕坤摘要:为了适应激光测量仪器的应用场景,本文设计了一种高可靠性、低成本的半导体激光器驱动电路。
该设计以Cortex-M3内核的STM32F103单片机为核心,具有自适应改变半导体激光器功率的驱动电路,通过使用ADN8810芯片实现功率控制。
半导体激光器驱动电路的研究与设计袁林成;蒋书波;宋相龙;陆志峰【摘要】The design of semiconductor laser driving circuit is an important technology to decide the stability of semiconductor laser system,and it has an important impact on the output characteristics of the laser.The variation of injection current will cause the laser emission frequencyvariation,eventually lead to jump mode or multi-mode op⁃eration. In order to ensure the quality of the laser output of semiconductor laser,a high performance laser driving cir⁃cuit is studied and designed,this driving circuit includs power supply circuit,constant current sourcecircuit,protec⁃tion circuit and time delay buffer circuit four parts;C is simulated by software Multisim. The actual circuit results compares withthe exploited result map,finally the application of photon counter to test the laser output intensity fluctuation is defined in the 200 kilo-count/s to 400 kilo-count/s range,stability and has a high precision,the experi⁃mental results show that the sufficient stability and high precision satisfy the follow-up experiment.%半导体激光器驱动电路的设计是决定半导体激光器系统稳定性的重要技术,对于激光器输出特性有重要影响。