ERP管理信息系统制造基础数据整理文档格式规范标准
- 格式:doc
- 大小:106.50 KB
- 文档页数:9
郑州信望爱商贸有限公司旗下经营的品牌为:敏子、艾菲蒂、蓝亭鸟,为了更好在 ERP 管理系统中识别编码、区别品牌管理。
现将以上三个品牌做如下规范:品牌名称敏子艾菲蒂蓝亭鸟品牌编码备注1.为了区分在 ERP 系统中客户资料、店仓资料、货品编码等相关编码的区别要求,特将品牌编码规范。
2.客户资料如 MD01,以此编码可以识别出这是敏子品牌的代理商客户。
3.客户资料如 LD01J01,以此编码可以识出这是蓝亭鸟品牌的代理商下级加盟店客户。
4.其他引用此编码,均代表品牌的名称。
加强对货品的管理和识别, 根据当前现状制定出符合三个品牌统一管理和识别的商品编码 规范,具体规范如下: A .货品编码说明:B .商品编码列表参考规范表:货品编码字符 编码表示内容 备 注位1 品牌编码2 货品类型编码H:饰品, 其他类型如需增加, 可此外增加编类即可。
取年份后二位数字 (如 2022 年, 取 08 即可, 其他以此规则类推)1:春季 2:夏季 3:秋季 4:冬季意为:此品牌此类型此年份此季的该款正式生产代码流水号(譬如说,敏子服饰 08 年生产春季1. 商品编码统一长度为: 8 位字符 (字符包括字母、 数字, 其他字符无效);2. 第一位字符为:品牌标识;3. 第二位字符为:货品类型;4. 第三、四位字符为:年份(取年份的后二位字符即可);5. 第五位字符为:季节;6. 第六、七、八位字符:款号流水号;M:敏子 A:艾菲蒂 L:蓝亭鸟A:裤子 B:上衣 C:外套 D:毛衣 E:裙子 F:鞋 G:包 5 季节编码6-8 款号流水号3-4 年份编码的第一款货品时,即用 001 表示,也可简称敏子春季 001 款。
其他品牌流水号同样如此。
C.实例说明:1.敏子实例说明: MA081001字符位 1 2 3 4 5 6 7 8货品编M A 08 1 001码代表内品类年份季款号容牌型节流水号2.艾菲蒂实例说明: AA081001字符位 1 2 3 4 5 6 7 8货品编A A 08 1 001码代表内品类年份季款号容牌型节流水号3.蓝亭鸟实例说明: LA081001字符位 1 2 3 4 5 6 7 8货品编L A 08 1 001码代表内品类年份季款号容牌型节流水号A .颜色编码相关说明B .货品颜色编码表04 05 06 07 08 09 驼 紫 棕 银色 色 色 色04 05 06 07 08 09浅黑04 05 06 07 08 09米色04 05 06 07 08 09梅 大 枣 桃红 红 红 红1.颜色编码长度: 3 位数字字符表示2.颜色编码组成内容:色系、色号3.色系为:1位数字字符表示,分为7大系别(分别为:1黑色系、2白色系、3红色系、4蓝色系、5黄色系、6绿色系、0其他系)4.色号为: 2 位数字字符表示01 咖啡01黑色01白 黑03奶白03桔红 02 灰色02深 白02粉红 03卡其03 01红色 02 101010102314 5 6 01蓝色01黄色01绿色02深蓝02淡黄02军绿03淡蓝0303果绿040404深绿050505060606070707080808090909101010说明:1.此颜色编码表通用于艾菲蒂、敏子、蓝亭鸟成品颜色的规范;2.使用范围:公司、内部工厂、外发加工厂、客户;3.成品定色号前,必须按照实际颜色比对颜色编码表后,制定每款的颜色色号,如有差异,以最相似的颜色编码为准,多种布料时,以比例多者布料颜色为准。
公司ERP操作规范ERP操作规范1 ⽬的:通过规范公司各部门相关⼈员在ERP系统运⾏中应承担的职责,确保ERP 系统的管理思想和⽅法在公司各部门得以使⽤,提升公司现代化管理⽔平和⼯作效率,降低成本、提⾼产品竞争⼒。
2 范围:适⽤于涉及公司ERP系统运作的各部门。
3 操作要求规范:3.1 技术部3.1.1物料编码的编制●按照公司的“产品和物料的编码规则”编制成品、半成品、主料和辅料的代码,严格遵循唯⼀性、实⽤性、⽅便性、可⽤性原则。
●针对新增或修改的物料编码列出清单,清单中必须包含原编码和新编码信息,发送给企管部IT管理⼈员进⾏ERP系统的物料编码的更新操作。
3.1.2 BOM的编制● BOM表中的⼦件编码、单耗数量、领料仓库、⽣产部门必须指向正确。
● BOM的编制必须完全体现出设计要求的原辅材料选⽤之规格、单耗数量,确保设计技术规范作为BOM编制的唯⼀依据。
● BOM的编制和审核必须在该母件下达⽣产前完成。
下达⽣产后,即使还没有领⽤材料,如果BOM有了修改,必须通知企管部IT⼈员及时更新ERP系统中BOM信息,同时应通知⽣产计划员删除已有的⽣产订单,重新下达该产品的⽣产订单。
否则,材料的配⽐仍然是BOM修改以前的配⽐信息。
●编制BOM时有个必填项⽬“版本代号”,建议填写BOM编制时的⽇期,便于将来确定该BOM的适⽤性等⽤途。
●涉及技术部的以上⼯作建议由专⼈责任操作。
●技术部提交物料、BOM等信息更新到企管部时,须填写“ERP信息系统数据更新表”,如:3.2企管部IT3.2.1基础数据●物料基础数据维护对于新增的物料(系统中没有完全适⽤于该车型的物料信息,为新增物料),新增时须注意新的编码要参照之前已有类似存货的编码,并确保ERP系统编码唯⼀性后,能够与类似存货排列在⼀起,以⽅便使⽤时查找;其次,新增物料时⼀定要⽤复制最相似的已有存货的⽅法新增,不得采⽤直接新增的⽅法。
因为直接在ERP系统中新增物料编码时,该物料对应的系统默认初始参数信息均需要⼿⼯逐项录⼊,且系统的默认初始参数较多,录⼊时容易出错或漏掉,导致后期进⾏MRP计算时报错。
X公司ERP管理信息系统制造基础数据整理文档格式规范文档作者:创建日期:确认日期:控制编码:当前版本:审批签字:X公司项目经理>A公司项目经理>拷贝数量_____更改记录审阅分发人员目标本文档用于对该项目基础数据格式规范做了适当的控制,以便保证所填写的数据达到统一。
范围本文档在整个项目设计、实施等过程中都有效。
相关文档文档格式产品结构式:1、E xcel 文本格式2、所有字段的属性为文本3、规格栏中描述的是子零件的规格,M、Φ、L采用大写字母,“乘号”统一为大写字母“*”4、材质栏中内容按图纸填写5、材质栏中需要填写生产子项零件所采用的原材料的材质和规格6、辅肋描述栏中需填写配套零部件之间关联关系7、请将随车备件及工具在产品结构中描述表头格式工艺BOM格式:1、E xcel 文本格式2、所有字段的属性为文本3、工艺BOM部分数据由研究所提供表头格式字段说明投料工序序号:该子件在父件生产过程中投入的工序序号单件用料定额:生产一件产品所需要的子件或原材料的定额数量工序序号:反映工序的先后顺序的流水号,如:10、20、。
等工作中心:企业内的一定区域,它包含一定的人或设备,它可以用来进行成本采集和核销制造费,是进行生产能力平衡的单元固定工时:生产一件产品在该工序上的运行时间或加工时间操作说明:1、艺产品结构描述过程中必须保证产品结构的完整,可以执行整个表的排序、整行的移动、单元格的复制等不影响表结构的操作。
2、工艺产品结构可以脱离研究所提供的产品结构模式进行。
3、艺路线针对父件描述:在每一部件前插入一行,以部件图号作为父项图号,在后面相应字段中填入工艺信息,部件下子件的相关属性通过剪切/粘贴的方法从研究所提供的产品结构中提取。
4、反映装配关系,需要从其他部件中提取子件的,必须通过剪切/粘贴的方法从研究所提供的产品结构中提取。
5、对每一部件下的子件在“投料工序序号”中填入需要该子件的工序序号。
《管理信息系统》习题及答案第一章信息系统与管理一、名词解释1、信息:是关于客观事实的可通讯的知识2、系统:由处于一定的环境中相互作用和相互联系的若干组成部分结合而成的并为达到整体目的而存在的集合。
3、信息系统:信息系统是一个人造系统,它由人、硬件、软件和数据资源组成的,目的是及时、正确地惧、加工、存储、传递和提供信息,实现组织中各项活动的管理、调节和控制。
4、半结构化问题:决策过程中,有些问题涉及到环境因素、决策者的心理、经验及其它不确定因素,使得决策过程不完全可理解和计算,这类问题称半结构化问题二、填空题1、系统的特征有(整体性、目的性、相关性、环境适应性)2、信息系统包括(信息处理系统)和(信息传输系统)3、按处理的对象,可把组织的信息系统划分为(作业信息系统)和(管理信息系统)4、信息系统的发展阶段有(电子数据处理系统、管理信息系统和决策支持系统)5、西蒙提出按问题的结构化程度不同可将决策问题划分为三种类型,它们是(结构化决策、非结构化决策和半结构化决策)三、简答题1、信息的特征答:事实性、时效性、不完全性、等级性(战略级、战术级、作业级)、变换性和价值性。
2、决策的四个阶段答:(1)情报活动阶段;(2)设计活动阶段(3)选择活动阶段(4)实施活动阶段3、什么是信息,信息与数据的区别?答:(1)信息是关于客观事实的可通讯的知识(2)区别:信息是经过加工处理的数据,即数据是原材料,而信息是产品,信息一定是数据但不是所以的数据都可以成为信息的。
第二章管理信息系统概论一、名词解释1、管理信息系统:是一个由人、计算机等组成的能进行信息惧、传递、储存、加工、维护和使用的系统。
二、填空1、管理信息系统的结构中,基于管理任务的系统层次结构可分为(战略管理、管理控制和运行控制)三层次结构。
2、工业企业按其劳动对象来分可分为(采掘业、冶炼业和制造业)三大类3、根据我国管理信息系统应用的实际情况和管理信息系统服务对象的不同,可将管理信息系统的分为(国家经济信息系统、企业管理信息系统、事务型管理信息系统、行政机关办公型管理信息系统和专业型管理信息系统)五种4、MRPII是指(制造资源规划);ERP指(企业资源规划);JIT指(准时制生产);OPT指(最优化生产技术);AGILE指(敏捷制造)5、准时制生产追求的目标是(零库存)三、简答题1、管理信息系统的特点答:(1)面向管理决策(2)综合性(3)人机系统(4)现代管理方法和手段相结合的系统(5)多学科交叉的边缘学科。
ERP-PM主数据设置规范(根据V1.0整理,如有新版,欢迎补充)1 计划工厂与维护工厂设置规范∙ ∙原则上,计划工厂每家企业只设一个,该计划工厂同时还是物采部工厂,即与物资与采购模块共用一个工厂;如确实需要在同一个公司代码下设置几个计划工厂,如有两个机动部门各负责一部分设备的维修计划,此时可以设置两个计划工厂。
∙∙ 维护工厂:已经进行扁平化改革的企业(已取消二级厂机构的)只设一个维护工厂,与计划工厂一致;仍然具有三级管理体制的特大型企业原则上仍要求设置一个维护工厂与计划工厂相对应,以适应企业未来组织机构调整的需要,可按二级厂进行维护工厂设置,即每个二级厂设一个维护工厂。
∙∙ 计划工厂与维护工厂:在已经扁平化改革的企业,计划工厂与维护工厂为同一个工厂;在仍然具有三级管理体制的特大型企业,允许计划工厂与维护工厂为一对多的关系。
计划工厂和维护工厂的编号将采用物资与采购模块规定的编码方式,即使当维护工厂数量多于物采工厂的数量时,维护工厂也要采用物采工厂的流水号编码方式且在同一个物采工厂下进行收发货业务操作;计划工厂直接采用物采工厂的编号。
1.1维护工厂及工厂区域设置规范∙∙ 工厂区域设置为设备所属部门,即设备的使用部门,如设置为车间、作业部、管理处室、专业中心等,要求尽量向装置细化。
∙∙ 工厂区域使用3位(字母+数字)代码,以字母开头,数字结束,具体由顾问和关键用户自己决定,要求将工厂区域清单列入配置清单中。
1.2计划工厂/计划组/工作中心结构设置规范计划组:(车间的设备技术组可以是一个员计划员组)∙∙ 计划组设置为设备的维护计划管理和制定单位,例如,设置为管理车间/作业部/专业中心等,要求尽量向装置细化。
∙∙ 计划组使用3位(字母+数字)代码,以字母开头,数字结束,具体由顾问和关键用户自己决定,要求将工厂区域清单列入配置清单中。
∙∙ 当设备的维修单位和所属单位不相符时,设备主数据的计划员组和工厂区域不相同工作中心:∙∙ 工作中心是设备的维修单位,包括内部的维修班组、车间,外部的保运单位和外委服务施工单位。
1.0目的规范工程部外发ERP系统填写,以确保填写内容的规范性、全面性,一致性,并准确的指导和服务生产。
2.0适用范围适用于外发工程制作人员对各项数据的填写。
3.0职责工程制作人员按本规范填写各项内容,顾客有任何特殊要求必须备注在相应工序(将顾客特殊要求传达到下一工序),本规范与顾客的要求发生冲突时,应以顾客要求为准,但顾客要求应符合本公司的生产、工艺能力,如超出则应按相关程序进行问题反馈,在此过程中应遵循“尊重顾客设计意图”的总原则,对顾客文件的改动影响到其电气性能、物理使用性能时,应使顾客清楚知悉,并有顾客书面确认,或根据顾客的要求进行相应的改动。
4.0 ERP系统填写规范4.1概述工程人员根据顾客资料的内容填写ERP各项内容,内容主要包括流程、流程指示、顾客要求及工程调整的工艺参数及该板其它需注意的信息以指导、支持各相关部门的工作。
ERP提供的各信息作为指导生产的资料,输入ERP时,检查无误后提交工程QA审核,工程QA审核无误后方可通知文控上网;当生产的料号有更改时由工程出ECN,将更改后的信息传达到生产线;工程输入过程中发现部分信息已经录入,必须对已经录入的信息根据公司能力审核,不满足公司能力的必须根据公司能力进行更改(如:双面板开料,多层板开料及层压能否满足板厚公差,阻焊颜色、字符颜色等是否与顾客要求一致,自带生产型号的编号、版本号、后缀名是否正确)。
生产线根据指示生产。
4.2.1.2 新单:进入ERP系统的网络模块,点击临时报表,点击查询,选择导入订单和预审信息,选择修改,输入相应的生产型号,点击保存,然后选择执行,(执行完成之后提示不用理会)(外发CAM)从此窗口选择,导入相应资料4.2.2工程模块,4.2.2.1编写流程选择编写流程;查找生产型号选择好板面类型(主要根据表面处理方式,如:喷锡、全板镀金、OSP 或掩孔板)及板层数,系统会自动选择好流程参数,根据实际需要,添加或删除一些流程。
企业信息化ERP技术规范1ICS 35.240.50 企业信息化技术规范第1部分:企业资源规划系统(ERP)规范中华人民共和国信息产业部 批准SJ前言<企业信息化技术规范>系列标准当前由以下部分组成:——第1部分:企业资源规划系统(ERP)规范;——第2部分:产品数据管理系统(PDM)规范;——第3部分:客户关系管理系统(CRM)规范;——第4部分:协同产品商务系统(CPC)规范;——第5部分:供应链管理系统(SCM)规范;——第6部分:办公自动化系统(OA)规范;——第7部分:企业信息化监理规范;…………本部分为第1部分。
本部分由中国电子技术标准化研究所(CESI)归口。
本部分起草单位:中国生产力促进中心协会、中国电子技术标准化研究所。
本部分主要起草人:邓超、冯惠、陆续、张志道、蔡嘉玲、朵晶。
本部分主要参与起草单位:北京用友软件股份有限公司神州数码管理系统有限公司北京信科天成科技开发有限公司II北京利玛软件信息技术有限公司西安必特思维软件有限公司北京和佳软件技术有限公司北京希门信息技术有限公司北京富士通系统工程有限公司天津企之星信息技术有限公司杭州新中大软件股份有限公司北京天思通软件开发有限公司哈尔滨工业大学科软股份有限公司西安交大博通资讯股份有限公司珠海通软管理科技有限公司深圳东方天成管理顾问有限公司高维信诚资讯有限公司英克科技有限公司安易软件有限责任公司浪潮集团通用软件有限公司吉大工易软件有限公司大连华录计算机有限公司广州科思电脑系统有限公司III企业信息化技术规范第1部分:企业资源规划系统(ERP)规范1范围本部分给出了企业资源规划系统(以下简称ERP)的相关软件功能、开发管理、实施管理的基本要求和方法。
本部分适用于企业ERP产品与服务选型工作。
2术语和定义下列定义适用于本部分。
2.1验收acceptance需方授权代表的一项活动,经过该活动,需方接受履行合同的部分或全部的软件产品的所有权。
152大众商务ERP是企业资源计划,系统管理工具,利用供应链管理原理以及业务重组理论,理顺业务流程,减少避免不增值流程,是组织管理信息化工业化结合的新模式。
ERP实施成功的关键是数据。
物料主数据包含了企业采购、生产和存储在库存中物料的描述,贯穿于企业的各个流程。
一、物料主数据的收集①制定合理的收集方案。
根据企业现有的数据资源,划分收集范围,避免重复收集,仔细衡量辨别历史数据的有效性,针对新模块需要进行有效的数据收集。
②制定物料主数据编码规则。
制造企业物料品类复杂繁多,首先要分门别类按照物料的性质分类,编码的类别一般分为3个层次,即大、中、小类码,每一层数码位数不超过两位,后面再加上流水码,流水码的位数根据实际情况及未来发展的情况来定。
③收集物料清单成立专门的工作小组。
项目负责人直接领导。
根据业内经验和公司实际情况制定编码规则,负责物料主数据的编码体系的整理与维护,规范企业工程数据,保证主数据的规范化和有效性。
④依据分类体系进行编码。
信息分类编码标准化是进行信息交换和实现信息资源共享的重要前提,是实现管理规范化流程化必要条件。
信息分类的基本原则是科学性、系统性、可扩展性、兼容性、实用性。
⑤编码不需要包含过多的含义。
编码只是一个符号代码,简洁明了,通俗易懂,含义过多容易导致编码混乱,含义没有必要在编码中体现,应考虑在料件属性分群码内体现。
⑥编码确保唯一性。
物料编码作为ERP系统最基本的信息单元是进行分类检索统计处理信息的依据,物料和编码必须一一对应,一个物料编码只能代表一种物料,同一个编码只能对应一个物料编码。
二、物料主数据标准化管理标准化的物料主数据是实现供应链管理的基础。
物料标准化的重要性,如同建造一栋大楼的地基,地基不牢,地动山摇,物料标准化是实现ERP数字化管理的基础。
(1)完善数据管理规范体系。
①物料主数据名称规格要求规范,采用通用书面语言描述,禁止使用方言、俚语、土话等语言文字,避免使用繁体字、通假字、错别字、同音不同义、同音不同字的文字描述。
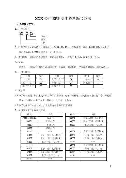
XXX 公司ERP 基本资料编号方法一、仓库编号方法 1.仓库的编号:流水号 类别厂别2.厂别根据公司划分的分厂编流水号,从00,01,02……依次类推;譬如,00001即为公司电子一分厂成品仓;01003即为电子一分厂化工仓。
3.类别根据目前公司的现状分为一般仓与虚拟仓,一般仓用0代码,虚拟仓用1代码。
4.定义:虚拟仓——指为产品制程中流动的组件(半成品)而虚构的、没有场所的仓库,或称线边仓。
5.厂别的规划6.流水号6.1为了统一规划,原则上电子产品分厂目前分为:电子件材料仓、结构件材料仓、化工仓(即易燃品仓),音箱产品分厂分为:材料仓、化工仓、包装仓。
6.2为了对应分厂产品入库,公司成品仓根据分厂厂别而设。
7.公司现有系统仓库编号汇总二.工作中心的编号方法1.工作中心编号:流水号 拉别厂别1.1厂别根据公司划分的分厂编流水号,从01,02……依次类推;譬如,01为电子一分厂。
1.2拉别根据车间的组成工序,从01,02,03……依次类推;譬如,0101为电子一分厂解码车间。
1.3流水号根据车间的组成工序,从1,2,3……依次类推。
譬如,01043为电子一分厂装配第3拉。
2.工作中心规划2.1厂别的规划同仓库编号方法一致。
3.公司现有系统各分厂工作中心编号汇总三.部门/组的编号方法1.部门/组编号:部门流水号厂别1.1厂别根据公司划分的分厂编号,从1,2,3……依次类推,公司编号为0。
1.2部门流水号根据本厂的部门编号,从01,02,03……依次类推;譬如,104为电子一分厂仓管部。
2.厂别编号的规划3.公司现有系统部门编号汇总四.用户的编号方法1.用户的编号流水号部门厂别1.1用户编号由部门/组的编号与流水号组成,部门/组的编号按“三..部门/组的编号方法”执行,流水号由两位数组成,根据各部门各分厂用户的信息,从01,02,03……依次类推;譬如,00100所指的用户为总经办总经理。
ERP系统应用标准规范第一章 ERP应用标准1、库存模块:库存模块要求达到集成整个库存业务的收、发、存操作,满足现有和将来的业务必需求,具体目标如下:● 成品仓库存准确率达到100%;● 材料仓库存准确率达到98%以上;● 车间库存项目数量误差率控制在正负5%;2、采购模块采购模块要求反映整个供应商、报价单、请购单、采购订单及各审批结构的信息输入、跟踪和维护,具体目标如下:● 采购报价单相关信息:供应商、项目、价格、币种、有效期准确率达到100%;● 采购订单相关采购信息:价格、数量、币种出错率控制在3‰;● 采购订单完成率达到95%以上;3、BOM模块BOM模块反映了整个产品的结构、层次、生产工序信息,是最基础也是最关键的数据,具体目标如下:● 按编码规则编制的项目编码和以蓝图为依据录入的项目描述的准确率达到100%;● 项目属性信息:模板、单位、供应类型、供应子库、计划员等属性定义的准确率达到99%以上;● BOM信息:清单项目、定额、损耗、供应类型、有效期等BOM信息的准确率达到98%以上;4、计划模块合同评审是计划系统的源头数据,计划运行结果直接指导生产和影响采购的及时性、准确性,具体目标如下:● 依据合同评审录入主计划的准确率达到100%;● 通过主计划运行出的生产计划准确率达到90%;● 通过主计划运行出的物料必需求计划准确率达到85%;注:生产计划和物料必需求计划准确率的评定是依据单次计划运行的结果而得,未将插单、推迟、取消等影响计划准确性因素排除。
5、WIP模块车间生产任务是车间的生产指令,由计划模块下放而得,车间生产任务执行、清理状况又会影响计划运行的准确率,具体目标如下:● 每月车间生产任务总装执行率达到98%以上;● 任务的定义、帐户类别、外协替代清单的出错率控制在5‰;● 每月外协任务总体执行率达到90%以上;6、成本模块成本数据可以充分体现公司经营的成本目标及状况,使不同期间成本数据的可比性加强,具体目标如下:● 财务制定的成本录入的准确率达到100%;● 成本录入的数值控制在有效报价单最高价和最低价之间;7、评定标准为了对事业部各子公司ERP系统的应用状况进行评定,以更好地推动ERP系统的应用和发展,特以几大模块的主要运行数据为依据,结合事业部的特点和业界的相关评定标准制定出一套在事业部范围内通用的ERP系统实施评级标准,具体参数如以下表格:ERP系统评级标准第二章ERP维护应用规范为达到以上目标,必需要系统管理员从系统整体角度对系统设置、方案制定、流程制定、日常培训及维护进行合理、有效、便捷的管理和监控,更必需要业务操作员严格按照既定的操作规范进行操作,才干更充分、有效的应用系统为企业管理服务。
企业ERP系统管理规范1、总则第一条为了加强公司信息系统的管理,确保信息数据的安全性和准确性,促进公司管理信息系统工作持续健康的发展,满足领导决策信息和信息披露的需要,根据公司相关管理制度,结合管理信息系统工作的特点,特制定本办法。
第二条管理信息系统是指在公司管理工作中,运用通信技术、网络技术、计算机技术和现代信息技术而建设和运行的能对有关数据进行收集、传送、加工、处理、存储和管理的各种系统的总和。
第三条公司管理信息系统工作的目标是:以会计核算为基础,逐步建立全行业统一的、科学的、经济合理的,并具有辅助核算、支持决策和办公自动化功能的信息网络系统。
第四条公司部负责管理全行业的管理信息系统工作。
基本任务是:(一)研究制定管理信息系统发展规划,并组织实施;(二)根据集团公司新的需求组织相关部门、人员对管理信息系统进行改进和完善;(三)制定管理信息系统的管理办法和规章制度;(四)组织制定管理信息系统行业标准、规范,并组织实施;(五)组织和管理管理信息有关人员的培训工作;(六)总结、交流推广管理信息系统的经验,指导各单位开展管理信息系统工作;(七)建立集团公司“技术支持热线”和“项目管理网络系统”,负责协调各种同信息系统相关的技术服务和相关技术问题的解答。
第五条各下属单位部门,应根据集团公司的各项规定、标准和规范来开展本单位的管理信息系统工作。
第六条管理信息系统是集团公司管理工作的发展方向和重点,各单位应当充分重视这一工作,把它做为建立现代企业制度、提高信息质量,满足报告流程,加强企业内部管理的一项重要工作来抓,为决策者和管理者提供高质量的信息服务。
要把管理信息系统工作同其他工作有机地结合起来,逐步过渡到以管理信息系统为基础和手段的工作方式上来。
要重点做好普及工作,使绝大部分企业办公人员了解和掌握管理信息系统。
本信息化规范目前适用于集团公司总部,下属各级单位。
本规范既是保证系统正常运行的规范,也是集团部考核各单位部门工作情况的重要依据。
制造基础数据整理文档格式规范
在制造行业中,数据整理文档是非常重要的一部分工作。
为了确保数据的规范、完整和准确性,需要制定一套文件格式规范。
以下是一些基本的规范:
1. 文件命名规范
文件命名应该简洁明了,能够清晰地反映文件内容,避免出现名称含糊、重复的情况。
建议采用下划线连接单词,例如“产品名称_日期_版本号.xlsx”。
2. 正文排版
正文排版应该清晰可读,字体大小建议12-14号。
标题应该使用粗体,子标题则可以使用斜体或下划线来区别。
段落间隔宜设置1.5倍行距。
3. 表格和图形规范
表格和图形是整理数据文档中常用的展现方式,它们应该使用统一的格式和样式。
建议表格的标题使用粗体,对齐方式一定要对齐,对于数字应尽可能对齐小数点。
图
形应该清晰易懂,标注文字应使用黑体或粗体字。
4. 数据统计方法规范
在整理数据文档中,需要用到各种数据统计方法,包括平均值、中位数、标准差等。
为确保数据统计的准确性,需要在文档中详细说明使用的统计方法,并附上计算
公式和样例。
5. 版本管理规范
在制造流程中,版本管理是至关重要的一环。
因此,在整理数据文档时,需要在文件名或者文档开头标注版本号和更新时间,以备后续追溯或回溯。
综上所述,制定基础数据整理文档格式规范对于有效管理和利用制造数据是非常重要的。
只有遵循合理规范,数据整理文档才能更好地服务于生产流程,提高工作效率,促进企业的发展。
仓库管理规范一、总则物控是ERP系统管理的两大重要组成部分之一,仓库则是公司的物控管理中心,是物管的主体和实施者。
仓库的管理要从进货入库开始,到销货出库结束。
源头的管理是仓库管理的重中之重。
仓库要保证所有购进的物品都要有入库,能体现在库存之中;同时保证所有销出或者用掉的物品都有出库,保证库存帐实相符。
仓库采取宽进严出的管理原则,简化入库程序,提高工作效率;严格出库程序,保证库存数据确凿无误。
二、仓库的分类与管理人员设定在ERP系统之中,按仓库的性质分两类:存货仓和非存货仓。
按是否纳入可用量计算划分也可以分为两类仓库,经这样的排列组合起来就总共是四类仓库。
其中有报废类仓库和返修类仓库是非存货仓;只有客户成品仓、滞留成品仓、芯片储备仓、芯片已用仓、配件仓和滞留配件仓纳入到可用量的计算。
另外,仓库按内容分还分为芯片仓、成品仓、配件仓三大类,管理人员分别对应张正和成品仓库组、物流组的成员(因公司操作的特殊需要而设的库存机芯片仓由成品仓库负责管理)。
三、仓库设定与使用限定细分仓库:芯片仓分为芯片储备仓、芯片已用仓、芯片不良品仓、芯片报废仓、库存机芯片仓四个仓库。
成品仓分为客户成品仓、滞留成品仓、不良品仓、返修仓、借入仓、新机借出仓、返修借出仓、样品仓、成品报废仓。
配件仓分为配件仓、滞留配件仓、配件报废仓。
仓库定义:芯片储备仓:用来管理购回的未用的芯片的仓库芯片已用仓:用来管理发送到供应商手上的芯片的仓库芯片不良品仓:用来管理有限制使用条件的芯片的仓库芯片报废仓:用来管理已无法使用的芯片的仓库库存机芯片仓:用来管理库存机的芯片的仓库客户成品仓:用来管理有订单的成品的仓库滞留成品仓:用来管理无订单的成品的仓库不良品仓:用来管理有限制使用条件的成品的仓库返修仓:用来管理客户销退回来进行返修的成品的仓库借入仓:用来管理公司从外部借入产品的仓库新机借出仓:用来管理从客户成品仓借出去尚未归还的成品的仓库返修借出仓:用来管理从返修仓借出去尚未归还的返修品的仓库样品仓:用来管理公司样品柜内的产品的仓库成品报废仓:用来管理无法使用的成品的仓库配件仓:用来管理普通的做库存的配件的仓库滞留配件仓:用来管理配件的滞销品的仓库配件报废仓:用来管理已无法使用的配件的仓库仓库的使用限定:所有购入产品只能入客户成品仓、配件仓、芯片储备仓;所有返修机入库只能入返修仓;所有组合单选择仓库必须为客户成品仓;所有组合单出库仓库必须只能为客户成品仓、配件仓、芯片已用仓、库存机芯片仓;所有销货单选择仓库必须只能为客户成品仓、返修仓;其它仓库不得出入库,只能作为调拨、借入借出、报废、销毁仓库使用。
1.0目的规范工程部外发ERP系统填写,以确保填写内容的规范性、全面性,一致性,并准确的指导和服务生产。
2.0适用范围适用于外发工程制作人员对各项数据的填写。
3.0职责工程制作人员按本规范填写各项内容,顾客有任何特殊要求必须备注在相应工序(将顾客特殊要求传达到下一工序),本规范与顾客的要求发生冲突时,应以顾客要求为准,但顾客要求应符合本公司的生产、工艺能力,如超出则应按相关程序进行问题反馈,在此过程中应遵循“尊重顾客设计意图”的总原则,对顾客文件的改动影响到其电气性能、物理使用性能时,应使顾客清楚知悉,并有顾客书面确认,或根据顾客的要求进行相应的改动。
4.0 ERP系统填写规范4.1概述工程人员根据顾客资料的内容填写ERP各项内容,内容主要包括流程、流程指示、顾客要求及工程调整的工艺参数及该板其它需注意的信息以指导、支持各相关部门的工作。
ERP提供的各信息作为指导生产的资料,输入ERP时,检查无误后提交工程QA审核,工程QA审核无误后方可通知文控上网;当生产的料号有更改时由工程出ECN,将更改后的信息传达到生产线;工程输入过程中发现部分信息已经录入,必须对已经录入的信息根据公司能力审核,不满足公司能力的必须根据公司能力进行更改(如:双面板开料,多层板开料及层压能否满足板厚公差,阻焊颜色、字符颜色等是否与顾客要求一致,自带生产型号的编号、版本号、后缀名是否正确)。
生产线根据指示生产。
4.2.1.2 新单:进入ERP系统的网络模块,点击临时报表,点击查询,选择导入订单和预审信息,选择修改,输入相应的生产型号,点击保存,然后选择执行,(执行完成之后提示不用理会)(外发CAM)从此窗口选择,导入相应资料4.2.2工程模块,4.2.2.1编写流程选择编写流程;查找生产型号选择好板面类型(主要根据表面处理方式,如:喷锡、全板镀金、OSP 或掩孔板)及板层数,系统会自动选择好流程参数,根据实际需要,添加或删除一些流程。
工厂文件字[2009] 号工厂ERP系统库存模块管理规范第一章总则第一条为规范工厂库存管理的流程,提高库存数据的及时性、准确性、完整性,特制定本规范。
第二条本规范包括订单接收、发料及日常保管三部分,适应于武汉工厂。
第二章管理规定第一节库存模块基础信息规范第三条库存周期月范围由制冷IT统一负责设定,工厂成本管理在月初打开下月的周期,并根据结帐情况,及时关闭上月的周期。
第四条仓管员打包仓库编号由工厂IT定义员工时负责设定,后期如果调整,物资核算员将调整信息反馈到ERP管理员处进行调整。
第五条仓管员对应的子库物料操作权限由物资核算员专人负责设定。
第六条系统新增子库由工厂IT负责设定,成本管理负责提供子库对应的账户,新增货位由物资核算员负责设定。
第七条物料账户别名由成本管理负责设定,负责别名账户的准确性。
第八条物资核算员需及时维护物料库存属性,包括物料默认发料子库,物料仓管员等。
第九条ERP系统管理员负责系统账户、员工职位及系统职责日常管理。
第二节订单接收及退货规范第十条外租仓物料接收,供应商开具手工单,仓管员根据单据以及供方在外租仓租赁所剩的面积进行收货管理,及时做系统接收,事物处理类型选择“k.外租仓入库”,退货选择“k.外租仓出库”,来源处备注单据号,账户科目项不填写;外租仓物料调到配套仓,仓管员负责打印送货单,出货子库选择外租仓。
第十一条配套仓推式物料的接收:供方打印标准送货单(外租仓仓管员负责打印),仓库员接收有需求的两天(不包括当天)的物料,在收到单据后2小时内完成系统条码接收,如果原订单可用量不足,可以选择重新匹配选择新的未结订单进行接收;的允许部分供方不打标准送货单,仓管员使用系统标准方式对订单进行接收。
第十二条配套仓拉式物料缺料报送及接收:仓库根据拉式物料的安全库存(3-7天用量)进行在系统中增加缺料数据,采购负责组织回货,供方打印标准送货单,仓库根据安全库存量进行接收控制,在收到单据后2小时内完成系统条码接收;的允许部分供方不打标准送货单,仓库可以使用系统标准方式对订单进行接收。
X公司ERP管理信息系统
制造基础数据整理文档格式规
文档作者:
创建日期:
确认日期:
控制编码:
当前版本:
审批签字:
X公司项目经理>
A公司项目经理>
拷贝数量_____
更改记录
审阅
分发人员
目标
本文档用于对该项目基础数据格式规做了适当的控制,以便保证所填写的数据达到
统一。
围
本文档在整个项目设计、实施等过程中都有效。
相关文档
产品结构式:
1、Excel 文本格式
2、所有字段的属性为文本
3、规格栏中描述的是子零件的规格,M、Φ、L采用大写字母,“乘号”统一为大写字母“*”
4、材质栏中容按图纸填写
5、材质栏中需要填写生产子项零件所采用的原材料的材质和规格
6、辅肋描述栏中需填写配套零部件之间关联关系
7、请将随车备件及工具在产品结构中描述
表头格式
工艺BOM格式:
1、Excel 文本格式
2、所有字段的属性为文本
3、工艺BOM部分数据由研究所提供
表头格式
字段说明
投料工序序号:该子件在父件生产过程中投入的工序序号
单件用料定额:生产一件产品所需要的子件或原材料的定额数量
工序序号:反映工序的先后顺序的流水号,如:10、20、。
等
工作中心:企业的一定区域,它包含一定的人或设备,它可以用来进行成本采集和核销制造费,是进行生产能力平衡的单元
固定工时:生产一件产品在该工序上的运行时间或加工时间
1、艺产品结构描述过程中必须保证产品结构的完整,可以执行整个表的排序、整行的移动、单元格的
复制等不影响表结构的操作。
2、工艺产品结构可以脱离研究所提供的产品结构模式进行。
3、艺路线针对父件描述:在每一部件前插入一行,以部件图号作为父项图号,在后面相应字段中填入
工艺信息,部件下子件的相关属性通过剪切/粘贴的方法从研究所提供的产品结构中提取。
4、反映装配关系,需要从其他部件中提取子件的,必须通过剪切/粘贴的方法从研究所提供的产品结
构中提取。
5、对每一部件下的子件在“投料工序序号”中填入需要该子件的工序序号。
见例一。
6、辅料描述在部件上,在该部件后插入一行,在子项图号中描述辅料名称。
7、工艺设计中带‘艺’的零部件,在产品结构中增加一层,进行描述,同时将工艺组件中出现的零件,
在原产品结构中删除。
8、采购/自制”属性针对子项进行描述。
计划格式:
1、Excel 文本格式
2、所有字段的属性为文本
3、产品计划部份数据由供应处提供
表头格式
字段说明:
父项图号:产品结构上的父项零件
允许提前天数:在其之前计划流程不会重新计划订单的天数
计划时间栏天数:在计划时间栏,计划流程不对原计划时间做新修订
需求时间栏天数:在需求时间栏,计划流程会忽略预测需求
发放时间栏天数:计划系统自动将到期日在发放时间栏的计划定单发放
预处理提前期:为安排订单您必须在采购或制造提前期的基础上添加的天数
车间管理格式:
1、Excel 文本格式
2、所有字段的属性为文本
3、车间管理部分数据由工艺处提供
表头格式
父项:产品结构上的父项零件
计划产出率:组件产品生产合格率
制造标准批量:计算装配提前期的标准批量
是否是外协项目:是否可以将项目添加至外协处理采购订单行
损耗比率:制造或存储期间预计损失的物料的平均数额
处理提前期:生产或制造项目所要求的天数。
对于制造装配件,处理天数应等于制造提前期固定提前期:生产订货数量之外的装配件所要求的天数,如设置或拆卸时间
可变提前期:生产一个单位装配件的时间
提前期批量:用于计算提前期的零件数量
供料方式(推/拉):推式:推式组件可根据需要直接发送给离散任务和重复性计划。
拉式:在在制品管理系统中完成装配件之后,您可以将拉式装配组件发放给离散任务和重复性计划最小移动数量:从这道工序转移到下到工序的最小数量
采购数据格式:
属性名称
名称描述
料品图号
材质
规格
尺寸
采购单位
直接用于采购的计量单位
是否使用批准供应商
是否仅使用已审批供应商
是否可以更新说明
是否允许更新项目采购单据行上的项目说明
是否需要询价单
指在下达采购单之前是否先有开出询价单的过程
缺省采购员
该种料品缺省的责任采购人
接受关闭容差
是否危险品
该种料品是否是危险品
危险品等级
它所属的危险品等级(企业需经过分级管理)
列表价格
市场价格
该料品目前的市厂价格
价格容差
超出项目正常价格围的最高价格百分比
接受日期行动
当采购单到接受日时是否自动无行动/警告/拒绝
可接受提前天数
允许的提前采购单收货天数
可接受延后天数
允许的超期采购单收货天数
过量接受数量控制措施
当采购接受过量时是否有控制措施
过量接受数量控制容限
最多可接受多少采购过量
接收方式
包括直接/检验/标准(接收和入库分成两次)
最小订单数量
生成采购计划单数量时用,指一次订单的最小订购数量
最大订单数量
生成采购计划单数量时用,指一次订单的最大订购数量
舍入定货数量
整数化采购计划单数量时用,指采购数量不足时可使用此数修整
预处理提前期
为安排订单您必须在采购或制造提前期的基础上添加的天数
处理提前期
生产或制造项目所要求的天数。
对于制造装配件,处理天数应等于制造提前期
后处理提前期
从初始供应商收到采购项目后,转入库存所要求的天数。
如果“制造或购买”属性设置为制造,则您不能输入值
库存数据格式:
.
属性名称
仓库编码
仓库名称
是否数量跟踪
说明:指该仓库中所有料品数量帐是否在入出交易处理中被更新
库位控制
说明:指该仓库中是否进行子库位的控制
是否是资产子库存
说明:指该仓库中的库存是否算入资产类中
是否为可保留量库
说明:指该仓库中的库存数是否为各类单据保留
库存材料科目
说明:标识该仓库中的库存金额记入何材料科目(可先不填)科目说明
其它备注说明
已解决和未解决的问题未解决的问题
已解决的问题。