弹石铺装施工工艺
- 格式:docx
- 大小:16.32 KB
- 文档页数:4
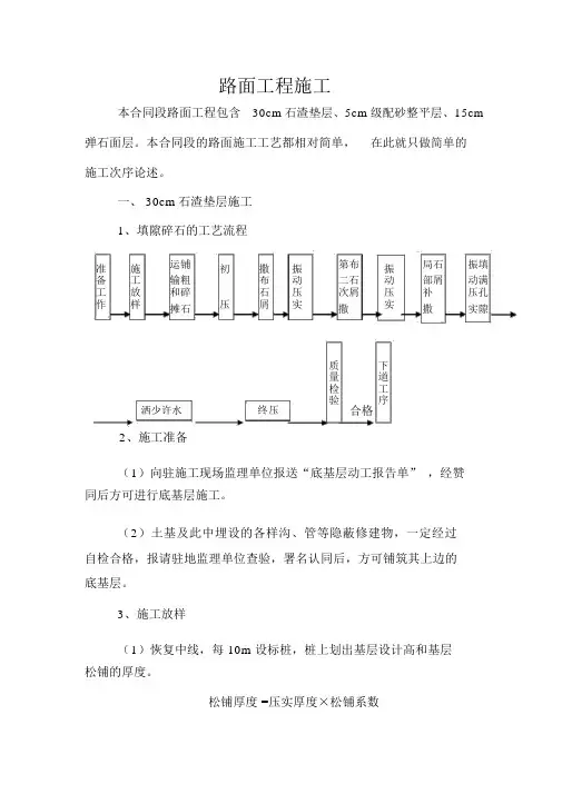
路面工程施工本合同段路面工程包含30cm石渣垫层、5cm级配砂整平层、15cm 弹石面层。
本合同段的路面施工工艺都相对简单,在此就只做简单的施工次序论述。
一、 30cm石渣垫层施工1、填隙碎石的工艺流程准施运铺初撒振第布振局石振填输粗二石部屑动满备工布动动工放和碎石压次屑压补压孔作样摊石压屑实撒实撒实隙质量检验下道工序洒少许水终压合格2、施工准备(1)向驻施工现场监理单位报送“底基层动工报告单” ,经赞同后方可进行底基层施工。
(2)土基及此中埋设的各样沟、管等隐蔽修建物,一定经过自检合格,报请驻地监理单位查验,署名认同后,方可铺筑其上边的底基层。
3、施工放样(1)恢复中线,每 10m 设标桩,桩上划出基层设计高和基层松铺的厚度。
松铺厚度 =压实厚度×松铺系数(2)中心线双侧按路面设计图设计标桩,计算出基层设计标高后,在标桩上划出基层设计高和松铺高度。
这样做是为了使基层的高度,厚度和平坦度达到质量标准。
4、备料(1)依据底基层的宽度、厚度及松铺系数( 1.20 ~1.30 ), 碎石最大粒径与压实厚度之比为 0.5 左右时,系数取 1.3 ,比值较大时,系数靠近 1.20 。
计算各段需要的粗碎石数目,并按施工平面图堆放。
(2)填隙料的用量约为粗碎石重量的 30%~40%。
5、铺筑试验段填隙碎石底基层正式施工前应铺筑试验段。
6、运输和摊铺粗石渣(1)在摊铺段双侧先培土,以控制底基层的宽度和厚度,再每隔必定距离铺筑盲沟,考虑雨后排出底基层积水。
(2)石渣装车时,应控制每车料的数目基真相等。
(3)卸料时,往常有专人指挥,严格控制卸料距离,防止铺料过多或不够。
(4)用平川机或其余适合的机具,将粗碎石平均地摊铺在预约的宽度上,可辅以人工配合。
表面应力争平坦,并有规定的横坡。
(5)查验松铺资料层的厚度能否切合估计要求,必需时应进行减料或补料工作。
7、撒铺填隙料和碾压(干法施工)a、初压。
用 18t 压路机碾压 3~4 遍,使粗石渣稳固就位,碾压时,由边向中、由低向高进行。
一、弹石路面概述1、弹石路面用各种不同形状和尺寸的石块铺筑的路面统称为块石路面。
块石路面按石块的加工修琢程度不同,规格尺寸不同又分为整齐块石路面、半整齐块石路面和不整齐块石路面。
弹石路面属于半整齐块石路面,它是用经过粗凿加工后的石块,铺筑在砂垫层上,经碾压成型的一种路面结构。
2、适用范围适用于石料丰富的山区公路上,急弯陡坡地段,路基尚未稳定的填方地段,新修公路没有经过严格压实的路基上修建过渡式路面。
适用于交通量较少,通往1〜2个乡镇的县乡公路、乡村公路,能适应重、中型交通。
3、优点坚固耐久,抗滑性能好,清洁少尘,就地取材、造价较低,每平方米造价一般在20元左右,便于群众性施工,便于养护,养护成本低,对路基质量要求相对较低,施工期间能维持正常通车,建设和养护技术要求不高,施工难度小,不污染环境。
4、缺点路面平整度不如沥青路面,行车噪声较大,需要用手工铺筑,劳动强度大,劳动力消耗多,必须有掌握铺砌技术的人才能承担铺筑工作,否则平整度和紧密度不易保证,随着使用年限增长,平整度越来越差,大面积的病害出现,翻修也很困难。
5、强度形成机理弹石路面属于嵌锁形结构,主要依靠地基的承载力和石块与石块 之间的摩阻力承受车轮荷载,当地基强度不足,结构不紧密时,容易 出现沉陷变形。
二、弹石路面基本要求1、弹石使用开采的天然石料或路基开挖方的利用料,要求石质坚硬,强 度不得低于3级(30Mpa),经过粗凿加工成形,石块的长度不宜大 于高度,高度不宜超过宽度的2倍,石块的顶面和底面应基本平行, 并且顶面略大于底面,侧面不应有显著的突出,不得采用尖锲状石块、 扁平石块以及易碎、裂缝多的石块和鹅卵石。
石料的高度不应大于或 小于设计高度的2厘米。
弹石有大块石、中块石、小块石之分,一般 小块石路面设计高度通常采用12〜14cm 。
采用小块石。
石块尺寸应符合下表要求:长宽比底面尺寸小1〜3cm底面尺寸(cm)2、砂垫层砂垫层是铺筑弹石路面的一种工艺性需要,并不是路面的一个结构层次,它能嵌接弹石使之成为整体,调整路面平整度、横坡。
一、弹石路面1、弹石路面用各种不同形状和尺寸的石块铺筑的路面统称为块石路面。
块石路面按石块的加工修琢程度不同,规格尺寸不同又分为整齐块石路面、半整齐块石路面和不整齐块石路面。
弹石路面属于半整齐块石路面,它是用经过粗凿加工后的石块,铺筑在砂垫层上,经碾压成型的一种路面结构。
2、适用范围适用于石料丰富的山区公路上,急弯陡坡地段,路基尚未稳定的填方地段,新修公路没有经过严格压实的路基上修建过渡式路面。
适用于交通量较少,通往1~2个乡镇的县乡公路、乡村公路,能适应重、中型交通。
3、优点坚固耐久,抗滑性能好,清洁少尘,就地取材、造价较低,每平方米造价一般在20元左右,便于群众性施工,便于养护,养护成本低,对路基质量要求相对较低,施工期间能维持正常通车,建设和养护技术要求不高,施工难度小,不污染环境。
4、缺点路面平整度不如沥青路面,行车噪声较大,需要用手工铺筑,劳动强度大,劳动力消耗多,必须有掌握铺砌技术的人才能承担铺筑工作,否则平整度和紧密度不易保证,随着使用年限增长,平整度越来越差,大面积的病害出现,翻修也很困难。
5、强度形成机理弹石路面属于嵌锁形结构,主要依靠地基的承载力和石块与石块之间的摩阻力承受车轮荷载,当地基强度不足,结构不紧密时,容易出现沉陷变形。
二、弹石路面基本要求1、弹石使用开采的天然石料或路基开挖方的利用料,要求石质坚硬,强度不得低于3级(30Mpa),经过粗凿加工成形,石块的长度不宜大于高度,高度不宜超过宽度的2倍,石块的顶面和底面应基本平行,并且顶面略大于底面,侧面不应有显著的突出,不得采用尖锲状石块、扁平石块以及易碎、裂缝多的石块和鹅卵石。
石料的高度不应大于或小于设计高度的2厘米。
弹石有大块石、中块石、小块石之分,一般采用小块石。
石块尺寸应符合下表要求:小块石路面设计高度通常采用12~14cm。
2、砂垫层砂垫层是铺筑弹石路面的一种工艺性需要,并不是路面的一个结构层次,它能嵌接弹石使之成为整体,调整路面平整度、横坡。
弹石路面的施工方法弹石路面是一种常见的路面施工方法,通常用于公路、乡村道路和农田等区域。
它的特点是结构简单、施工成本低、维护方便,并且能够有效地排水。
本文将介绍弹石路面的施工方法,包括材料准备、基层处理、施工工序等内容。
一、材料准备1. 石子:选择合适的石子作为弹石路面的材料非常重要。
一般来说,使用锐角石子或碎石作为路面的基础材料是最常见的选择。
这种石子具有良好的稳定性和抗压能力,能够满足道路的使用要求。
2. 压路机:在施工过程中需要使用压路机对路面进行压实,以确保路面的稳定性和坚固性。
根据工程的规模和要求,选择合适型号的压路机进行施工。
3. 粉砂:为了提高路面的平整度和稳定性,施工过程中需要使用粉砂进行填充。
这种砂石能够填补石子之间的空隙,增加路面的紧密性。
二、基层处理1. 清理:在开始施工前,需要对施工区域进行清理,清除杂物、污泥和其他障碍物。
确保施工环境整洁。
2. 基础处理:对于基层较脆弱或不平整的区域,需要进行基础处理。
首先,挖掘一定的土壤深度,然后填充粉砂进行压实,最后铺设石子作为基础层。
三、施工工序1. 铺石:将石子均匀地铺设在路面上,确保石子之间的间隙尽量小且均匀。
使用履带式或轮式压路机进行压实,使石子紧密固定在基础层上。
2. 压实:使用压路机对铺设的石子进行压实,压实的次数和压力根据实际情况来定。
一般而言,压实层数越多、压路机的重量越大,路面的稳定性和耐久性就越高。
3. 倒撒粉砂:在路面上均匀撒布粉砂,填补石子之间的空隙。
使用压路机进行再次压实,确保路面的平整度和紧密性。
4. 铺压路层:上述工序完成后,再次铺设压路机铺压路层,以进一步提高路面的平整度和稳定性。
5. 边坡处理:施工过程中还需要对路面边坡进行处理,防止坡脚产生坍塌和滑坡。
可以采用挖掘边坡和边坡加固等方法,确保边坡的稳定性。
四、养护措施施工完成后,需要对弹石路面进行养护,以延长其使用寿命和稳定性。
1. 管理通行:在施工后的一段时间内,限制车辆通行,以免对新铺设的路面造成损坏。
二、弹石路面是人工在砂垫层铺砌经过粗凿的石块,通过嵌缝填隙压实,成为一种坚固耐久、清洁少尘,适合中重型车辆通行,易于翻修、养护,投资较少,技术简单,方便群众投工投劳的一种路面。
弹石路面适宜在石料丰富的山区公路铺砌,也可在道路急弯陡坡地段、新施工的公路或在老路面上加铺。
弹石路面的施工技术要求(一)基本要求根据所用石块修琢程度,块石路面分为整齐块石路面、半整齐块石路面和不整齐块石路面。
传统的弹石路面属于半整齐块石路面,弹石路面按交通部颁布的沥青路面设计规范进行设计,其结构一般采用弹石面层+砂垫层+基层+调平层(路基)。
(二)弹石路面施工的基本工序弹石加工→路基整型→基层施工→垫层料到位→块石排砌→成型碾压进行初期养护。
1.弹石加工。
要求用材质坚硬,抗压强度不得小于300MPa的天然石料。
半整齐弹石块高度一般采用12至14厘米,长度不宜大于10至15厘米,宽度一般采用7至12厘米。
石块的顶面与底面应基本平行,顶面应略大于底面,石料规格要均匀,石料顶面积在90至150平方厘米之间,底面面积在60至130平方厘米之间。
侧面不宜有显著的突出,以免铺砌时妨碍互相靠紧。
2.整理路槽和铺筑基层。
在摊铺基层之前应进行定桩、抄平放样,弹石路面基层一般采用级配碎石。
3.摊铺砂垫层。
砂垫层是弹石路面中嵌接块石,使之成为整体的一个层次,也是排除地表水的渗透层,必须用坚硬的、级配良好的中、粗砂,砂垫层压实厚一般为3至5厘米,摊铺时不宜太长,一般保持在铺砌弹石工作前10至20米为宜,摊铺完成后用轻型压路机略加滚压。
垫层砂原料以中、粗砂为主,细砂含量不大于15%,含泥量控制在10%以内,禁止使用细砂、粉砂、黏土。
4.铺筑弹石路面。
首先,抄平定桩。
在铺砌之前,沿路中线每隔5至10米定横断各点桩,桩高应较路面标高高3至4厘米。
其次,铺砌路面。
路面的平整度是靠拉线来控制的,方正较大石块作缘石,中心用小块石,石块大面朝上,垂直嵌入砂垫层中,长边垂直于路中心线,弹石间错缝铺砌。
弹石路面工程施工方案路面工程施工本合同段路面工程包括30cm石渣垫层、5cm级配砂整平层、15cm弹石面层。
本合同段的路面施工工艺都相对简单,在此就只做简单的施工顺序阐述。
一、30cm石渣垫层施工1、填隙碎石的工艺流程合格2、施工准备(1)向驻施工现场监理单位报送“底基层开工报告单”,经同意后方可进行底基层施工。
(2)土基及其中埋设的各种沟、管等隐蔽构筑物,必须经过自检合格,报请驻地监理单位检验,签字认可后,方可铺筑其上面的底基层。
3、施工放样(1)恢复中线,每10m 设标桩,桩上划出基层设计高和基层松铺的厚度。
松铺厚度=压实厚度×松铺系数(2)中心线两侧按路面设计图设计标桩,推算出基层设计标高后,在标桩上划出基层设计高和松铺高度。
这样做是为了使基层的高度,厚度和平整度达到质量标准。
4、备料(1)根据底基层的宽度、厚度及松铺系数(1.20~1.30),碎石最大粒径与压实厚度之比为0.5左右时,系数取1.3,比值较大时,系数接近1.20。
计算各段需要的粗碎石数量,并按施工平面图堆放。
(2)填隙料的用量约为粗碎石重量的30%~40%。
5、铺筑试验段填隙碎石底基层正式施工前应铺筑试验段。
6、运输和摊铺粗石渣(1)在摊铺段两侧先培土,以控制底基层的宽度和厚度,再每隔一定距离铺筑盲沟,考虑雨后排出底基层积水。
(2)石渣装车时,应控制每车料的数量基本相等。
(3)卸料时,通常有专人指挥,严格控制卸料距离,避免铺料过多或不够。
(4)用平地机或其它合适的机具,将粗碎石均匀地摊铺在预定的宽度上,可辅以人工配合。
表面应力求平整,并有规定的横坡。
(5)检验松铺材料层的厚度是否符合预计要求,必要时应进行减料或补料工作。
7、撒铺填隙料和碾压(干法施工)a、初压。
用18t压路机碾压3~4遍,使粗石渣稳定就位,碾压时,由边向中、由低向高进行。
在第一遍碾压后,应再次找平。
初压结束,表面应平整,并具有要求的纵、横坡度。
b、撒铺填隙料。
水泥混凝土预制块弹石路面施工工艺简介弹石路面是指路面的表面由水泥混凝土预制块和碎石层构成,具有较强的耐磨性和抗渗性,适用于高速公路、城市道路、机场跑道等领域。
以下将介绍水泥混凝土预制块弹石路面施工的工艺过程。
施工准备施工前准备准备工具如:振动器、平板、水平仪、推车、托板等,并保证其完好无损。
准备原材料如:水泥、碎石、沙子、预制块等,并对其进行检验,确保其质量符合要求。
准备施工人员,依据需要安排专业技术人员、操作工、安全员等。
根据路面设计要求确定施工图纸和工艺流程,并进行审批。
施工现场准备根据施工图纸确定路面的宽度、边线、施工标高和坡度等。
清理现场,确保施工现场干净整洁,便于施工作业。
在预制块和碎石的放置区域挑选平整坚实的地坪,并按照规定的布置方式摆放预制块和碎石。
施工流程混凝土预制块铺设1.首先将预制块存放区域清理干净,用水冲洗预制块表面,并清除表面上的杂质和水泥干浆。
2.用水平仪检查预制块的平整度和拼接缝的一致性,确保其符合设计要求。
3.涂抹一层预先配制好的水泥砂浆,将预制块铺设在路面上,按照设计要求排列。
4.在预制块之间留有预留缝隙,以利于碎石层的浇筑和密实。
5.铺设完毕后,将铺设的预制块用木棍敲打,使其与地面紧密贴合,并确保拼缝整齐,缝隙均匀。
碎石层施工1.在预制块之间留下的预留缝隙内,加入适量的碎石,在碎石表面均匀地喷洒水泥乳胶浆。
2.用推车和托板将碎石均匀地压实,并对碎石层的厚度和表面平整度进行检查和调整。
3.在碎石层的表面洒撒一层水泥砂浆,使其与铺设的预制块表面平齐,并进行养护,以保证水泥混凝土预制块弹石路面的整体平整度。
沥青层施工在碎石层上铺设沥青混合料,按照设计要求进行摊铺和压实,形成沥青路面。
安全措施1.确保施工现场周边区域的交通安全,设置交通警示标志和设施。
2.施工人员需严格遵守安全操作规程,正确佩戴安全防护用品。
3.组织施工人员进行相关安全技能培训,提升安全意识和操作能力。
1. 引言弹石路面施工是一种常用于公路、市区道路等路面建设的工程技术。
其主要目的是提供一种耐久、平整、安全的路面,能够承受车辆和行人交通的压力,并且具有良好的排水性能和抗滑性能。
本文将详细介绍弹石路面施工的方法和步骤,以及相关注意事项。
2. 施工步骤2.1. 设计与计划在进行弹石路面施工之前,需要进行详细的设计和计划。
这包括确定施工的起止时间、施工人员和设备的安排,以及需要使用的材料和工艺。
施工单位应与相关部门进行沟通和协调,确保施工符合相关规范和标准。
2.2. 路面准备在施工前,需要对道路进行清理和修整。
首先,清除道路上的杂草、石块和积水。
然后,对道路进行充分的修整,包括填平凹陷、坑洞和凸起的部分,确保路面平整,并提供良好的基础。
2.3. 预涂素浆预涂素浆是弹石路面施工的重要步骤之一。
首先,将预制的素浆材料按照规定的比例加水搅拌均匀,然后将其均匀涂布在道路表面,形成一层均匀的素浆层。
这一步的目的是增强路面与后续层的粘合力,并提高路面的耐久性和抗裂性能。
2.4. 弹石铺设弹石路面的特点之一就是石料的选择。
合适的石料类型和规格对路面的性能有着重要的影响。
根据设计要求,选取符合标准的骨料进行铺设。
将骨料均匀撒在素浆的表面,然后通过滚筒机或大型机械设备对其进行压实。
在压实过程中,要保证石层的均匀厚度和密实度,以确保路面的平整度和耐久性。
2.5. 粗石碎石巩固为了增加弹石路面的稳定性和耐久性,需要进行粗石碎石巩固。
将预制的粗石碎石混合料按照规定的比例铺设在弹石路面上,并通过机械碾压使其与弹石石层充分结合。
这一步骤旨在增加路面的强度和稳定性,并减少路面的沉陷和变形。
2.6. 粗碎石封层粗碎石封层是弹石路面施工的最后一步。
在粗石碎石巩固完成后,将预制的粗石封层材料均匀撒在路面上,并通过机械设备进行振实。
粗碎石封层的目的是增加路面的抗滑性能和排水性能,提高路面的使用寿命。
3. 注意事项3.1. 施工环境弹石路面施工需要选择适宜的施工环境。
弹石铺装施工工艺施工方法:弹石加工→路基整型→基层施工→垫层料到位→块石排砌→成型碾压进行初期养护一、弹石铺砌工艺及要点块体的铺砌方法有横向排列、纵向排列及斜向排列三种。
采用40°角的斜向排砌法,可以减轻行车对块体的磨圆程度,但边部一行斜向的块体需加工成梯形,加工复杂,一般以横向排列形式为常用。
铺砌时,应注意:“平、直、错、少、稳、实、紧、干”的工艺要点。
1、平,就是铺筑的弹石地面要满足考虑松铺的标高要求,大面平整。
2、直,就是弹石铺筑横向要成排,排与排之间的缝要直,长边一般应与行车方向垂直。
3、错,就是弹石沿纵向要错缝,不能形成同缝。
错缝距离一般应为弹石长度的1/3~1/2。
因此,每隔一排,靠边弹石应用半块弹石应用半块弹石镶砌,需要提前预制或预制块体切割。
4、少,就是施工对接要少。
因为施工对接往往形成不规则的几何图形,给整齐块体的铺筑带来困难。
另外,拼接处理往往不利于弹石路面的稳定。
5、稳,就是铺筑的弹石应嵌挤在垫层砂中,不会轻易倾倒或沉落。
弹石下部应用垫层砂填充饱满,嵌缝厚弹石应达到手拉不出为准。
6、实,就是弹石底面应与垫层砂充分接触,不得有空、鼓现象。
7、紧,就是弹石与弹石间缝隙不能太宽,不得大于1cm。
8、干,就是垫层砂含水量不能太大,不得在雨天施工。
另外,当纵坡大于1%时面层施工应有低端向高端进行。
二、弹石弯道铺筑方法弯道超高的铺筑顺序从低端往高端铺筑。
当弯道的平面线型变化不大时,可以采用变化块体的铺筑形式或调整接缝宽度的方法来适应这种变化。
当采用调整接缝宽度的方法时,外侧路面的接缝宽度不应大于10cm,内侧路面的接缝宽度不应小于2mm。
对于小半径曲线路段,平曲线是一个扇形:1、从扇形一边保持平行直线排砌,直到与扇形另一边的直线相接,相接处的块体根据具体尺寸进行切割加工。
2、从扇形两边同时保持平行直线排砌,直到剩下中间的三角形后,再根据具体尺寸加工。
三、弹石竖曲线的铺砌当道路的纵坡发生变化时,应尽量避免纵坡的突然变化(折线),而应将弹石路面的基层和砂垫层做成坡度连续变化的曲线形状。
弹石路面施工方法摘要:弹石路面施工是一种常用的道路建设方法,通过使用弹石材料来构建平坦耐用的路面。
本文将介绍弹石路面施工的步骤、所需的材料以及施工注意事项。
引言:弹石路面是一种具有较高承载能力和抗冲刷能力的道路表面结构。
这种路面广泛应用于道路、停车场以及工业和商业区域。
弹石路面施工方法可确保道路平坦、质量稳定、寿命长久。
本文将详细介绍弹石路面施工的步骤和注意事项,帮助读者了解这一施工方法的基本要点。
一、准备工作:1. 工地清理:在施工前,需将施工区域内的杂物清除干净,确保施工区域没有障碍物。
2. 碾压基层:将基层进行充分振实,保证基层的坚固和稳定。
3. 水平调整:对基层进行水平调整,确保道路平整度符合要求。
二、施工步骤:1. 基层处理:在基层上涂刷沥青基层,层厚度控制在5-8cm,形成均匀的基层。
基层涂刷完成后,需进行轧实。
2. 弹石材料铺设:将弹石材料均匀地铺设在基层上,厚度一般控制在4-6cm。
在铺设过程中,要确保材料的均匀性和密实性。
3. 充实压实:使用专用的振动压实机对弹石材料进行充实压实,确保其牢固稳定。
4. 涂覆表层:在弹石路面上涂覆一层均匀的沥青表层,以提高路面的耐久性和防水性能。
5. 养护处理:施工完成后,对弹石路面进行养护处理,如喷水养护和覆盖防尘物品等,防止路面开裂和破损。
三、施工注意事项:1. 施工环境:在施工过程中,应确保环境温度适宜,避免施工在极端天气情况下进行,如大雨、暴雪等。
2. 材料选择:选择优质的弹石材料,确保其力学性能和耐久性能符合要求。
3. 施工时间安排:根据实际需求,合理安排施工时间,并考虑交通影响、施工阶段的养护时间等。
4. 施工人员:施工人员需要经过专业培训,并具备相关的工程经验,确保施工质量和安全。
5. 施工质量控制:在施工过程中,需要进行严格的质量控制,确保每一步施工都符合规范和要求。
结论:弹石路面施工方法是一种可靠的道路建设方式,通过合理的施工步骤和注意事项,可以构建出平坦、耐用的道路路面。
弹石路铺装方法
弹石路面的铺装方法主要包括以下步骤:
1. 弹石加工:这是第一步,需要将弹石进行加工,保证其符合设计规格。
2. 施工放样:在铺装前进行施工放样,确定弹石的具体位置。
3. 弹石运输与布料:将加工好的弹石按照设计要求进行运输和布设。
4. 铺筑:采用多种多样的铺筑方法,如横向排列铺砌、横向人字铺砌、纵向人字铺砌、45°角铺砌、嵌花圆弧式铺砌等。
5. 撒嵌缝料并压实:在铺筑完成后,撒嵌缝料并压实,使弹石路面更加平整。
6. 开放交通:在完成上述步骤后,可以开放交通,让车辆和行人开始使用弹石路面。
此外,对于非整齐块体弹石路面,还有以下特殊工艺:
1. 铺砌定桩:在非整齐块体弹石路面中,需要进行铺砌定桩,以确保路面的平整和稳定性。
2. 撒布砂垫层:在铺砌定桩完成后,需要在路面上撒布砂垫层,以增加路面的承载能力和稳定性。
3. 撒布弹石:在砂垫层上撒布弹石,以形成非整齐块体弹石路面。
4. 弹石铺筑:采用适当的铺筑方法,将弹石铺筑成非整齐块体弹石路面。
5. 嵌缝施工:在完成铺筑后,需要进行嵌缝施工,以防止路面开裂和松散。
以上信息仅供参考,具体施工工艺应根据实际情况而定。
弹石路面施工方法弹石路面是一种常见的道路建设材料,它具有良好的排水性能、耐久性和可维护性,被广泛应用于公路、城市道路以及农村乡村道路的施工中。
本文将介绍弹石路面施工的具体步骤和相关注意事项。
1. 准备工作在进行弹石路面施工前,需要进行充分的准备工作。
首先,要对施工现场进行规划和设计,确保施工区域的位置和范围符合要求。
其次,需要清理施工区域,包括清除杂物、垃圾和不平坦的地面。
如果路面较为破损,还需进行修复和整平。
2. 基础处理弹石路面的基础处理非常重要,它直接关系到路面的稳定性和耐久性。
首先,要进行路基的夯实,采用合适的夯实设备对路基进行压实,确保路基的稳定性和密实度。
其次,需要进行基层的施工,通常采用碎石进行填充,然后使用压路机进行压实。
3. 弹石铺设在基础处理完成后,可以开始进行弹石的铺设。
首先,要选用合适规格的弹石,通常会根据路面的设计要求选择不同的粒径。
然后,将弹石均匀铺设在基层上,使用铺石机或手工进行压实。
为了保持路面的平整度和排水性能,可以使用反击式压路机进行最终的压实。
4. 最后处理弹石路面的最后处理包括边坡施工和排水系统的建设。
边坡施工主要是为了保护路基不受外部环境的侵蚀,可以采用植被覆盖或其他防护措施。
排水系统的建设通常包括雨水收集、排水沟和下水道等设施的建设,以保证路面排水畅通。
总结:弹石路面施工是一项复杂而重要的工程,需要在施工前做好充分的准备工作,并且按照一定的步骤进行施工。
合理的基础处理、选好的弹石材料以及正确的压实方法都直接影响到路面的质量和使用寿命。
因此,在施工过程中需要密切关注施工细节,并严格按照相关规范进行操作。
需要注意的是,弹石路面施工涉及到交通安全问题,施工现场应设置明显的标志和警示牌,避免给车辆和行人带来危险。
另外,施工过程中要注意保护环境,及时清理施工杂物,减少对周边环境的污染。
综上所述,通过正确的施工步骤和注意事项,可以有效地实现弹石路面的施工。
合理的基础处理、选用合适的材料以及科学的施工方法,能够确保路面的质量和使用寿命,提高道路的安全性和便利性。
弹石路面弹石路面与自然环境和谐地融为一体弹石路面是人工在砂垫层铺砌经过粗凿的石块,通过嵌缝填隙压实,成为一种坚固耐久、清洁少尘,适合中重型车辆通行,易于翻修、养护,投资较少,技术简单,方便群众投工投劳的一种路面。
弹石路面适宜在石料丰富的山区公路铺砌,也可在道路急弯坡地段、新施工的公路或在老路面上加铺. 弹石路面的施工技术要求(一)基本要求根据所用石块修琢程度,块石路面分为整齐块石路面、半整齐块石路面和不整齐块石路面。
传统的弹石路面属于半整齐块石路面,弹石路面按交通部颁发的沥青路面设计规范进行设计,其结构一般采用弹石面层+砂垫层+基层+调平层(路基).(二)弹石路面施工的基本工序弹石路施工现场弹石加工→路基整型→基层施工→垫层料到位→块石排砌→成型碾压进行初期养护.1.弹石加工。
要求用材质坚硬,抗压强度不得小于300MPa的天然石料。
半整齐弹石块高度一般采用12至14厘米,长度不宜大于10至15厘米,宽度一般采用7至12厘米.石块顶面积在90至150平方厘米之间,底面面积在60至130平方厘米之间。
侧面不宜有显著的突出,以免铺砌时妨碍互相靠紧。
2。
整理槽和铺筑基层。
在摊铺基层之前应进行定桩、抄平放样,弹石路面基层一般采用级配碎石。
3.摊铺砂垫层。
砂垫层是弹石路面中嵌按块石,使之成为整体的一个层次,也是排除地表水的渗透层,必须用坚硬的、级配良好的中、粗砂,砂垫层压实厚一般为3至5厘米,摊铺时不宜太长,一般保持在铺砌弹石工作前10至20米为宜,摊铺完成后用轻型压路机略加滚压。
垫层砂原料以中、粗砂为主,细砂含量不大于15%,含泥量控制在10%以内,禁止使用细砂、粉砂、黏土。
4.铺筑弹石路面.首先,抄平定桩。
在铺砌之前,沿路中线每隔5至10米定横断各点桩,桩高应较路面标高高3至4厘米。
其次,铺砌路面。
路面的平整度是靠拉线来控制的,方正较大石块作缘石,中心用小石块,石块大面朝上,垂直嵌入砂垫层中,长边垂直于路中心线,弹石间错缝铺砌.纵坡大于1%时,由低端向高端铺砌。
弹石路面弹石路面与自然环境和谐地融为一体弹石路面是人工在砂垫层铺砌经过粗凿的石块,通过嵌缝填隙压实,成为一种坚固耐久、清洁少尘,适合中重型车辆通行,易于翻修、养护,投资较少,技术简单,方便群众投工投劳的一种路面。
弹石路面适宜在石料丰富的山区公路铺砌,也可在道路急弯坡地段、新施工的公路或在老路面上加铺。
弹石路面的施工技术要求(一)基本要求根据所用石块修琢程度,块石路面分为整齐块石路面、半整齐块石路面和不整齐块石路面。
传统的弹石路面属于半整齐块石路面,弹石路面按交通部颁发的沥青路面设计规范进行设计,其结构一般采用弹石面层+砂垫层+基层+调平层(路基)。
(二)弹石路面施工的基本工序弹石路施工现场弹石加工→路基整型→基层施工→垫层料到位→块石排砌→成型碾压进行初期养护。
1.弹石加工。
要求用材质坚硬,抗压强度不得小于300MPa的天然石料。
半整齐弹石块高度一般采用12至14厘米,长度不宜大于10至15厘米,宽度一般采用7至12厘米。
石块顶面积在90至150平方厘米之间,底面面积在60至130平方厘米之间。
侧面不宜有显著的突出,以免铺砌时妨碍互相靠紧。
2.整理槽和铺筑基层.在摊铺基层之前应进行定桩、抄平放样,弹石路面基层一般采用级配碎石。
3.摊铺砂垫层。
砂垫层是弹石路面中嵌按块石,使之成为整体的一个层次,也是排除地表水的渗透层,必须用坚硬的、级配良好的中、粗砂,砂垫层压实厚一般为3至5厘米,摊铺时不宜太长,一般保持在铺砌弹石工作前10至20米为宜,摊铺完成后用轻型压路机略加滚压。
垫层砂原料以中、粗砂为主,细砂含量不大于15%,含泥量控制在10%以内,禁止使用细砂、粉砂、黏土。
4.铺筑弹石路面。
首先,抄平定桩。
在铺砌之前,沿路中线每隔5至10米定横断各点桩,桩高应较路面标高高3至4厘米。
其次,铺砌路面。
路面的平整度是靠拉线来控制的,方正较大石块作缘石,中心用小石块,石块大面朝上,垂直嵌入砂垫层中,长边垂直于路中心线,弹石间错缝铺砌。
弹石路面的施工方法(一)引言概述弹石路面施工方法是一种常用的道路铺设方法,通过在路面上铺设一层弹性石子来增加道路的舒适度和安全性。
本文将介绍弹石路面施工的基本步骤和注意事项。
正文1. 准备工作a. 确定施工区域:根据实际情况确定需要进行弹石路面施工的道路区域。
b. 清理施工区域:清除施工区域内的杂草、垃圾等障碍物,确保路面平整。
c. 检查基础条件:检查施工区域的基础条件,确保路面承重能力符合要求。
2. 石子选择a. 选择合适的石子:根据路面使用情况选择合适的石子,如坚硬度适中、磨损性能较好的石子。
b. 石子规格要求:确定石子的规格要求,如大小、形状等,以保证施工效果的稳定性和美观度。
3. 路面处理a. 基层处理:对基层进行处理,如清理、修补等,确保基层平整、坚固。
b. 路面铺设:按照设计要求进行路面铺设,将石子均匀铺满施工区域。
c. 石子压实:使用专用的压路机对铺设好的石子进行压实,增加路面稳定性。
4. 辅助施工措施a. 边缘处理:对弹石路面的边缘进行处理,如加装边石,以增加路面的整体美观度和安全性。
b. 排水系统设计:根据施工区域的排水情况,设计合适的排水系统,确保路面能够有效排水,防止积水。
5. 施工质量控制a. 路面平整度检测:使用平整度仪等工具对铺设好的弹石路面进行平整度检测,确保达到设计要求。
b. 路面质量验收:进行路面质量验收,检查施工的质量和合格性,确保符合相关标准和规范。
总结通过准备工作的组织和石子选择的合理性、路面处理的规范性以及辅助施工措施的安全性和质量控制的严谨性等方面的施工方法,可以确保弹石路面的施工质量,提高道路的舒适度和安全性。
切实合理地实施弹石路面施工方法,对于道路的正常使用和延长道路的使用寿命具有重要意义。
弹石路面施工方案1. 弹石路面的概念弹石路面是指一种采用碎石作为路面材料,并通过特定的施工工艺将碎石进行固定的路面结构。
它具有良好的排水性能、抗滑性能和耐久性能,适用于一些低交通流量和低速度的道路。
2. 弹石路面施工的目标弹石路面施工的目标是确保路面的稳定性、耐用性和安全性。
具体目标包括:- 路面表面均匀平整,无明显凹凸不平 - 碎石紧密固定,不易被车辆轧动或水流冲刷 - 碎石之间有足够的间隙,使水能够顺利排出 - 路面表面具有一定的抗滑性能,提供良好的车辆驾驶条件3. 弹石路面施工步骤3.1. 路面准备工作•清理路面:清除路面上的杂物、碎石和尘土等。
•填平不平整的路面:对于凹凸不平的路面,需要进行填平,可使用填土或调整路面高度。
•路面修复:修复破损的路面,包括修补裂缝和修复坑洞。
3.2. 弹石施工•底面处理:在清理后的路面上进行底面处理,确保底面平整、牢固。
可以使用砂石或者碎石将底面进行填平。
•边界处理:对于弹石路面的边界,可以使用混凝土或者其他材料进行边界处理,以增加弹石的稳定性。
•弹石铺设:将预先准备好的碎石倒在路面上,并利用推土机或者辊压机等设备将碎石均匀压实。
•路面表面处理:碎石路面的表面需要进行处理,以增加路面的抗滑性能。
可以使用碎石或者沥青进行表面涂覆,以增加路面的平整度和抗滑性能。
3.3. 后期维护•定期维护:弹石路面需要定期检查和维护,包括清理路面上的杂物和碎石、修补破损的路面等。
•路面修复:如果碎石路面出现严重的破损和磨损,需要进行修复和重新铺设。
4. 弹石路面施工的优势•价格低廉:相比于柏油路面或者混凝土路面,弹石路面的成本较低。
•抗滑性能好:弹石路面表面的碎石具有良好的抗滑性能,适合用于一些山区或者湿滑路段。
•排水性能好:弹石路面中的碎石之间有足够的间隙,能够让水顺利排出,减少积水的可能性。
•施工周期短:相比于其他类型的路面,弹石路面的施工周期较短。
5. 弹石路面施工的注意事项•底面处理要求高:底面处理对于碎石路面的稳定性至关重要,应保证底面平整、牢固。
农村公路弹石路面一、弹石路的基本概况用各种不同形状和尺寸石块铺筑的路面统称为块石路面。
根据所用石块的形状、尺寸及加工修琢程度铺筑的路面又可分为条石、小方石、拳石和粗琢块石等数种路面,块石路面按它的平整度分为整齐块石路面、半整齐块石路面和不整齐块石路面。
我国云南省在农村公路中大量建设了弹石路面,属于半整齐块石路面,系用粗打的“拳石”或“弹街石”铺砌而成,俗称“弹石路”。
弹石路面是摊铺在砂垫层上用人工铺砌经过粗凿以后形成的半整齐石块,通过嵌缝填隙压实,成为一种坚固耐久、清洁少尘,适应中重型车辆通行,易于翻修、养护维修和投资较少、方便群众投工投劳的一种路面。
弹石路面适宜在石料丰富的山区公路铺砌,也可在道路急弯陡坡地段、沿线城镇、村寨附近的路面以及土基尚不稳定的桥头填土和高填土路基地段铺砌,可在新施工的路段或老路面上加铺弹石路面面层。
弹石路面具有几个特点:建设养护技术要求低,施工难度小;绿色环保,不污染环境;建设养护成本低,性价比较高;满足农村公路的行车要求和通行能力要求;便于群众投工投劳;对路基质量要求相对较低;弹石路面平整度相对沥青路面差,行车噪声较大。
弹石路面填料,主要用来填充石块间缝隙,嵌紧块石不松动,以加强路面的整体性;一般采用砂作为填料,整齐块石弹石路面上,可使用水泥砂浆或沥青砂、沥青玛蹄脂来填缝,有时亦可用砂填缝下部,用水泥砂浆或沥青砂填其上部1/3深度。
弹石路面的强度,主要依靠地基的承载力各石块与石块之间的摩擦力所构成,当此种力很小,不足以抵抗车轮垂直荷载作用时,就会出现沉陷变形。
二、弹石路建设的技术要求1、基本要求:弹石路面应遵照沥青路面设计规范进行设计;弹石路面的结构一般采用:弹石面层+砂垫层+基层+调平层(也可直接路基调形)。
弹石路面设计采用多层弹性体系理论,用以确定结构层厚度。
建议弹石路面的材料抗压强度回弹模量EP 值在240MPa 至260MPa 之间考虑。
除弹石面层外,其强度不足部分应铺筑基层给予补强,或增加补强层设计。
弹石铺装施工工艺
施工方法:
弹石加工路基整型基层施工垫层料到位
块石排砌成型碾压进行初期养护
弹石规格型号:弹石要求用材质坚硬,抗压强度不得小于300MPa 的天然石料。
半整齐弹石块高度一般采用12至14厘米,长度不宜大于10至15厘米,宽度一般采用7至12厘米。
石块顶面积在90至150平方厘米之间,底面面积在60至130平方厘米之间。
侧面不宜有显著的突出,以免铺砌时妨碍相互靠紧。
一、弹石铺砌工艺及要点
块体的铺砌方法有横向排列、纵向排列及斜向排列三种。
采用40°角的斜向排砌法,可以减轻行车对块体的磨圆程度,但边部一行斜向的块体需加工成梯形,加工复杂,一般以横向排列形式为常用。
铺砌时,应注意:“平、直、错、少、稳、实、紧、干”的工艺要点。
1、平,就是铺筑的弹石地面要满足考虑松铺的标高要求,大面平整。
2、直,就是弹石铺筑横向要成排,排与排之间的缝要直,长边一般应与行车方向垂直。
3、错,就是弹石沿纵向要错缝,不能形成同缝。
错缝距离一般应为弹石长度的1/3~1/2。
因此,每隔一排,靠边弹石应用半块弹石应用半块弹石镶砌,需要提前预制或预制块体切割。
4、少,就是施工对接要少。
因为施工对接往往形成不规则的几何图形,给整齐块体的铺筑带来困难。
另外,拼接处理往往不利于弹石路
面的稳定。
5、稳,就是铺筑的弹石应嵌挤在垫层砂中,不会轻易倾倒或沉落。
弹石下部应用垫层砂填充饱满,嵌缝厚弹石应达到手拉不出为准。
6、实,就是弹石底面应与垫层砂充分接触,不得有空、鼓现象。
7、紧,就是弹石与弹石间缝隙不能太宽,不得大于1cm。
8、干,就是垫层砂含水量不能太大,不得在雨天施工。
另外,当纵坡大于1%时面层施工应有低端向高端进行。
二、弹石弯道铺筑方法
弯道超高的铺筑顺序从低端往高端铺筑。
当弯道的平面线型变化不大时,可以采用变化块体的铺筑形式或调整接缝宽度的方法来适应这种变化。
当采用调整接缝宽度的方法时,外侧路面的接缝宽度不应大于10cm,内侧路面的接缝宽度不应小于2mm。
对于小半径曲线路段,平曲线是一个扇形:
1、从扇形一边保持平行直线排砌,直到与扇形另一边的直线相接,相接处的块体根据具体尺寸进行切割加工。
2、从扇形两边同时保持平行直线排砌,直到剩下中间的三角形后,再根据具体尺寸加工。
三、弹石竖曲线的铺砌
当道路的纵坡发生变化时,应尽量避免纵坡的突然变化(折线),而应将弹石路面的基层和砂垫层做成坡度连续变化的曲线形状。
纵坡路段的铺筑顺序要求由低端向高端铺筑。
四、弹石铺装撒嵌缝砂
弹石铺砌好应检查平整度和路拱横坡,合格后用嵌缝料嵌缝。
嵌缝砂要求含水量适中。
人工将场外备好的嵌缝砂均匀泼撒于铺好的块体上,嵌缝砂的用量与垫层厚度、缝宽、铺筑工艺等有关。
可根据试验路资料确定。
泼撒嵌缝砂后应顺序用工具将砂刮平、填入缝内。
应避免人员和机械在尚未碾压的弹石上行走。
为保证弹石路面平整度,应对路面突出的嵌缝余砂进行清扫或分散。
五、弹石铺装后初压
嵌缝砂撒完后,应先用轻型钢轮压路机静压2~3遍。
碾压时应将压路机的驱动轮面向弹石路面铺筑方向,从外侧向中心碾压,在超高地段由低端向高侧碾压,在纵坡路段上应将驱动轮从低处向高处碾压。
初压应以2~3Km/h均匀的速度碾压,最高不得超过4Km/h。
初压过程中的弹石路面上禁止急加速、减速,禁止掉头和突然改变碾压路线,禁止停放压路机或其他类型车辆。
在未进行路面嵌缝施工前,决不允许碾压。
六、弹石撒铺面层砂
弹石初压后,应对弹石进行认真检查,对明显沉落、倾倒、位移的弹石进行矫正,对破损的弹石进行更换。
然后撒铺面层砂,面层砂松铺厚度不应小于2cm,要求撒铺均匀、表面平整。
七、弹石二次碾压
撒铺面层砂后进行二次碾压。
二次碾压应用12t以上的压路机进行碾压,碾压方法宜采用全静压。
直线和不设超高的平曲线段,由路肩两侧开始向路中心碾压;在设超高的平曲线段,由内侧路肩向外侧
路肩进行碾压。
碾压时,后轮应重叠1/2轮宽;后轮必须超过两段的接缝处。
后轮压完路面全宽时,即为一遍。
一般需碾压6~8遍路面的两侧应多压2~3遍。
压路机的碾压速度,头两遍以采用1.5~1.7Km/h为宜,以后用2~2.5Km/h为宜。
严禁压路机在正在碾压的路段上调头或刹车。