砂和砂石地基检验批验收记录表
- 格式:docx
- 大小:37.22 KB
- 文档页数:27
表H.0.1-1 单位工程质量竣工验收记录注:单位工程验收时,验收签字人员应由相应单位法人代表书面授权。
表H.0.1-4 单位工程观感质量检查记录注:12 对质量评价为差的项目应进行返修;观感质量现场检查原始记录应作为本表附件。
01010101 00101010201 001土工合成材料地基检验批质量验收记录01010301 00101010401 00101010501 001土和灰土挤密桩复合地基检验批质量验收记录水泥粉煤灰碎石桩复合地基检验批质量验收记录混凝土小型空心砌块砌体检验批质量验收记录01020103 00201020104 00301020201 00101020202 00201020203 00301020204 00401020205 00501020206 006混凝土设备基础外观及尺寸偏差检验批质量验收记录模板安装检验批质量验收记录01020301 001模板拆除检验批质量验收记录01020302 00201020303 00301020304 00401020305 00501020306 006混凝土设备基础外观及尺寸偏差检验批质量验收记录钢结构焊接检验批质量验收记录01020401 001焊钉(栓钉)焊接工程检验批质量验收记录01020402 00201020403 00301020404 004钢零部件加工检验批质量验收记录01020405 005钢构件组装检验批质量验收记录01020406 006钢管构件进场验收检验批质量验收记录01020501 001L≤1000,2.0;L>1000,3.0 柱两端最外侧安装孔、穿钢筋孔距离L柱底面到到牛腿支承面距离L ±L/1500, 且≤±8牛腿端孔到柱轴线距离Ld不宜小于50;d不宜小于50;钢管混凝土柱柱脚锚固检验批质量验收记录录(Ⅱ) 01021102 00201050101 00101050201 001场地平整检验批质量验收记录01050301 001喷锚支护检验批质量验收记录01060101 00101060201 00101060301 00202010101 00102010102 00202010201 00102010202 00202010203 00302010204 004。
检验批质量验收记录表索引目录土方开挖工程检验批质量验收记录表GB50202-2002土方回填工程检验批质量验收记录表GB50202-2002排桩墙支护工程检验批质量验收记录表(重复使用钢板桩)GB50202-2002(Ⅰ)排桩墙支护工程检验批质量验收记录表(混凝土板桩)GB50202-2002(Ⅱ)降水与排水工程检验批质量验收记录表GB50202-2002混凝土灌注桩(钢筋笼)工程检验批质量验收记录表GB50202-2002地下连续墙工程检验批质量验收记录表GB50202-2002锚杆及土钉墙支护工程检验批质量验收记录表GB50202-2002加筋水泥土桩墙支护工程检验批质量验收记录表GB50202-2002沉井与沉箱工程检验批质量验收记录表GB50202-2002钢或混凝土支撑工程检验批质量验收记录表GB50202-2002灰土地基工程检验批质量验收记录表GB50202-2002砂和砂石地基检验批质量验收记录表GB50202-2002土工合成材料地基工程检验批质量验收记录表GB50202-2002粉煤灰地基工程检验批质量验收记录表GB50202-2002强夯地基工程检验批质量验收记录表GB50202-2002振冲地基工程检验批质量验收记录表GB50202-2002砂桩地基工程检验批质量验收记录表GB50202-2002预压地基工程检验批质量验收记录表GB50202-2002高压喷射注浆地基工程检验批质量验收记录表GB50202-2002土和灰土挤密桩复合地基检验批质量验收记录表GB50202-2002注浆地基检验批质量验收记录表GB50202-2002水泥粉煤灰碎石桩复合地基工程检验批质量验收记录表GB50202-2002夯实水泥土桩复合地基工程检验批质量验收记录表GB50202-2002水泥土搅拌桩地基工程检验批质量验收记录表GB50202-2002GB50202-2002GB50202-2002混凝土预制桩(钢筋骨架)工程检验批质量验收记录表GB50202-2002混凝土预制桩工程检验批质量验收记录表GB50202-2002钢桩(成品)工程检验批质量验收记录表GB50202-2002(Ⅰ)010404单位(子单位)工程名称分部(子分部)工程名称验收部位施工单位项目经理分包单位分包项目经理施工执行标准名称及编号施工质量验收规范的规定施工单位检查评定记录监理(建设)单位验收记录主控项目1 钢桩外径或断面尺寸:桩端桩身±0.5%D±1D 2 矢高<1/1000L一般项目1 长度(mm)+102 端部平整度(mm)≤23 H钢桩的方正度h>300h<300T+T´≤8T+T´≤6 4 端部平面与桩中心线的倾斜值(mm)≤2施工单位检查评定结果专业工长(施工员)施工班组长项目专业质量检查员:年月日监理(建设)单位验收结论专业监理工程师:(建设单位项目专业技术负责人):年月日GB50202-2002GB50208-2002水泥砂浆防水层检验批质量验收记录表GB50208-2002GB50208-2002GB50208-2002GB50208-2002GB50208-2002GB50208-2002GB50208-2002GB50208-2002。
级配砂砾及级配砾石基层检验批质量验收记录一、基本信息项目名称:XX道路改造工程施工单位:XX建筑工程有限公司监理单位:XX监理有限公司验收时间:2024年4月1日二、材料验收1.级配砂砾验收人员根据工程设计要求及相关规范,对施工单位提交的级配砂砾进行了检测和验收。
检测结果如下:(1)粒径分布:经过筛分分析,级配砂砾符合设计要求,和规范要求相符。
(2)含水率:经过称重法检测,级配砂砾的含水率为4%,符合规范要求。
(3)坚实度:采用压实度仪进行压实度测试,级配砂砾压实度达到90%,符合规范要求。
综上所述,级配砂砾材料质量合格。
2.级配砾石基层验收人员对施工单位提交的级配砾石基层进行了检测和验收。
检测结果如下:(1)厚度:通过测量,级配砾石基层的平均厚度为30cm,符合设计要求。
(2)密实度:采用核密度计对级配砾石基层进行了密度检测,密度值为2.0g/cm³,符合规范要求。
(3)稳定性:对级配砾石基层进行了稳定性检测,结果显示基层的稳定性满足要求。
综上所述,级配砾石基层材料质量合格。
三、施工质量验收1.确认基层平整度:验收人员对级配砾石基层的平整度进行了检测。
通过使用水平仪和直尺进行测量,平整度符合设计要求。
2.确认基层压实度:验收人员对级配砾石基层的压实度进行了检测。
通过使用万能压路机对基层进行了三次压实,检测结果满足规范要求。
3.确认基层质量:验收人员对级配砾石基层的质量进行了检测。
通过目测和触摸,基层质量良好,无明显沉陷或坑槽。
四、验收结论根据对级配砂砾及级配砾石基层的材料检测和施工质量验收,结论如下:监理单位应加强对基层施工的监督和检查,及时发现和纠正任何施工质量问题。
五、附录1.级配砂砾化验报告2.级配砾石基层施工记录3.基层压实度测试记录4.级配砾石基层验收照片注:以上内容仅为示例,实际情况可能因项目不同而有所差异,具体应根据实际工程需要进行调整。
建筑工程施工质量验收资料(TJ:土建部分)档号档案馆代号案卷题名编制单位编制日期密级保管期限共卷第卷江苏省建设工程质量监督站编印目录工程概况TJ1。
1复核人:填表人:工程项目施工管理人员名单T J1.2施工现场质量管理检查记录T J1.3施工组织设计、施工方案审批表T J1。
4注:附施工组织设计、施工方案.技术交底记录T J1.5注:本记录一式两份,一份交接受交底人,一份存档。
开工报告T J1.6工程竣工报告T J1。
7图纸会审、设计变更、洽商记录汇总表T J2。
1注:图纸会审、设计变更、洽谈商记录附后.图纸会审、设计变更、洽商记录T J2..1.1设计交底记录T J2..1。
2工程定位测量、放线验收记录T J2.。
2钢材合格证和复试报告汇总表T J2.。
3。
1技术负责人:质量检查员:水泥出厂合格证、复试报告汇总表T J2..3.2技术负责人:质量检查员:砖(砌块)检验报告汇总表T J2。
.3.3技术负责人: 质量检查员:混凝土外加剂(及其它材料)产品合格证、出厂检验报告和进场复验报告汇总表T J2。
.3.4技术负责人:质量检查员:防水和保温材料合格证、复试报告汇总表T J2。
.3.5技术负责人:质量检查员:(其它)建筑材料合格证、复试报告汇总表T J2.。
3。
6技术负责人:质量检查员:混凝土试块试压报告汇总表T J2。
4。
1技术负责人:质量检查员:注:1、F eu,I—-第I组混凝土抗压强度代表值。
2、不同验收批的混凝土、标准养护和与结构实体同条件养护的混凝土应分别汇总评定。
试验报告分别附本汇总表后.混凝土强度评定T J2.。
4.2技术负责人:质量检查员: 年月日结构实体混凝土强度评定T J2..4.3技术负责人: 质量检查员:年月日注:同条件养护试件强度按GBJ107的规定确定后,宜取1.10的折算系数。
砂浆强度汇总评定表T J2。
.4。
4钢筋连接试验报告、焊条(剂)合格证汇总表T J2.。
第二部分+建筑和结构工程施工质量验收资料第二部分建筑与结构工程施工质量验收资料第七卷地基与基础工程质量验收资料一、分部(子分部)工程验收资料1、鲁JJ—079 分部(子分部)工程验收记录2、鲁JJ—080 分部(子分部)工程观感检查记录3、鲁JJ—081 分项工程质量验收记录二、无支护土方1、鲁JJ—082 土方开挖工程检验批质量验收记录表2、鲁JJ—083土方回填工程检验批质量验收记录表三、有支护土方1、鲁JJ—084 排桩墙支护工程检验批质量验收记录表(Ⅰ)钢板桩2、鲁JJ—085 排桩墙支护工程检验批质量验收记录表(Ⅱ)混凝土板桩3、鲁JJ—086 降水与排水工程检验批质量验收记录表4、鲁JJ—087 地下连续墙工程检验批质量验收记录表5、鲁JJ—088 锚杆及土钉墙支护工程检验批质量验收记录表6、鲁JJ—089 水泥土桩墙支护工程检验批质量验收记录表7、鲁JJ—090 沉井与沉箱工程检验批质量验收记录表8、鲁JJ—091 钢或混凝土支撑系统工程检验批质量验收记录表四、地基与基础处理1、鲁JJ—092灰土地基工程检验批质量验收记录表2、鲁JJ—093 砂和砂石地基工程检验批质量验收记录表3、鲁JJ—094 土工合成材料地基工程检验批质量验收记录表4、鲁JJ—095 粉煤灰地基工程检验批质量验收记录表5、鲁JJ—096 强夯地基工程检验批质量验收记录表6、鲁JJ—097 振冲地基工程检验批质量验收记录表7、鲁JJ—098 砂桩地基工程检验批质量验收记录表8、鲁JJ—099 预压地基工程检验批质量验收记录表9、鲁JJ—100 高压喷射注浆地基工程检验批质量验收记录表10、鲁JJ—101 土和灰土挤密桩复合地基工程检验批质量验收记录表11、鲁JJ—102 注浆地基工程检验批质量验收记录表12、鲁JJ—103 水泥粉煤灰碎石桩复合地基工程检验批质量验收记录表13、鲁JJ—104 夯实水泥土桩复合地基工程检验批质量验收记录表14、鲁JJ—105 水泥土搅拌桩地基工程检验批质量验收记录表五、地下防水1、鲁JJ—106 防水混凝土工程检验批质量验收记录表2、鲁JJ—107 水泥砂浆防水层工程检验批质量验收记录表3、鲁JJ—108 卷材防水层工程检验批质量验收记录表4、鲁JJ—109 涂料防水层工程检验批质量验收记录表5、鲁JJ—110 金属板防水层工程检验批质量验收记录表6、鲁JJ—111 塑料板防水层工程检验批质量验收记录表7、鲁JJ—112 细部构造工程检验批质量验收记录表8、鲁JJ—113 锚喷支护工程检验批质量验收记录表9、鲁JJ—114 复合式衬砌工程检验批质量验收记录表10、鲁JJ—115 地下连续墙工程检验批质量验收记录表11、鲁JJ—116 遁构法隧道工程检验批质量验收记录表12、鲁JJ—117 渗排水、盲沟排水工程检验批质量验收记录表13、鲁JJ—118 隧道、坑道排水工程检验批质量验收记录表14、鲁JJ—119 预注浆、后注浆工程检验批质量验收记录表15、鲁JJ—120 衬砌裂缝注浆工程检验批质量验收记录表六、混凝土基础1、鲁JJ—121 模板安装工程检验批质量验收记录表2、鲁JJ—122 预制构件模板工程检验批质量验收记录表3、鲁JJ—123模板拆除工程检验批质量验收记录表4、鲁JJ—124 钢筋原材料检验批质量验收记录表5、鲁JJ—125 钢筋加工检验批质量验收记录表(Ⅰ)6、鲁JJ—126 钢筋安装工程检验批质量验收记录表(Ⅱ)7、鲁JJ—127钢筋安装工程检验批质量验收记录表(Ⅲ)钢筋闪光对焊接头8、鲁JJ—128钢筋安装工程检验批质量验收记录表(Ⅳ)钢筋电弧焊接头9、鲁JJ—129钢筋安装工程检验批质量验收记录表(Ⅴ)钢筋电渣压力焊接头10、鲁JJ—130钢筋安装工程检验批质量验收记录表(Ⅵ)钢筋气压焊接头11、鲁JJ—131.1钢筋安装工程检验批质量验收记录表(Ⅶ)带肋钢筋套筒挤压接头12、鲁JJ—131.2钢筋安装工程检验批质量验收记录表(Ⅷ)钢筋锥螺纹接头13、鲁JJ—132 混凝土原材料检验批质量验收记录表14、鲁JJ—133 混凝土施工检验批质量验收记录表15、鲁JJ—137 现浇结构外观及尺寸偏差检验批质量验收记录表16、鲁JJ—138 混凝土设备基础外观及尺寸偏差检验批质量验收记录表七、砌体基础1、鲁JJ—143砖砌体工程检验批质量验收记录表2、鲁JJ—144 混凝土小型空心砌块砌体工程检验批质量验收记录表3、鲁JJ—145 石砌体工程检验批质量验收记录表4、鲁JJ—147 配筋砌体工程检验批质量验收记录表第八卷主体结构工程质量验收资料一、分部(子分部)工程验收资料1、鲁JJ—079 分部(子分部)工程验收记录2、鲁JJ—080 分部(子分部)工程观感检查记录3、鲁JJ—081 分项工程质量验收记录二、混凝土结构工程1、鲁JJ—121 模板安装工程检验批质量验收记录表2、鲁JJ—122 预制构件模板工程检验批质量验收记录表3、鲁JJ—123模板拆除工程检验批质量验收记录表4、鲁JJ—124 钢筋原材料检验批质量验收记录表5、鲁JJ—125 钢筋加工检验批质量验收记录表(Ⅰ)6、鲁JJ—126 钢筋安装工程检验批质量验收记录表(Ⅱ)7、鲁JJ—127钢筋安装工程检验批质量验收记录表(Ⅲ)钢筋闪光对焊接头8、鲁JJ—128钢筋安装工程检验批质量验收记录表(Ⅳ)钢筋电弧焊接头9、鲁JJ—129钢筋安装工程检验批质量验收记录表(Ⅴ)钢筋电渣压力焊接头10、鲁JJ—130钢筋安装工程检验批质量验收记录表(Ⅵ)钢筋气压焊接头11、鲁JJ—131.1钢筋安装工程检验批质量验收记录表(Ⅶ)带肋钢筋套筒挤压接头12、鲁JJ—131.2钢筋安装工程检验批质量验收记录表(Ⅷ)钢筋锥螺纹接头13、鲁JJ—132 混凝土原材料检验批质量验收记录表14、鲁JJ—133 混凝土施工检验批质量验收记录表15、鲁JJ—134 预应力原材料检验批质量验收记录表16、鲁JJ—135 预应力制作与安装检验批质量验收记录表17、鲁JJ—136 预应力张拉、放张、灌浆及封锚检验批质量验收记录表18、鲁JJ—137 现浇结构外观及尺寸偏差检验批质量验收记录表19、鲁JJ—141 预制构件检验批质量验收记录表20、鲁JJ—142 装配式结构施工检验批质量验收记录表三、砌体工程1、鲁JJ—143砖砌体工程检验批质量验收记录表2、鲁JJ—144 混凝土小型空心砌块砌体工程检验批质量验收记录表3、鲁JJ—145 石砌体工程检验批质量验收记录表4、鲁JJ—146 填充墙砌体工程检验批质量验收记录表5、鲁JJ—147 配筋砌体工程检验批质量验收记录表四、木结构工程1、鲁JJ—148 方木和原木结构工程检验批质量验收记录表2、鲁JJ—149 胶合木工程检验批质量验收记录表3、鲁JJ—150 轻型木结构(规格材、钉连接)工程检验批质量验收记录表4、鲁JJ—151 木结构防护(防腐、放火、防虫工程检验批质量验收记录表)五、其他资料第九卷装饰装修工程质量验收资料一、分部(子分部)工程验收资料1、鲁JJ—079 分部(子分部)工程验收记录2、鲁JJ—080 分部(子分部)工程观感检查记录3、鲁JJ—081 分项工程质量验收记录二、建筑地面工程1、鲁JJ—152基土垫层工程检验批质量验收记录表2、鲁JJ—153灰土垫层工程检验批质量验收记录表3、鲁JJ—154 砂垫层和砂石垫层工程检验批质量验收记录表4、鲁JJ—155 碎石垫层和碎砖垫层工程检验批质量验收记录表5、鲁JJ—156 三合土垫层工程检验批质量验收记录表6、鲁JJ—157 炉渣垫层工程检验批质量验收记录表7、鲁JJ—158 水泥混凝土垫层工程检验批质量验收记录表8、鲁JJ—159 找平层工程检验批质量验收记录表9、鲁JJ—160 隔离层工程检验批质量验收记录表10、鲁JJ—161 填充层工程检验批质量验收记录表11、鲁JJ—162 水泥混凝土面层工程检验批质量验收记录表12、鲁JJ—163 地面水泥砂浆面层工程检验批质量验收记录表13、鲁JJ—164水磨石面层工程检验批质量验收记录表14、鲁JJ—165水泥钢(铁)屑面层工程检验批质量验收记录表15、鲁JJ—166 防油渗面层工程检验批质量验收记录表16、鲁JJ—167 不发火(防爆)面层工程检验批质量验收记录表17、鲁JJ—168 砖面层工程检验批质量验收记录表18、鲁JJ—169 大理石和花岗岩面层工程检验批质量验收记录表19、鲁JJ—170 预制板块面层工程检验批质量验收记录表20、鲁JJ—171料石面层工程检验批质量验收记录表21、鲁JJ—172 塑料板面层检验批质量验收记录表22、鲁JJ—173 活动地板面层检验批质量验收记录表23、鲁JJ—174 地毯面层检验批质量验收记录表24、鲁JJ—175 实木地板面层检验批质量验收记录表25、鲁JJ—176 实木复合地板面层检验批质量验收记录表26、鲁JJ—177 中密度(强化)复合地板面层检验批质量验收记录表27、鲁JJ—178 竹地板面层检验批质量验收记录表三、抹灰工程1、鲁JJ—179 一般抹灰工程检验批质量验收记录表2、鲁JJ—180 装饰抹灰工程检验批质量验收记录表3、鲁JJ—181 清水砌体勾缝工程检验批质量验收记录表四、门窗工程1、鲁JJ—182 木门窗制作工程检验批质量验收记录表2、鲁JJ—183 木门窗安装工程检验批质量验收记录表3、鲁JJ—184金属门窗安装工程检验批质量验收记录表(Ⅰ)钢门窗4、鲁JJ—185金属门窗安装工程检验批质量验收记录表(Ⅱ)铝合金门窗5、鲁JJ—186金属门窗安装工程检验批质量验收记录表(Ⅲ)涂色渡锌钢板门窗6、鲁JJ—187塑料门窗安装工程检验批质量验收记录表7、鲁JJ—188 特种门窗工程检验批质量验收记录表8、鲁JJ—189 门窗玻璃工程检验批质量验收记录表五、吊顶工程1、鲁JJ—190 暗龙骨吊顶工程检验批质量验收记录表2、鲁JJ—191 明龙骨吊顶工程检验批质量验收记录表六、轻质隔墙工程1、鲁JJ—192板材隔墙工程检验批质量验收记录表2、鲁JJ—193骨架隔墙工程检验批质量验收记录表3、鲁JJ—194活动隔墙工程检验批质量验收记录表4、鲁JJ—195 玻璃隔墙工程检验批质量验收记录表七、饰面板(砖)工程1、鲁JJ—196 饰面砖安装工程检验批质量验收记录表2、鲁JJ—197饰面砖粘贴工程检验批质量验收记录表八、涂饰工程1、鲁JJ—198水性涂饰工程检验批质量验收记录表2、鲁JJ—199溶剂型涂料涂饰工程检验批质量验收记录表3、鲁JJ—200 美术涂饰工程检验批质量验收记录表九、裱糊与软包工程1、鲁JJ—201 裱糊工程检验批质量验收记录表2、鲁JJ—202 软包工程检验批质量验收记录表十、细部工程1、鲁JJ—203橱柜制作与安装工程检验批质量验收记录表2、鲁JJ—204 窗帘盒、窗台板和散热器制作与安装工程检验批质量验收记录表3、鲁JJ—205 门窗套制作与安装工程检验批质量验收记录表4、鲁JJ—206 护栏与扶手制作与安装工程检验批质量验收记录表5、鲁JJ—207 花饰制作与安装工程检验批质量验收记录表十一、其他资料第十卷屋面工程工程质量验收资料1、鲁JJ—079 分部(子分部)工程验收记录2、鲁JJ—080分部(子分部)工程观感检查记录3、鲁JJ—081 分项工程质量验收记录4、鲁JJ—208 屋面保温层工程检验批质量验收记录表5、鲁JJ—209 屋面找平层工程检验批质量验收记录表6、鲁JJ—210 卷材防水层工程检验批质量验收记录表7、鲁JJ—211 涂膜防水层工程检验批质量验收记录表8、鲁JJ—212 细石混凝土防水层工程检验批质量验收记录表9、鲁JJ—213 密封材料嵌缝工程检验批质量验收记录表10、鲁JJ—214 平瓦屋面工程检验批质量验收记录表11、鲁JJ—215 油毡瓦屋面检验批质量验收记录表12、鲁JJ—216 金属板材屋面检验批质量验收记录表13、鲁JJ—217细部构造检验批质量验收记录表14、鲁JJ—218 架空屋面检验批质量验收记录表15、鲁JJ—219 蓄水、种植屋面检验批质量验收记录表16、其他资料zouzouakai提供。
质量验收记录表填写示例目录1、柱基土方开挖工程检验批质量验收记录表2、柱基土方回填工程检验批质量验收记录表3、砂和砂石地基检验批质量验收记录表4、地下防水混凝土检验批质量验收记录表5、地下水泥砂浆防水层检验批质量验收记录表6、地下卷材防水层检验批质量验收记录表7、地下涂料防水层检验批质量验收记录表8、地下防水细部构造检验批质量验收记录表9、模板安装工程检验批质量验收记录表10、模板拆除工程检验批质量验收记录表(Ⅲ)11、钢筋加工检验批质量验收记录表(Ⅰ)12、钢筋安装工程检验批质量验收记录表13、混凝土原材料及配合比设计检验批质量验收记录表(Ⅰ)14、混凝土施工检验批质量验收记录表(Ⅱ)15、现浇结构外观及尺寸偏差检验批质量验收记录表(Ⅰ)16、砖砌体(混水)工程检验批质量验收记录表17、填充墙砌体工程检验批质量验收记录表18、基土垫层检验批质量验收记录表(Ⅰ)19、砂垫层和砂石垫层检验批质量验收记录表(Ⅲ)20、碎石垫层和碎砖垫层检验批质量验收记录表(Ⅳ)21、水泥混凝土垫层检验批质量验收记录表(Ⅶ)22、水泥砂浆找平层检验批质量验收记录表(Ⅷ)23、水泥混凝土面层检验批质量验收记录表24、水泥砂浆面层工程检验批质量验收记录表25、普通水磨石面层检验批质量验收记录表26、陶瓷地砖砖面层检验批质量验收记录表27、大理石和花岗石面层检验批质量验收记录表28、预制板块面层检验批质量验收记录表29、一般抹灰工程检验批质量验收记录表30、水刷石装饰抹灰工程检验批质量验收记录表31、清水砌体勾缝工程检验批质量验收记录表32、普通木门窗制作工程检验批质量验收记录表33、普通木门窗安装检验批质量验收记录表34、钢门窗安装工程检验批质量验收记录表35、铝合金门窗安装工程检验批质量验收记录表36、涂色镀锌钢板门窗安装检验批质量验收记录表39、金属框架玻璃旋转门安装检验批质量验收记录表40、门窗玻璃安装工程检验批质量验收记录表41、光面石材饰面板安装工程检验批质量验收记录表42、外墙饰面砖粘贴工程检验批质量验收记录表43、玻璃幕墙工程检验批质量验收记录表(主控项目)(Ⅰ)44、玻璃(明框)幕墙工程检验批质量验收记录表(一般项目)(Ⅱ)45、玻璃(隐框、半隐框)幕墙检验批质量验收记录表(一般项目)46、金属幕墙工程检验批质量验收记录表(主控项目)47、金属幕墙工程检验批质量验收记录表(一般项目)(Ⅱ)48、普通水性涂料涂饰工程检验批质量验收记录表49、普通溶剂型涂料涂饰工程检验批质量验收记录表50、楼梯护栏和扶手制作与安装工程检验批质量验收记录表51、整体屋面保温层检验批质量验收记录表52、屋面找平层检验批质量验收记录表53、屋面卷材防水层检验批质量验收记录表54、屋面涂膜防水层检验批质量验收记录表55、屋面细石混凝土防水层检验批质量验收记录表56、卷材屋面细部构造检验批质量验收录表57、架空屋面检验批质量验收记录表砂和砂石地基检验批质量验收记录表地下防水混凝土检验批质量验收记录表GB50208-2002地下水泥砂浆防水层检验批质量验收记录表地下防水细部构造检验批质量验收记录表GB50204-2002(Ⅲ)钢筋加工检验批质量验收记录表GB50204-2002(Ⅰ)钢筋安装工程检验批质量验收记录表混凝土原材料及配合比设计检验批质量验收记录表GB50204-2002(Ⅰ)混凝土施工检验批质量验收记录表GB50204-2002(Ⅱ)现浇结构外观及尺寸偏差检验批质量验收记录表GB50204-2002(Ⅰ)砖砌体(混水)工程检验批质量验收记录表注:①定性项目符合要求打√;②定量项目加○表示超出企业标准,加△表示超出国家标准。
常用检验批质量验收记录表格统表1,施工现场质量管理检查记录津资统表零2,单位(子单位)工程质量竣工验收记录津资统表一3,单位(子单位)工程质量控制资料合成记录津资统表二4,单位(子单位)工程安全和功能检验资料核查及主要功能抽查记录津资统表三5,单位(子单位)工程观感质量检查记录津资统表四6,_______分部(子分部)工程质量验收记录津资统表五7,_______分部工程质量验收记录津资统表六一、地基与基础工程1、无支护土方土方开挖工程检验批质量验收记录津资JYP1-01土方回填工程检验批质量验收记录津资JYP1-022、支护土方排桩墙支护工作检验批质量验收记录Ⅰ,重复使用钢板桩(Ⅰ)津资JYP1-03 Ⅱ,混凝土板桩(Ⅱ)津资JYP1-04 降水与排水工程检验批质量验收记录津资JYP1-05地下连续墙工程检验批质量验收记录津资JYP1-06锚杆及图钉墙支护工程检验批质量验收记录津资JYP1-07加筋水泥土桩墙支护工程检验批质量验收记录津资JYP1-08钢或混凝土支撑工程检验批质量验收记录津资JYP1-093、地基处理灰土地基工程检验批质量验收记录津资JYP1-10砂和砂石地基检验批质量验收记录津资JYP1-11土工合成材料地基工程检验批质量验收记录津资JYP1-12粉煤灰地基工程检验批质量验收记录津资JYP1-13强夯地基工程检验批质量验收记录津资JYP1-14预压地基工程检验批质量验收记录津资JYP1-15高压喷射注浆地基工程检验批质量验收记录津资JYP1-164、桩基土和灰土挤密桩复合地基工程检验批质量验收记录津资JYP1-17注浆地基检验批质量验收记录津资JYP1-18水泥粉煤灰碎石桩复合地基工程检验批质量验收记录津资JYP1-19夯实水泥土桩复合地基工程检验批质量验收记录津资JYP1-20水泥土搅拌桩地基工程检验批质量验收记录津资JYP1-21静力压柱工程检验批质量验收记录津资JYP1-22预应力管桩工程检验批质量验收记录津资JYP1-23混凝土预制桩(钢筋骨架)工程检验批质量验收记录(Ⅰ)津资JYP1-24混凝土预制桩工程检验批质量验收记录(Ⅱ)津资JYP1-25 钢桩(成品)工程检验批质量验收记录(Ⅰ)津资JYP1-26 刚桩施工检验批质量验收记录(Ⅱ)津资JYP1-27 混凝土灌注桩(钢筋笼)工程检验批质量验收记录(Ⅰ)津资JYP1-28 混凝土灌注桩工程检验批质量验收记录(Ⅱ)津资JYP1-29 5、地下防水防水混凝土检验批质量验收记录津资JYP1-30 水泥砂浆防水层检验批质量验收记录津资JYP1-31 卷材防水层检验批质量验收记录津资JYP1-32 涂料防水层检验批质量验收记录津资JYP1-33 细部构造检验批质量验收记录津资JYP1-34 锚喷支护检验批质量验收记录津资JYP1-35 地下连续墙检验批质量验收记录津资JYP1-36 渗排水、盲沟排水检验批质量验收记录津资JYP1-37二,主体结构1、混凝土工程模板安装工程检验批质量验收记录(Ⅰ)津资JYP2-01 预制构件模板工程检验批质量验收记录(Ⅱ)津资JYP2-02 模板拆除工程检验批质量验收记录(Ⅲ)津资JYP2-03 钢筋加工检验批质量验收记录津资JYP2-04 钢筋安装工程检验批质量验收记录津资JYP2-05 混凝土原材料及配合比设计建议批质量验收记录津资JYP2-06 混凝土施工检验批质量验收记录津资JYP2-07 预应力原材料检验批质量验收记录(Ⅰ)津资JYP2-08 预应力制作与安装检验批质量验收记录(Ⅱ)津资JYP2-09 预应力张拉、放张、灌浆及封锚检验批质量验收记录(Ⅲ)津资JYP2-10 现浇结构外观及尺寸偏差检验批验收记录(Ⅰ)津资JYP2-11 混凝土设备基础外观尺寸偏差检验批质量验收记录(Ⅱ)津资JYP2-12 预制构件检验批质量验收记录(Ⅰ)津资JYP2-13 装配式结构施工检验批质量验收记录(Ⅱ)津资JYP2-14 2、砌体工程砖砌体(混水)工程检验批质量验收记录(Ⅰ)津资JYP2-15 混凝土小型空心砌体工程检验批质量验收记录津资JYP2-16 石砌体工程检验批质量验收记录津资JYP2-17 填充墙砌体工程检验批质量验收记录津资JYP2-18 配筋砌体工程检验批质量验收记录津资JYP2-19 3、钢结构钢结构制作(安装)焊接工程检验批质量验收记录(Ⅰ)津资JYP2-20 焊钉(栓钉)焊接工程检验批质量验收记录(Ⅱ)津资JYP2-21 普通紧固件连接工程检验批质量验收记录(Ⅰ)津资JYP2-22 高强度螺栓连接工程检验批质量验收记录(Ⅱ)津资JYP2-23 钢结构零、部件加工工程检验批质量验收记录(Ⅰ)津资JYP2-24 钢构件组装工程检验批质量验收记录津资JYP2-25钢构件预拼装工程检验批质量验收记录津资JYP2-26 单层刚构件安装工程检验批质量验收记录津资JYP2-27 多层及高层钢构件安装工程检验批质量验收记录津资JYP2-28 钢网架制作工程检验批质量验收记录津资JYP2-29 钢网架安装工程检验批质量验收记录津资JYP2-30 压型金属板工程检验批质量验收记录津资JYP2-31 防腐涂料涂装工程检验批质量验收记录津资JYP2-32 防火涂料涂装工程检验批质量验收记录津资JYP2-33三、建筑装饰装修1、地面基土垫层检验批质量验收记录(Ⅰ)津资JYP3-01 灰土垫层检验批质量验收记录(Ⅱ)津资JYP3-02 砂垫层和碎石垫层检验批质量验收记录(Ⅲ)津资JYP3-03 碎石垫层和碎砖垫层检验批质量验收记录(Ⅳ)津资JYP3-04 三合土垫层检验批质量验收记录(Ⅴ)津资JYP3-05 炉渣垫层检验批质量验收记录津资JYP3-06 水泥混凝土垫层检验批质量验收记录(Ⅶ)津资JYP3-07 找平层检验批质量验收记录(Ⅷ)津资JYP3-08 隔离层检验批质量验收记录(Ⅸ)津资JYP3-09 填充层检验批质量验收记录(Ⅹ)津资JYP3-10 水泥混凝土面层检验批质量验收记录津资JYP3-11 水磨石面层检验批质量验收记录津资JYP3-12 水泥钢屑检验批质量验收记录津资JYP3-13 防油渗面层检验批质量验收记录津资JYP3-14 不发火(防爆)检验批质量验收记录津资JYP3-15 砖面层检验批质量验收记录津资JYP3-16 大理石和花岗石面层检验批质量验收记录津资JYP3-17 预制板块面层检验批质量验收记录津资JYP3-18 料石面层检验批质量验收记录津资JYP3-19 塑料面板层检验批质量验收记录津资JYP3-20 活动地板面层检验批质量验收记录津资JYP3-21 地毯面层检验批质量验收记录津资JYP3-22 实木地板面层检验批质量验收记录津资JYP3-23 实木复合地板面层检验批质量验收记录津资JYP3-24 中密度(强化)复合地板面层检验批质量验收记录津资JYP3-25 竹地板面层检验批质量验收记录津资JYP3-26 2、抹灰一般抹灰工程检验批质量验收记录津资JYP3-27 装饰抹灰工程检验批质量验收记录津资JYP3-28 清水砌体勾缝工程检验批质量验收记录津资JYP3-29 3、门窗木门窗制作工程检验批质量验收记录津资JYP3-30 木门窗安装工程检验批质量验收记录津资JYP3-31 金属门窗安装工程检验批质量记录(钢门窗)津资JYP3-32金属门窗安装工程检验批质量验收记录(钢铝合金门窗)津资JYP3-33 塑料门窗安装工程检验批质量验收记录津资JYP3-34 特种门窗安装检验批质量验收记录津资JYP3-35 门窗玻璃安装工程检验批质量验收记录津资JYP3-36 4、吊顶暗龙骨吊顶工程检验批质量验收记录津资JYP3-37 明龙骨吊顶工程检验批质量验收记录津资JYP3-38 5、轻质隔墙板材隔墙工程检验批质量验收记录津资JYP3-39 骨架隔墙工程检验批质量验收记录津资JYP3-40 活动隔墙工程检验批质量验收记录津资JYP3-41 玻璃隔墙工程检验批质量验收记录津资JYP3-42 6、饰面板饰面板安装工程检验批质量验收记录津资JYP3-43 饰面砖粘贴工程检验批质量验收记录津资JYP3-44 7、幕墙玻璃幕墙工程检验批质量验收记录(主控项目)(Ⅰ)津资JYP3-45 玻璃幕墙工程检验批质量验收记录(一般项目)(Ⅱ)津资JYP3-46 玻璃隔墙工程检验批质量验收记录(隐柜,半隐柜)(Ⅸ)津资JYP3-47 金属幕墙工程检验批质量验收记录(主控项目)(Ⅰ)津资JYP3-48 金属幕墙工程检验批质量验收记录(一般项目)(Ⅱ)津资JYP3-49 石材幕墙工程检验批质量验收记录(主控项目)(Ⅰ)津资JYP3-50 石材幕墙工程检验批质量验收记录(一般项目)(Ⅱ)津资JYP3-51 8、涂饰水性涂料涂饰工程检验批质量验收记录津资JYP3-52 溶剂型涂料涂饰工程检验批质量验收记录津资JYP3-53 美术涂料工程检验批质量验收记录津资JYP3-54 9、细部裱糊工程检验批质量验收记录津资JYP3-55 软包工程检验批质量验收记录津资JYP3-56 橱柜制作与安装工程检验批质量验收记录津资JYP3-57 窗帘盒、窗台板和散热器罩制作与安装工程检验批质量验收记录津资JYP3-58 门窗套制作与安装工程检验批质量验收记录津资JYP3-59 护栏和扶手制作与安装工程检验批质量验收记录津资JYP3-60 花饰制作与安装工程检验批质量验收记录津资JYP3-61 四,屋面工程1、卷材(涂膜,刚性防水屋面)屋面保温层检验批质量验收记录津资JYP4-1 屋面找平层检验批质量验收记录津资JYP4-2 卷材防水层检验批质量验收记录津资JYP4-3 涂膜防水层检验批质量验收记录津资JYP4-4 细石混凝土防水层检验批质量验收记录津资JYP4-5 密封材料嵌缝检验批质量验收记录津资JYP4-6 平瓦屋面检验批质量验收记录津资JYP4-72、瓦屋面油毡瓦屋面检验批质量验收记录津资JYP4-8金属板材屋面检验批质量验收记录津资JYP4-9细部构造检验批质量验收记录津资JYP4-10 3、其他架空屋面检验批质量验收记录津资JYP4-11蓄水种植屋面检验批质量验收记录津资JYP4-12 五、节能建筑节能分部工程质量验收记录建筑节能________分项工程质量验收记录建筑技能________检验批/分项工程质量验收记录六、给排水与采暖室内给水管道及配件安装工程检验批质量验收记录津资JYP5-1室内消火栓系统安装工程检验批质量验收记录津资JYP5-2给水设备安装工程检验批质量验收记录津资JYP5-3室内排水管道及配件安装工程检验批质量验收记录津资JYP5-4雨水管道及配件安装工程检验批质量验收记录津资JYP5-5室内热水管道及配件安装工程检验批质量验收记录津资JYP5-6热水供应系统辅助设备安装工程检验批质量验收记录津资JYP5-7卫生器具及给水配件安装工程检验批质量验收记录津资JYP5-8卫生器具排水管道安装工程检验批质量验收记录津资JYP5-9室内采暖管道及配件安装工程检验批质量验收记录津资JYP5-10 室内采暖辅助设备及散热器及金属辐射板安装工程检验批质量验收记录津资JYP5-11 低温热水地板辐射采暖安装工程检验批质量验收记录津资JYP5-12 室外给水管道安装工程检验批质量验收记录津资JYP5-13 室外消防水泵接合器及消火栓安装工程检验质量验收记录津资JYP5-14 管沟及井室检验批工程质量验收记录津资JYP5-15 室外排水管道安装工程检验批质量验收记录津资JYP5-16 室外排水管道及井池工程检验批质量验收记录津资JYP5-17 室外供热管道及配件安装工程检验批质量验收记录津资JYP5-18 建筑中水系统及游泳池池水系统安装工程检验批质量验收记录津资JYP5-19 锅炉安装工程检验批质量验收记录津资JYP5-20 锅炉辅助设备安装工程检验批质量验收记录津资JYP5-21 工艺管道安装工程检验批质量验收记录津资JYP5-22 锅炉安装附件安装工程检验批质量验收记录津资JYP5-23 换热站安装工程检验批质量验收记录津资JYP5-24 七、通风与空调风管与配件制作检验批质量验收记录(金属风管)(Ⅰ)津资JYP6-01 风管配件执着检验批质量验收记录(非金属\复合材料风管)津资JYP6-02 风管不见与销售器制作检验批质量验收记录津资JYP6-03 风管系统安装检验批质量验收记录(送、排风,防排风,除尘系统)(Ⅰ)津资JYP6-04 风管系统安装检验批质量验收记录(送、排风,防排风,除尘系统)(Ⅱ)津资JYP6-05 风管系统安装检验批质量验收记录(净化空调系统)(Ⅲ)津资JYP6-06 通风机和安装检验批质量验收记录津资JYP6-07 通风与空调设备安装检验批质量验收记录(通风系统)(Ⅰ)津资JYP6-08 通风与空调设备安装检验批质量验收记录(通风系统)(Ⅱ)津资JYP6-09 通风与空调设备安装检验批质量验收记录(通风系统)(Ⅲ)津资JYP6-10 空调制冷系统安装检验批质量验收记录津资JYP6-11 空调水系统安装检验批质量验收记录(金属管道)(Ⅰ) 津资JYP6-12 空调水系统安装检验批质量验收记录(非金属管道)(Ⅱ)津资JYP6-13 空调水系统安装检验批质量验收记录(设备)(Ⅲ)津资JYP6-14 工程系统调试验收记录津资JYP6-15 防腐与绝热施工检验批质量验收记录(风管系统)津资JYP6-16 防腐与绝热施工检验批质量验收记录(管道系统)津资JYP6-17 八、建筑电气架空线路及杆上电气设备安装检验批质量验收记录津资JYP7-01 变压器、箱式变电所安装检验批质量验收记录津资JYP7-02 成套配电柜、控制柜(屏、台)和动力、照明配电箱(盘)安装检验批质量验收记录(Ⅰ)高压开关柜津资JYP7-03 成套配电柜、控制柜、(屏、台)和动力、照明配电箱(盘)安装检验批质量验收记录(Ⅱ)照明配电箱(屏、台)津资JYP7-04 成套配电柜、控制柜、(屏、台)和动力、照明配电箱(盘)安装检验批质量验收记录(Ⅱ)照明配电箱(盘)津资JYP7-05 低压电动机、电加热器及电动执行机构检查接线检验质量验收质量验收质量验收记录津资JYP7-06 柴油发电机组安装检验批质量验收记录津资JYP7-07 不间断电源安装检验批质量验收记录津资JYP7-08 低压电气动力设备试验和试运行检验批质量验收记录津资JYP7-09 螺母先、封闭母线、插接式母线安装检验批质量验收记录津资JYP7-10 电缆桥架安装和桥架内电缆敷设检验批质量验收记录津资JYP7-11 电缆沟内和电竖井内电缆敷设检验批质量验收记录津资JYP7-12 电线导管、电缆导管和线槽敷设检验批质量验收记录(Ⅰ)室内津资JYP7-13 电线导管、电缆导管和线槽敷设检验批质量验收记录(Ⅱ)室外津资JYP7-14 电线、电缆穿管和线槽敷线检验批质量验收记录津资JYP7-15 槽板配线检验批质量验收记录津资JYP7-16 钢索配线检验批质量验收记录津资JYP7-17 电缆头制作、接线和线路绝缘测试检验批质量验收记录津资JYP7-18 普通灯具安装检验批质量验收记录津资JYP7-19 专用灯具安装检验批质量验收记录津资JYP7-20 建筑物景观照明灯、航空障碍标志灯和庭院灯安装检验批质量验收记录津资JYP7-21开关、插座、风扇安装检验批质量验收记录津资JYP7-22 建筑物照明通电试运行检验批质量验收记录津资JYP7-23 接地装置安装检验批质量验收记录津资JYP7-24 避雷引下线和变配电室接地干线敷设检验批质量验收记录(Ⅰ)防雷下线津资JYP7-25 避雷引下线和变配电室接地干线敷设检验批质量验收记录(Ⅱ)变配电室接地干线津资JYP7-26 接闪器安装检验批质量验收记录津资JYP7-27 建筑物等电位联结检验批质量验收记录津资JYP7-28 九、智能智能建筑工程检验批质量验收记录津资JYP8十、电梯电梯分部工程质量验收记录津资9-00曳引式或强制式电梯子分部工程质量验收记录津资9-01液压电梯子分部工程质量验收记录津资9-02自动扶梯和自动人行道子分部工程质量验收记录津资9-031、曳引式或强制式电梯设备进场质量验收记录津资JYP9-1 土建交接检验质量验收记录津资JYP9-2 驱动逐级安装质量验收记录津资JYP9-3 导轨安装质量验收记录津资JYP9-4 门系统安装质量验收记录津资JYP9-5 轿厢及平衡质量验收记录津资JYP9-6 安全部件质量验收记录津资JYP9-7 悬挂装置、随行电缆、补偿装置质量验收记录津资JYP9-8 电气装置质量验收记录津资JYP9-9 整机安装质量验收记录津资JYP9-10 2、液压电梯设备进场质量验收记录津资JYP9-11 土建交接检验质量验收记录津资JYP9-2液压系统质量验收记录津资JYP9-12 导轨安装质量验收记录津资JYP9-4门系统安装质量验收记录津资JYP9-5轿厢及平衡质量验收记录津资JYP9-6安全部件质量验收记录津资JYP9-7悬挂装置、随行电缆质量验收记录津资JYP9-13 电气装置质量验收记录津资JYP9-9整机安装质量验收记录津资JYP9-14 3、自动扶梯和自动人行道设备进场质量验收记录津资JYP9-14 土建交接检验质量验收记录津资JYP9-16 整机安装质量验收记录津资JYP9-17。
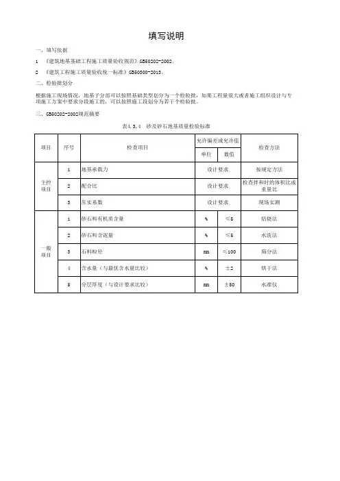
一、地基(1)素土、灰土地基检验批质量验收记录GD-C5-711(2)砂和砂石地基检验批质量验收记录GD-C-7113(3)土工合成材料地基检验批质量验收记录GD-C5-7114(4)粉煤灰地基检验批质量验收记录GD-C5-7115(5)强夯地基检验批质量验收记录GD-C5-7116(6)注浆地基检验批质量验收记录GD-C5-71117(7)预压地基检验批质量验收记录GD-C5-7118(8)砂石桩复合地检验批质量验收记录GD-C5-7119(9)高压旋喷注浆地基检验批质量验收记录GD-C5-71110 (10)水泥土搅拌桩地基检验批质量验收记录GD-C5-71111 (11)土和灰土挤密桩复合地基检验批质量验收记录GD-C5-71112(12)水泥粉煤灰碎石桩复合地基检验批质量验收记录GD-C5-71113(13)夯实水泥土桩复合地基检验批质量验收记录GD-C5-71114 二、基础(一)、无筋扩展基础(1)砌砖体检验批质量验收记录GD-C5-71174(2)混凝土小型空心砖块砌体检验批质量验收记录GD-C5-71175(3)石砌体检验批质量验收记录GD-C5-71176(4)配筋砌体检验批质量验收记录GD-C5-71177(二)、钢筋混凝土扩展基础(1)模板安装检验批质量验收记录GD-C-71157(2)模板拆除检验批质量验收记录GD-C5-71158(3)钢筋原材料检验批质量验收记录GD-C5-71159(4)钢筋加工检验批质量验收记录GD-C5-71160(5)钢筋连接检验批质量验收记录GD-C5-71161(6)钢筋安装检验批质量验收记录GD-C5-71162(7)混凝土原材料检验批质量验收记录GD-C5-71163(8)混凝土拌合物检验批质量验收记录GD-C5-71164(9)混凝土施工检验批质量验收记录GD-C5-71165(10)现浇结构外观及尺寸偏差检验批质量验收记录GD-C5-71170(11)混凝土设备基础外观及尺寸偏差检验批质量验收记录GD-C5-71171(三)、筏形与箱型基础(1)模板安装检验批质量验收记录GD-C-71157(2)模板拆除检验批质量验收记录GD-C5-71158(3)钢筋原材料检验批质量验收记录GD-C5-71159(4)钢筋加工检验批质量验收记录GD-C5-71160(5)钢筋连接检验批质量验收记录GD-C5-71161(6)钢筋安装检验批质量验收记录GD-C5-71162(7)混凝土原材料检验批质量验收记录GD-C5-71163(8)混凝土拌合物检验批质量验收记录GD-C5-71164(9)混凝土施工检验批质量验收记录GD-C5-71165(10)现浇结构外观及尺寸偏差检验批质量验收记录GD-C5-71170(11)混凝土设备基础外观及尺寸偏差检验批质量验收记录GD-C5-71171(四)、钢结构基础(1)钢结构焊接检验批质量验收记录GD-C5-71179(2)焊钉(栓钉)焊接工程检验批质量验收记录GD-C5-71180(3)紧固件连接检验批质量验收记录GD-C5-71181(4)高强度螺栓连接检验批质量验收记录GD-C5-71182(5)钢零部件加工检验批质量验收记录GD-C5-71183(6)钢结构组装检验批质量验收记录GD-C5-71184(7)钢构件预拼装检验批质量验收记录GD-C5-71185(8)单层钢结构安装检验批质量验收记录GD-C5-71186(9)多层及高层钢结构安装检验批质量验收记录GD-C5-71187 (10)钢网架制作检验批质量验收记录GD-C5-71188(11)钢网架安装检验批质量验收记录GD-C5-71189(12)压型金属板检验批质量验收记录GD-C5-71190(13)防腐涂料涂装检验批质量验收记录GD-C5-71191(14)防火涂料涂装检验批质量验收记录GD-C5-71192(五)、钢管混凝土结构基础(1)钢管构件进场验收检验批质量验收记录GD-C5-71193 (2)钢管混凝土构件现场拼装检验批质量验收记录GD-C5-71194(3)钢管混凝土柱柱脚锚固检验批质量验收记录GD-C5-71195 (4)钢管混凝土构件安装检验批质量验收记录GD-C5-71196 (5)钢管混凝土柱钢筋混凝土梁连接检验批质量验收记录GD-C5-71197(6)钢管内钢筋骨架检验批质量验收记录GD-C5-71198(7)钢管内混凝土浇筑检验批质量验收记录GD-C5-71199 (六)、钢筋混凝土预制桩基础(1)钢筋混凝土预制桩(钢筋骨架)检验批质量验收记录GD-C5-71115(2)钢筋混凝与预制桩检验批质量验收记录GD-C5-71116 (七)、泥浆护壁成孔灌注桩基础(1)混凝土灌注桩(钢筋笼)检验批质量验收记录GD-C5-71117 (2)混凝土灌注桩检验批质量验收记录GD-C5-71118 (八)、干作业成孔桩基础(1)混凝土灌注桩(钢筋笼)检验批质量验收记录GD-C5-71117 (2)混凝土灌注桩检验批质量验收记录GD-C5-71118 (九)、长螺旋钻孔压灌桩基础(1)混凝土灌注桩(钢筋笼)检验批质量验收记录GD-C5-71117 (2)混凝土灌注桩检验批质量验收记录GD-C5-71118(十)、沉管灌注桩基础(1)混凝土灌注桩(钢筋笼)检验批质量验收记录GD-C5-71117 (2)混凝土灌注桩检验批质量验收记录GD-C5-71118(十一)、钢桩基础(1)钢桩(成品)检验批质量验收记录GD-C5-71119(2)钢桩检验批质量验收记录GD-C5-71120锚杆静压桩检验批质量验收记录GD-C5-71121沉井与沉箱检验批质量验收记录GD-C5-71122三、基坑支护(一)、灌注桩排桩围护墙(1)混凝土灌注桩(钢筋笼)检验批质量验收记录GD-C5-71117 (2)混凝土灌注桩检验批质量验收记录GD-C5-71118(二)混凝土板桩围护墙(1)重复使用钢板桩围护墙检验批质量验收记录GD-C5-7112 (2)混凝土板桩围护墙检验批质量验收记录GD-C5-71123土钉墙检验批质量验收记录GD-C5-71124地下连续墙支护检验批质量验收记录GD-C5-71125钢或混凝土支撑系统检验批质量验收记录GD-C5-71126锚杆检验批质量验收记录GD-C5-71127四、地下水控制(1)降水与排水检验批质量验收记录GD-C5-71128五、土方(1)土方开挖检验批质量验收记录GD-C5-71129(2)土方回填检验批质量验收记录GD-C5-71130六、地下防水(一)、主体结构防水(1)防水混凝土检验批质量验收记录GD-C5-71131(2)水泥砂浆防水层检验批质量验收记录GD-C5-71132(3)卷材防水层检验批质量验收记录GD-C5-71133(4)涂料防水层检验批质量验收记录GD-C5-71134(5)塑料防水板防水层检验批质量验收记录GD-C5-71135 (6)金属板防水层检验批质量验收记录GD-C5-71136(7)膨润土防水材料防水层检验批质量验收记录GD-C5-71137 (二)、细部结构防水(1)施工缝检验批质量验收记录GD-C5-71138(2)变形缝检验批质量验收记录GD-C5-71139(3)后浇带检验批质量验收记录GD-C5-71140(4)穿墙管检验批质量验收记录GD-C5-71141(5)埋设件检验批质量验收记录GD-C5-71142(6)预留通道接头检验批质量验收记录GD-C5-71143(7)桩头检验批质量验收记录GD-C5-71144(8)孔口检验批质量验收记录GD-C5-71145(9)坑、池检验批质量验收记录GD-C5-71146(三)、特殊施工法结构防水(1)锚喷支护检验批质量验收记录GD-C5-71147(2)地下连续墙结构防水检验批质量验收记录GD-C5-71148 (3)盾构隧道检验批质量验收记录GD-C5-71149(4)沉井检验批质量验收记录GD-C5-71150(5)逆筑结构检验批质量验收记录GD-C5-71151(四)、排水(1)渗排水、盲沟排水检验批质量验收记录GD-C5-71152 (2)隧道排水、坑道排水检验批质量验收记录GD-C5-71153 (3)塑料排水板排水检验批质量验收记录GD-C5-71154 (五)、注浆(1)预注浆、后注浆检验批质量验收记录GD-C5-71155 (2)结构裂缝注浆检验批质量验收记录GD-C5-71156。
(GB50202-2002)表6.2.4编号:010101□□□(GB50202-2002)表6.3.4编号:010102□□□排桩墙支护工程检验批质量验收记录(重复使用的钢板桩)(GB50202-2002)表7.2.2-1 编号:010201□□□(1)排桩墙支护工程检验批质量验收记录(混凝土板桩制作)(GB50202-2002)表7.2.2-2 编号:010201□□□(2)降水与排水检验批质量验收记录(GB50202-2002)表7.8.6编号:010202□□□地下连续墙检验批质量验收记录(地基基础工程) (GB50208-2002)表7.6.12编号:010203□□□锚杆及土钉墙支护工程检验批质量验收记录(GB50202-2002)表7.4.5编号:010204□□□水泥土桩墙支护工程检验批质量验收记录(GB50202-2002)表7.3.3编号:010205□□□沉井(箱)检验批质量验收记录(GB50202-2002)表7.7.10编号:010206□□□钢及混凝土支撑系统检验批质量验收记录(GB50202-2002)表7.5.6编号:010207□□□灰土地基检验批质量验收记录(GB50202-2002)表4.2.4 编号:010301□□□砂和砂石地基检验批质量验收记录(GB50202-2002)表4.3.4编号:010302□□□土工合成材料地基检验批质量验收记录(GB50202-2002)表4.4.4编号:010303□□□粉煤灰地基检验批质量验收记录(GB50202-2002)表4.5.4编号:010304□□□(GB50202-2002)表4.6.4编号:010305□□□(GB50202-2002)表4.9.4编号:010306□□□(GB50202-2002)表4.15.4编号:010307□□□预压地基和塑料排水带检验批质量验收记录(GB50202-2002)表4.8.4编号:010308□□□高压喷射注浆地基检验批质量验收记录(GB50202-2002)表4.10.4 编号:010309□□□土和灰土挤密桩复合地基检验批质量验收记录(GB50202-2002)表4.12.4编号:010310□□□注浆地基检验批质量验收记录(GB50202-2002)表4.7.4编号:010311□□□水泥粉煤灰碎石桩复合地基检验批质量验收记录(GB50202-2002)表4.13.4 编号:010312□□□夯实水泥土桩复合地基检验批质量验收记录(GB50202-2002)表4.14.4编号:010313□□□水泥土搅拌桩地基检验批质量验收记录(GB50202-2002)表4.11 编号:010314□□□锚杆静力压桩及静力压桩检验批质量验收记录(GB50202-2002)表5.2.5编号:010401□□□先张法预应力管桩检验批质量验收记录(GB50202-2002)表5.3编号:010402□□□钢筋混凝土预制桩检验批质量验收记录(GB50202-2002)表5.4.5编号:010403□□□钢桩检验批质量验收记录(成品钢桩质量检验)(GB50202-2002)表5.5.4-1 编号:010404(1)钢桩检验批质量验收记录(钢桩施工质量检验)(GB50202-2002)表5.5.4-2 编号:010404□□□(2)混凝土灌注桩钢筋笼检验批质量验收记录(GB50202-2002)表5.6.4-1编号:010405□□□(1)混凝土灌注桩检验批质量验收记录(GB50202-2002)表5.6.4-2编号:010405□□□(2)防水混凝土工程检验批质量验收记录(GB50208-2002)表4.1 编号:010501□□□水泥砂浆防水层工程检验批质量验收记录(GB50208-2002)表4.2 编号:010502□□□(GB50208-2002)表4.3 编号:010503□□□(GB50208-2002)表4.4 编号:010504□□□(GB50208-2002)表4.5 编号:010505□□□(GB50208-2002)表4.6 编号:010506□□□细部构造检验批质量验收记录(GB50208-2002)表4.7 编号:010507□□□锚喷支护检验批质量验收记录(GB50208-2002)表5.1 编号:010508□□□复合式衬砌检验批质量验收记录(GB50208-2002)表5.3 编号:010509□□□地下连续墙检验批质量验收记录(地下防水工程)(GB50208-2002)表5.2 编号:010510□□□盾构法隧道检验批质量验收记录(GB50208-2002)表5.4 编号:010511□□□渗排水、盲沟排水检验批质量验收记录(GB50208-2002)表6.1 编号:010512□□□隧道、坑道排水检验批质量验收记录(GB50208-2002)表6.2 编号:010513□□□预注浆、后注浆检验批质量验收记录(GB50208-2002)表7.1 编号:010514□□□衬砌裂缝注浆检验批质量验收记录(GB50208-2002)表7.2 编号:010515□□□。
致:安徽华安工程建设管理有限责任公司 (监理公司)
我单位已完成了 20#楼(-3.600M )砂石回填工作,现报上该工 程报验申请
表,请予以审查和验收。
附件:
1、砂和砂石地基检验批验收记录表
承包单位(章)
项目经理 ___________________
日 期 ______________________
审查意见:
项目监理机构 ________________ 总/专业监理工程师
日 期 __________________
-3.600M 砂石回填
报验申请
表 工程名称:六安市永安小区二期 20#
楼
编号: ______
砂和砂石地基检验批验收记录表
GB50202-2002
隐蔽工程检查验收记录
编号:共页第页年月曰
本表一式三份
-3.100M砂石回填报验申请表
工程名称:六安市永安小区二期20#楼编号:______ 致:安徽华安工程建设管理有限责任公司(监理公司)我单位已完成了20#楼(-3.100M)砂石回填工作,现报上该工
程报验申请表,请予以审查和验收。
附件:
1、砂和砂石地基检验批验收记录表
承包单位(章)____________________
项目经理
日期
审查意见:
项目监理机构_________________
总/专业监理工程师
日期_________________
砂和砂石地基检验批验收记录表
GB50202-2002
隐蔽工程检查验收记录
编号:共页第页年月曰
本表一式三份
-2.600M砂石回填
工程名称:六安市永安小区二期20#楼编号:
致:安徽华安工程建设管理有限责任公司(监理公司)我单位已完成了20#楼(-2.600M)砂石回填工作,现报上该工程报验申请表,请予以审查和验收。
附件:
1、砂和砂石地基检验批验收记录表
承包单位(章)
项目经理___________________
日期______________________
审查意见:
项目监理机构________________
总/专业监理工程师
日期_________________
砂和砂石地基检验批验收记录表
GB50202-2002
工程
名称:
六安市
永安小
区二
期20#
楼
隐蔽工程检杳验收记录
本表一式三份
-2.100M砂石回填
工程名称:六安市永安小区二期20#楼编号:______ 致:安徽华安工程建设管理有限责任公司(监理公司)我单位已完成了20#楼(-2.100M)砂石回填工作,现报上该工程报验申请表,请予以审查和验收。
附件:
1、砂和砂石地基检验批验收记录表
承包单位(章)
项目经理___________________
日期______________________
审查意见:
项目监理机构________________
总/专业监理工程师
日期_________________
砂和砂石地基检验批验收记录表
GB50202-2002
隐蔽工稈检杳验收记录
本表一式三份
-3.600M砂石回填
工程名称:六安市永安小区二期19#楼编号: _____
致:安徽华安工程建设管理有限责任公司(监理公司)我单位已完成了19#楼(-3.600M)砂石回填工作,现报上该工程报验申请表,请予以审查和验收。
附件:
1、砂和砂石地基检验批验收记录表
承包单位(章) ___________________
项目经理
日期
审查意见:
项目监理机构_________________
总/专业监理工程师________________
日期_________________
砂和砂石地基检验批验收记录表
GB50202-2002
隐蔽工稈检杳验收记录
本表一式三份
-3.100M砂石回填报验申请表
工程名称:六安市永安小区二期19#楼编号: _____ 致:安徽华安工程建设管理有限责任公司(监理公司)我单位已完成了19#楼(-3.100M)砂石回填工作,现报上该工程报验申请表,请予以审查和验收。
附件:
1、砂和砂石地基检验批验收记录表
承包单位(章)
项目经理___________________
日期 ______________________
审查意见:
项目监理机构 _______________
总/专业监理工程师
日期 __________________
砂和砂石地基检验批验收记录表
GB50202-2002
隐蔽工程检查验收记录
编号:共页第页年月曰
本表一式三份
-2.600M砂石回填报验申请表
工程名称:六安市永安小区二期19#楼编号:______ 致:安徽华安工程建设管理有限责任公司(监理公司)
我单位已完成了19#楼(-2.600M)砂石回填工作,现报上该工程报验申请表,请予以审查和验收。
附件:
1、砂和砂石地基检验批验收记录表
承包单位(章)
项目经理 ___________________
日期______________________
审查意见:
项目监理机构________________
总/专业监理工程师
日期__________________
砂和砂石地基检验批验收记录表
GB50202-2002
隐蔽工程检查验收记录
编号:共页第页年月曰
本表一式三份
-2.100M砂石回填报验申请表
工程名称:六安市永安小区二期19#楼编号:
致:安徽华安工程建设管理有限责任公司(监理公司)我单位已完成了19#楼(-2.100M)砂石回填工作,现报上该工程报验申请表,请予以审查和验收。
附件:
1、砂和砂石地基检验批验收记录表
承包单位(章)
项目经理___________________
日期______________________
审查意见:
项目监理机构________________
总/专业监理工程师
日期_________________
砂和砂石地基检验批验收记录表
GB50202-2002
隐蔽工程检查验收记录
编号:共页第页年月曰
本表一式三份。