弹簧的强度分析及影响因素文库
- 格式:docx
- 大小:16.56 KB
- 文档页数:1
探究弹簧劲度系数影响因素讲解弹簧劲度系数是弹簧的一种特性,用来衡量弹簧对外力的抵抗程度。
它决定了弹簧在承受外力作用下产生的变形程度。
弹簧劲度系数越大,弹簧的变形程度越小。
弹簧劲度系数的计算公式为k=F/Δx,其中k表示弹簧劲度系数,F表示弹簧受到的外力,Δx表示弹簧的变形程度。
弹簧劲度系数的影响因素有以下几个方面:1.材料:弹簧的劲度系数受到材料的影响。
不同材料的弹簧劲度系数不同。
例如,钢材比橡胶更具弹性,因此钢制弹簧的劲度系数通常较大。
2.弹簧的形状:弹簧的形状也会影响劲度系数。
形状更紧凑的弹簧通常具有更大的劲度系数。
例如,螺旋形状的弹簧通常比弹簧片具有更大的劲度系数。
3.张力:弹簧的张力对劲度系数有直接影响。
张力越大,劲度系数越大。
弹簧的张力可以通过调整弹簧的拉伸或压缩来改变。
例如,在车辆悬挂系统中,为了支撑车辆重量,可以增加弹簧的张力。
4.弹簧的长度和截面积:弹簧的长度和截面积也会影响劲度系数。
长度越大,劲度系数越小;截面积越大,劲度系数越大。
因此,通过调整弹簧的长度和截面积,可以改变劲度系数。
例如,在弹簧测力传感器中,可以通过改变弹簧的长度和截面积来调整传感器的灵敏度。
5.温度:温度变化也会对弹簧的劲度系数产生影响。
随着温度的升高,弹簧的劲度系数通常会减小。
因为温度升高会导致弹簧材料的热膨胀,减弱了弹簧的返回力。
总体来说,弹簧劲度系数受到材料、形状、张力、长度、截面积和温度等多种因素的影响。
在设计和使用弹簧时,需要考虑这些因素,选择合适的弹簧劲度系数以满足实际需求。
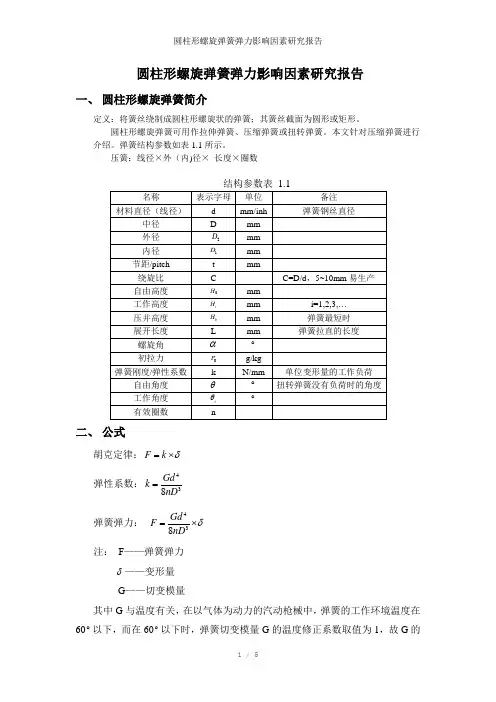
圆柱形螺旋弹簧弹力影响因素研究报告一、圆柱形螺旋弹簧简介定义:将簧丝绕制成圆柱形螺旋状的弹簧;其簧丝截面为圆形或矩形。
圆柱形螺旋弹簧可用作拉伸弹簧、压缩弹簧或扭转弹簧。
本文针对压缩弹簧进行介绍。
弹簧结构参数如表1.1所示。
压簧:线径×外(内)径×长度×圈数二、公式胡克定律:F kδ=⨯弹性系数:438Gd knD =弹簧弹力:438GdFnDδ=⨯注:F——弹簧弹力δ——变形量G——切变模量其中G与温度有关,在以气体为动力的汽动枪械中,弹簧的工作环境温度在60︒以下,而在60︒以下时,弹簧切变模量G的温度修正系数取值为1,故G的大小至于弹簧选用材料有关,可由机械设计手册第二卷查到。
三、 分析(1) G 由弹簧材料决定,取值参照d 在机械设计手册第二卷中选取。
在室温条件下切变模量温度修正系数为1,公司产品中弹簧材料多选用琴钢丝和热轧弹簧钢,则前者G 取79GPa ,后者G 取78GPa;虽然随着G 的增加,弹簧弹力F 线性增大,但考虑到弹簧成本和结构尺寸限制,而且常用弹簧材料中G 取79GPa 已经最大,故不考虑改变G 来实现弹簧弹力的改进。
(2) 弹簧有效圈数增加,弹簧弹性系数变小,弹力减小。
弹簧有效圈数n的变化直接影响压并高b H 和自由高度0H ,以及最大压缩变形量。
在同样的工作高度的条件下,n n →+∆则 :0()3i H H n t d t δδ→-=+∆+=+∆444444333333()(3)(3)8888()88()i i Gd Gd Gd Gd t Gd Gd F d H F d H D n D D n D n D D n δδ+∆==+-→==+-+∆+∆,F 是减小的;反之n n →-∆则t δδ→-∆,F 是增加的。
(3) 在弹性系数及其他条件不变的情况下,F k δ=⨯,有F 随着δ的变大而线性增加。
一般产品结构确定的条件下,弹簧压缩行程固定,不通过改变变形量来实现弹力的改变。
弹簧的强度计算1、弹簧的受力图示的压缩弹簧,当弹簧受轴向压力F时,在弹簧丝的任何横剖面上将作用着:扭矩 T= FRcosα ,弯矩 M= FRsinα,切向力F Q = Fcosα和法向力 N F = Fsinα (式中R为弹簧的平均半径)。
由于弹簧螺旋角α的值不大(对于压缩弹簧为6~90 ),所以弯矩M和法向力N 可以忽略不计。
因此,在弹簧丝中起主要作用的外力将是扭矩T和切向力Q。
α的值较小时,cosα≈ 1,可取T = FR 和 Q = F。
这种简化对于计算的准确性影响不大。
当拉伸弹簧受轴向拉力F时,弹簧丝横剖面上的受力情况和压缩弹簧相同,只是扭矩T 和切向力Q均为相反的方向。
所以上述两种弹簧的计算方法可以一并讲述。
2、弹簧的强度从受力分析可见,弹簧受到的应力主要为扭矩和横向力引起的剪应力,对于圆形弹簧丝系数K s可以理解为切向力作用时对扭应力的修正系数,进一步考虑到弹簧丝曲率的影响,可得到扭应力式中K为曲度系数。
它考虑了弹簧丝曲率和切向力对扭应力的影响。
一定条件下钢丝直径3、弹簧的刚度圆柱弹簧受载后的轴向变形量式中n为弹簧的有效圈数;G为弹簧的切变模量。
这样弹簧的圈数及刚度分别为对于拉伸弹簧,n>20时,一般圆整为整圈数,n<20时,可圆整为1/2圈;对于压缩弹簧总圈数n的尾数宜取1/4、1/2或整圈数,常用1/2圈。
为了保证弹簧具有稳定的性能,通常弹簧的有效圈数最少为2圈。
C值大小对弹簧刚度影响很大。
若其它条件相同时,C值愈小的弹簧,刚度愈大,弹簧也就愈硬;反之则愈软。
不过,C值愈小的弹簧卷制愈困难,且在工作时会引起较大的切应力。
此外,k值还和G、d、n有关,在调整弹簧刚度时,应综合考虑这些因素的影响。
4、稳定性计算压缩弹簧的长度较大时,受载后容易发生图a)所示的失稳现象,所以还应进行稳定性的验算。
为了便于制造和避免失稳现象出现,通常建议弹簧的长径比 b =H0/D2 按下列情况取为:弹簧两端均为回转端时,b≤2.6;弹簧两端均为固定端时,b≤5.3 ;弹簧两端一端固定而另一端回转时,b≤3.7。
影响弹簧疲劳强度的几个因素阅读:2748人次更新时间:2011-5-23 9:09:191.屈服强度材料的屈服强度和疲劳极限之间有一定的关系,一般来说,材料的屈服强度越高,疲劳强度也越高,因此,为了提高弹簧的疲劳强度应设法提高弹簧材料的屈服强度,或采用屈服强度和抗拉强度比值高的材料。
对同一材料来说,细晶粒组织比粗细晶粒组织具有更高的屈服强度。
2.表面状态最大应力多发生在弹簧材料的表层,所以弹簧的表面质量对疲劳强度的影响很大。
弹簧材料在轧制、拉拔和卷制过程中造成的裂纹、疵点和伤痕等缺陷往往是造成弹簧疲劳断裂的原因。
材料表面粗糙度愈小,应力集中愈小,疲劳强度也愈高。
材料表面粗糙度对疲劳极限的影响。
随着表面粗糙度的增加,疲劳极限下降。
在同一粗糙度的情况下,不同的钢种及不同的卷制方法其疲劳极限降低程度也不同,如冷卷弹簧降低程度就比热卷弹簧小。
因为钢制热卷弹簧及其热处理加热时,由于氧化使弹簧材料表面变粗糙和产生脱碳现象,这样就降低了弹簧的疲劳强度。
对材料表面进行磨削、强压、抛丸和滚压等。
都可以提高弹簧的疲劳强度。
3.尺寸效应材料的尺寸愈大,由于各种冷加工和热加工工艺所造成的缺陷可能性愈高,产生表面缺陷的可能性也越大,这些原因都会导致疲劳性能下降。
因此在计算弹簧的疲劳强度时要考虑尺寸效应的影响。
4.冶金缺陷冶金缺陷是指材料中的非金属夹杂物、气泡、元素的偏析,等等。
存在于表面的夹杂物是应力集中源,会导致夹杂物与基体界面之间过早地产生疲劳裂纹。
采用真空冶炼、真空浇注等措施,可以大大提高钢材的质量。
5.腐蚀介质弹簧在腐蚀介质中工作时,由于表面产生点蚀或表面晶界被腐蚀而成为疲劳源,在变应力作用下就会逐步扩展而导致断裂。
例如在淡水中工作的弹簧钢,疲劳极限仅为空气中的10%~25%。
腐蚀对弹簧疲劳强度的影响,不仅与弹簧受变载荷的作用次数有关,而且与工作寿命有关。
所以设计计算受腐蚀影响的弹簧时,应将工作寿命考虑进去。
在腐蚀条件下工作的弹簧,为了保证其疲劳强度,可采用抗腐蚀性能高的材料,如不锈钢、非铁金属,或者表面加保护层,如镀层、氧化、喷塑、涂漆等。
探究弹簧劲度系数影响因素讲解弹簧劲度系数,也称为弹性系数或弹性恢复系数,是一个用来描述弹簧的刚度或硬度的物理量。
它衡量了单位长度的弹簧材料在受到单位拉伸或压缩时所产生的恢复力。
弹簧劲度系数的大小决定了弹簧对外加载的响应特性,也直接影响到弹簧装置的性能和使用寿命。
弹簧劲度系数的数值大小对于不同类型的弹簧而言可能会有很大的差异。
以下是一些影响弹簧劲度系数的重要因素:1.材料特性:弹簧的材料对劲度系数有着直接的影响。
一般来说,刚性和高强度的材料会产生较大的劲度系数。
例如,钢材通常被用于制造高强度的弹簧,其劲度系数相对较大。
相比之下,弹性较低的材料如橡胶会产生较小的劲度系数。
2.弹簧结构:弹簧的结构形式也会对劲度系数产生影响。
根据结构的不同,可以分为压缩弹簧、拉伸弹簧和扭转弹簧等。
在相同材料条件下,不同结构的弹簧劲度系数也会有差异。
例如,对于压缩弹簧来说,弹簧线圈的直径和线圈数目会影响劲度系数的大小。
3.弹簧直径和线径:弹簧线圈的直径和线径也会对弹簧劲度系数产生影响。
通常情况下,线径越大,弹簧劲度系数越大。
而线圈的直径会影响线量,从而影响到劲度系数。
4.弹簧预压:弹簧的预压是指弹簧在安装之前被施加的压缩或拉伸力。
弹簧预压会改变弹簧的劲度系数。
一般来说,预压越大,劲度系数越大。
5.工作温度:工作温度也是影响弹簧劲度系数的因素之一、温度的变化会改变弹簧材料的弹性特性,从而改变劲度系数。
一般来说,温度升高会使弹簧变软,劲度系数减小;温度降低则会使弹簧变硬,劲度系数增大。
总的来说,弹簧劲度系数的大小由弹簧的材料特性、结构形式、直径和线径、预压以及工作温度等多个因素共同决定。
在弹簧设计和应用时,需要根据具体需求选择合适的劲度系数,以保证弹簧的工作性能和寿命。
弹簧的失效分析与预防~参考!弹簧是一般机械不可缺少的零件,它在工作过程中起到缓冲平衡、储存能量、自动控制、回位定位、安全保险等作用。
弹簧在使用过程中常因各种原因导致失效而引起机械故障。
为此,有必要讨论引起弹簧失效的原因及预防措施。
导致弹簧失效的主要因素有材料缺陷,加工制造缺陷,热处理不当,表面处理不当,工作环境因素等。
通过对21个弹簧失效案例的汇总分析,弹簧表面缺陷,包括碰撞磕痕、微动磨损、凹坑等造成弹簧失效的比例最大,占50%;另外还有裂纹占有20%;夹杂、疏松13%;脱碳、热处理、表面强化分别占3%左右。
弹簧失效可由一种原因引起,也可由几种原因因素综合作用所致。
因此,对弹簧的失效分析必须先对实例的失效现象进行种种调查分析,弄清楚其失效模式,然后找出其失效的原因因素,从而提出改进措施1、弹簧原材料引起的弹簧失效:(1)由于钢的冶炼方法不同,会使钢中存在不同程度造成弹簧早期疲劳失效的夹杂物,夹杂物过量或尺寸过大,均匀度不好都会影响材料的力学性能,容易早期疲劳失效。
实例:某公司一件型号为SY6480(Ф22mm)的车辆悬架用扭杆弹簧,在新车出库时便发生断裂,分析认为断裂起源于弹簧亚表面存在的一个粗大脆性夹杂物(如图1,图2(图1的放大图))。
预防措施:弹簧材料必须有优良的冶金质量,如严格控制化学成分、高纯净度,较低夹杂物含量,同时还要求材料成分和组织的均匀性和稳定性。
为了降低钢中有害气体和杂质元素,提高钢的纯净度,应采用真空冶炼及电渣重熔等精炼技术。
(2)轧制过程可能引起的缺陷:残余缩管及中心裂纹;折叠缺陷(如图3);线状缺陷、划痕;表面锈蚀坑;过烧、桔皮状表面、麻坑;这些都可能导致弹簧失效。
所以钢厂应尽量避免和消除轧制过程中产生的缺陷,弹簧厂应加强对弹簧原材料质量检查,尽量采用表面质量好的材料。
冷成形螺旋弹簧在卷簧时由于卷簧过程中工艺装备不良或调整操作不当会产生弹簧的表面缺陷。
如自动卷簧机上切断弹簧时切刀就有可能插伤邻近弹簧圈钢丝的内表面。
钢铁制弹簧的疲劳强度与可靠性分析1. 引言钢铁制弹簧作为一种常见的弹性元件,在各行业中广泛应用。
弹簧承受着循环负荷的作用,长期使用后容易出现疲劳破坏。
因此,研究钢铁制弹簧的疲劳强度和可靠性是十分重要的。
2. 疲劳强度分析疲劳强度是描述材料在循环应力作用下耐受循环负荷次数的能力。
钢铁制弹簧在实际使用中,会受到不同的应力作用。
首先,我们需要确定弹簧的工作条件,并进行应力分析。
应力分析可以通过应力-应变关系、应力变化曲线等方法进行。
然后,结合材料的疲劳曲线,可以得到弹簧的疲劳强度。
疲劳强度的计算通常使用疲劳极限和安全系数相结合的方法。
3. 疲劳寿命预测疲劳寿命预测是评估弹簧在给定工作条件下能够承受多少个循环负荷的方法。
一般分为基于应力的疲劳寿命预测和基于损伤机制的疲劳寿命预测。
基于应力的方法基于弹簧的应力状态,通过应力幅与应力平均值之比来预测疲劳寿命。
基于损伤机制的方法则基于损伤积累理论和损伤参数,通过监测和计算弹簧的损伤程度来预测疲劳寿命。
4. 可靠性分析可靠性是指弹簧在规定的使用寿命内完成指定功能的概率。
对于弹簧的可靠性分析,我们需要确定使用寿命、故障率和可靠度。
使用寿命可以通过疲劳寿命预测得到,而故障率和可靠度可以通过故障数据分析和可靠性理论计算得到。
可靠性分析还需要考虑弹簧在使用过程中的可修复性和可更新性。
5. 影响因素分析影响钢铁制弹簧疲劳强度和可靠性的因素有很多,包括材料的性能、表面处理、制造工艺、应力分布等。
材料的选择对疲劳强度和可靠性有着重要影响。
同时,表面处理和制造工艺也会影响弹簧的疲劳性能。
应力分布是影响疲劳破坏的重要因素,通过优化设计可以改善应力分布,提高弹簧的疲劳强度和可靠性。
6. 优化设计与改进措施为了提高钢铁制弹簧的疲劳强度和可靠性,可以采用一些优化设计和改进措施。
比如,选择合适的材料、改善表面处理、优化制造工艺、优化几何形状以及优化弹簧的应力分布等。
这些措施可以通过计算机仿真和实验验证来确定其效果。
弹簧常见质量问题及处理1、弹簧负荷达不到图纸要求当弹簧负荷达不到图纸要求时,可以从钢丝直径、弹簧自由高度、弹簧中径、工作圈数等四个方面来分析。
弹簧制造公差对弹簧负荷的影响:弹簧材料造成弹簧刚度误差,两者呈 4 倍正比例关系;弹簧中径造成弹簧刚度误差,呈 3 倍反比例关系;工作圈数越多,刚度越小。
2、弹簧变形,达不到图纸要求弹簧在加工过程中,要轻拿轻放,否那么极易产生外径变大及弹簧扭曲变形;在卷制旋绕比和节距大的弹簧时,各工序的操作应特别注意,如倒车时速度要慢,搬运卷好的弹簧毛坯时要轻,在去应力退火前尽量少移动。
弹簧在炉中加热要排列整齐,形状特殊或容易变形的弹簧应配置相应的辅助工具;弹簧在磨削端面时,注意磨平,否那么会影响弹簧的垂直度。
3、螺旋拉伸弹簧初拉力的调整在卷制具有初拉力的拉伸弹簧时,必须使簧圈间有较大的并紧力,可以把钢丝自身扭转后再绕在心轴上卷绕,可通过调整送料角度和送料的张紧程度,来卷制具有初拉力的拉伸弹簧;用不需要淬火的金属丝卷制的密圈弹簧,均具有一定的初拉力,如不需要初拉力,各圈间应留间隙。
螺旋拉伸弹簧去应力退火温度和保温时间对弹簧的初拉力有很大的影响,温度低、时间短,那么保存的初拉力大;反之那么保存的初拉力小。
假设希望保存较多的初拉力,温度可低到180C。
螺旋拉伸弹簧的初拉力应以卷簧控制为主,去应力退火温度只起到辅助作用。
4、细长弹簧负荷的测量问题细长弹簧的负荷测试,当变形量较大时,弹簧和上下压盘会产生相对转动,使弹簧产生扭曲,所测得的负荷值也不一定准确,此时可轻轻敲击弹簧使其扭曲得到放松;芯轴应涂油,尽量防止和减少芯轴和弹簧内径之间产生磨擦,以提高负荷的准确性。
5、弹簧在使用过程中发生断裂应检查弹簧的断口形状,确定弹簧的断裂形式。
检查弹簧钢丝断口处有无腐蚀,弹簧钢丝有无缺陷,如是经过淬火回火的钢丝,那么应检查其硬度值及金相组织。
注意弹簧在外表处理时除氢是否彻底,氢脆会引起弹簧断裂。
探究弹簧劲度系数的影响因素在人教版《高中物理(必修)1》中关于弹簧劲度系数的引入是这样叙述的:“弹簧弹力的大小F和弹簧伸长x(或压缩)成正比,即:F=kx。
”式中的k为弹簧的劲度系数,单位是牛顿/米,单位符号N/m。
生活中有时说弹簧“硬”,有的弹簧“软”,指的就是它们的劲度系数不同。
这个规律是英国科学家胡克发现的,叫做胡克定律。
在高中物理课本中没有对弹簧的劲度系数给出更多的解释,这样就使得中学生在学习高中物理时经常产生这样的问题:若把一个劲度系数为k的弹簧均分为二段,每段弹簧的劲度系数如何变化,原来一样,均为k?还是不同?弹簧的劲度系数由什么决定的?在大学物理课程中关于弹簧劲度系数的讲解也很少,例如:在赵凯华著的《新概念物理教程》、梁绍荣和管靖著的《基础物理学》等大学物理教材中均没有涉及劲度系数与哪些因素有关的问题。
由于这是一个比较容易理解的问题,教师仅在课堂上一带而过,所以在大学基础物理课程的作业中仍然会出现两个串联弹簧的等效劲度系数等于两个弹簧的劲度系数之和,这种不应该出现的错误。
笔者力图通过一系列简单的实验说明弹簧的劲度系数与哪些因素有关?帮助学生改变头脑中关于劲度系数的前概念,建立正确、清晰弹簧劲度系数的概念。
一、实验设计生活中最常见的弹簧之一为圆柱形的弹簧,对于这种圆柱形的弹簧,影响弹簧的劲度系数的因素应包括原长、弹簧的半径、制备弹簧所用的材料以及弹簧制造的工艺等。
为了确定圆柱形弹簧的劲度系数与哪些因素有关,笔者采用控制变量的方法,分别选取4对弹簧(详细情况见表1)作为测量对象,通过焦利氏秤(如图1所示)分别测量它们的劲度系数。
二、实验结果及其分析对于表1中的弹簧,采用焦利氏秤测量弹簧的劲度系数的结果,见表2。
在表2中,对于第1对弹簧,它们的劲度系数分别为4.25N/m,4.21N/m,测量的不确定度均为0.07N/m。
这说明当圆柱形弹簧的原长、直径以及制备弹簧的材料性质相同时,弹簧的劲度系数在测量误差的范围内是相同的。
导致弹簧弹力不足的因素
在日常生产过程中,弹簧有时候会表现出弹力不足的现象,为什么弹簧在使用过程中会有这样的情况呢?下面我们给大家分析一下。
一、非标弹簧设计制作参数不合理:只注重外径、内径、长度等参数,往往忽略线材横截面积和节距的大小,从而引致弹力不够。
二、标准弹簧选型不合理:因图价格便宜,选择了较轻载荷类型而无法承受较重载荷,从而导致感觉弹力不够。
三、超过规定温度使用而导致弹性降低甚至失去弹性。
四、弹簧质量等级弄错:无意或故意把普通弹簧当优质弹簧或进口弹簧使用,从而导致感觉弹力不够。
五、弹簧线材本身偏软,或弹簧淬火温度偏低或保温时间不够长,或弹簧成型后回火温度过高且时间长,导致抗拉压强度抵而弹力不够,这才是真正意义上的弹力不够。
更多弹簧产品信息请关注中国弹簧交易网。
弹簧疲劳断裂或失效的原因分析一、分解弹簧永久变形及其影响因素弹簧的永久变形是弹簧失效的主要原因之一,弹簧的永久变形,会使弹簧的变形或负荷超出公差范围,而影响机器设备的正常工作。
检查弹簧永久变形的方法:1、快速高温强压处理检查弹簧永久变形。
是把弹簧压缩到一定高度或全部并紧,然后放在开水中或温箱保持10~60分钟,再拿出来卸载,检查其自由高度和给定工作高度下的工作载荷。
2、长时间的室温强压处理检查弹簧永久变形:是在室温下,将弹簧压缩或压并若干天,然后卸载,检查其自由高度和给定工作高度下的工作载荷。
二、弹簧断裂及其影响因素弹簧的断裂破坏也是弹簧的主要失效形式之一,弹簧断裂形式可分为;疲劳断裂,环境破坏(氢脆或应力腐蚀断裂)及过载断裂。
1、弹簧的疲劳断裂:弹簧的疲劳断裂属于设计错误,材料缺陷,制造不当及工作环境恶劣等因素。
疲劳裂纹往往起源于弹簧的高应力区,如拉伸弹簧的钩环、压缩弹簧的内表面、压缩弹簧(两端面加工的压缩弹簧)的两端面。
受力状态对疲劳寿命的影响(a)恒定载荷状态下工作的弹簧比恒定位移条件下工作的弹簧,其疲劳寿命短得多。
(b)受单向载荷的弹簧比受双向载荷的弹簧的疲劳寿命要长得多。
(c)载荷振幅较大的弹簧比载荷振幅较少的弹簧的疲劳寿命要短得多。
2、腐蚀疲劳和摩擦疲劳腐蚀疲劳:在腐蚀条件下,弹簧材料的疲劳强度显著降低,弹簧的疲劳寿命也大大缩短。
摩擦疲劳:由于摩擦磨损产生细微的裂纹而导致破坏的现象叫摩擦疲劳。
3、弹簧过载断裂弹簧的外加载荷超过弹簧危险截面所有承受的极限应力时,弹簧将发生断裂,这种断裂称为过载断裂。
过载断裂的形式:(a)强裂弯曲引起的断裂;(b)冲击载荷引起的断裂;(c)偏心载荷引起的断裂三、后处理的缺陷原因及防止措施缺陷一:脱碳对弹簧性能影响:疲劳寿命低缺陷产生原因:1、空气炉加热淬火未保护气2、盐浴脱氧不彻底防止措施:1、空气炉加热淬火应通保护气或滴有机溶液保护:盐浴炉加热时,盐浴应脱氧,杂质BAO质量分数小于0.2%。
弹簧疲劳强度弹簧是一种常见的机械元件,广泛应用于各个领域。
然而,长期使用和频繁的加载往往会导致弹簧出现疲劳破坏,这对于弹簧的可靠性和寿命是一个重要的考虑因素。
因此,研究和了解弹簧的疲劳强度是非常重要的。
弹簧的疲劳强度是指弹簧在循环加载下能够承受的最大应力水平。
当弹簧受到循环加载时,应力会在弹簧材料中产生变化,从而导致弹簧的疲劳破坏。
疲劳强度的研究可以帮助我们确定弹簧的使用寿命和安全工作范围。
弹簧的疲劳强度受到多种因素的影响。
首先,弹簧的材料特性是决定疲劳强度的重要因素之一。
不同的材料具有不同的疲劳特性,如弹性模量、屈服强度和断裂韧性等。
选择合适的材料可以提高弹簧的疲劳强度。
弹簧的几何形状也对疲劳强度有影响。
弹簧的截面形状、直径和长度等参数都会影响弹簧的应力分布和疲劳寿命。
合理设计弹簧的几何形状可以提高其疲劳强度。
加载条件也是影响弹簧疲劳强度的重要因素。
加载频率、振幅和加载方式等都会对弹簧的疲劳寿命产生影响。
在实际应用中,我们需要根据具体的加载条件来评估弹簧的疲劳强度。
为了评估弹簧的疲劳强度,我们可以进行疲劳试验。
疲劳试验是通过对弹簧进行循环加载,观察其疲劳寿命和破坏形态来评估弹簧的疲劳强度。
通过疲劳试验,我们可以得到弹簧的疲劳曲线,即应力与寿命的关系曲线。
根据疲劳曲线,我们可以确定弹簧在特定应力水平下的疲劳寿命。
为了提高弹簧的疲劳强度,我们可以采取一些措施。
首先,选择合适的材料是提高疲劳强度的关键。
高强度、高韧性的材料可以提高弹簧的疲劳寿命。
其次,合理设计弹簧的几何形状也是提高疲劳强度的重要手段。
通过优化弹簧的截面形状和尺寸,可以改善应力分布,延长弹簧的疲劳寿命。
此外,合理控制加载条件也是提高疲劳强度的关键。
避免过大的振幅和频率可以减少弹簧的疲劳损伤,延长其使用寿命。
弹簧的疲劳强度是评估弹簧可靠性和寿命的重要指标。
通过研究弹簧的材料特性、几何形状和加载条件等因素,我们可以提高弹簧的疲劳强度,延长其使用寿命。
弹簧钢丝抗拉强度
1、弹簧钢丝抗拉强度的特点
弹簧钢丝的抗拉强度主要取决于钢丝的径向拉伸强度和轴向抗拉强度。
弹簧钢丝的抗拉强度,一般指的是当钢丝通过固定块放置在拉伸机上,在
冷却和恒定速度下拉伸试验获得的最大强度值,单位为兆帕(MPa)。
2、弹簧钢丝抗拉强度的影响因素
(1)材料本身的影响
不同的材料,其含钢量、硅含量以及润湿度等自然属性,都会直接影
响弹簧钢丝的抗拉强度。
如选用低硅含量高碳钢的弹簧钢丝,其抗拉强度
较低;高合金钢的弹簧钢丝,其抗拉强度较高。
(2)其他因素的影响
另外,不同的拉伸处理工艺,也会影响弹簧钢丝的抗拉强度。
例如,
钢丝的拉伸速度、拉伸比例、拉伸处理温度以及拉伸处理时间,都会对弹
簧钢丝的抗拉强度产生重大影响。
二、弹簧钢丝抗拉强度标准
1、JISG3525-2005弹簧钢丝抗拉强度标准
JISG3525-2005(日本工业标准)对弹簧钢丝抗拉强度有着明确的要求,它指出,抗拉强度需要达到最小1400MPa,最大可达到1800MPa,但是如
果钢丝是比较细的,那么抗拉强度可以达到2000MPa。
2、GB/T1898-2000弹簧钢丝抗拉强度标准
根据GB/T1898-2000标准。
1、屈服强度材料的屈服强度和疲劳极限之间有一定的关系,一般来说,材料的屈服强度越高,疲劳强度也越高,因此,为了提高弹簧的疲劳强度应设法提高弹簧材料的屈服强度,或采用屈服强度和抗拉强度比值高的材料。
对同一材料来说,细晶粒组织比粗细晶粒组织具有更高的屈服强度。
2、表面状态最大应力多发生在弹簧材料的表层,所以弹簧的表面质量对疲劳强度的影响很大。
弹簧材料在轧制、拉拔和卷制过程中造成的裂纹、疵点和伤痕等缺陷往往是造成弹簧疲劳断裂的原因。
材料表面粗糙度愈小,应力集中愈小,疲劳强度也愈高。
材料表面粗糙度对疲劳极限的影响。
随着表面粗糙度的增加,疲劳极限下降。
在同一粗糙度的情况下,不同的钢种及不同的卷制方法其疲劳极限降低程度也不同,如冷卷弹簧降低程度就比热卷弹簧小。
因为钢制热卷弹簧及其热处理加热时,由于氧化使弹簧材料表面变粗糙和产生脱碳现象,这样就降低了弹簧的疲劳强度。
对材料表面进行磨削、强压、抛丸和滚压等。
都可以提高弹簧的疲劳强度。
3、尺寸效应材料的尺寸愈大,由于各种冷加工和热加工工艺所造成的缺陷可能性愈高,产生表面缺陷的可能性也越大,这些原因都会导致疲劳性能下降。
因此在计算弹簧的疲劳强度时要考虑尺寸效应的影响。
4、冶金缺陷冶金缺陷是指材料中的非金属夹杂物、气泡、元素的偏析等等。
存在于表面的夹杂物是应力集中源,会导致夹杂物与基体界面之间过早地产生疲劳裂纹。
采用真空冶炼、真空浇注等措施,可以大大提高钢材的质量。
5、腐蚀介质弹簧在腐蚀介质中工作时,由于表面产生点蚀或表面晶界被腐蚀而成为疲劳源,在交变应力作用下就会逐步扩展而导致断裂。
例如在淡水中工作的弹簧钢,疲劳极限仅为空气中的10%~25%。
腐蚀对弹簧疲劳强度的影响,不仅与弹簧受交变载荷的作用次数有关,而且与工作寿命有关。
所以设计计算受腐蚀影响的弹簧时,应将工作寿命考虑进去。
在腐蚀条件下工作的弹簧,为了保证其疲劳强度,可采用抗腐蚀性能高的材料,如不锈钢、非铁金属,或者表面加保护层,如镀层、氧化、喷塑、涂漆等。
1、屈服强度
材料的屈服强度和疲劳极限之间有一定的关系,一般来说,材料的屈服强度越高,疲劳强度也越高,因此,为了提高弹簧的疲劳强度应设法提高弹簧材料的屈服强度,或采用屈服强度和抗拉强度比值高的材料。
对同一材料来说,细晶粒组织比粗细晶粒组织具有更高的屈服强度。
2、表面状态
最大应力多发生在弹簧材料的表层,所以弹簧的表面质量对疲劳强度的影响很大。
弹簧材料在轧制、拉拔和卷制过程中造成的裂纹、疵点和伤痕等缺陷往往是造成弹簧疲劳断裂的原因。
材料表面粗糙度愈小,应力集中愈小,疲劳强度也愈高。
材料表面粗糙度对疲劳极限的影响。
随着表面粗糙度的增加,疲劳极限下降。
在同一粗糙度的情况下,不同的钢种及不同的卷制方法其疲劳极限降低程度也不同,如冷卷弹簧降低程度就比热卷弹簧小。
因为钢制热卷弹簧及其热处理加热时,由于氧化使弹簧材料表面变粗糙和产生脱碳现象,这样就降低了弹簧的疲劳强度。
对材料表面进行磨削、强压、抛丸和滚压等。
都可以提高弹簧的疲劳强度。
3、尺寸效应
材料的尺寸愈大,由于各种冷加工和热加工工艺所造成的缺陷可能性愈高,产生表面缺陷的可能性也越大,这些原因都会导致疲劳性能下降。
因此在计算弹簧的疲劳强度时要考虑尺寸效应的影响。
4、冶金缺陷
冶金缺陷是指材料中的非金属夹杂物、气泡、元素的偏析等等。
存在于表面的夹杂物是应力集中源,会导致夹杂物与基体界面之间过早地产生疲劳裂纹。
采用真空冶炼、真空浇注等措施,可以大大提高钢材的质量。
5、腐蚀介质
弹簧在腐蚀介质中工作时,由于表面产生点蚀或表面晶界被腐蚀而成为疲劳源,在交变应力作用下就会逐步扩展而导致断裂。
例如在淡水中工作的弹簧钢,疲劳极限仅为空气中的10%~25%。
腐蚀对弹簧疲劳强度的影响,不仅与弹簧受交变载荷的作用次数有关,而且与工作寿命有关。
所以设计计算受腐蚀影响的弹簧时,应将工作寿命考虑进去。
在腐蚀条件下工作的弹簧,为了保证其疲劳强度,可采用抗腐蚀性能高的材料,如不锈钢、非铁金属,或者表面加保护层,如镀层、氧化、喷塑、涂漆等。
实践表明镀镉可以大大提高弹簧的疲劳极限。
6、温度
碳钢的疲劳强度,从室温到120℃时下降,从120℃到350℃又上升,温度高于350℃以后又下降,在高温时没有疲劳极限。
在高温条件下工作的弹簧,要考虑采用耐热钢。
在低于室温的条件下,钢的疲劳极限有所增加。
有关以上这些影响疲劳强度因素的具体数值,参看有关资料。
一般材料表中所给出的б-1和τ-1值是指材料表面光滑和在空气介质中所得的数据。
如果所设计的弹簧的工作条件与上述条件不符、则应对б-1和τ-1进行修正,一般考虑的影响因素有应力集中、表面状况、尺寸大小、温度等,分别采用应力集中系数Kб(Kτ)、表面状态系数K?、尺寸系数Kε、温度系数Kt等来表示,则实际的疲劳极限为
——摘自《钢铁百科》网站。