KDY127-12矿用隔爆兼本安型直流电源企业标准
- 格式:doc
- 大小:196.00 KB
- 文档页数:11
附件4矿用隔爆(兼本安)型锂离子蓄电池电源安全技术要求(试行)随着煤炭工业发展和矿山装备技术进步,监测通信系统、紧急避险设施、井下运输车辆等对防爆电源的容量要求越来越高,同时GB3836.2-2010《爆炸性环境第2部分:由隔爆外壳“d”保护的设备》中明确禁止“在正常使用时可能释放电解气体的电池”在隔爆外壳内使用。
为满足目前煤矿装备的迫切需要,在充分研究、反复征求各方面专家意见以及进行相关试验研究的基础上,制定本安全技术要求。
1 范围本技术要求规定了矿用隔爆(兼本安)型锂离子蓄电池电源产品分类、型号命名、安全技术要求、检验规则等内容。
本技术要求适用于在矿井下使用的矿用隔爆(兼本安)型锂离子蓄电池电源的安全标志管理,其中锂离子蓄电池的容量在20~100Ah范围内。
2 规范性引用文件GB 3836.1-2010 爆炸性环境第1部分:设备通用要求GB 3836.2-2010 爆炸性环境第2部分:由隔爆外壳“d”保护的设备GB 3836.3-2010 爆炸性环境第3部分:由增安型“e”保护的设备GB 3836.4-2010 爆炸性环境第4部分:由本质安全型“i”保护的设备GB 14048.1-2006 低压开关设备和控制设备第1部分总则MT 209-1990 煤矿通信、检测、控制用电工电子产品通用技术要求MT/T 408-1995 煤矿用直流稳压电源MT/T 1078-2008 矿用本质安全输出直流电源3 术语和定义3.1 电池管理系统通过检测单体电池与热、电相关数据,对单体电池或电池组进行充放电管理、保护与控制的装置。
3.2 矿用隔爆(兼本安)型锂离子蓄电池电源能量存储、转换装置,由隔爆外壳、锂离子蓄电池或锂离子蓄电池组、电池管理系统等组成。
有时还可包括充电系统、放电系统、显示系统、电源输入系统、电源输出系统等。
4 产品分类4.1 按用途分a)监测通信系统用后备电源,包括安全监控、人员管理、通信等系统后备电源;b)紧急避险设施用后备电源,包括避难硐室、可移动式救生舱等后备电源;c)运输车辆用电源,包括防爆蓄电池电机车、防爆无轨胶轮车、单轨吊等用动力电源;d)防爆柴油机起动机用电源;e)其它。
矿用隔爆(兼本安)型锂离子蓄电池电源安全技术要求(试行)随着煤炭工业发展和矿山装备技术进步,监测通信系统、紧急避险设施、井下运输车辆等对防爆电源的容量要求越来越高,同时GB3836.2-2010《爆炸性环境第2部分:由隔爆外壳“d”保护的设备》中明确禁止“在正常使用时可能释放电解气体的电池”在隔爆外壳内使用。
为满足目前煤矿装备的迫切需要,在充分研究、反复征求各方面专家意见以及进行相关试验研究的基础上,制定本安全技术要求。
1 范围本技术要求规定了矿用隔爆(兼本安)型锂离子蓄电池电源产品分类、型号命名、安全技术要求、检验规则等内容。
本技术要求适用于在煤矿井下使用的矿用隔爆(兼本安)型锂离子蓄电池电源的安全标志管理。
2 规范性引用文件GB 3836.1-2010 爆炸性环境第1部分:设备通用要求GB 3836.2-2010 爆炸性环境第2部分:由隔爆外壳“d”保护的设备GB 3836.3-2010 爆炸性环境第3部分:由增安型“e”保护的设备GB 3836.4-2010 爆炸性环境第4部分:由本质安全型“i”保护的设备GB 14048.1-2006 低压开关设备和控制设备第1部分总则MT/T 154.2-1996 煤矿用电器设备产品型号编制方法和管理办法MT/T 408-1995 煤矿用直流稳压电源MT 209-1990 煤矿通信、检测、控制用电工电子产品通用技术要求MT/T 1051-2007 矿灯用锂离子蓄电池MT/T 1078-2008 矿用本质安全输出直流电源QC/T 743-2006 电动汽车用锂离子蓄电池3 术语和定义3.1 单体电池构成蓄电池最小电气单元的电极和电解质的组合。
3.2 电池组以串联方式连接起来,增加电压的两个或两个以上单体电池。
3.3 电池模块由5个或以上单体电池串联组成的单元。
3.4 电池管理系统通过检测单体电池与热、电相关数据,对单体电池或电池组进行充放电管理、保护与控制的装置。
KJD127矿用隔爆兼本安型计算机(执行标准:GB3836.1-2010、GB3836.2-2010、GB3836.4-2010、Q/140000KD29-2012)使用说明书山西科达自控工程技术有限公司安全警示:本装置产品在维修时不得改变本安电路和与本安电路有关的元、器件的电气参数、规格和型号!本产品在维修时应注意防止失爆(保护隔爆面;注意紧固件和引入装置里的橡胶密封圈等)!严禁带电开盖!产品只能与说明书中规定的配接设备使用,与其它设备配接时,须经防爆检验。
KJD127矿用隔爆兼本安型计算机说明书1概述1.1.产品的用途和使用场所KJD127矿用隔爆兼本安型计算机(以下简称矿用计算机),用在煤矿井下含有爆炸性气体的环境中,采用工业级加强性主板、防震硬盘、10/100Mbps工业以太网口、 RS485通讯口、CAN通讯口、预装windows操作系统软件,配置FHJ5本安型键盘,FHJ1.5矿用无线鼠标,在爆炸性气体环境中能完成工业控制微机的一切功能。
1.2.范围本说明书适用于 KJD127矿用隔爆兼本安型计算机(以下简称矿用计算机)。
1.3.规范性引用文件本说明书依据 GB3836.1-2010、GB3836.2-2010、GB3836.4-2010 和 Q/140000KD29-2012《KJD127(A)矿用隔爆兼本安型计算机企业标准》。
2型号及外型尺寸2.1型式防爆类型:矿用隔爆兼本质安全型防爆标志:Exd[ib]IMb2.2型号3.1.1矿用计算机的型号标记由产品名称代号组成。
图示如下:KJ D 127----------------------- 额定工作电压单控设备矿用计算机2.3外型尺寸:500mm x 485mm x 260mm (长x 宽x 高)2.4重量:76kg (外壳材质为Q235-A)3使用条件3.1一般条件产品应符合本标准的规定,并按经规定程序批准的技术文件和图样制造。
- -.安装使用本产品前请详细阅读说明书并妥善保管K*J127矿用隔爆兼本安型控制箱使用说明书执行标准:GB3836.1-2010GB3836.2-2010GB3836.4-2010MT209-1990(抗干扰及可靠性除外)Q/SDYJ003-2015山东宇进机械有限公司2015年2月1日安全警示:严禁改变本安电路和与本安电路有关的元、器件的电气参数、规格和型号。
本安输入、输出不得随意与其它未经联检的设备连接、维修时应注意防止"失爆”。
警告:严禁带电开盖。
注意保护隔爆面以免划伤碰上。
注意紧固件和引入装置里的橡胶密封圈防止丢失。
产品使用说明书1 用途及执行标准K*J127矿用隔爆兼本安型控制箱(以下简称控制箱)用于矿井采煤工作面刮板输送机与转载机的远程无线控制,可实现启动、预警、急停闭锁、集中控制及语言对讲等功能。
主要原理是利用该控制箱做为主控台与运输设备电控装置相连接,控制运输设备启动、急停闭锁、预警等;同时植入无线控制技术,以实现工作人员通过手持机无线控制运输设备急停闭锁和接收启动预警等功能。
该控制箱主要用于矿井。
该控制箱主要执行标准:MT209-1990 《煤矿通信、检测、控制用电工电子产品通用技术条件》GB3836.1-2010 《爆炸性环境第1部分:设备通用要求》GB3836.2-2010 《爆炸性环境第2部分:由隔爆外壳"d”保护的设备》GB3836.3-2010 《爆炸性环境第3部分:由增安型"e”保护的设备》GB3836.4-2010 《爆炸性环境第4部分:由本质安全型"i”保护的设备》Q/SDYJ001-2015 《K*J127矿用隔爆兼本安型控制箱》2 环境条件2.1 工作环境条件要求为:a)环境温度:0℃~40℃;b)平均相对湿度:不大于95%(25℃);c)大气压力:80kPa~106kPa;d) 环境噪声:≤75dB(A)e)机械环境:无显著振动和冲击的场合;无直接滴水、淋水的场合;f)有爆炸性混合物,但无破坏绝缘的腐蚀性气体的场合。
矿用隔爆(兼本安)型金属氢化物镍蓄电池电源安全技术要求概述矿用隔爆(兼本安)型金属氢化物镍蓄电池电源是一种新型电源,其具有大容量、长寿命、环保等优点,因此在矿山生产、煤气抽采、工程施工、公共场所等领域得到了广泛应用。
为保障矿用隔爆(兼本安)型金属氢化物镍蓄电池电源的安全使用,本文提出了相关的安全技术要求。
安全技术要求1.设计要求1.1 设计应符合国家相关标准要求;1.2 设计应考虑气体爆炸、灰尘爆炸和静电危险性;1.3 设计应采用防爆密封结构,以防止内部燃气泄漏,使电池无法升压或突然扩散。
2.管理要求2.1 贮存和使用的场所应符合本安要求,要求相对密闭,以保证安全;2.2 贮存和使用的场所应标记清晰,标识准确,以便辨认和管理;2.3 对于可能导致电池爆炸的因素,应采取相应的措施予以预防或控制;2.4 对于任何个人或设备出现异常情况时,应立即停止使用,进行停电处理和安全评估。
3.检测质量要求3.1 检测质量应符合国家相关标准的要求,确保电池运行安全;3.2 定期进行检测,检测时间可根据实际使用情况而异;3.3 检测结果应记录并保留一定时间,以便交叉验证和分析原因;3.4 定期更换电池,以确保电池运行稳定。
4.应急处理要求4.1 在发生电池泄漏或爆炸时,应立即停电并进行紧急处理;4.2 必要时,应拨打紧急电话寻求帮助。
结论矿用隔爆(兼本安)型金属氢化物镍蓄电池电源的安全使用是刻不容缓的问题。
为确保电池的运行安全,设计、管理和检测质量等方面上需要做好相关的安全技术要求。
只有做好这些要求,才能使矿用隔爆(兼本安)型金属氢化物镍蓄电池电源能够正常、稳定地运行,最终达到最佳的使用效果。
KXJ1-127D矿用隔爆兼本安型PLC控制箱企业标准KXJ1/127-D矿用隔爆兼本质安全型PLC控制器企业标准KXJ1/127-D1 范围矿用隔爆兼本质安全型PLC控制器企业标准本标准规定了KXJ1/127-D矿用隔爆兼本质安全型PLC控制器的型号规格、要求、试验方法、检验规则、标志、包装、运输与贮存。
本标准适用于KXJ1/127-D矿用隔爆兼本质安全型PLC控制器。
(以下简称PLC控制器) 2 规范性引用文件下列文件中的条款通过本标准的引用而成为的条款。
凡是注明日期的引用文件,其随后所有修改内容(不包括勘误的内容)或修订版均不适用于本标准,然而,鼓励根据本标准达成协议的各方研究是否可使用这些文件的最新版本。
凡是不注明日期的引用文件,其最新版本适用于本标准。
GB 156―1993 标准电压GB 191―2000 包装储运图示标志GB 4208―1993 外壳防护等级(IP代码)GB 3836.1―2000 爆炸性气体环境用电气设备第1部分:通用要求 GB3836.2―2000 爆炸性气体环境用电气设备第2部分:隔爆型“d” GB 3836.4-2000 爆炸性气体环境用电气设备第4部分:本质安全型“i” MTT154.2-1996 煤矿用电器设备产品型号编制办法和管理办法MT 287―1992 煤矿信号设备通用技术条件MT 209-1990 煤矿通信、检测、控制用电工电子产品通用技术条件 MT210―1990 煤矿通信、检测、控制用电工电子产品基本试验方法 3 型式、分类及基本参数3.1 防爆型式:矿用隔爆兼本质安全型防爆标志: Exd[ib]I 3.2 产品型号及其含义KX J 1/127 -D 多功能型登记序号/供电电压127V隔爆兼本质安全型控制箱3.3 基本参数3.3.1 主机电源工作电压:AC127V, 频率50Hz,电压变化范围80%~115%工作电流:AC500mA(设备满载状态)频率:50Hz4 产品结构及组成部分 4.1 产品结构1Q/140000SR16―2021产品结构为主体防爆箱内安装有西门子S7-200PLC可编程控制器,并配套有输入输出及通信模块,通过本安型输入输出隔离元件,读取外部设备开停及传感器信号,并输出控制指令及与自动化系统进行通信。
隔爆兼本安型不间断电源前言本标准是根据GB/T1.1-2000《标准化工作导则第1部分:标准的结构和编写规则》和GB/T1.2-2000《标准化工作导则第2部分:标准中规范性技术要素内容的确定方法》确定标准的结构、技术要素及表述规则编制。
本标准根据相关的国家标准、行业标准以及《煤矿安全规程》的有关规定,结合本单位KDW660/18B隔爆兼本安型不间断电源的技术特点而制定的。
自本标准实施之日起,本单位生产的KDW660/18B隔爆兼本安型不间断电源均应符合本标准的规定。
KDW660/18B隔爆兼本安型不间断电源1范围本标准规定了煤矿井下用KDW660/18B隔爆兼本安型不间断电源的产品分类、技术要求、试验方法、检验规则、标志、包装、运输及贮存。
本标准适用于KDW660/18B隔爆兼本安型不间断电源(以下简称电源)。
2规范性引用文件下列文件中的条款经过本标准的引用而成为本标准的条款。
凡是注日期的引用文件,其随后所有的修改单(不包括勘误的内容)或修订版均不适用于本标准,然而,鼓励根据本标准达成协议的各方研究是否可使用这些文件的最新版本。
凡是不注日期的引用文件,其最新版本适用于本标准。
GB191-2000包装储运图示标志GB4208-2008外壳防护等级(IP代码)GB3836.1-2000爆炸性气体环境用电气设备第1部分:通用要求GB3836.2-2000爆炸性气体环境用电气设备第2部分:隔爆型“d”GB3836.3-2000爆炸性气体环境用电气设备第3部分:增安型“e”GB3836.4-2000爆炸性气体环境用电气设备第4部分:本质安全型“i”GB9969.1-1998工业产品使用说明书总则GB10111-88利用微机数骰子进行随机抽样的方法GB/T2423.1-2001电工电子产品基本环境试验规程试验A:低温试验方法GB/T2423.2-2001电工电子产品基本环境试验规程试验B:高温试验方法GB/T2423.4-2008电工电子产品基本环境试验规程试验Db:交变湿热试验方法GB/T2423.5-1995电工电子产品环境试验第二部分:试验方法试验Ea和导则:冲击GB/T2423.10-1995电工电子产品环境试验第二部分:试验方法试验Fc和导则:振动(正弦)MT209-90煤矿通信、检测、控制用电工电子产品通用技术要求MT210-90煤矿通信、检测、控制用电工电子产品基本试验方法MT211-90煤矿通信、检测、控制用电工电子产品质量检验规则MT286-92煤矿通信、自动化产品型号编制方法和管理办法MT/T408-1995煤矿用直流稳压电源MT/T661-1997煤炭井下用电器设备通用技术条件MT/T154.2-1996煤矿用电器设备产品型号编制方法和管理办法AQ1043-2007矿用产品安全标志标识3产品分类3.1型号及其含义3.2防爆型式及防爆标志:防爆型式:矿用隔爆兼本质安全型防爆标志:Exd[ib]I3.3外形尺寸、重量外形尺寸:长×宽×高(mm):247×207×175。
隔爆兼本安型不间断电源前言本标准是根据GB/T1.1-2000《标准化工作导则第1部分:标准的结构和编写规则》和GB/T1.2-2000《标准化工作导则第2部分:标准中规范性技术要素内容的确定方法》确定标准的结构、技术要素及表述规则编制。
本标准根据相关的国家标准、行业标准以及《煤矿安全规程》的有关规定,结合本单位KDW660/18B隔爆兼本安型不间断电源的技术特点而制定的。
自本标准实施之日起,本单位生产的KDW660/18B隔爆兼本安型不间断电源均应符合本标准的规定。
KDW660/18B隔爆兼本安型不间断电源1 范围本标准规定了煤矿井下用KDW660/18B隔爆兼本安型不间断电源的产品分类、技术要求、试验方法、检验规则、标志、包装、运输及贮存。
本标准适用于KDW660/18B隔爆兼本安型不间断电源(以下简称电源)。
2 规范性引用文件下列文件中的条款经过本标准的引用而成为本标准的条款。
凡是注日期的引用文件,其随后所有的修改单(不包括勘误的内容)或修订版均不适用于本标准,然而,鼓励根据本标准达成协议的各方研究是否可使用这些文件的最新版本。
凡是不注日期的引用文件,其最新版本适用于本标准。
GB191-2000 包装储运图示标志GB4208-2008 外壳防护等级(IP代码)GB3836.1-2000 爆炸性气体环境用电气设备第1部分:通用要求GB3836.2-2000 爆炸性气体环境用电气设备第2部分:隔爆型“d”GB3836.3-2000 爆炸性气体环境用电气设备第3部分:增安型“e”GB3836.4-2000 爆炸性气体环境用电气设备第4部分:本质安全型“i”GB9969.1-1998 工业产品使用说明书总则GB 10111-88 利用微机数骰子进行随机抽样的方法GB/T2423.1-2001 电工电子产品基本环境试验规程试验A:低温试验方法GB/T2423.2-2001 电工电子产品基本环境试验规程试验B:高温试验方法GB/T2423.4-2008 电工电子产品基本环境试验规程试验Db:交变湿热试验方法GB/T2423.5-1995 电工电子产品环境试验第二部分:试验方法试验Ea和导则:冲击GB/T2423.10-1995 电工电子产品环境试验第二部分:试验方法试验Fc和导则:振动(正弦)MT209-90 煤矿通信、检测、控制用电工电子产品通用技术要求MT210-90 煤矿通信、检测、控制用电工电子产品基本试验方法MT211-90 煤矿通信、检测、控制用电工电子产品质量检验规则MT286-92 煤矿通信、自动化产品型号编制方法和管理办法MT/T408-1995 煤矿用直流稳压电源MT/T661-1997 煤炭井下用电器设备通用技术条件MT/T154.2-1996 煤矿用电器设备产品型号编制方法和管理办法AQ1043-2007 矿用产品安全标志标识3 产品分类3.1 型号及其含义K D W 660/ 18 B具有备用电源最高额定输出电压:18V.DC最高额定输入工作电压:660V.AC稳压直流电源矿用产品3.2 防爆型式及防爆标志:防爆型式:矿用隔爆兼本质安全型防爆标志:Exd[ib]I3.3 外形尺寸、重量外形尺寸:长×宽×高(mm):247×207×175。
矿用浇封兼本安型电源企业标准标题:矿用浇封兼本安型电源企业标准在当今现代化矿山生产中,矿用浇封兼本安型电源企业标准是确保安全生产的重要保障。
本文将从深度和广度两个方面来探讨矿用浇封兼本安型电源企业标准,并对其进行全面评估,帮助读者更深入地了解这一重要的主题。
1. 矿用浇封兼本安型电源企业标准的重要性在矿山生产中,电气设备的安全性和可靠性是至关重要的。
矿用浇封兼本安型电源企业标准的制定和执行,可以有效保障矿山生产的安全稳定。
这一标准的遵循和实施,对于预防火灾、爆炸事故具有重要意义,也有利于提高矿井生产效率和降低生产成本。
矿用浇封兼本安型电源企业标准在矿山生产中具有不可替代的重要作用。
2. 矿用浇封兼本安型电源企业标准的内容和要求矿用浇封兼本安型电源企业标准主要包括对矿山电气设备的设计、安装、使用和维护等方面的要求。
其中,针对浇封兼本安型电源的防爆性能、耐久性、防护等级等方面有详细的规定。
这些规定旨在确保矿山电气设备能够在恶劣的环境下安全可靠地运行,从而保障矿工和设备的安全。
3. 矿用浇封兼本安型电源企业标准的执行和监督矿用浇封兼本安型电源企业标准的严格执行和有效监督是确保矿山生产安全的关键环节。
只有通过对标准的全面执行和严格监督,才能真正保障矿山生产过程中的安全稳定。
应建立健全的标准执行和监督机制,确保标准的有效执行和监督措施到位。
总结回顾:矿用浇封兼本安型电源企业标准对于矿山生产的安全稳定具有至关重要的作用。
只有通过全面执行和有效监督,才能真正发挥这一标准的作用,保障矿山生产的安全和稳定。
矿用浇封兼本安型电源企业标准的重要性不可忽视。
个人观点和理解:作为矿山电气设备专家,我深知矿用浇封兼本安型电源企业标准对于矿山生产的重要性。
在实践中,我们应该充分重视这一标准的执行和监督工作,确保矿山生产的安全稳定。
也需要不断完善这一标准,使之更适应矿山生产的实际需求。
通过对矿用浇封兼本安型电源企业标准的深入了解和全面评估,相信读者已经对这一重要主题有了更深入的理解。
执行标准Q/XZJD17A-2010ZKC127K矿用隔爆兼本安型司控道岔装置控制器使用说明书目录一概述 (2)二执行标准 (2)三工作环境条件 (2)四主要技术特征 (2)五工作原理 (3)六主要性能 (3)七安装 (3)八常见故障及处理方法 (3)九包装 (4)十运输 (4)十一贮存 (4)十二质量保证 (4)附录 A (5)使用前请认真阅读使用说明书一、概述本产品是ZKC127矿用隔爆兼本安型司控道岔装置的核心设备,用于煤矿井下机车运输铁轨道岔处,接受手持FYF100遥控发射器发来的无线信号,输出扳动道岔的指令,驱动执行器动作使道岔处于机车运行所需位置,保证机车安全道岔。
气动和电动两种可为一体,具体根据订货方要求进行生产组装气动还是电动。
二、本产品执行标准Q/XZJD17A-2010矿用隔爆兼本安型司空道岔装置控制器。
GB3836.1~4-2000三、工作环境条件控制器在下列条件下应能正常工作:1) 环境温度: 0℃~40℃;2) 环境湿度:≤95%(当环境温度为+25℃时);3) 大气压力:80kPa~106kPa;4) 适用于煤矿井下有煤尘及甲烷爆炸性气体的危险场所,但无破坏绝缘的腐蚀性气体的场合。
控制器能承受的最恶劣的贮运条件:1)贮存温度:-40℃~60℃;2)振动:50m/s2;3)冲击:500m/s2。
四、主要技术特征1、控制器型号含义:Z K C 127 K控制器额定工作电压(V)司控道岔隔爆兼本安型组合装置2、防爆型式:矿用隔爆兼本安型,防爆标志:Exd[ib]I;3、电源电压:气动为单相AC127V(红、蓝线),电动为三相AC127V4、整机电流≤ 1A;5、隔爆腔内有本安电源(AC127V/DC12V)、控制电路板、继电器、断路器、保险管、接线端子;6、本安参数:Uo:12.5V; Io:1300mA; Lo:0.1mH;Co:47μF。
7、本产品采用4×1.0mm2矿用电缆,最大连接长度为15m,分布电容≤0.1uF/km,分布电感≤1mH/km。
KDW127/12B矿用浇封兼本安型直流稳压电源KDW127-12/6B Mine casting-seal & Intrinsically Safe DC Stable Power
主要特点Main features
1. 采用矿用浇封兼本安型防爆结构,后备电源的充放电及投入切换全部
由单片机系统智
能管理;
Adopting mine casting-seal and intrinsically safe explosion-proof structure, the charge/discharge, in-put and switching of backup power supplies are all intelligent managed by the MCU system;
2. 具有体积小、重量轻、两路电压输出,使用中无需断电即可对用电设
备进行连接操作等特点,可为各种本质安全型设备提供电源。
With the characteristics of small size, light weight, two-way voltage output, can connect the electric equipment without having to power down it, can provide power for a variety of intrinsically safe equipment.
技术参数Technical parameters。
1 概述:
KDY127/18矿用隔爆兼本安型直流电源是依据《GB3836-2010 爆炸性环境用电
气设备》以及《MT/T1078-2008 矿用本质安全输出直流电源》而研制的矿用直流电
源,是煤矿物位传感器配套产品,该直流电源依据济宁华瑞自动化技术有限公司企
业标准《Q/HR007-2013 KDY127/18 矿用隔爆兼本安型直流电源》而设计、生产、
试验和使用,可用于煤矿入井口、井下采掘工作面、回风巷道、煤仓等各种场合,
为物位传感器或其它传感器提供本安工作电源。
2 使用环境条件
a) 环境温度:0℃~+40℃
b) 平均相对湿度:≤95﹪(+25℃)
c) 大气压力:80kPa~106kPa
d) 使用场所:有甲烷、煤尘爆炸性气体混合物的煤矿井下且无显著震动和冲击的场合。
3 主要技术指标
3.1 额定供电电压:AC 127V,允许电压波动范围75%~110%。
3.2 整机功率:≤15W。
3.3 本安输出电源技术参数见表2
表2
参数名称参数要求
额定电压18V
额定电流0.25A
随机性偏移值峰值(mV)≤250
3.4 防爆型式:矿用隔爆兼本质安全型,防爆标志为:Exd[ib]I Mb
3.5 外形尺寸:长×宽×高=325×220×116mm;
3.6 外壳采用钢板制造,重量:约17kg
3.7 本安参数
UO:18.2V;IO:0.55A;CO:0.1uF;LO:0.1mH。
矿用隔爆(兼本安)型锂离子蓄电池电源安全技术要求(第三次征求意见稿)随着煤炭工业发展和矿山装备技术进步,监测通信系统、紧急避险设施、井下运输车辆等对防爆电源的容量要求越来越高,同时GB3836.2-2010《爆炸性环境第2部分:由隔爆外壳“d”保护的设备》中明确禁止存在析氢危险的蓄电池在隔爆外壳内使用。
为满足目前煤矿装备的迫切需要,在充分研究、反复征求各方面专家意见以及进行相关试验研究的基础上,制定本安全技术要求。
1 范围本技术要求规定了矿用隔爆(兼本安)型锂离子蓄电池电源产品分类、型号命名、安全技术要求、检验规则等内容。
本技术要求适用于在煤矿井下使用的矿用隔爆(兼本安)型锂离子蓄电池电源的安全标志管理。
2 规范性引用文件GB 3836.1-2010 爆炸性环境第1部分:设备通用要求GB 3836.2-2010 爆炸性环境第2部分:由隔爆外壳“d”保护的设备GB 3836.3-2010 爆炸性环境第3部分:由增安型“e”保护的设备GB 3836.4-2010 爆炸性环境第4部分:由本质安全型“i”保护的设备GB 14048.1-2006 低压开关设备和控制设备第1部分总则MT/T 154.2-1996 煤矿用电器设备产品型号编制方法和管理办法MT/T 408-1995 煤矿用直流稳压电源MT 209-1990 煤矿通信、检测、控制用电工电子产品通用技术要求MT/T 1051-2007 矿灯用锂离子蓄电池MT/T 1078-2008 矿用本质安全输出直流电源QC/T 743-2006 电动汽车用锂离子蓄电池3 术语和定义3.1 单体电池构成蓄电池最小电气单元的电极和电解质的组合。
3.2 电池组以串联方式连接起来,增加电压的两个或多个单体电池。
3.3 电池管理系统通过采集、检测单体电池与热、电相关数据,对单体电池进行充放电管理、保护与控制的装置。
3.4 矿用隔爆(兼本安)型锂离子蓄电池电源能量存储、转换装置,由隔爆外壳、单体电池或电池组、电池管理系统等组成。
KXJ1/127-D矿用隔爆兼本质安全型PLC控制器企业标准1 范围本标准规定了KXJ1/127-D矿用隔爆兼本质安全型PLC控制器的型号规格、要求、试验方法、检验规则、标志、包装、运输与贮存。
本标准适用于KXJ1/127-D矿用隔爆兼本质安全型PLC控制器。
(以下简称PLC控制器) 2 规范性引用文件下列文件中的条款经过本标准的引用而成为的条款。
凡是注明日期的引用文件, 其随后所有修改内容( 不包括勘误的内容) 或修订版均不适用于本标准, 然而, 鼓励根据本标准达成协议的各方研究是否可使用这些文件的最新版本。
凡是不注明日期的引用文件, 其最新版本适用于本标准。
GB 156—1993 标准电压GB 191—包装储运图示标志GB 4208—1993 外壳防护等级(IP代码)GB 3836.1—爆炸性气体环境用电气设备第1部分: 通用要求GB 3836.2—爆炸性气体环境用电气设备第2部分: 隔爆型”d”GB 3836.4-爆炸性气体环境用电气设备第4部分: 本质安全型”i”MTT154.2-1996 煤矿用电器设备产品型号编制办法和管理办法MT 287—1992 煤矿信号设备通用技术条件MT 209-1990 煤矿通信、检测、控制用电工电子产品通用技术条件MT 210—1990 煤矿通信、检测、控制用电工电子产品基本试验方法3 型式、分类及基本参数3.1 防爆型式: 矿用隔爆兼本质安全型防爆标志: Exd[ib]I3.2 产品型号及其含义KX J 1/127 -D多功能型登记序号/供电电压127V隔爆兼本质安全型控制箱3.3 基本参数3.3.1 主机电源工作电压: AC127V, 频率50Hz, 电压变化范围80%~115%工作电流: AC500mA( 设备满载状态)频率:50Hz4 产品结构及组成部分4.1 产品结构产品结构为主体防爆箱内安装有西门子S7-200PLC可编程控制器, 并配套有输入输出及通信模块, 经过本安型输入输出隔离元件, 读取外部设备开停及传感器信号, 并输出控制指令及与自动化系统进行通信。
D98Q/ZBHTKDY127/12矿用隔爆兼本安型直流电源xxxxxxxxxxxxxxx发布目录前言..................................................................... I I1 范围 (1)2 规范性引用文件 (1)3 型号命名与类型 (2)4 技术要求 (2)5 试验方法 (6)6 检验规则 (6)7 标志 (8)前言本标准是根据GB/T1.1-2009《标准化工作导则第1部分:标准的结构和编写》,同时参照GB3836-2010等有关国家标准和行业标准并结合产品开发实践而编写制定的。
本标准替代Q/xxxxx-2010《KDW127/12矿用隔爆兼本安型直流稳压电源》。
与Q/xxxxx-2010相比主要变化如下:——将引用文件GB 3836.1-2000修改为GB 3836.1-2010;将GB 3836.2-2000修改为GB 3836.2-2010;将GB 3836.4-2000修改为GB 3836.4-2010。
——依据更新后的引用标准的要求,对相应的技术要求、型号命名、产品参数进行了规范,除编辑性修改外无其他技术变化。
本标准由淄博海特自动化设备有限公司提出。
本标准由淄博海特自动化设备有限公司技术部归口本标准由淄博海特自动化设备有限公司起草并负责解释。
本标准主要起草人:xxxxxx。
本标准批准人:xxxx。
本标准所替代标准的历次版本发布情况为:——Q/ZBHT08-2010。
本标准备案有效期为5年,到期复审。
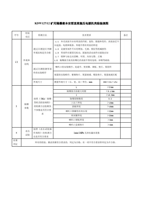
KDY127/12矿用隔爆兼本安型直流电源1 范围本标准规定了KDY127/12矿用隔爆兼本安型直流电源(以下简称电源)的产品分类、技术要求、检验方法、检验规则和标志。
本标准适用于KDY127/12矿用隔爆兼本安型直流电源。
2 规范性引用文件下列文件对于本文件的应用是必不可少的。
凡是注日期的引用文件,仅注日期的版本适用于本文件。
凡是不注日期的引用文件,其最新版本(包括所有的修改单)适用于本文件。
GB/T191 包装储运图示标志GB3836.1-2010 爆炸性环境第1部分:设备通用要求GB3836.2-2010 爆炸性环境第2部分:由隔爆外壳“d”保护的设备GB3836.4-2010 爆炸性环境第4部分:由本质安全型“i”保护的设备GB4208-2008 外壳防护等级(IP代码)GB/T2423.1-2008 电工电子产品环境试验第 2 部分:试验方法试验 A:低温GB/T2423.2-2008 电工电子产品环境试验第 2 部分:试验方法试验 B:高温GB/T2423.4-2008 电工电子产品环境试验第 2 部分:试验方法试验 Db:交变湿热GB/T2423.5-1995 电工电子产品环境试验第 2 部分:试验方法试验 Ea 和导则:冲击GB/T2423.10-2008 电工电子产品环境试验第2部分:试验方法试验 Fc 和导则:振动(正弦) GB/T9969 工业产品使用说明书总则GB/T10111 利用随机数骰子进行随机抽样的方法GB/T13306 标牌AQ 1043 矿用产品安全标志标识MT 209 -90 煤矿通信、检测、控制用电工电子产品通用技术要求MT 210 -90 煤矿通信、检测、控制用电工电子产品基本试验方法MT 211 -90 煤矿通信、检测、控制用电工电子产品质量检验规则MT 286-1992 煤矿通信、自动化产品型号编制方法和管理办法MT/T 661-2011 煤矿井下用电器设备通用技术条件MT/T 1078-2008 矿用本质安全输出直流电源3 型号命名与类型3.1 命名额定输出电压额定输入电压电源矿用直流3.2 防爆型式及防爆标志防爆型式:矿用隔爆兼本质安全型防爆标志:Exd[ib]I Mb3.3 外形尺寸、质量及材质a)外形尺寸: 240mm×203mm×159 mm;b)重量:15kg;c)外壳材质:Q235钢。
3.4 电源的配接设备及关联设备见附录A。
4 技术要求4.1 环境条件4.1.1 电源应能在下列条件下正常工作a)环境温度:0℃~+40℃;b)湿度:≤95%(+25℃);c)环境大气压:86kPa~1l6kPa;d)无显著振动和冲击的场所;e)周围介质无腐蚀性气体;f)无溅水和淋水的场所;g)有瓦斯和煤尘爆炸危险的煤矿井下。
4.1.2 最恶劣的运输贮运条件a)高温:60℃;b)低温:-40℃;c)湿度:≤95%(+25℃);d)振动:50m/s2;e)冲击:500m/s2。
4.2 外观及结构要求4.2.1 电源的外壳采用Q235,外表面防锈、防蚀处理,表面应整洁、无机械损伤。
4.2.2 标志和铭牌应完整、清晰、牢固可靠。
4.2.3 橡胶制件表面应光洁、无破裂、穿孔及明显的杂质、脱落印痕。
4.2.4 焊接件的焊接应平整、无裂缝、无焊渣、且不应有咬肉、漏焊等缺陷。
4.2.5 金属构件涂镀表面应色泽均匀、无斑点、疙瘩、泡孔、锈蚀现象。
4.2.6 电源的结构应保证调试、维修和安装方便。
4.2.7 金属零部件、元器件应进行防锈、防蚀处理、紧固件应无松动,必须有防自动松脱的措施。
4.3 主要技术指标4.3.1 供电电源a) 额定交流工作电压:AC 127V,C型变压器;b) 工作电流:≤500mA AC;c) 电源适应范围:95VAC~152VAC。
4.3.2 三路本安(共地)输出性能应符合表1的规定。
表1 本安输出性能4.4 基本功能具有限流、限压和短路保护功能,故障撤消后能自动恢复。
4.5 电气安全4.5.1 绝缘电阻各测试部位的绝缘电阻应符合表2的要求。
表2 绝缘电阻和工频耐压4.5.2 工频耐压试验试验电压表2,漏电流应该不大于5mA,试验中应无火花、飞弧和击穿现象。
4.6 电源的本安接线端子与非本安接线端子之间的距离≥50mm。
不同电位的裸露导体之间与外壳和接线导体之间的电气间隙,爬电距离应符合GB 3836.3-2010中表1的规定;本安电路的电气间隙、爬电距离应符合GB 3836.4-2010表5的规定。
即:非本安部分的电气间隙≥5.0mm,爬电距离≥8.0mm;本安部分的电气间隙≥2.0mm,爬电距离≥2.0mm。
4.7 特殊元器件4.7.1 变压器4.7.1.1 输入绕组设有熔断器保护;输入绕组与输出绕组分开布线,二者之间设有铜质屏蔽层并与铁芯一起接地;输入绕组与输出绕组出线端子之间的距离≥50mm;4.7.1.2 输入绕组与输出绕组之间应能承受2500V、50Hz、lmin;输入绕组与铁芯(屏蔽)之间应能承受l500V、50Hz、lmin:输出绕组与铁芯(屏蔽)之间应能承受l500V、50Hz、lmin的绝缘介电强度试验均应无击穿、闪络现象;AC/DC模块的输入与输出之间应能承受1500V,50 Hz ,历时1mi的绝缘介电强度试验, 无击穿和闪络现象。
4.7.1.3 输入绕组端子之间的电气间隙≥5.0mm,爬电距离≥8.0mm;输出绕组端子之间的电气间隙≥5.0mm,爬电距离≥8.0mm;4.7.1.4 应通过GB3836.4-2010中8.1.3规定的型式试验;4.7.1.5 应通过GB3836.4-2010中11.2规定的例行试验;4.7.1.6 变压器绝缘材料的耐热等级为130(B级),相对耐热指数RTE>130~155,温升≤50℃。
4.8 防爆要求4.8.1 在正常工作或故障状态下,电源的外壳及电路元器件的最高表面温度应≤150℃。
4.8.2 电源与本质安全性能有关的元器件应符合GB3836.4-2010中7章的规定,本安电路用元件的电压、电流和功率在正常或故障状态下均不得大于其额定值的2/3。
4.8.3 电源的本安电路应能通过GB3836.4-2010中第10.1条规定的火花点燃试验。
4.8.4 电源的外壳和内部元器件的最高表面温度应满足GB3836.1-2010中第26.5.1的要求,在正常或故障状态下其最高表面温度应≤150℃。
4.8.5 隔爆结构、参数检查隔爆外壳应满足GB3836.1~2的要求,隔爆外壳采用Q235材料焊接而成,应符合GB 3836.2-2010附录F的规定;隔爆接合面宽度、间隙、表面粗糙度等参数应符合GB3836.2—2010中第5章的要求;所有隔爆面应涂防锈油或采取其他防锈措施;外壳内腔非配合面应涂1321耐弧漆;隔爆面连接的所有紧固件均应有防止自行松脱的措施;外壳须按GB3836.1—2010规定设置内、外接地,并标注接地标志。
4.8.6 电气间隙和爬电距离电气间隙和爬电距离应符合GB3836.3-2010中4.3和4.4的要求,电压12V:电气间隙和爬电距离均≥2.0mm。
电压127V:电气间隙≥5.0mm,爬电距离≥8.0mm;本安电路接线端子与非本安电路接线端子之间的距离≥50mm。
4.8.7 外壳抗冲击性能隔爆外壳应满足GB3836.1中26.4.2冲击试验要求,冲击能力20J。
4.8.8 透明件抗冲击性能外壳透明件应满足GB3836.1中26.4.2冲击试验要求,冲击能力7J。
4.8.9 透明件热剧变性能外壳透明件应满足GB3836.1中26.5.2热剧变试验要求。
4.8.10 密封圈等非金属材料密封圈等非金属材料满足GB3836.1中第7章的要求。
4.8.11 电缆引入产品4.8.11.1 引入产品的夹紧性能本产品中电缆引入产品的夹紧性能应符合GB3836.1-2010附录A.3.1条规定。
4.8.11.2密封性能和机械强度本产品密封圈应符合GB3836.2-2010附录C中C3条。
GB3836.1—2010附录 A.3.1.5条中规定。
4.8.12 外壳耐压试验隔爆外壳应满足GB3836.2中15.1外壳耐压试验的要求。
4.8.13 外壳静压试验隔爆外壳的静态强度应满足GB3836.2—2010中16.1.1规定,在1MPa压力下保压1min,未发生接合面永久变形或外壳损坏为合格。
4.8.14 内部点燃不传爆试验隔爆外壳应满足GB3836.2中15.2中内部点燃的不传爆试验的要求。
4.8.15 防护性能试验隔爆外壳应满足GB3836.1中 26.4.5防护性能的要求,防护等级IP54。
4.9 本安参数:a) 最高输出电压Uo:13.5V;b) 最大输出电流Io:1.3A;c) 最大外部电感Lo:0.06mH;d) 最大外部电容Co:20uF;e) 最高输入电压Um:152V AC。
4.10 工作稳定性电源经2d工作稳定性试验后,其性能应符合4.3条的要求。
4.11 环境适应性4.11.1电源经低温工作试验后,其性能应符合4.3条的要求。