创建“无欠薪项目部”务工人员维权告示牌-1(劳动保障)
- 格式:doc
- 大小:34.00 KB
- 文档页数:1
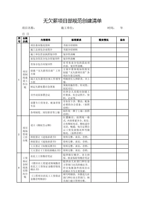
创建无欠薪项目部活动方案武夷山绿岛综合建材城13#、14#、15#、16#楼工程福建宏盛建设集团有限公司施工组织设计(施工方案)报审表武夷山绿岛综合建材城13#、工程名称福建宏盛建设集团有限公司施工单位14#、15#、16#楼工程编现报上创建“无欠薪”项目主编制部活动方案,请予以审查。
编制人单工程项目部/专业分包施工单位技术负责位 (盖章) 人总承包单位审核意见:审核单年月日位总承包单位(盖章) 审核人审批人监理单位审查意见:审查监理单位审查结论: ?同意实施 ?修改后报 ?重新编制单专业监理位工程师日期:监理单位(盖章)总监理工程师日期:目录一、总则...................................................................... ........................................................................ .....................1 二、编制依据...................................................................... ........................................................................ .............1 三、工程概况...................................................................... ........................................................................ .............1 四、劳务分包计划...................................................................... ........................................................................ .....1 4.2成立“无欠薪项目部”活动小组...................................................................... (3)五、创建“无欠薪项目部”活动部署...................................................................... . (2)5.1组织领导...................................................................... ........................................................................................2 5.1.1成立机构...................................................................... ........................................................................ .............2 5.1.2制定方案...................................................................... ........................................................................ .............2 5.1.3动员部署...................................................................... ............................ ........................................... .............3 5.1.4学习培训...................................................................... ........................................................................ .............3 5.2制度建设...................................................................... ........................................................................ ................3 5.2.1专职劳工管理员制度...................................................................... .. (3)5.2.2农民工实名制管理制度...................................................................... . (4)5.2.3工资支付制度...................................................................... .............................................................................4 5.2.4信息公示制度...................................................................... ........................................................................ .....5 5.2.5应急预案...................................................................... ........................................................................ .............5 5.3用工及工资支付管理...................................................................... .. (5)5.3.1进场管理...................................................................... ........................................................................ .............5 5.3.2考勤管理...................................................................... ........................................................................ .............5 5.3.3工资支付...................................................................... ........................................................................ .............6 5.3.4退场管理...................................................................... ........................................................................ .............6 六、创建“无欠薪项目部”流程图...................................................................... (6)七、制定处置欠薪突发事件和群体性事件应急预案...................................................................... .. (1)7.1组织领导...................................................................... ........................................................................ .................1 7.2工作职责...................................................................... ........................................................................ .................1 7.3工作措施...................................................................... ........................................................................ .................2 7.4工作机制...................................................................... ........................................................................ .. (3)武夷山绿岛综合建材城13#、14#、15#、16#楼工程项目部创建“无欠薪项目部”活动方案一、总则根据《福建省人力资源和社会保障厅等7部门关于在建设施工领域进一步创建“无欠薪项目部”活动的通知》及发南平市相关文件精神,项目部充分认识进一步推荐创建“无欠薪项目部”活动有利于推荐建设施工企业自律,规范农民工工资支付行为,建立健全欠薪防范机制;有利于人力资源社会保障及行业主管部门的管触角前移,强化对建设工程项目和施工企业的联系和监管;有利于减少建设施工领域拖欠农民工工资问题的发生,预防群体性突发事件。
浙江省维权告示牌模版民工维权告知牌:工程名称:建设单位:总包单位:劳务分包或:专业分包单位名称:项目经理:工资管理员:公开告知事项:一、施工总承包单位对维权工作负全面责任,不得向无资质单位和个体分包工程;用人单位对民工工资支付工作负直接责任。
二、用人单位应当依法与民工签订劳动用工合同,明确合同期限,工作内容、劳动报酬、支付形式和支付时间等内容。
三、民工工资不得低于浙江省月最低工资标准,并按合同约定按时支付,不得无故克扣或拖欠。
四、民工进入工地工作应当到项目部进行实名制登记(提供有效身份证明),签订劳动合同,办理考勤登记手续和用于存贮工资的银行卡。
五、民工在工地工作期间应遵守项目部考勤管理并按规定进行考勤。
六、民工应主动与项目部核算工资数额,并通过银行卡发放工资,银行卡由民工本人保管,如因民工将工资卡借给项目部或者他人而发生欠薪问题,由民工自己承担法律责任。
七、施工总承包单位应当在施工现场设置符合安全要求的办公和生活区,民工饮食、住宿、学习、娱乐等场所应当符合有关规定和卫生标准。
八、施工总承包单位应当为民工办理工伤保险。
九、施工总承包单位和用人单位存在拖欠民工工资等侵权行为的,民工有权到项目所在地人力资源和社会保障部门、工会及建设主管部门投诉。
十、如民工存在不进行实名制登记参加考勤管理行为发生欠薪的,由民工自行承担被拖欠工资举证责任,对不能举证的被拖欠工资行为的,人力资源和社会保障部门、工会及建设主管部门一律不予受理。
十一、如民工因工伤及工资纠纷等问题,可向安吉县劳动争议仲裁委员会提出仲裁申请处理。
浙江省劳动监察大队:投诉地址:投诉电话:。
建筑工人维权告示牌模板尊敬的建筑工人们,为了保护大家的合法权益,我们需要团结一致,共同维护我们的劳动权益。
以下是建筑工人维权告示牌的模板,供大家参考使用:告示牌标题维权告示牌告示牌内容尊敬的用人单位/工地管理方:我们是贵公司/工地的建筑工人,我们有一些合法权益需要得到保障。
我们希望通过此告示牌向您提出以下要求:1. 合理薪酬:希望能够按照国家规定的最低工资标准支付工资,确保我们合法劳动所得到的合理报酬。
2. 安全保障:要求贵公司/工地提供安全合规的劳动环境,包括配备必要的劳保用品、遵循安全操作规程,并对危险物品和作业进行合理管理。
3. 合法权益保护:要求贵公司/工地保障我们的合法权益,包括按时缴纳社保、提供合法合规的劳动合同、保障休假权益等。
4. 劳动时间合理安排:要求贵公司/工地合理安排工作时间,遵守国家劳动法关于工时的规定,禁止加班超时。
5. 合理待遇:要求贵公司/工地公平对待所有建筑工人,不区别对待,不歧视。
我们希望贵公司/工地能够认真对待我们的维权要求,并采取有效措施解决问题。
如果我们的合法权益得不到保障,我们将不得不采取进一步行动来维护自己的权益。
建筑工人们,让我们团结一心,共同争取我们应得的权益!联系方式如有任何问题或需要进一步沟通,请联系以下负责人:- 姓名:[联系人姓名]- 联系[联系电话]请贵公司/工地认真对待我们的维权要求,共同创造良好的劳动环境!建筑工人联合起来,维护我们的权益!(此告示牌仅作为参考,请根据实际情况进行修改和调整)注意事项1. 请文明使用言辞,不做恶意攻击或造谣诽谤。
2. 请遵守法律法规,确保任何行动符合法律规定。
3. 如有需要,请咨询相关法律专业人士,以确保维权行动合法有效。
建筑业农民工维权告示牌注:告示牌材料为:KT板尺寸为:1200*900mm(底色是10%的灰,字为M: 60Y: 100)标题文字: 汉仪粗宋简字体大小: 38*36mm内容文字: 汉仪大宋简字体大小: 23*20mm附件二:建筑业农民工维权告知事项你在本工地工作,拥有以下权利:一、当你被建筑劳务用工单位录用时,有权要求用工单位与你签订书面的劳动合同,在合同中明确约定工作内容、工作时间、劳动报酬和支付方式等。
二、进入施工现场前,你有权参加工程所在地劳务分包交易市场组织的岗前培训,接受相关的公民道德教育、权益保障和工地安全知识培训,获得“岗前培训证”后,方可进入施工现场。
三、你在履行劳动合同时,用工单位应为你交纳综合保险费。
参加综合保险后,你可享受工伤保险、住院医疗保险和每月20元的医药费补贴,以及用工单位为你安排的每年一次的体检。
综合保险卡由你自行保管。
四、你有权要求用工单位发放“工资卡”,并按照劳动合同的约定发放劳动报酬。
五、当劳务用工单位同你发生劳动报酬争议或拖欠工资时,总包单位分管领导和项目经理是第一责任人,劳务用工单位是直接责任人。
如第一责任人和直接责任人处置不力,你可通过逐级反映的正常途径向工程项目所在地的建设管理部门投诉。
任何过激的不当投诉行为都有可能受到法律制裁。
投诉时你应当提供劳动合同、身份证明,出具注明工程名称、地址、施工(总、分包)单位名称、从事工种、工作时间等有效证明。
六、你可自愿参加工会组织,依法享有工会会员的权利。
注:告示牌材料为:KT板尺寸为:1200*900mm(底色是10%的灰,字为M: 60Y: 100)标题文字: 汉仪粗宋简字体大小: 38*36mm内容文字: 汉仪大宋简字体大小: 28*26mm。
成都市建设施工现场农民工维权告示牌工资支付公示栏根据相关法律法规的要求,为保障农民工的合法权益,特设立了本维权告示牌工资支付公示栏,旨在确保建设施工现场的工资支付有序、公开和透明。
1. 公示栏的作用本公示栏为建设施工现场农民工提供了一个了解工资支付情况和维权渠道的重要途径。
通过公示栏,农民工可以及时获知自己的工资信息,及时发现和解决工资支付方面的问题,确保自己的合法权益得到保障。
2. 公示内容要求为保证公示栏的有效性和实用性,公示栏上应按以下要求公示工资支付相关信息:- 拖欠农民工工资情况:列明是否存在拖欠工资的情况,如有,应明确拖欠的具体金额和拖欠的具体期限;- 发放工资情况:列明工资发放的时间、地点和方式,确保农民工能够及时领取工资;- 联系方式:提供相关工作人员的联系方式,方便农民工咨询和维权;3. 公示栏的位置和形式公示栏应设置在建设施工现场的显眼位置,方便农民工查看。
公示栏的形式可以采用屏幕显示、电子屏幕或者纸质公示板等方式,确保信息的真实、准确和可读性。
4. 公示栏的维护和更新公示栏的维护和更新是保障农民工权益的重要环节。
建设单位应负责公示栏的日常维护和信息的更新,及时公布工资支付情况的变动,确保信息的及时性和准确性。
5. 维权渠道本公示栏仅提供了一种了解和解决工资支付问题的渠道,农民工也可以通过以下方式维护自己的权益:- 向用人单位提出书面申请;- 向劳动监察部门投诉或举报;- 寻求法律援助或咨询。
6. 意见和建议我们欢迎农民工和相关各方对本公示栏提出宝贵的意见和建议,以不断完善维权工作,确保农民工的合法权益得到有效保障。
致谢!(电话号码)。
海南省建筑施工现场农民工维权告示牌1、选择具有备用工主体资格且有建筑资质的企业从事劳务工,主动要求与施工单位签订劳动合同,明确工资实付标准、支付项目,支付形式及变付时间等内容。
2、注意收集劳动关系证明和具体欠薪凭证及工程名称、工程所在地、施工单位名称、项目经理姓名、联系电话等材料和信息,一旦遭遇施工企业(项目部)拖欠工资的情况,应直接向施工企业催讨,催讨不成,及时向工地解决欠薪领导小组反映,协商解决。
协商未果的,及时向用工所在地行业主管部门反映或劳动监察机构投诉,也可直接向劳动争设仲裁机构申请仲裁或向人民法院提起诉讼。
3、讨薪要通过正常途径向工程项目所在地的有关职能部门投诉处理,如果采取过激的不当投诉行为都有可能受利法律制裁,投诉时你应当提供劳动合同、结算清单、身份证明、出具注明工程名称、地址、施工单位名称,从事工种、工作时间等有效证明。
海南省建筑施工现场各方责任主体文务须知1、解决欠薪问题,总包单位领导和项目部经理是第一责任人,劳务用工单位负责人是直接责任人。
2,建设单位、城工单位应成立企业公司解决欠薪问题领导小组,由双方现场负责人及相关工作人员组成,出现欠薪问题第一时间介入处 理。
3、施工单位应当及时与劳动者办理月度书面工作量及工资数结算手续,将工资直接支付给农民工本人,编制工资支付表并保存两年以上备查,严禁将农民工工资拨付给“包工头”(班组长)等不具备用工主体资格的组织和个人代发,由此造成工资施欠的由用工单位负责。
面前坡棚户区改造基础设施项目工地企业解决欠薪领导小组组 长:冯晓所 电话:66528463副组长:何义斌 电话:188********成 员:吴伟 电话:136********庞亚润 电话:189********本公司工资发放时间及地址:时 间:2018年12月15日(每月15日)。
农民工资维权信息告示牌农民工资维权信息告示牌尊敬的农民工朋友:为了保护大家的合法权益,提醒大家关注和维护自己的工资权益,特制作此农民工资维权信息告示牌,帮助大家更好地了解维权渠道和方法。
请大家务必妥善保留以下信息:1. 劳动合同:签订劳动合同是保护自己权益的基础,一定要和用人单位签订劳动合同,并保留好复印件。
2. 工资收据:每次领取工资时一定要索取正规的工资收据,在上面填写好工资数额、日期等信息,并与工资发放单位签字确认。
3. 劳动用工备案:用人单位是否具备劳动用工备案手续,如果没有备案,可能存在劳动关系不明确的问题。
4. 劳动监察电话:各地劳动监察部门都设有热线电话,大家可以在需要时拨打该电话,寻求劳动监察部门的帮助和支持。
5. 劳动争议仲裁委员会:每个地区都设有劳动争议仲裁委员会,农民工在受到工资拖欠等问题时可以向该委员会提出仲裁申请。
6. 12333工资保障热线:这是国家级的工资保障热线,农民工可以拨打该电话,寻求相关部门的帮助和支持。
7. 法律援助机构:当遇到更加复杂的问题时,农民工可以寻求法律援助机构的帮助,获得法律咨询和支持。
请大家在遇到以下情况时及时采取行动:1. 工资拖欠:工资未按时支付或拖欠,请与用人单位及时沟通,采取合法途径维权。
2. 薪金低于最低工资标准:用人单位给予的薪金低于当地最低工资标准,请咨询相关部门或法律援助机构帮助您维权。
3. 加班费或加班时间未支付:如果加班费或加班时间未得到合理支付,请保留好相关证据,向劳动监察部门举报。
4. 社会保险未缴纳:用人单位未按法定规定为您缴纳社会保险,请向劳动监察部门投诉。
维护自己的权益是每个农民工应尽的义务和责任。
希望大家能够树立法律意识,勇敢维护自己的权益,建立和谐稳定的劳动关系。
如果您需要更多的法律帮助和咨询,请及时寻求专业人士的帮助。
祝大家工作顺利,生活幸福健康!(此告示牌由XX社区/组织提供)尊敬的农民工朋友:在过去的岁月里,我们农民工艰辛地工作在城市中,为国家的建设做出了巨大的贡献。
农民工维权告示牌农民工维权告示牌为了维护农民工的合法权益,现在我们发布此农民工维权告示牌。
以下是维权告示牌的详细内容。
一、维权告示牌制作要求:1.1 设计要素:①告示牌尺寸:长宽均为120厘米×60厘米。
②背景色:红色。
③文字颜色:白色。
④告示牌内容:包括农民工的基本权益、维权途径、相关法律条款等。
1.2 文字内容:①农民工基本权益:a) 劳动合同权益:农民工与用人单位签订劳动合同,有权享受正常劳务合同约定的权益。
b) 休假权益:农民工有权享受正常的带薪年休假和带薪病假。
c) 工资支付权益:用人单位应按时按额支付农民工工资,不得擅自扣减或拖欠工资。
d) 社会保险权益:用人单位应为农民工按法律规定缴纳社会保险费,确保农民工的社会保障权益。
②维权途径:a) 协商解决:农民工与用人单位之间发生劳动争议时,可以通过协商解决。
b) 劳动仲裁:劳动争议无法通过协商解决时,农民工可以向劳动仲裁机构申请仲裁。
c) 法院起诉:如果仲裁结果不满意,农民工可以向法院提起诉讼,维护自己的合法权益。
③相关法律条款:a) 《劳动法》第十八条:规定用人单位应与劳动者订立书面劳动合同。
b) 《劳动合同法》第二十六条:规定劳动者享有带薪年休假和带薪病假的权益。
c) 《劳动合同法》第三十二条:规定用人单位应按时付给劳动者工资。
d) 《社会保险法》第五十八条:规定用人单位应为劳动者按法律规定缴纳社会保险费。
二、维权告示牌的使用地点和方式:2.1 使用地点:a) 工地:告示牌应放置于工地的醒目位置,以便农民工能够方便阅读。
b) 人力资源市场:告示牌应放置在人力资源市场的窗口或牌匾下方,吸引农民工的注意。
c) 乡镇:告示牌应放置在乡镇大厅或农民工服务中心等位置,提醒农民工维权。
2.2 使用方式:a) 展示:告示牌应以清晰的方式展示,确保农民工能够清楚地读取内容。
b) 更新:告示牌的内容应定期更新,确保信息的时效性。
c) 照片留存:应备份告示牌的照片,以便在需要时提供相关证据。
农民工维权告示牌
项目全体农民工:
为保障你在本项目劳动期间的合法权益,帮助你依法有序维权,现将有关情况告示如下:
◆农民工劳动保障权益主要内容:
建筑领域直接招用农民工的施工企业或劳务分包企业,必须依照《中华人民共和国劳动法》、《中华人民共和国劳动合同法》的规定,与农民工签订劳动合同,并提倡签订集体合同。
建筑领域直接招用农民工的施工企业或劳务分包企业,必须按劳动合同约定或劳动保障法律法规规定足额支付工资。
◆特别提醒
如果用人单位拒不与你签订劳动合同、集体合同,以及未按劳动合同、集体合同约定足额支付工资,请及时向劳工监督员或劳工管理员反映有关情况,由其协调解决;同时也可向项目所在地劳动保障监察机构投诉。
为有效维护你的权益,你应妥善保留各种有效证据,如劳动合同或协议、工作证件、工资结算单等。
注:告示牌材料为: KT板尺寸为:1200mm×90Omm
(底色是10%的灰,字为M:60 Y:100)
标题文字:汉仪粗宋简字体大小:38mm×36mm
内容文字:汉仪大宋简字体大小:223mm×20mm。
创建“无欠薪项目部”务工人员维权告示牌工程名称开工日期
工程地址预计竣工日期
建设单位合同造价
施工单位(总、分包单位)
项目负责人
联系电话
专职劳工管理员联系电话
劳务公司
负责人联系电话
劳动保障监察
部门
挂钩负责人监督投诉电话
建设主管部门
挂钩负责人
监督投诉电话建筑业务工人员维权告知事项
你在本项目工作,拥有以下权利:
一、当你被建筑业企业用人单位录用时,有权要求用人单位与你签订书面的劳动合同,在合同中明确约定工作内容、工作时间、劳动报酬和支付方式等。
二、进入施工现场前,你有权参加建委组织的岗前培训,接受相关的公民道德教育、权益保障和工地安全知识培训,获得“岗前培训证”后,方可进入施工现场。
三、你在履行劳动合同时,用工单位应为你缴纳工伤保险费。
四、你有权要求用工单位发放“工资卡”,并按照劳动合同的约定发放劳动报酬。
五、当建筑业企业用工单位同你发生劳动报酬争议或拖欠工资时,总包单位领导和项目经理是第一责任人,建筑业企业用工单位是直接责任人,如第一责任人和直接责任人处置不力,你可通过逐级反映的正常途径向工程项目所在地的人社、建设主管等职能部门投诉。
如果过激的不当投诉行为都有可能受到法律制裁,投诉时你应当提供劳动合同,身份证明,出具注明工程名称、地址、施工(总、分包)单位名称、从事工种、工作时间等有效证明文件。
请各项目部填写完,报送到邮箱:@(劳动监察大队),电话:。