ASME 固定管板式换热器图纸
- 格式:pdf
- 大小:929.73 KB
- 文档页数:6
固定管板式换热器的结构设计摘要换热器是化工、石油、动力、冶金、交通、国防等工业部门重要工艺设备之一,其正确的设置,性能的改善关系各部门有关工艺的合理性、经济性以及能源的有效利用与节约,对国民经济有着十分重要的影响。
换热器的型式繁多,不同的使用场合使用目的不同。
其中常用结构为管壳式,因其结构简单、造价低廉、选材广泛、清洗方便、适应性强,在各工业部门应用最为广泛。
固定管板式换热器是管壳式换热器的一种典型结构,也是目前应用比较广泛的一种换热器。
这类换热器具有结构简单、紧凑、可靠性高、适应性广的特点,并且生产成本低、选用的材料范围广、换热表面的清洗比较方便。
固定管板式换热器能承受较高的操作压力和温度,因此在高温高压和大型换热器中,其占有绝对优势。
固定管板式换热器主要由壳体、换热管束、管板、前端管箱(又称顶盖或封头)和后端结构等部件组成。
管束安装在壳体内,两端固定在管板上。
管箱和后端结构分别与壳体两端的法兰用螺栓相连,检修或清洗时便于拆卸。
换热器设计的优劣最终要看是否适用、经济、安全、运行灵活可靠、检修清理方便等等。
一个传热效率高、紧凑、成本低、安全可靠的换热器的产生,要求在设计时精心考虑各种问题.准确的热力设计和计算,还要进行强度校核和符合要求的工艺制造水平。
关键词:换热器;固定管板式换热器;结构;设计The Structural Design of Fixed Tube Plate Heat ExchangerAuthor : Chen Hui -juanTutor : Li HuiAbstractHeat exchanger is one of the most important equipments which is used in the fields of chemical, oil, power, metallurgy, transportation, national defense industry. Its right setting and the improvements of performance play an important role in the rationality o technology, economy, energy utilization and saving, which has a very important impact on the national economy.The type of heat exchanger is various, the different use occasions and the purpose is are commonly used for the tube shell type structure, because of its simple structure, low cost and wide selection, easy to clean, strong adaptability, themost widely used in various industry departments.Fixed tube plate heat exchanger is a kind of typical structure of tube and shell heat exchanger, also is a kind of heat exchanger is applied more widely. This kind of heat exchanger has simple and compact structure, high reliability, the characteristics of wide adaptability, and the production of low cost, wide range of selection of materials, heat exchange surface cleaning more convenient. Fixed tube plate heat exchanger can operate under high pressure and temperature, therefore, the heat exchanger in high temperature and high pressure and large in its possession of absolute advantage. Fixed tube plate heat exchanger is mainly composed of shell, heat exchange tube bundle, tube plate, the front tube box (also known as the roof or head) and the back-end structure parts. Tube bundle is installed on both ends of casing, which is fixed on the tube plate. Tube box and the back-end respectively connected to theflange bolts at the ends of the shell structure, maintenance or cleaning for easy disassembly. The merits of the heat exchanger design ultimately depends on whether applicable, economic, safe, flexible and reliable running, convenient maintenance cleaning, etc. A high heat transfer efficiency, compact, low cost, safe and reliable production of heat exchanger, requires carefully considered in the design of all sorts of problems. The accurate thermal design and calculation, but also for intensity and conform to the requirement of process manufacturing level.Keywords: Heat exchanger,Fixed tube plate heat exchanger, Structure,Design目录1 绪论.......................................... 错误!未定义书签。
摘要固定管板式换热器是管壳式换热器的一种典型结构,也是目前应用比较广泛的一种换热器。
这类换热器具有结构简单、紧凑、可靠性高、适应性广的特点,并且生产成本低、选用的材料范围广、换热表面的清洗比较方便。
固定管板式换热器能承受较高的操作压力和温度,因此在高温高压和大型换热器中,其占有绝对优势。
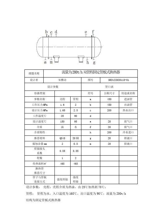
本次设计的题目是乙二醇塔底进料换热器的设计,课题预期达到的目标为:换热器面积的计算(实际换热面积:92.6mm2),管程壳程压力降的计算(小于等于0.4MPa),工艺结构尺寸的计算:管程数(1管程),换热管的确定(内径:19mm 数量:500根),壳体内径(600mm),壳程数(1壳程)的计算,折流板的选型(形式:弓形折流板,数量:13)等。
换热器的强度计算:对筒体、管箱厚度的计算和校核,对壳体及管箱各处开孔补强,对延长部分兼做法兰的计算及强度核算。
经水压试验、压力校核后显示结果全部合格。
换热器的结构设计:折流板、法兰(甲型平焊法兰)、换热管、支座(鞍式支座)、垫片(石棉橡胶板垫片)的规格及选型。
完善设计图纸及设计说明书。
关键词:换热器;工艺;结构;强度IAbstractFixed tube plate heat exchanger is a typical structure of the shell and tube heat exchanger and a wide range of heat exchanger. This type of heat exchanger has the characteristics of a simple structure, compact, high reliability and wide adaptability , and low cost of the production, wide choice of used materials, more convenient of cleaning heat exchanger the surface . Fixed tube plate heat exchanger can withstands the higher operating pressure and temperature, so it has the absolute advantage in the possession of high temperature and high pressure heat exchangers and large,.This design topic is naphtha condenser design, the goal which the topic anticipated achieved:The craft design of heat exchanger:the heat transfer area computation(actual heat transfer area:322.2mm2);tube side pressure drop computation(≤0.4MPa);the craft structure size computation:number of tube passes(2 tube passes),the number of heat exchange tube(inside diameter:19mm,number:900),the inside diameter of shell(1000mm), number of shell passes(1 shell passes),the lectotype of baffle board(form:segmental baffle,number:13)etc The strength calculation of heat exchanger:the computation and check of cylinder thinckness and channel thinckness,the shell and the reinforcement for opening supplements the intensity,the extension part concurrently makes the flange the computation and the intensity calculation. Examinatation part carried on the hydraulic pressure test, the pressure examination and so on, in which all results has been all qualifiedThe structural design of the heat exchanger:The specification and lectotype of baffle plate、flange(type A manhole weded flange)、heat exchange tube、suppot(saddle support)、gasket(paronite gasket)Consummates the design paper and the design instruction bookletKeywords: heat exchanger; craft;structure; intensity目录摘要 (I)Abstract (II)第1章引言 (1)1.1 换热器的用途 (1)1.2换热器的分类 (1)1.3 换热器的发展趋势 (1)第2章固定管板式换热器的工艺计算 (3)2.1 估算换热面积 (3)2.1.1 选择换热器的类型 (3)2.1.2 流程安排 (3)2.1.3 确定物性数据 (3)2.1.4 估算传热面积 (4)2.2 工艺结构尺寸 (5)2.2.1 管径和管内流速 (5)2.2.2 管程数和传热管数 (5)2.2.4 传热管排列和分程方法 (7)2.2.5 壳体内径 (7)2.2.6 折流板 (8)2.2.7其他附件 (8)2.2.8 接管 (9)2.3 换热器核算 (9)2.3.1 热流量核算 (9)2.3.2 壁温核算 (13)2.3.3 换热器内流体的流动阻力 (14)2.4 换热器的主要结构尺寸和计算结果 (17)第3章强度计算 (19)3.1 筒体壁厚计算 (19)3.2 管箱短节、封头厚度的计算 (20)3.2.1 管箱短节厚度的计算 (20)3.2.2 封头厚度的计算 (20)3.3 管箱短节开孔补强的校核 (21)3.4壳体接管开孔补强校核 (22)3.5 管板设计及校核 (23)3.5.1 管板计算的有关参数的确定 (23)3.5.2 计算法兰力矩 (27)3.5.3管板的计算的相关参数 (28)3.5.4 确定 和G (29)23.5.5 对于其延长部分兼作法兰的管板计算 (29)3.5.6 设计条件不同的组合工况 (30)第4章结构设计 (36)4.1折流挡板 (36)4.2 法兰 (36)4.3 换热管 (37)4.4 支座 (37)4.5 压力容器选材原则 (38)4.6 垫片 (39)第5章结论 (40)参考文献 (41)致谢 (43)第1章引言1.1 换热器的用途换热器是将热流体的部分热量传递给冷流体的设备,又称热交换器。
2 固定管板式换热器整体结构设计2.1换热器类型的选择两流体温度变化情况:热流体进口温度140℃,出口温度40℃;冷流体(循环水)进口温度30℃,出口温度40℃。
该换热器用循环水冷却,冬季操作时进口温度会降低,考虑到这一因素,估计该换热器的管壁和壳体壁温之差较大,因此初步选定带膨胀节的固定管板式换热器。
2.2 换热器内流体流动空间及流速的确定由于循环冷却水较易结垢,为便于水垢清洗,应使循环水走管程,油品走壳程。
选用的碳钢管5.225⨯Φ,管内流速取sm i 5.0=μ。
2.2.1冷热流体物性数据的确定定性温度:可取流体进口温度的平均值。
壳程油的定性温度为: 90240140=+=T ℃管程流体的定性温度为: 3524030=+=T ℃根据定性温度,分别查取壳程和管程流体的有关物性数据。
油在90℃下的有关物性数据如下: 密度 8250=ρ㎏/m 3定压比热容 KJ c p 22.20=/(㎏·℃) 导热系数 /140.00W =λ(m ·℃) 粘度 s Pa i ∙=000715.0μ 循环冷却水在35℃下的物性数据如下: 密度 9940=ρ㎏/m 3定压比热容 KJ c p 08.40=/(㎏·℃) 导热系数 W 626.00=λ/(m ·℃) 粘度 s Pa i ∙=000725.0μ2.2.2总传热系数的计算(1)热流量)(7.3661032.1)40140(22.2600060000kW kJ t c m Q p =⨯=-⨯⨯== (2)平均传热温度 39304040140ln)3040()40140(ln '2121=-----=∆∆∆-∆=∆t t t t t ℃(3)冷却水用量 32353)3040(08.413200000=-⨯=∆=ipi i t c Q ω(kg/h )(4)总传热系数K 管程传热系数: 03670000725.09945.002.0Re =⨯⨯==iii i u u d ρ4.08.0)()(023.0iip iii i ii i u c u u d d λρλα=4.08.0)626.06175.208.4()13670(020.0626.0023.0⨯==2731W/(m 2·℃) 壳程传热系数:假设壳程的传热系数2900=αW/(m 2·℃)污垢热阻W C m R si /000344.02∙= WC m R so /000344.02∙=管壁的导热系数)/(45C m W ︒⋅=λ;)/(5.2192901000172.00225.045025.00025.0020.0025.0000344.0020.02731025.01112C m W R d bd d d R d d K s iisiii⋅=++⨯⨯+⨯+⨯=++++=αλα2.3传热面积的计算)(8.42395.219107.36623m t K Q S m=⨯⨯=∆='考虑15%的面积裕度)(2.498.4215.115.12m S S =⨯='⨯=。
板式换热器是由一系列具有一定波纹形状的金属片叠装而成的一种新型高效换热器。
各种板片之间形成薄矩形通道,通过半片进行热量交换。
它与常规的管壳式换热器相比,在相同的流动阻力和泵功率消耗情况下,其传热系数要高出很多,在适用的范围内有取代管壳式换热器的趋势。
板式换热器是用薄金属板压制成具有一定波纹形状的换热板片,然后叠装,用夹板、螺栓紧固而成的一种换热器。
工作流体在两块板片间形成的窄小而曲折的通道中流过。
冷热流体依次通过流道,中间有一隔层板片将流体分开,并通过此板片进行换热。
板式换热器的结构及换热原理决定了其具有结构紧凑、占地面积小、传热效率高、操作灵活性大、应用范围广、热损失小、安装和清洗方便等特点。
两种介质的平均温差可以小至1℃,热回收效率可达99%以上。
在相同压力损失情况下,板式换热器的传热是列管式换热器的3~5倍,占地面积为其的1/3,金属耗量只有其的2/3。
因板式换热器是一种高效、节能、节约材料、节约投资的先进热交换设备。
板式换热器主要由框架和板片两大局部组成。
板片由各种材料的制成的薄板用各种不同形式的磨具压成形状各异的波纹,并在板片的四个角上开有角孔,用于介质的流道。
板片的周边及角孔处用橡胶垫片加以密封。
框架由固定压紧板、活动压紧板、上下导杆和夹紧螺栓等构成。
板式换热器是将板片以叠加的形式装在固定压紧板、活动压紧板中间,然后用夹紧螺栓夹紧而成。
各部件作用如下:一、传热板片传热板片是换热器主要起换热作用的元件,一般波纹做成人字形,按照流体介质的不同,传热板片的材质也不一样,大多采用不锈钢和钛材制作而成。
二、密封垫片板式换热器的密封垫片主要是在换热板片之间起密封作用。
材质有:丁腈橡胶,三元乙丙橡胶,氟橡胶等,根据不同介质采用不同橡胶。
三、两端压板两端压板主要是夹紧压住所有的传热板片,保证流体介质不泄漏。
四、夹紧螺栓夹紧螺栓主要是起紧固两端压板的作用。
夹紧螺栓一般是双头螺纹,预紧螺栓时,使固定板片的力矩均匀。
板式换热器是由一系列具有一定波纹形状的金属片叠装而成的一种新型高效换热器。
各种板片之间形成薄矩形通道,通过半片进行热量交换。
它与常规的管壳式换热器相比,在相同的流动阻力和泵功率消耗情况下,其传热系数要高出很多,在适用的范围内有取代管壳式换热器的趋势。
板式换热器是用薄金属板压制成具有一定波纹形状的换热板片,然后叠装,用夹板、螺栓紧固而成的一种换热器。
工作流体在两块板片间形成的窄小而曲折的通道中流过。
冷热流体依次通过流道,中间有一隔层板片将流体分开,并通过此板片进行换热。
板式换热器的结构及换热原理决定了其具有结构紧凑、占地面积小、传热效率高、操作灵活性大、应用范围广、热损失小、安装和清洗方便等特点。
两种介质的平均温差可以小至1℃,热回收效率可达99%以上。
在相同压力损失情况下,板式换热器的传热是列管式换热器的3~5倍,占地面积为其的1/3,金属耗量只有其的2/3。
因板式换热器是一种高效、节能、节约材料、节约投资的先进热交换设备。
板式换热器主要由框架和板片两大部分组成。
板片由各种材料的制成的薄板用各种不同形式的磨具压成形状各异的波纹,并在板片的四个角上开有角孔,用于介质的流道。
板片的周边及角孔处用橡胶垫片加以密封。
框架由固定压紧板、活动压紧板、上下导杆和夹紧螺栓等构成。
板式换热器是将板片以叠加的形式装在固定压紧板、活动压紧板中间,然后用夹紧螺栓夹紧而成。
各部件作用如下:一、传热板片传热板片是换热器主要起换热作用的元件,一般波纹做成人字形,按照流体介质的不同,传热板片的材质也不一样,大多采用不锈钢和钛材制作而成。
二、密封垫片板式换热器的密封垫片主要是在换热板片之间起密封作用。
材质有:丁腈橡胶,三元乙丙橡胶,氟橡胶等,根据不同介质采用不同橡胶。
三、两端压板两端压板主要是夹紧压住所有的传热板片,保证流体介质不泄漏。
四、夹紧螺栓夹紧螺栓主要是起紧固两端压板的作用。
夹紧螺栓一般是双头螺纹,预紧螺栓时,使固定板片的力矩均匀。
固定管板式换热器的结构设计摘要换热器是化工、石油、动力、冶金、交通、国防等工业部门重要工艺设备之一,其正确的设置,性能的改善关系各部门有关工艺的合理性、经济性以及能源的有效利用与节约,对国民经济有着十分重要的影响。
换热器的型式繁多,不同的使用场合使用目的不同。
其中常用结构为管壳式,因其结构简单、造价低廉、选材广泛、清洗方便、适应性强,在各工业部门应用最为广泛。
固定管板式换热器是管壳式换热器的一种典型结构,也是目前应用比较广泛的一种换热器。
这类换热器具有结构简单、紧凑、可靠性高、适应性广的特点,并且生产成本低、选用的材料范围广、换热表面的清洗比较方便。
固定管板式换热器能承受较高的操作压力和温度,因此在高温高压和大型换热器中,其占有绝对优势。
固定管板式换热器主要由壳体、换热管束、管板、前端管箱(又称顶盖或封头)和后端结构等部件组成。
管束安装在壳体内,两端固定在管板上。
管箱和后端结构分别与壳体两端的法兰用螺栓相连,检修或清洗时便于拆卸。
换热器设计的优劣最终要看是否适用、经济、安全、运行灵活可靠、检修清理方便等等。
一个传热效率高、紧凑、成本低、安全可靠的换热器的产生,要求在设计时精心考虑各种问题.准确的热力设计和计算,还要进行强度校核和符合要求的工艺制造水平。
关键词:换热器;固定管板式换热器;结构;设计The Structural Design of Fixed Tube Plate Heat ExchangerAuthor : Chen Hui -juanTutor : Li HuiAbstractHeat exchanger is one of the most important equipments which is used in the fields of chemical, oil, power, metallurgy, transportation, national defense industry. Its right setting and the improvements of performance play an important role in the rationality o technology, economy, energy utilization and saving, which has a very important impact on the national economy.The type of heat exchanger is various, the different use occasions and the purpose is are commonly used for the tube shell type structure, because of its simple structure, low cost and wide selection, easy to clean, strong adaptability, themost widely used in various industry departments.Fixed tube plate heat exchanger is a kind of typical structure of tube and shell heat exchanger, also is a kind of heat exchanger is applied more widely. This kind of heat exchanger has simple and compact structure, high reliability, the characteristics of wide adaptability, and the production of low cost, wide range of selection of materials, heat exchange surface cleaning more convenient. Fixed tube plate heat exchanger can operate under high pressure and temperature, therefore, the heat exchanger in high temperature and high pressure and large in its possession of absolute advantage. Fixed tube plate heat exchanger is mainly composed of shell, heat exchange tube bundle, tube plate, the front tube box (also known as the roof or head) and the back-end structure parts. Tube bundle is installed on both ends of casing, which is fixed on the tube plate. Tube box and the back-end respectively connected to theflange bolts at the ends of the shell structure, maintenance or cleaning for easy disassembly. The merits of the heat exchanger design ultimately depends on whether applicable, economic, safe, flexible and reliable running, convenient maintenance cleaning, etc. A high heat transfer efficiency, compact, low cost, safe and reliable production of heat exchanger, requires carefully considered in the design of all sorts of problems. The accurate thermal design and calculation, but also for intensity and conform to the requirement of process manufacturing level.Keywords: Heat exchanger,Fixed tube plate heat exchanger, Structure,Design目录1 绪论.......................................... 错误!未定义书签。
种新型高效换热器。
各种板片之间形成薄矩形通道,通过半片进行热量交换。
它与常规的管壳式换热器相比,在相同的流动阻力和泵功率消耗情况下,其传热系数要高出很多,在适用的范围内有取代管壳式换热器的趋势。
板式换热器是用薄金属板压制成具有一定波纹形状的换热板片,然后叠装,用夹板、螺栓紧固而成的一种换热器。
工作流体在两块板片间形成的窄小而曲折的通道中流过。
冷热流体依次通过流道,中间有一隔层板片将流体分开,并通过此板片进行换热。
板式换热器的结构及换热原理决定了其具有结构紧凑、占地面积小、传热效率高、操作灵活性大、应用范围广、热损失小、安装和清洗方便等特点。
两种介质的平均温差可以小至1℃,热回收效率可达99%以上。
在相同压力损失情况下,板式换热器的传热是列管式换热器的3~5倍,占地面积为其的1/3,金属耗量只有其的2/3。
因板式换热器是一种高效、节能、节约材料、节约投资的先进热交换设备。
板式换热器主要由框架和板片两大部分组成。
板片由各种材料的制成的薄板用各种不同形式的磨具压成形状各异的波纹,并在板片的四个角上开有角孔,用于介质的流道。
板片的周边及角孔处用橡胶垫片加以密封。
框架由固定压紧板、活动压紧板、上下导杆和夹紧螺栓等构成。
板式换热器是将板片以叠加的形式装在固定压紧板、活动压紧板中间,然后用夹紧螺栓夹紧而成。
各部件作用如下:一、传热板片传热板片是换热器主要起换热作用的元件,一般波纹做成人字形,按照流体介质的不同,传热板片的材质也不一样,大多采用不锈钢和钛材制作而成。
二、密封垫片板式换热器的密封垫片主要是在换热板片之间起密封作用。
材质有:丁腈橡胶,三元乙丙橡胶,氟橡胶等,根据不同介质采用不同橡胶。
三、两端压板两端压板主要是夹紧压住所有的传热板片,保证流体介质不泄漏。
四、夹紧螺栓夹紧螺栓主要是起紧固两端压板的作用。
夹紧螺栓一般是双头螺纹,预紧螺栓时,使固定板片的力矩均匀。
五、挂架主要是支承换热板片,使其拆卸、清洗、组装等方便。
第一章绪论1.1化工设备简介化工生产离不开化工设备,化工设备是化工生产必不可少的物质技术基础,是生产力的主要因素,是化工产品质量保证体系的重要组成部分[1]。
然而在化工设备中化工容器占据着举足轻重的地位,由于化工生产中,介质通常具有较高的压力,化工容器一般有筒体、封头、支座、法兰及各种容器开孔接管所组成,通常为压力容器,因为压力容器是化工设备的主体,对其化工生产过程极其重要,国家对其每一步都有具的标准对其进行规范,如:中国《压力容器安全技术监察规程》、GB150—1998《钢制压力容器》、GB151—1999《管壳式换热器》等。
在其中能根据不通的操作环境选出不同的材料,查出计其允许的工作压力,工作温度等[2]。
1.2换热器概述换热器简单说是具有不同温度的两种或两种以上流体之间传递热量的设备。
在工业生产过程中,进行着各种不同的热交换过程,其主要作用是使热量由温度较高的流体向温度较低的流体传递,使流体温度达到工艺的指标,以满足生产过程的需要。
此外,换热设备也是回收余热,废热,特别是低品位热能的有效装置[3]。
1.2.1管壳式换热器的分类根据管壳式换热器的结构特点,常将其分为固定管板式、浮头式、U型管式、填料函式、滑动管板式、双管式等[4]。
1)固定管板式换热器固定管板式换热器的典型结构如下图所示。
管束连接在管板上,管板与壳体焊接。
其优点是结构简单、紧凑、能承受较高的压力,造价低,管程清洗方便,管子损坏时易于堵塞或更换;缺点是当管束与壳体的壁温或材料的线胀系数相差较大时,壳体与管束将会产生较大的热应力。
这种换热器适用于壳测介质清洁且不易结垢、并能进行清洗、管程与壳程两侧温差不大或温差较大但壳测压力不高的场合[5]。
固定管板式换热器结构图2)浮头式换热器浮头式换热器的典型结构如下图所示。
两端管板中只有一端与壳体固定,另一端可相对壳体自由移动,称浮头。
浮头由浮头管板、钩圈和浮头端盖组成,是可拆连接,管束可从壳体内抽出。