硅谷广场施工组织设计
- 格式:doc
- 大小:4.37 MB
- 文档页数:190
一、工程概况1.工程概况本工程建筑总高度为192.4米,整体建筑共为地下3层,地上45层。
其中裙房6层,设计为大型商业,内含餐饮;7层以上塔楼部分分为办公和酒店式公寓两个部分。
总建筑面积135250平方米,其中办公面积28500平方米,酒店式公寓面积35318平方米,高级会所面积6159平方米,其余均为地下车库商场及机房面积。
工程名称:建设单位:设计单位:监理单位:建筑工料测量师:施工总承包(土建):机电主分包:2.承包范围除业主指定分包外的全部机电安装工程。
安装部分的指定分包为:配电间电气设备工程、室外景观照明工程、室外给排水工程、弱电工程、消防工程、电梯安装工程及其它。
3.工程主要目标3.1工期目标本工程实际开工日期为2007年5月30日,计划竣工日期为2009年7月7日。
其中裙房商业区开业:2008年8月。
3.2质量目标安装工程的施工质量按照国家或现行行业的质量评定标准进行质量评定。
安装工程质量目标:确保本工程质量等级优良,配合总承包达到国家“鲁班奖”的评审要求和获得省级优质结构工程。
3.3安全施工目标死亡事故为零;重伤事故为零;一般轻伤事故低于1‰;管线、设备事故为零;火灾事故为零。
4.工程特点4.1本工程总建筑面积约135250m2,从2007年5月机电安装开始进场至2009年7月竣工全部投入商业运营阶段,其中裙房商业区部分要在2008年8月提前开业运行。
4.2本工程设计新颖,技术先进,结构合理,系统复杂。
由于设计单位是按系统进行设计的,各系统设计自成一体,不出综合平面图,将有我司承担施工图深化设计工作。
从而解决在施工中可能会发生的一系列问题。
4.3本工程机电系统复杂、先进,业主对工程中采用的新技术、新工艺非常重视。
4.4本工程地处无锡市崇安区繁华商业区,东临中山路,南临喜来登大酒店,西侧为住宅区,面对胜利门广场,北侧的解放路主干道交通流量相当大。
因此对施工现场的文明形象施工要求相当高,是体现建筑企业文明化施工的重要窗口,因此对施工单位提出了极高的要求。
XXXXXXXX健身广场改扩建工程施工组织设计XXXXX年XXXX月XXXXX日目录第一章工程概况1.1工程概况第二章施工组织机构2.1施工组织机构的建立2.2施工组织机构框图2.3管理职责2.4施工组织机构的启动与高效2.5保证施工组织机构高效运作的措施第三章施工方案与技术措施第四章质量管理体系与措施4.1工程管理质量目标4.2工程质量管理措施4.3施工质量管理体系4.4施工阶段性的质量保证措施4.5各施工环节的质量控制措施4.6工程创优体系和保证措施4.7质量违约责任承诺第五章安全管理体系与措施5.1施工现场安全措施5.2安全管理体系(图附后)5.3文明施工措施第六章环境保护管理体系与措施6.1环境保护措施6.2水土保护措施6.3社会治安综合治理措施第七章工程进度计划与措施7.1编制依据及原则7.2施工进度总控制计划7.3工期保证措施7.4工期违约责任承诺第八章资源配备计划8.1劳动力配备计划8.2材料供应计划8.3机械设备安排计划第九章施工场地布置9.1施工便道9.2生活、办公用房等临设的布置9.3供水、供电方案9.4现场排水9.5料场、仓库搅拌机布置9.6设备机械布置第十章冬雨季施工措施10.1雨季施工措施第十一章降低成本和节约措施11.1工程造价管理措施11.2成本控制的主要原则11.3成本控制的主要实施步骤11.4五大费用(成本费用)的控制措施和方法附表一:拟投入本标段的主要施工设备表附表二:拟配备本标段的试验和检测仪器设备表附表三:劳动力计划表附表四:计划开、竣工日期和施工进度网络图附表五:施工总平面图附表六:临时用地表第一章工程概况1.1工程概况1.1.1工程项目名称、位置、质量、工期工程名称:XXXXXXXXXXXX健身广场改扩建工程招标人:XXXXX住房和城乡规划建设局建设地点:XXXXXXXXXXX工程包括:新建避险健身广场占地面积6062.8㎡(其中:文化广场1474.41㎡;活动广场2286.94 ㎡;绿化、雕塑及其它占地面积2301.45㎡)。
目录第一章工程概况 (4)第二章工程目标 (4)第三章编制依据 (5)第四章前期准备 (6)第1节一、技术准备 (6)第2节二、物资准备 (6)第3节三、劳动组织准备 (6)第4节四、施工现场准备 (7)第5节五、机械、材料进场计划 (7)第五章施工平面布置 (11)第1节一、布置原则 (11)第2节二、布置依据 (11)第3节三、现场供水 (11)第4节四、现场排水 (12)第5节五、卫生设施 (12)第6节六、搭建临时施工用房 (13)第7节七、施工总平面管理 (13)第8节八.施工现场总平面布置图 (14)第六章主要施工规程和方法 (14)第1节一.整体测量放样 (14)第2节二.土方施工方案 (15)第3节三.碎大理石园路、水池、园林建筑小品施工方案 (17)第4节四.广场花岗岩地面铺装 (18)第5节五.给排水、喷灌及灯光照明工程 (19)第6节六.假山 (22)第七章绿化工程施工方案 (24)第1节一、概述 (24)第2节二、绿化工程施工程序 (24)1第3节三、施工方法 (24)第八章大树移植 (28)第1节一、施工前准备 (28)第2节二、树木的起掘 (28)第3节三、根部土球包扎 (28)第4节四、大树的吊运 (29)第5节五、大树的定植 (29)第6节六、大树的养护管理 (30)第7节七、对于绿化"一次成景"的措施 (30)第九章绿化养护 (30)第十章工程质量保证措施 (38)第十一章施工组织部署 (44)第十二章安全生产、文明施工、减少扰民、降低环境污染和噪音的保证措施 (48)第1节第一节安全保证措施 (48)第2节第二节文明施工措施 (51)第3节第三节保证减少扰民降低污染和周围环境的措施 (52)第4节第四节环保保证措施 (53)第十三章新工艺、新技术、新方法的应用及降低造价的措施 (54)第1节一、新工艺、新技术、新方法的应用 (54)第2节二、降低工程成本的具体措施 (55)第十四章施工进度控制措施 (57)第1节一、从机械配备和人员落实上保证 (57)第2节二、从材料供应上保证 (57)第3节三、从施工计划编排上保证 (58)第4节四、从安全生产上保证 (58)第5节五、从后勤生活上保证 (58)第6节六、积极开展技术攻关 (58)第7节七、从管理措施上保证 (59)第8节八、从政治思想上保证 (59)2第9节九、从施工部署上保证 (59)3工程概况一、工程概况1、工程名称:2、建设地点:3、建设单位:4、设计单位:5、质量要求:符合国家验收规范的合格标准6、要求工期:90日历天7、工程范围:广场硬化、绿化工程、园林、安装(喷灌、电气)部分排水、绿化工程工程目标一、工期目标:90 日历天二、质量目标:合格;三、安全目标:严格执行安全生产各项规章制度,杜绝一切安全事故,确保安全生产,争创安全标化工地;四、文明生产和环境保护目标:遵守国家和地方有关文明生产,环境保护的规定要求,争创文明标化工地。
河南国安建设集团有限公司目 录第一章 编制说明及编制依据.........................................................1 第二章 工程概况........................................................................3 第三章 项目部组成、主要技术人员、劳动力配置及保障措施...............8 第四章 施工组织设计总体策划及部署.............................................19 第五章 安全文明施工保障措施......................................................29 第六章 工程施工进度计划安排及保证措施.......................................53 第七章 施工质量管理体系及保障措施.............................................57 第八章 成本控制........................................................................75 第九章 分部分项工程施工技术方案................................................78 第十章 文明施工及环境保护管理体系与技术措施..............................171 第十一章 季节性施工措施及应急预案................................................178 第十二章 施工现场平面布置............................................................202 第十三章 施工现场临时用电、用水...................................................205 第十四章 材料供应、来源、投入计划及保证措施..............................213 第十五章 质量通病防治施工组织措施、技术方案...........................215 第十六章 附 表 (219)河南国安建设集团有限公司第一章编制说明及编制依据一、编制说明在对硅谷广场项目商业工程图纸、合同文件及现场环境条件进行深入研究的基础上,结合本工程施工特点和施工的实际需要,借鉴以往同类工程的施工经验,以站在总承包管理的立场上,对本工程的施工方法、项目组织机构、施工管理工作、质量保证措施、施工进度计划、工期保证措施、安全文明施工保证措施、环境保护方案及新技术、新工艺、新材料的应用、各项承诺等方面进行周密的部署,组织了一批经验丰富、业务素质高、认真负责的工程技术人员、施工管理人员,编制出这份施工组织设计。
山西运城凤凰欢乐谷广场灯光秀项目施工组织设计方案东莞市环宇文化工程有限公司2013年月日目录第一章编制说明、工程概述………………………………………………………………第二章施工部署……………………………………………………………………………第一节施工预备……………………………………………………………………第二节施工管理组织机构…………………………………………………………第三章施工方案及施工方式………………………………………………………………第一节电气工程…………………………………………………………………第二节灯光工程…………………………………………………………………第三节激光工程…………………………………………………………………第四节总控工程…………………………………………………………………第四章施工总平面图布置…………………………………………………………………第五章施工进度计划………………………………………………………………………第一节施工进度计划目标………………………………………………………第二节保证工期的办法…………………………………………………………第六章资源、劳动力及机械投入利用计划………………………………………………第一节资金、劳动力投入利用计划……………………………………………第二节机械投入利用计划………………………………………………………第七章施工质量保证措施…………………………………………………………………一、工程质量目标……………………………………………………二、施工质量保证体系及质量职位责任制…………………………三、施工质量技术保证办法…………………………………………四、材料和设备质量保证办法………………………………………五、成品保护办法……………………………………………………第八章安全文明施工保证办法……………………………………………………………第一节安全保证办法……………………………………………………………第二节文明施工保证办法………………………………………………………第三节环境保护办法……………………………………………………………第四节雨季施工办法……………………………………………………………第九章工程验收……………………………………………………………………………第十章工程回访及保修…………………………………………………………………第一章编制依据、工程概述一、编制依据本施工组织设计方案依照编制原则,及施工质量验收规范,参照以下文件为编制依据:一、施工合同文件、方案设计施工图、公司质量体系程序文件;二、主要规程规范:(1)《低压配电设计规范》 (GB50054-95);(2)《电气装置安装工程电气照明施工及验收规范》 (GB50259-96);(3)《建设工程施工现场供电用电安全规范》 GB50194-93;(4)《利用建筑物金属体做防雷及接地体装置安装》 86SD566;(5)《电气装置安装工程电缆线路施工及验收规范》GB50168-2006;(6)《电气装置安装工程接地施工及验收规范》GB50169-92;(7)《电气装置安装工程电气设备交接实验标准》GBJ50150-2006;(8)《施工现场临时用电安全技术规范》JGJ46-88;(9)《建筑物防雷设计规范》GB-94(2000年版);(10)《激光安全标志》GB18217-2000(11)《激光产品的安全》二、工程概况:一、工程名称:山西运城凤凰欢乐谷广场灯光秀项目二、建设地址:山西省运城市凤凰欢乐谷内广场3、建设单位:运城市南风建筑工程有限公司4、承包范围:工程项目的采购、安装总包五、设计单位:东莞市环宇文化工程有限公司六、施工单位:东莞市环宇文化工程有限公司7、工程内容主要包括:电气工程、灯光工程、激光工程、总控工程。
青岛蓝色硅谷城际轨道交通工程06标实施性施工组织设计中铁二十二局集团有限公司蓝色硅谷项目部二○一二年十二月二十八日目录第一章编制依据及范围 (4)一、编制范围 (4)二、编制依据 (4)第二章工程概况及主要工程数量 (4)一、工程概况 (4)二、水文地质 (4)三、主要工程数量 (5)第三章施工准备 (5)一、前期准备 (5)二、技术准备 (6)三、施工准备 (6)四、施工现场准备 (7)五、交通调流及便道 (7)第四章施工总体布署 (8)一、施工组织机构及施工队伍 (8)二、大临工程分布及总体设计 (10)三、施工供电 (11)四、施工供水 (12)第五章施工方法及工艺 (12)一、桩基础施工 (12)二、承台施工 (19)三、桥梁墩柱施工工艺 (26)四、盖梁施工 (33)第六章工期进度计划............................................................................................................. 错误!未定义书签。
第七章主要设备、材料使用计划. (38)一、主要施工机械计划 ........................................................................................................ 错误!未定义书签。
二、甲控物资供应计划表 .................................................................................................... 错误!未定义书签。
第八章创优规划及质量保证措施 (39)一、创优规划 (39)二、质量保证措施 (39)第九章、施工安全目标及保证措施 (43)一、安全保证体系及说明 (43)二、对营业线光(电)缆的安全保护措施 (47)第十章文明施工措施 (48)第十一章环保措施、水保措施 (50)一、环保措施 (50)二、水土保持措施 (53)第十二章季节性施工方案 (54)一、冬季施工的技术要点 (54)二、冬季施工质量保障措施 (55)三、冬期施工温度监控 (56)四、冬期施工的安全保证措施 (56)五、雨季施工措施 (59)六、雨季施工方案 (59)七、抗汛抢险措施 (60)第十三章、突发事件应急预案和保证措施 (61)一、编制目的及适用范围 (61)二、高处坠落事故应急准备和响应预案 (63)三、物体打击应急和响应预案 (64)四、触电事故应急准备与响应预案 (65)五、施工中挖断水、电、通信光缆事故应急预案 (67)六、机械故障应急预案 (68)第一章编制依据及范围一、编制范围本实施性施工组织设计适用于青岛地铁蓝色硅谷城际轨道交通工程06标段,K37+475~K46+230范围内高架区间桩基、承台、墩柱及盖梁,以及土寨河车站和蓝色硅谷站。
第一章编制说明及工程概况欧阳歌谷(2021.02.01)一、编制说明与编制依据(一)编制说明1、本施工组织设计严格按照工程合同文件对施工组织设计的要求进行编制。
在人员、机械、材料调配、质量要求、进度安排等方面统一部署的原则下,由土建、园林绿化、安装专业组成。
2、根据本工程设计特点、1A`功能要求,本着对业主资金合理利用,对工程质量终身负责的精神,以“科学、经济、优质、高效”为编制原则。
(二)编制依据本施工方案依据以下资料编制:1、合同文件2、工程招投标文件及施工图(全套)3、四川省2004《四川省建设工程工程量清单计价定额》及配套文件,中华人民共和国国家标准(GB50500-2003)<<建设工程工程量清单计价规范>>4、地方及企业现行的施工工艺、工法与操作规程5、国家现行的施工及验收规范(见表1.1)使用标准规范一览表表1.1二、工程概况本工程为青义镇健身广场建设工程,主要项目包括挖沟槽土方、回填、砖砌体、抹灰等。
现场施工场地开阔,车辆进出场较方便,具备施工条件。
第二章施工管理机构一、施工组织机构的建立由公司优秀的项目经理组建的项目经理部来负责此工程的具体施工管理。
同时向业主承诺:针对此工程项目,我公司推选的项目班子一律持证上岗、押证施工,并且该项目经理部仅负责此工程。
实行项目经理责任制,项目经理将对质量、工程、安全、成本及文明施工全面负责。
各施工管理职能部门在项目经理部的直接指导下做到有计划的组织施工,确保工程质量、工期、安全等方面达到目标要求。
二、施工组织机构体系及框图(一)管理体系:本工程采用项目法施工,选择有多年市政工程施工经验并具有较强管理能力的优秀项目经理担任项目经理,在其原项目班子的基础上,在公司范围内抽调各类精干人员充实到项目中,组成强有力的项目经理部,发挥公司善于组团的优良传统,确保质量与工期,打个漂亮仗。
项目部管理体系框图及职责框图详下图。
项目部施工组织机构管理框图项目经理二、项目经理部机构成员职责(见表2)项目经理部机构成员职责表2(三)施工组织机构的启动与高效1、根据本工程各方面情况及特点,有针对性的组建项目班子,并且人选一旦经过甲、乙双方确认,全班人选将处于启动状态,未进场之前可根据设计要求积极为本工程做好开工前的准备工作(材料、机具技术等准备工作与策划工作),并且以无条件满足本工程需要为前提,未经业主同意中途变换人选,我们愿意接受建设单位的处罚。
综合保税区工程施工组织设计江西慧谷金融电商产业园(一期)工程项目施工组织设计目录第一章编制说明及编制依据第二章工程概况及施工特点第三章施工部署第四章施工准备第五章主要施工方法及技术措施第六章确保工程质量的技术组织措施第七章质量通病防治措施第八章确保工期的技术组织措施第九章确保安全生产施工的技术组织措施第十章确保文明施工及环保的技术组织措施第十一章工程项目的其他管理第十二章工程项目的保修服务第十三章施工现场平面布�Z图第十四章施工进度计划第十五章劳动力安排计划第十六章主要施工机械设备情况及主要施工机械进场计划第十七章主要物资计划第十八章附图、附表施工组织设计江西慧谷金融电商产业园(一期)工程项目第一章编制说明及编制依据本投标单位召集管理、技术人员认真研究招标文件及施工图后,编写了本施工组织设计,本施工组织设计属于标前设计,是中标后指导本工程施工全过程各项活动的一个组织、技术、安全等各方面的规划性文件,对质量、进度、安全、文明施工、环保、季节性施工、主要技术方案、项目管理机构设�Z与劳动力组织、机械设备及周转材料配备等诸多因素做了充分考虑,突出其科学性、适用性及针对性,供招标单位及有关评委审阅;若本投标单位中标,由项目部的技术负责人主持编制详细的标后施工组织设计或施工方案及作业指导书,用来指导施工准备至验收各分部分项施工过程的作业性文件,标后作业性文件是标前规划性文件的延伸和细化,针对工程技术特点,采用新工艺、新技术及新材料进一步重点阐述。
一、本施工组织设计将对如下问题提出解决方案1、提出人员、机械及材料准备的措施,从施工准备到竣工验收交钥匙全过程的各分部分项的施工方案。
2、对协调施工过程中各工种交叉作业之间,各种资源供应之间的合理方案,保证施工进度计划及技术措施的实现。
3、对施工活动全过程实行科学规范管理,建立行之有效的质量保证体系和安全文明施工的保证体系。
4、实现安全文明施工,设计施工现场布�Z的最佳方案。
河南国安建设集团有限公司目 录第一章 编制说明及编制依据.........................................................1 第二章 工程概况........................................................................3 第三章 项目部组成、主要技术人员、劳动力配置及保障措施...............8 第四章 施工组织设计总体策划及部署.............................................19 第五章 安全文明施工保障措施......................................................29 第六章 工程施工进度计划安排及保证措施.......................................53 第七章 施工质量管理体系及保障措施.............................................57 第八章 成本控制........................................................................75 第九章 分部分项工程施工技术方案................................................78 第十章 文明施工及环境保护管理体系与技术措施..............................171 第十一章 季节性施工措施及应急预案................................................178 第十二章 施工现场平面布置............................................................202 第十三章 施工现场临时用电、用水...................................................205 第十四章 材料供应、来源、投入计划及保证措施..............................213 第十五章 质量通病防治施工组织措施、技术方案...........................215 第十六章 附 表 (219)河南国安建设集团有限公司第一章编制说明及编制依据一、编制说明在对硅谷广场项目商业工程图纸、合同文件及现场环境条件进行深入研究的基础上,结合本工程施工特点和施工的实际需要,借鉴以往同类工程的施工经验,以站在总承包管理的立场上,对本工程的施工方法、项目组织机构、施工管理工作、质量保证措施、施工进度计划、工期保证措施、安全文明施工保证措施、环境保护方案及新技术、新工艺、新材料的应用、各项承诺等方面进行周密的部署,组织了一批经验丰富、业务素质高、认真负责的工程技术人员、施工管理人员,编制出这份施工组织设计。
二、编制依据1、硅谷广场项目工程图纸。
2、硅谷广场项目工程招标文件。
3、国家及河南省、郑州市有关安全生产、文明施工标准化管理的有关规定。
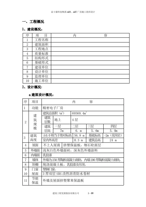
4、设计采用的各种图集5、国家及地方颁布的法律、法规6、工程建设标准河南国安建设集团有限公司河南国安建设集团有限公司第二章 工程概况一、工程建设概况河南国安建设集团有限公司二、工程建筑设计概况河南国安建设集团有限公司河南国安建设集团有限公司五、工程难点1、由于该工程基坑周边没有工作面,材料堆放困难。
2、文化路来往车辆多,进料困难。
3、地处居民集居区晚上施工难度大,①—⑧轴线加内支撑部,局部逆做法。
河南国安建设集团有限公司4、工程质量标准高本工程质量管理是本工程的一个控制重点。
5、安全文明标准高本工程安全文明施工目标为“省级安全文明工地”,安全文明施工要求高。
安全文明施工将成为本工程又一个控制重点。
6、工期紧迫本工程工期为800天,工期比较紧张。
由于需要经历冬、雨季,农忙和春节放假,势必会对工期产生一定影响。
工程单层面积较大,因此将主体结构施工工期作为重点控制。
同时在施工中作好设备安装与装修工程的交叉施工,通过合理有效的组织人、财、物的投入,精细科学地对工程施工进行部署、组织、协调,以确保工期提前完成。
7、冬季及高温天气的影响施工总工期内有夏季、冬季,要求合理安排施工,将季节的影响减少到最小。
河南国安建设集团有限公司第三章项目部组成、主要技术人员、劳动力配置及保障措施一、项目组成组建项目经理部,建立工程项目的管理体系,选派具有丰富经验的施工管理人员和工程技术骨干,在施工现场建立项目经理部,全权负责工程的施工组织和指挥,项目经理部严格按项目法实行施工管理。
按业主的部署,在监理公司的管理及质检部门的监督下,充分发挥施工总承包职能,协调、管理好施工现场各分包单位,全面认真地履行施工合同,优质、高速、低耗地把该工程建设成一流水平的建筑精品。
在本工程中设项目经理一人、项目执行经理一人、生产经理一人、项目技术负责人一人、安全负责人一人。
二、主要管理人员表硅谷广场项目施工组织设计河南国安建设集团有限公司项目组织机构河南国安建设集团有限公司四、项目经理部主要人员职责 1、项目经理岗位职责1.1贯彻执行国家和工程所在地政府的有关法律、法规和政策,执行企业的各项管理制度;1.2按照企业法人代表与业主签定的工程承包合同,严格履行合同条款。
项目经理要向项目人员解释和说明项目合同、项目设计、项目进度计划及配套计划、协调程序等文件;制定项目组织目标。
1.3作为公司在项目的执行代表,对工程进度、质量、安全、文明施工向业主全面负责;代表公司履行对业主的合约,并代表业主行使对项目所有分包商的管理权。
1.4做好施工准备,落实具体计划形成切实可行的实施计划系统。
1.5协调好各方面的关系,预见问题,处理矛盾;注意在工作中开发人才、培养下属管理人员的工作能力;1.6对外包工程的进度、质量、安全、成本和场容等负责,并组织相关人员对其进行监督管理、考核验收;1.7制定项目组织机构形式,组织制定项目经理部各类管理人员的职责权限和各项规章制度,搞好与单位各职能部门的业务联系和经济往来;1.8严格财经制度,加强财务、预算管理,推行项目内部目标责任制; 2、执行经理岗位职责2.1全面协调项目各专业、各区域的施工,确保本工程达到总进度目标要求; 2.2对现场材料使用、调配,设备进出场、使用、保管、维修等管理; 2.3负责本工程所有参施单位的综合协调管理工作,确保各专业分包在总包的统筹协调下有序的开展工作。
3、技术负责人岗位职责3.1对工程质量负有第一技术责任;3.2领导与组织质量计划、质量阶段预控计划、质量管理文件编制; 3.3参加工程基础主体结构验收及竣工验收;参加工程质量事故调查处理; 3.4领导与组织质量体系的运行,通过加强全过程的质量管理,确保项目质量目河南国安建设集团有限公司标的实现;3.5科技发展规划的引进及推广应用工作;3.6具体负责组织相关人员编制施工组织设计,组织编制并审核专项施工方案、技术措施;3.7贯彻执行技术法规、规程、规范和涉及工程质量方面的有关规定; 3.8负责组织图纸会审及各专业问题技术处理,审定设计洽商和变更工作; 3.9领导作好各项施工技术总结工作;参与项目制造成本实施计划的编制与分析工作;3.10领导做好施工技术资料的管理工作; 3.11领导项目计量设备管理工作。
4、施工员岗位职责4.1各专业工长直接负责各专业工程的机具、场容、劳动力的组织、协调工作; 4.2负责施工进度计划的有效实施及管理工作;深入施工现场检查、落实进度完成情况,材料节约情况,材料使用情况,文明施工情况,发现问题及时解决;加强本专业材料的平面布置和合理码放。
防止因堆放不合理造成的损坏和浪费及影响场容场貌;4.3负责编制工程所需材料的申请计划,材料申请数量不得粗估冒算,力求准确,减少对项目不必要的开支和损失;负责制定、限额领料措施,材料合理使用措施,材料节约措施;4.4对班组进行全面的工作进度计划、质量、文明施工管理、安全生产管理交底,进行施工操作、技术、质量交底,并追踪检查落实情况;4.5负责现场成品质量保护工作的实施、落实和执行;4.6协助预算员做好本专业施工预(结)算书的编制工作;负责对工程队所完成工程量的复核签认工作;4.7加强安全管理,有权制止违章作业和拒受违章作业的命令。
加强场容管理,督促班组工完场清,不得浪费材料,对施工操作人员使用的操作平台及操作架,工具要经常检查其安全和隐患;河南国安建设集团有限公司4.8协助做好生产负责人的工作;完成项目经理交给的其他任务 4.9必须凭有效的施工图纸及设计变更工作内容、布置生产任务; 5、安全员岗位职责5.1认真执行国家和地方政府的有关安全生产方针、政策、法规和企业各项规章制度;5.2对各施工作业点进行安全检查,掌握安全生产情况。
检查出的安全隐患及时提出整改意见和措施。
制止违章作业和指挥,遇到严重险情,有权暂停生产,并报告主管领导;5.3参加项目定期安全检查,做好检查记录,及时填写隐患整改通知书,督促认真整改;5.4配合各工长开展好安全教育活动,坚持每周一次的安全活动制度。
组织班组学习安全技术操作规程;5.5对劳保用品的使用、发放进行监督;5.6发生工伤及未遂事故做好现场保护、抢救工作。
立即上报,如实反映事故情况。
6、质量检查员岗位职责6.1熟悉和掌握标准,做好项目工程质量的检查和监督,对漏检和错检负责; 6.2指导物资部、试验员按照施工技术标准进行试验,督促材料人员和试验员按时取样送检。
6.3熟悉施工图、施工规范和质量检验评定标准,实施分项、分部工程质量检查验收,监督不合格工程纠正措施的落实,发现质量隐患有权停工整顿,并向总工报告;6.4把好工序质量关,执行“三检制”,上道工序不合格,下道工序不许施工,用工序质量来保证分项工程质量;自检合格后,进行报验。
6.5实施工程质量预控,对工程可能出现的质量通病,及时向工长或项目经理汇报,以便采取纠正的预防措施;6.6出现事故或不合格情况时,要检查原因,掌握第一手资料,并及时通报工长,向项目经理和单位质量部门汇报,督促有关部门和人员及时提出纠正措施和预防措河南国安建设集团有限公司施;6.7经常深入项目、班组,指导检查有关人员的工艺执行情况、原始记录及检验凭证的填写情况,并及时处理检验工作中的技术问题,参加质量分析会及不合格质量问题的处理工作;6.8做好资料的汇集、整理和上报工作,参加工程竣工、交工验收工作,并做好质量信息的反馈工作。
7、资料员岗位职责7.1负责项目资料的收集、整理、归档及上报工作。