防雷接地检查记录表 (2)
- 格式:docx
- 大小:10.40 KB
- 文档页数:2
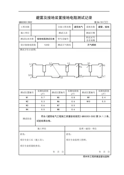
防雷装置检测记录表委托单位被检单位场所名称被检单位地址检验类别□委托检验□仲裁检验□监督检验联系人所在部门移动电话固定电话其它联系方式邮政编码环境状况温度:℃;相对湿度: RH% 天气状况:□晴□多云□阴土壤状况:□干燥□湿润□冻结检测项目□ 接闪器(接闪杆)□ 接闪器(接闪带、网)□ 接闪器(其它)□ 引下线□接地装置□ 等电位连接□ 电涌保护器(电源)□ 电涌保护器(信号)检测依据□《建筑物防雷装置检测技术规范》GB/T 21431-2015 □《建筑物防雷设计规范》GB 50057-2010□《建筑物电子信息系统防雷设计规范》G B50343-2012 □检测仪器型号及编号□接地电阻仪 K-1026B ( )□电涌保护器运行安全巡检仪 K-2766 ( ) □等电位测试仪 K-3690B ( )□游标卡尺(0~150)mm ( )□钢卷尺 5m ( )□钢卷尺 30m ( )□温湿度表 WHM5 ( )□拉力计 NK-500 ( )备注防雷装置检测记录表(1)场所名称防雷装置状况检查周围环境□孤立□空旷□无过高建筑物□有过高建筑物□有建筑群□受其他建(构)物保护□有构筑群防雷类别□第一类□第二类□第三类是否含爆炸或火灾危险场所□是□否场所分区:接闪器□接闪杆□接闪带□接闪网□本体□彩钢□材料焊接质量□优良□合格□不合格□锈蚀状况□无□轻微□严重□附着其他线路□有□无引下线□圆钢□扁钢□圆铜□本体□焊接质量□优良□合格□不合格□敷设方式□眀设□暗敷□锈蚀状况□无□轻微□严重□接地装置□独立接地□联合接地□防跨步电压措施□建筑物相连接的钢筋柱共()根□敷设5cm厚沥青或15cm厚砾石层□用护栏、警示牌使可能性降到最低□其他防接触电压措施防侧击雷装置□安装□应安装未安装□此项目不涉及电源线路□变压器设置于室内□变压器设置于室外□□架空引入□埋地引入□半架空半埋入□□TN—S系统□TN—C—S系统□TN—C系统□TT系统□IT系统□□安装SPD □未安装SPD □不涉及安装SPD □信号线路□架空引入□埋地引入□半架空半埋入□□光纤线路□金属导线□无线□□安装SPD □未安装SPD □不涉及安装SPD □备注防雷装置检测记录表(2)检测点检测项目检测参数检测结果检测人:复核人:防雷装置检测记录表(3)等电位连接/过渡电阻检测点检测结果(Ω)检测点检测结果(Ω)备注:检测人:复核人:防雷装置检测记录表(4)接地装置/接地电阻检测点检测结果(Ω)检测点检测结果(Ω)备注:检测人:复核人:防雷装置检测记录表(5)安装位置及防护级别产品型号U标称值/VC检查电流I imp或I nU检查值/kVp脱离器检查SPD模块L L L N L L L N L L L NU测试值1mAU标准值±10%NI测试值ieI≤μA 20 20 20 20 20 20 20 20 20 20 20 20 ie合格判定状态指示器引线长度/m连线色标连线截面/mm2地线截面/mm2过电流保护/A合格判定备注符合标准:“√”;不符合标准:“×”检测综评:内部防雷装置SPD各项数值符合规范要求。
防雷击安全检查表1. 检查防雷设备- [ ] 确认建筑物内外的避雷针是否完好无损,是否有锈蚀或损坏情况- [ ] 检查避雷针的接地是否良好,没有脱落或断裂- [ ] 检查防雷设备的接地系统是否正常,是否有接地电阻过大的情况2. 检查室内设备- [ ] 检查室内电器设备是否安装了过电压保护器- [ ] 检查电器设备的接地是否良好,没有脱落或断裂- [ ] 检查电源线是否完好无损,没有破损或暴露内线情况3. 检查室外设备和线路- [ ] 检查室外设备和线路是否有漏电、破损或腐蚀情况- [ ] 检查室外线路的绝缘是否正常,没有损坏或老化- [ ] 检查室外设备和线路的接地是否良好,没有脱落或断裂4. 检查建筑周围环境- [ ] 检查建筑周围是否有高大建筑物、树木或金属结构等可能吸引闪电的物体- [ ] 检查建筑周围是否存在积水或潮湿的区域,可能增加雷击风险- [ ] 检查建筑周围是否有合适的避雷设施或避雷保护措施5. 检查防雷标识和警示设施- [ ] 检查建筑内外的防雷标识是否清晰可见,有无损坏或模糊情况- [ ] 检查防雷警示灯和警报装置是否正常工作,没有故障或损坏- [ ] 检查防雷相关应急设备和救火器具是否齐全、有效6. 检查防雷安全措施的文件和记录- [ ] 检查防雷设备的维护记录是否完整、准确- [ ] 检查防雷安全措施的制度文件是否齐全、更新- [ ] 检查防雷安全演练和培训的记录是否完整、有效7. 其他安全问题- [ ] 检查建筑物是否存在其他影响安全的问题,例如漏电、火灾风险等以上为防雷击安全检查表,请根据实际情况进行检查,并记录检查结果。
如有任何问题或异常情况,请立即采取相应的纠正措施,并报告相关部门或负责人。
注意:本检查表仅提供参考,具体的防雷安全措施应根据具体情况和相关法律法规进行制定和实施。
加油站安全评价检查表之防雷和防静电模版防雷和防静电是加油站安全管理中非常重要的环节之一。
为了确保加油站的安全运行,需要进行定期的防雷和防静电检查和评价。
下面是一个防雷和防静电检查表的模板,希望对您有所帮助。
防雷和防静电检查表一、加油站基本信息1. 加油站名称:2. 建设单位:3. 运营单位:4. 检查日期:5. 检查人员:6. 天气情况:二、防雷设备检查1. 避雷针检查:(√)避雷针是否完好无损?(√)避雷针是否接地可靠?2. 避雷线路检查:(√)避雷线路是否完好无损?(√)避雷线路接地是否可靠?3. 避雷器检查:(√)避雷器是否完好无损?(√)避雷器接地是否可靠?4. 其他防雷设备检查:(√)其他防雷设备是否完好无损?(√)其他防雷设备接地是否可靠?三、防静电设施检查1. 地面导电性检查:(√)地面导电性是否符合要求?(√)地面导电性是否均匀?2. 静电接地检查:(√)静电接地是否可靠?(√)静电接地是否符合要求?3. 静电消除装置检查:(√)静电消除装置是否完好无损?(√)静电消除装置是否工作正常?4. 静电监测装置检查:(√)静电监测装置是否完好无损?(√)静电监测装置是否工作正常?四、防雷和防静电措施1. 是否制定了防雷和防静电的技术规范和操作规程?(√)是(√)否2. 是否开展了防雷和防静电的培训和教育工作?(√)是(√)否(√)培训和教育的内容:(√)培训和教育的人员:3. 是否建立了防雷和防静电的管理制度?(√)是(√)否(√)管理制度的内容:4. 是否进行了定期的防雷和防静电检查和维护?(√)是(√)否(√)检查和维护的频率:(√)检查和维护的具体内容:五、存在的问题和整改措施1. 存在的问题:(√)防雷设备存在损坏或接地不可靠的情况。
(√)防静电设施导电性不符合要求。
2. 整改措施:(√)修复或更换损坏的防雷设备。
(√)改善地面导电性,确保地面导电性符合要求。
六、备注在备注栏中可以记录一些其他需要说明的情况,例如特殊天气条件下的防雷和防静电措施等。
地面防雷装置巡查记录表
说明:1.建筑物使用性质:填写住宅或非住宅。
2.检查内容中带“△”为重点检查项目,不带“△”为一般检查项目。
3.总评等级:填写完好、一般或较差即可。
避雷针设备检查共4项。
4项全部为完好的,总评等级为完好;4项中无较差项,切定为一般的等于或超过2项,总评等级为一般;4
项中定为较差的等于或超过2项(较差项中只要有1项需要通过改造或更新解决的),总评等级为较差。
4.分项等级:在相应的分项等级栏内划“√”即可。
每个分项的重点检查项目及一般检查项目全部合格,分项等级为完好;每个分项的重点检查项目全部合格,一般检查项目有
2条以下不合格(不合格项通过维修即能解决),分项等级为一般;入不合格项只能通过中修或大修解决的,分项等级为较差。
检查人: 记录人: 填报日期:
填报日期: 年 月 日。