数控车床仿真软件实习教程
- 格式:doc
- 大小:4.00 MB
- 文档页数:25
一、数控加工仿真系统的运行单击【开始】按钮,在【程序】中选择【数控加工仿真系统】,在弹出的子菜单中单击【加密锁管理程序】,如图1所示。
图1单击【加密锁管理程序】,WINDOWS XP右下角任务栏会出现如图2所示的电话形状图标.图2再次进入【程序】菜单中的【数控加工仿真系统】,在弹出的子菜单中单击【数控加工仿真系统】,如图3所示。
图3单击【数控加工仿真系统】弹出系统登陆界面,如图4所示。
直接单击【快速登陆】按钮进入系统。
图4二、数控加工仿真系统的基本用户界面1。
选择机床在主界面下,单击下拉菜单中的【机床】,在弹出的下拉子菜单中单击【选择机床】;或者单击图标菜单中的图标,如图5所示,系统将会弹出选择机床子界面,将【控制系统】选为【FANUC】,然后在选择【FANUC OI Mate】【机床类型】【选车床】然后在选择机床的生产厂家【南京第二机床厂】选项,然后单击确定,如图6。
图5图6图7图5所示为数控加工仿真系统的主界面,用户可以通过操作鼠标或键盘来完成数控机床的仿真操作。
它包括下拉菜单;图标菜单;机械操作面板;机床操作面板和数控机床动画仿真五部分组成。
2.图标菜单图83.机械操作面板数控仿真加工系统的机械操作面板即为真实机床操作面板上的操作区,其各键名称功能见图7。
下拉菜单 图标菜单机械操作面板机床动画仿真 机床操作面板视图复位局部放大 动态放缩动态平移动态旋转左、右、俯、前视图机床选项控制面板切换图9模式旋钮上的功能:为编辑模式,在此模式下才可以进行程序的输入和修改.为手动模式 在此模式下可以进行手动操作。
为微米模式,指针对准1则为1微米模式,对准10为10微米模式,以此类推,同时在微米模式下激活手轮旋钮.手轮共有100个小格,指针对准哪个数字则每个小格单位为多少微米。
手轮旋钮紧急停止开关主轴上电模式旋钮主轴正转倍率开关手动换刀循环启动坐标轴方向键机床复位主轴反转自动加工模式在此模式下按循环启动按钮可以自动加工。
本章结合一实例介绍该软件车削模块(FANUC-0系统和华中世纪星系统)的使用。
一、车削仿真软件的基本操作(一)进入仿真系统1. 鼠标左键点击“开始”按钮,在“程序”目录中弹出“数控加工仿真系统”的子目录,在接着弹出的下级子目录中点击“加密锁管理程序”,如图3-1所示。
加密锁程序启动后,屏幕右下方工具栏中出现的图表图3-12. 重复上面的步骤,在最后弹出的目录中点击所需的数控加工仿真系统,系统弹出“用户登录”界面,如图3-2所示。
点击“快速登录”按钮或输入用户名和密码,再点击“登录”按钮,进入数控加工仿真系统。
(图3-2)3. 选择机床类型打开菜单“机床/选择机床”(或在工具栏中选择“”按钮),在选择机床对话框中选择如图3-3所示的控制系统类型和相应的机床并按确定。
图3-34.毛坯设定(1)定义毛坯打开菜单“零件/定义毛坯”或在工具条上选择“”,系统打开图3-4所示对话框。
名字输入:在毛坯名字输入框内输入毛坯名,也可使用缺省值。
选择毛坯材料:毛坯材料列表框中提供了多种供加工的毛坯材料,可根据需要在“材料”下拉列表中选择毛坯材料。
参数输入:尺寸输入框用于输入尺寸,单位为毫米。
图 3-4 毛坯定义(2)放置零件打开菜单“零件/放置零件”命令或者在工具条上选择图标,系统弹出操作对话框,如图3-5 所示。
在列表中点击所需的零件,选中的零件信息加亮显示,按下“安装零件”按钮,系统自动关闭对话框,零件将被放到机床上。
(3)调整零件位置零件可以在工作台面上移动。
毛坯放上工作台后,系统将自动弹出一个小键盘(如图3-6 所示),通过按动小键盘上的方向按钮,实现零件的平移和旋转。
小键盘上的“退出”按钮用于关闭小键盘。
选择菜单“零件/移动零件”也可以打开小键盘。
图3-6 5.数控车床选刀打开菜单“机床/选择刀具” 或者在工具条中选择“”,系统弹出刀具选择对话框(如图3-7 所示)。
(1) 在对话框左侧排列的编号1~8中,选择所需的刀位号,刀位号即车床刀架上的位置编号。
实验一数控车床操作加工仿真一、实验目的1. 掌握手工编程的编程步骤。
2. 掌握数控加工仿真系统的操作流程。
二、实验内容1. 了解数控仿真软件的应用背景。
2. 掌握手工编程的编程步骤3. 掌握数控加工仿真系统的操作流程。
三、实验设备1. 海信工作站2. 数控加工仿真软件四、实验操作步骤 :1. 图纸所有加工表面0.05C11. 零件毛坯为Φ40的棒料,材料为铝材。
数控车床训练零件一(阶梯轴2. 加工采用的刀具参数下表所示。
3. 工艺安排:粗车端面→对刀→粗车外圆→精车外圆→切断。
4. 工序卡片根据零件材料,加工精度,工艺路线,刀具参数表和切削用量等内容,确定加工工序卡。
数控车削加工工序卡5. 参考程序下表为数控车床训练零件一手工编程的参考答案(编程原点设在零件右端面的中心。
训练零件一手工编程的参考答案6. 在数控加工仿真系统中加工训练零件一的操作步骤数控加工仿真系统的启动:点击“开始→ 程序→ 数控加工仿真系统”,在弹出的登录用户对话框中,选择快速登录,就进入了数控加工仿真系统。
1. 选择机床点击菜单“机床 /选择机床… ”,出现选择机床对话框,在选择机床对话框中控制系统选择 FANUC 和 FANUC 0, 机床类型选择车床, 型号是宝鸡机床厂 SK50, 平床身前置刀架, 并按确定按钮,机床选择结束。
对应于实际机床操作,相当于选择操作机床,打开操作机床的空气开关,打开机床的总电源。
2. 机床操作初始化选择机床后,机床处于锁定状态,需要进行机床初始化操作,即解除锁定状态。
在仿真系统中,不同型号的机床,其机床的初始化操作也不相同。
对于数控仿真系统宝鸡机床厂 SK50数控车来说,初始化操作是打开数控系统的电源。
具体操作步骤是:按下数控系统的电源按钮即可。
3. 机床回零机床回零操作是建立机床坐标系的过程。
回零操作是实际机床在打开机床电源后,首先要作的操作。
即在 X 轴、 Z 轴通过与限位开关的接触,机床找到这两个方向的极限值后,将机床坐标系的值清零,建立机床坐标系的零点。
第六章数控车床自动编程软件实训操作第一节数控车床CAD/CAM自动编程软件介绍现在的CAD(计算机辅助设计)和CAM(计算机辅助制造)已经显示出了它的巨大潜力,在机械制造工业方面已经占据了主导地位。
使用CNC/CAM系统产生的CNC程序代码可以替代传统的手工程序制作。
Mastercam具有强大的计算机辅助设计和计算机辅助制造功能,集工件的二维几何图形设计、三维曲面设计、刀具路径模拟、加工实体模拟等功能于一身,并提供友好的人机交互,是当今广泛使用的计算机辅助设计和计算机辅助制造软件。
图6-1 图6-2启动Mastercam Lathe v8.0后,出现如图6-1所示的欢迎画面,进入Mastercam Lathe v8.0后它的窗口界面如图6-2所示。
Mastercam Lathe v8.0的窗口界面主要由标题栏、工具栏、主功能列表区、子功能列表区、工作区和系统提示区组成,如图6-2所示。
一、工具栏Mastercam Lathe v8.0的工具栏位于主窗口的上方,当光标移动到每个按钮上时,Mastercam Lathe v8.0会自动显示其对应的功能,如图6-3所示。
图6-3图6-4为单击“下一页”按钮,可以看到其它的快捷按钮,这些按钮在主功能列表区和子功能列表区都能找到相应的命令。
二、主功能列表区和子功能列表区图6-10主功能列表区中显示可供用户选择的命令列表,如图6-5所示。
在主功能列表区有两个按钮,分别是“上层功能表”和“回主功能表”。
利用这两个按钮就可以在命令列表之间寻找需要的命令,并可以方便地返回到上一层命令列表或主功能列表。
图6-4例如,单击“档案”命令,主功能列表区变成如图6-6所示的档案命令列表;再单击“档案转换”命令,进入如图6-7所示的档案转换命令列表;单击“DXF ”命令,进入如图6-8所示的命令列表;单击“读取”可以转换其它CAD/CAM 软件中输出的图形。
最后单击“回主功能表”按钮,就回到如图6-5所示的主功能列表区。
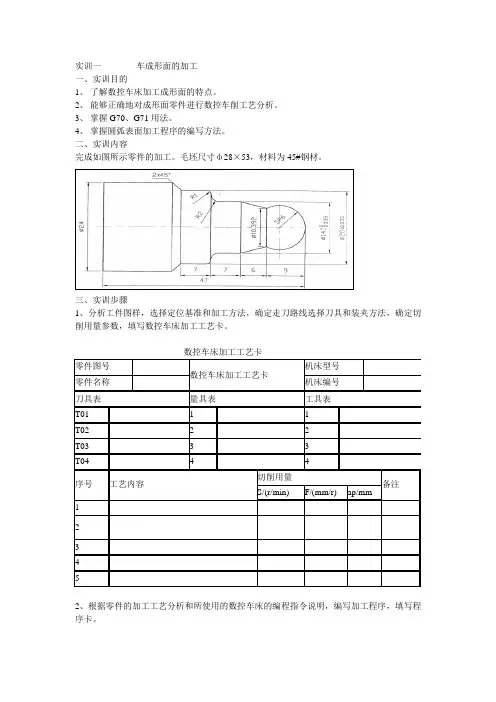
实训一车成形面的加工一、实训目的1、了解数控车床加工成形面的特点。
2、能够正确地对成形面零件进行数控车削工艺分析。
3、掌握G70、G71用法。
4、掌握圆弧表面加工程序的编写方法。
二、实训内容完成如图所示零件的加工。
毛坯尺寸ф28×53,材料为45#钢材。
三、实训步骤1、分析工件图样,选择定位基准和加工方法,确定走刀路线选择刀具和装夹方法,确定切削用量参数,填写数控车床加工工艺卡。
数控车床加工工艺卡2、根据零件的加工工艺分析和所使用的数控车床的编程指令说明,编写加工程序,填写程序卡。
3、使用数控仿真系统中的数控车床加工此零件的仿真过程。
实训二车螺纹、切槽与切断加工一、实训目的1、掌握数控车床加工螺纹、切槽、切断加工中的一般编程方法。
2、能够正确地对加工螺纹的数控车削工艺分析。
3、掌握G92的用法。
4、注意确定切断刀刀尖与工件端面的位置关系,以确定长度方向的尺寸。
二、实训内容完成如图所示零件的加工。
设毛坯是Φ40×80的棒料,材料为45钢。
三、实训步骤1、分析工件图样,选择定位基准和加工方法,确定走刀路线选择刀具和装夹方法,确定切削用量参数,填写数控车床加工工艺卡。
数控车床加工工艺卡2、根据零件的加工工艺分析和所使用的数控车床的编程指令说明,编写加工程序,填写程3、使用数控仿真系统中的数控车床加工此零件的仿真过程。
3.如图所示,已知材料为Q235-A,毛坯为φ125×40,制定零件的加工工艺,编写零件的加工程序,在上海宇龙数控仿真系统仿真加工。
二、工艺分析1、加工方案2、刀具选用通过分析可知本任务需要如下刀具:每次调头加工前先对刀,设置编程原点在右端面的轴线上,加工程序名为O0003、O0004和O0005。
3、加工工序加工工序卡见表。
4、根据零件的加工工艺分析和所使用的数控车床的编程指令说明,编写加工程序,填写程1、使用数控仿真系统中的数控车床加工此零件的仿真过程。
FANUC数控车床仿真软件操作步骤1.打开软件首先,双击桌面上的FANUC数控车床仿真软件图标,打开软件。
2.导入CAD文件在软件界面左上角找到“File”菜单,点击“Open”选项,选择要导入的CAD文件,通常是后缀名为.dxf或.step的文件。
导入成功后,CAD文件会在软件界面中心显示出来。
3.设置工件坐标系在软件界面中选择“Set Workpiece Origin”选项,设置工件坐标系。
通常情况下,工件坐标系的原点位于工件的中心位置,确保设置正确。
4.设置刀具路径选择“Tool Path Generation”选项,在工具路径设置界面中,可以设置刀具的类型、直径、长度、转速等参数,以及加工路径的方式,如铣削路径、孔加工路径等。
根据需要设置完整的刀具路径。
5.模拟加工过程点击软件界面上的“Simulation”按钮,开始模拟加工过程。
软件会按照设定的刀具路径,在CAD模型上显示出加工过程,包括切削、铣削、孔加工等。
6.调整加工参数如果需要调整加工参数,可以通过“Edit Tool Path”选项进行修改,如修改切削深度、速度、进给速度等参数。
修改完毕后,重新进行模拟加工。
7.导出加工程序完成模拟加工后,可以将加工程序导出到数控机床进行实际加工。
选择“Export NC Code”选项,保存为后缀名为.nc的加工程序文件,并将文件传输到数控机床上进行加载和运行。
8.保存工程文件为了方便今后的修改和再次加工,可以保存整个工程文件。
选择“File”菜单中的“Save Project”选项,将当前工程保存为后缀名为.fpr的工程文件。
9.关闭软件完成加工操作后,选择“File”菜单中的“Exit”选项,关闭FANUC数控车床仿真软件。
总结:以上就是FANUC数控车床仿真软件的操作步骤。
通过使用这款软件,可以模拟和验证加工程序,提高加工效率,降低成本,是数控加工领域中不可或缺的工具。
希望以上内容对您有所帮助!。
实训一数控车床认识及基本操作实训一. 实训目的:具体认识数控车床的整体结构,和各部分的作用;了解并掌握数控车床的基本操作。
二. 实训内容:接触数控车床,启动与关闭数控车床,在数控车床上完成一些基本操作。
三. 实训设备:数控车床一台四. 实训思考题1.简述数控车床的安全操作规程.<1)工作时请穿好工作服,安全鞋,戴好工作帽及防护镜,注意:不允许戴手套操作机床。
<2)注意不要移动或损坏安装在机床上的警告标牌。
<3)注意不要在机床周围放置障碍物,工作空间应足够大。
<4)某一项工作需要俩人或多人共同完成时,应注意相互间的协调一致。
2.机床回零的主要作用是什么?数控装置上电时并不知道机床零点,为了正确地在机床工作时建立机床坐标系,通常在每个坐标轴的移动范围内设置一个机床参考点<测量起点),机床起动时,通常要进行机动或手动回参考点,以建立机床坐标系。
机床参考点可以与机床零点重合,也可以不重合,通过参数指定机床参考点到机床零点的距离。
机床回到了参考点位置,也就知道了该坐标轴的零点位置,找到所有坐标轴的参考点,CNC 就建立起了机床坐标系。
3.机床的开启、运行、停止有那些注意事项?首先安全第一,关机前要先按急停按钮再切断系统电源开关、最后切断电源开关,开机时顺序相反,开机后刀架要进行回零,主轴要低速热运转几分钟才能进行正常加工,如果停机时间过长要多运转一会,而且刀架也要空运行几下再加工。
一般中途停机超过半小时也要进行回零操作。
按循环启动按钮前为了安全起见要思索几秒钟,数控机床装夹刀具和工件时不能用蛮力冲击力野蛮操作。
工件一定要装夹牢固才能启动主轴。
机床正常运转前应该注意产品装夹是否牢固可靠,刀具是否有干涉,运行时手时刻放在复位键或紧急停止键的位置。
发现刀具或机床有异常时不要犹豫,立即按下复位或急停。
一个零件加工完成时对于精度高的零件应检查产品的尺寸是否符合要求,表面粗糙度等是否达到图纸要求。
一、数控加工仿真系统的运行单击【开始】按钮,在【程序】中选择【数控加工仿真系统】,在弹出的子菜单中单击【加密锁管理程序】,如图1所示。
图1单击【加密锁管理程序】,WINDOWS XP右下角任务栏会出现如图2所示的电话形状图标。
图2再次进入【程序】菜单中的【数控加工仿真系统】,在弹出的子菜单中单击【数控加工仿真系统】,如图3所示。
图3单击【数控加工仿真系统】弹出系统登陆界面,如图4所示。
直接单击【快速登陆】按钮进入系统。
图4二、数控加工仿真系统的基本用户界面1、选择机床在主界面下,单击下拉菜单中的【机床】,在弹出的下拉子菜单中单击【选择机床】;或者单击图标菜单中的图标,如图5所示,系统将会弹出选择机床子界面,将【控制系统】选为【FANUC】,然后在选择【FANUC OI Mate】【机床类型】【选车床】然后在选择机床的生产厂家【南京第二机床厂】选项,然后单击确定,如图6。
图5图6图7图5所示为数控加工仿真系统的主界面,用户可以通过操作鼠标或键盘来完成数控机床的仿真操作。
它包括下拉菜单;图标菜单;机械操作面板;机床操作面板与数控机床动画仿真五部分组成。
2、图标菜单图83、机械操作面板 数控仿真加工系统的机械操作面板即为真实机床操作面板上的操作区,其各键名称功能见图7。
下拉菜单 图标菜单机械操作面板机床动画仿真 机床操作面板 视图复位 局部放大 动态放缩 动态平移 动态旋转 左、右、俯、前视图机床选项 控制面板切换图9模式旋钮上的功能:为编辑模式,在此模式下才可以进行程序的输入与修改、 为手动模式 在此模式下可以进行手动操作、为微米模式,指针对准1则为1微米模式,对准10为10微米模式,以此类推,同时在微米模式下激活手轮旋钮、手轮共有100个小格,指针对准哪个数字则每个小格单位为多少微米。
手轮旋钮紧急停止开关主轴上电模式旋钮主轴正转倍率开关手动换刀 循环启动坐标轴方向键 机床复位 主轴反转自动加工模式在此模式下按循环启动按钮可以自动加工、参考点模式开机选此模式然后按X\Z坐标轴正方向键使机床回到参考点。
数控车床实训方法与步骤数控车床是一种使用数字化程序控制的机床,具有高精度、高效率、高稳定性等优点,广泛应用于各个行业。
为了充分发挥数控车床的功能,提高学生的实际操作能力,进行数控车床实训是非常重要的。
下面将介绍数控车床实训的方法与步骤。
一、实训准备在进行数控车床实训之前,首先要进行一些必要的准备工作。
包括了解数控车床的基本原理和操作方法,熟悉数控系统的界面和操作流程,了解数控编程的基本知识等。
同时,还需要对实训场地和设备进行检查,确保设备正常运行。
二、实训目标确定在进行数控车床实训之前,需要确定实训的具体目标和要求。
根据学生的实际水平和培养目标,确定需要实训的内容和难度。
可以将实训目标分为基础操作、编程操作和综合应用等方面,逐步提高学生的实际操作能力。
三、实训计划制定制定一份详细的实训计划是进行数控车床实训的关键。
实训计划应包括实训的时间安排、实训的内容和步骤、实训的教学方法和评估方式等。
实训计划要合理安排时间,确保每个环节都有足够的时间进行练习和巩固。
四、实训步骤1. 基础操作实训基础操作实训是数控车床实训的第一步,主要包括机床的开关操作、手动操作和自动操作等。
学生需要熟悉机床的各个部件和功能,掌握机床的操作方法和安全注意事项。
2. 编程操作实训编程操作实训是数控车床实训的关键环节,主要包括编写加工程序、调试程序和运行程序等。
学生需要学会使用数控编程软件,根据加工要求编写程序,并进行调试和运行。
在实训过程中,可以通过模拟仿真和实际加工两种方式进行。
3. 综合应用实训综合应用实训是数控车床实训的最后一步,主要是将前面学到的知识和技能应用到实际加工中。
学生需要根据给定的加工图纸和工艺要求,进行加工操作和程序编写。
在实训中,可以模拟实际生产过程,提高学生的工作适应能力和应变能力。
五、实训评估在进行数控车床实训之后,需要进行实训效果的评估。
评估可以包括实训成绩的考核、实训报告的撰写和实训经验的总结等方式。
实验三数控车床编程仿真实验指导书一、实验目的1.了解数控车床编程仿真软件。
2.利用仿真软件,学习数控车床的编程加工仿真过程,为实际华中数控系统车床操作加工打下良好基础。
3.能够对给出零件图进行模拟仿真编程加工。
二、实验设备计算机、宇龙数控仿真软件三、预习与参考1.数控车床的加工特点数控车床是数字程序控制车床(CNC 车床)的简称,它集通用性好的万能型车床、加工精度高的精密型车床和加工效率高的专用型普通车床的特点于一身,是国内使用量最大、覆盖面最广的机床之一。
数控车床主要用于轴类和盘类回转体零件的加工,能够自动完成内外圆柱面、圆锥面、圆弧面、螺纹等工序的切削加工,并能进行切槽、钻、扩、铰孔和各种回转曲面的加工。
数控车床具有加工效率高,精度稳定性好,加工灵活、操作劳动强度低等特点,特别适用手复杂形状的零件或中、小批量零件的加工。
2.车床原点、车床参考点、程序原点车床原点又称机械原点,它是车床坐标系的原点。
该点是车床上的一个固定点,是车床制造商设置在车床上的一个物理位置,通常不允许用户改变。
车床原点是工件坐标系、车床参考点的基准点。
车床的机床原点为主轴旋转中心与卡盘后端面的点。
车床参考点是机床制造商在机床上用行程开关设置的一个物理位置,与机床原点的相对位置是固定的,车床出厂之前由机床制造商精密测量确定。
程序原点是编程员在数控编程过程中定义在工件上的几何基准点,有时也称为工件原点,是由编程人员根据情况自行选择的。
3.熟悉华中数控系统车床面板四、简单零件加工模拟仿真图1 轴类零件图纸加工该图指定零件,仿真加工步骤如下:1.打开仿真软件:点击桌面“数控加工仿真系统”,点击“快速登陆”,进入仿真界面。
2.选择机床:点击“机床”选择机床,此处选择车床、华中数控、车床、标准(平置前置刀架)、确定。
右击选项,选择右键旋转,左键平移。
3.机床回参考点:检查急停按钮是否松开至状态,若未松开,点击急停按钮,将其松开。
再按下,按钮上的灯亮起,进入回零状态。
v1.0 可编辑可修改
FANUC数控车床仿真软件操作步骤
一、打开数控仿真软件
直接选择“快速登陆”(用户名:guest 密码:guest)
二、进入仿真系统
1、选择合适的机床
2、回零
3、将所编完的程序导入
出现对话框,选择程序(.txt文件)的路径选完后点击
输入该程序的程序名(O0001)
4、检查程序
机床菜单——检查NC程序,直至合格。
看轨迹
按上图的Start
选择合适的坐
标
5、装工件、刀具
点击
使左边出现机床的图
点击
定义毛坯
放置零件
装刀
选择刀片 55o刀柄93o
选择合
适坐标6、对刀
先对X方向
左边屏幕右击,选择“选项”
点击右图Start,使得主轴旋转
分别调整方向
切削后,记录X坐标值。
(X方向不要去动)。
主轴停止。
点击测量菜单——剖面图测量,选择“否”选中被加工部分(红线,记录X的直径值)
将刚才X坐标值-被加工完的X坐标值=对Z方向(主轴停止状态)
刀尖和工件右端相碰,记录Z值。
Z=
7、将X、Z值输入G54
点击
连续点击4次
将X、Z值送入G54中(先将光标移到G54中)X值输入后按“INUT”键
Z值输入后按“INUT”键
整数的话加小数点后按INUT”键
三、加工
点击
将刀具移到合适位置
按“START”键加工。
斯沃数控仿真软件操作指导书华中科技大学武昌分校自动化系数控实训创新基地一、软件简介斯沃数控仿真加工软件包括八大类,30个系统,62个控制面板。
具有FANUC、SIEMENS、MITSUBISHI,广州数控GSK、华中数控HNC等系统的编程和加工功能,通过在PC机上操作该软件,能在很短的时间内掌握数控车、数控铣及加工中心的操作。
二、启动界面如图1所示在数控系统中选择你所需要的系统,然后点击登录。
图1三、功能介绍能够做三维仿真,等同于对真正的CNC机床的操作。
用户能够任意设置机床尺寸。
提供像放大缩小等观察参数的设置功能。
切削中故障报警功能(碰撞、过载等)。
采用对话框来简化刀具和功能的设置。
切削路径和刀偏路径可以同时显示。
华中数控世纪星(图2)和FANUC0I-T(图3)操作面板图2图3下面分别对工具条分别进行介绍工具条1(如图4)所示各个图标的功能说明如下:图4工具条2(如图5)所示各个图标的功能说明如下:图5四、华中数控HNC-21T系列车床操作简介(1)华中数控HNC-21T系列车床面板简介机床的操作面板位于窗口的右下侧(如图6),主要用于控制机床运行状态,由于每个按键上都有汉字说明,我们就不再累述了。
只对几个意义不太明显的键进行简单解释一下。
方式选择进入自动加工模式。
图6按一下"循环启动"按键运行一程序段,机床运动轴减速停止,刀具、主轴电机停止运行;再按一下“循环启动”按键又执行下一程序段,执行完了后又再次停止。
手动方式,手动连续移动台面或者刀具。
增量进给。
回参考点。
主轴控制在手动方式下,当主轴制动无效时,指示灯灭按一下“主轴定向按键”,主轴立即执行主轴定向功能。
定向完成后,按键内指示灯亮,主轴准确停止在某一固定位置.在手动方式下,当主轴制动无效时,指示灯灭按一下“主轴冲动按键”,指示灯亮。
主电机以机床参数设定的转速和时间转动一定的角度。
在手动方式下,主轴处于停止状态时,按一下“主轴制动” 按键,指示灯亮主电机被锁定在当前位置。
数控车仿真基本操作实训一、上机操作安全要求1.必须按照要求穿工作服,穿工作鞋,女生必须带工作帽,才能进入实训场地。
2.不准戴手套,上机操作同学不准扎领带。
3.用毛刷或铁勾子清理铁屑。
4.不允许使用压缩空气清理机床、电气、NC单元装置。
5.每次上机操作时,由小组长指定,只准一人上机操作加工零件。
6.下班前15分钟,由小组长安排同学打扫机床卫生。
7.强调操作要求,对有意损坏机床设备和刀具同学,按学校财产损坏制度,进行赔偿。
8.每天做好设备使用记录本登记。
(小组长完成)二、 NC车床开机、关机步骤开机:打开墙上电源开关合上机床总电源(强电接通)系统启动(等主画面稳定后)急停开关旋开回参考点机床预热15min。
关机:关闭外围设备急停开关按下系统停止切断机床总电源关闭墙上电源开关。
注: 1 文明实训,要求工、量具摆放整齐,操作面板时手必须洗干净,安装刀具必须戴指定手套。
2 编程时,新手不准使用G00代码。
(修改为G01+ F)3 机床操作时,不准使用快速移动按钮。
4 加工零件前需检查机床上各门是否关闭,润滑油、切削液、液面位置是否正常。
CKA6150机床 4 处需手动加油5 车床操作时切记(包括编程):先移动X轴退刀,再移动Z轴退刀,以防止碰撞工件或尾座。
6 铣床:始终记住,首先移动Z轴退刀,再移动其它两轴三、机床主要技术规格参数型号CKA6150规格φ530X1000Dmax=φ280mm轴类零件:Lmax= 610mm盘类零件: Dmax=φ430mm主轴电动机转速范围:有效档位H档400~2000r/min最大行程X:260mmZ:1000主轴孔锥度MT5#主轴内孔φ80mm刀架立式六工位(25X25)尾座行程Lmax=180mm 尾座内孔MT4#四、程序输入1:建立新的记事本(.TXT)—>重命名“C”—>打开—>输入“程序内容+程序结束”—>打开一文件夹—>选择“工具”—>“选项”—>将扩展名显示出来—>将“C.TXT”—改为“C”五、程序结构1、选刀建立工件坐标系2、机床准备3、刀具快移接近工件至安全点4、加工(4)下刀至加工起始点加工至加工终点退刀至退刀点(快移至安全点)5、刀具快移远离工件,取消刀补,机床停止程序结束:M30 or M02六、加工实例一、如下图所示工件,毛坯为 40X150mm的棒料,材料为45钢,数控车削端面以及外圆。
一、数控加工仿真系统的运行单击【开始】按钮,在【程序】中选择【数控加工仿真系统】,在弹出的子菜单中单击【加密锁管理程序】,如图1所示。
图1单击【加密锁管理程序】,WINDOWS XP右下角任务栏会出现如图2所示的电话形状图标。
图2再次进入【程序】菜单中的【数控加工仿真系统】,在弹出的子菜单中单击【数控加工仿真系统】,如图3所示。
图3单击【数控加工仿真系统】弹出系统登陆界面,如图4所示。
直接单击【快速登陆】按钮进入系统。
图4二、数控加工仿真系统的基本用户界面1.选择机床在主界面下,单击下拉菜单中的【机床】,在弹出的下拉子菜单中单击【选择机床】;或者单击图标菜单中的图标,如图5所示,系统将会弹出选择机床子界面,将【控制系统】选为【FANUC】,然后在选择【FANUC OI Mate】【机床类型】【选车床】然后在选择机床的生产厂家【南京第二机床厂】选项,然后单击确定,如图6。
图5图6图7图5所示为数控加工仿真系统的主界面,用户可以通过操作鼠标或键盘来完成数控机床的仿真操作。
它包括下拉菜单;图标菜单;机械操作面板;机床操作面板和数控机床动画仿真五部分组成。
2.图标菜单图83.机械操作面板数控仿真加工系统的机械操作面板即为真实机床操作面板上的操作区,其各键名称功能见图7。
下拉菜单 图标菜单机械操作面板机床动画仿真 机床操作面板视图复位局部放大 动态放缩动态平移动态旋转左、右、俯、前视图机床选项控制面板切换图9模式旋钮上的功能:为编辑模式,在此模式下才可以进行程序的输入和修改.为手动模式 在此模式下可以进行手动操作.为微米模式,指针对准1则为1微米模式,对准10为10微米模式,以此类推,同时在微米模式下激活手轮旋钮.手轮共有100个小格,指针对准哪个数字则每个小格单位为多少微米。
手轮旋钮紧急停止开关主轴上电模式旋钮主轴正转倍率开关手动换刀循环启动坐标轴方向键机床复位主轴反转自动加工模式在此模式下按循环启动按钮可以自动加工.参考点模式开机选此模式然后按X\Z坐标轴正方向键使机床回到参考点。
三、快速入门1.定义毛坯在主界面下,单击下拉菜单中的【零件】,在弹出的下拉子菜单中单击【定义毛坯】;或者单击图标菜单中的图标,如图10,系统将会弹出定义毛坯子界面,将毛坯料的直径都改成30,单击确定,如图11图10图112.放置零件在主界面下,单击图标菜单中的图标,或者单击下拉菜单中的【零件】,在弹出的下拉子菜单中单击【放置零件】项;如图12,在窗口左上角【类型】项选取【选择毛坯】选项,用鼠标左键单击【毛坯1】,然后单击【安装零件】如图13。
此时,在屏幕右下角弹出零件移动窗口,二个箭头分别代表在Z 轴方向上移动零件。
注意:为了便于操作,尽量不移动零件,可直接点击【退出】,结束零件移动。
如图14图12图13图14 3.选择刀具在主界面下,单击图标菜单中的图标,或者单击下拉菜单中的【机床】,在弹出的下拉子菜单中单击【选择刀具】项;如图15,图15系统将会弹出选择刀具窗口,在窗口左上角【选择刀位】项将1号刀位激活(默认1号刀位成激活状态),如图16所示。
点击【所选刀片】类型,如三角形刀片,(如图16-1选择)【刀片部分】。
然后在选择刀片【刀刃】和【刀尖半径】,如选择序号5的刀片,然后在选择【选择刀柄】如选择【外圆】,弹出下拉菜单,在选择刀柄的形状,我们选择序号为3的刀柄. 如选择再2号刀位,那么激活2号刀位, 点击【所选刀片】类型,如切断刀刀片,(如图16-2所示)。
再选择序号5的刀片,然后【选择刀柄】如【外圆】,弹出下拉菜单,在选择刀柄的形状,我们选择序号为5的刀柄,然后最后确定。
如果想选择其它刀具,那么重新按以上的步骤执行.车床的刀台一次最多可以装夹4把刀具.每把刀具的刀位号一定要记住,以免在编写程序的时候弄混淆.图16-1图16-2至此,机床的先期准备工作已全部完成,仿真系统现在与真实机床基本一致。
四、数控仿真加工操作流程1.机床启动单击急停按钮,使其处于弹起状态,单击主轴上电。
2坐标轴回参考点先将模式开关指针对准参考点模式(默认为参考点),如图17.单击控制面板显示屏右下角X\Z坐标轴的正方向使机床回到参考点,如想快速移动可把中间RAPID键点亮,如图18所示例。
此时主菜单坐标值显示为X 600.000 Z 1010.000.如图19所示例。
(实习所用CK6136真实车床屏幕为X0.00/Z0.00)回参考点的目的是建立正确的机床坐标系.机床断电,重新启动机床后,必须重新回参考点。
图17 图18 图19 3移动刀具点击鼠标左键使模式指针对准手动模式,在手动的模式下才可以用鼠标左或右键点住X/Z坐标轴的方向按钮,实现机床刀具的前后左右的移动.其他模式下不能点击X/Z坐标轴移动(参考点除外).如图20图20 图214编写程序先将模式指针对准编辑模式下如图21。
在图22所示界面下,点击PROG键,屏幕将如图21所示。
图22编写程序可以用键盘或用鼠标点击屏幕上的键盘进行编写,FANUC系统程序的名字必须用英文O和4位数字组成,第一位数字不能用9,其他随意.如不够四位数字,那么在点击插入键(Insert)的时候,系统自动在前边添零补足四位。
如O1234 O0123 .如果插入的程序名字和系统里边保存的重复,那么将报警,须按复位键(PESET)消除报警后重新输入新的程序名称.程序名称和结束符EOB(;)分2次插入,程序段可以连分号(;)一起插入.如图23图23在编写程序的时候,光标必须在上一行的结束符分号的位置时候才可以换行输入,因软件盗版的问题,有时候光标可能不在最后的位置,需要自己调整一下.如需要退格、删除、替换,那么将光标选在相对应的位置上,在选择相应的功能键.各种软键的作用如图2424 编程举例1:(自己输入以下程序)O 1234; M03S500;T0101;G00X35.0Z2.0; G01X28.0F0.5; G01Z-30.0F0.2; G01X40.0; G00Z50.0; T0202;G00X35.0Z-35.0 G01X5.0F0.2; G01X40.0; G00Z50.0; MO5; M30;删除键插入键 复位键退格键 替换键对刀参数键分号键程序菜单 坐标主菜单 上档键;5对刀(建立工件坐标系)当程序编写完后,将光标调到程序头,然后单击CW(主轴正转),使机床主轴开始旋转.可以通过点击TOOL(手动换刀),使机床刀台旋转,来达到换刀的目的.(注意换刀时候必须将刀台先远离工件,防止碰撞工件).在手动模式下移动刀具,将刀具移动到工件表面或端面附近后,将模式开关指针对准手轮数字的10微米位置(图25)后,再把鼠标点在手轮(图26)上点住左键使手轮转动.利用手轮对刀比较准确图25 图26将需要对刀的一号刀具移动到工件表面(X坐标)或端面(Z坐标),轻轻接触工件,接触后会产生铁沫飞溅,在工件表面产生划痕.如图27所示图27然后点开对刀参数键(图24),屏幕出现刀具磨耗参数的修改画面.如图28.然后在点击【形状】软键屏幕出现刀具形状修改画面.如图29.将光标放到一号刀的位置上.图28 图29如先对准工件表面(图27),然后不要移动刀具将一号刀的直径坐标值输入,如毛坯直径为30mm,那么将输入X30.0(图30),然后点【测量】,屏幕上方坐标值将改变.图31所示.然后将刀具移动到工件端面(图27),对准端面后刀具不要移动,然后将光标移动到Z坐标上,输入Z0.0(图32),然后点【测量】,屏幕上方坐标值将改变.如图33所示.图30 图31图32 图33我们开始练习对2把刀具,即:外圆偏刀和外圆切断刀.对第2把刀的时候,需要把光标移动到02号上(上图红圈) ,对刀过程重复对第1号的过程。
需要几把刀工作,那么就对几把刀。
对刀完毕后,将刀具离开工件一个安全的距离停下,等待自动加工(在真实机床上如果毛坯为不规则或毛坯圆心与车床主轴不同心产生跳动的时候,先用手动模式下用车刀将毛坯外径车圆一小段(与主轴同心),车刀可沿z轴退出或保持不动,用卡尺测量加工过后的毛坯直径,然后将真实数据输入到对刀参数的X轴坐标。
)6自动加工在自动加工前,要检查机床是否回到参考点,2把刀具对刀是否正确。
将模式开关指针对准自动加工的模式,然后点击循环自动,机床将自动运行加工出所编写的零件.如果在加工过程中出现意外情况,出现加工停止,那么我们先单击机床复位键,使机床复位,然后在做其他动作.7编程加工实例(1)编程基本命令:G00 快速点定位指令格式 G00X__Z__;G01 直线插补指令格式 G01X__Z__F__;X 表示X方向终点坐标或目标点坐标Z 表示Z方向终点坐标或目标点坐标F 表示进给速度 mm/转例:零件11号刀为外圆90度右偏刀2号刀为刀宽为5mm的切断刀编程原点设为工件端面的中心,以下数字单位均为毫米(数字如不保留小数点后1位则为微米)靠近工件为负方向,远离工件为正方向(进给负方向,退刀正方向)材料定义为直径30毫米毛坯O1234; (程序名)M03S500; (M03:主轴正转,S500:500转/分)T0101; (选择1号刀具,执行1号刀补)G00X35.0Z2.0; (快速运动到直径为35.0,Z方向离原点2.0)G01X28.0F0.5; (X方向移动到直径28.0,以0.5mm/转速度移动) G01Z-30.0F0.2; (Z方向走刀切削至-30.0,以0.2mm/转速度切削)G01X40.0; (X方向退刀至直径40.0)G00Z50.0; (Z方向快速退刀至50.0)T0202; (选择2号刀具,执行2号刀补)G00X35.0Z-35.0; (快速运动到要切断的位置,长度方向考虑刀宽,所以尺度要加上刀宽5mm) G01X5.0F0.2; (X方向切至直径5.0) (5要改成0,则工件切断)G01X40.0; (X方向退刀至直径40.0)G00Z50.0; (Z方向快速退刀50.0)MO5; (主轴停止转动)M30; (程序结束,光标回到程序头)例零件21号刀为外圆90度右偏刀2号刀为宽5mm的切断刀毛坯定义为直径30mm02234; (程序名)M03S500; (主轴正转500转/分)T0101; (选择1号刀具,执行1号刀补) G00X35.0Z2.0; (快速运动到X(直径)35.0,Z方向离原点2.0); (G01X24.0F0.5; (X方向进刀至直径24.0,以0.5mm/转速度移动)G01Z-34.0F0.2; (Z方向走刀切削至坐标-34.0,以0.2mm/转速度切削)G01X30.0F0.5; (X方向退刀至直径30.0)G00Z2.0; (Z方向快速退刀至坐标2.0)G01X18.0F0.5; (X方向进刀至直径18.0)G01Z-24.0F0.2; (Z方向切削至坐标-24.0)G01X40.0; (X方向退刀至直径40.0)G00Z50.0; (Z方向快速退刀至坐标50.0)T0202; (选择第2号刀具)G00X35.0Z-39.0; (快速移动到要切断的坐标处,要考虑切刀刀宽,所以长度要加上刀宽5mm)G01X5.0F0.2; (X方向切到直径5.0;如5改成0则工件切断)G01X35.0; (X方向退刀至直径35.0G00Z50.0; (Z方向快速退刀至坐标50.0)M05; (主轴停止)M30; (程序结束,光标回到程序头)加工中加工完成(2)圆弧的命令 G02、G03指令格式 G02\G03X__Z__R__F__;(G02逆时针圆弧。