钻孔灌注桩安全检查表
- 格式:docx
- 大小:13.55 KB
- 文档页数:1
灌注桩施工现场安全检查记录表项目名称:
塔位:检查人员:日期:年月日
说明:在检查结果合格的打√,不合格的打×,本表使用时可根据项目特点增减检查内容1、,第六条后加上,安全围栏固定方式是否稳定可靠,不出现构件焊缝开裂、破损、明显变形、严重腐蚀、油漆脱落等现象,围栏尺寸是否符合要求。
2、11条加上使用标准式样的消防器材架、箱,消防设施应设置在适宜的位置。
3、施工作业现场应按要求配备使用标准化的安全文明施工设施。
安全文明设施须专人管理,定期进行性能检查、试验,确保在用设施标准、可靠。
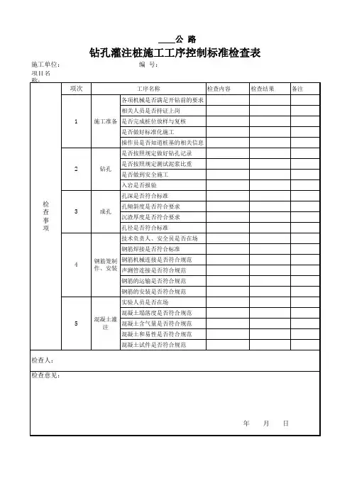
钻孔灌注桩质量检查表一、施工准备阶段1、施工方案审查施工方案是否经过审批,内容是否完整、合理。
施工工艺流程是否符合规范和设计要求。
质量保证措施是否可行。
2、原材料检验钢筋的品种、规格、质量是否符合设计要求,并有出厂合格证和检验报告。
水泥的品种、强度等级、出厂日期等是否符合要求,且有复试报告。
砂、石的质量和级配是否符合规范要求。
3、测量放线桩位的测量放线是否准确,偏差是否在允许范围内。
水准点的设置是否合理,标高控制是否准确。
4、机械设备检查钻孔设备的性能是否良好,运转是否正常。
起吊设备的起重能力是否满足要求。
混凝土灌注设备是否完好,计量是否准确。
二、钻进成孔阶段1、孔位偏差检查桩孔中心位置与设计桩位中心的偏差,不得大于规范要求。
2、孔径和孔深采用孔径仪或探孔器检查孔径,孔径不得小于设计值。
测量孔深,孔深必须达到设计要求的深度。
3、孔垂直度采用测斜仪或吊锤测量孔的垂直度,偏差不得大于规范规定。
4、泥浆性能检查泥浆的比重、黏度、含砂率等指标,是否符合施工要求。
泥浆的制备和循环系统是否正常运行。
5、清孔质量检查清孔后的孔底沉渣厚度,不得大于规范要求。
清孔后的泥浆性能指标是否符合灌注混凝土的要求。
三、钢筋笼制作与安装阶段1、钢筋质量检查钢筋的规格、数量、间距是否符合设计要求。
钢筋的焊接质量是否合格,焊缝长度、宽度、厚度是否满足规范要求。
主筋的接头位置和接头数量是否符合规定。
2、钢筋笼尺寸检查钢筋笼的直径、长度、主筋保护层厚度等尺寸是否符合设计要求。
加强筋和箍筋的间距是否均匀,绑扎是否牢固。
3、钢筋笼安装钢筋笼的安装位置是否准确,中心偏差是否在允许范围内。
钢筋笼的固定是否牢固,防止在灌注混凝土过程中上浮或下沉。
四、混凝土灌注阶段1、混凝土配合比检查混凝土的配合比是否经过审批,原材料的计量是否准确。
混凝土的坍落度、和易性是否符合施工要求。
2、灌注过程灌注混凝土的初灌量是否满足要求,导管埋深是否符合规定。
灌注过程中导管的提升速度和拆卸长度是否合理,防止断桩。
钻孔灌注桩检查一览表
桥梁名称:部位编号:所属标段(工区):
过序
检查内容合格不合
备注
程号格施工前是否分工种进行三级安全、技术交底,检查三级交
1
底是否完成
2施工便道是否通畅、无阻碍
事3是否对钻机锤头尺寸、钻机设备(钻杆完好性、连接螺母
前等)进行检查,护筒埋设是否符合设计及规范要求
泥浆池是否采取防渗漏措施,泥浆备制、安全防护措施是
4
否满足施工要求
5测量监理工程师是否对桩位及地面高程进行复核
钻孔渣样是否与设计图纸地质情况一致,是否填写钻孔记
6
录表
孔径是否用探孔器探测,对孔深、孔位、倾斜度经行检查
7
是否满足要求
成孔后是否进行清孔,泥浆比重、粘度、砂率和沉淀厚度
8
是否满足要求
钢筋笼是否在标准化钢筋加工厂加工完成,现场临时存放
9
是否上盖下垫
10钢筋笼长度、直径、钢筋根数,钢筋间距是否符合图纸要
事求
中
钢筋笼保护层“耳朵”钢筋(保护层垫块)、加强支撑钢
事 11筋安装是否到位
后
钢筋笼套筒连接质量是否符合规范要求
12
13钢筋笼的防上浮的固定措施是否到位,导管是否通过水密性试验和接头抗拉试验
14相关机械设备是否到位(吊车、罐车数量)
15导管安装情况是否符合规范要求(离孔底 30CM--50CM);导管埋设深度 2-6 米
16首批砼的方量是否符合导管埋深大于1M的要求
17混凝土是否连续灌注,灌注时钢筋笼有无上浮及塌孔情况18相关记录表格(影像资料)是否齐全
符合要求:√
施工员:主管工程师:监理:不符合要求:×日期 :
日期:。
钻孔灌注桩质量检验表
施工单位:
监理单位:
分项工程名称所属分部工程
桩号及部位检测人
项次检查项目设计值规定值或允许偏差
1△混凝土强度( Mpa)在合格标准内桩位
群桩≤ 100
允许≤ 50
2
排架桩
( mm)
极值≤ 100
3△孔深( m)≥设计
4孔径( mm)≥设计
5钻孔倾斜度( mm)≤ 1%桩长,且≤ 500 6沉淀厚度( mm)满足设计要求
7△桩身完整性满足设计要求;设计未要
求时,每桩不低于Ⅱ类
合同段:
编号: -100- □□-□□□□□□□-□□
施工时间
记录人检验时间
检查结果检查方法和频率
按附录 D 检查
全站仪:每桩测中心坐标
测绳:每桩测量
探孔器或超声波成孔检测仪:每桩
测量
钻杆垂线法或超声波成孔检测仪:
每桩测量
沉淀盒或测渣仪:每桩检查
满足设计要求;设计未要求时,采用低
应变反射波法或超声波法:每桩检测
外观情况:自检结论:
质检工程师:日期:。
望东长江公路大桥建设项目钻孔桩灌注混凝土施工前检查表ZJ-021承包单位中交第二航务工程局有限公司合同号 WDQ-JL-01 监理单位山东格瑞特监理咨询有限公司编号共页第页单位工程名称望东长江公路大桥WDQ-01合同段桩位编号分项工程名称K5+445.5宝塔河(望江河)大桥护筒顶高程(m) 护筒长度(m)设计直径(m)终孔直径(m) 孔位偏差(m)设计孔底高程(m) 终孔孔底高程(m)清孔后孔底高程(m) 灌注前孔底高程(m)灌注前泥浆比重含砂率(%) 沉淀层厚度(m)钻孔中出现的问题及处理措施钢筋骨架主筋根数(根)主筋长度(m) 骨架总长(m) 骨架底面高程(m)骨架每节长度(m)焊接方法及搭接长度导管情况导管直径(cm)导管总长度(m)导管(节)导管底高程(m)备注附件:钻孔原始记录自检意见及签名签字:日期:监理意见及签名签字:日期:检测:复核:技术负责人:望东长江公路大桥建设项目灌注桩内钢筋笼骨架制安现场质量检查表ZJ-022承包单位:中交第二航务工程局有限公司合同号:WDQ-JL-01监理单位:山东格瑞特监理咨询有限公司编号:共页第页工程名称望东长江公路大桥WDQ-01合同段工程部位K5+445.5宝塔河(望江河)大桥施工时间桩号#墩(台) #钻孔桩检验时间项次检测项目规定值或允许偏差检验方法和频率实测数据1 纵筋级别/直径/根数/间距(mm)2 螺旋筋级别/直径/螺距(mm)3 骨架长度(mm)/骨架长度累加算式(m)4 钢筋笼直径(mm)5 骨架底标高(mm)6 主筋连接方式及接头错开长度7 保护层厚度(mm)及每节混凝土保护垫块或短筋个数外观情况有无锈污稳定性如何钢筋笼圆不圆承包人自检意见:签字:日期:监理工程师检验意见:签字:日期:检测:复核:技术负责人:望东长江公路大桥建设项目施工放样(复核)记录ZJ-005承包单位:中交第二航务工程局有限公司合同号WDQ-JL-01监理单位:山东格瑞特监理咨询有限公司编号工程名称望东长江公路大桥WDQ-01合同段桩号或部位已知控制点成果测站点号X= (m) Y= (m) 点号H= (m) 定向点号X= (m) Y= (m) 点号H= (m)已知点复测结果施工放样成果平面特征点高程特征点放样记录图示及说明点号X(m)Y(m)点号H(m)复核结果点号X(m)Y(m)较差(mm)点号H(m)较差(mm)△X △Y △△H施工单位技术负责人:测量负责人:年月日监理单位结论:测量监理工程师:年月日承包人所属单位工程质检单编号工程编号监理单位山东格瑞特监理咨询有限公司所属分部工程工程部位(桩号、墩台号、孔号)年月日基本要求检查开工日期年月日完工日期年月日项次检查项目规定值或允许误差实测值或偏差值质量评定1 2 3 4 5 6 7 8 9 10 11 12 13 14 15 合格率(%)权值得分1关键项目混凝凝土强度(Mpa)在合格标准内按附录D(见ZP109表) 32桩位(mm)群桩1002 排架桩允许50极值1003 孔深(m)不小于设计 34 孔径(mm)不小于设计 35沉淀厚度(mm)摩擦桩符合设计规定,设计未规定时按施工规范要求 2 支承桩不大于设计规定6 一般项目钻孔倾斜度1%桩长,且不大于500 17钢筋骨架底面高程(mm)±50 1 外观缺陷减分质量保证资料不全减分监理意见合计扣分项目代号扣分小计资料代号3.2.4 (1)(2)(3)(4)(5)(6)工程质量等级评定减分评分值小计质量等级检验负责人:检测:记录:复核:承包人所属单位工程质检单编号工程编号监理单位山东格瑞特监理咨询有限公司所属分部工程工程部位(桩号、墩台号、孔号)年月日基本要求检查开工日期年月日完工日期年月日项次检查项目规定值或允许误差实测值或偏差值质量评定1 2 3 4 5 6 7 8 9 10 11 12 13 14 15合格率(%)权值加权得分1关键项目受力钢筋间距(mm)两排以上排距±53 同排梁、板、拱肋±10基础、锚锭、墩台、柱±20灌注桩±202 保护层厚度(mm)柱、梁、拱肋±53 基础、锚锭、墩台±10板±33 一般项目箍筋、横向水平筋、螺旋筋间距(mm)±10 24 钢筋骨架尺寸(mm)长±101 宽、高或直径±55 弯起钢筋位置(mm)±20 2外观缺陷减分质量保证资料不全减分监理意见合计扣分项目代号扣分小计资料代号3.2.4 (1)(2)(3)(4)(5)(6)工程质量等级评定减分评分值小计质量等级检验负责人:检测:记录:复核:水泥混凝土抗压强度试验SY-305承包单位:中交第二航务工程局有限公司合同段:WDQ-JL-01监理单位:山东格瑞特监理咨询有限公司本表编号:工程名称施工部位试验单位取样地点试样名称试验规程试样描述用途试验负责人试件制件日期试验日期龄期试样尺寸破坏荷载抗压强度(Mpa)设计强度编号(天)(cm)(KN) 单值平均(Mpa)结论:试验:复核:监理工程师:日期:混凝土坍落度及密度试验SY-302承包单位:中交第二航务工程局有限公司合同段:WDQ-JL-01 监理单位:山东格瑞特监理咨询有限公司本表编号:工程名称施工路段试验单位取样地点试样名称试验规程试样描述用途试验负责人坍落度三级评定粘聚性棍度含砂情况析水情况12平均结构物名称取样日期试验次数 1 2 3 4 5 6 7 8 容量筒质量(Kg)筒砼共质量(Kg)砼质量(Kg)筒体积(L)砼密度(Kg/L)砼平均密度(Kg/L)结论:试验:复核:监理工程师:日期:桩基成桩检查表ZJ-026承包单位中交第二航务工程局有限公司合同号 WDQ-JL-01 监理单位山东格瑞特监理咨询有限公司编号共页第页单位工程名称及桩号分项工程公路等级墩(台)、桩编号设计桩顶高程(m) 成桩顶高程(m)桩心坐标X 设计实测偏差允许值:实测值:Y 设计实测偏差允许值:实测值:桩头直径(cm) 设计实测偏差桩头凿除高度(cm) 接桩长度(cm) 最小保护层(cm)有无露筋及处理方法混凝土外貌检查图示自检意见签字:日期:监理意见签字:日期:检测:复核:技术负责人:现场钢筋接头连接质量记录表ZJ-024监理单位:山东格瑞特监理咨询有限公司编号:共页第页工程名称钢筋规格抽检数量生产日期提供单位代表数量工程部位接头类型检验结果序号钢筋直径拧紧力矩值检验(N.m)外露有效螺纹检验备注左右结论:年月日监理工程师意见及签字:签字:年月日现场钢筋丝头加工质量检查表ZJ-023技术负责人:质检员:年月日监理单位:山东格瑞特监理咨询有限公司编号:共页第页工程名称钢筋规格抽检数量生产日期提供单位代表数量工程部位接头类型检验结果序号钢筋直径丝头螺纹检验丝头外观检验备注环通规环止规有效螺纹长度(mm)不完整螺纹(mm)外观检查结论:年月日监理工程师意见及签字:签字:年月日检测:复核:技术负责人:年月日。