水力发电厂电力图设计
- 格式:doc
- 大小:203.00 KB
- 文档页数:16
实用文档发电厂电气部分电气设计报告题目:水力发电厂电气一次部分设计班级: K0312417:罗开元学号: K031241723老师:高仕红2015年 07 月 06 日信息工程学院课程设计任务书摘要本文为4×15MW水力发电厂电气一次部分设计。
通过对原始资料的详细分析,根据设计任务书的要求,进行了电气主接线方案的经济技术比较,厂用电设计,短路电流计算和电气设备的选择和校验,配电装置设计。
编制了设计说明书,绘制了主接线图,厂用电接线图。
关键字:主接线、短路计算、设备选择、配电装置、设计说明书、主接线图、厂用电AbstractThis article is 4 x 15 mw hydropower plant electrical part design at a time. Through detailed analysis of original data, according to the requirements of the design plan descriptions of the economic and technical comparison, the main electrical wiring scheme design of auxiliary power, short circuit current calculation and selection of electrical equipment and calibration, power distribution equipment design. Compiled the design specification, draw the main wiring diagram, auxiliary power wiring diagram.The keyword :The main connection, short circuit calculation, equipment selection, power distribution equipment, design specifications, main wiring diagram, auxiliary power目录1综合课程设计任务 (2)1.1题目…………………………………………………………………................ .21.2原始资料 (2)1.3设计任务 (2)1.4设计成果 (2)1.5备注 (2)2、发电厂电气主接线设计 (3)2.1主接线的方案设计 (3)2.2主接线方案的经济技术比较 (5)3、短路电流计算 (11)4、导体,电器设备选择及校验 (15)4.1导体设备选择概述 (15)4.2导体的选择与校验 (15)4.3导体和电气设备的选择成果表 (17)5、配电装置设计 (20)参考文献 (21)附录 (22)1、综合课程设计任务1.1题目水力发电厂电气一次系统设计1.2原始资料(1城镇名称工业发展远景负荷增长A 农业用电、地方小型工业10MWB 有色金属、煤、钢铁企业120MWC 化工、纺织、水泥55MWD 钢铁、机械制造、化肥、农机厂115MWE 食品工业、农业用电、轻工业29MW(2度34.1℃,户外最低气温40.1℃;水电站装机4x15MW,最大利用小时数5000小时,110kV 出现3回,其中一回线供20MW的I类负荷,水电站附近负荷3MW(不包括自用电和枢纽用电),全系统最大负荷340MW,最小负荷225MW。
CAD绘制水力发电站简化模型的方法指南在现代工程设计过程中,计算机辅助设计(CAD)软件已经成为必不可少的工具。
对于水力发电站的设计来说,CAD软件可以帮助工程师快速而准确地绘制建筑平面图、管道布局和设备模型等。
本文将介绍一些简化模型的方法和指南,以提高CAD绘制水力发电站的效率和效果。
1. 确定设计要求和参考资料在开始CAD绘制之前,明确设计要求和参考资料是非常重要的。
参考资料可以包括建筑图纸、设备参数和工程规范等。
这些资料将帮助你了解发电站的整体结构和布局,以便进行合理的CAD设计。
2. 创建基本几何图形根据设计要求和参考资料,先创建一些基本几何图形,如矩形、圆形和线条等。
这些基本几何图形可以代表建筑物的外形、管道的走向和设备的位置等。
通过精确绘制这些几何图形,可以奠定后续绘制的基础。
3. 使用图层进行分组管理将不同的元素分组并分配到不同的图层中,可以方便后续的编辑和管理。
比如,将建筑物分配到一个图层,将管道分配到另一个图层,将设备分配到第三个图层,以此类推。
这样做可以让你根据需要随时隐藏或显示特定的元素。
4. 应用图形编辑工具CAD软件提供了各种各样的图形编辑工具,如移动、旋转和拉伸等。
使用这些工具,你可以对已绘制的几何图形进行实时编辑。
比如,你可以移动建筑物的位置、旋转管道的方向或者拉伸设备的尺寸。
通过灵活运用图形编辑工具,可以有效地修改模型,并实现设计要求。
5. 添加细节和文字标注除了基本的几何图形外,还可以通过添加细节和文字标注来丰富模型。
比如,你可以绘制门窗的轮廓,添加标准图例,或者标注设备的型号和尺寸等。
这些细节和文字标注可以提高模型的可读性和准确性,方便与他人交流和演示。
6. 使用材质和颜色进行渲染CAD软件通常提供了材质和颜色的渲染功能,可以让模型更加逼真和生动。
通过给建筑物、管道和设备等元素上色,并使用适当的材质纹理,可以让模型在CAD软件中呈现出真实的外观和质感。
渲染功能还可以帮助你更好地理解和评估设计效果。
1 绪论1.1 原始资料1.1.1 水力发电厂(1)水轮发电机组4台:4*125MW;出口电压:15.75KV;(2)机组年利用小时数:Tmax=4200小时。
(3)厂用电率:15%。
(4)发电机出口主保护动作时间取0.2秒。
(5)环境温度:最高温度35度,年平均气温15度。
1.1.2 电力负荷向110KV系统输送功率240MW,年利用小时数:4000小时;剩余功率全部送入系统,年利用小时数:4200小时。
功率因数均取0.85。
1.1.3 发电厂出线110KV 架空出线6回,220KV 架空出线4回。
1.1.4 电力系统情况110KV 系统容量为无穷大,选基准容量100MVA,归算到发电厂110KV母线,系统供给的短路容量为3400MVA;发电厂与相距150KM 的220KV变电站两回连接,220KV系统容量为2500MVA。
1.2 设计的任务与要求1.2.1 设计的任务(1)发电机和变压器的选择表1-1水轮发电机的型号参数发电机型号额定容量(KVA)额定电压(KV)额定功率因数(KW)电抗(标幺值)时间常数Ts1280/180 -60 150150750.85520001.036.314.2187.277.13注:发电机参数如上表,要求选择发电机的主变,联络110KV 和220KV的联络变压器的型号。
(2)电气主接线选择注:水电发电厂的发电机-变压器接线方式通常采用单元接线的方式,注意主变压器容量应当与发电机容量向匹配。
110KV和220KV电压级用自耦变压器联接,相互交换功率,接线方式220KV 采用双母线接线,110KV采用双母线接线。
(3)短路电流的计算在满足工程要求的前提下,为了简化计算,对短路电流进行近似计算法。
结合电气设备选择,选择短路电流计算点,求出各电源I,计算短路电流热效应所需提供的起始次暂态电流''I,冲击电流sh不同时刻的电流(4)电气设备的选择要求选择:220KV侧出线断路器、隔离开关、电流互感器,母线截面和电压互感器。
注:电气设备的选择包括选择和校验,而校验则需要结合(3)的短路电流计算的结果。
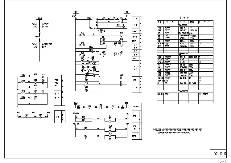
(5)绘制发电厂电气主接线图要求:每人手工绘制电气主接线图(A2)一张。
1.2.2 设计的要求(1)短路计算及电气设备选择计算方法应当正确。
(2)主接线图形符号、线条及标题栏符合规范,接线正确,图面布局合理,参数标注正确,图形清晰美观。
(3)论文格式符合要求,结构严谨,逻辑性强,层次分明,纹理通顺,无错别字,要求手写,20页左右,统一使用A4纸张。
2 主接线方案的选择2.1 主接线方案的选择对电气主接线的基本要求,概括的说应该包括可靠性、灵活性和经济性三方面,下面简要分析一下。
⑴可靠性可靠安全是电力生产的首要任务,保证供电可靠是电气主接线最基本要求。
它可以从以下几方面考虑:①发电厂或者变电所在电力系统中的地位和作用;②发电厂和变电所接入电力系统的方式;③发电厂和变电所的运行方式及负荷性质;④设备的可靠性程度直接影响着主接线的可靠性;⑤长期实践运行经验的积累是提高可靠性的重要条件。
⑵灵活性主接线应满足在调度、检修及扩建时的灵活性。
①调度时,应操作方便的基本要求,既能灵活的投入或切除某些机组、变压器或线路,调配电源和负荷,又能满足系统在事故运行方式、检修运行方式及特殊运行方式下的调度要求;②检修时,可以方便地停运断路器、母线及其继电保护设备,进行安全检修而不致影响电力网的运行和对用户的供电;③扩建时,可以容易地从初期接线过渡到最终接线。
在不影响连续供电或停电时间最短的情况下,投入新装机组、变压器或线路而不互相干扰,并且对一次和二次部分的改建工作量最少。
⑶经济性主接线应在满足可靠性和灵活性的前提下作到经济合理。
一般从以下几方面考虑。
①投资省;②占地面积少;③电能损耗少。
此外,在系统规划设计中,要避免建立复杂的操作枢纽,为简化主接线,发电厂、变电所接入系统的电压等级一般不超过两种。
发电、供电可靠性是发电厂生产的首要问题,主接线的设计首先应保证其满发、满供、不积压发电能力,同时尽可能减少传输能量过程中的损失,以保证供电连续性。
为此,对大、中型发电厂主接线的可靠性,应从以下几方面考虑:①断路器检修时,是否影响连续供电;②线路、断路器或母线故障,以及在母线检修时,造成馈线停运的回路数多少和停电时间的长短,能否满足重要的Ⅰ,Ⅱ类负荷对供电的要求;③本发电厂有无全厂停电的可能性;④大型机组突然停电对电力系统稳定运行的影响与产生的后果等因素。
所以对大、中型发电厂电气主接线,除一般定性分析其可靠性外,尚需进行可靠性的定量计算。
主接线还应具有足够的灵活性,能适应多种运行方式的变化,且在检修、事故等特殊状态下操作方便、调度灵活、检修安全、扩建发展方便。
主接线的可靠性与经济性综合考虑、辨证统一,在满足技术要求的前提下,尽可能投资省、占地面积少、电压损耗少、年费用(投资与运行)为最小。
根据对原始资料的分析,选择双母线接线。
双母线具有较高的可靠性,广泛用于以下情况:进出线回数较多、容量较大、出线带电抗器的6~10KV配电装置;35~60KV出线数超过8回,或者连接电源较大、负荷较大时;110KV出线数为6回以上时,220KV出线数为4回时。
本设计中110KV出线数为6回,220KV出线数为4回,因此使用双母线接线方案具有适用性和合理性。
2.2 双母线接线特点双母线有两组母线,并且可以互为备用。
每一电源和出线回路都设有一台断路器,有两组母线隔离开关,可分别与两组母线连接。
两组母线之间的联络,通过母线联络断路器(简称母连断路器)QFC 来实现。
双母接线与单母接线相比,投资有所增加,但是使运行的可靠性和灵活性大为提高。
有以下特点:(1)供电可靠。
通过两组母线隔离开关的倒换操作,可以轮流检修一组母线而不至使供电中断;一组母线故障后,能迅速恢复供电;检修任一回路的母线隔离开关时,只需断开此隔离开关所属的一条电路和与此隔离开关连接的该组母线,其他电路均可通过另外一组母线继续运行,但其操作步骤必须正确。
(2)调度灵活。
各个电源和各回路负载可以任意分配到某一组母线上,能灵活的适应电力系统中各种运行方式调度和潮流变化的需要;通过倒换操作可以组成各种运行方式。
(3)扩建方便。
向双母线左右任何方向扩建,均不会影响两组母线的电源和负荷自由组合分配,在施工过程中也不会造成原有回路停电3 短路计算3.1 主变压器的选择3.1.1 主变压器的选择方法(1)主变压器的电压确定①变压器对于负荷侧的电压,可根据给定的负荷送电电压来确定,若未规定具体电压,则可根据负荷量与送电距离即负荷距离来确定负荷的允许送电电压,继而确定变压器高压侧电压。
②变压器与系统联系侧的电压可根据本厂接入电网的电压来确定,若未明确规定时,可按本厂发电机的功率和功率因数来确定。
③110KV和220KV之间需要交换功率时需联络变,选取联络变压器。
(2)主变容量的确定主变容量应能满足本厂供给最大负荷的要求,扣除厂变 1.5%,又留有10%的余量,及系统要求的交换功率同时还应考虑5-10年的发展情况及网络的功率损失。
(3)主变的台数的确定由于本厂采用发电机—变压器单元接线,故有二台,联络变一台。
(4)变压器结构型式的选择当具有三个电压等级时,如果通过主变各侧的功率达到变压器额定容量的15%以上,一般应选择三绕组结构,变压器各侧的容量比可根据各侧负荷情况来选定。
本设计中只有两个电压等级,因此只需选择双绕组变压器(5)变压器的型式根据变压器的容量,使用条件,冷却方式及系统要求情况,选择国家生产的标准产品。
由原始资料提供的发电机参数知:水轮机发电额定容量4*150MVA ;发出功率4*125MW;额定电压15.75KV ;额定功率因数0.85 ;电抗(标幺值)''dX=0.218 。
厂备用率为:1.5%水力发电厂的发电机-变压器接线方式通常采用单元接线的方式。
3.1.2 110KV 侧主变压器选择由于电压变比为15.75KV/110KV ,考虑单元接线中的主变压器容量S 应按发电机额定容量扣除本机组的厂用负荷后留有10%的裕度选择 1.1则容量为 1.1*(1)/cos S K P P NG G ϕ=-GN P 发电机容量,MWcos G ϕ发电机功率因数P K 厂备用率所以可以得到容量S=162.5KVA ,考虑变比15.75KV/110KV 选择变压器如表3-1: 表3-1 110kV 侧主变型号变压器型号高压(KV) 低压(KV) 空载损耗Po(KW) 短路损耗Pk(KW) 阻抗电压Uk(%) 连接组标号 SF11-180000/110110 10.5 91.8 514.9 14 Ynd11 3.1.3 220KV 侧主变压器选择由于电压变比为15.75KV/220KV ,考虑单元接线中的主变压器容量S 应按发电机额定容量扣除本机组的厂用负荷后留有10%的裕度选择 1.1容量为 1.1*(1)/cos S K P P NG G ϕ=-GN P 发电机容量,MWcos G ϕ发电机功率因数P K 厂备用率所以可以得到容量S=162.5KVA ,考虑变比15.75KV/110KV 选择变压器如表3-2:表3-2 220kV侧主变型号3.2 联络变压器的选择3.2.1 连接两种升高电压母线的联络变压器容量的确定原则(1)联络变压器容量应能满足两种电压网络在各种不同运行方式下,网络间的有功功率和无功功率的交换。
(2)联络变压器容量一般不应小于接在两种电压母线上最大一台机组的容量,以保证最大一台机组故障或检修,通过联络变压器来满足本侧负荷的要求,同时,也可在线路检修或故障时,通过联络变压器将剩余容量送入另一系统。
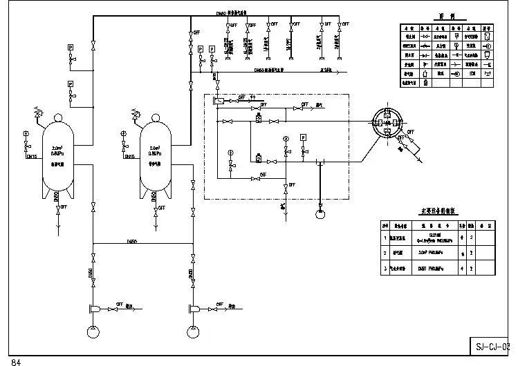
3.2.2 联络变压器的型式联络变压器为了布置和引线方便,通常只选一台,其第三绕组,即低压绕组兼作厂用备用电源或引接无功补偿装置该发电厂的联络变压器高中压绕组分别接于220KV和110KV母线,其低压绕组作为厂用备用电源,由于穿越本厂功率为162MVA,所选联络变容量大于162MVA既可满足。
本设计中联络变压器选用自耦变压器联络变压器的型号及参数如表3-3表3-3 联络变型号及参数3.3 电路等值电路图如图3-1所示图3-1 等值电路图3.4 电路参数计算选取基准容量为100M V A ,基准电压为U a v.v(1) 水轮发电机参数计算:(2)220K V 侧主变压器参数计算:(3)110K V 侧主变压器参数计算:(4) 联络变压器参数计算:(5)线路阻抗参数计算:(6)无穷大系统阻抗参数计算:3.5 电路等值化简:将发电机支路G 1与G 2合并,G 3与G 4合并,I X 与II X 合并,可以得到简化电路图如图3-2所示图3-2 等值电路图的化简图a因为短路点选择在1处,因此,我们需要将1X ,1XG ,X 进行Y -∆变换: 可以得到下面的等值电路图3-3图3-3 等值电路图的化简图b3.6 短路电流相关计算:(1)发电机支路短路电流分量计算:先将发电机支路转移阻抗转换为计算阻抗: 经查表可以得到发电机支路在0t ,1t ,2t 时的短路电流标幺值如表3-4所示:表3-4 短路电流标幺值将标幺值转化为有名值:电流基准为:0.753Id === 转化方程:**I I Id =所以发电机支路电流有名值如表3-5:表3-4 短路电流有名值(2)无穷大系统支路短路电流分量计算: 无穷大系统短路电流标幺值计算:电流基准为:0.251Id === 转化方程:**I I Id =所以无穷大系统支路电流有名值为:1 2.18()Is KA =,2 2.59()Is KA =因此,流过短路点的总电流有名值为: 所以,(1)冲击电流为:(2)最大持续工作电流(3)因为短路热稳定短路时间2()1()k t s s =>,不计非周期热效应。