全向天线说明书
- 格式:doc
- 大小:434.00 KB
- 文档页数:5
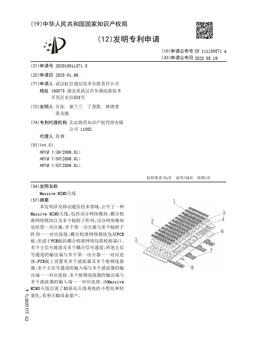
(19)中华人民共和国国家知识产权局(12)发明专利申请(10)申请公布号 (43)申请公布日 (21)申请号 202010011371.5(22)申请日 2020.01.06(71)申请人 武汉虹信通信技术有限责任公司地址 430073 湖北省武汉市东湖高新技术开发区东信路5号(72)发明人 许拓 廖兰兰 丁晋凯 林增勇 张友敏 (74)专利代理机构 北京路浩知识产权代理有限公司 11002代理人 张睿(51)Int.Cl.H01Q 1/36(2006.01)H01Q 1/50(2006.01)H01Q 1/52(2006.01)(54)发明名称Massive MIMO天线(57)摘要本发明涉及移动通信技术领域,公开了一种Massive MIMO天线,包括功分网络模块、耦合校准网络模块以及多个辐射子阵列,功分网络模块包括第一功分器,多个第一功分器与多个辐射子阵列一一对应连接;耦合校准网络模块包括PCB 板;形成于PCB板的耦合校准网络包括校准端口、多个主信号通道及多个耦合信号通道;所述主信号通道的输出端与多个第一功分器一一对应连接;PCB板上设置有多个滤波器及多个射频连接器,多个主信号通道的输入端与多个滤波器的输出端一一对应连接,多个射频连接器的输出端与多个滤波器的输入端一一对应连接。
该Massive MIMO天线实现了5G基站天线系统的小型化和轻量化,有利于5G设备量产。
权利要求书1页 说明书5页 附图4页CN 111180871 A 2020.05.19C N 111180871A1.一种Massive MIMO天线,其特征在于,包括:辐射子阵列模块、功分网络模块以及耦合校准网络模块;所述辐射子阵列模块包括多个辐射子阵列,所述功分网络模块包括多个第一功分器,多个所述第一功分器与多个所述辐射子阵列一一对应连接;所述耦合校准网络模块包括PCB板;形成于所述PCB板的耦合校准网络包括校准端口、多个主信号通道及多个耦合信号通道;多个所述主信号通道的输出端与多个所述第一功分器一一对应连接;所述PCB板上设置有多个滤波器及多个射频连接器,多个所述主信号通道的输入端与多个所述滤波器的输出端一一对应连接,多个所述射频连接器的输出端与多个所述滤波器的输入端一一对应连接。
Rev 0505 High Gain Omni-Directional Antenna User Guidefor Models:WI-ANT-P6 Omni-Directional 6 dBd Pole remote antennaWI-ANT-P6-A-10 Omni 6 dBd remote antenna w/lightning arrestor & 10 ft cableWI-ANT-P6-A-25 Omni 6 dBd remote antenna w/lightning arrestor & 25 ft cableAccutech High Gain Omni-Directional Remote Antenna User Guide Rev 0505______________________________________________________________________________________________________________________________________A Division of Adaptive Instruments Corp.577 Main Street · Hudson, MA 01749 U.S.A.TE L:800-879-6576·978-568-0500FAX:978-568-9085Email:*******************************Rev Date Notes InitialsRelease TH1.0 1/17/2005TH0505 05/17/2005 Updated format, changedan installation picture.AccutechA Division of Adaptive Instruments Corp.577 Main Street · Hudson, MA 01749 USATEL: 800-879-6576 · 978-568-0500FAX: 978-568-9085Email: *******************************Web: Accutech High Gain Omni-Directional Remote Antenna User Guide Rev 0505Table of Contents1.ABOUT THE HIGH GAIN OMNI-DIRECTIONAL ANTENNA (1)2.INSTALLING THE HIGH GAIN ANTENNA WITH THE LIGHTNING ARRESTOR (2)2.1.Package Contents (2)2.2.Antenna & Lightning Arrestor Connection (3)3.INSTALLING THE HIGH GAIN ANTENNA (6)3.1.Package Contents (6)3.2.Antenna Connection (7)4.TECHNICAL SPECIFICATIONS (9)4.1.High Gain Omni-Directional Antenna (9)4.2.Mounting bracket dimensioned drawing (10)Accutech High Gain Omni-Directional Remote Antenna User Guide Rev 0505Accutech High Gain Omni-Directional Remote Antenna User Guide Rev 05051. About the High Gain Omni-DirectionalAntennaHigh gain and remote antennas can increase the transmission distanceof the Accutech Wireless Sensors. For even greater transmissiondistance, a high gain directional antenna (Yagi) may be purchased as anintegral part of a field unit.Warning! Any Base Radio with an omni-directional antenna is forordinary locations only.This manual will guide you through the steps to connect a High GainOmni-Directional Antenna with or without a lightning arrestor to a BaseRadio. If you are using a lightning arrestor, go to section 2. If you are notusing a lightning arrestor, go to section 3.The following model numbers are covered in this guide:Remote AntennasWI-ANT-P6 Omni-Directional 6 dBd Pole remote antennaWI-ANT-P6-A-10 Omni 6 dBd remote antenna w/lightning arrestor & 10 ft cableWI-ANT-P6-A-25 Omni 6 dBd remote antenna w/lightning arrestor & 25 ft cableEach of the above High Gain Remote Antenna models can be used withany of the following Base Radio model numbers:Base RadiosWI-BR-R10-4XN EMA 4X Base Radio w/10 ft cable and RS-485 output for rmt antenna WI-BR-R10-4X-MOD NEMA 4X Base Radio w/10 ft cable, RS-485 & Modbus, for rmt antenna WI-BR-R25-4X NEMA 4X Base Radio w/25 ft cable and RS-485 output for rmt antenna WI-BR-R25-4X-MOD NEMA 4X Base Radio w/25 ft cable, RS-485 & Modbus, for rmt antenna1Accutech High Gain Omni-Directional Remote Antenna User Guide 05052. Installing the High Gain Antenna with theLightning ArrestorThis section will show you how to install the high gain antenna with thelightning arrestor. If you are not using the lightning arrestor, go to Section3. For additional information about the Base Radio see the Base RadioUser Manual. Any of the Base Radio model numbers mentioned insection 1 may be used with the following remote antenna models:WI-ANT-P6-A-10 Omni 6 dBd remote antenna w/lightning arrestor & 10 ftcableWI-ANT-P6-A-25 Omni 6 dBd remote antenna w/lightning arrestor & 25 ftcable2.1. Package ContentsThe high gain Omni 6 dBd antenna with the lightning arrestor kit comescomplete with:[1] High gain antenna pole[2] 2 Mounting brackets for the high gain antenna[3] Lightning arrestor assembly consisting of lightning arrestor and 10’of 10 AWG ground wire[4] Coaxial cable assembly attached to the l ightning arrestor:10’ length for WI-ANT-P6-A-1025’ length for WI-ANT-P6-A-25[5] Waterproofing material for the antenna coaxial connectionT he following comes attached to the Base Radio:cableassembly:[6] Coaxial10’ length for WI-BR-R10-4X and WI-BR-R10-4X-MOD25’ length for WI-BR-R25-4X and WI-BR-R25-4X-MODAccutech High Gain Omni-Directional Remote Antenna User Guide Rev 0505 22.2. Antenna & Lightning Arrestor ConnectionAttention!For installation inordinary locations only!Antenna connected to Lightning Arrestor and Base Radio3Accutech High Gain Omni-Directional Remote Antenna User Guide 0505Warning! Always use caution when installing this antenna. You canbe seriously injured if this antenna comes near or in contact with apower line. Follow all local and national electrical coderequirements when installing the Base Radio with the high gainantenna.[1] Select the locations for the high gain antenna, the lightningarrestor and Base Radio.It is recommended that the lightning arrestor be mounted in closeproximity to the building egress. The lightning arrestor should bemounted indoors unless you have the weatherproof enclosure.The location for the high gain antenna should be selected basedon optimal positioning for RF communications with the field unitsand allow for sufficient length of coaxial cable to reach the buildingegress.The Base Radio should be installed in a location where there issufficient coaxial cable available to reach the building egress.Warning! Any Base Radio with an omni-directional antenna is forordinary locations only.[2] P osition the antenna sothat the gold sleeve clearsany obstructions. Thisincludes masts and towersections.[3] Mount the antenna usingthe 2 mounting brackets.One clamp must beplaced at the center of thegold sleeve, the other atany point below.[4] Connect the Base Radio coaxial cable to the lightning arrestor andtighten by hand.[5] Attach the ground wire to a suitable earth ground connection. Keepthis wire as short as possible. Make sure this connection conformsto electrical code requirements.[6] Connect the lightning arrestor coaxial cable to the antenna andhand-tighten.[7] Install a drip loop in the cable to insure proper drainage.Accutech High Gain Omni-Directional Remote Antenna User Guide Rev 0505 4[8] Wrap the antenna connection with the supplied waterproofingmaterial.Note Do not cover the drain holes on the bottom of the antenna asthey provide drainage for moisture.[9] Finished.5Accutech High Gain Omni-Directional Remote Antenna User Guide 05053. Installing the High Gain AntennaThis section will show you how to install the high gain antenna without alightning arrestor. If you are using a lightning arrestor, go to section 2.For additional information about the Base Radio see the Base RadioUser Manual.Warning! This configuration is for indoor use only. If you aremounting the antenna outdoors, a lightning arrestor must be used.Any of the Base Radio model numbers mentioned in section 1 may beused with the following remote antenna model:WI-ANT-P6 Omni-Directional 6 dBd Pole remote antenna3.1. Package ContentsThe high gain Omni 6 dBd antenna kit comes complete with:[1] High gain antenna pole[2] 2 Mounting brackets for the high gain antenna[3] Waterproofing material for the antenna coaxial connectionT he following comes attached to the Base Radio:assembly:[4] Coaxialcable10’ length for WI-BR-R10-4X and WI-BR-R10-4X-MOD25’ length for WI-BR-R25-4X and WI-BR-R25-4X-MODAccutech High Gain Omni-Directional Remote Antenna User Guide Rev 0505 63.2. Antenna ConnectionAttention!For installation inordinary locations only!Antenna connected to Base Radio7Accutech High Gain Omni-Directional Remote Antenna User Guide 0505Warning! Always use caution when installing this antenna. You canbe seriously injured if this antenna comes near or in contact with apower line. Follow all local and national electrical coderequirements when installing the Base Radio with the high gainantenna.[1] Select the locations for the high gain antenna and Base Radio.The location for the high gain antenna should be selected basedon optimal positioning for RF communications with the field units.Warning! Any Base Radio with an omni-directional antenna is forordinary locations only.[2] Position the antenna sothat the gold sleeve clearsany obstructions. Thisincludes masts and towersections.[3] Mount the antenna usingthe 2 mounting brackets.One clamp must beplaced at the center of thegold sleeve, the other atany point below.[4] Connect the Base Radio coaxial cable to the antenna and hand-tighten.[5] Install a drip loop in the cable to insure proper drainage.[6] Wrap the connection with the supplied waterproofing material.Note Do not cover the drain holes on the bottom of the antenna asthey provide drainage for moisture.[7] Finished.Accutech High Gain Omni-Directional Remote Antenna User Guide Rev 0505 84. Technical Specifications4.1. High Gain Omni-Directional AntennaBase Radio High Gain Omni-Directional AntennaLength65”Gain 6 dBd (less cable loss ≈ 0.04 dBd/ft)Weight 6 lbsPolarization VerticalMounting Heavy wall gold anodized 1 ¼” aluminum withbrackets included10’ or 25’Base Radio coaxialcable length9Accutech High Gain Omni-Directional Remote Antenna User Guide 05054.2. Mounting Bracket Dimensioned DrawingMounting bracket dimensioned drawingAccutech High Gain Omni-Directional Remote Antenna User Guide Rev 0505 10______________________________________________________________________________________________________________________________________ A Division of Adaptive Instruments Corp.577 Main Street · Hudson, MA 01749 U.S.A.TE L: 800-879-6576 · 978-568-0500FAX: 978-568-9085Email: ******************************* Accutech, a division of Adaptive Instruments Corp., is a leading edge,technology-driven developer, manufacturer and supplier of embeddedmicroprocessor-based electronics. Based in Hudson, Massachusetts,Accutech is the most successful leading independent producer ofwireless instrumentation on the market today.Accutech customers include large national companies in the oil andgas, chemicals, pharmaceutical, food and beverage, primary materialsprocessing, and energy industries. In addition to the wireless productline, Accutech also offers a traditional wired line of temperature,pressure and differential pressure instrumentation.In the process control field, where quality is taken for granted and newtechnology is announced daily, we have deliberately concentrated ourefforts on the development of instrumentation that makes businesssense. The result is a product range that is rugged, secure, andreliable and works in even the most hazardous environments. We givecompanies the tools to reduce costs, save time, enhance safety,improve environmental performance and cut waste.The next industrial revolution is right now. Let Accutech show you howto realize gains in operating efficiency.Visit us at: Or call us at +1 800 879-6576 Specifications subject to change without notice. Printed in USA. Copyright 2005 Adaptive Instruments, Corp.。
M O Q V T X R N P W U YS Parabolic Dish Antenna Feed Feed Bracket Back PlateAlignment Bracket Pole Bracket Pole Clamp Case Holder RF CableSelf-Bonding Tape Slice M10x130 BoltAdjusting Mechanism M6x20 Bolt M4x12 Bolt M4 Wing NutM4 Serrated Washer M6 Nut M6 WasherM6 Fender Washer M6 Spring Lock Washer M10 Square Washer M10 Jam NutM10 Fender Washer M10 Spring Lock Washer M10 NutA B C D E F G H I J K L M N O P Q R S T U V W X Y11111121224216425201281644444ITEMDESCRIPTIONQTYMikroTik Antenna assembly preview frontMikroTik Antenna D-5G-30D3-PAQuick setup guide and warranty information Package contents0. Items Required• 10mm Wrench • 17mm Wrench • PH2 Screw Driver •• This guide is written to be used with a MikroTik RB900 series outdoor device (sold separately) •1. Install Back Plate to Parabolic DishInstall Back Plate [D] to Parabolic Dish [A] using:[M] M6x20 Bolt x 8 pcs;[R] M6 Washer x 8 pcs;[T] M6 Spring Lock Washer x 8 pcs;[Q] M6 Nut x 8 pcs.Important:• Back Plate [D] must be aligned respectively to a bore in theParabolic Dish [A] - see Fig. 1;• M6 Nut [Q] tightening torque must be approximately 5 Nm.2. Install Antenna FeedInstall Antenna Feed [B] to Parabolic Dish [A] using:[C] Feed Bracket x 1 pc;[N] M4x12 Bolt x 4 pcs;[P] M4 Serrated Washer x 4 pcs.Install grounding fasteners:[O] M6 Wing Nut x 1 pc;[P] M4 Serrated Washer x 1 pc.Important:• Antenna Feed [B] and Feed Bracket [C] must be aligned respectively to the hole in the Parabolic Dish [A] - see Fig. 2;• M4x12 Bolt [N] tightening torque must be approximately 2 Nm.3. Assemble Alignment and Pole BracketsAssemble Alignment [E] to Pole Bracket [F] using:[M] M6x20 Bolt x 4 pcs;[S] M6 Fender Washer x 4 pcs;[T] M6 Spring Lock Washer x 4 pcs;[Q] M6 Nut x 4 pcs.Install Adjusting Mechanism [L] using:[R] M6 Washer x 2 pcs;[Q] M6 Nut x 2 pcs.Important:• Mount Alignment Mechanism's [L] bolt with larger shank diameterthrough the corresponding hole in the Pole Bracket [F] - see Fig. 3;• Secure Alignment Mechanism [L] by tightening M6 Nuts [Q] toapproximately 5 Nm;• Do not tighten other fasteners rmly until step 10.4. Assemble Brackets to Back PlateAssemble Alignment [E] and Pole Bracket [F] to Back Plate [D] using: [M] M6x20 Bolt x 4 pcs;[S] M6 Fender Washer x 4 pcs;[T] M6 Spring Lock Washer x 4 pcs;[Q] M6 Nut x 4 pcs.Install Adjusting Mechanism [L] using:[R] M6 Washer x 2 pcs;[Q] M6 Nut x 2 pcs.Important:• Mount Alignment Mechanism's [L] bolt with larger shank diameter through the corresponding hole in the Alignment Bracket [E] - see Fig. 4;• Secure Alignment Mechanism [L] by tightening M6 Nuts [Q] toapproximately 5 Nm;• Do not tighten other fasteners rmly until step 9.5. Attach MikroTik Radio to Back PlateAttach a MikroTik RB900 series outdoor device to Case Holder [H] using: [-] M3x8 Bolt x 4 pcs (Comes with MikroTik Radio) - see Fig. 5.1. Attach Case Holder [H] to Back Plate [D] by tting Case Holder’s hinges into the Back Plate’s ange - see Fig. 5.2. Secure Case Holder using: [O] M4 Wing Nut x 1 pc.Important:• M3x8 Bolt [-] tightening torque must be approximately 1.5 Nm.6. Install RF CablesRemove the cover from MikroTik Radio and install the RF Cables [I]. Connect vertical polarization (arrow V) to CH0, horizontal polarization (arrow H) to CH1 - see Fig. 6.Insulate the RF Cable [I] ends which are connected to Antenna Feed [B]by using: [J] Self-Bonding Tape Slice x 2pcs.• Remove the plastic liner from both sides;• Stretch the tape to 2/3 of its width;• Apply half-lapped layers clockwise.The RF Cable [I] ends which are connected to MikroTik Radio are insulated by the cover.Fit back the MikroTik Radio cover.Important:• RF Cables [I] connector tightening torque must be approximately 0.5 Nm.7. Install Pole FastenersDetermine the pole diameter which MikroTik Antenna will be attached to. • If the pole diameter is less than 60mm( 2.375”) use the hole pattern from Fig. 7.1 to install the M10x130 Bolts [K];• If the pole diameter is 60 - 100mm (max) use the hole pattern from Fig. 7.2.Install M10x130 Bolt [K] x 4 pcs using:[U] M10 Square Washer x 4 pcs;[V] M10 Jam Nut x 4 pcs.Important:• M10 Jam Nut [V] tightening torque must be approximately 4 Nm.8. Attach Antenna to PoleMikroTik Antenna is design to t the pole diameter up to 100mm( 3.9”).Attach MikroTik Antenna to pole as shown in Fig. 8 using:[G] Pole Clamp x 2 pcs;[W] M10 Fender Washer x 4 pcs;[X] M10 Spring Lock Washer x 4 pcs;[Y] M10 Nut x 4 pcs.Important:• M10 Nuts [Y] tightening torque must be approximately 25 Nm.M3x8H OFIG. 5.1FIG. 5.2DHVJIFIG. 6 BIF POLE Ø < 60mmIF POLE Ø > 60mmV U KFIG. 7.3FIG. 7.2FIG. 7.1ØMAX = 100mmGWXYFIG. 8Turn Alignment Mechanism [L] to precisely adjust the azimuth - see Fig. 9.After setting the azimuth, tighten rmly the corresponding fasteners - see Fig. 4.Important:• M6 Nuts [Q] tightening torque must be approximately 7 Nm.10. Adjust ElevationTurn Alignment Mechanism [L] to precisely adjust the elevation - see Fig. 10.Important:• M6 Nuts [Q] tightening torque must be approximately 7 Nm.Copyright and Warranty informationCopyright MikroTikls SIA. This document contains information protected by copyright law. No part of it may be reproduced or transmitted in any form without prior written permission from the copyright holder. RouterBOARD, RouterOS, RouterBOOT and MikroTik are trademarks of MikroTikls SIA. All trademarks and registered trademarks appearing in this document are the property of their respective holders.Hardware. MikroTik warrants all RouterBOARD series equipment for the term of twelve (12) months from the shipping date to be free of defects in materials and workmanship under normal use and service, except in case of damage caused by mechanical, electrical or other accidental or intended damages caused by improper use or due to wind, rain, re or other acts of nature.To return failed units to MikroTik, you must perform the following RMA (Return Merchandise Authorization) procedure. Follow the instructions below to save time, e orts, avoid costs, and improve the speed of the RMA process.1. If you have purchased your product from a MikroTik Reseller, please contact the Reseller company regarding all warranty and repair issues, the followinginstructions apply ONLY if you purchased your equipment directly from MikroTik in Latvia.2. MikroTik does not o er repairs for products that are not covered by warranty. Exceptions can be made for: CCR1016-12G, CCR1016-12G-BU,CCR1036-12G-4S, RB1100, RB1100AH, RB1100AHx2, RB1200, RB600, RB600A and RB800 as a paid service (fees apply).3. Out-of-warranty devices and devices not covered by warranty sent to Mikrotik will be returned to the sender at sender's cost. If the customer has notorganized return of such rejected devices within 12 months from the day of arrival, MikroTik has the right to discard them.RMA Instructions are located on our webpage here: This document is provided “as is” without a warranty of any kind, expressed or implied, including, but not limited to, the implied warranty of merchantability andtness for a particular purpose. The manufacturer has made every e ort to ensure the accuracy of the contents of this document, however, it is possible that it may contain technical inaccuracies, typographical or other errors. No liability is assumed for any inaccuracy found in this publication, nor for direct or indirect, incidental, consequential or other damages that may result from such an inaccuracy, including, but not limited to, loss of data or pro ts. Please report any inaccuracies found**********************。
什么是dBi、dBd、dB、dBm、dBc-技术文章真正意义上的全向天线的方向图应该是球星但是现在使用中所说的全向天线其实都只是在水平面上是圆,在垂直面上是一个长条立体上理解就是个面包圈定向天线是个大鸭梨从能量守恒上解释就是把球星的能量压缩在面包圈里当然就会出现增益,天线是无源器件本身没有放大作用,就是因为天线内部的振子的排列使本来全方位的发射集中在一定区域内才会有叠加的作用,使得天线产生增益所以压缩的越厉害的天线增益也就越高.天线增益G我们也可用增益来表示天线集中辐射的程度。
天线在某一方向的增益定义为:在相同的输入功率下,天线在某一方向某一位置产生的电场强度的平方(E2)与无耗理想点源天线在同一方向同一位置产生的电场强度的平方(E02)的比值,通常以G表示。
G=E2/E02(同一输入功率)同样,增益也可以这样来确定:在某一方向向某一位置产生相同电场强度的条件下,无耗理想点源天线的输入功率(Pino)与天线的输入功率(Pin)的比值,即称为该天线在该点方向的增益。
G=Pino/Pin(同一电场强度)通常是以天线在最大辐射方向的增益作为这一天线的增益。
增益通常用分贝表示。
即:G=101gPino/Pin天线增益的计算:G=η4πS/λ2=η(π/λ)2D2式中,S-天线口径面积(平方米);λ-工作波长(米);D-抛物面口径(即面口直径)(米);η-天线效率。
答:1、增益是用来表示天线集中辐射的程度。
其在某一方向的定义是指在输入功率相等的条件下,实际天线与理想的辐射单元在空间同一点处所产生的场强的平方之比,即功率之比。
增益一般与天线方向图有关,方向图主瓣越窄,后瓣、副瓣越小,增益越高。
增益的单位用“dBi”或“dBd”表示。
2、天线增益是用来衡量天线朝一个特定方向收发信号的能力,它是选择基站天线最重要的参数之一。
一般来说,增益的提高主要是依靠减少垂直面向辐射的波束宽度,而在水平面上保持全向的辐射特性。
编号ULM1_UserManual密级内部公开页数14名称RTLS1-ULM1用户手册会签大连浩如科技有限公司文档控制变更记录目录1产品简介 (1)2系列模块选型 (1)3产品参数 (2)4模块接口 (2)4.1USB供电、数据接口 (3)4.2固件烧录接口 (3)4.3TTL串行数据接口 (3)4.4指示灯 (3)4.5参数设置接口 (3)4.6屏幕显示 (4)5系统部署 (5)6通信协议 (7)6.1上行数据协议 (7)6.2下行数据协议 (9)7发货及配件清单 (9)8开发与学习资料 (10)1产品简介ULM1模块是大连浩如科技HR-RTLS1系列产品中的一款经典短距离定位模块,采用DecaWave官方DWM1000作为核心UWB模组,采用STM32F103CBT6(根据市元器件价格浮动情况和批次不同或其完全兼容的GD32F103CBT6)单片机作为主控MCU,板载OLED显示器,具有简单易用、高精度、体积小巧等特点。
ULM1模块可作为基站或标签使用,多个ULM1模块或和其他HR-RTLS1系列模块(LD150(-I)、LD600(-I)、ULM1-SH、ULM1-GP)搭配,可构成完整的定位系统开发套件。
2系列模块选型表2-1 模块特点对比如表所示为HR-RTLS1系列基于DW1000核心芯片的相关模块,这些模块可搭配一起使用,需注意的是,以系统内最小测距模块为最大测距距离,如ULM1与LD600相互测距,最大测距距离为50米。
3产品参数表3-1 ULM1模块参数4模块接口图4-1模块接口4.1 USB 供电、数据接口该接口可连接充电宝或其他5V 电源适配器等标准5VDC 给模块供电,也可连接电脑的USB 口,进行供电的同时传输数据,并在电脑端进行数据显示。
4.2 固件烧录接口该接口为STM32单片机SWD 调试接口,可用于固件烧录、仿真Debug 等,主要用于二次开发和固件更新,配合开发套件配套的ST-LINK 烧录工具使用。
GWT-2000-S-A型船用全向有源电视广播接收组合天线使用说明书GWT-2000-S-A型船用全向有源电视广播接收组合天线GWT-2000-S-A型船用全向有源电视广播接收组合天线采用全新概念设计是专为舰船或海上移动场合设计全方向广播、电视信号接收天线。
适用频率:AM0.3-20MHZ。
FM85-108MHZ、TV48-890MHZ全球各地均可使用。
本天线外形呈流线形,美观新颖,体积小,重量轻,安装方便,外壳采用玻璃钢结构,机械强度高,安全可靠。
适用各种海上条件的长期使用,及远航时接收效果。
主要技术参数:1.FMAM接收频率:FM85-108MHZ、AM0.3-20MHZ2.输出增益:≥20DB接收频率:48-895MHZ4.输出增益:>16db5.接收方向:水平面内天线呈全方向性(全向性不均度≤4db)6.电源电压:AC220V±10%7.输出电压:DC12V(可调)8.工作电流:100-300MA9.标称阻抗:75Ω10.环境:-20℃+60℃11.净重:≤5kg12.安装孔:Ø50m/m≤该天线接收分为两个部分:1、AMFM由四根振子呈放射形,信号放大后独立输出。
2、TV由六振根子呈弧形组合,信号经放大后送到电源盒。
一、由该系统之间配接合理,关键部位采用进口元件,故接收灵敏度高,噪声低,适用各种航海条件下的使用。
电源盒上的电位器可以在不同接收场合中进行调节,使电视图象更清晰。
安装方法:按图分别把TV、AMFM输出头接上:把整个天线套在Ø50m/m钢管上,旋紧定位螺钉。
由于本天线是全方向接收的,故在其周围3米内不应有高大建筑物和金属物,尽可避开其它接收盒发射天线包括雷达,应尽可能把天线架高,但注意要在避雷针保护区以内,确保安全。
二、AM/FM输出端在接系统箱之前,先用万用表测量阻值约在11K左右。
如发现短路则需排除,确认无误后再接系统箱AM/FM的输入端上(IN).三、TV输出端在接电源之前先用万用表测量阻值约在7K左右。
Omnidirectional Digital HDTV Over-the-Air AntennaInstallation and Operating InstructionsOA1000 • OA1000-OE • OA1010-OE (White)OA1001 • OA1001-OE • OA1011-OE (Black)Thank you for choosing a KING Antenna!The KING OmniPro is an omnidirectional antenna.It’s always pointed in the right direction!Turn on your TV.Turn on the power injector.*Start watching TV!Perform a channel scan.**Sample screen: number of channels will vary*You must have a properly installed KING wall mountpower injector to operate the KING OmniPro.KING Wall Mount Power Injector for models:OA1000 • OA1001 (supplied with this product) OA1000-OE • OA1001-OE (ordered separately) OA1010-OE • OA1011-OE (ordered separately) **See your TV or converter box owner’s manual forinstructions on performing a channel scan.Installation instructions start on next page.132OPERATION1. Select an area on the roof for the base mount keeping in mind the following IMPORTANT POINTS : a) The antenna must be mounted with the coax channel towards the rear of the vehicle.b) T he center of the roof hole must be at least 20” away from any object taller than 8” to provide clearance for the antenna head. The center of the roof hole must also be at least 8” from the edge of the roof.2. C onnect the coax from the power injector’s antenna input to the coax cable in the base mount. (The coax may come up thru the roof or enter thru the coax channel.)4. F asten the base mount to the roof. Make sure the base mount is sealed all the way around. Make sure the coax channel and fastener heads are sealed as well.IMPORTANT! T he installer is responsible for determining and supplying the most appropriate fasteners toroof-compatible sealant.All holes and fastener heads must be sealed so they are completely waterproof.IMPORTANT!Sealant must be compatiblewith roof material.SPECIFICATIONSPower requirement: +12 Volt / 100 mAPower supplied by: KING Power InjectorOA1000 • OA1001 (supplied with this product)OA1000-OE • OA1001-OE (ordered separately) OA1010-OE • OA1011-OE (ordered separately)Enclosure/Mount:ASA-Automotive gradeSPECIFICATIONSDimensions: 9” H x 13” W x 13” L Weight: 2.2 lbs.Frequency VHF (54-216 MHz)Bands: UHF (470-698 MHz) FM (87.9-107.9 MHz)AM (530-1700 KHz) (OA1010-OE • OA1011-OE only)IMPORTANT!Coax channel must face towards rear of vehicle.Keep in mind the following when installing the Wall Mount Power Injector:• Can be mounted in most standard electrical boxes.• R equires a +12 Volt DC power source. (Inadequate voltage may cause the green LED to not illuminate and the unit to not function properly.• Requires .25” female spade connectors for power and ground connections.•*****************************************,thefusewillresetwhenthecircuitcools.IMPORTANT!Make sure power injector is turned off(button not depressed) while making connections.POWER INJECTOR INSTALLATIONIMPORTANT! Do not powerwash any part of the KING OmniPro antenna head or base mount.All trademarks are the sole property of their respective owners.11200 Hampshire Avenue South, Bloomington, MN 55438PH 952.922.6889 || FAX 952.922.8424 || © 2019 KING 22621 Rev DKING OmniPro Over-the-Air Antenna Systems (models OA1000 & OA1001, OA1000-OE & OA1001-OE, OA1010-OE & OA1011-OE), are thoroughly inspected and tested before leaving the factory, and are covered by the following limited warranty from the date of original purchase:• T wo-year parts warranty: The customer is not responsible for the cost of replacement parts if the original part is determined to be defective under the terms of the warranty. The customer is responsible for the cost of replacement parts after two years.• O ne-year labor warranty: The customer is not responsible for labor costs to repair unit if labor is performed within the labor warranty period. The customer is responsible for all labor costs after one year.the necessary repairs. Any warranty labor outside of that performed at the factory is not covered unless 1) the product has been installed by an authorized dealer/installer or OEM manufacturer and 2) the dealer/installer receives prior authorization to perform the repair.with any repairs.Should any trouble develop during the warranty period, contact KING at (952) 345-8147. You must contact KING before the warranty period expires. The customer must supply proof of purchase (such as a dated sales receipt) when requesting warranty service. If the customer cannot supply proof of purchase, warranty period shall start 30 days after date of manufacture.If it is determined that the unit needs to be returned to KING, customer must return COMPLETE product, freight prepaid, to: KING, 11200 Hampshire Avenue South, Bloomington, MN 55438-2453.If inspection shows the trouble is caused by defective workmanship or material, KING will repair (or at its option, replace) without charge.When returning product, KING will supply an RMA number (Return Merchandise Authorization). This number must be clearly written on the box. Failure to clearly write RMA number on box may result in delays in processing claim. Along with product, customer should include in the box: his/her name, address, daytime phone number, proof of purchase and description of the problem.This warranty does not cover installation and external wiring, or remanufactured units. This warranty does not cover damage caused by the use of an accessory other than a KING accessory designed for the product. This warranty is not transferable from the original owner.KING cannot be held responsible for changes in the expanding and changing digital and analog communications market that cause the product to no longer operate correctly.This warranty also does not apply where:• The product has been abused, misused, improperly installed or improperly maintained.• The product has been used with an accessory other than a KING accessory designed for the product.• Repairs are required because of normal wear and tear.• Alterations have been made to the product.• The product or any associated component has been opened without authorization or disassembled to any degree.• Damage has been caused by powerwashing.• Circumstances beyond the control of KING cause the product to no longer operate correctly.• Customer is not the original owner.In no event shall KING be liable for any indirect, incidental, or consequential damages from the sale or use of the product. This disclaimer applies both during and after the term of this warranty.this warranty.or limitation of incidental or consequential damages, so the above limitation or exclusion may not apply to you. Some states do not allow limitations on how long an implied warranty lasts, so the above limitation may not apply to you.。
GWT-2000-S-A型
船用全向有源电视广播接收组合天线使用说明书
GWT-2000-S-A型船用全向有源电视广播接收组合天线
GWT-2000-S-A型船用全向有源电视广播接收组合天线采用全新概念设计是专为舰船或海上移动场合设计全方向广播、电视信号接收天线。
适用频率:AM0.3-20MHZ。
FM85-108MHZ、TV48-890MHZ全球各地均可使用。
本天线外形呈流线形,美观新颖,体积小,重量轻,安装方便,外壳采用玻璃钢结构,机械强度高,安全可靠。
适用各种海上条件的长期使用,及远航时接收效果。
主要技术参数:
1.FMAM接收频率:FM85-108MHZ、AM0.3-20MHZ
2.输出增益:≥20DB
接收频率:48-895MHZ
4.输出增益:>16db
5.接收方向:水平面内天线呈全方向性(全向性不均度≤4db)
6.电源电压:AC220V±10%
7.输出电压:DC12V(可调)
8.工作电流:100-300MA
9.标称阻抗:75Ω
10.环境:-20℃+60℃
11.净重:≤5kg
12.安装孔:Ø50m/m≤
该天线接收分为两个部分:
1、AMFM由四根振子呈放射形,信号放大后独立输出。
2、TV由六振根子呈弧形组合,信号经放大后送到电源盒。
一、由该系统之间配接合理,关键部位采用进口元件,故接收灵敏度高,噪声低,适用各种航海条件下的使用。
电源盒上的电位器可以在不同接收场合中进行调节,使电视图象更清晰。
安装方法:
按图分别把TV、AMFM输出头接上:把整个天线套在Ø50m/m钢管上,旋紧定位螺钉。
由于本天线是全方向接收的,故在其周围3米内不应有高大建筑物和金属物,尽可避开其它接收盒发射天线包括雷达,应尽可能把天线架高,但注意要在避雷针保护区以内,确保安全。
二、AM/FM输出端在接系统箱之前,先用万用表测量阻值约在11K左右。
如发现短路则需排除,确认无误后再接系统箱AM/FM的输入端上(IN).
三、TV输出端在接电源之前先用万用表测量阻值约在7K左右。
如发现短路则需排除,确认无误后再接电源盒的输入端上(IN).
本天线外壳采用玻璃钢结构,内部采用聚氨酯发泡剂填充,可靠性好。
长期使用无需维修,方向性不均匀度,小于≤等于4db,安装孔Ø50mm,防护等级IP56,重量≤5kg。
(图1)
外壳采用ABS工程塑料,内部由防短路、电路、输入电压AC220V,输出电压DC1-12V (可调)。
保险丝0.5A,重量≤1KG,防护等级IP22.
图(2)
外壳采用ABS工程塑料,内部由防短路、电路、输入电压AC220V,和DC24V(双供电源),输出电压DC≤12V,带BK功能。
保险丝0.5A,重量≤1kg,防护等级TP22。
(图3)
1、本系统带BK功能,如发报时把BK控制线二端接通此时广播放大器停止工作。
2、AM/FM电源输入有AC220V和DC24V组成,有自动转换功能,当220V断电后24V会自动接上不影响收听广播。
3、TV天线输出线阻值为7K左右AM/FM天线输出线阻值为11K左右,确认无误后分别接上。
4、以下10个终端接驳参考图。