砼护坡施工技术交底
- 格式:doc
- 大小:396.62 KB
- 文档页数:3
混凝土护坡技术交底
1. 技术概述
混凝土护坡技术是一种用于加固和保护土坡或边坡的方法。
通过采用混凝土结构,可以提高坡面的稳定性和耐久性,预防土壤侵蚀和滑坡等问题。
2. 施工准备
在进行混凝土护坡工程之前,需要进行以下施工准备工作:
- 确定施工范围和施工计划
- 清理坡面,清除杂物和松散土壤
- 打造基础,确保坡面的稳定性
- 准备混凝土和相应的工具设备
3. 混凝土护坡的施工步骤
混凝土护坡的施工步骤如下:
1. 搭建支撑体系:根据设计要求,搭建支撑体系,确保混凝土施工过程中的稳定性。
2. 混凝土浆料喷涂:使用喷涂机将混凝土浆料均匀喷涂在坡面上,形成一层密实、平整的混凝土覆盖层。
注意控制喷涂的厚度和坡面的斜度。
3. 加固结构施工:根据需要,在混凝土覆盖层上进行加固结构的施工,如设置护坡槽、铺设护坡板等。
4. 混凝土护面施工:根据设计要求,进行混凝土护面的施工,增加整体的稳定性和美观性。
5. 养护和检查:完成施工后,进行养护和检查工作,确保混凝土护坡的质量和稳定性。
4. 安全注意事项
在进行混凝土护坡施工时,需要注意以下安全事项:
- 施工人员必须佩戴安全帽、安全鞋和其他必要的防护装备。
- 在施工现场设置警示标志和安全通道,确保施工安全。
- 严禁从事高风险的操作,如高空作业和操作重型机械等。
- 遵守相关的施工规范和安全操作规程。
以上为混凝土护坡技术交底的内容概述,详细的施工步骤和注意事项需要根据实际工程情况进行调整和补充。
在施工过程中,严格按照设计要求和技术规范进行操作,确保施工质量和安全性。
护坡施工技术交底一、施工准备1.现场准备(1)施工用临水、临电接入场内,做好现场排水、排污。
(2)接好施工临时用电和夜间施工照明灯具,线路应按要求敷设;在基坑边上口设好防护栏杆,垫好开挖坡道;做好基坑排水工作。
(3)规划出通行道路,施工机械进入现场所经过的道路及卸车设施等,应事先经过检查复核,必要时根据具体情况进行硬化等措施,做好基坑边防护,设置1500mm高的防护栏杆并封挂安全立网进行封闭,底杆距地面500-600mm,立杆间距 mm。
2.主要劳动力、施工机械(1)项目经理部组织好值班人员,每天必须有专职负责人24小时值班。
(2)组织施工队20人,分两班轮流跟班作业清土、修坡。
(3)开挖前由专职安全员对护坡施工人员进行安全教育。
(4)主要施工机械二、施工工艺工艺流程:基坑开挖后修坡搭设双排脚手架土钉施工(钢筋插筋)挂设并固定镀锌铅丝网片渗水管安装喷射C20细石混凝土(养护)(1)机械开挖后应辅以修整坡面使坡面平整,清扫浮土杂物和基坑顶部及坑底杂物。
(2)搭设双排钢管架,先把地面松土打夯两遍后安装脚手架,脚手架底座采用脚手板板作为垫板,防止脚手架在松土上下沉。
脚手架立杆间距1.5m,架子宽度间距1.2m,横杆高度为1.5m,搭架高度应超过边坡顶1.5m,搭设脚手架与边坡面楔紧。
(3)土钉施工(钢筋插筋):用1米长三级螺纹Φ12@1000×1000,长度1000mm钢筋棍钉入土中,采用锤击式击入坡顶土中,端头露出坡面60mm。
沿坡面长度方向在钢筋插筋端头绑扎φ6钢筋骨架。
施工插筋时(钢筋骨架),应尽量垂直于坡面锤击插筋,见图1。
(4)为防止降雨后雨水渗入地表对边坡产生侧压力致使边坡失稳坍塌,在坡面层设置两道直径为Ф20mm的PVC渗水管,其中第一道距离槽底100mm, 竖直方向布置两道,间距1.5m,水平向每3m一道,先用钻机成孔,渗水管埋设的端头用土工布塞堵后安装入孔内,入土长度500mm,结构面外露50mm,埋设角度5-8度,见图1。
护坡技术交底及施工操作要点一、引言在现代社会中,随着城市化的不断推进和土地资源的有限,我们普遍能够见到各种形状、各种高度的护坡工程。
护坡技术交底及施工操作要点,无论对于工程质量还是安全都具有非常重要的意义。
本文将探讨护坡技术的关键点。
二、护坡技术交底1. 护坡工程的概述护坡工程是指为了保护坡面免受雨水和地下水侵蚀,防止坡体发生滑坡、塌方等自然灾害而采取的一系列工程措施。
护坡工程通常可以分为生态护坡和混凝土护坡两种类型。
2. 护坡工程的设计要求在进行护坡工程设计时,需要满足一系列的要求。
首先,必须根据地质条件和原地形选择合适的护坡结构类型;其次,必须计算和确定护坡的坡度和护坡面积等参数;最后,需要考虑护坡工程的生态效益,尽量采用植被护坡方式。
3. 护坡施工的前期准备护坡施工前,必须进行一系列的前期准备工作。
首先,需要将施工现场进行清理,并制定合理的施工方案。
其次,还需要准备好所需的材料和工具,并制定施工进度计划。
4. 施工队伍和管理护坡施工需要由专业的工程队伍进行操作,并进行合理的施工管理。
工程队伍需要有丰富的施工经验和较高的技术水平,能够熟练运用各种工具和施工设备。
三、护坡施工操作要点1. 施工基础处理在进行护坡工程施工时,需要首先对施工基础进行处理。
施工基础处理包括清除表面杂物和松土,保证基础的均匀和平整。
2. 护坡结构施工根据设计要求选择护坡结构类型进行施工。
护坡结构主要包括混凝土护坡、生态网袋护坡等。
对于混凝土护坡,需要首先搭设模板,然后进行混凝土浇筑和养护。
对于生态网袋护坡,需要选择合适的植被种植在网袋中,并进行灌溉和养护。
3. 施工现场管理在护坡施工过程中,需要加强现场管理,确保施工进度和质量。
施工现场管理包括施工人员的技术交底和安全教育,设立施工标志和安全警示牌等,以及定期进行施工质量检查和巡视。
四、护坡施工中的安全措施1. 安全教育和培训在护坡施工前,应对施工人员进行安全教育和培训,提高他们的安全意识和技术水平。
完整版)护坡施工安全技术交底护坡施工安全技术交底(完整版)1.引言本文档旨在对护坡施工过程中的安全技术要点进行交底。
通过正确的安全操作,保障施工人员的身体健康,并确保施工质量和进度的顺利进行。
2.护坡施工前的准备工作在进行护坡施工前,需要做好以下准备工作:完善施工计划与方案,确保施工流程的合理性和可行性;对施工现场进行全面的安全检查,确保没有隐患存在;提前准备好必要的施工设备和材料,并确保其正常运行。
3.护坡施工中的安全措施3.1.施工人员的安全施工人员必须穿戴符合要求的个人防护装备,如安全帽、防护眼镜、防护手套等;施工人员需经过专业培训,并掌握相关施工技能;施工现场必须明确划定安全区域,并设置标识牌提醒人员注意安全;施工人员禁止随意攀爬边坡,以防坡体滑坡和意外伤害。
3.2.施工设备和机械的安全施工设备和机械必须经过定期检修和维护,确保正常运行;操作人员必须熟悉设备和机械的使用说明书,并按照规定的操作流程进行操作;使用施工设备和机械时,必须确保周围人员的安全,并遵循相关的操作安全规范。
3.3.施工现场的安全施工现场必须保持整洁有序,及时清理施工垃圾和杂物;施工现场必须有专人负责监督安全管理,并及时解决安全问题;禁止在施工现场乱堆放材料,以免造成安全隐患。
4.护坡施工后的安全措施4.1.施工质量的检查施工结束后,必须进行护坡的质量检查,确保护坡的稳定性和牢固性;如发现施工质量问题,应及时采取相应措施进行修复。
4.2.施工人员的安全教育施工结束后,要对施工人员进行安全教育,总结经验教训,并提出改进意见;有效的安全教育可以提高施工人员的安全意识,减少事故发生的可能性。
5.总结通过本文档的技术交底,我们加强了对护坡施工中的安全要点的认识和理解。
在实际施工中,我们将严格按照安全措施进行操作,确保施工质量和施工人员的安全。
只有在方案和技术要求的基础上,才能提高护坡施工的效率和安全性。
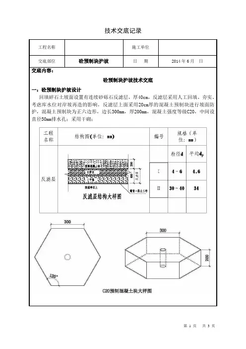
工程名称施工单位交底部位砼预制块护坡日期2014年6月日交底内容:砼预制块护坡技术交底一:砼预制块护坡设计回填碎石土坡面设置有连续砂砾石反滤层,厚40cm,反滤层采用人工回填、夯实。
考虑库水位对岸坡再造的影响,反滤层上面采用20cm厚的混凝土预制块进行坡面防护,混凝土预制块为正六边形,边长300mm,厚200mm,混凝土强度等级C20,中间设直径50mm排水孔;采用干砌;工程名称施工单位交底部位砼预制块护坡日期2014年6月日二:前期工作混凝土、砂浆配合比试验符合设计要。
混凝土要机口取样送检。
三:砼预制块护坡材料(1)工程所用的材料应有产品的合格证书、产品性能检测报告。
骨料、水泥等材料应有主要性能检测报告。
(2)水泥进场使用前,应分批对其强度、安定性进行复验。
检验批应以同一生产厂家、同一编号为一批。
(3)工程建设所需混凝土骨料建议就近购买。
(4)砂:选用质地坚硬、颗粒洁净、级配良好的天然河砂。
(5)水:砂浆拌和用水必须新鲜、洁净、无污染,宜选用饮用水。
如无饮用水使用,可采用抽取水库的水经净化处理后作为施工用水。
四:六方块的制作及养护1、六方块护坡砖预制板均按设计要求尺寸制模,并采用预制场集中预制,模具应顺直,表面光滑并不易变形。
2、六方块预制构件必须严格采用C20混凝土,在预制过程中为缩短脱模的时间,砼的坍落度应采用较小值,采用手提振动台振捣密实成型,脱模后应对侧面有蜂窝、麻面的地方进行收光,同时用短直尺检查四侧的平顺度与垂直度,如不合格,应在初凝前处理。
3、对预制好的预制六方块应及时养生,结合当地实际情况,采取草席进行洒水、。
技术交底记录
(编号:技交06—013)
建设项目:济东高速长垣段NO.2标段监理单位:湖南省交通建设工程监理有限公司
承包单位:黑龙江农垦建工路桥有限公
司合同号:CYSG-02
技术交底记录
(编号:技交06—013)
建设项目:济东高速长垣段NO.2标段监理单位:湖南省交通建设工程监理有限公司
承包单位:黑龙江农垦建工路桥有限公
司合同号:CYSG-02
技术交底记录
(编号:技交06—013)
建设项目:济东高速长垣段NO.2标段监理单位:湖南省交通建设工程监理有限公司
承包单位:黑龙江农垦建工路桥有限公
司合同号:CYSG-02
技术交底记录
(编号:技交06—013)
建设项目:济东高速长垣段NO.2标段监理单位:湖南省交通建设工程监理有限公司
承包单位:黑龙江农垦建工路桥有限公
司合同号:CYSG-02
附表1.质量检查标准
1.锥、护坡实测项目检查
2.浆砌砌体实测项目检查
附表2.施工组织机构及人员安排
附表3.拟投入的主要施工机械设备。
护坡安全技术交底随着城市建设的不断发展,护坡工程在城市规划和土地利用中扮演着重要角色。
为了确保护坡工程的安全可靠性,需要进行护坡安全技术交底,让相关人员充分了解和掌握护坡工程的施工细节和安全注意事项。
本文将对护坡安全技术交底进行详细介绍。
一、护坡工程概述护坡工程是指为了保护坡体、控制坡面侵蚀、提高土壤保水能力和增强坡体稳定性而进行的一系列工程措施。
护坡工程的主要目标是减少坡面土壤侵蚀、防止山体滑坡和泥石流的发生,保证坡体的稳定性和安全。
二、护坡安全技术交底内容1. 护坡工程施工组织安全要求护坡工程施工组织安全要求主要包括人员管理、施工场地管理、机械设备管理、安全防护措施等方面的内容。
在施工过程中,需要保证施工现场的安全环境,合理安排施工人员的工作任务,并配备必要的安全防护设施和器材,确保工人的人身安全。
2. 护坡工程施工技术交底要求护坡工程施工技术交底要求主要包括工程施工方案、材料和设备使用要求、施工工艺要求等方面的内容。
在交底过程中,需要详细说明施工方案,确保施工按照规定的程序进行,并在施工过程中合理使用材料和设备,正确操作施工工艺,确保护坡工程的质量和安全。
3. 护坡工程施工注意事项护坡工程施工注意事项主要包括施工现场环境要求、坡体检查要求、施工人员操作要求等方面的内容。
在施工过程中,需要注意施工现场的环境要求,包括清理施工场地、处理废弃物等。
同时,需要按照规定的程序进行坡体检查,确保施工安全,并对施工人员进行培训,确保其掌握相关操作要求。
三、护坡安全技术交底的重要性1. 保障工程质量和安全护坡工程的质量和安全是确保整个工程项目的基础和保障。
通过进行护坡安全技术交底,能够让相关人员充分了解和掌握护坡工程的施工细节和安全注意事项,从而减少施工中的错误操作和事故发生,保证工程的质量和安全。
2. 提高工作效率和减少工期护坡安全技术交底能够减少施工人员的误操作,避免不必要的返工和修正,从而提高施工效率。
一、工程名称:(填写工程名称)二、交底日期:(填写日期,格式:年月日)三、施工单位:(填写施工单位名称)四、分项工程名称:护坡喷砼施工五、交底提要:为确保护坡喷砼施工过程中的安全,特进行安全技术交底,所有参与施工人员必须严格遵守以下安全规定。
六、交底内容:1. 施工人员入场教育:1.1 所有施工人员必须参加入场安全教育,经考核合格后方可进入施工现场。
1.2 施工前,组织全体施工人员进行安全培训,确保掌握本工程的安全技术要求。
2. 个人防护用品:2.1 施工人员必须佩戴合格的安全帽、安全带、防护眼镜、防尘口罩等个人防护用品。
2.2 作业人员进入施工现场必须穿戴防护服、防护鞋,并确保其完好无损。
3. 施工现场安全管理:3.1 施工现场应设置明显的安全警示标志,并定期检查和维护。
3.2 施工现场应保持整洁、有序,不得堆放杂物,确保通道畅通。
3.3 交叉作业时,应设置隔离设施,防止发生碰撞、坠落等事故。
4. 护坡喷砼施工安全操作:4.1 喷射作业前,检查喷枪、输送管道等设备是否完好,确保其安全可靠。
4.2 喷射作业时,操作人员应站在安全区域,避免被喷射物击中。
4.3 喷射作业中,应保持工作面整洁,防止喷溅物污染环境。
4.4 喷射作业结束后,及时清理现场,消除安全隐患。
5. 高处作业安全措施:5.1 高处作业时,必须搭设牢固的安全防护设施,如脚手架、安全网等。
5.2 作业人员必须佩戴安全带,并确保其系紧、挂牢。
5.3 高处作业时,不得擅自移动安全防护设施,确保其稳定可靠。
6. 电气安全措施:6.1 施工现场电气设备应定期检查、维修,确保其安全可靠。
6.2 电气设备操作人员必须持证上岗,严格遵守操作规程。
6.3 电气设备附近不得堆放易燃、易爆物品,防止发生火灾事故。
7. 应急预案:7.1 施工现场应制定应急预案,明确事故发生时的应对措施。
7.2 定期组织应急演练,提高施工人员应对突发事件的能力。
八、注意事项:1. 施工过程中,严格遵守国家有关安全生产法律法规,确保施工安全。
工程护坡工程技术交底引言概述:工程护坡是指在施工过程中,为了防止土方体的坡面发生塌方,保证施工安全和工程质量,采取一系列的措施进行加固和保护。
本文将从四个方面详细介绍工程护坡的技术交底内容。
一、施工前的准备工作1.1 坡面勘测与设计在进行工程护坡之前,首先需要进行坡面的勘测与设计。
勘测工作主要包括对坡面的地质情况、土质特性、坡度和坡高等进行详细的调查和记录。
设计工作则是根据勘测结果,结合工程要求和施工条件,确定合理的护坡方案和施工参数。
1.2 材料与设备准备进行工程护坡需要准备一系列的材料和设备。
常用的材料包括护坡网、钢筋、混凝土等,设备包括挖掘机、砼泵车、压路机等。
在进行施工前,需要对所需材料和设备进行清点和检查,确保其数量和质量符合要求,以保证施工的顺利进行。
1.3 施工方案编制根据设计要求和现场实际情况,编制详细的施工方案。
施工方案应包括施工工序、施工方法、施工顺序、施工要点等内容。
通过编制施工方案,可以明确每一个施工环节的具体要求,为施工人员提供明确的指导,确保施工的安全和质量。
二、施工过程中的技术要点2.1 坡面的清理与整平在进行工程护坡之前,需要对坡面进行清理与整平。
清理工作主要包括清除坡面上的杂草、垃圾和松散土壤等,确保坡面的整洁。
整平工作则是通过挖掘机等设备对坡面进行修整,使其符合设计要求的坡度和坡高。
2.2 护坡网的安装护坡网是工程护坡中常用的一种加固材料,可以有效地防止坡面的塌方。
在进行护坡网的安装时,需要先将其铺设在坡面上,并利用钢筋或者其他固定材料将其固定在坡面上。
同时,还需要进行护坡网的拉力调整,使其密切贴合坡面,提高护坡效果。
2.3 混凝土的浇筑与养护在进行工程护坡时,往往需要进行混凝土的浇筑与养护。
在浇筑混凝土之前,需要进行模板的搭建和检查,确保其符合设计要求。
浇筑过程中,需要注意混凝土的均匀性和密实性,避免浮现空鼓和裂缝。
浇筑完成后,还需要进行养护工作,保持混凝土的湿润和适度的温度,以提高混凝土的强度和稳定性。
混凝土预制块护坡施工技术交底表格编号:技术交底书项目名称:XXXX路基附属混凝土预制块护坡施工交底编号:XXXX工程名称:XXXXXX设计文件图号:XXXXXXX施工部位:XX年XX月XX日技术交底内容:1、技术交底范围本次技术交底涉及XX铁路路基边坡混凝土预制块空心砖防护工程施工。
2、施工流程本次施工流程包括基坑开挖、测量放样、工、料、机准备、基底检查、砌筑坡面沉降缝设置、勾缝、混凝土空心砖防护工程施工工艺框图、砌体养护和回填验收等步骤。
3、施工准备工作在施工前,应对坡面进行修整,清除浮土,填补坑凹,使坡面大致平整。
预制空心砖采用定制的钢模板,在预制场进行预制。
砼由拌和站集中搅拌,砼运输车运送,人工机械振捣。
混凝土空心砖采用C15混凝土预制,一般为正六边形。
空心砖内可植草,用于路基边坡防护,可提高景观效果,又可防止地表水对路基边坡的直接冲刷。
4、施工工艺1)铺砌:在砌筑空心砖前,先对边坡进行修整,夯拍,检查验收,达到要求后才能进行下一道工序。
混凝土空心砖应自下而上铺设,铺设时用橡皮锤击打使砖与坡面密贴,不得使用铁锤等硬物。
2)回填喷草:在砌筑完成后,砖的空心部分回填适宜植物生长的黏性土,再撒播草籽或喷播植草。
并经常喷雾洒水进行养护。
采用边坡满铺混凝土空心砖时,加固范围周边须设M7.5浆砌片石镶边。
若为路堤,坡脚须设脚墙基础。
截水骨架内结合空心砖使用时,应在骨架完工后再开始铺砌空心砖。
5、质量标准1)护坡施工前,基底应稳定,坡面应平整密实。
砌筑干砌体前,应将基底土夯实。
干砌时宜将较大石块置于底层,石块应交错咬搭,空隙应用碎石填实。
反滤层宜采用碎石、卵石、角砾石或粗砂等渗水材料,不得采用非渗水性土代替。
2)砌筑时要挂线,或用靠尺经常检查,选用快体的厚度要适当。
定位砌块表面砌缝的宽度不大于4厘米,砌体表面与三块相邻石料相切的内切圆直径不得大于7厘米,两层间的错缝不得小于8厘米,每砌筑120厘米高度以内应找平一次。
(完整版)护坡施工安全技术交底范本一:【项目名称】护坡施工安全技术交底一:施工单位及负责人1.1 施工单位:__________1.2 施工负责人:__________二:施工现场概况2.1 工程地点:__________2.2 护坡类型:__________2.3 护坡高度:__________2.4 护坡材料:__________三:施工前准备工作3.1 安全防护措施3.1.1 系统安全标识牌的设置3.1.2 工地临时围挡的搭建3.1.3 工地临时电源的设置3.2 施工材料与设备准备3.2.1 护坡材料的准备3.2.2 护坡施工工具的准备3.2.3 施工设备的准备3.3 施工人员福利及安全培训3.3.1 施工人员住宿及饮食安排 3.3.2 施工人员保健措施3.3.3 施工人员安全培训的内容四:施工工艺及控制要点4.1 护坡的施工工艺流程4.1.1 地基准备工作4.1.2 防护网的安装4.1.3 支护体系的搭建4.1.4 护坡材料的堆放与分层铺设 4.1.5 护坡材料的压实4.2 安全控制要点4.2.1 施工现场安全巡查4.2.2 施工人员岗位责任划分4.2.3 施工期间的防火措施4.2.4 护坡施工现场的安全通行措施五:施工质量控制要点5.1 护坡施工前质量检查5.1.1 护坡材料的检查5.1.2 护坡施工工具设备的检查5.2 施工过程中的质量控制5.2.1 施工现场的定期检查5.2.2 护坡材料的合格使用5.3 施工后的质量验收5.3.1 护坡工程的验收标准5.3.2 护坡施工记录的填写六:施工安全事故应急准备措施6.1 安全事故应急预案的制定6.1.1 安全事故的分类与等级划分 6.1.2 事故应急处置流程6.2 安全事故应急演练6.2.1 定期组织应急演练6.2.2 应急演练的目的与内容七:附件附件1:工程现场布置图附件2:施工设备清单附件3:施工人员名单八:法律名词及注释1. 法律名词:__________注释:________________2. 法律名词:__________注释:________________范本二:【项目名称】护坡施工安全技术交底一:施工单位及负责人1.1 施工单位:__________1.2 施工负责人:__________二:施工现场概况2.1 工程地点:__________2.2 护坡类型:__________2.3 护坡高度:__________2.4 护坡材料:__________三:施工前准备工作3.1 安全防护措施3.1.1 系统安全标识牌的设置 3.1.2 工地临时围挡的搭建3.1.3 工地临时电源的设置3.2 施工材料与设备准备3.2.1 护坡材料的准备3.2.2 护坡施工工具的准备3.2.3 施工设备的准备3.3 施工人员福利及安全培训3.3.1 施工人员住宿及饮食安排 3.3.2 施工人员保健措施3.3.3 施工人员安全培训的内容四:施工工艺及控制要点4.1 护坡的施工工艺流程4.1.1 地基准备工作4.1.2 防护网的安装4.1.3 支护体系的搭建4.1.4 护坡材料的堆放与分层铺设 4.1.5 护坡材料的压实4.2 安全控制要点4.2.1 施工现场安全巡查4.2.2 施工人员岗位责任划分4.2.3 施工期间的防火措施4.2.4 护坡施工现场的安全通行措施五:施工质量控制要点5.1 护坡施工前质量检查5.1.1 护坡材料的检查5.1.2 护坡施工工具设备的检查5.2 施工过程中的质量控制5.2.1 施工现场的定期检查5.2.2 护坡材料的合格使用5.3 施工后的质量验收5.3.1 护坡工程的验收标准5.3.2 护坡施工记录的填写六:施工安全事故应急准备措施6.1 安全事故应急预案的制定6.1.1 安全事故的分类与等级划分6.1.2 事故应急处置流程6.2 安全事故应急演练6.2.1 定期组织应急演练6.2.2 应急演练的目的与内容七:附件附件1:工程现场布置图附件2:施工设备清单附件3:施工人员名单八:法律名词及注释1. 法律名词:__________注释:________________2. 法律名词:__________注释:________________。
工程护坡工程技术交底一、项目背景工程护坡是指在施工过程中,为了保护土壤和水源,防止土壤侵蚀和水土流失,采取一系列措施对边坡进行加固和保护的工作。
本次工程护坡项目是在某山区进行的一项大型基础设施建设工程,旨在确保工程施工期间和工程竣工后的边坡稳定和生态环境保护。
二、工程护坡技术交底内容1. 工程护坡的目的和重要性在技术交底的开始,我们首先要明确工程护坡的目的和重要性。
工程护坡的目的是保护边坡的稳定性,防止土壤侵蚀和水土流失,保护生态环境。
工程护坡是工程建设的重要环节,对于确保工程的顺利进行和后续的使用具有重要意义。
2. 工程护坡的原理和方法工程护坡主要采用以下原理和方法进行边坡的加固和保护:(1)选择合适的护坡材料:根据边坡的具体情况,选择适合的护坡材料,如混凝土、石方、植被等。
(2)设置排水系统:在边坡上设置合理的排水系统,保证边坡的排水畅通,减少水分对边坡的侵蚀。
(3)加固边坡结构:采用加固措施,如设置护坡墙、挡土墙等,增加边坡的稳定性。
(4)植被的利用:通过植被的种植,增加边坡的抗冲刷能力和保水能力,保护土壤和水源。
3. 工程护坡的施工要求在进行工程护坡的施工过程中,需要满足以下要求:(1)施工前的准备工作:清理边坡上的杂草、垃圾等,确保施工区域的整洁;检查边坡的地质情况,确定合适的护坡方法。
(2)施工材料的质量要求:选择符合标准的护坡材料,确保施工质量。
(3)施工过程的控制:严格按照施工方案进行施工,确保施工过程中的安全和质量。
(4)施工后的验收和保养:对施工完成的护坡工程进行验收,确保工程质量;对护坡工程进行保养,及时修复和处理可能浮现的问题。
4. 工程护坡的安全措施在工程护坡的施工过程中,需要采取一系列的安全措施,确保施工人员的安全:(1)严格遵守施工现场的安全规定,佩戴必要的个人防护装备。
(2)设置警示标志,提醒周围人员注意施工区域。
(3)对施工过程中可能浮现的危(wei)险情况进行预防和控制,如防止边坡坍塌、防止材料滑落等。
一、交底目的为确保砼喷射护坡施工过程中的安全,降低事故风险,提高施工人员的安全意识和操作技能,特制定本安全技术交底。
二、施工人员要求1. 所有参与砼喷射护坡施工的人员必须经过专业培训,掌握砼喷射护坡的基本工艺和安全操作规程。
2. 施工人员必须身体健康,无影响施工的疾病。
3. 施工人员必须佩戴好个人防护用品,包括安全帽、防尘口罩、工作服、安全鞋等。
三、施工准备1. 施工现场必须设置明显的安全警示标志,包括施工区域、危险区域、安全通道等。
2. 确保施工机械和设备完好,并进行安全检查。
3. 施工前应检查喷射设备、喷射管道、喷头等是否清洁、无堵塞,并确保其性能良好。
4. 确保喷射材料符合设计要求,并经过质量检验。
四、施工操作规程1. 喷射前准备:- 清理喷射面,确保无杂物、油污等影响喷射质量的物质。
- 检查喷射设备,确保其正常工作。
- 根据设计要求调整喷射参数,如喷射压力、喷射角度、喷射速度等。
2. 喷射操作:- 操作人员应站在稳固的位置,使用喷射设备时需保持稳定。
- 喷射时,操作人员应佩戴防尘口罩,避免吸入粉尘。
- 喷射过程中,注意观察喷射效果,如发现喷射不均匀、喷头堵塞等情况,应立即停止喷射,进行检查和处理。
3. 喷射后处理:- 喷射完成后,对喷射面进行检查,确保符合设计要求。
- 对喷射材料进行回收和再利用,减少浪费。
五、安全注意事项1. 高处作业:- 高处作业时,必须系好安全带,并确保安全带系挂正确。
- 高处作业区域应设置安全防护栏杆和警示标志。
2. 电气安全:- 施工现场必须保证电气设备安全可靠,避免发生触电事故。
- 使用电气设备时,应遵守操作规程,避免超负荷运行。
3. 防尘防毒:- 砼喷射过程中会产生大量粉尘,操作人员应佩戴防尘口罩。
- 定期对施工现场进行通风换气,降低空气中粉尘浓度。
4. 紧急处理:- 施工现场应配备必要的急救药品和器材,以应对突发事件。
- 施工人员应熟悉急救知识,掌握基本的急救技能。
护坡施工技术交底范文
内容:
各位同仁:
护坡工程是公路、铁路、水利等建设项目中的重要内容,直接关系到工程质量和安全。
为了确保护坡施工的质量,现就护坡施工的主要技术要点作以下交底:
一、护坡选材
护坡所用材料必须符合设计和规范要求,如护面块石应选用耐久性强、抗压强度高的石材,混凝土护面板的强度等级不应低于设计要求。
材料进入工地后应进行全面检测,不合格品应及时清理。
二、护坡基础处理
护坡基础应进行夯实或回填压实,表面应整平、无软弱部分。
基础如有湿软地段,必须完全挖除后回填护坡筑底层。
三、护坡面处理
护坡面在施工前应进行清理,去除突出物和杂质。
混凝土护面的基层应平整,保证上层块石或护板与基层间的良好结合。
四、护坡体施工
石质护坡应根据设计规范平整排列石块,并逐级回填夯实。
混凝土护面板的连接、水平度、线形应符合要求,板间接缝应灌浆封实。
五、护坡防渗处理
护坡后方应进行防渗处理,如布设隔水毯、石方格架等,防止水土流失。
六、护坡监测
护坡施工完成后,应建立监测档案,定期检查护坡结构完整性,发现问题及时维修。
请各位施工人员务必按上述要点执行,做到心中有数,确保护坡工程质量。
如有疑问,随时请教相关技术人员。