吊顶转换层节点计算书模板
- 格式:docx
- 大小:37.22 KB
- 文档页数:3
一、编制依据《建筑装饰装修工程质量验收规范》GB50210-2001《建筑钢结构焊接技术规程》JGJ81-2002《施工现场临时用电安全技术规范》JGJ46-2005《建设工程质量验收统一标准》GB50300-2001邯郸文化艺术中心建筑专业蓝图邯郸文化艺术中心建筑专业施工图设计说明二、工程概况邯郸文化艺术中心楼层净空高度为4000mm至6000mm,走廊、房间净空高度为2700mm 至3500mm,由此大部分吊顶高度超过1500mm,根据规范要求,此种情况应在吊顶内设置反支撑或转换层以加强吊顶整体刚度。
我单位施工范围内吊顶做法主要是双层9.5厚纸面石膏板和15厚矿棉吸音板吊顶,每平米吊顶重量不超过25kg/㎡(根据图集07CJ03-1,双层12厚纸面石膏板吊顶每平米重量),30×3等边角钢(Q235)屈服强度为24kg/mm²。
因竖向角钢吊点间距为3000mm×1200mm。
吊顶重量取最大值25kg。
角钢吊杆荷载计算如下:1.每根角钢吊杆与周边4块区域(1200mm×1200mm)相连接,承载每块区域的1/4荷载,由此可得,相当于每根角钢承受1200mm×1200mm范围内的吊顶重量。
则每根角钢承受吊顶荷载=1.2×1.2×25=36kg2.角钢及转换层自重由角钢吊杆和水平网架组成,角钢吊杆长度取2m,吊杆承担的水平网架为相连接的4根水平角钢重量的1/2。
角钢吊杆及水平网架自重=(1.2+1.2+2)×1.373=6.04kg,取6.0kg(30×3角钢重量为1.373kg/m)3.30×3角钢承载能力=截面面积×角钢抗拉强度=174mm²×24kg/ mm²=4176kg。
4.角钢吊杆总荷载=转换层自重+吊顶荷载=36+6=42kg<4176kg结论:使用30×3角钢作为转换层吊杆,能够满足荷载要求。
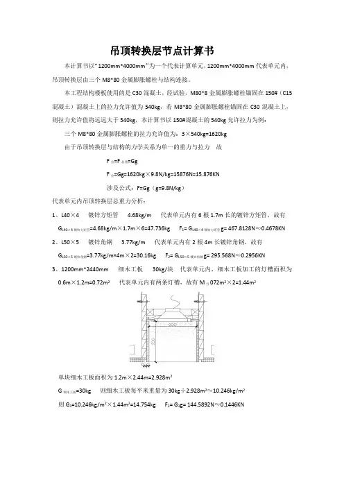
吊顶转换层节点计算书本计算书以“1200mm*4000mm”为一个代表计算单元, 1200mm*4000mm代表单元内, 吊顶转换层由三个M8*80金属膨胀螺栓与结构连接。
本工程结构楼板使用的是C30混凝土, 经试验, M80*8金属膨胀螺栓锚固在150#(C15混凝土)混凝土上的拉力允许值为540kg, 若M8*80金属膨胀螺栓锚固在C30混凝土上, 则拉力允许值将远远大于540kg, 本计算书以150#混凝土的540kg允许拉力为例:三个M8*80金属膨胀螺栓的拉力允许值为: 3×540kg=1620kg由于吊顶转换层与结构的力学关系为单一的重力与拉力故F拉=F总重=GgF拉=Gg=1620kg×9.8N/kg=15876N=15.876KN涉及公式: F=Gg(g=9.8N/kg)代表单元内吊顶转换层总重力分析:1、L40×4 镀锌方矩管 4.68kg/m 代表单元内有6根1.7m长的镀锌方矩管, 故有G L40×4镀锌方矩管=4.68kg/m×1.7m×6=47.736kg F1= G L40×4镀锌方矩管g= 467.8128N≈0.4678KN2.L50×5 镀锌角钢3.77kg/m 代表单元内有2根4m长镀锌角钢, 故有G L50×5镀锌角钢=3.77kg/m×4m×2=30.16kg F2= G L50×5镀锌角钢g= 295.568N≈0.2956KN3.1200mm*2440mm 细木工板30kg/块代表单元内, 细木工板加工的灯槽面积为0.6m×1.2m=0.72m2 代表单元内有两条灯槽, 故有M灯072m2×2=1.44m2单块细木工板面积为1.2m×2.44m=2.928m2G细木工板=30kg 则细木工板每平米重量为30kg÷2.928m2≈10.246kg/m2则G3=10.246kg/m2×1.44m2=14.754kg F3= G3g= 144.5892N≈0.1446KN4.1200mm*3000mm 石膏板34.2kg/块代表单元内, 石膏板面积为1.2m×3m=3.6m2 单块石膏板重量为34.2kg 故石膏板每平米重量为G石膏板=34.2kg÷3.6m2=9.5kg/m2且两条灯槽内也封石膏板, 故加灯槽内两侧石膏板面积则代表单元内石膏板面积为1.2m×4m+(0.4m×1.2m×2)=5.76m2故有G4=5.7m2×9.5kg/m2=46.56kg F4=G4g= 456.288N≈0.4563KN5.C60*27*0.6 龙骨0.5756kg/m 代表单元内共计1.2m龙骨17根则有G5=1.2m×0.5756kg/m×17=11.742kg F5=G5g= 115.0716N≈0.1151KN6.经统计, 吊顶转换层各卡扣配件及刷料等总重量约为3.4kg 则有G6=3.4kg F6=G6g=33.32N≈0.0333KN经过上述计算, 总向下拉力为F总= F1+F2+F3+F4+F5+F6=1.5127KN且F总=1.5127KN远远小于F拉=15.876KN 向下荷载小于总拉力允许值的一半以上故吊顶转换层承重符合安全要求。
吊顶转换层节点计算书本计算书以“1200mm*4000mm”为一个代表计算单元,1200mm*4000mm代表单元内,吊顶转换层由三个M8*80金属膨胀螺栓与结构连接。
本工程结构楼板使用的是C30混凝土,经试验,M80*8金属膨胀螺栓锚固在150#(C15混凝土)混凝土上的拉力允许值为540kg,若M8*80金属膨胀螺栓锚固在C30混凝土上,则拉力允许值将远远大于540kg,本计算书以150#混凝土的540kg允许拉力为例:三个M8*80金属膨胀螺栓的拉力允许值为:3×540kg=1620kg由于吊顶转换层与结构的力学关系为单一的重力与拉力故F拉=F总重=GgF拉=Gg=1620kg×9.8N/kg=15876N=15.876KN涉及公式:F=Gg(g=9.8N/kg)代表单元内吊顶转换层总重力分析:1、L40×4 镀锌方矩管 4.68kg/m 代表单元内有6根1.7m长的镀锌方矩管,故有G L40×4镀锌方矩管=4.68kg/m×1.7m×6=47.736kg F1= G L40×4镀锌方矩管g= 467.8128N≈0.4678KN2、L50×5 镀锌角钢 3.77kg/m 代表单元内有2根4m长镀锌角钢,故有G L50×5镀锌角钢=3.77kg/m×4m×2=30.16kg F2= G L50×5镀锌角钢g= 295.568N≈0.2956KN3、1200mm*2440mm 细木工板30kg/块代表单元内,细木工板加工的灯槽面积为0.6m×1.2m=0.72m2代表单元内有两条灯槽,故有M灯072m2×2=1.44m2单块细木工板面积为1.2m×2.44m=2.928m2G细木工板=30kg 则细木工板每平米重量为30kg÷2.928m2≈10.246kg/m2则G3=10.246kg/m2×1.44m2=14.754kg F3= G3g= 144.5892N≈0.1446KN4、1200mm*3000mm 石膏板34.2kg/块代表单元内,石膏板面积为1.2m×3m=3.6m2单块石膏板重量为34.2kg 故石膏板每平米重量为G石膏板=34.2kg÷3.6m2=9.5kg/m2且两条灯槽内也封石膏板,故加灯槽内两侧石膏板面积则代表单元内石膏板面积为1.2m×4m+(0.4m×1.2m×2)=5.76m2故有G4=5.7m2×9.5kg/m2=46.56kg F4=G4g= 456.288N≈0.4563KN5、C60*27*0.6 龙骨0.5756kg/m 代表单元内共计1.2m龙骨17根则有G5=1.2m×0.5756kg/m×17=11.742kg F5=G5g= 115.0716N≈0.1151KN6、经统计,吊顶转换层各卡扣配件及刷料等总重量约为3.4kg 则有G6=3.4kg F6=G6g=33.32N≈0.0333KN经过上述计算,总向下拉力为F总= F1+F2+F3+F4+F5+F6=1.5127KN且F总=1.5127KN远远小于F拉=15.876KN 向下荷载小于总拉力允许值的一半以上故吊顶转换层承重符合安全要求。
转换层梁模板(扣件钢管架)计算书梁段:L1。
一、参数信息1.模板支撑及构造参数梁截面宽度B(m):2.00;梁截面高度D(m):2.40;混凝土板厚度(mm):180.00;立杆沿梁跨度方向间距L a(m):0.80;立杆上端伸出至模板支撑点长度a(m):0.10;立杆步距h(m):1.30;板底承重立杆横向间距或排距L b(m):0.80;梁支撑架搭设高度H(m):6.10;梁两侧立杆间距(m):2.50;承重架支撑形式:梁底支撑小楞垂直梁截面方向;梁底增加承重立杆根数:9;采用的钢管类型为Φ48×3.5;立杆承重连接方式:可调托座;2.荷载参数新浇混凝土重力密度(kN/m3):24.00;模板自重(kN/m2):0.50;钢筋自重(kN/m3):1.50;施工均布荷载标准值(kN/m2):2.0;新浇混凝土侧压力标准值(kN/m2):17.8;振捣混凝土对梁底模板荷载(kN/m2):2.0;振捣混凝土对梁侧模板荷载(kN/m2):4.0;3.材料参数木材品种:湿地松;木材弹性模量E(N/mm2):10000.0;木材抗压强度设计值fc(N/mm):16.0;木材抗弯强度设计值fm(N/mm2):17.0;木材抗剪强度设计值fv(N/mm2):1.7;面板材质:胶合面板;面板厚度(mm):15.00;面板弹性模量E(N/mm2):6000.0;面板抗弯强度设计值fm(N/mm2):13.0;4.梁底模板参数梁底方木截面宽度b(mm):40.0;梁底方木截面高度h(mm):90.0;梁底纵向支撑根数:25;5.梁侧模板参数次楞间距(mm):200;主楞竖向根数:4;穿梁螺栓直径(mm):M14;穿梁螺栓水平间距(mm):600;主楞到梁底距离依次是:300mm,900mm,1500mm,1900mm;主楞材料:圆钢管;直径(mm):48.00;壁厚(mm):3.50;主楞合并根数:2;次楞材料:木方;宽度(mm):40.00;高度(mm):90.00;二、梁侧模板荷载计算按《施工手册》,新浇混凝土作用于模板的最大侧压力,按下列公式计算,并取其中的较小值:F=0.22γtβ1β2V1/2F=γH其中γ -- 混凝土的重力密度,取24.000kN/m3;t -- 新浇混凝土的初凝时间,取2.000h;T -- 混凝土的入模温度,取20.000℃;V -- 混凝土的浇筑速度,取1.500m/h;H -- 混凝土侧压力计算位置处至新浇混凝土顶面总高度,取2.400m;β1-- 外加剂影响修正系数,取1.200;β2-- 混凝土坍落度影响修正系数,取1.150。
转换层梁板支模计算书第一节工程概况碧海富通城三期位于宝安区西乡大道与兴业路交汇处西南侧。
建设单位为深圳市富通房地产开发投资有限公司,监理单位为深圳市城建监理公司,施工单位为广东省五华县第二建筑工程公司。
本工程为碧海富通城三期的1~3栋商住楼,宗地号A104-0003,用地面积约为35639m2,建筑面积为84383m2,建筑物最高处高度为99.7m,均为32层框支剪力墙结构。
本工程转换层设在三层,楼板板厚为180mm,转换梁主要截面尺寸有2100×2200、1400×2400、1300×2200、1600×1800、1500×1600等,层高为6.5m。
第二节编制依据1、相关建筑、结构施工图2、《施工组织设计》3、《建筑工程施工手册》4、《建筑结构计算手册》5、《建筑工程荷载规范》6、《建筑施工安全检查标准》(JGJ59-99)7、《建筑施工扣件式钢管脚手架安全技术规范》(JGJ130-2001)8、《广东省建设工程高支撑模板系统施工安全管理办法》9、《建筑施工高处作业安全技术规范》第三节模板体系选择根据工程的具体特点,充分考虑工期、质量、安全,模板选用18mm厚涂膜胶合板,梁模楞木选用100×100mm木枋、[16a槽钢,板模楞木选用50×100mm木枋,模板支撑系统采用Φ48×3.5mm钢管加可调顶托、防滑扣件搭设钢管满堂脚手架,梁侧模板采用Φ12对拉螺杆及Φ48×3.5mm钢管、“3”型卡作固定。
第四节具体搭设方法一、梁模板及支撑系统:梁底模采用18mm厚胶合板,在胶合板下沿梁纵向采用100mm×100mm木枋密排,横楞采用双[16a槽钢间距@500mm布设,双[16a槽钢组合截面为“][”。
横楞下采用Ф48×3.5mm钢管加可调上托支撑,间距@500mm×500mm布置满堂架形式,在梁端加腋(1500×500)处立杆设为双钢管。
一、编制依据《建筑装饰装修工程质量验收规范》GB50210-2001《建筑钢结构焊接技术规程》JGJ81-2002《施工现场临时用电安全技术规范》JGJ46-2005《建设工程质量验收统一标准》GB50300-2001邯郸文化艺术中心建筑专业蓝图邯郸文化艺术中心建筑专业施工图设计说明二、工程概况邯郸文化艺术中心楼层净空高度为400Omm至600Omm走廊、房间净空高度为270Omm 至3500mm由此大部分吊顶高度超过1500mm根据规范要求,此种情况应在吊顶内设置反支撑或转换层以加强吊顶整体刚度。
我单位施工范围内吊顶做法主要是双层9.5 厚纸面石膏板和 1 5厚矿棉吸音板吊顶,每平米吊顶重量不超过25kg∕ m2(根据图集07CJ03-1 ,双层12厚纸面石膏板吊顶每平米重量),30× 3等边角钢(Q235)屈服强度为24kg∕mm2。
因竖向角钢吊点间距为3000mn× 1200mm吊顶重量取最大值25kg。
角钢吊杆荷载计算如下:1. 每根角钢吊杆与周边4块区域(1200mn× 1200mm相连接,承载每块区域的1/4荷载,由此可得,相当于每根角钢承受1200mm× 1200mm范围内的吊顶重量。
则每根角钢承受吊顶荷载=1.2×1.2×25=36kg2. 角钢及转换层自重由角钢吊杆和水平网架组成,角钢吊杆长度取2m吊杆承担的水平网架为相连接的4根水平角钢重量的1/2。
角钢吊杆及水平网架自重=(1.2+1.2+2 )× 1.373=6.04kg ,取 6.0kg(30× 3 角钢重量为 1.373kg/m)3.30 × 3角钢承载能力=截面面积×角钢抗拉强度=174mm× 24kg∕ mm2=4176kg。
4. 角钢吊杆总荷载=转换层自重+吊顶荷载=36+6=42kg v 4176kg结论:使用30× 3 角钢作为转换层吊杆,能够满足荷载要求。
转换层模板计算书转换层模板计算书转换大梁模板支撑荷载标准值,按照梁截面尺寸分为①500×(900,1200,1400),取500×1500计算;②(600~700)×(1200~2500),取700×1500、800×2000、800×2500计算;③(800~950)×(1600~2400),取950×2400计算;1500×1500截面梁1.1500×1500截面梁荷载设计值计算:1)模板及支架自重设计值:0.5×(0.5+1.5×2)×1.2=2.1KN/m2)新浇筑混凝土自重设计值:26×0.5×1.5×1.2=23.4KN/m3)钢筋自重设计值:1.5×1.5×0.5×1.2=1.35KN/m4)施工人员及设备荷载设计值:2.5×0.5×1/1×1.4=1.75KN/m荷载设计值组合:2.1+23.4+1.35+1.75=28.6KN/m1.2次龙骨验算(1)抗弯强度验算次龙骨采用80×50mm的木方,间距50mm,跨度为550mm,但为保证钢管主楞与立杆的连接,采用每排立杆为双立杆的型势,双立杆间间距100mm,因此计算单元取550mm,双立杆间的距离可忽略。
按连续梁计算,次龙骨截面和计算简图见右图。
毛截面:惯性距:抵抗弯距:弹性模量:次龙骨上的荷载基本上为均匀荷载,取两支点跨中之间为计算单元,化为线荷载:q=28.6kN/m按无限跨梁计算弯距:受弯构件的抗弯承载力:[可](2)挠度验算[可]1.3主龙骨验算(1)抗弯强度验算主龙骨采用48×3.5mm的脚手架钢管,间距为550mm。
考虑到目前市场所用钢管材料壁厚普遍在3mm左右,因此按照48×3mm计算。
吊顶系统结构计算书目录第一章、计算依据及说明 (1)一、工程概况说明 (1)二、设计依据 (1)1 相关规范 (1)2 基本计算公式 (2)3 材料性能 (6)第二章、吊顶系统结构计算 (10)一、吊顶结构荷载计算 (10)1 吊顶结构承受的水平风荷载计算 (10)2 荷载作用说明 (10)3 风荷载标计算 (10)4 恒载计算 (11)5 计算荷载组合 (11)6 吊顶构件计算选用的荷载组合 (11)二、铝单板的选用与校核 (11)1 基本参数 (11)2 铝单板荷载计算 (12)3 A板的强度校核 (12)4 A板的挠度校核 (13)三、吊顶主龙骨的计算 (14)1 基本参数: (14)2 主龙骨的强度计算 (14)3 主龙骨的挠度计算 (15)四、吊顶副龙骨的计算 (16)1 基本参数: (16)2 副龙骨的强度计算 (16)3 副龙骨的挠度计算 (16)计算书第一章、计算依据及说明一、工程概况说明工程名称:***幕墙工程工程所在地:北京工程所属建筑物地区类别:C类地形工程所在地区抗震设防烈度:8度工程所在地区地震设防分类:标准设防类工程基本风压:0.00045N/mm²工程基本雪压:0.0004N/mm²本计算书由——幕墙易云计算生成(目前唯一免费生成完整计算书计算软件)。
二、设计依据1相关规范1.1幕墙设计规范1.2建筑设计规范1.3参考资料《建筑结构静力计算手册》(第二版)1.4土建图纸:2基本计算公式2.1场地类别划分:地面粗糙度可分为A、B、C、D四类:— A类指近海海面和海岛、海岸、湖岸及沙漠地区;— B类指田野、乡村、丛林、丘陵以及房屋比较稀疏的乡镇和城市郊区;— C类指有密集建筑群的城市市区;— D类指有密集建筑群且房屋较高的城市市区。
2.2风荷载计算:幕墙属于薄壁外围护构件,根据《建筑结构荷载规范》GB50009-2012规定采用,垂直于建筑物表面上的风荷载标准值,应按下述公式计算:当计算主要承重结构时W k = βzμsμz W0(GB50009-2012 8.1.1-1)当计算围护结构时W k = βgzμs1μz W0(GB50009-2012 8.1.1-2)式中:W k——垂直作用在幕墙表面上的风荷载标准值(N/mm²);βgz——高度Z处的阵风系数,按《建筑结构荷载规范》GB50009-2012第8.6.1条文说明中公式取定。
吊顶转换层构造方案详解
由于房间结构层高度、吊顶高度、现场管线布置等因素制约,为满足吊顶施工,转换层类型分为A、B、C、D四种类型,每种类型构造如下:
A类----30*30*3角钢横梁,横纵向间距均为1200mm,30*30*3角钢吊杆,间距1200mm,适用于顶板距吊顶高度3000mm 以内,吊顶上部管线较少。
B类----50*50*5角钢横梁,横纵向间距均为3000mm、1200mm,30*30*3角钢吊杆,间距1200mm,用于吊顶内风管宽度大于1200mm或管线排布过密,吊杆间距大于1200mm部位。
C类----50*5方钢管横梁,横纵向间距3000mm、1200mm,50*50*5角钢吊杆,间距1200mm,用于屋面钢结构桁架板下吊顶。
D类----50*50*5角钢水平桁架,适用于吊顶上部管线已布满,无处安装吊杆或顶板距吊顶高度超过(3m以上)部位。
按现场实际情况选用上述相应转换层类型构造做法。
檩条计算书===== 设计依据======建筑结构荷载规范(GB 50009--2012)钢结构设计标准(GB 50017-2017)===== 设计数据======檩条跨度(m): 7.900檩条间距(m): 1.200设计规范: 钢结构设计标准(GB 50017-2017)檩条形式: 薄壁矩形钢管B160X80X4钢材钢号:Q235钢拉条设置: 设置一道拉条拉条作用: 约束檩条上、下翼缘净截面系数: 1.000 檩条支承压型钢板屋面,尚有吊顶,挠度限值为1/240屋面板不能阻止檩条侧向失稳自重标准值(kN/m2): 0.250活荷载标准值(kN/m2): 0.000检修荷载标准值(kN): 1.000===== 截面及材料特性======檩条形式: 薄壁矩形钢管B160X80X4B = 80.000 H = 160.000Tw = 4.000 Tf = 4.000A = 0.1856E-02 Ix = 0.6230E-05 Iy = 0.2095E-05Wx1 = 0.7788E-04 Wx2 = 0.7788E-04 Wy1 = 0.5237E-04 Wy2 = 0.5237E-04 钢材钢号:Q235钢屈服强度fy= 235.000强度设计值f= 205.000===== 截面验算======-----------------------------------------------| 1.2恒载+1.4(活载+0.9积灰)组合|-----------------------------------------------弯矩设计值(kN.m): Mx = 6.937弯矩设计值(kN.m): My = 0.000有效截面计算结果:全截面有效。
截面强度(N/mm2) : σmax = 89.083 <= 205.000整体稳定系数: φb = 1.000整体稳定应力(N/mm2): fstab = 89.083 <= 205.000| 荷载标准值作用下,挠度计算|垂直于屋面的挠度(mm) : v = 27.617 <= 32.917===== 计算满足======檩条能够承受的最大轴力设计值为(KN): N= 68.000| 简支梁设计|(恒载35KG/m2)----- 设计信息-----钢梁钢材:Q235梁跨度(m):8.400梁平面外计算长度(m):3.000钢梁截面:国标宽、窄翼缘H型钢:HN200x100x5.5x8.0容许挠度限值[υ]: l/250 = 33.600 (mm)强度计算净截面系数:1.000计算梁截面自重作用: 计算简支梁受荷方式: 竖向单向受荷荷载组合分项系数按荷载规范自动取值----- 设计依据-----《建筑结构荷载规范》(GB 50009-2012)《钢结构设计标准》(GB 50017-2017)----- 简支梁作用与验算-----1、截面特性计算A =2.6670e-003; Xc =5.0000e-002; Yc =1.0000e-001;Ix =1.7530e-005; Iy =1.3370e-006;ix =8.1100e-002; iy =2.2400e-002;W1x=1.7530e-004; W2x=1.7530e-004;W1y=2.6700e-005; W2y=2.6700e-005;2、简支梁自重作用计算梁自重荷载作用计算:简支梁自重(KN): G =1.7586e+000;自重作用折算梁上均布线荷(KN/m) p=2.0936e-001;3、梁上恒载作用荷载编号荷载类型荷载值1 荷载参数1 荷载参数2 荷载值21 1 1.40 0.00 0.00 0.004、单工况荷载标准值作用支座反力(压为正,单位:KN)△恒载标准值支座反力左支座反力Rd1=6.759, 右支座反力Rd2=6.7595、梁上各断面内力计算结果△组合1:1.2恒+1.4活断面号: 1 2 3 4 5 6 7 弯矩(kN.m):0.000 5.205 9.463 12.775 15.141 16.560 17.033 剪力(kN) :8.111 6.759 5.407 4.056 2.704 1.352 0.000 断面号:8 9 10 11 12 13弯矩(kN.m):16.560 15.141 12.775 9.463 5.205 0.000剪力(kN) :-1.352 -2.704 -4.056 -5.407 -6.759 -8.111△组合2:1.35恒+0.7*1.4活断面号: 1 2 3 4 5 6 7 弯矩(kN.m):0.000 5.855 10.646 14.372 17.033 18.630 19.163 剪力(kN) :9.125 7.604 6.083 4.563 3.042 1.521 0.000 断面号:8 9 10 11 12 13弯矩(kN.m):18.630 17.033 14.372 10.646 5.855 0.000剪力(kN) :-1.521 -3.042 -4.563 -6.083 -7.604 -9.1256、局部稳定验算翼缘宽厚比B/T=4.91 < 容许宽厚比[B/T] =15.0腹板计算高厚比H0/Tw=30.55 < 容许高厚比[H0/Tw]=80.07、简支梁截面强度验算简支梁最大正弯矩(kN.m):19.163 (组合:2; 控制位置:4.200m)强度计算最大应力(N/mm2):104.108 < f=215.000简支梁抗弯强度验算满足。
吊顶承载力计算:
沿吊顶纵向取每延米进行计算
吊顶荷载:N=1.35×0.4×1.2×1.0=0.65KN ,其中,吊顶自重取0.4KN/m 2。
1、Φ10吊筋受拉承载力:
270×78.5/1000=21.2KN
> N=0.65KN ,
故,吊筋强度满足要求。
2、5#角钢(型号为50×50×4)下端角焊缝强度计算:
该处为正面角焊缝,根据钢结构规范:
[]23/8.22)4250()47.0(/1065.0/mm N l h N w e f =⨯⨯-⨯⨯⨯==σ
2/2.19516022.1mm N f w
t f =⨯=<β,
故,角钢下端焊缝强度满足要求。
3、5#角钢(型号为50x50x4)上端与预埋件间焊缝强度计算:
该处为侧面角焊缝,根据钢结构规范: []23/8.22)4250()47.0(/1065.0/mm N l h N w e f =⨯⨯-⨯⨯⨯==τ
2/160mm N f w t =<,
故,角钢上端与预埋件间焊缝强度亦满足要求。
结论,由以上计算得知,该转换层施工方案框架能够满足吊顶荷载承载力要求。
计算说明:
1、转换层钢架选用5#角钢,上述取型号50×50×4进行计算。
2、角焊缝焊脚尺寸值,计算依据相关规范,并较保守取值为4mm 。
3、预埋件具体形状及尺寸,计算取为5#型钢(型号为50x50x4)。
转换层板模板(扣件式)计算书计算依据:1、《建筑施工模板安全技术规范》JGJ162-20082、《建筑施工扣件式钢管脚手架安全技术规范》JGJ 130-20113、《混凝土结构设计规范》GB 50010-20104、《建筑结构荷载规范》GB 50009-20125、《钢结构设计规范》GB 50017-2003一、工程属性二、荷载设计三、模板体系设计设计简图如下:模板设计平面图模板设计剖面图(模板支架纵向)四、面板验算楼板面板应搁置在梁侧模板上,本例以三等跨连续梁,取1m单位宽度计算。
W=bh2/6=1000×13×13/6=28166.667mm3,I=bh3/12=1000×13×13×13/12=183083.3 33mm4承载能力极限状态q1=0.9×max[1.2(G1k +(G2k+G3k)×h)+1.4×Q1k ,1.35(G1k+(G2k+G3k)×h)+1.4×0.7×Q1k]×b=0.9×max[1.2×(0.1+(24+1.1)×0.12)+1.4×2.5,1.35×(0.1+(24+1.1)×0.12)+1.4×0.7×2.5] ×1=6.511kN/mq1静=0.9×[γG(G1k +(G2k+G3k)×h)×b] = 0.9×[1.2×(0.1+(24+1.1)×0.12)×1]=3.361kN/m q1活=0.9×(γQ Q1k)×b=0.9×(1.4×2.5)×1=3.15kN/mq2=0.9×1.2×G1k×b=0.9×1.2×0.1×1=0.108kN/mp=0.9×1.4×Q1k=0.9×1.4×2.5=3.15kN正常使用极限状态q=(γG(G1k +(G2k+G3k)×h))×b =(1×(0.1+(24+1.1)×0.12))×1=3.112kN/m计算简图如下:1、强度验算M1=0.1q1静L2+0.117q1活L2=0.1×3.361×0.152+0.117×3.15×0.152=0.016kN·mM2=max[0.08q2L2+0.213pL,0.1q2L2+0.175pL]=max[0.08×0.108×0.152+0.213×3.15×0.15,0.1×0.108×0.152+0.175×3.15×0.15]=0.101kN·mM max=max[M1,M2]=max[0.016,0.101]=0.101kN·mσ=M max/W=0.101×106/28166.667=3.58N/mm2≤[f]=15N/mm2满足要求!2、挠度验算νmax=0.677ql4/(100EI)=0.677×3.112×1504/(100×10000×183083.333)=0.006mm ν=0.006mm≤[ν]=L/250=150/250=0.6mm满足要求!五、小梁验算q1=0.9×max[1.2(G1k+ (G2k+G3k)×h)+1.4Q1k,1.35(G1k+(G2k+G3k)×h)+1.4×0.7×Q1k]×b=0.9×max[1.2×(0.3+(24+1.1)×0.12)+1.4×2.5,1.35×(0.3 +(24+1.1)×0.12)+1.4×0.7×2.5]×0.15=1.009kN/m因此,q1静=0.9×1.2×(G1k+(G2k+G3k)×h)×b=0.9×1.2×(0.3+(24+1.1)×0.12)×0.15=0.537kN/mq1活=0.9×1.4×Q1k×b=0.9×1.4×2.5×0.15=0.472kN/mq2=0.9×1.2×G1k×b=0.9×1.2×0.3×0.15=0.049kN/mp=0.9×1.4×Q1k=0.9×1.4×2.5=3.15kN计算简图如下:1、强度验算M1=0.125q1静L2+0.125q1活L2=0.125×0.537×0.82+0.125×0.472×0.82=0.081kN·mM2=max[0.07q2L2+0.203pL,0.125q2L2+0.188pL]=max[0.07×0.049×0.82+0.203×3.15×0.8,0.125×0.049×0.82+0.188×3.15×0.8]=0.514kN·mM3=max[q1L12/2,q2L12/2+pL1]=max[1.009×0.22/2,0.049×0.22/2+3.15×0.2]=0.631k N·mM max=max[M1,M2,M3]=max[0.081,0.514,0.631]=0.631kN·mσ=M max/W=0.631×106/64000=9.859N/mm2≤[f]=15.44N/mm2满足要求!2、抗剪验算V1=0.625q1静L+0.625q1活L=0.625×0.537×0.8+0.625×0.472×0.8=0.505kNV2=0.625q2L+0.688p=0.625×0.049×0.8+0.688×3.15=2.192kNV3=max[q1L1,q2L1+p]=max[1.009×0.2,0.049×0.2+3.15]=3.16kNV max=max[V1,V2,V3]=max[0.505,2.192,3.16]=3.16kNτmax=3V max/(2bh0)=3×3.16×1000/(2×60×80)=0.987N/mm2≤[τ]=1.78N/mm2满足要求!3、挠度验算q=(γG(G1k +(G2k+G3k)×h))×b=(1×(0.3+(24+1.1)×0.12))×0.15=0.497kN/m挠度,跨中νmax=0.521qL4/(100EI)=0.521×0.497×8004/(100×9350×256×104)=0.044mm ≤[ν]=L/250=800/250=3.2mm;悬臂端νmax=ql14/(8EI)=0.497×2004/(8×9350×256×104)=0.004mm≤[ν]=2×l1/250=2×200/250=1.6mm满足要求!六、主梁验算1、小梁最大支座反力计算q1=0.9×max[1.2(G1k +(G2k+G3k)×h)+1.4Q1k,1.35(G1k+(G2k+G3k)×h)+1.4×0.7×Q1k]×b=0.9×max[1.2×(0.5+(24+1.1)×0.12)+1.4×1.5,1.35×(0.5 +(24+1.1)×0.12)+1.4×0.7×1.5]×0.15=0.852kN/mq1静=0.9×1.2×(G1k+(G2k+G3k)×h)×b=0.9×1.2×(0.5+(24+1.1)×0.12)×0.15=0.569kN/mq1活=0.9×1.4×Q1k×b=0.9×1.4×1.5×0.15=0.283kN/mq2=(γG(G1k +(G2k+G3k)×h))×b=(1×(0.5+(24+1.1)×0.12))×0.15=0.527kN/m承载能力极限状态按二等跨连续梁,R max=1.25q1L=1.25×0.852×0.8=0.852kN按悬臂梁,R1=0.852×0.2=0.17kN主梁2根合并,其主梁受力不均匀系数=0.6R=max[R max,R1]×0.6=0.511kN;正常使用极限状态按二等跨连续梁,R'max=1.25q2L=1.25×0.527×0.8=0.527kN按悬臂梁,R'1=q2l1=0.527×0.2=0.105kNR'=max[R'max,R'1]×0.6=0.316kN;计算简图如下:主梁计算简图一主梁计算简图二2、抗弯验算主梁弯矩图一(kN·m)主梁弯矩图二(kN·m)σ=M max/W=0.198×106/3990=49.702N/mm2≤[f]=205N/mm2满足要求!3、抗剪验算主梁剪力图一(kN)主梁剪力图二(kN)τmax=2V max/A=2×1.533×1000/371=8.264N/mm2≤[τ]=125N/mm2 满足要求!4、挠度验算主梁变形图一(mm)主梁变形图二(mm)跨中νmax=0.166mm≤[ν]=800/250=3.2mm悬挑段νmax=0.088mm≤[ν]=2×250/250=2mm满足要求!5、支座反力计算承载能力极限状态图一支座反力依次为R1=2.467kN,R2=2.707kN,R3=2.835kN,R4=2.211kN 图二支座反力依次为R1=2.337kN,R2=2.773kN,R3=2.773kN,R4=2.337kN 七、可调托座验算按上节计算可知,可调托座受力N=2.835/0.6=4.725kN≤[N]=30kN 满足要求!八、立柱验算1、长细比验算顶部立柱段:l01=kμ1(h d+2a)=1×1.386×(1500+2×200)=2633mm非顶部立柱段:l0=kμ2h =1×1.755×1500=2632mmλ=max[l01,l0]/i=2633.4/16.1=163.565≤[λ]=210满足要求!2、立柱稳定性验算根据《建筑施工扣件式钢管脚手架安全技术规范》JGJ130-2011,荷载设计值q1有所不同:小梁验算q1=1×[1.2×(0.5+(24+1.1)×0.12)+1.4×0.9×1]×0.15 = 0.821kN/m同上四~六步计算过程,可得:R1=2.38kN,R2=2.675kN,R3=2.735kN,R4=2.255kN顶部立柱段:l01=kμ1(h d+2a)=1.155×1.386×(1500+2×200)=3041.577mmλ1=l01/i=3041.577/16.1=188.918查表得,υ=0.203不考虑风荷载:N1 =Max[R1,R2,R3,R4]/0.6=Max[2.38,2.675,2.735,2.255]/0.6=4.558kN f= N1/(ΦA)=4558/(0.203×371)=60.521N/mm2≤[f]=205N/mm2满足要求!考虑风荷载:M w=1×γQυcωk×l a×h2/10=1×1.4×0.9×0.051×0.8×1.52/10=0.012kN·mN1w=Max[R1,R2,R3,R4]/0.6+M w/l b=Max[2.38,2.675,2.735,2.255]/0.6+0.012/0.8=4.573kN f= N1w/(υA)+M w/W=4573/(0.203×371)+0.012×106/3990=63.728N/mm2≤[f]=205N/mm2 满足要求!非顶部立柱段:l0=kμ2h =1.155×1.755×1500=3040.537mmλ=l0/i=3040.537/16.1=188.853查表得,υ1=0.203不考虑风荷载:N=Max[R1,R2,R3,R4]/0.6+1×γG×q×H=Max[2.38,2.675,2.735,2.255]/0.6+1×1.2×0.15×5.9= 5.62kNf=N/(υ1A)=5.62×103/(0.203×371)=74.622N/mm2≤[σ]=205N/mm2满足要求!考虑风荷载:M w=1×γQυcωk×l a×h2/10=1×1.4×0.9×0.051×0.8×1.52/10=0.012kN·mN w=Max[R1,R2,R3,R4]/0.6+1×γG×q×H+M w/l b=Max[2.38,2.675,2.735,2.255]/0.6+1×1.2×0.1 5×5.9+0.012/0.8=5.635kNf=N w/(υ1A)+M w/W=5.635×103/(0.203×371)+0.012×106/3990=77.829N/mm2≤[σ]=205N /mm2满足要求!九、高宽比验算根据《建筑施工扣件式钢管脚手架安全技术规范》JGJ130-2011第6.9.7:支架高宽比不应大于3H/B=5.9/5=1.18≤3满足要求,不需要进行抗倾覆验算!十、立柱支承面承载力验算F1=N=5.635kN1、受冲切承载力计算根据《混凝土结构设计规范》GB50010-2010第6.5.1条规定,见下表可得:βh=1,f t=0.737N/mm2,η=1,h0=h-20=100mm,u m =2[(a+h0)+(b+h0)]=1200mmF=(0.7βh f t+0.25σpc,m)ηu m h0=(0.7×1×0.737+0.25×0)×1×1200×100/1000=61.908kN≥F1= 5.635kN满足要求!2、局部受压承载力计算根据《混凝土结构设计规范》GB50010-2010第6.6.1条规定,见下表可得:f c=6.902N/mm2,βc=1,βl=(A b/A l)1/2=[(a+2b)×(b+2b)/(ab)]1/2=[(600)×(600)/(200×200)]1/2=3,A ln=ab=40000mm 2F=1.35βcβl f c A ln=1.35×1×3×6.902×40000/1000=1118.124kN≥F1=5.635kN满足要求!。
吊顶转换层节点计算书模板
___ "1200mm*4000mm"。
Within a unit。
the ___ to the structure by three M8*80 metal ___ used in this project is made of C30 concrete。
Based on experiments。
the allowable n value of M8*80 metal n bolts anchored on 150# (C15 concrete) concrete is 540kg。
If M8*80 metal n bolts are anchored on C30 concrete。
___ value will be much larger than 540kg。
This n sheet takes the 540kg allowable n value on 150# concrete as an example。
The allowable n value of the three M8*80 metal ___ 3×540kg=___ layer and the structure is only gravity and n。
the n force is equal to the total weight force。
which is F拉=F总重
=Gg=1620kg×9.8N/kg=N=15.876KN。
The formula used is F=Gg (g=9.8N/kg).
Analysis of the total weight of the ___:
1.L40×4 galvanized ___ 4.68kg/m。
There are 6 tubes with a length of 1.7m in a representative unit。
so G L40×4 galvanized ___=4.68kg/m×1.7m×6=47.736kg。
F1= G L40×4 galvanized square tube g= 467.8128N≈0.4678KN.
2.L50×5 ___
3.77kg/m。
There are 2 tubes with a length of
4m in a representative unit。
so G L50×5
___3.77kg/m×4m×2=30.16kg。
F2= G L50×5 ___
295.568N≈0.2956KN.
3.1200mm*2440mm ___ unit。
the area of the plywood processed with a light trough is 0.6m×1.2m=0.72m2.There are two light troughs in a representative unit。
so M灯
=0.72m2×2=1.44m2.The area of a single plywood board is
1.2m×
2.44m=2.928m2.Therefore。
G细木工板=30kg。
and the weight of plywood per square meter is approximately
10.246kg/m2.Thus。
G3=10.246kg/m2×1.44m2=14.754kg。
F3= G3 g= 144.5892N≈0.1446KN.
4.1200mm*3000mm ___ unit。
the area of the gypsum board is 1.2m×3m=3.6m2.and the weight of a single gypsum board is 34.2kg。
Therefore。
the weight of gypsum board per square meter is G石膏板=34.2kg÷3.6m2=9.5kg/m2.nally。
gypsum boards are also used to seal the two sides of the light trough。
so the area of the gypsum board is ___.
代表单元内石膏板面积为5.76平方米,计算得到重量
G4=46.56千克,对应的力为F4=G4g=0.4563千牛。
针对C60*27*0.6龙骨,代表单元内共计17根,重量
G5=11.742千克,对应的力为F5=G5g=0.1151千牛。
吊顶转换层各卡扣配件及刷料等总重量约为3.4千克,对
应的力为F6=G6g=0.0333千牛。
综合以上计算,总向下拉力为F总
=F1+F2+F3+F4+F5+F6=1.5127千牛。
由于F总=1.5127千牛远远小于F拉=15.876千牛,即向
下荷载小于总拉力允许值的一半以上,因此吊顶转换层承重符合安全要求。
根据以上计算,1200mm×4000mm模数内吊顶材料总重力
为F总=1.5127千牛,则在1000mm×1000mm范围内,
F=1.5127千牛÷(1.2m×4m)×(1m×1m)≈0.3151千牛/平方米。