放空消声器计算书
- 格式:xls
- 大小:213.00 KB
- 文档页数:6
一、已知参数:0.101MPa 3Mpa 339K 0.584m 3/kg 质量流量1618
Nm3/h 2087.22kg/h
450mm 气体密度ρ:
1.29kg/m3二、放空口噪声声压级
162.072783429.7029703
三、消声器参数和消声量计算0.5284.61306076851.584
0.8363520.4415940.2331620.123109P2
P3
P4P5P6633.846971200.4677452273.6134306.0868155.465S1
S2S3S4S5最后一级节流孔板的消声量
24.93191dB(A)
节流板的孔心距取5~1O倍孔径以上,以避免蒸汽扩散后再汇合成大的喷注而产生混合喷注噪声。
最后一层孔板的节流孔直径不宜大于4mm。
2、放空阀前压力接近大气压时,宜选用阻性消声结构;
压降比
所需的节流降压级数N
取整数每一级节流孔板后的压力(Mpa)每一级节流孔板的流通面积(cm2)1、放空阀前压力较高时,宜选用小孔喷注抗性消声和阻性消声复合结构, 消声器的出口压力须在0.185MPa以下;
排气就成为阻塞排空,这时排放口流速达到声速,放空噪声的声功率级符合著名的八次方定律,可得在喷射口90。
方向,离喷口l米处的声压级为:R=P 1/P B
放空阀后气体比容V:
气体流量Q:
放空管直径D:
当放气阀的背压,即消声器的人口压力高于临界压力(P L /P B ≥ 1.893)时,放空消声器计算书
大气压力P B :
消声器入口压力P 1:
气体温度T:。
消声器消声量计算公式消声器的消声量是指消声器对声音的降噪效果程度,通常以分贝(dB)为单位进行测量。
消声量的计算公式可以通过衰减值和初始输入声音来计算。
在计算消声量之前,首先需要了解以下几个术语和概念:1. 声压级(Sound Pressure Level,SPL):指声音的强度或噪音的大小,以分贝(dB)为单位表示。
2. 声功率级(Sound Power Level,SWL):指噪声的实际能量或声源的总功率,以分贝(dB)为单位表示。
3. 初始声压级(Initial Sound Pressure Level,ISPL):指进入消声器之前的声音强度。
4. 出去声压级(Exited Sound Pressure Level,ESPL):指通过消声器之后的声音强度。
5. 声音衰减(Sound Attenuation):指声音通过消声器后的衰减程度,通常以分贝为单位表示。
消声器的消声量计算公式如下:消声量(Silencing Capacity,SC)= ISPL - ESPL其中,ISPL是进入消声器之前的声压级,ESPL是通过消声器之后的声压级。
消声量计算的一般步骤如下:1.确定初始声压级(ISPL):可以通过声级计等实验设备测量得到。
2.确定通过消声器后的声压级(ESPL):可以通过声级计等实验设备测量得到。
3.计算消声量(SC):使用上述公式计算出消声量。
需要注意的是,消声器的消声量与消声器的设计、材料、结构等因素有关。
不同类型的消声器对不同频率的声音有不同的衰减效果,因此在实际计算中可能需要考虑更多的细节和因素。
消声量的计算公式可以作为一个参考值,用于评估和比较不同消声器的效果,但在实际应用中需要综合考虑各种因素,并进行实际测试和评估来确定消声器的性能。
J4.1JS0001 1/3秦山核电二期扩建工程消声器消声效果计算书河南核净洁净技术有限公司杜彦礼李勍史则轩版次实施日期文件状态编制/日期审核/日期批准/日期文件分发号持有部门受控章持有人员DOC.NO Q E X 2 7 6 0 0 0 0 2 Q N K J 4 4 G N 1本文适用于秦山核电二期扩建工程DX子项应急柴油机房DVD系统消声器消声效果的计算。
1、DVD系统消声器概述消声系统示意图DVD系统消声器主要用于应急柴油机房的消声处理,如图所示,该系统由93台方形箱式消声器和安装结构组成,气流(噪声)在通过消声器间的气流通道时由两边的消声器吸收声能,降低整个柴油机房的噪音影响。
方形箱式消声器主要消声材料是玻璃棉,玻璃棉不但具良好的吸声性能,而且具有纤维长、密度小、导热系数低等优点。
2、DVD系统消声器消声效果计算DVD系统中方形箱式消声器属于阻性片式消声器。
根据《实用供热空调设计手册》查得阻性片式消声器消声量计算公式:ΔL = 2.2φ(a0)l/h式中:ΔL—消声量,dB;a0—吸声材料的正入射吸声系数;φ(a0)—与吸声材料的正入射吸声系数有关的消声系数;l—消声器的有效长度,m;h—消声器的片距,m;根据《机械设计手册》本设备选用的玻璃棉为超细玻璃棉(玻璃布护面),厚度为100㎜,吸声频率为125-1000Hz, 吸声系数a0为0.29-0.88。
柴油机房的噪音为混声低频率噪音,所以取略小于吸声系数范围中间值并取整为a0=0.5。
在《实用供热空调设计手册》查表a0=0.5时,φ(a0)=0.75。
本设备消声器的有效长度l=1.5,消声器的片距h=0.1,把上述数据代入公式,计算得ΔL =24.75。
3、DVD系统消声器消声效果结论根据《实用供热空调设计手册》,在工业企业厂区的声级为A级,所以噪音单位表示为dBA,即A声级的dB。
秦山核电二期扩建工程DVD系统消声器技术协议书规定消声达15dBA,上述计算得出消声量ΔL =24.75 dBA,即消声效果满足技术协议书要求。
消声器消音量计算
1.《压气机放空消声器的研究与计算》:
a、当消声器入口压力高于临界压力时,距喷嘴1m处的声压为:LP=80+LG(R-1)2/(R-0.5)+20lgd(DB)
式中r=p1/pb=消声器入口压力/环境压力d-排气口径
b、当节流和减压孔的直径为≤ 4mm,注射的降噪量可通过以下公式计算:2xa
△l=-101lg[π(tg-1xa-1-xa)]4
=-10lg3π(0.165d)3,其中D-小孔直径
c.当驻压比大于临界压比p1/pb≥1.893时,其节流孔的面积s按下式计算
s=13μg√v1/p1×100mm2,式中:μ-流量系数为1-1.8g-排气流量(T/h)
p1-进入消声器前容器内的压力(kgf/cm2)v1-进入消声器前的容器内气体比容(m3/kg)d.阻性消声器消音量计算公式:p
△l=1.3aosl
式中ao-正入射吸声系数,取0.85
P——消声器通道段周长,M
s-消声器通道的断面积m2l-消声器的长度m。
一种化工流程用放空消声器设计方法放空消声器是化工流程中不可缺少的重要设备,是减少管道噪音的主要设备。
经过设计计算,利用管道消声器将噪音控制在85dB以下,减少噪音对环境的污染。
标签:消声体;孔板;吸声系数Abstract:Blow off silencer,which is an important equipment in the chemical process and also a major equipment of reducing pipe noise. Make use of the pipe muffler to control the noise under 85dB to cut down the pollution for environment through design and calculation.Key words:Silencing body;pore plate;sound absorption coefficient1 消聲原理放空消声器是利用阻性吸声材料进行消音的。
多孔性吸声材料的构造特点是:在材料中具有许多贯通的微小间隙因而具有适当的通气性能。
当声波进入空隙很大的吸声材料时,大部分在纤维的空隙内传播,小部分会沿纤维传播。
主要有两种机理会引起声波的衰减:一种是声波在纤维间的空隙内传播时引起空隙间的空气来回运动,但由于纤维不动,在纤维表面的空气由于受孔壁的影响不易动起来,因此在纤维附近的空气运动速度有慢有快,即存在速度梯度。
由于空气的粘滞性会产生相应的粘滞阻力,使振动动能不断的转化为热能,从而使声波衰减。
另一种机理是空气绝热压缩时温度升高,反之绝热膨胀时温度降低,由于热传导作用,在空气与纤维间不断发生热交换,结果也会使声能转化为热能而散发掉,使沿管道传播的噪声随距离而衰减,从而达到消声目的的消声器。
2 设计方法确定消音器壳径,假设条件:通道面积约为消声器截面积一半。
由于我国目前对消音器的设计,还没有统一的标准规范可以遵照执行,大多数厂家均根据自己的经验来设计制作,且技术又相对保密的。
因此本消音器的设计,经查阅大量资料,采用科学院声学研究所马大猷教授等人提出的小孔喷注噪声极其控制理论,采用节流降压与小孔消音的原理结合现场实际情况来设计解决环境噪声超标的难题。
消音器的工艺参数为:蒸汽排放绝对压力:40 kg/ cm2,排汽温度:390℃,蒸汽比容ρ:0.0721 m3/ kg,排汽流量Q:8t/h;噪声达到110dB以上,要求消音器的噪声小于85dB的环保要求。
一、设计原理。
复合式小孔喷注消音器是利用节流作用降低小孔喷注前的驻压,预先消耗部分声能,再dB与小孔降噪相结合,达到较高的消声量;其原理是利用节流降压与小孔喷注两种消声机理,通过适当结构复合而成的。
1. 小孔喷注消音器小孔喷注消音器的设计机理是根据科学院声学研究所马大猷教授等人提出的小孔喷注噪声极其控制理论,从发声机理上使它的干扰噪声减少,由于喷注噪声峰值频率与喷口直径成反比,若喷口直径变小,喷口辐射的噪声能量将丛低频移向高频,于是低频噪声被降低,高频噪声反而增高,当孔径小到一定值(达到mm 级),实验表明,当孔径≤4mm时具有移频作用,喷注噪声将移到人耳不敏感的频率范围(听觉最敏感的区域250~5000赫兹);根据这一机理将一个大的喷口改为许多小孔来代替,便能达到降低可听声的目的。
从实用角度考虑,孔径不能选得过小,因为过小的孔径不仅难于加工,同时易于堵塞,影响排汽。
一般选用直径1~3mm的小孔为宜。
2.节流降压消音器节流降压消音器是利用节流降压原理而制成的。
根据排汽流量的大小,适当设计通流截面,使高压气体通过节流孔板时,压力都能最大限度地降低到临界值。
这样通过多级节流孔板串联,就能把排空的一次压降分散到若干个小的压降。
由于排汽噪声功率与压力降的高次方成正比例,所以把压力突变排空改为压力在消音器内就逐渐降下来再排空,这样能使消音器内流速控制在临界流速下,不致产生激波噪声,压力在最大限度地降到临界值,使消音器获得较好的消声效果。
第三章消声器的设计与计算17本章将详细介绍消声器的设计与计算方法。
消声器是用于降低噪音和减少振动的装置,广泛应用于各种场合。
正确设计与计算消声器是保证其有效性和可靠性的关键。
本章旨在通过介绍相关的理论知识和计算方法,帮助读者更好地理解和应用消声器。
消声器是一种能够减少或消除噪音的装置。
它通过一系列工艺和设计原理来降低噪音的传播或抑制噪音源的产生。
消声器被广泛应用于各个领域,包括工业设备、交通工具、建筑物等。
消声器可以根据其使用方式和结构特点进行分类。
下面介绍几种常见的消声器类型:隔声型消声器:隔声型消声器通过设置隔音屏障来隔离噪音源和环境,阻断噪音的传播路径。
常见的隔声型消声器有噪声围挡、隔音墙等。
吸声型消声器:吸声型消声器利用吸声材料吸收噪音的能量,将其转化为热能或其他形式的能量。
常见的吸声型消声器有吸音板、吸音棉等。
反射型消声器:反射型消声器通过改变噪音的传播方向和路径来减少噪音的传播。
常见的反射型消声器有声屏障、反射板等。
惰性型消声器:惰性型消声器利用惰性材料的高密度和刚性来阻止声波的传播。
常见的惰性型消声器有消声罩、消声罩壳体等。
这些消声器类型有着不同的适用场景和设计原则。
在实际应用中,根据具体的噪音问题和需求,选择合适的消声器类型可以达到最佳的噪音控制效果。
3.2 消声器的设计原理本节将详细介绍消声器的设计原理和关键要素。
消声器是一种能够降低噪音级别的装置。
其设计原理基于声学和工程学的理论,旨在减少噪音的传播和反射。
下面将介绍消声器设计的关键要素:噪音特性分析:在设计消声器之前,需要先了解噪音源的特性,例如频谱成分、声压级等。
通过分析噪音的特点,可以选择合适的消声器类型和参数。
声学吸声材料:消声器中常使用吸声材料来减少噪音的反射。
吸声材料的选择应考虑其吸声性能、耐久性和成本等因素。
腔体设计:消声器通常包含一个或多个腔体。
腔体的设计要考虑空间限制、噪音源位置和消声效果等因素。
合理的腔体设计可以使消声器更有效地消除噪音。
消音器设计计算书由于我国目前对消音器的设计,还没有统一的标准规范可以遵照执行,大多数厂家均根据自己的经验来设计制作,且技术又相对保密的。
因此本消音器的设计,经查阅大量资料,采用科学院声学研究所马大猷教授等人提出的小孔喷注噪声极其控制理论,采用节流降压与小孔消音的原理结合现场实际情况来设计解决环境噪声超标的难题。
消音器的工艺参数为:蒸汽排放绝对压力:40 kg/ cm2,排汽温度:390℃,蒸汽比容ρ:0.0721 m3/ kg,排汽流量Q:8t/h;噪声达到110dB以上,要求消音器的噪声小于85dB的环保要求。
一、设计原理。
复合式小孔喷注消音器是利用节流作用降低小孔喷注前的驻压,预先消耗部分声能,再dB与小孔降噪相结合,达到较高的消声量;其原理是利用节流降压与小孔喷注两种消声机理,通过适当结构复合而成的。
1. 小孔喷注消音器小孔喷注消音器的设计机理是根据科学院声学研究所马大猷教授等人提出的小孔喷注噪声极其控制理论,从发声机理上使它的干扰噪声减少,由于喷注噪声峰值频率与喷口直径成反比,若喷口直径变小,喷口辐射的噪声能量将丛低频移向高频,于是低频噪声被降低,高频噪声反而增高,当孔径小到一定值(达到mm 级),实验表明,当孔径≤4mm时具有移频作用,喷注噪声将移到人耳不敏感的频率范围(听觉最敏感的区域250~5000赫兹);根据这一机理将一个大的喷口改为许多小孔来代替,便能达到降低可听声的目的。
从实用角度考虑,孔径不能选得过小,因为过小的孔径不仅难于加工,同时易于堵塞,影响排汽。
一般选用直径1~3mm的小孔为宜。
2.节流降压消音器节流降压消音器是利用节流降压原理而制成的。
根据排汽流量的大小,适当设计通流截面,使高压气体通过节流孔板时,压力都能最大限度地降低到临界值。
这样通过多级节流孔板串联,就能把排空的一次压降分散到若干个小的压降。
由于排汽噪声功率与压力降的高次方成正比例,所以把压力突变排空改为压力在消音器内就逐渐降下来再排空,这样能使消音器内流速控制在临界流速下,不致产生激波噪声,压力在最大限度地降到临界值,使消音器获得较好的消声效果。
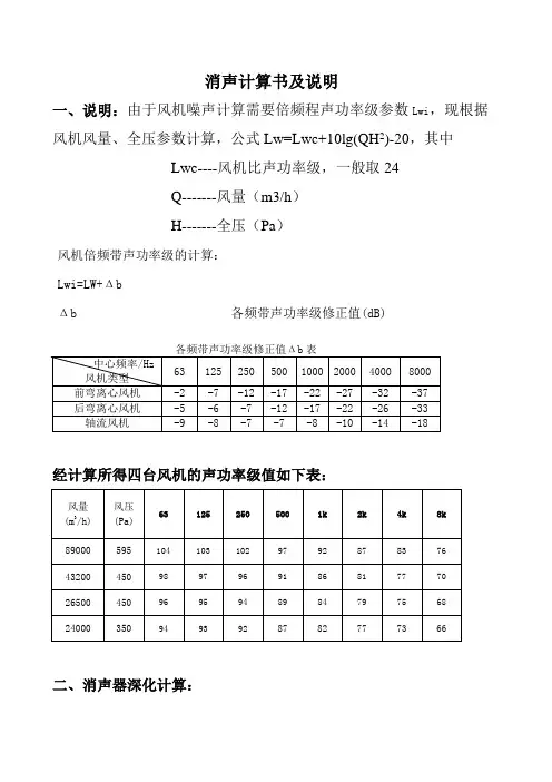
消声计算书及说明一、说明:由于风机噪声计算需要倍频程声功率级参数Lwi,现根据风机风量、全压参数计算,公式Lw=Lwc+10lg(QH2)-20,其中Lwc----风机比声功率级,一般取24Q-------风量(m3/h)H-------全压(Pa)风机倍频带声功率级的计算:Lwi=LW+ΔbΔb 各频带声功率级修正值(dB)经计算所得四台风机的声功率级值如下表:二、消声器深化计算:1、机房新风机EAF/A1,风机路径:(1)、计算书站台层噪声达标值衰减与计算(2)、分析经计算,只设消声静压箱不能满足消声要求,建议在静压箱后2000*1000管道上增加消声器。
建议消声器规格2700*1500*1200L,(风管尺寸:2000*1000,需要现场做变径管),片间流速为12m/s ,阻力系数ξ=0.5,降噪值=29.1dBA,满足性能要求。
2、机房吊顶排风机EAF/A6,风机路径:(1)、计算书1对内噪声达标值衰减与计算(2)、分析经计算,设消声器规格尺寸:2000*1000*1200L,(风管1600*1000需要现场做变径,)片间流速为12m/s ,阻力系数ξ=0.5,降噪值=29.1dBA,满足性能要求。
(3)、计算书2对外噪声达标值衰减与计算(4)、分析经计算,消声器规格尺寸:2000*1000*1200L,(风管1600*1000需要现场变径),片间流速为12m/s ,阻力系数ξ=0.5,降噪值=24.9dBA,满足性能要求。
3、EAF/A4风机路径(1)、计算书变压器室噪声达标值衰减与计算(2)、分析经计算,消声器规格尺寸:1600*800*900L,(风管1600*630需要现场变径),片间流速为12m/s ,阻力系数ξ=0.5,降噪值=24.9dBA,满足性能要求。
4、EAF/B2风机路径(1)、计算书变电所噪声达标值衰减与计算(2)、分析经计算,消声器规格尺寸:1600*800*900L,片间流速为10.4m/s ,阻力系数ξ=0.5,降噪值=24.9dBA,满足性能要求。
燃气发电机组消声器选型书燃气发电机组配置465Q-1发动机,发动机相关参数如下:型式:四冲程、水冷、自然吸气式发动机排量:0.97L额定转速:3000r/min气缸数:4一、消声器主要结构形式1.抗性消声器:通常对低、中频带消声效果好,高频消声效果差。
2.阻性消声器:对中、高频消声效果好,通常与抗性消声器组合起来使用3.阻抗性符合型消声器:对低、中、高频噪声都有很好的消声效果二、消声器性能要求1.插入损失D=L1-L2式中:D-插入损失,dB;L1-安装消声器前在某点测量的排气声压级,dB;取 111 dB;L2-安装消声器后在某点测量的排气声压级,dB;取91.5 dB;D= 19.5 Db2.消声器功率损失R=(P1-P2)/P1×100%式中:R-发动机额定功率点的功率损失比,%;P1-不带消声器而带空管时的发动机功率,kW;P2-带消声器后发动机功率,kW;我国汽车消声器行业对不同车型的功率损失要求为:重型汽车R≤3%;中型汽车R≤5%;轻型汽车R≤6%,轿车R≤8%。
功率损失<5%三、消声器的消声量首先要确定降低排气噪声的目标值,即由发动机排气噪声大小,频谱特性和消声器所匹配车辆的噪声标准限制来决定消声器消声量大小。
根据整车噪声限制来计算消声器出口噪声限制,假设声源特性属线性声源,声衰减量L为:L=10lg(R2/R1) (dB)(A)式中:R1-消声器出口处噪声限制点到声源点距离;取1m(按试验测试收归返要求);R2-整车噪声限制测点到声源点距离。
取7m(按试验测试要求)L=8.45dB消声量Lm按以下公式计算:Lm=L1-( La+Lb)式中:La-整机噪声限制,取68bB;Lb-机柜降低的噪声,91.5-72=19.5,取19.5 dB;Lm=111-(68+19.5)=23.5 dB国华配YH465Q:>25 dB ,可满足要求。
7m处噪声限定值为:L7=68-8.45=59.55 dB四、消声器容积美国Nelson消声器公司推荐的消声器容积计算公式为:V=Q*n*Vst/1000*(τ*i)0.5式中:V-消声器容积n-发动机转速,r/min;取3000i-缸数,取4,τ-冲程数,取4,Vst-发动机排量,L,取0.97LQ-与消声效果有关的修正系统,可取2~6,对消声器要求越高时,Q应越大。
消音器计算书由于我国目前对消音器的设计,还没有统一的标准规范可以遵照执行,大多数厂家均根据自己的经验来设计制作,且技术又相对保密的。
因此本消音器的设计,经查阅大量资料,采用科学院声学研究所马大猷教授等人提出的小孔喷注噪声极其控制理论,采用节流降压与小孔消音的原理结合现场实际情况来设计解决环境噪声超标的难题。
消音器的工艺参数为:蒸汽排放绝对压力:40 kg/ cm2,排汽温度:390℃,蒸汽比容ρ:0.0721 m3/ kg,排汽流量Q:8t/h;噪声达到110dB以上,要求消音器的噪声小于85dB的环保要求。
一、 设计原理。
复合式小孔喷注消音器是利用节流作用降低小孔喷注前的驻压,预先消耗部分声能,再dB与小孔降噪相结合,达到较高的消声量;其原理是利用节流降压与小孔喷注两种消声机理,通过适当结构复合而成的。
1. 小孔喷注消音器小孔喷注消音器的设计机理是根据科学院声学研究所马大猷教授等人提出的小孔喷注噪声极其控制理论,从发声机理上使它的干扰噪声减少,由于喷注噪声峰值频率与喷口直径成反比,若喷口直径变小,喷口辐射的噪声能量将丛低频移向高频,于是低频噪声被降低,高频噪声反而增高,当孔径小到一定值(达到mm 级),实验表明,当孔径≤4mm时具有移频作用,喷注噪声将移到人耳不敏感的频率范围(听觉最敏感的区域250~5000赫兹);根据这一机理将一个大的喷口改为许多小孔来代替,便能达到降低可听声的目的。
从实用角度考虑,孔径不能选得过小,因为过小的孔径不仅难于加工,同时易于堵塞,影响排汽。
一般选用直径1~3mm的小孔为宜。
2.节流降压消音器节流降压消音器是利用节流降压原理而制成的。
根据排汽流量的大小,适当设计通流截面,使高压气体通过节流孔板时,压力都能最大限度地降低到临界值。
这样通过多级节流孔板串联,就能把排空的一次压降分散到若干个小的压降。
由于排汽噪声功率与压力降的高次方成正比例,所以把压力突变排空改为压力在消音器内就逐渐降下来再排空,这样能使消音器内流速控制在临界流速下,不致产生激波噪声,压力在最大限度地降到临界值,使消音器获得较好的消声效果。
消音器计算说明书位号:HX-6465计算书一、以知数据以知设计参数名称流量(kg/hr)温度(℃)压力(kg/cm2g)蒸汽消声器41371170.1以知声频率带功率级二、设计计算结果1、根据声率级表格数据可知;该噪音源八个倍频带总声压级为90dB(A)。
根据相关环保卫士标准,我们需要将消声器后A声级降到85dB(A)以下。
所需消音量如下:△LA=90-85=5dB(A);及消声器最低消音量不得小于5dB(A)。
消声片长度我们设计为L=1.0m;根据△LAo=ψ×a o×(P/S)×L△LAo=1.2×0.8×(1.33/0.085)×1=18.4dB(A)>5dB(A)。
消声后:△Lo=90-18.4=71.6dB(A)故消音量满足设计要求。
2、消声器外筒钢板采用5mm厚的钢板;根据质量定理可以计算出隔音量为28dB(A);28dB(A)>5dB(A)满足消声器设计要求。
3、消声器上限频率:消声器通道宽度我们设计为0.15m,经计算消声器上限截止频率为3594H Z。
倍频带为4000~8000的声功率为80dB(A)<85dB(A);故消声器宽度符合设计要求。
4、消声器下限频率:吸声片宽度我们设计为0.1m,经计算消声器下限截止频率为78H Z。
计算发现消声器对频率低于78H Z倍频带消音效果稍差;但是我们可以通过提高消声器的整体消音量(18.4dB(A))来满足低频消音量的要求。
5、气体流速对消声量影响:消声器总流通面积为0.17m2,计算流速为10.8m/s。
△Lo"=△Lo(1+M)-2△Lo"=71.6(1+0..032)-2=72.8dB(A)。
△Lo"<85dB(A)故消声器满足设计要求。
位号:HX-6402计算书一、以知数据以知设计参数名称流量(kg/hr)温度(℃)压力(kg/cm2g)蒸汽消声器63406229.60.5以知声频率带功率级二、设计计算结果1、根据声率级表格数据可知;该噪音源八个倍频带总声压级为90dB(A)。
一、已知参数:0.101MPa 3Mpa 339K 0.584m 3/kg 质量流量1618
Nm3/h 2087.22kg/h
450mm 气体密度ρ:
1.29kg/m3二、放空口噪声声压级
162.072783429.7029703
三、消声器参数和消声量计算0.5284.61306076851.584
0.8363520.4415940.2331620.123109P2
P3
P4P5P6633.846971200.4677452273.6134306.0868155.465S1
S2S3S4S5最后一级节流孔板的消声量
24.93191dB(A)
节流板的孔心距取5~1O倍孔径以上,以避免蒸汽扩散后再汇合成大的喷注而产生混合喷注噪声。
最后一层孔板的节流孔直径不宜大于4mm。
2、放空阀前压力接近大气压时,宜选用阻性消声结构;
压降比
所需的节流降压级数N
取整数每一级节流孔板后的压力(Mpa)每一级节流孔板的流通面积(cm2)1、放空阀前压力较高时,宜选用小孔喷注抗性消声和阻性消声复合结构, 消声器的出口压力须在0.185MPa以下;
排气就成为阻塞排空,这时排放口流速达到声速,放空噪声的声功率级符合著名的八次方定律,可得在喷射口90。
方向,离喷口l米处的声压级为:R=P 1/P B
放空阀后气体比容V:
气体流量Q:
放空管直径D:
当放气阀的背压,即消声器的人口压力高于临界压力(P L /P B ≥ 1.893)时,放空消声器计算书
大气压力P B :
消声器入口压力P 1:
气体温度T:。