行政处罚呈批表
- 格式:doc
- 大小:14.50 KB
- 文档页数:2
行政处罚文书一、必备文书,一,卷宗封皮,二,卷内目录,三,检查通知书,四,立案呈批表,五,检查登记表,六,提取证据材料登记表 ,七,调查询问笔录,八,调查终结报告,九,案件讨论记录,十,行政处罚事先告知书 ,十一,行政处罚决定书 ,十二,送达回证,十三,结案登记表二、选择文书,一,举报记录表,二,准予检查通知书 ,三,移交案件通知书 ,四,先行登记保存证据通知书1,五,暂停相关营业通知书 ,六,责令退还多收价款通知书 ,七,陈述、申辩笔录,八,行政处罚听证告知书 ,九,行政处罚听证通知书 ,十,听证笔录,十一,吊销营业执照建议书 ,十二,行政处分建议书 ,十三,申请人民法院强制执行书 ,十四,当场处罚决定书2湖南省物价局价格行政处罚年价检卷号案由当事人执法人员结案时间保管期限本卷共件页3卷内目录序号材料名称页次备注 1 检查通知书 1 2 立案呈批表 2 3 检查登记表 3附:检查明细表 4-7 4 提取证据材料登记表 8-105 5 调查询问笔录 106-108 6 调查终结报告 109-111 7 案件讨论记录 112-114 8 行政处罚事先告知书 1159 116-117 行政处罚决定书10 送达回证 118-119 11 结案登记表 120 12 罚没收据 121-122 13 附件123-1244价格监督检查文书格式之三,价格主管部门,检查通知书价检通[ ] 号,当事人, :本机关决定~于年月日开始对你,单位,的价格行为进行检查。
检查组成员~由任组长。
请你,单位,按照《中华人民共和国价格法》、《中华人民共和国行政处罚法》等法律的有关规定配合检查。
联系人: 电话:,价格主管部门印章,年月日本文书一式三份,一份送达,一份附卷,一份存根。
5,价格主管部门,检查通知书价检通[ ] 号,当事人, :本机关决定~于年月日开始对你,单位,的价格行为进行检查。
检查组成员~由任组长。
请你,单位,按照《中华人民共和国价格法》、《中华人民共和国行政处罚法》等法律的有关规定配合检查。
××区安监局行政处罚案件法制审核制度第一条为规范全局行政执法机构的行政处罚行为,促进行政处罚合法、公平、公正,根据《中华人民共和国行政处罚法》、《中华人民共和国安全生产法》等法律法规的有关规定,制定本制度。
第二条本制度所称案件的法制审核,是指按照一般程序实施的行政处罚案件,在立案、撤案和作出处罚决定之前,由本机关的法制机构对其合法性、适当性进行审核,提出书面处理意见,具体包括立案的法制审核和案件调查的法制审核。
未经法制审核或者审核未通过不得作出立案、撤案和处罚决定的内部监督制约制度。
第三条本局各科室、大队按照一般程序办理的行政处罚案件,应当在立案前和案件调查终结之后处罚告知审批之前,将案件相关材料提交局法制科审核。
立案法制审核需提供的材料有《立案审批表》和立案的相关证据材料。
案件调查终结的法制审核需提供的材料有《行政处罚案件法制审核表》和案件调查的相关材料,也可同步提供《行政处罚告知呈批表》。
第四条法制科办理立案的法制审核,应当做好登记,并在1个工作日内审查完毕。
作出撤案和处罚决定的法制审核,需在3个工作日内办理完毕。
办案科室对法制审核提出的整改建议改正所需的时间,不计算在法制审核时限内。
第五条立案的法制审核主要包括以下内容:(一)本机关对该案是否具有管辖权;(二)被立案对象主体是否适格,是否能够依法独立承担法律责任;(三)已确定的违法事实是否具有法定处罚情节。
第六条局法制机构对行政处罚案件处罚前进行审核,主要包括以下内容:(一)执法对应双方的主体资格是否符合要求;(二)事实是否清楚、确凿、充分;(三)证据是否合法有效、相互印证、前后一致;(四)说理性内容是否全面、准确,阐述是否清楚;(五)适用法律依据是否准确、现行有效;(六)行政执法程序是否完整、规范;第七条局法制机构审核行政处罚案件,以书面审核为主。
必要时可以向当事人了解情况。
第八条局法制科对案件进行立案前审核后,根据不同情况,提出相应的书面意见或建议:(一)主体适格、管辖无异议、违法事实确实存在的提出同意立案的意见;(二)对主体不适格、违法事实不存在的提出不予立案的建议,;(三)对超出本机关管辖范围的,提出移送意见;第九条局法制科对案件进行处罚前审核后,根据不同情况,提出相应的书面意见或建议:(一)对事实清楚、证据确凿充分、定性准确、处罚适当、程序合法的,通过法制审核;对重大、复杂案件,较大数额罚款的案件,提交本机关负责人集体研究决定;(二)对事实不清、证据不足的,建议补充调查,并将案卷材料退回;(三)对定性不准、适用法律不当的,提出修正意见;(四)对程序违法的,提出纠正意见。
附件1
行政处罚案卷评查评分细则表
1.案卷评查采用百分制计分方法,按照扣分余额计算案卷分数。
90分以上为优秀,60至89分为合格,59分以下为不合格;
2.案卷中凡存在一项基本要素部分问题的扣除全部分数,案卷得分为O分;
3.文书规范和立卷归档部分按照不同内容设定为相应分值,凡存在其中一项问题的,扣除相应分数;
4.案卷得分的计算方式为:100-扣分合计=案卷分数。
扣分合计超过100分的案卷得分为O分;
5.评查名次按照得分多少依次排列,分数相同的,案卷文书种类多的在前;单位按照参评案卷的平均得分排列。
行政处罚立案审批表行政处罚撤销立案审批表协助调查通知书:因涉嫌行为,违反了的有关规定。
请你(单位负责人)于前携带等有效证件到协助调查。
特此通知。
联系人:联系电话:联系地址:处罚机关(印章)年月日(本文书为两联。
一联存档,一联交当事人。
)检查时间:年月日时分至年月日时分检查地点:检查机关:当事人:现场检查情况:执法人员:记录人:当事人签名或盖章:勘验时间:年月日时分至年月日时分勘验地点:勘验机关:当事人:现场勘验情况:执法人员:记录人:当事人签名或盖章:询问机关询问地点询问时间年月日时分至年月日时分询问人记录人被询问人:XXX 性别年龄身份证号职务电话工作单位住址问:我们是执法人员,这是我们的执法证件,请你确认。
答:问:答:被询问人签名或盖章:(共页第壹页)被询问人签名或盖章:(共页第页)证据先行登记保存清单登保〔〕号当事人:时间:地点:因你(单位)涉嫌一案,本机关需对你(单位)在的下列物品就地保存或由保存在。
在七日内,你(单位)不得使用、销售、转移、损毁、隐匿。
执法人员:处罚机关(印章)年月日(本文书为三联。
一联存档,一联交当事人,一联交保管人。
)提取证据登记表被取证人:联系电话:时间:地点:因你(单位)涉嫌一案,依据《中华人民共和国行政处罚法》有关规定,现提取下列证据:以上材料共种计件执法人员:处罚机关(印章)年月日(本文书为两联。
一联存档,一联交当事人。
)抽样取证凭证抽样〔〕号当事人:时间:地点:因你(单位)涉嫌一案,本机关需对你(单位)下列物品抽样取证。
执法人员:处罚机关(印章)年月日(本文书为三联。
一联存档,一联交当事人,一联交保管人。
)登记保存物品处理通知书登处〔〕号:本机关对年月日通过《证据登记保存清单》(登记〔〕号)登记保存你(单位)的物品作出如下处理决定:处罚机关(印章)年月日(本文书为两联。
一联存档,一联送达当事人。
)查封(扣押)通知书查(扣)〔〕号:因你(单位)涉嫌禁止出售、收购国家重点保护的水生野生动物或者其产品一案,依据《中华人民共和国水生野生动物保护实施条例》第二十八条之规定,本机关对你(单位)下列物品予以查封(扣押),在此期间,你(单位)不得使用、销售、转移、损毁、隐匿。
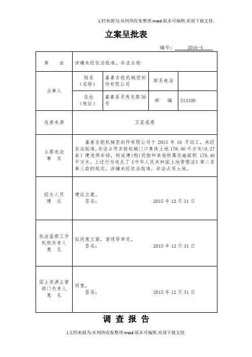
立案呈批表调查报告编号:2016-4调查机关:嘉善县国土资源局调查时间:2015年12月31日至2016年1月29日承办人:吴金根、陆建中当事人: 嘉善吉能机械密封件有限公司一、违法当事人的基本情况:名称:嘉善吉能机械密封件有限公司联系电话:地址:嘉善县灵秀支路56号二、违法事实:现已查明,嘉善吉能机械密封件有限公司于2015年10月动工,未经依法批准,非法占用吉能机械门口集体土地178.46平方米(0.27亩)建造停车场,构成建(构)筑物和其他附属设施面积178.46平方米。
经认定,占用符合土地利用总体规划的建设用地33.36平方米,耕地145.10平方米。
上述事实,由以下证据证实:1、询问笔录;2、现场勘测笔录;3、现场勘测图;4、现场照片;5、占地性质认定表;6、占地地类认定表。
证据充分,违法事实清楚。
三、违反的法律法规嘉善吉能机械密封件有限公司的行为违反了《中华人民共和国土地管理法》第二条第三款、第四十三条、四十四条的规定,属未经依法批准,非法占用土地行为。
四、处罚依据及处理建议依照《中华人民共和国土地管理法》第七十六条、《中华人民共和国土地管理法实施条例》第四十二条和《嘉善县国土资源行政处罚裁量权执行标准》的规定,提出如下处理建议:1、责令退还非法占用的178.46平方米土地;2、没收在非法占用的土地上建造的178.46平方米建(构)筑物和其它附属设施;3、对非法占用符合土地利用总体规划的33.36平方米建设用地处以每平方米10元的罚款,计333.6元;对非法占用符合土地利用总体规划的145.10平方米耕地处以每平方米15元的罚款,计2176.5元;二项共计人民币2510.1元。
请局集体会审决定。
承办人签名:2016年1月29日违法案件审理记录案件名称及编号:2016-4嘉善吉能机械密封件有限公司未经依法批准,非法占地时间: 2016年2月25日地点:国土局308会议室主持人:郑利平记录人:杨丽洁审理(会审)人员:郑利平(局长)、怀林明(副局长)、郑东英(办理中心)、杨愉新(地籍、利用)、汪建明(执法局)、陆建飞(罗星所)案件承办人员:吴金根、陆建中审理记录:嘉善吉能机械密封件有限公司于2015年10月动工,未经依法批准,非法占用吉能机械门口集体土地178.46平方米(0.27亩)建造停车场,构成建(构)筑物和其他附属设施面积178.46平方米。
违法案件结案呈批表
案由非法占用土地
立案时间XXXX年XX月XX日立案编号XXXXX 调查时间XXXX年X月XX日至XXXX年XX月XX日
当事人XXX,X,XX岁,XXX镇XXX行政村人
主要违
法
事实及处理
结果
主要违法事实:经查实,XXX未经依法批准,擅自于XXXX年XX月底占用XXX镇XXX行政村XXX村东北土地建房;占地面积XXX平方米;占地类型:XX(符合土地利用总体规划);其行为违反了《中华人民共和国土地管理法》第四十三、四十四条的规定,实属非法占用土地。
行政处罚事项:一、责令退还非法占用的土地;二、没收在非法占用XXX平方米土地上新建建筑物及其他设施;三、对非法占用土地XXX 平方米处以每平方米X元的罚款,计XXX元。
处理结果:我们已将没收的非法财物XXX平方米建筑物移交给XX 市财政局;并已收缴罚款XXX元。
该案件行政处罚已执行到位,符合结案条件。
承办人
意见
签名:年月日承办单位
意见签名:年月日审查
意见签名:年月日主管领导
意见签名:年月日备注。
Life is a mirror. Whatever your heart is, your life will be like that.简单易用轻享办公(页眉可删)行政处罚的实施程序是什么?工作日加班费的计算方式:月工资÷21.75÷8×加班小时数×1.5倍;双休日加班费的计算方式:月工资÷21.75÷8×加班小时数×2倍;法定节假日加班费的计算方式:月工资÷21.75÷8×加班小时数×3倍。
行政机关对于那些违法公民的行为必须通过处罚来教育,但是仅仅是作出处罚的决定还不足以对公民起到影响而必须通过实际的实施才能够达到预期的目的,但是实施的过程并不是没有秩序和规范的,下面一起来看看行政处罚的实施程序是什么?一、行政处罚的实施程序是什么?1.立案:对初步审查符合立案条件的环境违法行为,应在7日内决定是否立案。
决定立案的,执法人员首先填写《环境保护行政处罚立案呈批表》,法制机构填写《立案登记表》。
2. 调查取证:由执法人员现场制作《现场调查询问笔录》、《现场笔录》、及其它相关证据。
3. 调查报告:执法人员应在7日内调查终结,并向法制机构提交调查报告及有关证据材料。
4. 审查、决定:法制机构依法审查、核实并提出处理建议报本部门负责人决定。
5. 事先告知:决定处罚的,由执法人员制作行政处罚告知书、改正环境违法行为通知书并在7日内送达;属于听证的案件同时下达听证告知书。
6. 行政处罚决定书:送达行政处罚告知书7日后,当事人无异议或不成立,由法制机构制作《行政处罚决定书》,报本部门法定代表人签发后到本部门财务领取罚没票据交执法人员送达。
7. 执行:被处罚人应在接到处罚决定之日起15日内,或者处罚决定的期限内予以履行。
8. 强制执行:《环境保护行政处罚决定书》送达90日后,当事人未在法定期限履行的,由本部门法制机构申请法院强制执行。
行政执法文书(式样)一、立案、管辖法律文书1、立案呈批表2、移送案件通知书二、调查取证法律文书3、询问笔录4、现场检查记录5、抽样取证证据清单6、先行登记保存证据清单7、扣押物品、文件清单8、扣押物品、文件发还凭证9、行政处罚告知笔录10、行政处罚听证告知笔录三、听证法律文书11、举行听证通知书12、不予受理听证通知书13、听证笔录14、听证报告书四、行政处罚法律文书15、当场处罚决定书16、行政处罚决定书五、通用行政法律文书18、行政处罚决定强制执行申请书19、行政案件调查终结报告20、续页21、案卷22、行政处罚审批表23、建议吊销营业执照意见书24、行政处罚案件卷内目录25、建议追究刑事责任意见书1.芜湖市文化委员会行政案件立案审批表芜文立字〔200 〕号案件名称:当事人:法定代表人:地址:联系方式:案件来源:经初步审查,当事人的行为涉嫌违反了____________________________________________________的规定,建议予以立案。
经办人:年月日承办单位意见:负责人签名:年月日审批意见:负责人签名:年月日2.芜湖市文化委员会移送案件通知书芜文移字〔200 〕号:我部门查处的一案,我们认为应移送贵局(院)处理。
请在十五日内将对此案受理与否的意见书面函告我单位。
(盖章)年月日收件人:(签名)年月日注:本文书一式两份。
一份交案件被移送单位,一份存档。
3.芜湖市文化委员会现场检查笔录被检查人(单位):检查时间:年月日时分至年月日时分单位地址:检查地点:法定代表人:职务:联系电话:检查人员:、记录人:见证人:有关问题,进行现场检查,请予配合。
现场检查过程及情况:注:被检查人(单位负责人)在检查笔录上逐页签字,在修改处签字或者押印,并在笔录末尾部分注明对笔录真实性的意见。
共页第页4.芜湖市文化委员会询问笔录时间:地点:被询问人:性别:年龄:工作单位:职务:身份证号:住址:联系电话:询问人:、记录人:我们是的执法人员,这是执法证件。
西藏自治区通信管理局行政执法案卷管理办法第一条为加强对行政执法卷宗的管理,进一步规范行政执法行为,推动依法行政,制定本办法。
第二条行政处罚和行政许可的卷宗管理,适用本办法。
行政处罚和行政许可实行一案一卷制度,但涉及国家、商业、个人秘密依照有关规定应分正副卷的除外。
第三条案件承办机构应当于执法终结后一个月内,将全部执法文书立卷归档。
案卷卷宗归档应当编号,编号应当按照公文归档编号规则。
第四条案卷卷宗应当包括封面、卷内文书目录、归档备考表和封底。
卷宗首页为卷内文书目录,底页为归档备案表。
卷宗封面应当说明案由、当事人、承办人、执法起始日期、终结日期和保管期限等事项(格式见附件一)。
卷内文书目录应当列出归档的全部执法文书名称、页次等事项,并按照本办法第十条的规定排序(格式见附件二)。
归档备案表应当说明立卷部门、案卷编号、立卷部门领导意见、档案部门意见等事项(格式见附件三)。
第五条行政处罚执法过程中的下列文书,应当归档:(一)行政处罚立案呈批表;(二)询问(调查)笔录;(三)案件处理意见报告;(四)行政处罚意见告知书(副本);(五)行政处罚决定书(副本);(六)送达回证;(七)行政处罚结案表;(八)书证、证人证言等有关证据;(九)其它法律文书。
对当事人予以罚款、没收违法所得的,应当将行政处罚缴纳罚(没)款通知书、代收罚款收据、缴款书(收据)等罚没票据等同时归档。
案件来源为移送、举报的,移送文书、举报材料也应当同时归档。
第六条按照法律法规的规定,实施行政处罚履行合议、听证等程序的,应当同时将相应的法律文书归档,包括:(一)合议组的合议记录;(二)听证告知书(副本);(三)当事人按规定提出的听证申请书、听证回避申请书;(四)听证笔录;(五)当事人的陈述、申辩材料;(六)其它材料。
第七条行政许可实施过程中的下列文书,应当归档:(一)行政许可申请书及其他申请材料;(二)受理通知书或者不予受理通知书(存根);(三)行政许可决定书(存根);(四)申请人领取行政许可证书的记录。
公安行政案件卷宗目录
接警情况登记表
(刑事案件民事纠纷治安案件群众求助)
填写单位:XX街派出所序号:
填表人:
XX市公安局XX区分局
受案登记表
XX公()行受字[ ]第号
一式两份,一分附卷,一份存根。
公安行政案件结案报告
填表人:XX 填表时间:200X年01月31·日
强制戒毒审批表
公(文)审字[200X]第05XX0号
交被移送单位
交移送单位留存
一式两份,一份交被处罚人,一份附卷
一式两份,一份交物品持有人,一份附卷
一式两份,一份交物品持有人,一份附卷
XX市公安局XX区分局
抽样取证证据清单
一式两份,一份交被抽样物品持有人,一份附卷。
XX市公安局XX区分局
先行登记保存证据清单
一式两份,一份交证据持有人,一份附卷。
此文书附卷
此文书附卷
此文书附卷
此文书附卷
劳动教养呈批报告
劳动教养案件卷宗目录
此联附卷
此联附卷。
行政处罚案件审批表
行政处罚案件审批表
案件基本信息:
案件名称:
案件编号:
被处罚单位:
法定代表人/负责人:
案发时间:
案发地点:
1、案件背景与申请原因:
(在这个章节中,详细描述案件的背景情况,包括违法行为的性质、时机、地点等。
同时,解释为什么需要进行行政处罚以及申请行政处罚的原因。
)
2、执法机关调查情况:
(在这个章节中,列出执法机关对违法行为进行的调查情况,包括证据收集、相关当事人的询问记录以及其他相关证据材料。
)
3、违法事实:
(在这个章节中,详细列出被处罚单位的违法事实,包括相关的证据材料。
)
4、相关法律依据:
(在这个章节中,引用相关法律法规,解释这些法规与被处罚单位违法行为之间的关系。
)
5、行政处罚建议:
(在这个章节中,提出对被处罚单位的具体行政处罚建议,包括处罚的种类、金额以及其他相关处罚措施。
)
6、处罚决定依据:
(在这个章节中,引用相关法律法规,解释这些法规与行政处罚建议之间的关系,并列出依据。
)
7、行政处罚决定:
(在这个章节中,对行政处罚决定进行具体说明,包括处罚的种类、金额以及其他相关处罚措施。
)
附件:
(列出相关附件材料,包括调查报告、证据材料等。
)
法律名词及注释:
(列出本文中出现的法律名词,提供其相应的注释和解释。
)。
ICS 35.040L 72备案号:60754-2018北 京DB11市地方标 准D B11/T 1577—2018行政处罚数据规范Data specification for administrative penalty2018-09-29 发布2019-01 -01 实施目次前言 (ii)引言.....................................................................................in i范围.. (i)2规范性引用文件 (1)3术语和定义 (1)4行政处罚数据分类 (2)5数据元的表示 (2)6行政处罚数据元 (4)附录A(规范性附录)行政处罚数据字典代码明细 (34)附录B(规范性附录)行政处罚简易案件的数据元范围 (37)参考文献 (39)刖言本标准按照GB/T 1.1—2009给出的规则起草。
本标准由北京市人民政府法制办公室提出。
本标准由北京市人民政府法制办公室归口。
本标准由北京市人民政府法制办公室组织实施。
本标准起草单位:北京市人民政府法制办公室、北京北大软件工程股份有限公司 本标准主要起草人:史凯、窦辉、郑坤、王伟、陈平、魏述强、周晓琳。
引言研究制定《行政处罚数据规范》,是规范行政处罚全流程数据标准、信息系统建设和系统互联互通 的重要基础,对进一步规范北京市行政处罚信息化建设,提高行政处罚信息的采集和流通效率,提升政 府监管和服务水平具有重要意义,同时为北京市行政执法和执法监督业务领域的规范发展,进一步加强 和改善全市行政执法工作奠定良好基础。
本标准结合北京市行政处罚业务特点及相关信息系统建设的现状,给出了行政处罚数据分类、数据 元的表示、数据元的描述等方面的数据规范。
行政处罚数据规范1范围本标准规定了行政处罚的数据分类、数据元表示、数据元描述。
本标准适用于行政处罚执行与监督方面的信息系统设计、开发和行政处罚数据的采集、共享,以及 行政处罚方面的管理和统计工作。
行政处罚文书填制要点北京市宣武区人民政府行政执法监督队二○○八年四月说明为了进一步规范全区行政处罚案卷制作,不断提高行政处罚执法水平,我们依据《北京市行政处罚案卷评查标准》和《北京市行政处罚案卷评查评分细则》,结合近年来市、区行政处罚案卷评查工作发现的主要问题、典型案例,编写了这本《行政处罚文书填制要点》。
《要点》包括了20种行政处罚基本文书,提供了示范文本,提出了处罚文书制作、填写应当注意的事项,供大家在实际工作中参考。
由于时间仓促,囿于编写者水平,难免出现错误和疏漏,敬请批评指正。
《要点》中未涉及的部分以及和实际工作中不一致的地方,以《北京市行政处罚案卷评查标准》和《北京市行政处罚案卷评查评分细则》为准。
二○○八年四月七日目录一、立案审批表¨¨¨¨¨¨¨¨¨¨¨¨¨¨¨¨¨¨¨(4)二、询问笔录¨¨¨¨¨¨¨¨¨¨¨¨¨¨¨¨¨¨¨¨(6)三、现场检查笔录¨¨¨¨¨¨¨¨¨¨¨¨¨¨¨¨¨¨(10)四、先行登记保存证据审批表¨¨¨¨¨¨¨¨¨¨¨¨¨(13)五、先行登记保存证据通知书¨¨¨¨¨¨¨¨¨¨¨¨¨(15)六、物品清单¨¨¨¨¨¨¨¨¨¨¨¨¨¨¨¨¨¨¨¨(17)七、物品处理通知书¨¨¨¨¨¨¨¨¨¨¨¨¨¨¨¨¨(18)八、授权委托书¨¨¨¨¨¨¨¨¨¨¨¨¨¨¨¨¨¨¨(20)九、听证告知书¨¨¨¨¨¨¨¨¨¨¨¨¨¨¨¨¨¨¨(22)十、听证通知书¨¨¨¨¨¨¨¨¨¨¨¨¨¨¨¨¨¨¨(25)十一、听证公告¨¨¨¨¨¨¨¨¨¨¨¨¨¨¨¨¨¨¨(27)十二、听证笔录¨¨¨¨¨¨¨¨¨¨¨¨¨¨¨¨¨¨¨(29)十三、听证报告¨¨¨¨¨¨¨¨¨¨¨¨¨¨¨¨¨¨¨(29)十四、案件处理呈批表¨¨¨¨¨¨¨¨¨¨¨¨¨¨¨¨(30)十五、行政案件集体讨论笔录¨¨¨¨¨¨¨¨¨¨¨¨¨(32)十六、行政处罚决定书¨¨¨¨¨¨¨¨¨¨¨¨¨¨¨¨(35)十七、责令改正通知书¨¨¨¨¨¨¨¨¨¨¨¨¨¨¨¨(39)十八、送达回证¨¨¨¨¨¨¨¨¨¨¨¨¨¨¨¨¨¨¨(42)十九、行政处罚缴款书¨¨¨¨¨¨¨¨¨¨¨¨¨¨¨¨(45)二十、结案审批表¨¨¨¨¨¨¨¨¨¨¨¨¨¨¨¨¨¨(46)二十一、其他¨¨¨¨¨¨¨¨¨¨¨¨¨¨¨¨¨¨¨¨(48)行政处罚文书之一立案审批表(示范文本)立案审批表填制要点1、立案审批表应当具备当事人基本情况、案件来源、案件基本情况、承办人意见、负责人意见、审批时间等要素。