高速公路单位、分部、分项工程划分表
- 格式:doc
- 大小:304.00 KB
- 文档页数:14
附录A单位、分部及分项工程的划分
表A-1 一般建设项目的工程划分
注:①按路段长度划分的分部工程,高速公路、一级公路宜取低值,二级及二级以下公路可取高值。
②分幅桥梁按照单幅划分,特大斜拉桥和悬索桥按照附表A-2进行划分,其他斜拉桥和悬索桥可作为一个单位
工程参照附表A-2进行划分。
③按单孔跨径确定的特大桥取l,其余根据规模取2或3。
④护岸可参照挡土墙进行划分。
⑤双洞隧道每单洞作为一个单位工程。
⑥辅助通道包括坚井、斜井、平行导坑、横通道、风道、地下风机房等。
表A-2 特大斜拉桥、特大悬索桥工程划分。
1、单位、分部、分项工程的划分和质检台帐的建立“质量评定”的过程就是质量控制的过程,同时也是项目文件收集整理编制的过程。
工程完工时,所有分项、分部工程质量评定均已完成,需要做的评定工作,仅是按评定标准的规定进行单位工程、合同段工程、建设项目质量评定。
因此,工程开工之前承包人应按《公路工程质量检验评定标准》(JTG F80/1-2004)附录A的要求进行单位、分部、分项工程的划分;施工过程中进行分项、分部质量评定,为项目文件归档做好准备工作。
分部工程、分项工程的划分,应从设计理念、计量单元、使用功能、施工阶段、结构构件等方面综合考虑。
承包人和总监办划分体系应保持一致,报总监办审批。
经总监批准的工程划分方案作为施工单位、监理单位、质监部门进行工程质量评分的依据,应在第一次报送资料时向管理组报送完整全套的单位、分部、分项工程划分表。
1.1单位、分部、分项工程划分1.1.1 单位工程划分单位工程包括路基、路面、桥梁、互通立交、隧道、绿化环保、交通安全设施、机电工程、房建等九大类单位工程,其中:路基、路面、绿化环保、交通安全、机电每一合同段的为一个单位工程,桥梁(小桥及互通立交的桥梁除外)、互通立交、隧道、房建为每座(处)为一个单位工程。
1.1.2 分部、分项工程划分(1)路基单位工程路基单位工程分为路基土石方,排水,小桥及渡槽(每座),涵洞、通道,砌筑防护,大型挡土墙工程等分部工程,其中:路基土石方,排水,涵洞、通道,砌筑防护每1~3km 为一个分部工程,并且,上述各分部工程的段落划分应相同。
小桥渡槽、大型挡土墙每处为一个分部工程。
在划分分部、分项工程中,注意以下几种情况:①相邻标段接头桩号导致出现的小于1km长度的段落,归入相连的前、后公里的分项(部)工程。
案例1:1标与2标接头桩号为YK29+060。
对于1标,yk28+000~yk29+060段土方路基分项工程,长度为1.060km;对于2标,yk29+060~yk31+000段土方路基分项工程,长度为1.940km。
公路⼯程单位、分部、分项⼯程划分及编码表公路⼯程单位、分部、分项⼯程划分及编码表单位⼯程分部⼯程 (⼦分部⼯程)分项⼯程(⼦分项⼯程)路基⼯程(J#) 路基⼟⽯⽅⼯程(按3公⾥路段为单元)(A01,02)⼟⽅路基(A)按⾃然段⽯⽅路基(B)按⾃然段软⼟地基(C)按⾃然段⼟⼯合成材料处治层(D)按⾃然段排⽔⼯程(按3km路段为单元)(B01,02) 管道基础及管节安装(A)按⾃然段或整公⾥检查(⾬⽔)井砌筑(B)按⾃然段或整公⾥⼟沟(C)按⾃然段或整公⾥边沟(D)按⾃然段或整公⾥排⽔沟(E)截⽔沟(F)按⾃然段或整公⾥盲沟(G)按⾃然段或整公⾥渗沟(H)按⾃然段或整公⾥跌⽔(I)按⾃然段或整公⾥急流槽(J)按⾃然段或整公⾥⽔簸箕(K)按⾃然段或整公⾥排⽔泵站(L)按⾃然段或整公⾥集⽔井(M)⼩桥及符合⼩标准的通道、⼈⾏天桥、渡槽⼯程(每座)(C01,02) 基础及下部构造(A)上部构造预制、安装或浇筑(B)桥⾯(C)栏杆(D)⼈⾏道(E)涵洞、通道(桩号按3公⾥)(D) 每座为单元划分⼦分部(D01,D02…..) 基础(A)下部构造(墙⾝)(B) 上部构造预制、安装或浇筑(盖板)(C)填⼟(D)总体(E)⼋字墙(⼀字墙)(F)砌筑⼯程(按3km路段为单元)(E01,02) 挡⼟墙(A)每处为单元墙背填⼟(B)每处为单元抗滑桩(C)每处为单元锚喷⽀护(D)每处为单元锥、护坡(E)每处为单元导流⼯程(F)每处为单元⽯笼防护(G)每处为单元单位、分部、分项⼯程划分及编码表(续)单位⼯程分部⼯程 (⼦分部⼯程)分项⼯程(⼦分项⼯程)路基⼯程(J#) ⼤型挡⼟墙,组合式挡⼟墙(每处)(F01,02) 基础(A) 墙⾝(B) 墙背填⼟(C) 构件预制(D) 构件安装(E)筋带(F)锚杆(G)拉杆(H)总体(I)路⾯⼯程(M#) 路⾯⼯程(按3km路段为单元)(A01,02) 底基层(A)按整公⾥左右幅分基层(B)按整公⾥左右幅分⾯层(C)按整公⾥左右幅分垫层(D)按整公⾥左右幅分联结层(E)按整公⾥左右幅分路缘⽯(F)按整公⾥左右幅分路肩(G)按整公⾥左右幅分路⾯边缘排⽔设施(H)按整公⾥左右幅分桥梁⼯程(桩号)(Q1,Q2….) 基础及下部构造(A) 以每个墩台为单元划分⼦分部(A01,A02……) 钢筋加⼯及安装(A)桩基、墩台、台帽等扩⼤(明挖)基础(B)每处桩基(C)每⼀个墩承台(D)每⼀处系梁(E)每⼀处台(墩)⾝、柱浇筑(F)台(墩)⾝安装(G)台(墩)帽、盖梁(H)台背填⼟(I)⽀座垫⽯和挡块(J)预制和安装(B)每个孔为单元划分⼦分部(B01,B02…)主要构件(梁、板)预制(A)其他构件预制(B)梁板安装(C)单位、分部、分项⼯程划分及编码表(续)单位⼯程分部⼯程 (⼦分部⼯程)分项⼯程(⼦分项⼯程)桥梁⼯程(桩号)(Q1,Q2….) 预制和安装(B)每个孔为单元划分⼦分部(B01,B02…)钢筋加⼯及安装(D)预应⼒筋的加⼯和张拉(E)现场浇筑(C)每个孔为单元划分⼦分部(C01,C02…)预应⼒筋的加⼯和张拉(A)主要构件浇筑(B)主要构件浇筑钢筋加⼯及安装(C)其他构件浇筑(D)其他构件浇筑钢筋加⼯及安装(E)总体及桥⾯(D)总体及桥⾯(每座)(D01)桥梁总体(A)桥⾯防⽔层施⼯(B)桥⾯铺装钢筋加⼯及安装(C)桥⾯铺装(D)⽀座安装(E)搭板钢筋加⼯及安装(F)搭板(G)伸缩缝安装钢筋加⼯及安装(H)伸缩缝安装(I)砼护栏钢筋加⼯及安装(J)护栏(K)栏杆(L)⼈⾏道铺设(M)灯柱安装(N)防护⼯程(E)每座左右(E01,E02)护坡(A)护岸(B)导流⼯程(C)⽯笼防护(D)砌⽯防护(E)砌⽯⼯程(F)引道⼯程(F)每条(F01,F02) 路基(A)⼩桥(D)路⾯(B)涵洞(E)挡⼟墙(C)护栏(F)单位、分部、分项⼯程划分及编码表(续)单位⼯程分部⼯程 (⼦分部⼯程)分项⼯程(⼦分项⼯程)绿化与环保⼯程(L#) 声屏障(A)每处声屏障(A)绿化⼯程(B) 1-3km路段或每处中央分隔带绿化(A)路侧绿化(B)互通⽴交绿化(C)服务区绿化(D)取弃⼟场绿化(E)互通⽴交⼯程(H#)桥梁⼯程(A)每座桥梁总体(A),基础与下构(B),上部构造(C),⽀座安装(D),⽀座垫⽯(E),桥⾯铺装(F),护栏(G),⼈⾏道(H)每⼀单元主线路基路⾯⼯程(B)路基⼟⽯⽅(A),排⽔(B),防护(C),通道(D),路⾯底基层(E),路⾯基层(F),路⾯⾯层(G)每⼀单元匝道⼯程(C)每条路基(A),路⾯(B),通道(C),护坡(D),挡⼟墙(E),护栏(F)每⼀单元注:分部、分项划分表中的字母表⽰分部分项⼯程识别号。
公路工程单位分部分项工程划分表公路工程单位分部分项工程划分表公路工程单分位分部工程划分项单位分工部程工方路基土石路基方路土方基工(1程~k3m段)路软土地土基工成合材料治处层分工项程水工程排1(~3km段路)路基程工每1(km或0每标)段小桥符及小桥标准的合道,人通行天,渡桥槽每座)(管节预制道管础基管及安装节检查(雨水井砌)筑土浆沟排水砌沟盲跌水沟急槽流水箕簸水泵排站础基及部下构造上部构造制、预安装浇筑或桥栏面杆行人道基础下及部构造洞涵、道通(13~mk路段)砌筑防工护程1(~km3路)段主要构件制、安装或预浇筑土填,总体总挡体墙土背墙土填抗桩滑喷锚防护、锥坡导护流工石笼程护基防础墙身墙填土背型大挡墙,组合土挡式土构墙预制(每件) 处件构装筋安锚带、杆拉杆总体基底层基层层面路面程工垫(层10每km 路工面(程13~k路m段)结层联每或标路缘石) 段人行道路肩公路工程单位分部分项工程划分公路工程单位分部分项工程划分表(每1k0m 或每标)段面工路程(1~3km路)段桥工梁程(特大、大、中桥)路边面缘捧系水扩大基础桩统基下连地续承墙沉井桩台制的作基及下部础构(造每或每桥筋钢工加安装墩及、台)台身(砌体)墩筑墩浇身安装台墩台帽组合台桥背台填土支座垫石块挡主要件预制构它构其预制件钢筋工加及装安应力筋预加的和工张拉板梁安装臂拼装顶推施悬工拱梁圈节段预制上部构造预制和装安拱的装安体转工拱施劲性骨拱架安装肋钢管肋拱作制钢拱肋安管装吊杆的制作安装钢梁制作钢梁安装钢防护钢梁加工筋及装安应力预的加工和张筋拉要构主件筑浇上部构造现场浇其筑构他件浇筑悬臂浇筑劲性骨架混凝土钢管拱凝土混拱桥总梁体钢筋工加及装安桥面防层水工施桥面铺装钢面桥铺装支座装总体安桥面系、附和属程工搭板缩伸缝安大装伸缩缝型装安杆安装(每10km或每标段)公路工程单位分部分项工程划分表桥梁工栏程特大(大、、中)桥体总、面系和桥属工程附防护程工引道工程混凝护土栏行人铺道灯柱设安装护坡,护岸流工导程石笼防砌石工护程路基路面土墙挡小涵桥洞护栏。
公路单位、分部、分项工程划分
公路工程的划分可以从大到小依次为:公路单位、分部工程、分项工程。
1. 公路单位:指的是负责规划、设计、建设、维护和管理公路的组织或机构,通常是政府部门或公路管理机构。
公路单位负责整体规划和管理公路工程,包括确定建设目标、制定规划方案、筹措资金、组织施工和监督工程质量等。
2. 分部工程:公路工程按照不同的功能和特点可以划分为多个分部工程,每个分部工程负责公路工程的某个特定方面或部分。
常见的分部工程包括路基工程、路面工程、桥梁工程、隧道工程、交通设施工程等。
分部工程通常由公路单位根据工程特点和需求进行划分,并按照不同的施工工序和工艺进行组织和管理。
3. 分项工程:分项工程是对分部工程进一步细化的划分,用于具体描述和管理公路工程的各个具体工作内容。
分项工程通常按照施工工序、工艺和材料等方面进行划分,例如路基工程中的土方工程、石方工程、排水工程等;路面工程中的路基处理工程、路面铺装工程、标线工程等。
分项工程的划分可以根据工程的实际情况和需要进行调整和修改。
以上是公路工程划分的一般原则和方法,具体的划分方式和标准可能会因地区、国家和工程类型的不同而有所差异。
在实际工程中,需要根据具体情况进行合理的划分和组织,以确保工程的顺利进行和质量的达标。
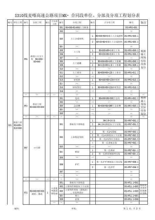
高速公路单位、分部、分项工程划分表 单位工程 分部工程 (子分部工程) 分项工程 (子分项工程)
路基工程 (LJ)
路基土石方工程 (A) 桩号按3公里路段为单元划分子分部 (A01,A02……)
土方路基(A) 按自然段或整公里 石方路基(B) 按自然段或整公里 软土地基(C) 按自然段或整公里 土工合成材料处治层(D) 按自然段或整公里
排水工程 (B)
桩号按3公里路段
为单元划分子分部 (B01,B02…..) 管道基础及管节安装(A) 按自然段或整公里 检查(雨水)井砌筑(B) 按自然段或整公里 土沟(C) 按自然段或整公里 边沟(D) 按自然段或整公里 排水沟(E) 截水沟(F) 按自然段或整公里
盲沟(G) 按自然段或整公里 渗沟(H) 按自然段或整公里 跌水(I) 按自然段或整公里 急流槽(J) 按自然段或整公里 水簸箕(K) 按自然段或整公里 排水泵站(L) 按自然段或整公里 集水井(M) 坡体排水 (N)
小桥及符合小标准的通道、人行天桥、渡槽工程 ( C )
桩号每座为单元划分子分部 (C01,C02…..) 基础及下部构造(A) 上部构造预制、安装或浇筑(B) 桥面(C)
栏杆(D) 人行道(E)
涵洞、通道(桩号按3公里) (D)
每座为单元划分子分部子分部 (D01,D02…..)
基础及下部构造(A)
上部构造预制、安装或浇筑(B)
填土(C) 总体(D)
砌筑工程 (E)
桩号按3公里路段
为单元划分子分部 (E01,E02….)
挡土墙(A) 每处为单元(自然段起止桩号) 墙背填土(B) 每处为单元(自然段起止桩号) 抗滑桩(C) 每处为单元(自然段起止桩号) 锚喷支护(D) 每处为单元(自然段起止桩号) 锥、护坡(E) 每处为单元(自然段起止桩号) 导流工程(F) 每处为单元(自然段起止桩号) 石笼防护(G) 每处为单元(自然段起止桩号) 单位工程 分部工程 (子分部工程) 分项工程 (子分项工程) 路基工程 (LJ)
大型挡土墙,组合式挡土墙 (F)
桩号每处为单元划分子分部 (F01,F02….)
基础(A) 墙身(B) 墙背填土(C) 构件预制(D) 构件安装(E) 筋带(F) 锚杆(G) 拉杆(H) 总体(I)
路面工程 (LM) 路面工程 (A)
桩号按3公里路段为
单元划分子分部 (A01,A02……)
底基层(A) 按整公里左右幅分 基层(B) 按整公里左右幅分 面层(C) 按整公里左右幅分 垫层(D) 按整公里左右幅分 联结层(E) 按整公里左右幅分 路缘石(F) 按整公里左右幅分 路肩(G) 按整公里左右幅分 路面边缘排水设施(H) 按整公里左右幅分
桥梁工 程(桩 号) (Q1,Q2….) 基础及下部构造 (A) 以每个墩台为单元划分子分部 (A01,A02……)
明挖基础(A) 明挖基础
桩基(B) 桩基钢筋加工及安装 桩基 系梁(C) 系梁钢筋加工及安装 系梁
侧墙(D) 侧墙钢筋加工及安装 侧墙
台(墩)身、柱(E)
台(墩)身、柱钢筋加工及安装
台(墩)身、柱
台(墩)帽(F) 台(墩)帽钢筋加工及安装 台(墩)帽
盖梁(G) 盖梁钢筋加工及安装 盖梁 台背填土(H) 支座垫石和挡块(I) 承台(J)
单位工程 分部工程 (子分部工程) 分项工程 (子分项工程)
桥梁工程 (Q1,Q2….)
预制和安装 (B) 每个孔为单元划分子
分部 (B01,B02…)
主要构件(梁、板)预制(A)
其他构件预制(B)
梁板安装(C) 钢筋加工及安装(D)
预应力筋的加工和张拉
(E) 现场浇筑(C) 每个孔为单元划分子分部(C01,C02…)
预应力筋的加工和张拉(A)
主要构件浇筑 (B)
主要构件浇筑 钢筋加工及安装(C)
其他构件浇筑 (D)
其他构件浇筑钢筋加工及安装(E)
总体及桥面 (D)
总体及桥面(每座)
(D01)
桥梁总体(A) 桥面防水层施工(B)
桥面铺装钢筋加工及安装(C)
桥面铺装(D) 支座安装(E) 搭板钢筋加工及安装(F)
搭板(G) 伸缩缝安装钢筋加工及安装(H)
伸缩缝安装
(I) 砼护栏钢筋加工及安装(J)
护栏(K) 栏杆(L) 人行道铺设(M)
灯柱安装(N)
防护工程 (E) 每座左右 (E01,E02)
护坡(A) 护岸(B) 导流工程(C) 石笼防护(D) 砌石防护(E) 砌石工程(F)
单位工程 分部工程 (子分部工程) 分项工程 (子分项工程)
拱 桥 (Q1,12…) 基础及下部构造 (A) 以每个墩台为单元划分子分部 (A01,A02..)
?号台、拱座
(A)
明挖基础 桩基钢筋加工及安装 桩基 拱座钢筋加工及安装 拱座浇筑 台(墩)身钢筋加工及安装 台(墩)身 台(墩)帽钢筋加工及安装 台(墩)帽 台背填土
预制和安装 (B) 每个孔为单元划分子分部 (B01,B02..)
预制主拱桥面板钢筋加工及安装(B)
资料较多,可分?梁板 预应力筋的加工和张拉(C)
预制主拱桥面板(D)
预应力筋的加工和张拉(E)
预制引孔桥面板钢筋加工及安装(F)
预制引孔桥面板(G)
预制拱肋腹板钢筋加工及安装(H)
预制拱肋腹板(I) 预制拱肋隔板钢筋加工及安装(J)
预制拱肋隔板(K) 预制肋间系梁钢筋加工及安装(L)
预制肋间系梁(M) 梁板安装(N) 现场浇筑 (C) 每个孔为单元划分子分部(C01,C02…) ?立柱(梁板) (A)
拱圈钢筋加工及安装 拱圈现浇砼 主拱立柱钢筋加工及安装 主拱立柱 引孔立柱钢筋加工及安装 引孔立柱 主拱立柱系梁钢筋加工及安装 主拱立柱系梁 引孔立柱系梁钢筋加工及安装 引孔立柱系梁 主拱立柱盖梁钢筋加工及安装 主拱立柱盖梁 引孔立柱盖梁钢筋加工及安装 引孔立柱盖梁
单位工程 分部工程 (子分部工程) 分项工程 (子分项工程)
隧道工程 (S1,S2…)
总体(A) 一个分部 隧道总体(A)
明洞(B) 明洞浇筑(A) 明洞防水层(B) 明洞回填(C)
洞口工程(C) 洞口开挖(A) 洞口边仰坡防护(B) 洞门和翼墙的浇(砌)筑(C)
截水沟(D) 洞口排水沟(E)
洞身开挖(D) 一个分部 以100m为单元分段划分分项(A) 洞身开挖(分段
洞身衬砌(E) 一个分部 喷射砼(A) 以100m为单元分段划分子分项 锚喷支护(B) 钢筋网(C) 仰拱(D)
衬砌砼(E) 钢支撑(F) 衬砌钢筋(G) 以100m为单元分段划分子分项
防排水(F) 一个分部 防水层(A) 止水带(B) 排水沟(C) 隧道路面一个分部 基层(A) 以3km为单位(左右幅分开) (G) 面层(B) 以3km为单位(左右幅分开)
装饰(H) 装饰工程(A)
辅助施工措施(L)
超前锚杆(A)
超前钢管(B)
绿化与环保工程 (LH)
声屏障(A) 每处 声屏障(A) 绿化工程(B) 1-3km路段或每处 中央分隔带绿化(A) 路侧绿化(B) 互通立交绿化(C)
服务区绿化(D)
取弃土场绿化(E)
单位工程 分部工程 (子分部工程) 分项工程 (子分项工程)
交通安全设施工程 (JA)
标志(A) 按5-10公里路段为单元 标志(A) (资料左右幅分开) 标线、突起路标(B) 按5-10公里路段为单元
标线(A)
突起路标(B)
护栏、轮廓标(C) 按5-10公里路段为单元
波形梁护栏(A)
缆索护栏(B)