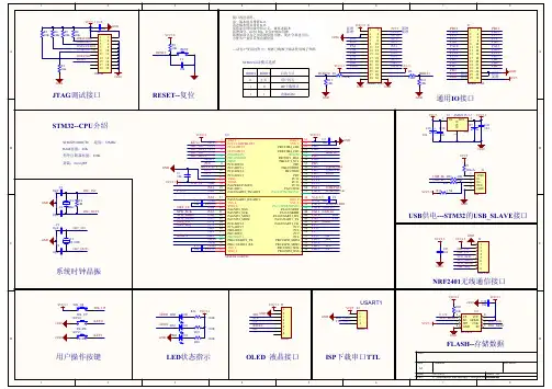
STM32原理图
- 格式:pdf
- 大小:65.70 KB
- 文档页数:1
stm32最小系统原理图STM32最小系统原理图。
STM32是STMicroelectronics公司推出的一款32位微控制器,广泛应用于各种嵌入式系统中。
在进行STM32开发时,我们通常会使用最小系统原理图来搭建基本的硬件环境,以便进行程序的烧录和调试。
本文将详细介绍STM32最小系统原理图的设计原理和具体连接方法。
首先,我们需要了解STM32最小系统原理图所需的基本元件。
最小系统原理图通常包括主控芯片、晶振、复位电路、电源电路和调试接口。
主控芯片是STM32系列微控制器,晶振用于提供时钟信号,复位电路用于确保系统在上电时能够正常复位,电源电路用于为系统提供稳定的电源,调试接口用于与开发工具连接,方便程序的烧录和调试。
在最小系统原理图中,主控芯片通常是STM32系列的芯片,根据具体的应用需求选择不同型号的芯片。
晶振的选择需要考虑系统的时钟要求,一般常用的晶振频率有8MHz、12MHz、16MHz等,需要根据实际情况进行选择。
复位电路通常包括复位按钮和复位电路,确保系统在上电时能够正常复位。
电源电路需要考虑系统的供电电压和电流需求,一般包括稳压芯片、电容、电感等元件。
调试接口通常使用SWD接口或JTAG接口,用于与开发工具连接,方便程序的烧录和调试。
接下来,我们将详细介绍STM32最小系统原理图的具体连接方法。
首先,将主控芯片、晶振、复位电路、电源电路和调试接口按照原理图连接起来,注意连接的正确性和稳定性。
接着,通过USB转串口模块将最小系统与电脑连接,打开开发工具,选择对应的芯片型号,进行程序的烧录和调试。
在烧录和调试过程中,需要注意电源的稳定性和连接的可靠性,确保程序能够正常烧录和调试。
在实际应用中,STM32最小系统原理图的设计需要根据具体的应用需求进行调整和优化。
例如,如果系统需要外部扩展模块,需要在最小系统原理图中增加对应的接口和电路。
另外,还需要考虑系统的功耗、抗干扰能力、稳定性等因素,确保系统能够稳定可靠地工作。