硫酸铜理化性质表
- 格式:doc
- 大小:42.50 KB
- 文档页数:2
硫酸铜1. 化学品及企业标识化学品中文名称:硫酸铜化学品英文名称:copper sulfate中文名称2:蓝矾英文名称2:cupric sulfate中文名称3:胆矾主要用途:用来制取其他铜盐, 也用作纺织品媒染剂、农业杀虫剂、杀菌剂、并用于镀铜。
2. 危险性概述2.1 危险性类别:有毒品。
2.2侵入途径:吸入、食入。
2.3 安康危害:本品对胃肠道有强烈刺激作用,误服引起恶心、呕吐、口内有铜性味、胃烧灼感。
严重者有腹绞痛、呕血、黑便。
可造成严重肾损害和溶血,出现黄疸、贫血、肝大、血红蛋白尿、急性肾功能衰竭。
对眼和皮肤有刺激性。
长期接触可发生接触性皮炎和鼻、眼刺激,并出现胃肠道病症。
2.4环境危害:对环境有害。
2.5燃爆危险:不燃,无特殊燃爆特性。
3. 成分/组成信息纯品■混合物□主要成分CAS RN 含量(%)硫酸铜7758-99-8 99.04. 急救措施4.1 皮肤接触:立即脱去污染的衣着,用肥皂水和清水彻底冲洗皮肤。
如有不适感,就医。
4.2眼睛接触:提起眼睑,用流动清水或生理盐水冲洗。
如有不适感,就医。
4.3吸入:脱离现场至空气新鲜处。
如呼吸困难,给输氧。
就医。
4.4食入:误服者用0.1%亚铁氰化钾或硫代硫酸钠洗胃。
给饮牛奶或蛋清。
就医。
5. 消防措施5.1 危险特性:无特殊的燃烧爆炸特性。
5.2有害燃烧产物:无意义。
5.3灭火方法:本品不燃。
根据着火原因选择适当灭火剂灭火。
5.4灭火本卷须知及措施:消防人员必须穿全身防火防毒服,在上风向灭火。
灭火时尽可能将容器从火场移至空旷处。
6. 泄漏应急措施应急处理:隔离泄漏污染区,限制出入。
建议应急处理人员戴防尘口罩,穿一般作业工作服。
尽可能切断泄漏源。
用塑料布覆盖泄漏物,减少飞散,防止雨淋。
勿使水进入包装容器内。
用干净的铲子收集泄漏物,置于干净、枯燥、盖子较松的容器中,将容器移离泄漏区。
7. 操作处置与储存7.1 操作本卷须知:密闭操作,提供充分的局部排风。
硫酸铜化学品安全技术说明书一、化学品名称化学品中文名称:硫酸铜化学品英文名称:copper sulfate中文别名:胆矾、蓝矾分子式:CuSO4.5H2O分子量:249.68二、成分/组成信息主要成分:纯品CAS No.:7758-98-7三、危险性概述健康危害:本品对胃肠道有强烈刺激作用,误服引起恶心、呕吐、口内有铜性味、胃烧灼感。
严重者有腹绞痛、呕血、黑便。
可造成严重肾损害和溶血,出现黄疸、贫血、肝大、血红蛋白尿、急性肾功能衰竭。
对眼和皮肤有刺激性。
长期接触可发生接触性皮炎和鼻、眼刺激,并出现胃肠道症状。
燃爆危险:本品不燃,有毒,具刺激性。
四、急救措施皮肤接触:脱去污染的衣着,用大量流动清水冲洗。
眼睛接触:提起眼睑,用流动清水或生理盐水冲洗。
就医。
吸入:脱离现场至空气新鲜处。
如呼吸困难,给输氧。
就医。
食入:误服者用0.1%亚铁氰化钾或硫代硫酸钠洗胃。
给饮牛奶或蛋清。
就医。
五、消防措施危险特性:未有特殊的燃烧爆炸特性。
受高热分解产生有毒的硫化物烟气。
有害燃烧产物:氧化硫、氧化铜。
灭火方法:消防人员必须穿全身防火防毒服,在上风向灭火。
灭火时尽可能将容器从火场移至空旷处。
灭火注意事项及措施:六、泄漏应急处理应急处理:隔离泄漏污染区,限制出入。
建议应急处理人员戴防尘面具(全面罩),穿防毒服。
用大量水冲洗,洗水稀释后放入废水系统。
若大量泄漏,收集回收或运至废物处理场所处置。
硫酸铜的理化性质及危险特性表
硫酸铜的化学式和分子量
- 化学式:CuSO4
- 分子量:159.609 g/mol
硫酸铜的外观和性状
- 外观:无色晶体或白色结晶粉末,呈蓝色透明晶体或粉末。
- 性状:具有若干吸湿性,微微溶于乙醇,微溶于甲醇,易溶于水。
硫酸铜的熔点和沸点
- 熔点:110 ℃
- 沸点:不适用
硫酸铜的相对密度和溶解性
- 相对密度:3.60(25/4℃)
- 溶解性:易溶于水和甘油,不溶于乙醇
硫酸铜的主要用途
- 用作杀菌灭藻剂、种子处理剂和颜料、催化剂、电镀液、洗涤剂和磨料等的原材料。
硫酸铜的危险特性
- 灼烧产生有毒气体。
- 与易燃物、还原剂、有机物、强碱发生剧烈反应,引起火灾或爆炸。
- 对皮肤、眼睛和呼吸道有刺激和腐蚀作用,接触后应立即用大量清水冲洗至少15分钟,并就医治疗。
- 吞食会引起中毒症状,如腹泻、呕吐等,应立即切忌催吐,送医就诊。
以上是硫酸铜的理化性质及危险特性的详细介绍。
在使用过程中,应严格遵循相关操作规范和安全防护措施,以确保人员和环境的安全。
硫酸铜令狐采学1. 化学品及企业标识化学品中文名称:硫酸铜化学品英文名称:copper sulfate中文名称2:蓝矾英文名称2:cupric sulfate中文名称3:胆矾主要用途:用来制取其他铜盐, 也用作纺织品媒染剂、农业杀虫剂、杀菌剂、并用于镀铜。
2. 危险性概述2.1 危险性类别:有毒品。
2.2侵入途径:吸入、食入。
2.3 健康危害:本品对胃肠道有强烈刺激作用,误服引起恶心、呕吐、口内有铜性味、胃烧灼感。
严重者有腹绞痛、呕血、黑便。
可造成严重肾损害和溶血,出现黄疸、贫血、肝大、血红蛋白尿、急性肾功能衰竭。
对眼和皮肤有刺激性。
长期接触可发生接触性皮炎和鼻、眼刺激,并出现胃肠道症状。
2.4环境危害:对环境有害。
2.5燃爆危险:不燃,无特殊燃爆特性。
3. 成分/组成信息纯品■ 混合物□主要成分 CAS RN 含量(%)硫酸铜 7758998 99.04. 急救措施4.1 皮肤接触:立即脱去污染的衣着,用肥皂水和清水彻底冲洗皮肤。
如有不适感,就医。
4.2眼睛接触:提起眼睑,用流动清水或生理盐水冲洗。
如有不适感,就医。
4.3吸入:脱离现场至空气新鲜处。
如呼吸困难,给输氧。
就医。
4.4食入:误服者用0.1%亚铁氰化钾或硫代硫酸钠洗胃。
给饮牛奶或蛋清。
就医。
5. 消防措施5.1 危险特性:无特殊的燃烧爆炸特性。
5.2有害燃烧产物:无意义。
5.3灭火方法:本品不燃。
根据着火原因选择适当灭火剂灭火。
5.4灭火注意事项及措施:消防人员必须穿全身防火防毒服,在上风向灭火。
灭火时尽可能将容器从火场移至空旷处。
6. 泄漏应急措施应急处理:隔离泄漏污染区,限制出入。
建议应急处理人员戴防尘口罩,穿一般作业工作服。
尽可能切断泄漏源。
用塑料布覆盖泄漏物,减少飞散,避免雨淋。
勿使水进入包装容器内。
用洁净的铲子收集泄漏物,置于干净、干燥、盖子较松的容器中,将容器移离泄漏区。
7. 操作处置与储存7.1 操作注意事项:密闭操作,提供充分的局部排风。
硫酸铜-高考化学知识点
硫酸铜一、五水合硫酸铜
五水合硫酸铜(CuSO4·5H2O)为天蓝色晶体,水溶液呈弱酸性,俗名胆矾或蓝矾。
硫酸铜是制备其他铜化合物的重要原料。
二、无水硫酸铜
无水硫酸铜为白色或灰白色粉末。
溶液呈酸性,粉尘刺鼻性很强。
溶于水及稀的乙醇中而不溶于无水乙醇。
在潮湿空气中易潮解,在高温中形成黑色氧化铜。
1.物理性质
无水硫酸铜密度为 3.603克/立方厘米;25℃时在水中的溶解度为23.05克/100克水,不溶于乙醇和乙醚;吸水性很强,吸水后反应生成蓝色的五水合硫酸铜(俗称胆矾)。
(CuSO4+5H2O=CuSO4·5H2O)
2.化学性质
硫酸铜属于重金属盐,有毒,成人致死剂量0.9g/kg。
若误食,应立即大量食用牛奶、鸡蛋清等富含蛋白质食品,或者使用EDTA钙钠盐解毒。
硫酸铜1. 化学品及企业标识化学品中文名称:硫酸铜化学品英文名称:copper sulfate中文名称2:蓝矾英文名称2:cupric sulfate中文名称3:胆矾主要用途:用来制取其他铜盐, 也用作纺织品媒染剂、农业杀虫剂、杀菌剂、并用于镀铜。
2. 危险性概述2.1 危险性类别:有毒品。
2.2侵入途径:吸入、食入。
2.3 健康危害:本品对胃肠道有强烈刺激作用,误服引起恶心、呕吐、口内有铜性味、胃烧灼感。
严重者有腹绞痛、呕血、黑便。
可造成严重肾损害和溶血,出现黄疸、贫血、肝大、血红蛋白尿、急性肾功能衰竭。
对眼和皮肤有刺激性。
长期接触可发生接触性皮炎和鼻、眼刺激,并出现胃肠道症状。
2.4环境危害:对环境有害。
2.5燃爆危险:不燃,无特殊燃爆特性。
3. 成分/组成信息纯品■混合物□主要成分CAS RN 含量(%)硫酸铜7758-99-8 99.04. 急救措施4.1 皮肤接触:立即脱去污染的衣着,用肥皂水和清水彻底冲洗皮肤。
如有不适感,就医。
4.2眼睛接触:提起眼睑,用流动清水或生理盐水冲洗。
如有不适感,就医。
4.3吸入:脱离现场至空气新鲜处。
如呼吸困难,给输氧。
就医。
4.4食入:误服者用0.1%亚铁氰化钾或硫代硫酸钠洗胃。
给饮牛奶或蛋清。
就医。
5. 消防措施5.1 危险特性:无特殊的燃烧爆炸特性。
5.2有害燃烧产物:无意义。
5.3灭火方法:本品不燃。
根据着火原因选择适当灭火剂灭火。
5.4灭火注意事项及措施:消防人员必须穿全身防火防毒服,在上风向灭火。
灭火时尽可能将容器从火场移至空旷处。
6. 泄漏应急措施应急处理:隔离泄漏污染区,限制出入。
建议应急处理人员戴防尘口罩,穿一般作业工作服。
尽可能切断泄漏源。
用塑料布覆盖泄漏物,减少飞散,避免雨淋。
勿使水进入包装容器内。
用洁净的铲子收集泄漏物,置于干净、干燥、盖子较松的容器中,将容器移离泄漏区。
7. 操作处置与储存7.1 操作注意事项:密闭操作,提供充分的局部排风。
硫酸铜的化学性质
1、水合物极易吸收空气中的水汽而变成水合物。
水合物在加热后失去结晶水,加热到102℃失去两个结晶水;113℃失去三个结晶水;258℃失去全部结晶水;当加热温度达653℃时,开始分解生成CuO和SO3,在720℃时分解结束。
生成结晶水的变化如下:
CuSO4+5H2O=CuSO4·5H20
在不同的温度下发生的变化如下:
CuSO4·5H2O ∆
→CuSO4·3H2O∆→CuSO4·H2O∆→CuSO4∆→CuO
2、与活动顺序位于铜以前的单质发生置换反应,如铁、锌,但不能与过于活泼的金属(如钠、钾等)置换。
CuSO4 + R= RSO4 + Cu
3、与碱反应
Cu2++ 20H- = Cu(OH)2↓
与氨水反应,少量时生成氢氧化铜,过量时生成配合物硫酸四氨合铜。
Cu2++2NH3·H2O = Cu(OH)2↓+2NH4+
Cu(OH)2 + 2NH4+ + 2NH3·H2O = [Cu(NH3)4]2++ 4H2O
现象:向硫酸铜溶液中加入少量氨水,有蓝色沉淀生成;继续加入氨水,沉淀溶解,生成深蓝色溶液。
加入乙醇,有深蓝色沉淀析出。
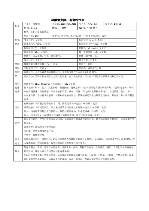
硫酸铜理化性质表硫酸铜的理化性质表标识中文名:硫酸铜英文名:Copper sulfate ;Cupric sulfate 分子式:CuSO4·5H2O分子量:249.68CAS号:7758-98-7国家编号:61519理化性质外观与性状:蓝色三斜晶系结晶。
主要用途:重要的无机化工原料,广泛用于染料、医药、食品、印染、皮革、冶金等行业。
熔点:200℃(无水物)相对密度(水=1): 2.28饱和蒸汽压(kPa):溶解性:溶于水,溶于稀乙醇,不溶于无水乙醇、液氨稳定性:稳定主要用途:用来制取其他铜盐,也用作纺织品媒染剂、农业杀虫剂、杀菌剂、并用于镀铜燃烧热(kj/mol):无意义毒性毒性:属中等毒性急性毒性:LD50300mg/kg(大鼠经口);33mg/kg(小鼠腹腔)危险特性:未有特殊的燃烧爆炸特性。
受高热分解产生有毒的硫化物烟气。
燃烧(分解)产物氧化硫、氧化铜。
环境影响及健康危害环境标准:前苏联:车间空气中有害物质的最高容许浓度:0.5mg/m3苏联:环境空气中最高容许浓度:0.009mg/m3(一次量)0.004mg/m3(日平均量)中国(GB/T14848-93):地下水质量标准(mg/L):I类50;II类150;III类250;IV类350;V类350以上(硫酸盐)中国(GHZB1-1999):地表水环境质量标准(mg/L):I类250以下;II类250;III类250;IV类250;V类250(硫酸盐)中国(GB5749-85):生活饮用水水质标准:250mg/L(硫酸盐)前苏联(1978):渔业水中最高容许浓度:4μg/L前苏联(1975):水体中有害物质最高允许浓度:0.1mg/L(以铜计) 侵入途径:吸入食入健康危害:本品对胃肠道有刺激作用,误服引起恶心、呕吐、口内有铜性味、胃烧灼感。
严重者有腹绞痛、呕血、黑便。
可造成严重肾损害和溶血,出现黄疸、贫血、肝大、血红蛋白尿、急性肾功能衰竭和尿毒症。
硫酸铜化学式及理化性质学习考的是坚持和行动,想要了解硫酸铜化学式及理化性质的小伙伴快来瞧瞧吧!下面由小编为你精心准备了“硫酸铜化学式及理化性质”,持续关注本站将可以持续获取更多的考试资讯!硫酸铜化学式硫酸铜化学式为CuSO₄。
硫酸铜是制备其他含铜化合物的重要原料。
同石灰乳混合可得波尔多液,用作杀菌剂。
也用于电解精炼铜时的电解液。
硫酸铜的物理性质蓝色透明晶体。
溶于水,微溶于稀乙醇而不溶于无水乙醇。
无水硫酸铜为灰白色粉末,易吸水变蓝绿色的五水合硫酸铜。
(无水硫酸铜化学式为CuSO4)硫酸铜常压下没有熔点,受热失去结晶水后分解,在常温常压下很稳定,不潮解,在干燥空气中会逐渐风化。
硫酸铜为蓝色不对称三斜晶系的结晶,比重2.29。
在常温下化学性质稳定,易溶解水,在15℃水中可以溶解16.2%,其水溶液呈蓝色,并呈酸性。
在空气中久置会逐渐失去结晶水,变成白色。
硫酸铜的化学性质化学式CuSO4,是强酸弱碱盐,由于水解溶液呈弱酸性。
吸水性很强,吸水后反应生成蓝色的五水合硫酸铜(俗称胆矾或蓝矾)。
(CuSO4+5H2O=CuSO4·5H2O)水溶液呈蓝色。
将硫酸铜溶液浓缩结晶,可得到五水硫酸铜蓝色晶体,俗称胆矾、铜矾或蓝矾(相对密度2.28,相对分子质量为249.8,蓝色三斜晶体,在干燥空气中易风化)。
将胆矾加热至650℃高温,可分解为黑色氧化铜、二氧化硫及氧气。
溶于水,不溶于乙醇。
在空气的作用下铜与浓硫酸反应或将氧化铜溶于稀硫酸后,经蒸发,结晶而得。
用作定氨催化剂,棉丝媒染剂,木材防腐剂,农用杀虫剂,水质杀菌剂,医用呕吐剂:作为电镀,染料和皮革工业的原料,无水硫酸铜用作脱水剂和气体干燥剂。
硫酸铜1. 化学品及企业标识化学品中文名称:硫酸铜化学品英文名称:copper sulfate中文名称2:蓝矾英文名称2:cupric sulfate中文名称3:胆矾主要用途:用来制取其他铜盐, 也用作纺织品媒染剂、农业杀虫剂、杀菌剂、并用于镀铜。
2. 危险性概述2.1 危险性类别:有毒品。
2.2侵入途径:吸入、食入。
2.3 健康危害:本品对胃肠道有强烈刺激作用,误服引起恶心、呕吐、口内有铜性味、胃烧灼感。
严重者有腹绞痛、呕血、黑便。
可造成严重肾损害和溶血,出现黄疸、贫血、肝大、血红蛋白尿、急性肾功能衰竭。
对眼和皮肤有刺激性。
长期接触可发生接触性皮炎和鼻、眼刺激,并出现胃肠道症状。
2.4环境危害:对环境有害。
2.5燃爆危险:不燃,无特殊燃爆特性。
3. 成分/组成信息纯品■混合物□主要成分CAS RN 含量(%)硫酸铜7758-99-8 99.04. 急救措施4.1 皮肤接触:立即脱去污染的衣着,用肥皂水和清水彻底冲洗皮肤。
如有不适感,就医。
4.2眼睛接触:提起眼睑,用流动清水或生理盐水冲洗。
如有不适感,就医。
4.3吸入:脱离现场至空气新鲜处。
如呼吸困难,给输氧。
就医。
4.4食入:误服者用0.1%亚铁氰化钾或硫代硫酸钠洗胃。
给饮牛奶或蛋清。
就医。
5. 消防措施5.1 危险特性:无特殊的燃烧爆炸特性。
5.2有害燃烧产物:无意义。
5.3灭火方法:本品不燃。
根据着火原因选择适当灭火剂灭火。
5.4灭火注意事项及措施:消防人员必须穿全身防火防毒服,在上风向灭火。
灭火时尽可能将容器从火场移至空旷处。
6. 泄漏应急措施应急处理:隔离泄漏污染区,限制出入。
建议应急处理人员戴防尘口罩,穿一般作业工作服。
尽可能切断泄漏源。
用塑料布覆盖泄漏物,减少飞散,避免雨淋。
勿使水进入包装容器内。
用洁净的铲子收集泄漏物,置于干净、干燥、盖子较松的容器中,将容器移离泄漏区。
7. 操作处置与储存7.1 操作注意事项:密闭操作,提供充分的局部排风。
硫酸铜的理化特性
硫酸铜是一种无机化合物,其化学式为CuSO4。
下面是关于硫酸铜的一些理化特性。
外观和物态
硫酸铜以无色结晶体的形式存在。
它在常温下为固体状态,但也可以溶解在水中形成蓝色溶液。
密度和熔点
硫酸铜的密度约为3.6克/立方厘米。
它的熔点约为110℃,这意味着在达到或超过这个温度时,固态的硫酸铜会熔化为液态。
溶解性和溶液性质
硫酸铜在水中具有良好的溶解性。
当硫酸铜溶解在水中时,会形成蓝色的溶液。
这个蓝色溶液是一种电解质溶液,可以导电。
化学反应性
硫酸铜是一种较强的氧化剂。
当与还原剂反应时,硫酸铜可以
被还原为金属铜或次氧化铜等产物。
此外,硫酸铜还可与碱、酸和
其他化合物发生反应,形成相应的盐类或配合物。
应用
硫酸铜在工业和实验室中有广泛的应用。
它常被用作杀菌剂、
催化剂和电镀工艺中的重要剂量。
此外,硫酸铜也常用于农业领域,作为一种常见的杀真菌剂,用于控制作物病害。
以上是关于硫酸铜的一些理化特性的简要介绍。
硫酸铜是一种
重要的化合物,在许多领域中都有着广泛的应用和研究价值。
硫酸铜什么颜色
硫酸铜是一种无机化合物,化学式为CuSO₄,无水硫酸铜为为白色或灰白色粉末。
而五水硫酸铜理化性质为透明的深蓝色结晶或粉末。
硫酸铜既是一种肥料,又是一种普遍应用的杀菌剂。
波尔多液、铜皂液、铜铵制剂,就是用硫酸铜与石灰乳、肥皂、碳酸氢铵配制而成的。
1、无水硫酸铜:
外观与性状:无水硫酸铜为灰白色粉末,易吸水变蓝绿色的五水合硫酸铜。
熔点:560℃。
密度:3.606 g/cm3(25ºC)
蒸气压:7.3mm Hg(25ºC)
溶解性:溶于水、甲醇。
不溶于乙醇。
2、五水硫酸铜:
五水硫酸铜理化性质为透明的深蓝色结晶或粉末,在0℃水中的溶解度为316克/升,不溶于乙醇,几乎不溶于其他大多数有机溶剂。
在甘油中呈宝石绿色,空气中缓慢风化,加热失去两分子结晶水(30℃),在110℃下失水变成白色水合物(CuS04・H20)。
含杂质多时呈黄色或绿色,无气味。
本品对铁有很强的腐蚀性。
硫酸铜既是一种肥料,又是一种普遍应用的杀菌剂。
波尔多液、铜皂液、铜铵制剂,就是用硫酸铜与生石灰、肥皂、碳酸氢铵配制而成的。
硫酸铜的理化性质表
标识
中文名:硫酸铜
英文名:Copper sulfate ;Cupric sulfate 分子式:CuSO4·5H2O
分子量:249.68
CAS号:7758-98-7
国家编号:61519
理化性质
外观与性状:蓝色三斜晶系结晶。
主要用途:重要的无机化工原料,广泛用于染料、医药、食品、印染、皮革、冶金等行业。
熔点:200℃(无水物)
相对密度(水=1): 2.28
饱和蒸汽压(kPa):
溶解性:溶于水,溶于稀乙醇,不溶于无水乙醇、液氨
稳定性:稳定
主要用途:用来制取其他铜盐,也用作纺织品媒染剂、农业杀虫剂、杀菌剂、并用于镀铜燃烧热(kj/mol):无意义
毒性
毒性:属中等毒性
急性毒性:LD50300mg/kg(大鼠经口);33mg/kg(小鼠腹腔)
危险特性:未有特殊的燃烧爆炸特性。
受高热分解产生有毒的硫化物烟气。
燃烧(分解)产物氧化硫、氧化铜。
环
境影响及健康危害环境标准:
前苏联:车间空气中有害物质的最高容许浓度:0.5mg/m3
苏联:环境空气中最高容许浓度:0.009mg/m3(一次量)
0.004mg/m3(日平均量)
中国(GB/T14848-93):地下水质量标准(mg/L):I类50;II类150;III类
250;IV类350;V类350以上(硫酸盐)
中国(GHZB1-1999):地表水环境质量标准(mg/L):I类250以下;II类250;
III类250;IV类250;V类250(硫酸盐)
中国(GB5749-85):生活饮用水水质标准:250mg/L(硫酸盐)
前苏联(1978):渔业水中最高容许浓度:4μg/L
前苏联(1975):水体中有害物质最高允许浓度:0.1mg/L(以铜计)
侵入途径:吸入食入
健康危害:
本品对胃肠道有刺激作用,误服引起恶心、呕吐、口内有铜性味、胃烧灼感。
严
重者有腹绞痛、呕血、黑便。
可造成严重肾损害和溶血,出现黄疸、贫血、肝大、
血红蛋白尿、急性肾功能衰竭和尿毒症。
对眼和皮肤有刺激性。
长期接触可发生
接触性皮炎和鼻、眼粘膜刺激并出现胃肠道症状。
急救
皮肤接触:脱去污染的衣着,用大量流动清水彻底冲洗。
眼睛接触:立即翻开上下眼睑,用流动清水或生理盐水冲洗。
吸入:
迅速脱离现场至空气新鲜处。
保持呼吸道通畅。
呼吸困难时给输氧。
呼吸停止时,
立即进行人工呼吸。
就医。
食入:误服者用0.1%亚铁氰化钾或硫代硫酸钠洗胃。
给饮牛奶或蛋清。
就医。
呼吸系统防护:
可能接触其蒸气或烟雾时,必须佩带防毒面具或供气式头盔。
紧急事态抢救或逃
生时,建议佩带自给式呼吸器。
NIOSH/OSHA 50ppm:装药剂盒的呼吸器、
装滤毒盒的空气净化式呼吸器、动力驱动滤毒盒空气净化呼吸器、供气式呼吸器、
自携式呼吸器。
应急或有计划进入浓度未知区域,或处于立即危及生命或健
康的状况:自携式正压全面罩呼吸器、供气式正压全面罩呼吸器辅之以辅助自携
式正压呼吸器。
逃生:装滤毒罐防酸性气体的全面罩空气净化呼吸器、自携
式逃生呼吸器。
眼睛防护:可采用安全面罩。
防护服:穿工作服。
手防护:必要时戴防护手套。
其他:
工作现场禁止吸烟、进食和饮水。
工作后,淋浴更衣。
注意个人清洁卫生。
实行
就业前和定期的体检。
泄漏处置:
戴好防毒面具和手套。
用大量水冲洗,经稀释的洗液放入废水系统。
如大量泄漏,
收集回收或无害处理后废弃。