燃料油理化性质表
- 格式:doc
- 大小:60.00 KB
- 文档页数:3
汽油、柴油理化性质及危险特性见下表:⑴油理化性质及危险特性表2-1汽油理化性质及危险特性表标识中文名:汽油UN编号:1203危险货物编号:31001危险品类别:低闪点易燃液体理化性质主要成分:C4—C12脂肪烃和环烷烃性状:无色或淡黄色易挥发液体熔点(℃):<-50 相对密度(水=1):0.7—0.79 沸点(℃):40—200溶解性:不溶于水,易溶于苯、二硫化碳、醇、脂肪烃燃烧爆炸危险特性燃烧性:极易燃烧闪点(℃):<-18引燃温度(℃):(415—530)爆炸极限(V%):(1.58—6.48)危险特性:其蒸气与空气可形成爆炸性混合物。
遇明火高热极易燃烧爆炸。
与氧化剂能发生强烈反应。
其蒸气比空气重。
能在较低处扩散到相当远的地方。
燃烧(分解)产物:CO、CO2、H2O禁忌物:强氧化剂毒性及健康危害最高允许浓度(mg/m3):300侵入途径:吸入、食入、经皮肤吸收健康危害:急性中毒,对中枢神经系统有麻醉作用,轻度中毒症状有头晕、头痛、恶心、呕吐。
高浓度吸入出现中毒性脑病。
极高浓度吸入引起意识突然丧失,反射性呼吸停止。
可伴有中毒性周围神经病及化学性肺炎。
吸入呼吸道可引起吸入性肺炎。
溅入眼内可致角膜溃疡、穿孔,甚至失明。
皮肤接触致急性接触性皮炎,甚至灼伤。
吞咽引起急性胃肠炎。
并可引起肝、肾损害。
慢性中毒:神经衰弱综合症,植物神经功能紊乱,周围神经病。
严重中毒出现中毒性脑病。
防工程控制:密闭操作,全面通风,工作现场严禁火种。
护措施呼吸系统防护:高浓度接触时,可佩戴自吸过滤式防毒面具。
眼睛防护:高浓度接触时,可佩戴化学安全防护眼镜。
身体防护:穿防静电工作服。
手防护:戴耐油手套。
储运存储要保持容器密封,要有防火、防爆技术措施,禁止使用易产生火花的机械设备和工具。
灌装时应注意流速(不超过3m/s),且有接地装置,防止静电积聚。
⑵油理化性质及危险特性表2-2柴油理化性质及危险特性表标识中文名:普通柴油UN编号:2924危险货物编号:危险品类别:可燃液体理化性质主要成份:C15—C23脂肪烃和环烷烃性状:无色或淡黄色液体。
柴油理化性质及危险特性表
柴油是一种稍有粘性的棕色液体,主要用作柴油机的燃料。
它的熔点为-18℃,沸点在282-338℃之间,相对密度在0.87-0.9之间。
柴油的闪点为38℃,引燃温度为257℃。
遇明火、
高热或与氧化剂接触,有引起燃烧爆炸的危险。
若遇高热,内压增大,有开裂和爆炸的危险。
柴油的危险特性包括稳定性差,禁忌物为强氧化剂和卤素,聚合危害较大。
在灭火方面,建议使用泡沫、干粉或二氧化碳,而不是水。
柴油对健康的危害主要是通过吸入、食入和经皮吸收途径引起的。
皮肤接触可致急性肾脏损害,引起接触性皮炎和油性痤疮。
吸入柴油的雾滴或液体可能导致吸入性肺炎,而柴油废气则可能引起眼、鼻刺激症状、头晕和头痛。
此外,柴油还能经胎盘进入胎儿血中。
在储存和运输方面,柴油应储存在阴凉、通风的库房中,远离火源和热源。
应与氧化剂、卤素分开存放,切忌混储。
储
区应备有泄漏应急处理设备和合适的收容材料。
在防护方面,皮肤接触后应立即脱去污染的衣着,用肥皂水和清水彻底冲洗皮肤。
眼睛接触后应提起眼睑,用流动清水或生理盐水冲洗。
吸入柴油后应迅速脱离现场至空气新鲜处,保持呼吸道通畅。
如呼吸困难,应给输氧。
如呼吸停止,应立即进行人工呼吸。
食入柴油后应尽快彻底洗胃。
在泄漏处置方面,应迅速撤离泄漏污染区人员至安全区,并进行隔离,严格限制出入。
切断火源,使用合适的泄漏应急处理设备和收容材料。
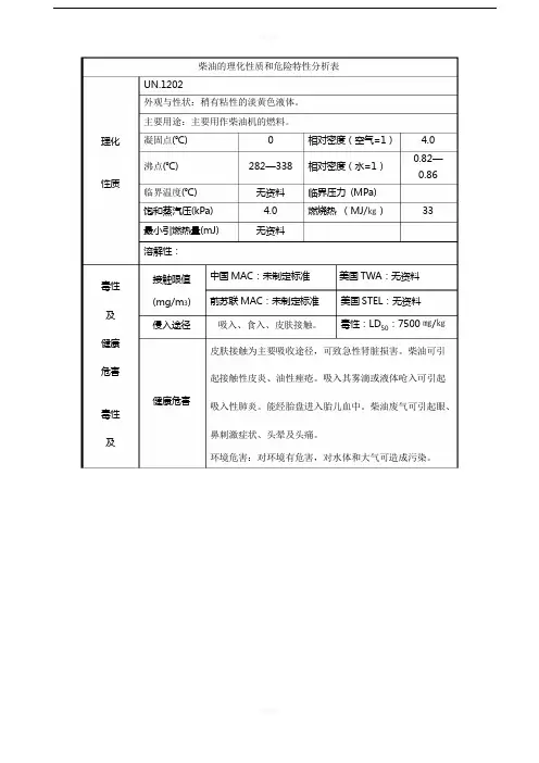
柴油的理化性质和危险特性分析表UN.1202外观与性状:稍有粘性的淡黄色液体。
主要用途:主要用作柴油机的燃料。
理化性质凝固点(℃)沸点(℃)临界温度(℃)饱和蒸汽压(kPa)282—338无资料4.0相对密度(空气=1)相对密度(水=1)临界压力(MPa)燃烧热(MJ/㎏)4.00.82—0.8633最小引燃热量(mJ)溶解性:无资料毒性接触限值中国MAC:未制定标准美国TWA:无资料及(mg/m3)侵入途径前苏联MAC:未制定标准吸入、食入、皮肤接触。
美国STEL:无资料毒性:LD50:7500㎎/㎏健康危害毒性及健康危害皮肤接触为主要吸收途径,可致急性肾脏损害。
柴油可引起接触性皮炎、油性痤疮。
吸入其雾滴或液体呛入可引起吸入性肺炎。
能经胎盘进入胎儿血中。
柴油废气可引起眼、鼻刺激症状、头晕及头痛。
环境危害:对环境有危害,对水体和大气可造成污染。
随意编辑健康 皮肤接触:立即脱去污染的衣着,用肥皂水和清水彻底 危害冲洗皮肤。
就医。
眼睛接触:立即提起眼睑,用流动清水或生理盐水冲洗。
急救措施就医。
吸入:迅速脱离现场至空气清新处,保持呼吸道畅通。
如呼吸困难,给输氧。
如呼吸停止,立即进行人工呼吸。
就医。
食入:尽快彻底洗胃。
就医。
燃烧性易燃 闪点(℃)不低于 55自燃温度(℃)爆炸极限(v %)0.75.0%~危险特性本品易燃。
遇明火、高热或氧化剂接触,有引起燃烧爆炸的危险。
若遇高热,容器内压增大,有开裂和爆炸的危险。
燃烧爆炸 燃烧分解产物 一氧化碳、二氧化碳和水危险性稳定性聚合危害禁忌物稳定不聚合强氧化剂、卤素。
防护措施喷水冷却容器,可能的话将容器从火场移至空旷处。
喷水 灭火方法保持火场容器冷却,直至灭火结束。
处在火场中的容器已变色或从安全泄压装置中产生声音,必须马上撤离。
采用雾状水、泡沫、干粉、二氧化碳等灭火剂灭火。
迅速撤离泄漏污染区人员至安全区,并进行隔离,严格限 制出入。
切断火源。
建议应急处理人员戴自给正压式呼吸 器,穿一般作业工作服。
漆时苯和甲醛等有害物质会混在喷出的漆雾中四处飞扬而漆雾未经处理被直接排放到大气中又会造成周围环境的污染不同程度地存在劳动卫生和排放超标的问题必须采用先进技术首先对南宁机务段的喷漆库进行了改造对铁路机车喷漆库污染的治理有两种气流组织方案漆雾净化方式可分为干式和湿式湿式净化包括喷淋式无泵式1.2气流组织的设计上送下排式是在机车两侧上方布置送风从而在机车两侧形成一道风帘喷漆工人在风帘之外免受漆雾危害地面及地沟也难以清洁而在另一端吸风可保持稳定的层流状态使喷漆工人避免受到漆雾危害有利于喷漆作业和环境洁净经比选采用纵向水平层流式方案需要二次清洗一次性更换成本较高湿式净化效率高无水泵式和水帘式净化属于这种净化采用技术采用无水泵水幕式漆雾净化器免维护2技术设计2.1喷漆库改造原有喷漆库房为30m7.2m由于需要安装新设备和保证机车停放后两端足够的空间将库房前端延长9m后端改建成两层电器室上在库内建成宽6.2m2.2工艺流程在库房入口两侧各设一台空调机及送风器在大流量通风机的作用下在喷漆间的机车车体周围形成具有一定负压的空气层流层经多孔均流板进入排风净化间被洗涤到加有净化剂的水箱内排风消音器等设备后排入大气刘国泰副总工程师545007环保机车喷漆的摘要提出喷漆库污染治理方案并进行方案选择并介绍其技术设计说明其应用效果机车喷漆库油库环境事故应急预案1、目的AAAA油库所储存的油品具有有毒、有害、易燃、易爆等特点,在储存、收发过程中因意外或自然灾害等原因易发生泄漏事故,极易造成人员伤害和环境污染。
因此必须对可能的油品泄露事故制订完备的应急预案。
对环境污染事故现场实施有效的应急处置,可以有效地降低事故损失和影响。
2、油库概况2.1简介油库位于BB地区,2007-2008年兴建,隶属于,属股份有限公司,市级安全重点单位。
油库占地面积32775平方米,储油罐6个、栈桥1座、发油台3座以及化验室、供配电室及独立的消防系统。
一. 表记化学品中文名称:燃料油化学品英文名称:fuel oil危险性类型:可燃液体二. 成分 / 构成信息混淆物:由各族烃类和非烃类的构成的有害物成分:烷烃、环烷烃和芬芳烃、含硫、氧、氮化合物三 . 健康危害侵入门路:吸入、食入、经皮汲取健康危害:急性中毒:吸入高浓度蒸气,常先有喜悦,后转入克制,表现为乏力、头痛、酩酊感、神志恍然、肌肉震颤、共济运动失调;严重者出现定向力阻碍、谵妄、意识模糊等;蒸气可惹起眼及呼吸道刺激症状,重者出现化学性肺炎。
吸入液态煤油可惹起吸入性肺炎,严重时可发生肺水肿。
摄取惹起口腔、咽喉和胃肠道刺激症状,可出现与吸入中毒同样的中枢神经系统症状。
慢性影响:神经虚弱综合征为主要表现,还有眼及呼吸道刺激症状,接触性皮炎,皮肤干燥等。
环境危害:对环境有危害。
对大气可造成污染。
燃爆危险:其蒸气与空气可形成爆炸性混淆物,遇明火、高热能惹起焚烧爆炸。
其蒸气比空气重,能在较低处扩散到相当远的地方,遇火源会着火回燃。
若遇高热,容器内压增大,有开裂和爆炸的危险四 . 急救举措皮肤接触:立刻脱去全部被污染的衣物,包含鞋类。
用流动清水冲刷皮肤和头发(可用肥皂)。
假如出现刺激症状,就医。
眼睛接触:立刻用流动、洁净水冲刷起码15 分钟。
假如痛苦连续或复发,就医。
眼睛受伤后,应由专业人员拿出隐形眼镜。
吸入:假如吸入本品气体或其焚烧产物,离开污染区。
把病人放卧位,保暖并使其寂静。
开始急救前,第一拿出假牙等,防备堵塞气道。
假如呼吸停止,立刻进行人工呼吸,用活瓣气囊面罩通气或有效的袖珍面具可能成效更佳。
呼吸心跳停止,立刻进行心肺复苏术。
送医院或追求医生帮助。
食入 : 禁止催吐。
假如发生呕吐,让病人前倾或左边位躺下(头部保持低位),保持呼吸道畅达,防备吸入呕吐物。
认真察看病情。
禁止给有嗜睡症状或知觉降低,即正在失掉知觉的病人服用液体。
意识清醒者可用水漱口,而后尽量多饮水。
追求医生或医疗机构的帮助。
五 . 燃爆特征与消防闪点(℃):≥60引燃温度(℃):250危险特征 : 其蒸气与空气可形成爆炸性混淆物,遇明火、高热能惹起焚烧爆炸。