【2019年整理】特种设备检验收费项目和标准-(967)
- 格式:doc
- 大小:5.25 MB
- 文档页数:20
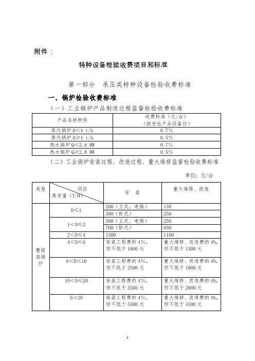
附件:特种设备检验收费项目和标准第一部分承压类特种设备检验收费标准一、锅炉检验收费标准(二)工业锅炉安装过程、改造过程、重大维修监督检验收费标准单位:元/台(三)电站锅炉安装过程、改造过程、重大维修监督检验收费标准单位:元/吨(三)锅炉定期检验收费标准1、工业锅炉检验收费标准2、电站锅炉检验收费标准单位:元/吨(一)压力容器1、压力容器产品制造过程监督检验收费标准一、二、三类压力容器定期检验超高压容器定期检验收费标准(二)医用氧舱医用氧舱定期检验及安装监检收费标准单位:元/台(三)汽车罐车、铁路罐车检验收费标准三、压力管道检验收费标准(一)压力管道元件制造质量监督检验收费标准压力管道元件制造质量监督检验收费按受检产品设备价的1.0%收取。
(二)钢制压力管道安装过程监督检验及全面检验收费标准单位:元/台五、设计技术资料审查收费标准第二部分机电类特种设备检验收费项目和标准一、电梯类收费标准(二)监督检验收费标准(一)起重机械定期检验及验收检验102、臂架起重机定期检验(二)起重机械监督检验收费标准三、厂(场)内机动车辆类收费标准(一)定期检验(二)验收检验四、大型游乐设施类收费标准(二)游乐设施监督检验收费标准第三部分其他检验收费项目和标准一、各类气瓶检验收费标准二、锅炉水质分析项目收费标准三、有机热载体炉介质检验收费标准3一、特种设备作业人员理论考试收费标准理论考试50元/人.二、特种设备作业人员实践考试收费标准(一)特种设备安全管理实践考试(锅炉、压力容器、气瓶充装、压力管道、电梯、起重机械、厂内机动车、大型游乐设施):100元/人(二)电梯、起重机械安装维修实践考试:320元/人;(三)电梯、起重机械、场内机动车、大型游乐设施操作司机实践考试:100元/人(其中岸边集装箱起重机、轮胎式集装箱门式起重机、桥式抓斗式起重机、港口门座起重机、通用桥式起重机械司机操作考试200元/人);(四)锅炉、压力容器、气瓶充装、压力管道、水处理操作实践考试压力容器、气瓶充装、压力管道:100元/人;锅炉:180元/人;水处理:200元/人;电站锅炉:200元/人;(六)锅炉、压力容器、压力管道焊工实践考试碳钢250元/人、不锈钢600元/人,PE管热熔对焊接(BW—J-d)600元/人、PE管热熔对焊接(BW—J—D)1900元/人、PE管电熔承焊焊(EW—Z-C)750元/人。
特种设备检验检测收费项目及标准一、锅炉、压力容器、压力管道产品质量监督检验收费标准(一)注:12、热水锅炉以每兆瓦(60×104卡/时)折算为蒸发量1吨/时。
3、锅炉整机指不包括鼓、引风机、给水泵、除尘器以及水处理设备。
4、销售价含材料费和安全附件。
注:1销售价含材料费和安全附件,不包括填充物料。
2、汽(火)车槽车、按罐体(含安全附件)的销售价计算收费。
3、散装、组装大型容器(包括球罐)的现场监检,按设备总价的%或安装工程总费用的3%收取。
4、不锈钢及有色金属容器制作的设备按上述标准的50%收取。
5、医用氧舱安装监检费按产品销售安装价的%收取。
(三)压力管道1、凡新、改、扩建压力管道的安装监检,按其工程总造价(含材料费)的2~3%收取。
(1)、工程总造价在100万元以下(含100万元),按3%收取,且不低于1000元。
(2)、工程总造价在100万元至300万元(含300万元),按 %收取。
(3)、工程总造价在300万以上,按2 %收取。
2、压力管道元件制作按其销售价收取,A、B级分别收取3%和4%。
(四)气瓶二、锅炉安装、修理改造质量监督检验收费三、在用锅炉压力容器压力管道定期检验收费标准(一)在用锅炉a2、表中为蒸汽锅炉,热水锅炉按兆瓦(60×104大卡/时)折算为1吨/时。
3、余热锅炉以受热面积每30米2折算为1吨/时,非定型余热锅炉,其检验费加收50%。
4、外部检验、水压试验按内外部检验的50%收取;强度校核按内外部检验的50%。
b2、检验二类压力容器,按一类压力容器标准加收50%。
3、检验三类压力容器,按一类压力容器标准加收100%。
4、检验塔器容器(指高度大于10米或高度与直径之比大于5),按上列标准加收50%。
5、医用氧舱检验收费按以下收费标准执行。
A、定期检验收费标准规格及收费单位:元C、消防和应急呼吸装置检验120元。
D、氧舱的无损检测、耐压试验、气密试验按本文中的相关条款执行。
特种设备检验收费项目和标准引言特种设备是指对人身和财产安全有较大危险性的设备,如压力容器、起重机械、电梯等。
为了保障特种设备的安全运行,特种设备需要定期进行检验和测试。
特种设备检验收费项目和标准是指对特种设备检验收费标准的制定和规定的内容。
本文将介绍特种设备检验收费项目和标准的相关内容。
一、特种设备检验收费项目特种设备检验收费项目是指在对特种设备进行检验时,需要支付的费用项目。
特种设备检验收费项目通常包括以下几个方面:1. 检验费检验费是指对特种设备进行检验所需支付的费用。
检验费的计算通常根据特种设备的种类、型号、容量等因素进行确定。
检验费的主要目的是为了覆盖特种设备检验工作的成本和费用。
2. 材料费材料费是指在特种设备检验过程中所使用的材料所需支付的费用。
例如,对于电梯的检验,需要使用一些特定的测试仪器和设备,对于起重机械的检验,需要使用一些特定的测量工具和试验设备等。
这些材料的购买和使用将产生一定的费用,需要由特种设备检验单位支付。
3. 出差费出差费是指特种设备检验人员因检验需要进行出差所需支付的费用。
特种设备通常分布在各个地区,为了对其进行检验,特种设备检验人员需要前往设备所在地进行工作,这将产生一定的出差费用,包括交通费、住宿费、伙食费等。
4. 咨询费咨询费是指在特种设备检验过程中需求得到相关专业咨询所需支付的费用。
特种设备检验工作可能需要借助于第三方机构或专业人员提供技术或法律咨询,以确保检验工作的准确性和合规性。
这些相关咨询的费用需要由特种设备检验单位支付。
二、特种设备检验收费标准特种设备检验收费标准是指对特种设备检验收费金额的规定和标准。
特种设备检验收费标准的制定具有重要意义,它直接关系到特种设备检验工作的公平性和合理性。
特种设备检验收费标准的制定通常需要考虑以下几个因素:1. 特种设备的种类和等级不同种类和等级的特种设备具有不同的检验要求和复杂程度,因此其检验收费标准也会有所不同。
特种设备检验收费项目和标准特种设备检验是保障人员和财产安全的重要环节,检验费用的合理收取和标准的制定对于保障社会公共利益至关重要。
以下是特种设备检验收费项目和标准的相关内容。
一、特种设备检验收费项目1. 设备基本信息核查费:对特种设备的基本信息进行核查,包括设备名称、型号、出厂编号、规格等信息的确认,核查费用根据不同设备类型和规模进行标准收费。
2. 设备外观检查费:对特种设备的外观状况进行检查,包括设备表面是否有破损、腐蚀、变形等情况,外观检查费用根据设备的大小和复杂程度进行标准收费。
3. 设备功能性检验费:对特种设备的功能性能进行检验,包括设备的运行情况、控制系统的正常性等,功能性检验费用根据设备的特性和功能进行标准收费。
4. 设备安全性能测试费:对特种设备的安全性能进行测试,包括对设备的安全阀、保护装置等进行检测,安全性能测试费用根据设备的风险等级进行标准收费。
5. 设备文件审核费:对特种设备相关的文件资料进行审核,包括设备的制造和安装文件、使用和维护手册等,文件审核费用根据文件数量和复杂程度进行标准收费。
二、特种设备检验收费标准特种设备检验收费标准应当综合考虑设备类型、规模、风险等因素进行合理制定,确保检验费用的合理性和公平性。
具体的收费标准应当根据相关法律法规进行制定,并经相关部门审批后实施。
在收费标准的制定过程中,应当充分考虑设备类型的特殊性和行业特点,避免因为收费不合理而导致特种设备检验的滞后或者不合格设备上市使用。
特种设备检验收费项目和标准的合理制定,可以保障检验质量和费用公平,为特种设备的安全运行提供保障,同时也有助于推动特种设备行业的健康发展。
因此,相关部门和行业协会应当共同努力,制定合理的收费标准,确保特种设备检验工作的顺利开展。
特种设备检验是指对各类特种设备进行安全性、可靠性、有效性等方面的检验,旨在保障特种设备的安全可靠运行,预防事故发生。
特种设备包括压力容器、起重机械、电梯、锅炉、压力管道、起重机、大型游乐设施等多种类型,其检验要求和标准各有不同。
特种设备收费项目及收费标准一、特种设备行政许可(三)特种设备作业人员考核焊工30元/项,其他作业人员20元/证。
(四)特种设备检验检测人员考核特种设备检验人员和无损检测人员20元/项。
二、特种设备检验(一)监督检验监督检验在设备制造厂或安装地点进行,检验地点距检验机构本部超过50公里时,按实际情况加收差旅费或由受检单位支付。
1. 锅炉制造监督检验工业锅炉为设备整机出厂价格的0.8%~1%。
电站锅炉为设备整机出厂价格的0.7%~0.9%。
2. 压力容器制造监督检验2.1 固定式与移动式压力容器制造监督检验备注:(1)一般压力容器为整机价格。
(2)汽车罐车、长管拖车、铁路罐车包括安全附件在内的本体价格。
(3)制造监督检验最低收费:一类容器50元/台,二类容器100元/台,三类容器200元/台。
(4)产品有超标缺陷,返修需复检,复检费加收20%。
(5)搪玻璃釜产品检验收费按上述标准80%计收。
2.2 气瓶产品制造监督检验备注:气瓶出厂价中应含瓶阀等附件价格。
3. 压力管道元件制造监督检验4. 大型游乐设施制造监督检验6. 锅炉安装、改造、重大维修监督检验7. 压力容器安装、改造、重大维修监督检验1)压力容器现场安装的监督检验,一类、二类、三类容器(不包括球罐)均按现场组装费用总额的2%收取,球罐按现场组装费用总额的3%收取。
2)一类、二类容器改造、重大维修监督检验的收费按改造、重大维修的造价2%收费,三类容器按改造、重大维修的造价5%收费。
8. 压力管道安装、改造、重大维修监督检验1)压力管道安装监督检验(1)长输管道安装监督检验对GA1类,按工程建设总投资的1.5~2%收取;对GA2类按工程建设总投资的1~1.5%收取。
(2)公用管道安装监督检验GB1类按8~10元/米收取,GB2类按6~8元/米收取。
(3)工业管道安装监督检验GC1类管道按8~10元/米收取,GC2类管道按6~8元/米收取,GC3类管道按4~6元/米收取。
附件:特种设备检验收费项目和标准第一部分承压类特种设备检验收费标准一、锅炉检验收费标准(二)工业锅炉安装过程、改造过程、重大维修监督检验收费标准单位:元/台(三)电站锅炉安装过程、改造过程、重大维修监督检验收费标准单位:元/吨(三)锅炉定期检验收费标准1、工业锅炉检验收费标准2、电站锅炉检验收费标准单位:元/吨(一)压力容器1、压力容器产品制造过程监督检验收费标准一、二、三类压力容器定期检验超高压容器定期检验收费标准(二)医用氧舱医用氧舱定期检验及安装监检收费标准单位:元/台(三)汽车罐车、铁路罐车检验收费标准三、压力管道检验收费标准(一)压力管道元件制造质量监督检验收费标准压力管道元件制造质量监督检验收费按受检产品设备价的1.0%收取。
(二)钢制压力管道安装过程监督检验及全面检验收费标准单位:元/台五、设计技术资料审查收费标准第二部分机电类特种设备检验收费项目和标准一、电梯类收费标准(二)监督检验收费标准二、起重机械检验收费标准(一)起重机械定期检验及验收检验2、臂架起重机定期检验(二)起重机械监督检验收费标准三、厂(场)内机动车辆类收费标准(一)定期检验(二)验收检验四、大型游乐设施类收费标准(二)游乐设施监督检验收费标准第三部分其他检验收费项目和标准一、各类气瓶检验收费标准二、锅炉水质分析项目收费标准三、有机热载体炉介质检验收费标准四、安全阀离线校验收费标准3一、特种设备作业人员理论考试收费标准理论考试50元/人。
二、特种设备作业人员实践考试收费标准(一)特种设备安全管理实践考试(锅炉、压力容器、气瓶充装、压力管道、电梯、起重机械、厂内机动车、大型游乐设施):100元/人(二)电梯、起重机械安装维修实践考试:320元/人;(三)电梯、起重机械、场内机动车、大型游乐设施操作司机实践考试:100元/人(其中岸边集装箱起重机、轮胎式集装箱门式起重机、桥式抓斗式起重机、港口门座起重机、通用桥式起重机械司机操作考试200元/人);(四)锅炉、压力容器、气瓶充装、压力管道、水处理操作实践考试压力容器、气瓶充装、压力管道:100元/人;锅炉:180元/人;水处理:200元/人;电站锅炉:200元/人;(六)锅炉、压力容器、压力管道焊工实践考试碳钢250元/人、不锈钢600元/人,PE管热熔对焊接(BW-J-d)600元/人、PE管热熔对焊接(BW-J-D)1900元/人、PE管电熔承焊焊(EW-Z-C)750元/人。
附件:特种设备检验收费项目和标准第一部分承压类特种设备检验收费标准一、锅炉检验收费标准(一)工业锅炉产品制造过程监督检验收费标准(二)工业锅炉安装过程、改造过程、重大维修监督检验收费标准单位:元/台(三)电站锅炉安装过程、改造过程、重大维修监督检验收费标准单位:元/吨(三)锅炉定期检验收费标准1、工业锅炉检验收费标准单位:元/台2、电站锅炉检验收费标准二、压力容器检验收费标准(一)压力容器1、压力容器产品制造过程监督检验收费标准一、二、三类压力容器定期检验超高压容器定期检验收费标准(二)医用氧舱医用氧舱定期检验及安装监检收费标准单位:元/台(三)汽车罐车、铁路罐车检验收费标准三、压力管道检验收费标准(一)压力管道元件制造质量监督检验收费标准压力管道元件制造质量监督检验收费按受检产品设备价的1.0%收取。
(二)钢制压力管道安装过程监督检验及全面检验收费标准单位:元/米四、进口承压类特种设备安全性能监督检验收费标准单位:元/台五、设计技术资料审查收费标准第二部分机电类特种设备检验收费项目和标准一、电梯类收费标准(二)监督检验收费标准二、起重机械检验收费标准(一)起重机械定期检验及验收检验2、臂架起重机定期检验(二)起重机械监督检验收费标准三、厂(场)内机动车辆类收费标准(一)定期检验(二)验收检验四、大型游乐设施类收费标准(二)游乐设施监督检验收费标准第三部分其他检验收费项目和标准一、各类气瓶检验收费标准二、锅炉水质分析项目收费标准三、有机热载体炉介质检验收费标准四、安全阀离线校验收费标准六、无损检测和其他检测项目收费标准(现场检测)六、理化、金相试验收费标准3第四部分特种设备作业人员考试收费项目和标准一、特种设备作业人员理论考试收费标准理论考试50元/人。
二、特种设备作业人员实践考试收费标准(一)特种设备安全管理实践考试(锅炉、压力容器、气瓶充装、压力管道、电梯、起重机械、厂内机动车、大型游乐设施):100元/人(二)电梯、起重机械安装维修实践考试:320元/人;(三)电梯、起重机械、场内机动车、大型游乐设施操作司机实践考试: 100元/人(其中岸边集装箱起重机、轮胎式集装箱门式起重机、桥式抓斗式起重机、港口门座起重机、通用桥式起重机械司机操作考试200元/人);(四)锅炉、压力容器、气瓶充装、压力管道、水处理操作实践考试压力容器、气瓶充装、压力管道:100元/人;锅炉:180元/人;水处理:200元/人;电站锅炉:200元/人;(六)锅炉、压力容器、压力管道焊工实践考试碳钢250元/人、不锈钢600元/人,PE管热熔对焊接(BW-J-d)600元/人、PE管热熔对焊接(BW-J-D)1900元/人、PE管电熔承焊焊(EW-Z-C)750元/人。
附件:特种设备检验收费项目和标准第一部分承压类特种设备检验收费标准一、锅炉检验收费标准(一)工业锅炉产品制造过程监督检验收费标准(二)工业锅炉安装过程、改造过程、重大维修监督检验收费标准单位:元/台(三)电站锅炉安装过程、改造过程、重大维修监督检验收费标准单位:元/吨(三)锅炉定期检验收费标准1、工业锅炉检验收费标准单位:元/台2、电站锅炉检验收费标准二、压力容器检验收费标准(一)压力容器1、压力容器产品制造过程监督检验收费标准2、压力容器安装过程、改造过程及重大维修监督检验收费标准一、二、三类压力容器定期检验超高压容器定期检验收费标准单位:元/台(二)医用氧舱医用氧舱定期检验及安装监检收费标准单位:元/台(三)汽车罐车、铁路罐车检验收费标准三、压力管道检验收费标准(一)压力管道元件制造质量监督检验收费标准压力管道元件制造质量监督检验收费按受检产品设备价的1.0%收取。
(二)钢制压力管道安装过程监督检验及全面检验收费标准单位:元/米四、进口承压类特种设备安全性能监督检验收费标准单位:元/台五、设计技术资料审查收费标准第二部分机电类特种设备检验收费项目和标准一、电梯类收费标准。
10(二)监督检验收费标准二、起重机械检验收费标准(一)起重机械定期检验及验收检验2、臂架起重机定期检验(二)起重机械监督检验收费标准三、厂(场)内机动车辆类收费标准(一)定期检验(二)验收检验四、大型游乐设施类收费标准(二)游乐设施监督检验收费标准第三部分其他检验收费项目和标准一、各类气瓶检验收费标准二、锅炉水质分析项目收费标准三、有机热载体炉介质检验收费标准四、安全阀离线校验收费标准六、无损检测和其他检测项目收费标准(现场检测)六、理化、金相试验收费标准3第四部分特种设备作业人员考试收费项目和标准一、特种设备作业人员理论考试收费标准理论考试50元/人。
二、特种设备作业人员实践考试收费标准(一)特种设备安全管理实践考试(锅炉、压力容器、气瓶充装、压力管道、电梯、起重机械、厂内机动车、大型游乐设施):100元/人(二)电梯、起重机械安装维修实践考试:320元/人;(三)电梯、起重机械、场内机动车、大型游乐设施操作司机实践考试: 100元/人(其中岸边集装箱起重机、轮胎式集装箱门式起重机、桥式抓斗式起重机、港口门座起重机、通用桥式起重机械司机操作考试200元/人);(四)锅炉、压力容器、气瓶充装、压力管道、水处理操作实践考试压力容器、气瓶充装、压力管道:100元/人;锅炉:180元/人;水处理:200元/人;电站锅炉:200元/人;(六)锅炉、压力容器、压力管道焊工实践考试碳钢250元/人、不锈钢600元/人,PE管热熔对焊接(BW-J-d)600元/人、PE管热熔对焊接(BW-J-D)1900元/人、PE管电熔承焊焊(EW-Z-C)750元/人。
特种设备检验检测收费项目及标准监督检验收费标准一、锅炉、压力容器、压力管道产品质量(一)锅炉锅炉蒸发量(吨/时)精品收费标准(元/台)文档,超值下载D≤1按锅炉整机销售价1.4%1<D≤4按锅炉整机销售价1.2%D>4按锅炉整机销售价1.0%注:1、D为锅炉蒸发量(小型和常压热水锅炉也按蒸发量折算)。
4卡/时)折算为蒸发量1吨/时。
2、热水锅炉以每0.7兆瓦(60×103、锅炉整机指不包括鼓、引风机、给水泵、除尘器以及水处理设备。
4、销售价含材料费和安全附件。
(二)压力容器产品名称收费标准(元/台)备注一类压力容器按产品销售价1.0%每台至少60元二类压力容器按产品销售价1.2%每台至少100元三类压力容器按产品销售价1.4%每台至少150元汽(火)车槽车按产品销售价1.5%注:1、容器类别按《压力容器安全技术监察规程》规定进行分类。
一、二、三类压力容器产品销售价含材料费和安全附件,不包括填充物料。
算收费。
2、汽(火)车槽车、按罐体(含安全附件)的销售价计3、散装、组装大型容器(包括球罐)的现场监检,按设备总价的1.5%或安装工程总费用的3%收取。
4、不锈钢及有色金属容器制作的设备按上述标准的50%收取。
5、医用氧舱安装监检费按产品销售安装价的1.5%收取。
(三)压力管道1、凡新、改、扩建压力管道的安装监检,按其工程总造价(含材料费)的2~3%收取。
100万元以下(含100万元),按3%收取,且不低于1000元。
(1)、工程总造价在100万元至300万元(含300万元),按2.5%收取。
(2)、工程总造价在(3)、工程总造价在300万以上,按2%收取。
2、压力管道元件制作按其销售价收取,A、B级分别收取3%和4%。
5(四)气瓶气瓶类别收费标准(元/只) 焊接、无缝钢瓶按产品销售价0.8% 液化石油气钢瓶按产品销售价0.6% 溶解乙炔气钢瓶按产品销售价0.7%注:各类钢瓶、实行批量性监督检验时,按该批产品总数销售价计收。
特种设备检验收费项⽬和标准附件:特种设备检验收费项⽬和标准第⼀部分承压类特种设备检验收费标准⼀、锅炉检验收费标准(⼀)⼯业锅炉产品制造过程监督检验收费标准(⼆)⼯业锅炉、电站锅炉安装过程、改造过程、重⼤维修监督检验收费标准(三)锅炉定期检验收费标准1、⼯业锅炉检验收费标准单位:2、电站锅炉检验收费标准单位:元⼆、压⼒容器检验收费标准(⼀)压⼒容器1、压⼒容器产品制造过程监督检验收费标准单位:2、压⼒容器安装过程、改造过程及重⼤维修监督检验收费标准单位:3、压⼒容器定期检验收费标准单位:(⼆)超⾼压容器检验收费标准1、超⾼压容器安装过程监督检验收费标准超⾼压容器安装过程监督检验收费按⼯程总造价的1.0%收取,超⾼压⽔晶釜安装过程监督检验费1500元/台。
2、超⾼压容器定期检验收费标准单位:(三)医⽤氧舱医⽤氧舱定期检验及安装监检收费标准单位:(四)汽车罐车、铁路罐车检验收费标准三、压⼒管道检验收费标准(⼀)压⼒管道元件制造质量监督检验收费标准压⼒管道元件制造质量监督检验收费按受检产品设备价的1.0%收取。
(⼆)钢制压⼒管道安装过程监督检验及定期检验收费标准单位:元/(三)PE管压⼒管道安装过程监督检验及定期检验收费标准四、进⼝承压类特种设备安全性能监督检验收费标准单位:元/五、设计技术资料审查收费标准第⼆部分机电类特种设备检验收费项⽬和标准⼀、电梯类收费标准(⼀)定期检验与验收检验(⼆)监督检验收费标准⼆、起重机械检验收费标准(⼀)起重机械定期检验及验收检验1、桥(门)式等起重机定期检验2、臂架起重机定期检验(⼆)起重机械监督检验收费标准三、⼚(场)内机动车辆类收费标准(⼀)定期检验(⼆)验收检验四、⼤型游乐设施类收费标准(⼀)定期检验(⼆)游乐设施监督检验收费标准第三部分其他检验收费项⽬和标准⼀、各类⽓瓶检验收费标准⼆、锅炉⽔质分析项⽬收费标准三、有机热载体炉介质检验收费标准单位:元/四、安全阀离线校验收费标准单位:元/五、⽆损检测和其他检测项⽬收费标准(现场检测)六、理化、⾦相试验收费标准七、汽车运输液体危险货物常压容器(罐体)检验收费标准3第四部分特种设备作业⼈员考试收费项⽬和标准⼀、特种设备作业⼈员理论考试收费标准理论考试50元/⼈。
特种设备检验收费标准特种设备检验是保障特种设备安全运行的重要环节,也是保障人民生命财产安全的重要举措。
为了规范特种设备检验收费标准,保障特种设备检验工作的顺利开展,制定本标准。
一、特种设备检验收费的原则。
特种设备检验收费应当遵循公平、公正、合理、透明的原则,保障特种设备检验机构的合法权益,保障用户的合法权益。
二、特种设备检验收费的项目。
1. 定期检验费用,对于特种设备的定期检验,按照特种设备的类别、型号、规模等因素,制定相应的定期检验收费标准。
2. 非定期检验费用,对于特种设备的非定期检验,如特殊情况下的检验、事故后的检验等,按照实际工作量和费用情况进行收费。
3. 特种设备检验报告费用,特种设备检验机构出具的特种设备检验报告,按照报告的内容、工作量等因素进行收费。
4. 其他费用,特种设备检验过程中产生的其他费用,如出差费、住宿费等,按照实际发生的费用进行收费。
三、特种设备检验收费的依据。
特种设备检验收费应当依据国家相关法律法规、标准规范以及特种设备检验机构的实际情况进行制定。
四、特种设备检验收费的公示和公开。
特种设备检验收费标准应当向社会公示,并在特种设备检验机构的官方网站上公开,接受社会监督。
五、特种设备检验收费的监督管理。
特种设备检验收费应当接受相关部门的监督管理,确保收费标准的合理性和合法性。
六、特种设备检验收费的调整。
特种设备检验收费标准应当根据国家政策、市场变化等因素进行及时调整,保持与实际情况的一致性。
七、特种设备检验收费的违规处理。
对于违反特种设备检验收费标准的行为,特种设备检验机构应当依法进行处理,并承担相应的法律责任。
八、特种设备检验收费的服务质量。
特种设备检验机构在收费的同时,应当提供优质、高效的服务,确保特种设备检验工作的质量和效率。
九、特种设备检验收费的宣传教育。
特种设备检验机构应当加强对特种设备检验收费标准的宣传教育工作,提高用户对特种设备检验收费的认识和理解。
特种设备检验收费标准的制定和执行,对于保障特种设备的安全运行,维护人民生命财产安全具有重要意义。
特种设备检验检测收费项目及标准一、锅炉、压力容器、压力管道产品质量监督检验收费标准(一)注:12、热水锅炉以每0.7兆瓦(60×104卡/时)折算为蒸发量1吨/时。
3、锅炉整机指不包括鼓、引风机、给水泵、除尘器以及水处理设备。
4、销售价含材料费和安全附件。
注:1销售价含材料费和安全附件,不包括填充物料。
2、汽(火)车槽车、按罐体(含安全附件)的销售价计算收费。
3、散装、组装大型容器(包括球罐)的现场监检,按设备总价的1.5%或安装工程总费用的3%收取。
4、不锈钢及有色金属容器制作的设备按上述标准的50%收取。
5、医用氧舱安装监检费按产品销售安装价的1.5%收取。
(三)压力管道1、凡新、改、扩建压力管道的安装监检,按其工程总造价(含材料费)的2~3%收取。
(1)、工程总造价在100万元以下(含100万元),按3%收取,且不低于1000元。
(2)、工程总造价在100万元至300万元(含300万元),按2.5 %收取。
(3)、工程总造价在300万以上,按2 %收取。
2、压力管道元件制作按其销售价收取,A、B级分别收取3%和4%。
(四)气瓶二、锅炉安装、修理改造质量监督检验收费三、在用锅炉压力容器压力管道定期检验收费标准(一)在用锅炉a2、表中为蒸汽锅炉,热水锅炉按0.7兆瓦(60×104大卡/时)折算为1吨/时。
3、余热锅炉以受热面积每30米2折算为1吨/时,非定型余热锅炉,其检验费加收50%。
4、外部检验、水压试验按内外部检验的50%收取;强度校核按内外部检验的50%。
b2、检验二类压力容器,按一类压力容器标准加收50%。
3、检验三类压力容器,按一类压力容器标准加收100%。
4、检验塔器容器(指高度大于10米或高度与直径之比大于5),按上列标准加收50%。
5、医用氧舱检验收费按以下收费标准执行。
A、定期检验收费标准规格及收费单位:元C、消防和应急呼吸装置检验120元。
D、氧舱的无损检测、耐压试验、气密试验按本文中的相关条款执行。
特种设备检验检测收费项目及标准公司标准化编码 [QQX96QT-XQQB89Q8-NQQJ6Q8-MQM9N]特种设备检验检测收费项目及标准一、锅炉、压力容器、压力管道产品质量监督检验收费标准(一)注:12、热水锅炉以每兆瓦(60×104卡/时)折算为蒸发量1吨/时。
3、锅炉整机指不包括鼓、引风机、给水泵、除尘器以及水处理设备。
4、销售价含材料费和安全附件。
注:1力容器产品销售价含材料费和安全附件,不包括填充物料。
2、汽(火)车槽车、按罐体(含安全附件)的销售价计算收费。
3、散装、组装大型容器(包括球罐)的现场监检,按设备总价的%或安装工程总费用的3%收取。
4、不锈钢及有色金属容器制作的设备按上述标准的50%收取。
5、医用氧舱安装监检费按产品销售安装价的%收取。
(三)压力管道1、凡新、改、扩建压力管道的安装监检,按其工程总造价(含材料费)的2~3%收取。
(1)、工程总造价在100万元以下(含100万元),按3%收取,且不低于1000元。
(2)、工程总造价在100万元至300万元(含300万元),按 %收取。
(3)、工程总造价在300万以上,按2 %收取。
2、压力管道元件制作按其销售价收取,A、B级分别收取3%和4%。
二、锅炉安装、修理改造质量监督检验收费三、在用锅炉压力容器压力管道定期检验收费标准(一)在用锅炉a2、表中为蒸汽锅炉,热水锅炉按兆瓦(60×104大卡/时)折算为1吨/时。
3、余热锅炉以受热面积每30米2折算为1吨/时,非定型余热锅炉,其检验费加收50%。
4、外部检验、水压试验按内外部检验的50%收取;强度校核按内外部检验的50%。
b2、检验二类压力容器,按一类压力容器标准加收50%。
3、检验三类压力容器,按一类压力容器标准加收100%。
4、检验塔器容器(指高度大于10米或高度与直径之比大于5),按上列标准加收50%。
5、医用氧舱检验收费按以下收费标准执行。
A、定期检验收费标准规格及收费单位:元C、消防和应急呼吸装置检验120元。
特种设备检验检测收费项目及标准一、锅炉、压力容器、压力管道产品质量监督检验收费标准(一)注:12、热水锅炉以每0.7兆瓦(60×104卡/时)折算为蒸发量1吨/时。
3、锅炉整机指不包括鼓、引风机、给水泵、除尘器以及水处理设备。
4、销售价含材料费和安全附件。
注:1销售价含材料费和安全附件,不包括填充物料。
2、汽(火)车槽车、按罐体(含安全附件)的销售价计算收费。
3、散装、组装大型容器(包括球罐)的现场监检,按设备总价的1.5%或安装工程总费用的3%收取。
4、不锈钢及有色金属容器制作的设备按上述标准的50%收取。
5、医用氧舱安装监检费按产品销售安装价的1.5%收取。
(三)压力管道1、凡新、改、扩建压力管道的安装监检,按其工程总造价(含材料费)的2~3%收取。
(1)、工程总造价在100万元以下(含100万元),按3%收取,且不低于1000元。
(2)、工程总造价在100万元至300万元(含300万元),按2.5 %收取。
(3)、工程总造价在300万以上,按2 %收取。
2、压力管道元件制作按其销售价收取,A、B级分别收取3%和4%。
(四)气瓶二、锅炉安装、修理改造质量监督检验收费三、在用锅炉压力容器压力管道定期检验收费标准(一)在用锅炉a2、表中为蒸汽锅炉,热水锅炉按0.7兆瓦(60×104大卡/时)折算为1吨/时。
3、余热锅炉以受热面积每30米2折算为1吨/时,非定型余热锅炉,其检验费加收50%。
4、外部检验、水压试验按内外部检验的50%收取;强度校核按内外部检验的50%。
b2、检验二类压力容器,按一类压力容器标准加收50%。
3、检验三类压力容器,按一类压力容器标准加收100%。
4、检验塔器容器(指高度大于10米或高度与直径之比大于5),按上列标准加收50%。
5、医用氧舱检验收费按以下收费标准执行。
A、定期检验收费标准规格及收费单位:元C、消防和应急呼吸装置检验120元。
D、氧舱的无损检测、耐压试验、气密试验按本文中的相关条款执行。
附件:特种设备检验收费项目和标准?第一部分?承压类特种设备检验收费标准一、锅炉检验收费标准(一)工业锅炉产品制造过程监督检验收费标准(二)工业锅炉、电站锅炉安装过程、改造过程、重大维修监督检验收费标准(三)锅炉定期检验收费标准1、工业锅炉检验收费标准??? 2、电站锅炉检验收费标准二、压力容器检验收费标准(一)压力容器1、压力容器产品制造过程监督检验收费标准2、压力容器安装过程、改造过程及重大维修监督检验收费标准3、压力容器定期检验收费标准(二)超高压容器检验收费标准1、超高压容器安装过程监督检验收费标准超高压容器安装过程监督检验收费按工程总造价的1.0%收取,超高压水晶釜安装过程监督检验费1500元/台。
2、超高压容器定期检验收费标准(三)医用氧舱医用氧舱定期检验及安装监检收费标准(四)汽车罐车、铁路罐车检验收费标准三、压力管道检验收费标准(一)压力管道元件制造质量监督检验收费标准压力管道元件制造质量监督检验收费按受检产品设备价的1.0%收取。
(二)钢制压力管道安装过程监督检验及定期检验收费标准(三)PE管压力管道安装过程监督检验及定期检验收费标准四、进口承压类特种设备安全性能监督检验收费标准五、设计技术资料审查收费标准第二部分?机电类特种设备检验收费项目和标准一、电梯类收费标准(一)定期检验与验收检验(二)监督检验收费标准二、起重机械检验收费标准(一)起重机械定期检验及验收检验1、桥(门)式等起重机定期检验2、臂架起重机定期检验(二)起重机械监督检验收费标准三、厂(场)内机动车辆类收费标准(一)定期检验(二)验收检验四、大型游乐设施类收费标准(一)定期检验(二)游乐设施监督检验收费标准第三部分?其他检验收费项目和标准一、各类气瓶检验收费标准二、锅炉水质分析项目收费标准三、有机热载体炉介质检验收费标准四、安全阀离线校验收费标准??? 五、无损检测和其他检测项目收费标准(现场检测)六、理化、金相试验收费标准七、汽车运输液体危险货物常压容器(罐体)检验收费标准3第四部分?特种设备作业人员考试收费项目和标准一、特种设备作业人员理论考试收费标准理论考试50元/人。