特种设备检验检测项目收费标准
- 格式:doc
- 大小:807.11 KB
- 文档页数:27
附件:特种设备检验收费项目和标准第一部分承压类特种设备检验收费标准一、锅炉检验收费标准(二)工业锅炉安装过程、改造过程、重大维修监督检验收费标准单位:元/台(三)电站锅炉安装过程、改造过程、重大维修监督检验收费标准单位:元/吨(三)锅炉定期检验收费标准1、工业锅炉检验收费标准2、电站锅炉检验收费标准单位:元/吨(一)压力容器1、压力容器产品制造过程监督检验收费标准单位:元/台一、二、三类压力容器定期检验超高压容器定期检验收费标准(二)医用氧舱医用氧舱定期检验及安装监检收费标准单位:元/台(三)汽车罐车、铁路罐车检验收费标准三、压力管道检验收费标准(一)压力管道元件制造质量监督检验收费标准压力管道元件制造质量监督检验收费按受检产品设备价的1。
0%收取.(二)钢制压力管道安装过程监督检验及全面检验收费标准单位:元/台五、设计技术资料审查收费标准第二部分机电类特种设备检验收费项目和标准一、电梯类收费标准(二)监督检验收费标准二、起重机械检验收费标准(一)起重机械定期检验及验收检验2、臂架起重机定期检验(二)起重机械监督检验收费标准三、厂(场)内机动车辆类收费标准(一)定期检验(二)验收检验四、大型游乐设施类收费标准(二)游乐设施监督检验收费标准第三部分其他检验收费项目和标准一、各类气瓶检验收费标准二、锅炉水质分析项目收费标准三、有机热载体炉介质检验收费标准四、安全阀离线校验收费标准3一、特种设备作业人员理论考试收费标准理论考试50元/人。
二、特种设备作业人员实践考试收费标准(一)特种设备安全管理实践考试(锅炉、压力容器、气瓶充装、压力管道、电梯、起重机械、厂内机动车、大型游乐设施):100元/人(二)电梯、起重机械安装维修实践考试:320元/人;(三)电梯、起重机械、场内机动车、大型游乐设施操作司机实践考试:100元/人(其中岸边集装箱起重机、轮胎式集装箱门式起重机、桥式抓斗式起重机、港口门座起重机、通用桥式起重机械司机操作考试200元/人);(四)锅炉、压力容器、气瓶充装、压力管道、水处理操作实践考试压力容器、气瓶充装、压力管道:100元/人;锅炉:180元/人;水处理:200元/人;电站锅炉:200元/人;(六)锅炉、压力容器、压力管道焊工实践考试碳钢250元/人、不锈钢600元/人,PE管热熔对焊接(BW-J—d)600元/人、PE管热熔对焊接(BW—J-D)1900元/人、PE管电熔承焊焊(EW—Z—C)750元/人。
附件:特种设备检验收费项目和标准第一部分承压类特种设备检验收费标准一、锅炉检验收费标准(一)工业锅炉产品制造过程监督检验收费标准(二)工业锅炉、电站锅炉安装过程、改造过程、重大维修监督检验收费标准(三)锅炉定期检验收费标准1、工业锅炉检验收费标准单位:元/台2、电站锅炉检验收费标准单位:元/吨二、压力容器检验收费标准(一)压力容器1、压力容器产品制造过程监督检验收费标准单位:元/台2、压力容器安装过程、改造过程及重大维修监督检验收费标准单位:元/台3、压力容器定期检验收费标准单位:元/台(二)超高压容器检验收费标准1、超高压容器安装过程监督检验收费标准超高压容器安装过程监督检验收费按工程总造价的1.0%收取,超高压水晶釜安装过程监督检验费1500元/台。
2、超高压容器定期检验收费标准单位:元/台(三)医用氧舱医用氧舱定期检验及安装监检收费标准单位:元/台(四)汽车罐车、铁路罐车检验收费标准三、压力管道检验收费标准(一)压力管道元件制造质量监督检验收费标准压力管道元件制造质量监督检验收费按受检产品设备价的1.0%收取。
(二)钢制压力管道安装过程监督检验及定期检验收费标准单位:元/米(三)PE管压力管道安装过程监督检验及定期检验收费标准单位:元/米四、进口承压类特种设备安全性能监督检验收费标准单位:元/台五、设计技术资料审查收费标准第二部分机电类特种设备检验收费项目和标准一、电梯类收费标准(二)监督检验收费标准二、起重机械检验收费标准(一)起重机械定期检验及验收检验2、臂架起重机定期检验(二)起重机械监督检验收费标准三、厂(场)内机动车辆类收费标准(一)定期检验(二)验收检验四、大型游乐设施类收费标准(一)定期检验(二)游乐设施监督检验收费标准第三部分其他检验收费项目和标准一、各类气瓶检验收费标准元/只(≤40L)二、锅炉水质分析项目收费标准三、有机热载体炉介质检验收费标准单位:元/项四、安全阀离线校验收费标准单位:元/只五、无损检测和其他检测项目收费标准(现场检测)六、理化、金相试验收费标准七、汽车运输液体危险货物常压容器(罐体)检验收费标准单位:元/m3第四部分特种设备作业人员考试收费项目和标准一、特种设备作业人员理论考试收费标准理论考试50元/人。
注:(1)特种设备焊接作业实作考核费不含试件及其他实验项目费用;
(2)表中未涵盖的特种设备作业人员项目,考核费参照锅炉作业项目收费标准执行。
六、说明
(一)需要登高(或地下)检验(不含制造监督检验)工作的业务(电梯检验除外),其工作位置最高点≥ 3米或最低点≤ -3米(以土建基础±0为基准,下同)的,加收20%的检验费;其工作位置最高点≥ 7米或最低点≤-7米的,加收30%的检验费;其工作位置最高点≥ 7米或最低点≤ -7米后每递增4米或递减4米,加收5%的检验费;因工作位置加收的检验费最高不超过60%(电站锅炉不超过40%)。
进入有毒、易燃、易爆介质的设备内检验,或接触粉尘、高温、噪声、有毒有害环境检验的,加收20%的检验费。
(二)检验检测过程中对发现问题的特种设备(电站锅炉、气瓶除外),在处理和整改后,若再进行检验检测时,按不超过收费标准的10%收取复检费。
(三)承压类特种设备检验收费,涉及按百分比收费的,均以产品出厂价格(不
含辅机附属设备)或工程总造价(含设备造价、设备施工费、保温)为计费基价,安装监督检验收费计费基价为非含税价;
耐压试验、气密性试验所需介质费用由受检单位承担;无损检测、理化检测和壁厚测定等项目按本收费标准的相关条款执行;其它检验检测收费标准由双方协商议定。
(四)受检单位对检验报告有异议的,在规定的期限内可提出复检,其检验
费由责任方承担。
特种设备检验检测项目收费标准目录表一电站锅炉检验收费标准 (1)表二低温绝热(超高压)压力容器检验收费标准 (1)表三医用氧舱定期检验收费标准 (2)表四压力管道元件制造检验及压力管道安装检验和定期检验收费标准 (2)表五电梯 (3)(一)电梯类定期检验项目收费标准 (3)(二)电梯安装、改造、重大维修监督检验收费标准 (4)(三)电梯产品质量监督检验收费标准 (4)表六起重机 (6)(一)起重机监督检验收费标准 (6)(二)机械式停车设备类特种设备检验收费标准 (7)(三)机械式停车设备监督检验收费标准 (8)(四)起重机械产品质量监督检验收费标准 (8)表七游乐设施 (13)(一)游乐设施检验收费标准 (13)(二)客运索道检验收费标准 (20)(三)游乐设施监督检验收费标准 (23)(四)客运索道监督检验收费标准 (23)表八液压(气动)系统检验收费标准 (24)表九无损检测项目收费标准 (24)表十水质检测项目收费标准 (25)《新增特种设备检验检测项目收费标准》有关问题的说明 (27)表一电站锅炉检验收费标准1.检验依据:①《锅炉定期检验规则》-1999②《锅炉安装监督检验规则》TSGG7001—2004③《锅炉压力容器产品安全性能监督检验规则》—2004④《锅炉设计文件鉴定管理规则》TSGG1001-2004⑤《进出口锅炉压力容器监督管理办法》—1985⑥《锅炉压力容器制造监督管理办法》—20032.本表同时适用于热电(汽电)联产锅炉检验;3.锅炉修理、改造质量监督检验收费按工程总造价的3%计收,工程总造价包括材料费和工程施工费;4.额定蒸汽压力P≥9.8MPa、P≥13.7MPa、P≥22MPa的电站锅炉内、外部检验和水压试验检验费分别按表列标准的1.6倍、2倍和2.2倍收取;5.产品制造监检费和设计文件鉴定中锅炉出厂价系指包括锅炉本体(含燃烧设备、烟道和风道、自控仪表)及钢架、平台、扶梯在内的设备出厂价,安装质量监检费中锅炉出厂价还包括炉墙、保温、锅炉辅机及管道附件的出厂价。
特种设备检验收费项目和标准特种设备检验是保障人员和财产安全的重要环节,检验费用的合理收取和标准的制定对于保障社会公共利益至关重要。
以下是特种设备检验收费项目和标准的相关内容。
一、特种设备检验收费项目1. 设备基本信息核查费:对特种设备的基本信息进行核查,包括设备名称、型号、出厂编号、规格等信息的确认,核查费用根据不同设备类型和规模进行标准收费。
2. 设备外观检查费:对特种设备的外观状况进行检查,包括设备表面是否有破损、腐蚀、变形等情况,外观检查费用根据设备的大小和复杂程度进行标准收费。
3. 设备功能性检验费:对特种设备的功能性能进行检验,包括设备的运行情况、控制系统的正常性等,功能性检验费用根据设备的特性和功能进行标准收费。
4. 设备安全性能测试费:对特种设备的安全性能进行测试,包括对设备的安全阀、保护装置等进行检测,安全性能测试费用根据设备的风险等级进行标准收费。
5. 设备文件审核费:对特种设备相关的文件资料进行审核,包括设备的制造和安装文件、使用和维护手册等,文件审核费用根据文件数量和复杂程度进行标准收费。
二、特种设备检验收费标准特种设备检验收费标准应当综合考虑设备类型、规模、风险等因素进行合理制定,确保检验费用的合理性和公平性。
具体的收费标准应当根据相关法律法规进行制定,并经相关部门审批后实施。
在收费标准的制定过程中,应当充分考虑设备类型的特殊性和行业特点,避免因为收费不合理而导致特种设备检验的滞后或者不合格设备上市使用。
特种设备检验收费项目和标准的合理制定,可以保障检验质量和费用公平,为特种设备的安全运行提供保障,同时也有助于推动特种设备行业的健康发展。
因此,相关部门和行业协会应当共同努力,制定合理的收费标准,确保特种设备检验工作的顺利开展。
特种设备检验是指对各类特种设备进行安全性、可靠性、有效性等方面的检验,旨在保障特种设备的安全可靠运行,预防事故发生。
特种设备包括压力容器、起重机械、电梯、锅炉、压力管道、起重机、大型游乐设施等多种类型,其检验要求和标准各有不同。
附件:黑龙江省特种设备检验检测收费项目及收费标准一、特种设备监督检验(一)产品制造安全性能监督检验(无损检测费另计): 1、锅炉产品注:①锅炉产品制造安全性能监督检验收费按被检锅炉产品出厂价(不包括鼓、引风机、除尘器及给水设备价值)的百分比收费;若出厂价明显低于市场销售价的,按市场销售价的百分比收费。
②热水锅炉和有机热载体锅炉按0.7MW (60×104Kcal/h)折算为1吨/时,余热锅炉以受热面积每30m 2折算为1吨/时。
③每台锅炉最低收费不低于300元。
最高不超过450,000元。
④进出口锅炉按锅炉出厂价的1.2%收费。
2、压力容器产品 (1)固定式压力容器(2)移动式压力容器注:①被检压力容器产品(含搪玻璃、环氧树脂、橡胶衬里等容器)出厂价包括本体和安全附件的价格,气瓶包括瓶阀等附件的价格。
②一、二类压力容器最低收费为200元,三类压力容器最低收费为300元。
③被检产品如需要在安装现场组焊时,现场监检收费在原收费标准基础上,加收30%。
④特种气瓶指车用气瓶、低温绝热气瓶、纤维缠绕气瓶和非重复充装气瓶。
⑤医用氧舱的监检收费按一类容器收费标准执行。
⑥进出口压力容器按其出厂价的1.2%收费。
3、压力管道元件产品压力管道元件产品制造质量监督检验收费标准按被检验产品出厂价的0.8%收费。
4、机电类特种设备产品注:游乐设施销售价格超过500万元的,按产品销售价的0.4%收费。
(二)特种设备安装安全性能监督检验1、锅炉安装:注:①锅炉安装安全性能监督检验收费按安装锅炉设备(包括汽水、燃烧、烟风及除尘系统、炉墙砌筑及安全附件)及安装施工总造价乘以收费系数计算收费,且最少不低于500元。
②修理改造检验费按修理改造费用2%收费,且不低于300元。
2、压力容器安装按设备及安装施工总造价的1.3%计算收费。
一、二类压力容器维修改造收费按设备改造维修总造价的2%收费,且不低于300元。
三类压力容器维修改造收费按设备改造维修总造价的5%收费,且不低于500元。
注:1、D 为锅炉蒸发量(小型和常压热水锅炉也按蒸发量折算)。
2、热水锅炉以每 0 。
7 兆瓦(60×104卡/时)折算为蒸发量 1 吨/时。
3 、 锅炉整机指不包括鼓、引风机、给水泵、除尘器以及水处理设备。
4 、 销售价含材料费和安全附件。
收费标准(元/台) 按产品销售价 1.0% 按产品销售价 1.2% 按产品销售价 1.4%汽(火)车槽车 按产品销售价 1 。
5%注: 1、容器类别按《压力容器安全技术监察规程》规定进行分类。
一、二、三类压力容器产品销售价含材料费和安全附件,不包括填充物料.2、汽(火)车槽车、按罐体(含安全附件)的销售价计算收费。
3、散装、组装大型容器(包括球罐)的现场监检,按设备总价的1.5%或者安装工程总费用的 3%收取。
4、不锈钢及有色金属容器制作的设备按上述标准的50%收取。
5、医用氧舱安装监检费按产品销售安装价的 1 。
5%收取。
1、凡新、改、扩建压力管道的安装监检,按其工程总造价(含材料费)的 2~3%收取。
(1)、工程总造价在 100 万元以下(含 100 万元),按 3%收取,且不低于 1000 元。
(2)、工程总造价在 100 万元至 300 万元(含 300 万元),按 2.5 %收取。
(3)、工程总造价在 300 万以上,按 2 %收取。
2 、压力管道元件制作按其销售价收取, A 、B 级分别收取 3%和 4%。
注:各类钢瓶、实行批量性监督检验时,按该批产品总数销售价计收.收费标准(元/只) 按产品销售价 0.8% 按产品销售价 0 。
6% 按产品销售价 0 。
7%气瓶类别 焊接、无缝钢瓶 液化石油气钢瓶 溶解乙炔气钢瓶收费标准(元/台)按锅炉整机销售价 1 。
4%按锅炉整机销售价 1 。
2% 按锅炉整机销售价 1 。
0%锅炉蒸发量(吨/时)D ≤1 1<D ≤4 D >4备注 每台至少 60 元 每台至少 100 元 每台至少 150 元产品名称 一类压力容器 二类压力容器 三类压力容器注:安装(含修理改造)工程费为安装合同确定的总费用(含材料费)。
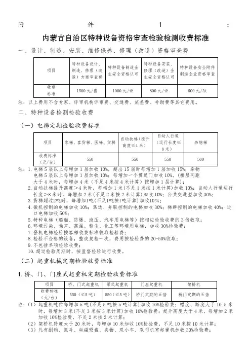
附件1:内蒙古自治区特种设备资格审查检验检测收费标准一、设计、制造、安装、维修保养、修理(改造)资格审查费注:以上费用不含专家、评审机构评审费、交通费、旅差费、补助费等其它费用。
二、特种设备检测检验收费 (一)电梯定期检验收费标准注:电梯5层以上每增加1层加收10%;每增加一个贯通门加收10%。
(楼层间距 大于4米时,每增加4米(不足4米按4米计算)按增加1层计算);2.自动扶梯提升高度>4米时,每增加1米(不足1米按1米计算)加收10%;自动人行道运行长度>8米时,每增加2米(不足2米按2米计算)加收10%;公共交通型加收30%;3.货梯超过2吨时,每增加1吨(不足1吨按1吨计算)加收10%;4.微机控制的电梯加收10%;集选、并联控制的电梯加收30%;梯群控制的电梯加收40%;进口电梯加收50%;5.特种电梯(船舶、防爆、液压、汽车用电梯等)按相应检验收费的3倍收取;6.环境污染、噪声、高温、粉尘、化工等环境用电梯,加收30%检验费;7.登机电梯检验按客梯收费标准收取检验费;8.检验不合格的设备,整改复检一次,费用按检验费的20-50%收取; 9.不包括单项检验收费;10.超过检验周期时,按监督检验进行收费。
(二)起重机械定期检验收费标准1.桥、门、门座式起重机定期检验收费标准注:(1米时,每增加3米(不足3米按3米计算)加收10%检验费;起升高度大于4米,每增加2米加收10%检验费,不足2米按2米计算;(2)架桥机跨度大于20米时,每增加10米加收10%检验费,不足10米按10米计算; (3)凡有副钩、抓斗、电磁吸盘、夹钳、双小车、双司机室起重机加收30%检验费;(4)带有电梯升降结构的加收20%检验费;(5)防爆型、冶金型(包括吊运融熔金属、炽热金属、炽热非金属的起重机)、绝缘型、非标起重机按相应检验收费的2倍收取;(6)露天作业、高温有毒有害作业场所起重机加收30%检验费;(7)场桥、岸桥、集装箱起重机、绳索起重机按桥、门式起重机收费标准收取检验费; (8)检验不合格的设备,整改复检一次,费用按检验费的20-50%收取; (9)超过检验周期时,按监督检验进行收费。
浙江省特种设备检验等收费标准Happy First, written on the morning of August 16, 2022附件:浙江省特种设备检验等收费标准一、锅炉检验收费标准二、锅炉介质化验分析及水处理设备调试收费标准三、固定式压力容器检验收费标准五、C类压力容器检验收费标准六、压力管道收费标准七、安全阀校验含铅封收费标准八、电梯及升降机收费标准九、起重机械收费标准3.1制造过程监督检验收费标准为按产品出厂价的0.7%收取;安装过程监督检验费按产品出厂价的0.9%收取;且不低于定期检验费的150%;改造或重大维修过程监督检验费按该设备定期检验费的1.5倍收取..3.2 机械式停车设备定期检验按100元/车位收取..其它类型起重机按上述相似类别收取..十、厂内机动车辆定期检验收费标准十一、大型游乐设施检验收费标准十二、试验、检测收费标准1、理化、金相2、无损检测、测速、垂直度等十三、锅炉技术资料审查收费标准十四、说明1、除特殊注明外;特种设备检验过程中进行的测定厚度与硬度、无损检测、压力试验、金相、理化、安全附件校验、测速、介质化验、水处理设备调试等试验、检测费用及其它动用仪器设备的费用均按标准规定另行收取..2、现场检验工作中所产生的水电费、燃料费、脚手架与工作台搭建费;打磨、除锈、介质清洗置换、压力试验、载荷试验以及因检验检测需要拆装设备含包装等发生的费用;由受检单位承担..3、除特殊注明外;检验检测机构仪器设备需到现场工作;则收取不超过M-1000d×0.5%元的台班费;其中M为仪器设备购入时的单价元;当M≤1000;不收取台班费;d为仪器设备实际工作天数;若因受检单位原因延误仪器设备投用的;则每天按1/4天计入实际工作天数..4、特种设备安装、改造和重大维修过程监督检验费应由建设单位支付..5、需进入有毒、易燃、易爆环境进行检验检测的;在相应收费标准的基础上加收15%..需进入盛装过有毒、易燃、易爆介质的锅炉压力容器压力管道进行检验检测时;则视介质毒性及危险程度;在相应收费标准的基础上加收20%;对进入内空间温度高于40℃承压类特种设备进行内部检验或对表面温度高于50℃的特种设备进行检验时;则每升高1℃增收5%的高温检验费..6、检验检测工作的作业高度指作业人员站立位置离地面或永久性固定平台的垂直高度超过3米时;超过部分加收10%检验检测费;高度超过5米时;超过部分加20%..7、旧特种设备转让的安全技术鉴定检验费按相应项目检验费的2倍计收..8、由于受检单位的原因致使检验人员到达现场后不能开展工作的误工费由受检单位按200元/天人支付..由于检验单位原因不能在受理使用单位报检后30天内实施定期检验的;或不能在受理生产含制造、安装、改造、维修单位报检3个工作日内安排过程监督检验的;每超出一日;受检单位有权少支付3%的检验费..9、特种设备定期检验后;因非检验单位原因致使设备必须补检或复检时;其费用由造成补检或复检的相关责任单位支付..补检费按初次检验费的20%;复检费按初次检验费的50%收取;复检不合格造成再次复检的或因非检验单位原因使复检日期与上次检验日期间隔超出30天的;则检验费按初次检验收费标准收取..10、检验单位与受检单位不在同一市区时;检验人员往返受检单位的交通费、差旅费均由受检单位支付;具体标准由各市物价局确定..11、受检单位指定在休息日进行检验的;检验单位可加收30%的检验费;受检单位指定在法定假日进行检验的;检验单位可加收40%的检验费..12、检验单位应在检验工作全部结束后的10个工作日内向受检单位出具检验报告..每拖延一日;受检单位可少支付1%的检验费..受检单位应在检验工作结束后 10个工作日内支付检验检测费;拒付或拖延者每日加收1%检验检测费滞纳金..13、本标准中产品出厂价系指含增值税在内的产品本体含内件及附件的价格..14、进口特种设备及其安全附件、安全保护装置及压力管道元件安全性能监督检验费;按国产同类设备的相应检验项目的收费标准的3倍收取;且不低于相应的制造过程监督检验费;检验费由报检单位或按合同指定单位支付..15、进口特种设备到岸后无法实施一个或多个对国产同类设备必须实施的重要检验项目;经省级特种设备安全监察机构同意;可以赴制造地进行预检验或监检..在境外进行的检验项目按收费标准的30%收取;境外全部费用由报检单位或合同指定单位承担..16、进口特种设备在安全性能监督检验中;若因产品质量问题不合格;需维修的;其复检费另行收取;费用应由设备代理商或制造商支付..17、提供检验机构查阅、审核的设备随机资料的应为中文资料;若非中文资料;则按设备检验费的30%另行收取资料译读费..18、事故调查中的技术鉴定性检验工作费用;按同类项目检验标准的2倍收取..19、各类特种设备型式试验的收费标准由检验单位与受检单位协商..20、对非赢利性的托儿所、幼儿园、中小学、孤儿院、敬养老院及其他福利事业单位和农村家庭作坊的各项检验检测收费一律减半收取..。
特种设备检验收费标准特种设备是指在生产、加工、贮存、搬运、使用等过程中,由于其结构、性能、用途、安全保护等特殊性质,需要经过专门的安全监察机构检验的设备。
特种设备的检验工作是确保设备安全运行的重要环节,而特种设备检验收费标准则是对检验工作所需费用的规范和界定。
一、特种设备检验收费的依据。
特种设备检验收费的依据主要包括国家相关法律法规、技术标准和监督管理部门的文件规定。
根据《特种设备安全法》和《特种设备安全监察条例》,特种设备的检验工作由具备相应资质的安全监察机构进行,并依法收取检验费用。
同时,国家质量监督检验检疫总局也发布了相关的特种设备检验收费标准,对检验费用的收取进行了规范。
二、特种设备检验收费的项目。
特种设备检验收费主要包括检验费、出具检验证书费、技术咨询费等项目。
其中,检验费是指对特种设备进行实地检验、试验和检测所需的费用;出具检验证书费是指安全监察机构出具特种设备合格证明文件所需的费用;技术咨询费是指对特种设备安全技术问题进行咨询所需的费用。
这些项目的收费标准应当符合国家相关规定,并在合理范围内进行确定。
三、特种设备检验收费标准的制定原则。
特种设备检验收费标准的制定应当遵循公平、合理、透明的原则。
公平是指对不同类型、不同规模的特种设备进行检验收费时,要考虑到其实际情况和特点,不得存在歧视性收费。
合理是指特种设备检验收费应当与实际工作量和服务成本相符合,不能过高或过低。
透明是指特种设备检验收费的收费标准应当公开透明,接受社会监督,确保收费的合法性和合理性。
四、特种设备检验收费标准的调整机制。
特种设备检验收费标准应当建立相应的调整机制,随着时代的发展和技术的进步,对收费标准进行及时调整。
调整应当充分考虑特种设备检验工作的实际情况和成本变化,同时也要充分听取相关行业和社会各界的意见,确保调整后的收费标准合理合法。
五、特种设备检验收费标准的执行。
特种设备检验收费标准的执行应当由国家相关部门进行监督和管理。
特种设备检验检测收费项目及标准监督检验收费标准一、锅炉、压力容器、压力管道产品质量(一)锅炉锅炉蒸发量(吨/时)精品收费标准(元/台)文档,超值下载D≤1按锅炉整机销售价1.4%1<D≤4按锅炉整机销售价1.2%D>4按锅炉整机销售价1.0%注:1、D为锅炉蒸发量(小型和常压热水锅炉也按蒸发量折算)。
4卡/时)折算为蒸发量1吨/时。
2、热水锅炉以每0.7兆瓦(60×103、锅炉整机指不包括鼓、引风机、给水泵、除尘器以及水处理设备。
4、销售价含材料费和安全附件。
(二)压力容器产品名称收费标准(元/台)备注一类压力容器按产品销售价1.0%每台至少60元二类压力容器按产品销售价1.2%每台至少100元三类压力容器按产品销售价1.4%每台至少150元汽(火)车槽车按产品销售价1.5%注:1、容器类别按《压力容器安全技术监察规程》规定进行分类。
一、二、三类压力容器产品销售价含材料费和安全附件,不包括填充物料。
算收费。
2、汽(火)车槽车、按罐体(含安全附件)的销售价计3、散装、组装大型容器(包括球罐)的现场监检,按设备总价的1.5%或安装工程总费用的3%收取。
4、不锈钢及有色金属容器制作的设备按上述标准的50%收取。
5、医用氧舱安装监检费按产品销售安装价的1.5%收取。
(三)压力管道1、凡新、改、扩建压力管道的安装监检,按其工程总造价(含材料费)的2~3%收取。
100万元以下(含100万元),按3%收取,且不低于1000元。
(1)、工程总造价在100万元至300万元(含300万元),按2.5%收取。
(2)、工程总造价在(3)、工程总造价在300万以上,按2%收取。
2、压力管道元件制作按其销售价收取,A、B级分别收取3%和4%。
5(四)气瓶气瓶类别收费标准(元/只) 焊接、无缝钢瓶按产品销售价0.8% 液化石油气钢瓶按产品销售价0.6% 溶解乙炔气钢瓶按产品销售价0.7%注:各类钢瓶、实行批量性监督检验时,按该批产品总数销售价计收。
附件1:内蒙古自治区特种设备资格审查检验检测收费标准一、设计、制造、安装、维修保养、修理(改造)资格审查费注:以上费用不含专家、评审机构评审费、交通费、旅差费、补助费等其它费用。
二、特种设备检测检验收费(一)电梯定期检验收费标准注:1.电梯5层以上每增加1层加收10%,超出15层时每增加1层加收15%;杂 物电梯5层以上每增加1层加收10%;每增加一个贯通门加收10%。
(楼层间 距 大于4米时,每增加4米(不足4米按4米计算)按增加1层计算);2.自动扶梯提升高度>4米时,每增加1米(不足1米按1米计算)加收10%; 自动人行道运行长度>8米时,每增加2米(不足2米按2米计算)加收10%; 公共交通型加收30%;3.货梯超过2吨时,每增加1吨(不足1吨按1吨计算)加收10%;4.微机控制的电梯加收10%;集选、并联控制的电梯加收30%;梯群控制的 电梯加收40%;进口电梯加收50%;5.特种电梯(船舶、防爆、液压、汽车用电梯等)按相应检验收费的3倍收 取;6.环境污染、噪声、高温、粉尘、化工等环境用电梯,加收30%检验费;7.登机电梯检验按客梯收费标准收取检验费;8.检验不合格的设备,整改复检一次,费用按检验费的20-50%收取; 9 .不包括单项检验收费;10 .超过检验周期时,按监督检验进行收费。
(二)起重机械定期检验收费标准1.桥、门、门座式起重机定期检验收费标准跨度大于10.5米时,每增加3米(不足3米按3米计算)加收10%检验费;起升高度大于4米,每增加2米加收10%检验费,不足2米按2米计算;(2)架桥机跨度大于20米时,每增加10米加收10%检验费,不足10米按 10米计算;(3)凡有副钩、抓斗、电磁吸盘、夹钳、双小车、双司机室起重机加收30% 检验费;(4)带有电梯升降结构的加收20%检验费;(5)防爆型、冶金型(包括吊运融熔金属、炽热金属、炽热非金属的起重机)、绝缘型、非标起重机按相应检验收费的2倍收取;(6)露天作业、高温有毒有害作业场所起重机加收30%检验费;(7)场桥、岸桥、集装箱起重机、绳索起重机按桥、门式起重机收费标准收取检验费;(8)检验不合格的设备,整改复检一次,费用按检验费的20-50%收取;(9)超过检验周期时,按监督检验进行收费。
特种设备检验检测收费项目及标准公司标准化编码 [QQX96QT-XQQB89Q8-NQQJ6Q8-MQM9N]特种设备检验检测收费项目及标准一、锅炉、压力容器、压力管道产品质量监督检验收费标准(一)注:12、热水锅炉以每兆瓦(60×104卡/时)折算为蒸发量1吨/时。
3、锅炉整机指不包括鼓、引风机、给水泵、除尘器以及水处理设备。
4、销售价含材料费和安全附件。
注:1力容器产品销售价含材料费和安全附件,不包括填充物料。
2、汽(火)车槽车、按罐体(含安全附件)的销售价计算收费。
3、散装、组装大型容器(包括球罐)的现场监检,按设备总价的%或安装工程总费用的3%收取。
4、不锈钢及有色金属容器制作的设备按上述标准的50%收取。
5、医用氧舱安装监检费按产品销售安装价的%收取。
(三)压力管道1、凡新、改、扩建压力管道的安装监检,按其工程总造价(含材料费)的2~3%收取。
(1)、工程总造价在100万元以下(含100万元),按3%收取,且不低于1000元。
(2)、工程总造价在100万元至300万元(含300万元),按 %收取。
(3)、工程总造价在300万以上,按2 %收取。
2、压力管道元件制作按其销售价收取,A、B级分别收取3%和4%。
二、锅炉安装、修理改造质量监督检验收费三、在用锅炉压力容器压力管道定期检验收费标准(一)在用锅炉a2、表中为蒸汽锅炉,热水锅炉按兆瓦(60×104大卡/时)折算为1吨/时。
3、余热锅炉以受热面积每30米2折算为1吨/时,非定型余热锅炉,其检验费加收50%。
4、外部检验、水压试验按内外部检验的50%收取;强度校核按内外部检验的50%。
b2、检验二类压力容器,按一类压力容器标准加收50%。
3、检验三类压力容器,按一类压力容器标准加收100%。
4、检验塔器容器(指高度大于10米或高度与直径之比大于5),按上列标准加收50%。
5、医用氧舱检验收费按以下收费标准执行。
A、定期检验收费标准规格及收费单位:元C、消防和应急呼吸装置检验120元。
安徽省特种设备检验检测收费标准一、背景为了保障特种设备的安全运行,维护人民群众的生命财产安全,安徽省制定了特种设备检验检测收费标准。
该标准旨在规范特种设备的检验检测工作,并确保收费的公平合理性,促进特种设备行业的发展和进步。
二、特种设备检验检测的意义和目的特种设备包括压力容器、锅炉、起重机械等,其具有特殊的结构和功能,一旦发生故障可能造成严重的事故。
因此,对特种设备进行检验检测是非常必要的,主要目的包括:1.保障特种设备的安全运行,减少事故风险;2.提高特种设备的使用效率和性能;3.保护人民群众的生命财产安全。
特种设备的检验检测工作需要专业的技术人员和设备,这些成本需要通过收费来进行补偿和维持。
三、安徽省特种设备检验检测收费标准的制定原则安徽省特种设备检验检测收费标准的制定遵循以下原则:1.公平合理原则:收费标准应当合理公平,不能存在垄断、霸权行为;2.适应市场需求原则:收费标准应当根据市场需求和行业发展情况进行相应的调整;3.激励性原则:收费标准应当通过激励机制来促进特种设备行业的发展和技术进步;4.透明公开原则:收费标准的制定过程应当公开透明,接受社会各界的监督。
四、安徽省特种设备检验检测收费项目安徽省特种设备检验检测收费项目主要包括以下几个方面:1.检验费:根据特种设备的种类和规模,进行相应的检验工作,并收取相应的检验费用;2.检测费:根据特种设备的性能和功能,进行相应的检测工作,并收取相应的检测费用;3.证书费:对检验合格的特种设备进行证书的发放,并收取相应的证书费用;4.过程监督费:对特种设备的生产过程进行监督,并收取相应的监督费用;5.咨询费:针对特种设备的使用者提供相关技术咨询服务,并收取相应的咨询费用。
这些收费项目的具体金额和收费标准需要根据市场需求和行业发展情况进行相应的调整。
五、特种设备检验检测收费的管理和监督为确保特种设备检验检测收费的公平合理性,安徽省建立了相应的管理和监督机制。
江苏省特种设备检验检测收费标准
本文档旨在介绍江苏省特种设备检验检测的收费标准。
特种设备是指安全性、重要性较高的设备,必须通过检验检测来确保其正常运行和使用安全。
江苏省制定了以下收费标准:
1. 检验费用
- 设备检验费用: 指对特种设备进行全面检验的费用。
根据设备类型、规模和工作条件的不同,收费标准也会有所不同。
设备检验费用: 指对特种设备进行全面检验的费用。
根据设备类型、规模和工作条件的不同,收费标准也会有所不同。
2. 检测费用
- 设备检测费用: 指对特种设备进行各项检测的费用。
根据检测项目的不同,收费也会有所不同。
设备检测费用: 指对特种设备进行各项检测的费用。
根据检测项目的不同,收费也会有所不同。
3. 其他费用
- 出差费用: 检验检测人员进行实地工作时所发生的差旅费用,包括交通费、住宿费等。
出差费用: 检验检测人员进行实地工作时所发生的差旅费用,包括交通费、住宿费等。
- 材料费用: 特种设备检验检测中所需要的材料费用,如标准样品、检测工具等。
材料费用: 特种设备检验检测中所需要的材料费用,如标准样品、检测工具等。
请注意,以上收费标准为一般情况下的参考,具体费用以江苏省特种设备安全监察院或相关机构发布的最新标准为准。
相关部门将根据特种设备的类型、规模和工作条件的不同,结合实际情况进行费用的核算和调整,并及时公布。
特种设备的所有者或使用单位应当按照规定的收费标准支付相应的检验检测费用。
以上是关于江苏省特种设备检验检测收费标准的简要介绍。
如有任何疑问,请咨询江苏省特种设备安全监察院或相关机构。
特种设备检验检测项目收费标准
目录
表一电站锅炉检验收费标准 (2)
表二低温绝热(超高压)压力容器检验收费标准 (2)
表三医用氧舱定期检验收费标准 (3)
表四压力管道元件制造检验及压力管道安装检验和定期检验收费标准 (3)
表五电梯 (4)
(一)电梯类定期检验项目收费标准 (4)
(二)电梯安装、改造、重大维修监督检验收费标准 (5)
(三)电梯产品质量监督检验收费标准 (5)
表六起重机 (7)
(一)起重机监督检验收费标准 (7)
(二)机械式停车设备类特种设备检验收费标准 (8)
(三)机械式停车设备监督检验收费标准 (9)
(四)起重机械产品质量监督检验收费标准 (9)
表七游乐设施 (14)
(一)游乐设施检验收费标准 (14)
(二)客运索道检验收费标准 (21)
(三)游乐设施监督检验收费标准 (24)
(四)客运索道监督检验收费标准 (24)
表八液压(气动)系统检验收费标准 (25)
表九无损检测项目收费标准 (25)
表十水质检测项目收费标准 (26)
《新增特种设备检验检测项目收费标准》有关问题的说明 (28)
表一电站锅炉检验收费标准
1.检验依据:
①《锅炉定期检验规则》-1999
②《锅炉安装监督检验规则》TSGG7001-2004
③《锅炉压力容器产品安全性能监督检验规则》-2004
④《锅炉设计文件鉴定管理规则》TSGG1001-2004
⑤《进出口锅炉压力容器监督管理办法》-1985
⑥《锅炉压力容器制造监督管理办法》-2003
2.本表同时适用于热电(汽电)联产锅炉检验;
3.锅炉修理、改造质量监督检验收费按工程总造价的3%计收,工程总造价包括材料费和工程施工
费;
4.额定蒸汽压力P≥9.8MPa、P≥13.7MPa、P≥22MPa的电站锅炉内、外部检验和水压试验检验费分
别按表列标准的1.6倍、2倍和2.2倍收取;
5.产品制造监检费和设计文件鉴定中锅炉出厂价系指包括锅炉本体(含燃烧设备、烟道和风道、自
控仪表)及钢架、平台、扶梯在内的设备出厂价,安装质量监检费中锅炉出厂价还包括炉墙、保温、锅炉辅机及管道附件的出厂价。
表二低温绝热(超高压)压力容器检验收费标准
1.检验依据:
①《压力容器安全技术监察规程》-1999
②《非金属压力容器安全技术监察规程》TSGR0001-2004
③《超高压容器安全监察规程》(试行)-2003
④《压力容器产品安全质量监督检验规则》1990劳动部劳锅字[1990]10号
⑤《压力容器定期检验规则》TSGR7001-2004
2.P:工作压力(MPa);
3.压力容器安装(移装)的质量监检费按工程总造价的1.5%计收,单台收费低于300元的按300
元收取,压力容器现场本体组焊的,组焊质量监检费按工程总造价的3%计收;
4.低温绝热压力容器容积>5m3时,内外部检验每增加5m3的容积加收1500元;
5.产品出厂价指:一般容器为本体及安全附件的销售价格,不包括附属部件,瓶类容器包括阀门、
附件。
表三医用氧舱定期检验收费标准
1.检验依据:
①《医用氧舱安全管理规定》
②《压力容器安全技术监察规程》
③《压力容器定期检验规则》
2.表三是一年定期检验收费标准,安装监检和三年定期检验收费标准为一年定期检验收费标准的
1.5倍。
3.制造质量监督检验收费按其出厂价的1%;
4.维修、改造监督检验收费为工程总造价的5%计收;
表四压力管道元件制造检验及压力管道安装检验和定期检验收费标准
1、检验依据:
①《在用工业管道定期检验规程》(试行)(国质检锅[2003]108号)
②《压力管道安装安全质量监督检验规则》(国质检锅[2002]83号
2、管道元件包括管子、管件、法兰、阀门、膨胀节、波纹管、密封件等;
3、压力管道改造、重大修理质量监督检验收费按工程施工费用及改造、修理材料费总和的2%计收,
每项工程监检收费不足500元的,按500元计收;
4、不锈钢、合金钢等特殊材质压力管道的检验费用在上述标准基础上加收50%;
5、检验中若国家检验规程必须使用管道爬行器则另行收费;
表五电梯
(一)电梯类定期检验项目收费标准
1.检验依据:
①《电梯监督检验规程》-2002
②《自动扶梯和自动人行道监督检验规程》-2002
③《杂物电梯监督检验规程》-2003
④《液压电梯监督检验规程(试行)》-2002
2.电梯载重量≤500kg的电梯按收费标准逐项累加收费,载重量大于500kg的,每增加500kg加
收10%;
3.停层数以7层为基数,每增加一层加收6%;
1.未列入的检验项目按《关于职业安全卫生检验等收费问题的复函》(粤价费(1)函[1993]37
号)文执行。
(二)电梯安装、改造、重大维修监督检验收费标准
1、 . 电梯总造价为电梯的销售价、安装材料费及安装人工费之和;
2、 . 质量监督检验收费总额少于1000元的,按1000元收取;
3、 . 电梯安装(移装)、组装、改造和重大维修的工艺图纸审查费按工程总造价的1.5%计收;
4、 . 国家电梯监督检验规程(规范)对相应的检验项目变更名称时,而该项目的检验内容基本不变时
参照本标准实行。
(三)电梯产品质量监督检验收费标准
※检验依据:《电梯型式试验规程》(试行)
由于电梯产品质量监督检验的检验项目是根据电梯型式试验规程制定的,检验方法以及检验设备相同,所以电梯型式试验收费可参照电梯产品质量监督检验收费标准执行
表六起重机
(一)起重机监督检验收费标准
1.检验依据:
①《起重机械监督检验规程》
②《起重机安全规程》GB6067-85
2.制造出厂价为起重机出厂的价格;
3.质量监督检验收费总额少于1000元的,按1000元收取;
4.改造、重大维修的起重机监督检验收费标准同制造监督检验收费标准一样,出厂价以该厂同型
号规格的起重机现行出厂价计算。
5.安装总造价为出厂价与安装工程价的总和。
6.检验费如低于定期检验费的150%,按定期检验费的150%计收
(二)机械式停车设备类特种设备检验收费标准
(三)机械式停车设备监督检验收费标准
1.制造出厂价为起重机出厂有效合同为准;
2.安装总造价为出厂价与安装工程价的总和与有效合同为准;
3.质量监督检验收费总额少于1000元的,按1000元收取。
(四)起重机械产品质量监督检验收费标准
表七游乐设施
(一)游乐设施检验收费标准
1.检验依据:
①《游艺机和游乐设施安全》
②《游乐设施监督检验规程》(试行)
2.需进行无损检测的按照无损检测收费标准计算。
(二)客运索道检验收费标准
(三)游乐设施监督检验收费标准
3.监督检验收费总额少于1000元的,按1000元收取;
4.游乐设施改造和重大维修总造价按同类新产品总造价计算。
(四)客运索道监督检验收费标准
客运架空索道改造和重大维修总造价按同类新产品总造价计算。
表八液压(气动)系统检验收费标准
表九无损检测项目收费标准
1、需携设备外出进行无损检测的,加收出机台班费:金相分析均为250元/台班,内窥镜检测、光
谱分析、声发射检验、应力测试均为1000元/台班,磁粉、渗透探伤均为150元/台班,
2、在有毒、易燃、窒息、助燃介质的环境中检测,在上述标准基础上加收30%。
表十水质检测项目收费标准
注:有机热载体炉导热油检测收费按相关收费标准执行。