墙纸检验批报验单
- 格式:docx
- 大小:49.66 KB
- 文档页数:33
墙体砌筑检验批质量验收记录
1. 检验批概述
- 检验批名称:墙体砌筑检验批
- 检验批编号:[编号]
- 监理单位:[监理单位名称]
- 施工单位:[施工单位名称]
- 检验日期:[日期]
2. 检验项目
2.1 墙体砌筑材料
- 墙体砌筑材料类型:[材料类型]
- 规格:[规格]
- 数量:[数量]
- 入场检验记录:[入场检验记录编号]
2.2 施工工艺
- 施工工艺:[施工工艺说明]
2.3 施工质量
- 砌筑高度:[砌筑高度]
- 砖缝:[合格/不合格]
- 墙面平整度:[合格/不合格]
- 填充料使用:[合格/不合格]
- 管线预埋:[合格/不合格]
- 其他施工质量检测项目:[合格/不合格]
3. 检验结果
- 墙体砌筑质量检验结果:[达到设计要求/未达到设计要求] - 其他相关备注:[备注]
4. 验收结论
- 经检验,墙体砌筑检验批的质量达到设计要求。
- 验收人员:[验收人员姓名]
- 验收日期:[日期]
5. 审核意见
- 审核人员:[审核人员姓名]
- 审核日期:[日期]
- 审核结论:[通过/不通过]
以上为《墙体砌筑检验批质量验收记录》的模板,根据实际情况进行填写相应的信息即可。
砖砌体工程报验申请表工程名称:仁怀市合马镇敬老院工程编号:砖砌体(混水)工程检验批质量验收记录表GB50203-2002砖砌体工程报验申请表工程名称:仁怀市合马镇敬老院工程编号:砖砌体(混水)工程检验批质量验收记录表GB50203-2002砖砌体工程报验申请表工程名称:仁怀市合马镇敬老院工程编号:砖砌体(混水)工程检验批质量验收记录表GB50203-2002砖砌体工程报验申请表工程名称:仁怀市合马镇敬老院工程编号:砖砌体(混水)工程检验批质量验收记录表GB50203-2002墙体抹灰工程报验申请表工程名称:仁怀市合马镇敬老院工程编号:5.14.1一般抹灰工程检验批质量验收记录表GB50210—2001墙体抹灰工程报验申请表工程名称:仁怀市合马镇敬老院工程编号:5.14.1一般抹灰工程检验批质量验收记录表GB50210—2001墙体抹灰工程报验申请表工程名称:仁怀市合马镇敬老院工程编号:5.14.1一般抹灰工程检验批质量验收记录表GB50210—2001墙体抹灰工程报验申请表工程名称:仁怀市合马镇敬老院工程编号:5.14.1一般抹灰工程检验批质量验收记录表GB50210—2001墙体粉刷工程报验申请表工程名称:仁怀市合马镇敬老院工程编号:水性涂料涂饰工程检验批质量验收记录表墙体粉刷工程报验申请表工程名称:仁怀市合马镇敬老院工程编号:水性涂料涂饰工程检验批质量验收记录表墙体粉刷工程报验申请表工程名称:仁怀市合马镇敬老院工程编号:水性涂料涂饰工程检验批质量验收记录表墙体粉刷工程报验申请表工程名称:仁怀市合马镇敬老院工程编号:水性涂料涂饰工程检验批质量验收记录表地坪基础垫层工程报验申请表工程名称:仁怀市合马镇敬老院工程编号:5.13.1基土垫层检验批质量验收记录表GB50209—2002(Ⅰ)地坪饰面砖工程报验申请表工程名称:仁怀市合马镇敬老院工程编号:饰面砖粘贴工程检验批质量验收记录表GB50210-2001地坪饰面砖工程报验申请表工程名称:仁怀市合马镇敬老院工程编号:饰面砖粘贴工程检验批质量验收记录表GB50210-2001地坪饰面砖工程报验申请表工程名称:仁怀市合马镇敬老院工程编号:饰面砖粘贴工程检验批质量验收记录表GB50210-2001照明配电箱工程报验申请表工程名称:仁怀市合马镇敬老院工程编号:5.17.1成套配电柜、控制柜(屏、台)和动力、照明配电箱(盘)安装检验批质量验收记录表 GB50303—2002(Ⅲ)照明配电箱(盘)照明配电箱工程报验申请表工程名称:仁怀市合马镇敬老院工程编号:5.17.1成套配电柜、控制柜(屏、台)和动力、照明配电箱(盘)安装检验批质量验收记录表GB50303—2002(Ⅲ)照明配电箱(盘)照明配电箱工程报验申请表工程名称:仁怀市合马镇敬老院工程编号:5.17.1成套配电柜、控制柜(屏、台)和动力、照明配电箱(盘)安装检验批质量验收记录表GB50303—2002(Ⅲ)照明配电箱(盘)电线电缆线槽敷设工程报验申请表工程名称:仁怀市合马镇敬老院工程编号:5.17.2电线导管、电缆导管和线槽敷设检验批质量验收记录表GB50303—2002(Ⅰ)室内060304□□060405□□060502□□电线电缆线槽敷设工程报验申请表工程名称:仁怀市合马镇敬老院工程编号:5.17.2电线导管、电缆导管和线槽敷设检验批质量验收记录表GB50303—2002(Ⅰ)室内060304□□060405□□060502□□电线电缆线槽敷设工程报验申请表工程名称:仁怀市合马镇敬老院工程编号:5.17.2电线导管、电缆导管和线槽敷设检验批质量验收记录表GB50303—2002(Ⅰ)室内060304□□060405□□060502□□照明灯管安装工程报验申请表工程名称:仁怀市合马镇敬老院工程编号:5.17.5普通灯具安装检验批质量验收记录表GB50303—2002060507□□照明灯管安装工程报验申请表工程名称:仁怀市合马镇敬老院工程编号:5.17.5普通灯具安装检验批质量验收记录表GB50303—2002060507□□照明灯管安装工程报验申请表工程名称:仁怀市合马镇敬老院工程编号:5.17.5普通灯具安装检验批质量验收记录表GB50303—2002060507□□。
装饰与装修工程检验批表格一般抹灰工程检验批质量验收记录装饰抹灰工程检验批质量验收记录清水砌体勾缝工程检验批质量验收记录木门窗制作工程检验批质量验收记录木门窗安装工程检验批质量验收记录钢门窗安装工程检验批质量验收记录铝合金门窗安装工程检验批质量验收记录涂色镀锌钢板门窗安装工程检验批质量验收记录塑料门窗安装工程检验批质量验收记录特种门安装工程检验批质量验收记录门窗玻璃安装工程检验批质量验收记录暗龙骨吊顶工程检验批质量验收记录明龙骨吊顶工程检验批质量验收记录板材隔墙工程检验批质量验收记录骨架隔墙工程检验批质量验收记录活动隔墙工程检验批质量验收记录玻璃隔墙工程检验批质量验收记录饰面板安装工程检验批质量验收记录饰面砖粘贴工程检验批质量验收记录玻璃幕墙工程检验批质量验收记录(一)玻璃幕墙工程检验批质量验收记录(二)金属幕墙工程检验批质量验收记录(一)金属幕墙工程检验批质量验收记录(二)石材幕墙工程检验批质量验收记录(一)石材幕墙工程检验批质量验收记录(二)水性涂料涂饰工程检验批质量验收记录溶剂型涂料涂饰工程检验批质量验收记录美术涂饰工程检验批质量验收记录裱糊工程检验批质量验收记录软包工程检验批质量验收记录橱柜制作与安装工程检验批质量验收记录窗帘盒、窗台板和散热器罩制作与安装工程检验批质量验收记录门窗套制作与安装工程检验批质量验收记录护栏和扶手制作与安装工程检验批质量验收记录花饰制作与安装工程检验批质量验收记录清水砌体勾缝工程检验批质量验收记录特种门安装工程检验批质量验收记录门窗玻璃安装工程检验批质量验收记录饰面板安装工程检验批质量验收记录饰面砖粘贴工程检验批质量验收记录水性涂料涂饰工程检验批质量验收记录溶剂型涂料涂饰工程检验批质量验收记录美术涂饰工程检验批质量验收记录裱糊工程检验批质量验收记录软包工程检验批质量验收记录橱柜制作与安装工程检验批质量验收记录窗帘盒、窗台板和散热器罩制作与安装工程检验批质量验收记录门窗套制作与安装工程检验批质量验收记录护栏和扶手制作与安装工程检验批质量验收记录花饰制作与安装工程检验批质量验收记录。
浙建监A10
工程材料/构配件/设备报审表
工程名称:青田正达开元大酒店室内装饰工程编号:A10 ***
本表一式三份,经项目监理机构审核后,建设单位、监理单位、承包单位各存一份。
浙建监A10
工程材料/构配件/设备报审表
工程名称:青田正达开元大酒店室内装饰工程编号:A10 ***
本表一式三份,经项目监理机构审核后,建设单位、监理单位、承包单位各存一份。
浙建监A10
工程材料/构配件/设备报审表
工程名称:青田正达开元大酒店室内装饰工程编号:A10 ***
本表一式三份,经项目监理机构审核后,建设单位、监理单位、承包单位各存一份。
浙建监A10
工程材料/构配件/设备报审表
工程名称:青田正达开元大酒店室内装饰工程编号:A10 ***
本表一式三份,经项目监理机构审核后,建设单位、监理单位、承包单位各存一份。
浙建监A10
工程材料/构配件/设备报审表
工程名称:青田正达开元大酒店室内装饰工程编号:A10 ***
本表一式三份,经项目监理机构审核后,建设单位、监理单位、承包单位各存一份。
浙建监A10
工程材料/构配件/设备报审表
工程名称:青田正达开元大酒店室内装饰工程编号:A10 ***。
砖砌体工程报验申请表工程名称:仁怀市合马镇敬老院工程编号:砖砌体(混水)工程检验批质量验收记录表GB50203-2002砖砌体工程报验申请表工程名称:仁怀市合马镇敬老院工程编号:砖砌体(混水)工程检验批质量验收记录表GB50203-2002砖砌体工程报验申请表工程名称:仁怀市合马镇敬老院工程编号:砖砌体(混水)工程检验批质量验收记录表GB50203-2002砖砌体工程报验申请表工程名称:仁怀市合马镇敬老院工程编号:砖砌体(混水)工程检验批质量验收记录表GB50203-2002墙体抹灰工程报验申请表工程名称:仁怀市合马镇敬老院工程编号:5.14.1一般抹灰工程检验批质量验收记录表GB50210—2001墙体抹灰工程报验申请表工程名称:仁怀市合马镇敬老院工程编号:5.14.1一般抹灰工程检验批质量验收记录表GB50210—2001墙体抹灰工程报验申请表工程名称:仁怀市合马镇敬老院工程编号:5.14.1一般抹灰工程检验批质量验收记录表GB50210—2001墙体抹灰工程报验申请表工程名称:仁怀市合马镇敬老院工程编号:5.14.1一般抹灰工程检验批质量验收记录表GB50210—2001墙体粉刷工程报验申请表工程名称:仁怀市合马镇敬老院工程编号:水性涂料涂饰工程检验批质量验收记录表墙体粉刷工程报验申请表工程名称:仁怀市合马镇敬老院工程编号:水性涂料涂饰工程检验批质量验收记录表墙体粉刷工程报验申请表工程名称:仁怀市合马镇敬老院工程编号:水性涂料涂饰工程检验批质量验收记录表墙体粉刷工程报验申请表工程名称:仁怀市合马镇敬老院工程编号:水性涂料涂饰工程检验批质量验收记录表地坪基础垫层工程报验申请表工程名称:仁怀市合马镇敬老院工程编号:5.13.1基土垫层检验批质量验收记录表GB50209—2002(Ⅰ)地坪饰面砖工程报验申请表工程名称:仁怀市合马镇敬老院工程编号:饰面砖粘贴工程检验批质量验收记录表GB50210-2001地坪饰面砖工程报验申请表工程名称:仁怀市合马镇敬老院工程编号:饰面砖粘贴工程检验批质量验收记录表GB50210-2001地坪饰面砖工程报验申请表工程名称:仁怀市合马镇敬老院工程编号:饰面砖粘贴工程检验批质量验收记录表GB50210-2001照明配电箱工程报验申请表工程名称:仁怀市合马镇敬老院工程编号:5.17.1成套配电柜、控制柜(屏、台)和动力、照明配电箱(盘)安装检验批质量验收记录表 GB50303—2002(Ⅲ)照明配电箱(盘)照明配电箱工程报验申请表工程名称:仁怀市合马镇敬老院工程编号:5.17.1成套配电柜、控制柜(屏、台)和动力、照明配电箱(盘)安装检验批质量验收记录表GB50303—2002(Ⅲ)照明配电箱(盘)照明配电箱工程报验申请表工程名称:仁怀市合马镇敬老院工程编号:5.17.1成套配电柜、控制柜(屏、台)和动力、照明配电箱(盘)安装检验批质量验收记录表GB50303—2002(Ⅲ)照明配电箱(盘)电线电缆线槽敷设工程报验申请表工程名称:仁怀市合马镇敬老院工程编号:5.17.2电线导管、电缆导管和线槽敷设检验批质量验收记录表GB50303—2002(Ⅰ)室内060304□□060405□□060502□□电线电缆线槽敷设工程报验申请表工程名称:仁怀市合马镇敬老院工程编号:5.17.2电线导管、电缆导管和线槽敷设检验批质量验收记录表GB50303—2002(Ⅰ)室内060304□□060405□□060502□□电线电缆线槽敷设工程报验申请表工程名称:仁怀市合马镇敬老院工程编号:5.17.2电线导管、电缆导管和线槽敷设检验批质量验收记录表GB50303—2002(Ⅰ)室内060304□□060405□□060502□□照明灯管安装工程报验申请表工程名称:仁怀市合马镇敬老院工程编号:5.17.5普通灯具安装检验批质量验收记录表GB50303—2002060507□□照明灯管安装工程报验申请表工程名称:仁怀市合马镇敬老院工程编号:5.17.5普通灯具安装检验批质量验收记录表GB50303—2002060507□□照明灯管安装工程报验申请表工程名称:仁怀市合马镇敬老院工程编号:5.17.5普通灯具安装检验批质量验收记录表GB50303—2002060507□□。
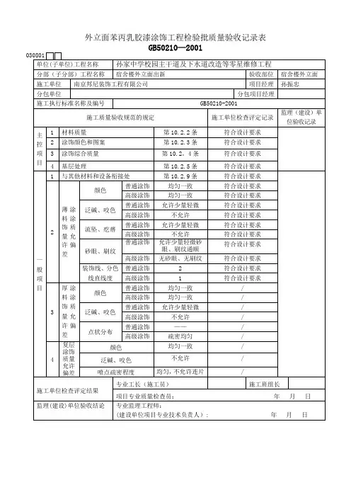
5.14.1一般抹灰工程检验批质量验收记录表GB50210—2001030201□□5.14.1一般抹灰工程检验批质量验收记录表GB50210—20015.14.1一般抹灰工程检验批质量验收记录表GB50210—20015.14.1一般抹灰工程检验批质量验收记录表GB50210—20015.14.1一般抹灰工程检验批质量验收记录表GB50210—20015.14.1一般抹灰工程检验批质量验收记录表GB50210—20015.14.1一般抹灰工程检验批质量验收记录表GB50210—2001030201□□5.14.1一般抹灰工程检验批质量验收记录表GB50210—20015.14.1一般抹灰工程检验批质量验收记录表GB50210—2001030201□□5.14.1一般抹灰工程检验批质量验收记录表GB50210—20015.14.1一般抹灰工程检验批质量验收记录表GB50210—20015.14.1一般抹灰工程检验批质量验收记录表GB50210—20015.14.2装饰抹灰工程检验批质量验收记录表GB50210—2001030202□□5.14.2装饰抹灰工程检验批质量验收记录表GB50210—2001030202□□5.14.2装饰抹灰工程检验批质量验收记录表GB50210—20015.14.2装饰抹灰工程检验批质量验收记录表GB50210—20015.14.2装饰抹灰工程检验批质量验收记录表GB50210—20015.14.2装饰抹灰工程检验批质量验收记录表GB50210—20015.14.2装饰抹灰工程检验批质量验收记录表GB50210—20015.14.2装饰抹灰工程检验批质量验收记录表GB50210—2001030202□□5.14.2装饰抹灰工程检验批质量验收记录表GB50210—20015.14.2装饰抹灰工程检验批质量验收记录表GB50210—20015.14.2装饰抹灰工程检验批质量验收记录表GB50210—20015.14.2装饰抹灰工程检验批质量验收记录表GB50210—20015.14.3清水砌体勾缝工程检验批质量验收记录表GB50210—20015.14.4木门窗制作工程检验批质量验收记录表GB50210—2001(Ⅰ)5.14.4木门窗制作工程检验批质量验收记录表GB50210—2001(Ⅰ)5.14.4木门窗制作工程检验批质量验收记录表GB50210—2001(Ⅰ)5.14.4木门窗制作工程检验批质量验收记录表GB50210—2001(Ⅰ)030301□□5.14.4木门窗制作工程检验批质量验收记录表GB50210—2001(Ⅰ)5.14.4木门窗制作工程检验批质量验收记录表GB50210—2001(Ⅰ)5.14.5木门窗安装工程检验批质量验收记录表GB50210—2001(Ⅱ)5.14.5木门窗安装工程检验批质量验收记录表GB50210—2001(Ⅱ)5.14.5木门窗安装工程检验批质量验收记录表GB50210—2001(Ⅱ)5.14.5木门窗安装工程检验批质量验收记录表GB50210—2001(Ⅱ)5.14.5木门窗安装工程检验批质量验收记录表GB50210—2001(Ⅱ)030301□□5.14.5木门窗安装工程检验批质量验收记录表GB50210—2001(Ⅱ)5.14.5木门窗安装工程检验批质量验收记录表GB50210—2001(Ⅱ)030301□□5.14.5木门窗安装工程检验批质量验收记录表GB50210—2001(Ⅱ)5.14.5木门窗安装工程检验批质量验收记录表GB50210—2001(Ⅱ)5.14.5木门窗安装工程检验批质量验收记录表GB50210—2001(Ⅱ)5.14.5木门窗安装工程检验批质量验收记录表GB50210—2001(Ⅱ)。
5.14.1一般抹灰工程检验批质量验收记录表GB50210—20015.14.1一般抹灰工程检验批质量验收记录表GB50210—20015.14.1一般抹灰工程检验批质量验收记录表GB50210—20015.14.1一般抹灰工程检验批质量验收记录表GB50210—20015.14.1一般抹灰工程检验批质量验收记录表GB50210—20015.14.1一般抹灰工程检验批质量验收记录表GB50210—20015.14.1一般抹灰工程检验批质量验收记录表GB50210—20015.14.1一般抹灰工程检验批质量验收记录表GB50210—20015.14.1一般抹灰工程检验批质量验收记录表GB50210—20015.14.1一般抹灰工程检验批质量验收记录表GB50210—20015.14.1一般抹灰工程检验批质量验收记录表GB50210—20015.14.1一般抹灰工程检验批质量验收记录表GB50210—20015.14.2装饰抹灰工程检验批质量验收记录表GB50210—20015.14.2装饰抹灰工程检验批质量验收记录表GB50210—20015.14.2装饰抹灰工程检验批质量验收记录表GB50210—20015.14.2装饰抹灰工程检验批质量验收记录表GB50210—20015.14.2装饰抹灰工程检验批质量验收记录表GB50210—20015.14.2装饰抹灰工程检验批质量验收记录表GB50210—20015.14.2装饰抹灰工程检验批质量验收记录表GB50210—20015.14.2装饰抹灰工程检验批质量验收记录表GB50210—20015.14.2装饰抹灰工程检验批质量验收记录表GB50210—20015.14.2装饰抹灰工程检验批质量验收记录表GB50210—20015.14.2装饰抹灰工程检验批质量验收记录表GB50210—20015.14.2装饰抹灰工程检验批质量验收记录表GB50210—20015.14.3清水砌体勾缝工程检验批质量验收记录表GB50210—20015.14.4木门窗制作工程检验批质量验收记录表GB50210—2001(Ⅰ)5.14.4木门窗制作工程检验批质量验收记录表GB50210—2001(Ⅰ)5.14.4木门窗制作工程检验批质量验收记录表GB50210—2001(Ⅰ)5.14.4木门窗制作工程检验批质量验收记录表GB50210—2001(Ⅰ)5.14.4木门窗制作工程检验批质量验收记录表GB50210—2001(Ⅰ)5.14.4木门窗制作工程检验批质量验收记录表GB50210—2001(Ⅰ)5.14.5木门窗安装工程检验批质量验收记录表GB50210—2001(Ⅱ)5.14.5木门窗安装工程检验批质量验收记录表GB50210—2001(Ⅱ)5.14.5木门窗安装工程检验批质量验收记录表GB50210—2001(Ⅱ)5.14.5木门窗安装工程检验批质量验收记录表GB50210—2001(Ⅱ)5.14.5木门窗安装工程检验批质量验收记录表GB50210—2001(Ⅱ)5.14.5木门窗安装工程检验批质量验收记录表GB50210—2001(Ⅱ)5.14.5木门窗安装工程检验批质量验收记录表GB50210—2001(Ⅱ)5.14.5木门窗安装工程检验批质量验收记录表GB50210—2001(Ⅱ)5.14.5木门窗安装工程检验批质量验收记录表GB50210—2001(Ⅱ)5.14.5木门窗安装工程检验批质量验收记录表GB50210—2001(Ⅱ)5.14.5木门窗安装工程检验批质量验收记录表GB50210—2001(Ⅱ)5.14.5木门窗安装工程检验批质量验收记录表GB50210—2001(Ⅱ)5.14.6金属门安装工程检验批质量验收记录表(钢门窗)GB50210—2001(Ⅰ)5.14.6金属门安装工程检验批质量验收记录表(钢门窗)GB50210—2001(Ⅰ)5.14.6金属门安装工程检验批质量验收记录表(钢门窗)GB50210—2001(Ⅰ)030302□□5.14.6金属门安装工程检验批质量验收记录表(钢门窗)GB50210—2001(Ⅰ)5.14.6金属门安装工程检验批质量验收记录表(钢门窗)GB50210—2001(Ⅰ)5.14.6金属门安装工程检验批质量验收记录表(钢门窗)GB50210—2001(Ⅰ)5.14.6金属门安装工程检验批质量验收记录表(钢门窗)GB50210—2001(Ⅰ)5.14.7金属门窗安装工程检验批质量验收记录表(铝合金门窗)GB50210—2001(Ⅱ)5.14.85.14.7金属门窗安装工程检验批质量验收记录表(铝合金门窗)GB50210—2001(Ⅱ)5.14.7金属门窗安装工程检验批质量验收记录表(铝合金门窗)GB50210—2001(Ⅱ)5.14.7金属门窗安装工程检验批质量验收记录表(铝合金门窗)GB50210—2001(Ⅱ)5.14.7金属门窗安装工程检验批质量验收记录表(铝合金门窗)GB50210—2001(Ⅱ)5.14.7金属门窗安装工程检验批质量验收记录表(铝合金门窗)GB50210—2001(Ⅱ)塑料门窗安装工程检验批质量验收记录表GB50210—2001塑料门窗安装工程检验批质量验收记录表GB50210—2001塑料门窗安装工程检验批质量验收记录表GB50210—2001。
墙纸、软包质量检查验收表
验收标准:
1、主控项目
(1) 壁纸、墙布的种类、规格、图案、颜色和燃烧性能等级必须符合设计要求及国家现行标准的有关规定;
(2) 裱糊后各幅拼接应横平竖直,拼接处花纹、图案应吻合,不离缝,不搭接,不显拼缝;
(3) 壁纸、墙布应粘贴牢固,不得有漏贴、补贴、脱层、空鼓和翘边。
2、一般项目
(1) 壁纸、墙布表面应平整,色泽一致,不得有波纹起伏、气泡、裂缝、皱折及斑污,斜视时应无胶痕;
(2) 壁纸、墙布与顶角线、踢脚板拼接紧密无缝隙,设备线盒应交接严密;
(3) 壁纸、墙布阴角处搭接应顺光,阳角处应无接缝;
(4) 壁纸、墙布的允许偏差应符合规范的规定,见下表。
一般抹灰工程检验批质量验收记录表
GB50210-2001
装饰抹灰工程检验批质量验收记录表
GB50210—2001
030202□□
水泥混凝土垫层检验批质量验收记录表
GB50209-2002
(Ⅶ)
隔离层检验批质量验收记录表GB50209-2002
(Ⅸ)
水泥砂浆面层工程检验批质量验收记录表
GB50209—2002
030118□□
砖面层检验批质量验收记录表GB50209-2002
木门窗制作工程检验批质量验收记录表
GB50210-2001
(Ⅰ)
木门窗安装工程检验批质量验收记录表
GB50210-2001
(Ⅱ)
金属门窗安装工程检验批质量验收记录表
(钢门窗)
GB50210-2001
(Ⅰ)
金属门窗安装工程检验批质量验收记录表
(铝合金门窗)
GB50210-2001
(Ⅱ)
金属门窗安装工程检验批质量验收记录表
(涂色镀锌钢板门窗)
GB50210-2001
(Ⅲ)
塑料门窗安装工程检验批质量验收记录表
GB50210—2001
030303□□
门窗玻璃安装工程检验批质量验收记录表
GB50210-2001
水性涂料涂饰工程检验批质量验收记录表
GB50210-2001
溶剂型涂料涂饰工程检验批质量验收记录表
GB50210-2001
饰面砖粘贴工程检验批质量验收记录表
GB50210-2001
护栏和扶手制作与安装工程检验批质量验收记录表
GB50210-2001
分项工程质量验收记录
分部(子分部)工程质量验收记录。
裱糊工程报审、报验表工程名称:中惠紫金城1#楼A段小户型精装修工程编号:致:北京方圆工程监理有限公司西宁分公司(项目监理机构)我方已完成一至三层客厅、卧室背景墙壁纸工作,经自检合格,现将有关资料报上,请予以审查或验收。
附:□隐蔽工程质量检验资料□检验批质量检验资料□分项工程质量检验资料□施工试验室证明资料□危险性较大的分项工程质量安全检验资料□其他施工项目经理部(盖章)项目经理或项目技术负责人(签字)年月日审查或验收意见:项目监理机构(盖章)专业监理工程师(签字)年月日注:本表一式二份,项目监理机构、施工单位各一份裱糊工程检验批质量验收记录表GB50210-2001裱糊工程报审、报验表工程名称:中惠紫金城1#楼A段小户型精装修工程编号:致:北京方圆工程监理有限公司西宁分公司(项目监理机构)我方已完成四至六层客厅、卧室背景墙壁纸工作,经自检合格,现将有关资料报上,请予以审查或验收。
附:□隐蔽工程质量检验资料□检验批质量检验资料□分项工程质量检验资料□施工试验室证明资料□危险性较大的分项工程质量安全检验资料□其他施工项目经理部(盖章)项目经理或项目技术负责人(签字)年月日审查或验收意见:项目监理机构(盖章)专业监理工程师(签字)年月日注:本表一式二份,项目监理机构、施工单位各一份裱糊工程检验批质量验收记录表GB50210-2001裱糊工程报审、报验表工程名称:中惠紫金城1#楼A段小户型精装修工程编号:致:北京方圆工程监理有限公司西宁分公司(项目监理机构)我方已完成七至九层客厅、卧室背景墙壁纸工作,经自检合格,现将有关资料报上,请予以审查或验收。
附:□隐蔽工程质量检验资料□检验批质量检验资料□分项工程质量检验资料□施工试验室证明资料□危险性较大的分项工程质量安全检验资料□其他施工项目经理部(盖章)项目经理或项目技术负责人(签字)年月日审查或验收意见:项目监理机构(盖章)专业监理工程师(签字)年月日注:本表一式二份,项目监理机构、施工单位各一份裱糊工程检验批质量验收记录表GB50210-2001裱糊工程报审、报验表工程名称:中惠紫金城1#楼A段小户型精装修工程编号:致:北京方圆工程监理有限公司西宁分公司(项目监理机构)我方已完成十至十二层客厅、卧室背景墙壁纸工作,经自检合格,现将有关资料报上,请予以审查或验收。
裱糊工程报审、报验表
工程名称:中惠紫金城1#楼A段小户型精装修工程编号:致:北京方圆工程监理有限公司西宁分公司(项目监理机构)
我方已完成一至三层客厅、卧室背景墙壁纸工作,经自检合格,现将有关资料报上,请予以审查或验收。
附:□隐蔽工程质量检验资料
□检验批质量检验资料
□分项工程质量检验资料
□施工试验室证明资料
□危险性较大的分项工程质量安全检验资料
□其他
施工项目经理部(盖章)
项目经理或项目技术负责人(签字)
年月日
审查或验收意见:
项目监理机构(盖章)
专业监理工程师(签字)
年月日
注:本表一式二份,项目监理机构、施工单位各一份
裱糊工程检验批质量验收记录表
GB50210-2001
裱糊工程报审、报验表
工程名称:中惠紫金城1#楼A段小户型精装修工程编号:
致:北京方圆工程监理有限公司西宁分公司(项目监理机构)
我方已完成四至六层客厅、卧室背景墙壁纸工作,经自检合格,现将有关资料报上,请予以审查或验收。
附:□隐蔽工程质量检验资料
□检验批质量检验资料
□分项工程质量检验资料
□施工试验室证明资料
□危险性较大的分项工程质量安全检验资料
□其他
施工项目经理部(盖章)
项目经理或项目技术负责人(签字)
年月日
审查或验收意见:
项目监理机构(盖章)
专业监理工程师(签字)
年月日
注:本表一式二份,项目监理机构、施工单位各一份
裱糊工程检验批质量验收记录表
GB50210-2001
裱糊工程报审、报验表
工程名称:中惠紫金城1#楼A段小户型精装修工程编号:
致:北京方圆工程监理有限公司西宁分公司(项目监理机构)
我方已完成七至九层客厅、卧室背景墙壁纸工作,经自检合格,现将有关资料报上,请予以审查或验收。
附:□隐蔽工程质量检验资料
□检验批质量检验资料
□分项工程质量检验资料
□施工试验室证明资料
□危险性较大的分项工程质量安全检验资料
□其他
施工项目经理部(盖章)
项目经理或项目技术负责人(签字)
年月日
审查或验收意见:
项目监理机构(盖章)
专业监理工程师(签字)
年月日
注:本表一式二份,项目监理机构、施工单位各一份
裱糊工程检验批质量验收记录表
GB50210-2001
裱糊工程报审、报验表
工程名称:中惠紫金城1#楼A段小户型精装修工程编号:
致:北京方圆工程监理有限公司西宁分公司(项目监理机构)
我方已完成十至十二层客厅、卧室背景墙壁纸工作,经自检合格,现将有关资料报上,请予以审查或验收。
附:□隐蔽工程质量检验资料
□检验批质量检验资料
□分项工程质量检验资料
□施工试验室证明资料
□危险性较大的分项工程质量安全检验资料
□其他
施工项目经理部(盖章)
项目经理或项目技术负责人(签字)
年月日
审查或验收意见:
项目监理机构(盖章)
专业监理工程师(签字)
年月日
注:本表一式二份,项目监理机构、施工单位各一份
裱糊工程检验批质量验收记录表
GB50210-2001
裱糊工程报审、报验表
工程名称:中惠紫金城1#楼A段小户型精装修工程编号:
致:北京方圆工程监理有限公司西宁分公司(项目监理机构)
我方已完成十三至十五层客厅、卧室背景墙壁纸工作,经自检合格,现将有关资料报上,请予以审查或验收。
附:□隐蔽工程质量检验资料
□检验批质量检验资料
□分项工程质量检验资料
□施工试验室证明资料
□危险性较大的分项工程质量安全检验资料
□其他
施工项目经理部(盖章)
项目经理或项目技术负责人(签字)
年月日
审查或验收意见:
项目监理机构(盖章)
专业监理工程师(签字)
年月日
注:本表一式二份,项目监理机构、施工单位各一份
裱糊工程检验批质量验收记录表
GB50210-2001
裱糊工程报审、报验表
工程名称:中惠紫金城1#楼A段小户型精装修工程编号:
致:北京方圆工程监理有限公司西宁分公司(项目监理机构)
我方已完成十六至十八层客厅、卧室背景墙壁纸工作,经自检合格,现将有关资料报上,请予以审查或验收。
附:□隐蔽工程质量检验资料
□检验批质量检验资料
□分项工程质量检验资料
□施工试验室证明资料
□危险性较大的分项工程质量安全检验资料
□其他
施工项目经理部(盖章)
项目经理或项目技术负责人(签字)
年月日
审查或验收意见:
项目监理机构(盖章)
专业监理工程师(签字)
年月日
注:本表一式二份,项目监理机构、施工单位各一份
裱糊工程检验批质量验收记录表
GB50210-2001
裱糊工程报审、报验表
工程名称:中惠紫金城1#楼A段小户型精装修工程编号:
致:北京方圆工程监理有限公司西宁分公司(项目监理机构)
我方已完成十九至二十一层客厅、卧室背景墙壁纸工作,经自检合格,现将有关资料报上,请予以审查或验收。
附:□隐蔽工程质量检验资料
□检验批质量检验资料
□分项工程质量检验资料
□施工试验室证明资料
□危险性较大的分项工程质量安全检验资料
□其他
施工项目经理部(盖章)
项目经理或项目技术负责人(签字)
年月日
审查或验收意见:
项目监理机构(盖章)
专业监理工程师(签字)
年月日
注:本表一式二份,项目监理机构、施工单位各一份
裱糊工程检验批质量验收记录表
GB50210-2001
裱糊工程报审、报验表
工程名称:中惠紫金城1#楼A段小户型精装修工程编号:
致:北京方圆工程监理有限公司西宁分公司(项目监理机构)
我方已完成二十二至二十四层客厅、卧室背景墙壁纸工作,经自检合格,现将有关资料报上,请予以审查或验收。
附:□隐蔽工程质量检验资料
□检验批质量检验资料
□分项工程质量检验资料
□施工试验室证明资料
□危险性较大的分项工程质量安全检验资料
□其他
施工项目经理部(盖章)
项目经理或项目技术负责人(签字)
年月日
审查或验收意见:
项目监理机构(盖章)
专业监理工程师(签字)
年月日
注:本表一式二份,项目监理机构、施工单位各一份
裱糊工程检验批质量验收记录表
GB50210-2001
裱糊工程报审、报验表
工程名称:中惠紫金城1#楼A段小户型精装修工程编号:
致:北京方圆工程监理有限公司西宁分公司(项目监理机构)
我方已完成二十五至二十七层客厅、卧室背景墙壁纸工作,经自检合格,现将有关资料报上,请予以审查或验收。
附:□隐蔽工程质量检验资料
□检验批质量检验资料
□分项工程质量检验资料
□施工试验室证明资料
□危险性较大的分项工程质量安全检验资料
□其他
施工项目经理部(盖章)
项目经理或项目技术负责人(签字)
年月日
审查或验收意见:
项目监理机构(盖章)
专业监理工程师(签字)
年月日
注:本表一式二份,项目监理机构、施工单位各一份
裱糊工程检验批质量验收记录表
GB50210-2001
裱糊工程报审、报验表
工程名称:中惠紫金城1#楼A段小户型精装修工程编号:
致:北京方圆工程监理有限公司西宁分公司(项目监理机构)
我方已完成二十八至三十层客厅、卧室背景墙壁纸工作,经自检合格,现将有关资料报上,请予以审查或验收。
附:□隐蔽工程质量检验资料
□检验批质量检验资料
□分项工程质量检验资料
□施工试验室证明资料
□危险性较大的分项工程质量安全检验资料
□其他
施工项目经理部(盖章)
项目经理或项目技术负责人(签字)
年月日
审查或验收意见:
项目监理机构(盖章)
专业监理工程师(签字)
年月日
注:本表一式二份,项目监理机构、施工单位各一份
裱糊工程检验批质量验收记录表
GB50210-2001
裱糊工程报审、报验表
工程名称:中惠紫金城1#楼A段小户型精装修工程编号:
致:北京方圆工程监理有限公司西宁分公司(项目监理机构)
我方已完成三十一至三十三层客厅、卧室背景墙壁纸工作,经自检合格,现将有关资料报上,请予以审查或验收。
附:□隐蔽工程质量检验资料
□检验批质量检验资料
□分项工程质量检验资料
□施工试验室证明资料
□危险性较大的分项工程质量安全检验资料
□其他
施工项目经理部(盖章)
项目经理或项目技术负责人(签字)
年月日
审查或验收意见:
项目监理机构(盖章)
专业监理工程师(签字)
年月日
注:本表一式二份,项目监理机构、施工单位各一份
裱糊工程检验批质量验收记录表
GB50210-2001。