幕墙工程验收记录表
- 格式:doc
- 大小:55.07 KB
- 文档页数:2
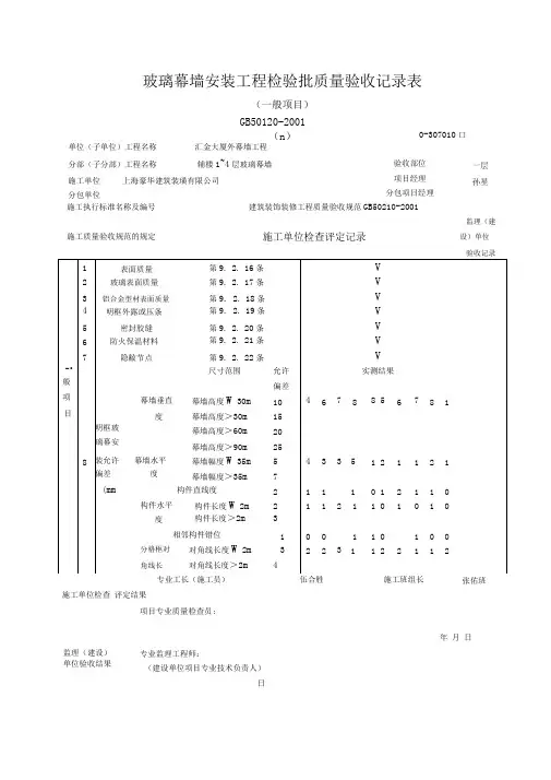
0-307010口单位(子单位)工程名称 汇金大厦外幕墙工程 分部(子分部)工程名称 辅楼1~4层玻璃幕墙年 月 日监理(建设) 单位验收结果玻璃幕墙安装工程检验批质量验收记录表(一般项目)GB50120-2001(n )建筑装饰装修工程质量验收规范 GB50210-2001施工单位检查 评定结果项目专业质量检查员:专业监理工程师:(建设单位项目专业技术负责人)日1表面质量 第9. 2. 16条V2玻璃表面质量第9. 2. 17条V3铝合金型材表面质量第9. 2. 18条V4 明框外露或压条第9. 2. 19条V5密封胶缝 第9. 2. 20条V6防火保温材料 第9. 2. 21条V7隐敝节点第9. 2. 22条V- • 尺寸范围允许实测结果般偏差项幕墙垂直幕墙高度W 30m 104 6 7 88 5 6 7 8 1目度幕墙高度>30m 15明框玻 幕墙高度>60m 20璃幕安幕墙高度>90m 258 装允许幕墙水平幕墙幅度W 35m 54 3 3 51 2 1 1 2 1偏差 度幕墙幅度>35m 7(mm构件直线度2 1 110 1 2 1 1 0构件水平构件长度W 2m 2 1 1 2 11 0 1 0 1 0度构件长度>2m3相邻构件错位1 0 011 01 0 0分格框对对角线长度W 2m 32 23 11 2 2 1 1 2角线长对角线长度>2m4专业工长(施工员)伍合胜施工班组长张佑班监理(建设)单位 验收记录施工单位 分包单位上海豪华建筑装璜有限公司验收部位 项目经理 分包项目经理一层 孙星施工执行标准名称及编号施工单位检查评定记录施工质量验收规范的规定0-307010口单位(子单位)工程名称 汇金大厦外幕墙工程 分部(子分部)工程名称辅楼1~4层玻璃幕墙年 月 日监理(建设) 单位验收结果玻璃幕墙安装工程检验批质量验收记录表(一般项目)GB50120-2001(n )建筑装饰装修工程质量验收规范 GB50210-2001施工单位检查 评定结果项目专业质量检查员:专业监理工程师:(建设单位项目专业技术负责人)1表面质量 第9. 2. 16条2玻璃表面质量第9. 2. 17条V3铝合金型材表面质量第9. 2. 18条V4明框外露或压条第9. 2. 19条V5密封胶缝 第9. 2. 20条V6防火保温材料 第9. 2. 21条V7隐敝节点第9. 2. 22条V- 尺寸范围允许实测结果般偏差项幕墙垂直幕墙高度W 30m 105 2 4 76 4 6 8 9 3目度幕墙高度>30m 15明框玻幕墙高度>60m 20璃幕安幕墙高度>90m258 装允许幕墙水平幕墙幅度W 35m 5 4 3 4 22 3 4 5 2 4偏差 度幕墙幅度>35m 7(mm构件直线度2 1 0 1 1 0 1 1 1 2 0构件水平构件长度W 2m 21 12 21 12 1 1 2度构件长度>2m3相邻构件错位1 1 1 0 1 0 1 0 1 0 1分格框对对角线长度W 2m 32 23 23 2 1 2 2 1角线长对角线长度>2m4专业工长(施工员)伍合胜施工班组长张佑班监理(建设)单位 验收记录施工单位分包单位上海豪华建筑装璜有限公司验收部位项目经理 分包项目经理二层 孙星施工执行标准名称及编号 施工单位检查评定记录施工质量验收规范的规定0-307010口单位(子单位)工程名称 项目专业质量检查员:年 月 日监理(建设) 单位验收结果玻璃幕墙安装工程检验批质量验收记录表建筑装饰装修工程质量验收规范 GB50210-2001施工单位检查 评定结果专业监理工程师:1表面质量 第9. 2. 16条V2 玻璃表面质量第9. 2. 17条 V3 铝合金型材表面质量第9. 2. 18条V4 明框外露或压条第9. 2. 19条V5密封胶缝 第9. 2. 20条V6防火保温材料 第9. 2. 21条V7隐敝节点第9. 2. 22条V- 尺寸范围允许实测结果般偏差项幕墙垂直幕墙高度W 30m 106 4 5 78 5 7 8 6 3目度幕墙高度>30m 15明框玻 幕墙高度>60m 20璃幕安幕墙高度>90m 258 装允许幕墙水平幕墙幅度W 35m 55 3 4 32 4 4 23 4偏差 度幕墙幅度>35m 7(mm构件直线度2 1 0 1 0 1 1 0 1 2 1构件水平构件长度W 2m 2 2 1 0 12 1 1 2 1 2度构件长度>2m3相邻构件错位1 0 1 0 1 0 11 0分格框对对角线长度W 2m 32 1 1 21 32 1 2 0角线长对角线长度>2m4专业工长(施工员)伍合胜施工班组长张佑班监理(建设)单位 验收记录分部(子分部)工程名称 施工单位分包单位(一般项目)GB50120-2001(n )汇金大厦外幕墙工程上海豪华建筑装璜有限公司验收部位 项目经理 分包项目经理三层 孙星施工执行标准名称及编号 施工单位检查评定记录施工质量验收规范的规定监理(建设) 单位验收结果玻璃幕墙安装工程检验批质量验收记录表施工单位检查 评定结果项目专业质量检查员:1表面质量 第9. 2. 16条V2 玻璃表面质量第9. 2. 17条 V3 铝合金型材表面质量第9. 2. 18条V4 明框外露或压条第9. 2. 19条V5密封胶缝 第9. 2. 20条V6防火保温材料 第9. 2. 21条 V7隐蔽节点第9. 2. 22条V- * 尺寸范围允许 实测结果般偏差项幕墙垂直幕墙高度W 30m 107 3 6 87 5 9 7 9 9目度幕墙高度>30m 15明框玻 幕墙高度>60m 20璃幕安幕墙高度>90m 258 装允许幕墙水平幕墙幅度W 35m 52 43 22 3 4 2 1 3偏差 度幕墙幅度>35m 7(mm构件直线度210 11 2 0构件水平构件长度W 2m 2 12 2 121 2度构件长度>2m3相邻构件错位1 111 00 1分格框对对角线长度W 2m 3 2 2 3 22 1 1 2 2 1角线长对角线长度>2m4专业工长(施工员)伍合胜施工班组长张佑班监理(建设)单位 验收记录单位(子单位)工程名称 分部(子分部)工程名称 施工单位 分包单位(一般项目)GB501202001(n )汇金大厦外幕墙工程0-307010口上海豪华建筑装璜有限公司施工执行标准名称及编号 验收部位 项目经理分包项目经理 建筑装饰装修工程质量验收规范 GB50210-2001四层 孙星施工单位检查评定记录施工质量验收规范的规定(建设单位项目专业技术负责人) 日专业监理工程师:(建设单位项目专业技术负责人)日。
目录建筑幕墙工程概况MQ1.1注:附施工组织设计、施工方案。
技术交底记录MQ1.4日期:设计交底(图纸会审)记录MQ1.5共页第页设计变更、洽商记录汇总MQ1.6注:设计变更洽商记录附后。
幕墙工程观感质量检查记录MQ1.7幕墙工程质量控制资料和主要功能检测报告检查表MQ1.8铝合金材料产品合格证书、性能检测报告汇总表MQ2.1.1技术负责人:质量检查员:幕墙用钢材及五金(衬垫)产品合格证书、性能检测报告汇总表MQ2.1.2技术负责人:质量检查员:幕墙预埋件(后置埋件)施工隐蔽验收记录MQ2.3.1构件连接节点隐蔽验收记录MQ2.3.5提示1 预埋件及幕墙连接的检验指标,应符合下列规定:(1)连接件、绝缘片、紧固件的规格、数量应符合设计要示。
(2)连接件应安装牢固。
螺栓应有防松脱措施。
(3)连接件的可调节构造应用螺栓牢固连接,并有防滑动措施。
角码调节范围应符合使用要求。
(4)连接件及预埋件之间的位置偏差使用钢板或型钢焊接调整时,构造形式及焊缝应符合设计要求。
(5)预埋件、连接件表面防腐层应完整、不破损。
2 检验预埋件及幕墙连接,应在预埋件及幕墙连接节点处观察,手动检查,并应采用分度值为1mm的钢直尺和焊缝量规测量。
3 锚栓连接的检验指标,应符合下列规定:(1)使用锚栓进行锚固连接时,锚栓的类型、规格、数量、布置位置和锚固深度必须符合设计和有关标准的规定。
(2)锚栓的埋设应牢固、可靠,不得露套管。
4 锚栓连接的检验,应采用下列方法:(1)用精度不大于全量程的2%的锚栓拉拔仪、分辨率为0.01mm的位移计和记录仪检验锚栓的锚固性能。
(2)观察检查锚栓埋设的外观质量,用分辨率为0.05mm的深度尺测量锚固深度。
5 幕墙顶部连接的检验指标,应符合下列规定:(1)女儿墙压顶坡度正确,罩板安装牢固,不松动、不渗漏、无空隙。
女儿墙内侧罩板深度不应小于150mm,罩板及女儿墙之间的缝隙应使用密封胶密封。
(2)密封胶注胶应严密平顺,粘结牢固,不渗漏,不污染相邻表面。
石材幕墙工程检验批质量验收记录表
(一般项目)
GB50210—2001
(二)
说明
(二)
030703
一般项目
1、石材幕墙表面应平整、洁净,无污梁、缺损和裂痕。
颜色和花纹应协调一致,无明显色差,无明显修痕。
观察检查。
2、石材幕墙的压条应平直、洁净、接口严密、安装牢固。
观察和手扳检查。
3、石材接缝应横平竖直、宽窄均匀;阴阳角石板压向应正确。
板边合缝应顺直;凸凹线出墙厚度应一致,上下口应平直;石材面板上洞口、槽边应套割吻合,边缘应整齐。
观察和尺量检查。
4、石材幕墙的密封胶缝应横平坚直、深浅一致、宽窄均匀、光滑顺直。
观察检查。
5、石材幕墙上的滴水线、流水坡向应正确、顺直。
观察和用水平尺检查。
6、每平方米石材的表面质量符合下面的规定:
7、石材幕墙安装的允许偏差的检查方式。
(1)幕墙垂直度用经纬仪检查。
(2)幕墙水平度用水平仪检查。
(3)板材立面垂直度用水平仪检查。
(4)板材上沿水平度用1m水平尺和钢直尺检查。
(5)相邻板材板角错位用钢直尺检查。
(6)幕墙表平整度用垂直检测尺检查。
(7)阳角方正用直角检测尺检查。
(8)接缝直线度拉5m线,不足5m拉通线,用钢直尺检查。
(9)接缝高低差用钢直尺和塞尺检查。
(10)接缝宽度用钢直尺检查。
玻璃幕墙(预安装)工程检验批质量验收记
录
项目基本信息
- 项目名称:玻璃幕墙(预安装)工程
- 工程地点:
- 工程编号:
- 检验批次号:
- 竣工日期:
验收目的和要求
- 验收目的:对玻璃幕墙(预安装)工程进行质量检验,确保工程质量符合相关规范和要求。
- 验收要求:根据相关规范和标准,对玻璃幕墙的设计、施工质量进行检查,记录并评定结果。
一、检验项目
二、检验过程和结果
在进行检验过程中,按照检验项目的要求,对玻璃幕墙进行了详细的检查,并记录了实测值。
1. 幕墙结构:经检查,幕墙结构符合设计要求,无明显变形或
破损,判定结果为合格。
2. 玻璃质量:对玻璃进行了检查,均无明显瑕疵,表面光洁度
符合要求,判定结果为合格。
3. 密封性能:通过水压试验,未发现渗漏现象,胶条密封紧密,判定结果为合格。
4. 固定件:对固定件进行了检查,均固定牢固,无松动现象,
判定结果为合格。
5. 合页及开启件:对合页和开启件进行了灵活性检查,均无卡
滞或断裂现象,判定结果为合格。
6. 外观质量:对外观进行了检查,表面光洁度符合要求,无划
痕或污垢,判定结果为合格。
三、结论和建议
根据以上检验过程和结果,玻璃幕墙(预安装)工程的检验批质量验收结果为合格。
同时,建议在后续维护过程中加强对玻璃幕墙的定期检查和维护,确保其持久的使用性能和外观质量。
四、验收人员签字及日期
- 验收单位:
- 验收人员:
- 日期:。
玻璃幕墙安装工程检验批质量验收记录项目概况- 项目名称:玻璃幕墙安装工程- 承包商:XXXXXXXX公司- 监理单位:XXXXXXXX公司- 检验单位:XXXXXXXX公司- 施工日期:XXXX年XX月XX日至XXXX年XX月XX日质量验收记录检验批次1- 检验日期:XXXX年XX月XX日- 检验人员:XXX- 安装工艺及材料合格情况:- 玻璃幕墙安装工艺符合设计要求。
- 使用的玻璃、铝合金及密封胶等材料质量合格。
- 安装质量验收结果:- 玻璃幕墙安装质量符合要求,无明显缺陷。
- 接头处密封胶固化良好,无渗漏。
检验批次2- 检验日期:XXXX年XX月XX日- 检验人员:XXX- 安装工艺及材料合格情况:- 玻璃幕墙安装工艺符合设计要求。
- 使用的玻璃、铝合金及密封胶等材料质量合格。
- 安装质量验收结果:- 玻璃幕墙安装质量符合要求,无明显缺陷。
- 接头处密封胶固化良好,无渗漏。
检验批次3- 检验日期:XXXX年XX月XX日- 检验人员:XXX- 安装工艺及材料合格情况:- 玻璃幕墙安装工艺符合设计要求。
- 使用的玻璃、铝合金及密封胶等材料质量合格。
- 安装质量验收结果:- 玻璃幕墙安装质量符合要求,无明显缺陷。
- 接头处密封胶固化良好,无渗漏。
结论根据对玻璃幕墙安装工程的质量验收记录分析,该工程的安装质量符合设计要求,技术指标达到了预期目标。
各检验批次均无明显缺陷和质量问题,适用于正常使用和运行。
建议承包商妥善保管施工记录和相关资料,并按照合同要求完成后续工作。
以上为玻璃幕墙安装工程检验批质量验收记录。
石材幕墙分项工程质量验收记录质控(建)表C.0.127工程名称泉州中骏•四季阳光房建工程结构类型框架-剪力墙检验批数 2施工单位中建三局第三建设工程有限责任公司项目类型房建项目技术负责人熊平分包单位福建省荣顺建设工程有限公司分包单位负责人陈荣聪分包项目经理庄振佳序号检验批部位、区、段施工单位检查评定结果监理(建设)单位验收结论11#楼一~三层1-15轴、1a-1~4轴、1a-A~ K轴外墙石材幕墙安装(麻面)√21#楼一~三层1-15轴、1a-1~4轴、1a-A~ K轴外墙石材幕墙安装(光面)√检查结论项目专业技术负责人:年月日验收结论监理工程师:(建设单位项目技术负责人)年月日石材幕墙分项工程质量验收记录质控(建)表C.0.127工程名称泉州中骏•四季阳光房建工程结构类型框架-剪力墙检验批数 2施工单位中建三局第三建设工程有限责任公司项目类型房建项目技术负责人熊平分包单位福建省荣顺建设工程有限公司分包单位负责人陈荣聪分包项目经理庄振佳序号检验批部位、区、段施工单位检查评定结果监理(建设)单位验收结论12#楼一~三层1-15轴、2a-1~ 4轴、2a-A~C轴外墙石材幕墙安装(麻面)√22#楼一~三层1-15轴、2a-1~ 4轴、2a-A~C轴外墙石材幕墙安装(光面)检查结论项目专业技术负责人:年月日验收结论监理工程师:(建设单位项目技术负责人)年月日石材幕墙分项工程质量验收记录质控(建)表C.0.127工程名称泉州中骏•四季阳光房建工程结构类型框架-剪力墙检验批数 2施工单位中建三局第三建设工程有限责任公司项目类型房建项目技术负责人熊平分包单位福建省荣顺建设工程有限公司分包单位负责人陈荣聪分包项目经理庄振佳序号检验批部位、区、段施工单位检查评定结果监理(建设)单位验收结论1 3#楼一~三层1-15轴、A-T轴外墙石材幕墙安装(麻面)√2 3#楼一~三层1-15轴、A-T轴外墙石材幕墙安装(光面)√检查结论项目专业技术负责人:年月日验收结论监理工程师:(建设单位项目技术负责人)年月日石材幕墙分项工程质量验收记录质控(建)表C.0.127工程名称泉州中骏•四季阳光房建工程结构类型框架-剪力墙检验批数 2施工单位中建三局第三建设工程有限责任公司项目类型房建项目技术负责人熊平分包单位福建省荣顺建设工程有限公司分包单位负责人陈荣聪分包项目经理庄振佳序号检验批部位、区、段施工单位检查评定结果监理(建设)单位验收结论1 4#楼一~三层4-1~15轴、4-A~ U轴、4a-1~13轴外墙石材幕墙安装(麻面)√2 4#楼一~三层4-1~15轴、4-A~ U 轴、4a-1~13轴外墙石材幕墙安装(光面)检查结论项目专业技术负责人:年月日验收结论监理工程师:(建设单位项目技术负责人)年月日石材幕墙分项工程质量验收记录质控(建)表C.0.127工程名称房建工程结构类型框架-剪力墙检验批数施工单位中建三局第三建设工程有限责任公司项目类型房建项目技术负责人熊平分包单位福建省荣顺建设工程有限公司分包单位负责人陈荣聪分包项目经理庄振佳序号检验批部位、区、段施工单位检查评定结果监理(建设)单位验收结论1 5#楼一~三层5-1~17轴、5a-1~4轴、5-A~ U轴、5b-A~B轴外墙石材幕墙安装(麻面)√2 5#楼一~三层5-1~17轴、5a-1~4轴、5-A~ U轴、5b-A~B轴外墙石材幕墙安装(光面)√检查结论项目专业技术负责人:年月日验收结论监理工程师:(建设单位项目技术负责人)年月日石材幕墙分项工程质量验收记录质控(建)表C.0.127工程名称房建工程结构类型框架-剪力墙检验批数施工单位中建三局第三建设工程有限责任公司项目类型房建项目技术负责人熊平分包单位福建省荣顺建设工程有限公司分包单位负责人陈荣聪分包项目经理庄振佳序号检验批部位、区、段施工单位检查评定结果监理(建设)单位验收结论1 6#楼一~三层6-1~16轴、6a-1~9轴外墙石材幕墙安装(麻面)√2 6#楼一~三层6-1~16轴、6a-1~9轴外墙石材幕墙安装(光面)√检查结论项目专业技术负责人:年月日验收结论监理工程师:(建设单位项目技术负责人)年月日石材幕墙分项工程质量验收记录质控(建)表C.0.127工程名称房建工程结构类型框架-剪力墙检验批数施工单位中建三局第三建设工程有限责任公司项目类型房建项目技术负责人熊平分包单位福建省荣顺建设工程有限公司分包单位负责人陈荣聪分包项目经理庄振佳序号检验批部位、区、段施工单位检查评定结果监理(建设)单位验收结论1 7#楼一~三层、屋顶层7-1~9轴、7-A~G轴外墙石材幕墙安装(麻面)√2 7#楼一~三层、屋顶层7-1~9轴、7-A~G轴外墙石材幕墙安装(光面)√检查结论项目专业技术负责人:年月日验收结论监理工程师:(建设单位项目技术负责人)年月日石材幕墙分项工程质量验收记录质控(建)表C.0.127工程名称房建工程结构类型框架检验批数施工单位中建三局第三建设工程有限责任公司项目类型房建项目技术负责人熊平分包单位福建省荣顺建设工程有限公司分包单位负责人陈荣聪分包项目经理庄振佳序号检验批部位、区、段施工单位检查评定结果监理(建设)单位验收结论1 8#楼一~二层、屋顶层1-9轴外墙石材幕墙安装(麻面)√2 8a#楼一~二层、屋顶层1-9轴外墙石材幕墙安装(麻面)√3 8b#楼一~二层、屋顶层1-8轴外墙石材幕墙安装(麻面)√4 8#楼一~二层、屋顶层1-9轴外墙石材幕墙安装(光面)√5 8a#楼一~二层、屋顶层1-9轴外墙石材幕墙安装(光面)√68b#楼一~二层、屋顶层1-8轴外墙石材幕墙安装(光面)√检查结论项目专业技术负责人:年月日验收结论监理工程师:(建设单位项目技术负责人)年月日石材幕墙分项工程质量验收记录质控(建)表C.0.127工程名称房建工程结构类型框架检验批数施工单位中建三局第三建设工程有限责任公司项目类型房建项目技术负责人熊平分包单位福建省荣顺建设工程有限公司分包单位负责人陈荣聪分包项目经理庄振佳序号检验批部位、区、段施工单位检查评定结果监理(建设)单位验收结论1 10#楼一~二层、屋顶层1-4轴、A-E轴外墙石材幕墙安装(麻面)√2 10#楼一~二层、屋顶层1-4轴、A-E轴外墙石材幕墙安装(光面)√检查结论项目专业技术负责人:年月日验收结论监理工程师:(建设单位项目技术负责人)年月日石材幕墙分项工程质量验收记录质控(建)表C.0.127工程名称房建工程结构类型框架检验批数施工单位中建三局第三建设工程有限责任公司项目类型房建项目技术负责人熊平分包单位福建省荣顺建设工程有限公司分包单位负责人陈荣聪分包项目经理庄振佳序号检验批部位、区、段施工单位检查评定结果监理(建设)单位验收结论1 11#楼一~二层1-7轴、A-C轴外墙石材幕墙安装(麻面)√2 11#楼一~二层1-7轴、A-C轴外墙石材幕墙安装(光面)√检查结论项目专业技术负责人:年月日验收结论监理工程师:(建设单位项目技术负责人)年月日铝塑板金属幕墙分项工程质量验收记录质控(建)表C.0.127工程名称房建工程结构类型框架-剪力墙检验批数施工单位中建三局第三建设工程有限责任公司项目类型房建项目技术负责人熊平分包单位福建省荣顺建设工程有限公司分包单位负责人陈荣聪分包项目经理庄振佳序号检验批部位、区、段施工单位检查评定结果监理(建设)单位验收结论1 1#楼一~三层1-15轴、1a-1~4轴、1a-A~ K轴外墙铝塑板金属幕墙安装√检查结论项目专业技术负责人:年月日验收结论监理工程师:(建设单位项目技术负责人)年月日金属幕墙分项工程质量验收记录质控(建)表C.0.127工程名称房建工程结构类型框架-剪力墙检验批数施工单位中建三局第三建设工程有限责任公司项目类型房建项目技术负责人熊平分包单位福建省荣顺建设工程有限公司分包单位负责人陈荣聪分包项目经理庄振佳序号检验批部位、区、段施工单位检查评定结果监理(建设)单位验收结论1 2#楼一~三层1-15轴、2a-1~ 4轴、2a-A~C轴外墙铝塑板金属幕墙安装√检查结论项目专业技术负责人:年月日验收结论监理工程师:(建设单位项目技术负责人)年月日金属幕墙分项工程质量验收记录质控(建)表C.0.127工程名称房建工程结构类型框架-剪力墙检验批数施工单位中建三局第三建设工程有限责任公司项目类型房建项目技术负责人熊平分包单位福建省荣顺建设工程有限公司分包单位负责人陈荣聪分包项目经理庄振佳序号检验批部位、区、段施工单位检查评定结果监理(建设)单位验收结论1 3#楼一~三层1-15轴、A-T轴外墙铝塑板金属幕墙安装√检查结论项目专业技术负责人:年月日验收结论监理工程师:(建设单位项目技术负责人)年月日金属幕墙分项工程质量验收记录质控(建)表C.0.127工程名称房建工程结构类型框架-剪力墙检验批数施工单位中建三局第三建设工程有限责任公司项目类型房建项目技术负责人熊平分包单位福建省荣顺建设工程有限公司分包单位负责人陈荣聪分包项目经理庄振佳序号检验批部位、区、段施工单位检查评定结果监理(建设)单位验收结论14#楼一~三层4-1~15轴、4-A~ U轴、4a-1~13轴外墙铝塑板金属幕墙安装√检查结论项目专业技术负责人:年月日验收结论监理工程师:(建设单位项目技术负责人)年月日金属幕墙分项工程质量验收记录质控(建)表C.0.127工程名称房建工程结构类型框架-剪力墙检验批数施工单位中建三局第三建设工程有限责任公司项目类型房建项目技术负责人熊平分包单位福建省荣顺建设工程有限公司分包单位负责人陈荣聪分包项目经理庄振佳序号检验批部位、区、段施工单位检查评定结果监理(建设)单位验收结论15#楼一~三层5-1~17轴、5a-1~4轴、5-A~ U轴、5b-A~B轴外墙铝塑板金属幕墙安装√检查结论项目专业技术负责人:年月日验收结论监理工程师:(建设单位项目技术负责人)年月日金属幕墙分项工程质量验收记录质控(建)表C.0.127工程名称房建工程结构类型框架-剪力墙检验批数施工单位中建三局第三建设工程有限责任公司项目类型房建项目技术负责人熊平分包单位福建省荣顺建设工程有限公司分包单位负责人陈荣聪分包项目经理庄振佳序号检验批部位、区、段施工单位检查评定结果监理(建设)单位验收结论1 6#楼一~三层6-1~16轴、6a-1~9轴外墙铝塑板金属幕墙安装√检查结论项目专业技术负责人:年月日验收结论监理工程师:(建设单位项目技术负责人)年月日金属幕墙分项工程质量验收记录质控(建)表C.0.127工程名称房建工程结构类型框架-剪力墙检验批数施工单位中建三局第三建设工程有限责任公司项目类型房建项目技术负责人熊平分包单位福建省荣顺建设工程有限公司分包单位负责人陈荣聪分包项目经理庄振佳序号检验批部位、区、段施工单位检查评定结果监理(建设)单位验收结论17#楼一~三层、屋顶层7-1~9轴、7-A~G轴外墙铝塑板金属幕墙安装√检查结论项目专业技术负责人:年月日验收结论监理工程师:(建设单位项目技术负责人)年月日金属幕墙分项工程质量验收记录质控(建)表C.0.127工程名称房建工程结构类型框架检验批数施工单位中建三局第三建设工程有限责任公司项目类型房建项目技术负责人熊平分包单位福建省荣顺建设工程有限公司分包单位负责人陈荣聪分包项目经理庄振佳序号检验批部位、区、段施工单位检查评定结果监理(建设)单位验收结论1 8#楼一~二层、屋顶层1-9轴外墙铝塑板金属幕墙安装√2 8a#楼一~二层、屋顶层1-9轴外墙铝塑板金属幕墙安装3 8b#楼一~二层、屋顶层1-8轴外墙铝塑板金属幕墙安装检查结论项目专业技术负责人:年月日验收结论监理工程师:(建设单位项目技术负责人)年月日金属幕墙分项工程质量验收记录质控(建)表C.0.127工程名称房建工程结构类型框架检验批数施工单位中建三局第三建设工程有限责任公司项目类型房建项目技术负责人熊平分包单位福建省荣顺建设工程有限公司分包单位负责人陈荣聪分包项目经理庄振佳序号检验批部位、区、段施工单位检查评定结果监理(建设)单位验收结论1 10#楼一~二层、屋顶层1-4轴、A-E轴外墙铝塑板金属幕墙安装√检查结论项目专业技术负责人:年月日验收结论监理工程师:(建设单位项目技术负责人)年月日金属幕墙分项工程质量验收记录质控(建)表C.0.127工程名称房建工程结构类型框架检验批数施工单位中建三局第三建设工程有限责任公司项目类型房建项目技术负责人熊平分包单位福建省荣顺建设工程有限公司分包单位负责人陈荣聪分包项目经理庄振佳序号检验批部位、区、段施工单位检查评定结果监理(建设)单位验收结论1 11#楼一~二层1-7轴、A-C轴外墙铝塑板金属幕墙安装√检查结论项目专业技术负责人:年月日验收结论监理工程师:(建设单位项目技术负责人)年月日。
玻璃幕墙工程检验批质量验收记录表
(一般项目)
GB50210—2001
说 明
(Ⅱ)
一般项目:
1、玻璃幕墙表面应平整、洁净;整幅玻璃的色泽应均匀一致;不得有污染和镀膜损坏。
观察检查。
2、每平方米玻璃的表面质量符合表9.2..17的规定。
3、一个分格铝合金型材的表面质量和检验方法应符合表9.2.18的规定。
表9.2.17每平方米玻璃的表面质量和检验方法 表9.2.18一个分格铝合金型材的表面质量和检验方法
4、明框玻璃幕墙的外露框或压条应横平竖直,颜色、规格应符合设计要求,压条安装应牢固。
单无玻璃幕墙的单元拼缝或隐框玻璃幕墙的分格玻璃拼缝应横平竖直、均匀一致。
观察和手扳检查;检查进场验收记录。
5、玻璃幕墙的密封胶缝应横平竖直、深浅一致、宽窄均匀、光滑顺直。
观察和手摸检查。
6、防火、保温材料填充应饱满、均匀、表面应密实、平整。
检查隐蔽工程验收记录。
7、玻璃幕墙隐蔽节点的遮封装修应牢固、整齐、美观。
观察和手板检查。
8、明框玻璃幕墙安装的允许偏差。
经纬仪、水准仪、拉线和尺量检查。
9。
目录01、建筑幕墙工程概况┅┅┅┅┅┅┅┅┅┅┅┅┅┅┅┅┅┅┅┅┅┅┅┅┅02、建筑幕墙施工组织设计、施工方案及审批┅┅┅┅┅┅┅┅┅┅┅┅┅┅┅03、技术交底记录┅┅┅┅┅┅┅┅┅┅┅┅┅┅┅┅┅┅┅┅┅┅┅┅┅┅┅04、设计交底(图纸会审)记录┅┅┅┅┅┅┅┅┅┅┅┅┅┅┅┅┅┅┅┅┅05、设计变更、洽商记录汇总┅┅┅┅┅┅┅┅┅┅┅┅┅┅┅┅┅┅┅┅┅┅06、幕墙工程观感质量检查记录┅┅┅┅┅┅┅┅┅┅┅┅┅┅┅┅┅┅┅┅┅07、幕墙工程质量控制资料和主要功能检测报告检查表┅┅┅┅┅┅┅┅┅┅┅08、铝合金材料产品合格证书、性能检测报告汇总表┅┅┅┅┅┅┅┅┅┅┅┅09、幕墙用钢材及五金(衬垫)产品合格证书、性能检测报告汇总表┅┅┅┅┅10、幕墙板材(玻璃、金属板、石材)合格证书、性能检测报告汇总表┅┅┅┅11、保温、防火材料合格证书、性能检测报告汇总表┅┅┅┅┅┅┅┅┅┅┅┅12、幕墙用硅酮胶质量证明书及性能检测报告汇总表┅┅┅┅┅┅┅┅┅┅┅┅13、幕墙预埋件(后置埋件)施工隐蔽验收记录┅┅┅┅┅┅┅┅┅┅┅┅┅┅14、构件连接节点隐蔽验收记录┅┅┅┅┅┅┅┅┅┅┅┅┅┅┅┅┅┅┅┅┅15、幕墙变形缝及墙面转角处的节点构造隐蔽验收记录┅┅┅┅┅┅┅┅┅┅┅16、幕墙防火构造隐蔽验收记录┅┅┅┅┅┅┅┅┅┅┅┅┅┅┅┅┅┅┅┅┅17、幕墙防雷装置隐蔽验收记录┅┅┅┅┅┅┅┅┅┅┅┅┅┅┅┅┅┅┅┅┅18、幕墙子分部工程质量验收记录┅┅┅┅┅┅┅┅┅┅┅┅┅┅┅┅┅┅┅┅19、玻璃幕墙分项工程质量验收记录┅┅┅┅┅┅┅┅┅┅┅┅┅┅┅┅┅┅┅20、明框玻璃幕墙分项工程检验批质量验收记录┅┅┅┅┅┅┅┅┅┅┅┅┅┅21、隐框、半隐框玻璃幕墙分项工程检验批质量验收记录┅┅┅┅┅┅┅┅┅┅22、金属幕墙分项工程质量验收记录┅┅┅┅┅┅┅┅┅┅┅┅┅┅┅┅┅┅┅23、金属幕墙分项工程检验批质量验收记录┅┅┅┅┅┅┅┅┅┅┅┅┅┅┅┅24、石材幕墙分项工程质量验收记录┅┅┅┅┅┅┅┅┅┅┅┅┅┅┅┅┅┅┅25、石材幕墙分项工程检验批质量验收记录┅┅┅┅┅┅┅┅┅┅┅┅┅┅┅┅26、幕墙接地电阻测试记录┅┅┅┅┅┅┅┅┅┅┅┅┅┅┅┅┅┅┅┅┅┅┅27、打胶养护环境的温度、湿度记录28、单项(安装、装修、幕墙)工程质量验收报告注:附施工组织设计、施工方案。
1234567891011验收部位项目经理施工
专业工长(施工员)
施工单位检查评定记录第9.3.8条第9.3.9条第9.3.10条
项目专业质量检查员:
第9.3.11条第9.3.12条
第9.3.2条第9.3.3条第9.3.4条第9.3.5条第9.3.6条
第9.3.7条材料、配件质量造型和立面分格分包项目经理施工质量验收规范的规定
主
控
项
目连接节点板缝注胶防水施工单位检查评定结果
监理(建设)单位验收结论金属面板质量预埋件、后置件立柱与预埋件与横梁连接,面板
安装防火、保温、防潮材料框架及连接件防腐防雷装置金属幕墙工程检验批质量验收记录表
(主控项目)
GB50210-2001
(一)
单位(子单位)工程名称
分部(子分部)工程名称
施工单位
分包单位
施工执行标准名称及编号
监理(建设)单位验收结论
专业监理工程师
(建设单位项目专业技术负责人):
监理(建设)单位验收
记录
030702 年 月 日收部位目经理施工班组长
录目经理
年 月 日。
幕墙工程施工质量竣工验收资料全套表格(DOC) 导言幕墙工程是现代建筑中一个非常重要的部分,幕墙的安装和施工质量对建筑的质量和安全有着非常重要的影响。
在进行幕墙工程竣工验收时,需要提供一系列的资料和表格,记录施工过程和施工质量的情况,确保工程的质量。
下面将介绍幕墙工程竣工验收资料的全套表格(DOC),详细记录了幕墙工程施工质量的情况。
表格列表以下是幕墙工程竣工验收资料的全套表格(DOC)的列表:一、幕墙工程施工材料清单表此表格主要记录了施工过程中使用的所有幕墙材料的名称、规格、数量、单价、总价等信息。
二、幕墙工程施工图纸签收验收表此表格主要记录了监理工程师或业主代表对幕墙工程施工图纸的签收和验收情况,确保幕墙工程的施工图纸符合规范。
三、幕墙工程施工实施记录表此表格主要记录了施工过程中的关键节点和关键技术操作的名称、日期、施工单位、监理单位和业主代表的签字确认。
四、幕墙构架制作、安装质量验收表此表格主要记录了幕墙构架的制作、安装质量的验收情况,包括检查构架的接头、角度、表面平整程度等情况。
五、幕墙玻璃制作、安装质量验收表此表格主要记录了幕墙玻璃的制作、安装质量的验收情况,包括检查玻璃的规格、平整度、颜色、表面损坏等情况。
六、幕墙 sealing 材料安装验收表此表格主要记录了幕墙 sealing 材料的安装质量的验收情况,包括检查 sealing材料的密封、耐候性等性质。
七、幕墙保温、隔热材料安装质量验收表此表格主要记录了幕墙保温、隔热材料的安装质量的验收情况,包括检查材料的厚度、夹层、性能等情况。
八、幕墙表面处理、涂料抹平度检查记录表此表格主要记录了幕墙表面的处理和涂料的抹平度的检查情况,确保幕墙表面的平整度和美观度。
九、幕墙工程竣工验收报告此表格是幕墙工程竣工验收的核心报告,包括工程规模、施工过程、质量情况、验收结果等。
该报告是验收的最终,需要由监理单位或业主代表签字确认。
以上是幕墙工程施工质量竣工验收资料全套表格(DOC)的介绍。