先张法空心板预制技术交底
- 格式:doc
- 大小:44.00 KB
- 文档页数:6
01-3级先张法预制空心板施工技术交底一、施工前准备1.1 材料确认与预验收在施工前,必须对所需使用的材料进行确认和预验收。
在进行确认和验收时,应该注意以下几点:•空心板材料完好无损,表面光滑,没有裂缝等瑕疵;•预制板的材质符合要求,例如强度、密度等;•空心板的内部结构应无明显缺陷、裂纹;•施工涉及的其他材料,例如胶水、固定卡具、燃气切割设备等,均应符合要求。
1.2 测量与标志在施工前,需要进行空心板的测量和标志。
具体要求如下:•使用激光仪、水平仪、尺子等工具测量空心板的长、宽、厚度等参数,并记录下来;•在空心板的表面标注好准确的切割线。
二、施工步骤2.1 加工在加工过程中,需要按照下面的流程进行:1.到预制芯板加工车间领取制造的预制芯板;2.按照设计图纸把芯板切成需要的大小,并且把需要的洞口预留出来;3.将芯板拍平接好,并进行定型;4.确认好加工的尺寸和要求。
2.2 烧焊与确认在烧焊前,必须进行满足以下标准的费率确认:•初次确认(率差不大于 0.15);•二次确认(率差不大于 0.1);•小次确认(率差不大于 0.05)。
在烧焊过程中,必须严格遵守以下要求:•合理设置烧焊温度和时间;•保持空心板与热融合区充分接触;•测量烧焊接缝率差,确保符合标准。
2.3 钻孔在进行钻孔时,需要注意以下几个细节:•空心板钻孔准确无误,尽可能避免钻孔过大;•空心板边缘钻孔距离边缘 5mm 以上;•空心板洞口应垂直板面,无畸变。
2.4 安装胶水和卡具在安装胶水和卡具时,需要注意以下几个事项:•特别是在气温低的时候,一定要保证场地温度达到 10 ℃;•必须按照标准配比调配胶水;•卡具拍实稳固,确保空心板不会发生位移。
2.5 切割与焊接在切割和焊接时,必须注意以下细节:•空心板切割线必须按照标准要求进行实施;•空心板表面不得留有紫红焊痕;•施焊线必须与钻孔线垂直。
三、施工要点空心板施工的关键部分必须保证品质,以确保施工完成后能够达到设计要求和标准。
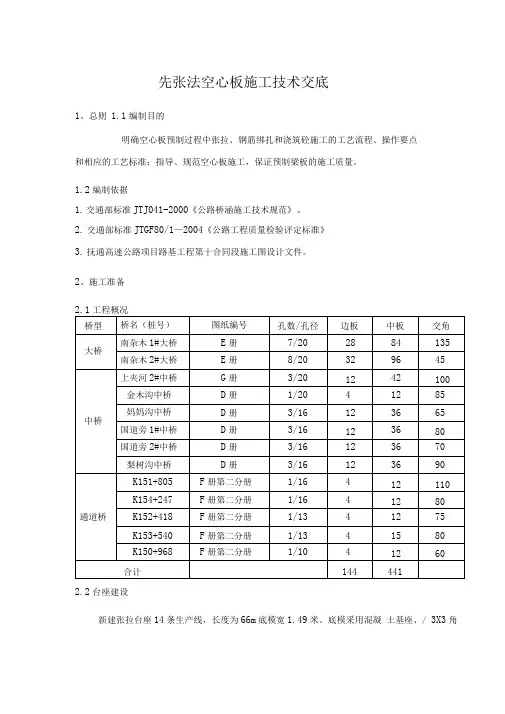
先张法空心板施工技术交底1、总则1.1编制目的明确空心板预制过程中张拉、钢筋绑扎和浇筑砼施工的工艺流程、操作要点和相应的工艺标准;指导、规范空心板施工,保证预制梁板的施工质量。
1.2编制依据1.交通部标准JTJ041-2000《公路桥涵施工技术规范》。
2.交通部标准JTGF80/1—2004《公路工程质量检验评定标准》3.抚通高速公路项目路基工程第十合同段施工图设计文件。
2、施工准备2.1工程概况2.2台座建设新建张拉台座14条生产线,长度为66m底模宽1.49米。
底模采用混凝土基座、/ 3X3角铁做框架,上铺8mn钢板。
施工前清除模板上的杂物,打磨除锈,并涂刷脱模剂。
为保证模板不漏浆在台座上设置胶皮管。
2.3模板模板采用厂制定型钢模,施工中封头模板与侧模用螺栓连接,保证了梁板预制长度的准确性,芯模采用抽拉式钢模。
3、施工步骤及控制要点先张法预应力空心板施工流程3.1台座清理台座清理干净,底模刷脱模剂,刷脱模剂时要做到均匀、无遗漏、不成滩。
为防止不被污染,底板用塑料薄膜覆盖;钢筋绑扎后合模前将板底覆盖的塑料薄膜清除。
3.2钢绞线施工321穿钢绞线按照图纸对钢绞线进行编号,并用红油漆将编号写在两端钢横梁的限位板上,便于以后快速施工。
钢绞线在拆笼时注意安全,用铁笼子将成捆钢绞线罩住,防止弹出伤人。
穿钢绞线时从左到右依次穿过限位孔,防止交叉穿线影响施工速度,并设计要求穿入塑料管和螺旋筋,锚固端预留20cm,张拉端预留120cm量好后使用无齿锯进行切割,切割时注意安全。
3.2.2初拉钢绞线张拉时采用YCW250K型千斤顶进行单根张拉,张拉前要仔细检查张拉机、油顶和油表的性能。
安装卡片时必须逐一检查工具卡片的齿槽,及时替换损坏的卡片;清除锚具里的杂物,刷去油污。
初拉前一定要将卡片打紧,防止张拉时出现卡片飞出断束事故。
张拉时看清油表编号,张拉时表的实际读数要与规定值一致。
初始张拉力控制为15%勺张拉应力,将预应力筋拉直,在钢绞线与张拉端工具卡片处用红油漆画上标记,作为测量延伸量的基点。
先张空心板施工技术交底K6+330和K14+956为先张法施工预应力空心板。
板长为16m、20m二种规格,按线路交叉不同交角,空心板在预制施工过程中要认真核对桥位和角度,以免出现错误,造成不必要的损失。
空心板混凝土设计强度为C40。
预应力筋采用低松弛φ,强度等级为1860钢绞线,设计张拉控制应力为75%。
一、施加预应力和放张使用预应力钢绞线应按批量经检验合格的,按检验合格的钢绞线弹性模量计算伸长值。
预应力筋下料按台座实际工作长度和设计长度计算下料长度。
张拉前将失效管穿入钢绞线内,张拉后按设计尺寸位置,将失效管固定封严,钢绞线张拉采用双控,应力控制和伸长值控制。
实际伸长值与理论伸长值的差值应控制在6%以内,否则应停止张拉,待查明原因并采取措施予以调整后方可继续张拉。
张拉采用单根张拉,张拉程序为0→初应力(10%—15%)→σcom(设计应力持荷2min锚固),张拉设备应有专人使用和管理,并应定期维护和校验。
千斤顶和压力表应配套校验使用,在经主管部门授权的法定计量技术机构定期进行校验,张拉两端要设安全墙与防护网,槽内在支撑梁上设防护钢筋防止张拉过程失锚伤人,操作人员要站在千斤顶两侧,带好安全帽和一些防护设施,做好安全生产和文明施工。
预制空心板必须待混凝土强度达到设计强度100%,且混凝土的龄期达到10天后方可分批放松预应力钢绞线。
放张预应力钢绞线应对称,均匀,分次完成,不要骤然放松。
才能进行预应力筋的放张施工,放张采用两台200t千斤顶同时放张,放张要缓慢进行,放张后将钢绞线下漏浆和多余混凝土清齐,用砂轮锯在板根部切断钢绞线,严禁用电焊枪烧切。
切割时先切长束,依次类推,对称切割。
并用防锈漆或铅油涂刷防止生锈,以上为张拉与放张工艺要求。
二、钢筋制安进场钢筋必须符合国家和设计要求的相应规格与标准,进场钢筋必须按不同等级、牌号、规格,及生产厂家分批验收,分别堆放,并且设立识别标志。
存放时应垫高并加遮盖,进场钢筋应具有出厂质量证明书和试验报告单,并按规定批次抽取试样做力学性能试验,检验合格后方可用于本工程,不合格材料清除出场。
施工技术交底记录项目名称:长深高速高青至广饶段工程编号:EJJSJD- 施工单位:山东省路桥集团有限公司交底级别:二级一、设计要求预制空心板采用C50混凝土,预应力采用先张法进行施工,预制空心板预应力钢筋必须待混凝土强度达到设计混凝土强度等级的85%后,且混凝土龄期不小于7d时,方可放张。
在条件具备时适当增加龄期,提高混凝土弹性模量,减少反拱度。
预制空心板预应力钢筋张拉采用一端张拉,预应力钢筋张拉控制应力为0.70fpk=1302MPa。
二、施工准备(一)技术准备1、组织技术人员对设计图纸进行复核,熟悉设计文件,并对施工队伍进行技术交底和安全交底。
2、试验准备13m预制空心板采用C50混凝土,配合比采用监理工程师批准的配比,水泥:砂:碎石:水:掺和料:外加剂=450kg:713kg:1027kg:160kg:50kg:6.0kg,设计坍落度为140~180mm。
首件13m预制空心板施工前,对水泥、碎石、钢筋、钢绞线等原材料相关指标进行了试验检测,并报试验监理工程师审批,其原材料各项指标符合规范及设计要求。
张拉使用锚具、夹片等张拉设备及材料委托第三方检测中心进行相关试验检测,检测结果均为合格。
(三)现场准备1、施工供水在每个拌和站设置蓄水罐,并用PVC管将水引致各台座,以用作预制梁板的养护用水。
拌和站用水已通过试验检测、化验,各项指标满足要求,可以使用。
生活用水采用当地自来水公司供水,接入自来水管。
2、施工用电施工及生活用电均采用国家电网,通过与电力部门联系,由现有高压线路接入变压器,供应预制场施工、生活用电。
3、施工便道场区内施工便道布置在预制场内,采用C20混凝土铺筑,厚度20cm,宽5米,满足现场施工需求;运板便道采用C20混凝土浇筑,厚20cm,宽10米。
各预制场根据现场实际布置情况,合理设置便道尺寸,确保通行尤其是运板顺畅。
4、预制场内排水本预制场的施工用水主要是混凝土养护用水,清洗施工设备用水。
A30高速公路(界河〜外环线)工程五标先张法空心板梁生产技术交底上海A30 高速公路(浦东段)第五标段先张法空心板板梁生产技术交底一、工程概况A30五标段为沪崇苏立交工程,位于上海市浦东新区内,上部结构分为预应力砼空心板采用C40或C50钢筋混凝土。
预应力钢束采用①xxxx绞线,空心板采用先张法施工。
二、交底依据1、《公路桥涵施工技术规范》JTJ041-20xx2、《公路工程质量检验评总标准》JTJ071-98 及有关部门标准规范3、上海市公路处《公路工程质量竣工资料表示汇编》4、钢绞线技术标准( GB/T5224-19xx)5、锚具夹具技术标准( GB/T14370-20xx)三、总体目标创“优良工程”“精品工程”,确保无质量事故发生,争取市政金奖。
四、质量控制( 一) 底模与台座1、底模要有足够的承载力且表层宜铺设5mm钢板,表面平整光洁,平整度w 1mm2、承力台座须具有足够的强度和刚度,其抗倾覆安全系数应不小于 1.5,抗滑移系数应不小于1.3。
3、横梁须有足够的刚度,受力后挠度应不大于 2 mm。
4、在台座上铺放预应力筋时,应采取措施防止沾污预应力筋。
5、张拉前,应对台座、横梁及各项张拉设备进行详细检查,符合要求后方可进行操作。
( 二) 模板制作与安装所有设计和施工的模板、支架,必须具有足够的强度、刚度和稳定性,能可靠的承受施工过程中可能产生的各种荷载,保证结构物各部分形状、尺寸准确,表面光洁。
1、模板的设计制作及安装1)承包人在模板制作开工前不少于14天,应向监理工程师提交设计的复印件请求批准。
2)钢模板的设计和施工应符合GBJ214-82钢模板技术规范规定。
3)模板与混凝土接触的表面应平整、光滑、不漏浆,重复使用的模板应始终保持其表面平整、形状准确,不漏浆,有足够的强度、刚度。
4)模板安装完毕后,应对其平面位置倾斜度、顶面标高,节点联系及纵横向稳定进行全面检查,并经监理工程师认可后方能浇筑混凝土。
空心板及预制台座施工技术交底-、先张法预应力空心板预制本标段共有先张法预应力空心板573片,采用长线台座法预制。
预制场内设有制梁台座、存梁场、混凝土搅拌站等主要设施。
用龙门吊进行拆立模板、吊装钢筋骨架、灌筑混凝土及移存梁等作业。
反拱度10米板是15MM、16米板是13MM、20米板18MM。
1、张拉台制作张拉台支撑横梁应具有足够的强度、刚度和稳定性,不致使支撑横梁承受全部预应力筋的拉力时台座变形、倾覆和滑移而引起的预应力损失。
2、模板工程模板采用定型钢模,以保证构件表面的平整、光滑。
模板支立做到牢固、缝隙严密。
钢模使用前进行清理,无锈蚀,颜色一致。
模板内均匀涂刷隔离剂,同时要防止把隔离剂涂刷在钢筋和钢绞线上,降低其握裹力。
端模与侧模用螺栓锁死方式,防端模漏浆及锐角端破损。
预应力空心板中方孔空心采用钢模成孔。
3、预应力筋张拉1)锚具安装先安装张拉端锚具,拉直钢绞线,再安装另一端张拉端锚具,然后将两端的锚销扣紧。
安装时,由专人操作,严格检查锚具,锚具型号须符合要求。
2)安装千斤顶千斤顶在使用前进行顶和表的配套检验,每台千斤顶均须有油泵校核曲线。
将千斤顶放在承重箱内,安装就位,千斤顶安装位置确保其作用线与工字钢抗压柱的受力方向一致。
3)张拉:先张法预应力钢绞线张拉采用单根对称张拉方法施工。
施工前检查安放好的千斤顶的配套器具各个部件是否齐全,是否符合标准。
启动油泵进行初张拉。
对千斤顶的张拉缸进行注油张拉,初张拉控制应力为10%oCON。
张拉到20%测伸长值,张拉前在钢绞线上划标记作为原始记录点。
张拉到105%。
CON时持荷2min退回,再张拉到100%oCON。
张拉达到控制应力后,顶销锚固,卸荷。
与此同时,对比钢绞线的伸长值与理论计算值,两者之差不超过土6%,最后锚固。
预应力钢绞线的张拉的顺序应不致使台座承受过大的偏心力。
钢筋在梁端考虑失效段,用塑料包裹预应力钢绞线。
预应力采用张拉力和伸长值双控张拉施工。
空心板技术交底1.工程概况沈阳绕城高速公路改扩建工程路面综合二合同段起止桩号为K21+500-K28+500,其中为先张法预应力空心板桥梁共计5座。
具体统计如下表:预应力先张法空心板工程量统计第二章施工方案2.1施工现场布置根据施工需要, 预制场设在项目部内,材料库、材料堆放场、钢筋作业场、混凝土拌合站、均设在预制场处。
施工、生活用水:当地打水井,水质检验合格后,供生活及施工用。
施工、生活用电:施工现场架设变压器,从当地村庄接引动力电供施工及生活用,并配备两台发电机。
预制场窑底布设见(预制场布置图),预制场设立两座水泥混凝土拌和站HZS50型。
场内料场整体硬化,便道用水泥混凝土铺垫,保证施工通车及现场清洁。
2.2、张拉台座、底模、侧模及张拉横梁施工2.2.1、台座的施工:首先按照《预制场平面布置图》测设出台座压杆、基础、枕梁及张拉工作台的位置,然后挖基、抄平绑扎钢筋,预埋压杆端部钢垫板,保证其位置正确,经检查合格后严格按操作规程,支立压杆模板,合格后浇筑砼基础(C15)及压杆砼(C25),按正确位置预埋压杆端头钢垫板和放张用的滑道。
压杆两端分别设置两座基础,中部设置两座基础,可视其固结。
张拉台座采用压杆式台座。
压杆为钢筋混凝土结构,横梁由工字钢、钢管、铁板焊接而成。
张拉台座压杆及钢横梁要经设计计算,具有足够的强度和刚度。
压杆砼达到设计强度后方可进行张拉作业,每座台座首次张拉前对压杆、钢横梁等进行全面检查,首次张拉后静放24小时以观察设备性能。
张拉台座应平整、光滑,反力横梁应保证必要的刚度和稳定性,避免受力后产生变形或翘曲;受力后挠度不应大于2mm。
2.2.2、底模施工按底模底面标高平整夯实底模基础,浇筑底模基层砼,顶面进行抹平,待基层砼达到要求强度后,放测出底模中轴线及底模位置,铺设底模木框架,中间浇筑C25砼。
浇筑砼时,严格控制底模顶面标高,底模顶面要求抹平压光,以保证底模水平。
待砼强度达到要求的50%后,铺8mm厚钢板,并检查底模顶面标高,符合要求后投入使用。
1、物体打击控制措施1)高处作业人员应严格控制所使用工具的使用和存放,使其不至于坠落。
2)涉及上下作业时,应有安全人员实施监督施工。
3)龙门吊操作①龙门吊应有专人开车,司机应经过专业培训,熟悉本机的结构特点和操作方法,并经考试合格后发给合格证书,才允许开车,严禁非司机开车。
②司机工作时,只听地面上专门人员指挥(并且只能有1人指挥),但是无论什么人发出停车信号时均应停车,查明情况再开车。
③每日每次开车前,必须检查所有机械和电器设备是否良好,操作系统是否灵活,并按规定对设备进行保养和润滑。
④每班第一次吊运物品以使吊运接近额定负荷的物品时,司机应先将重物起重至不超过0.5m高度,然后下降到接近地面时制动,禁止超负荷使用,禁止倾斜吊运物品。
⑤龙门吊吊运物品时,应鸣铃让人躲开或绕开,禁止从人头顶通过,开车前必须发出开车警告信号,禁止人随物品一起升降。
2、触电伤害控制措施1)加强现场用电管理。
电工由经过专业培训、取得上岗证并有丰富管电经验的人员组成。
设置好断电和灭火装置、消防器材。
严禁乱拉电线和私接电器设备,非专业电工不得从事电工作业。
2)电工、电焊工等持证上岗,规范作业,不得带电作业,电焊工作业时必须戴防护面具、专用手套。
3)临时用电符合供电安全运行规程,并定期检查和防护,对检查不合格的电器设备和线路,及时更换,严禁带故障运行或作业。
施工用电线路架设时将从以下几方面进行安全控制:①支线架设:支线选用绝缘好,无老化、破损和漏电的电线;电杆架空敷设,并用绝缘子固定。
过道电线可采用硬质护套管并作标记。
室外支线用橡皮线架空,接头不受拉力并符合绝缘要求。
配电箱的电缆线有套管,电线进出不混乱,大容量配电箱上进线加滴水弯。
②现场照明:一般场所采用220V电压。
照明导线均安装绝缘子固定。
严禁使用花线或塑料胶质线。
导线不随地拖拉或绑在脚手架上。
照明灯具的金属外壳接地或接零。
单相回路内的照明开关箱装设漏电保护器。
室外照明灯具距地面不低于3m;室内距地面不低于2.4m。
先张法预应力砼空心板预制施工技术交底一、工程概况本扩建工程位于原沪宁高速公路(江苏段)两侧,我标段预制场承担A1、A2标的全部预制梁板工作,梁按长度分为8m、10m、13m、16m、20m、22m、25m及30m共8种类型,总计1832片梁,其中有实心板、先张法预应力空心板和后张法预应力T梁三种,8m实心板梁320片,10m、13m、16m、20m和22m先张预应力空心板分别为604片、160片、256片、324片、48片,25m和30m后张预应力T梁为30片和90片。
二、施工准备工作(一)作业条件1、场地硬化、底模设臵:预制场征地后,我项目部组织人员进行场地平整,将原地面翻松25cm掺6%石灰,压实度达87%;再填筑一层厚20cm的6%灰土,压实度达90%,碾压成型后在其上施工台座及张拉纵梁。
张拉纵梁每条长90米,断面尺寸50*50cm,采用C25砼浇筑而成,张拉端头配筋,共设11条。
张拉纵梁间全部采用标号C25,厚10cm的砼硬化,硬化完成后在其上再施工一层厚5cm,宽0.99m,标号C30的砼做为台座基础,在基础上铺设一层厚4mm的钢板即形成底模。
为保证底模有足够刚度及强度,底模施工前根据现场的地质情况进行承载力的试验、验算。
设计可靠的处理方法,防止地基产生不均匀沉降。
两端头采取相应措施,加宽加深处理,保证台座坚固无沉陷、不断裂。
保证张拉台座、纵梁、钢横梁在钢绞线张拉受力后不倾覆、不变形、不移动。
使得底模的挠度不大于2mm,为确保底模光洁度及倒用次数和平整度,底模用4mm厚的钢板满铺,L50×5角钢镶边,焊面焊平抛光处理。
预应力底模共建9槽,每槽长90m 。
2、台座及张拉槽设臵:预制场横断面内布臵预应力张拉台座及非预应力台座两种。
非预应力台座即8m梁12个台座;预应力张拉台座共设9个通长台座,每个台座长90m。
张拉台座可一次生产10m梁8片,或13m梁6片,或16m梁5片,或20m梁4片。
先张法预应力空心板梁预制技术交底范本1:一、预应力空心板梁预制技术交底1.1 技术概述1.1.1 预应力空心板梁的定义和用途1.1.2 相关技术指标和标准1.1.3 技术要求和质量控制标准1.2 设计要求1.2.1 结构设计要求1.2.2 材料选用要求1.2.3 预应力设计要求1.3 材料准备1.3.1 混凝土材料选择和配比1.3.2 预应力钢材料选用和加工1.3.3 隧道板、支模及其他辅助材料准备1.4 工序交底1.4.1 施工平面布置交底1.4.2 预应力工艺流程交底1.4.3 预制工艺流程交底1.4.4 板梁浇筑工艺流程交底1.5 施工安全交底1.5.1 安全防护设施安装交底1.5.2 操作规范和安全注意事项交底1.5.3 紧急救援预案交底二、附件本文档涉及附件,请查阅附件内容。
三、法律名词及注释1. 预应力:指通过提前对结构构件施加预先制定的轴向拉应力,使构件在使用荷载作用下内力满足规定的要求。
2. 混凝土:一种由水泥、砂、石子和水等材料经过混合、浇注、凝固得到的坚硬材料。
3. 预应力钢材:用于预应力构件的钢材,具有较高的强度和良好的韧性,用于承受预应力的拉力。
4. 支模:在施工过程中用于支撑和模板的临时结构,以保证混凝土浇注过程中结构的稳定性。
5. 板梁浇筑工艺流程:在预应力空心板梁的制作过程中,将混凝土浇注在模板中,通过振动和平整处理,使其形成均匀致密的结构。
范本2:一、先张法预应力空心板梁预制技术交底1.1 技术概述1.1.1 先张法预应力空心板梁的定义和用途1.1.2 相关技术指标和标准1.1.3 技术要求和质量控制标准1.2 设计要求1.2.1 结构设计要求1.2.2 材料选用要求1.2.3 预应力设计要求1.3 材料准备1.3.1 混凝土材料选择和配比1.3.2 预应力钢材料选用和加工1.3.3 支模及其他辅助材料准备1.4 工序交底1.4.1 施工平面布置交底1.4.2 预应力工艺流程交底1.4.3 预制工艺流程交底1.4.4 板梁浇筑工艺流程交底1.5 施工安全交底1.5.1 安全防护设施安装交底1.5.2 操作规范和安全注意事项交底1.5.3 紧急救援预案交底二、附件本文档涉及附件,请查阅附件内容。