初三物理---电热综合计算题复习过程
- 格式:doc
- 大小:94.01 KB
- 文档页数:6
专题17 电热、电功率计算的解题技巧(原卷版)考点直击解题方法与技巧U-I、P-R、U-R等图象能够提供电路中电压、电流、电阻和功率等物理量之间的关系,解答相关试题应注意:(1)明确图象的描述对象。
(2)弄清图象中的一些特殊点对应的电路状态。
(3)善于根据题干的提示从图象中获取相关信息。
典例分析+变式训练考点1档位型(并联多档型、串联多档型、混合多档型)【典例1-1】(2021•黑龙江)如图甲所示为某电烤箱的内部简化电路,S1为自动控制开关,R1和R2均为电热丝,图乙是电烤箱正常工作时电流随时间变化的图象。
求:(1)低温挡工作时的功率;(2)电热丝R2的阻值;(3)15min内R1消耗的电能。
【典例1-2】(2021•泰州)如图是一款煲汤用的电热锅工作原理的简化电路图,该电热锅有两挡,分别是高温挡和保温挡。
R1与R2均为电热丝,R1的阻值为66Ω,S1为温控开关,保温挡时的总功率是440W。
求:(1)保温挡时电路中的电流;(2)高温挡时的电功率;(3)若该电热锅煲汤时,高温挡工作0.5h,保温挡工作1h,则在此过程中消耗的电能是多少kW•h。
【典例1-3】(2021•赤峰)中国的厨艺最讲究“火候”二字,图甲所示的智能蛋糕机就是采用智能化技术控制制作过程不同时间段的温度,制作出口感好、营养价值高的蛋糕。
该蛋糕机的部分参数如下表所示。
U额=220V额定功率/W中温440高温880(1)求该蛋糕机正常工作时中温挡和高温挡的电流之比。
(2)求该蛋糕机正常工作处于中温挡时电路的总电阻。
(3)小明课下查得其实际工作的简化电路图如图乙所示,S1为单刀开关,S2为单刀多掷开关,R1、R2为电加热丝。
请判断蛋糕机处于高温、中温、低温挡时开关S1、S2所处的状态;并计算该蛋糕机低温挡的额定功率。
【变式1-1】(2022•海州区模拟)图甲是某款具有加热和保温双重功能的暖奶器的简化电路图,图乙是暖奶器某次工作时电流随时间变化的图象,已知c牛奶=4×103J/(kg•℃),求:(1)电阻R2的阻值是多少?(2)加热过程中电路消耗的电能是多少?如果暖奶器的加热效率为80%,这些电能可将多少kg牛奶从18℃加热到40℃?【变式1-2】(2022•蜀山区校级模拟)家用饮水机的工作原理的简化电路如图所示,S是用感温材料制成的温控开关,当温度达到一定的数值时,S会自动切换使饮水机处于保温状态,R2是与加热管串联的定值电阻,R1是加热管的电阻,部分参数如表:(不考虑温度对电阻的影响)额定电压220V额定频率50Hz加热功率550W保温功率22W (1)通过推理说明,当开关S闭合时,该电热器处于加热还是保温状态;(要写出必要的推理过程)(2)求出R2的阻值。
专题16 初中力热电综合计算题解题规律与思维方法一、初中力热电综合计算题概述解决力热电综合计算题一般涉及到的物理公式包括速度公式、密度公式、重力公式、压强公式、浮力公式、机械功和功率、机械效率公式、电功公式、电功率公式、物体吸热放热公式、热值公式、热效率公式等;涉及到的物理规律有二力平衡条件、液体压强规律、阿基米德原理、杠杆平衡条件、欧姆定律、焦耳定律、热平衡方程等。
二、初中力热电综合计算题基本类型1.通过表格给出力学的、热学的、电学的一些数据,让学生分析有用的数据信息,结合力学热学、电学规律、公式进行解决问题;2.通过情境图给出力学的、热学的、电学的一些数据,让学生分析有用的数据信息,结合力学热学电学规律、公式进行解决问题;3.通过原理图以及图像给出力学的、热学的、电学的一些数据,让学生分析有用的数据信息,结合力学热学电学规律、公式进行解决问题; 三、初中力热电综合计算题例题解析【例题1】如图是家庭常用的电热水壶,其铭牌数据如表所示.若加热电阻的阻值不随温度变化而改变,且此时的大气压为1标准大气压.则:(1)电热水壶正常工作时,其加热电阻的阻值是多少Ω? (2)装满水后,壶中水的质量是多少kg ?(1L=1×10-3m 3)(3)将一满壶20℃的水在1标准大气压下烧开,需要吸收多少热量?[c 水=4.2×103J/(kg •℃)] (4)不考虑热量损失,烧开这壶水,需要多长时间?【例题2】如图,甲是电子秤的原理图(图中压力表是用电流表改装的)。
已知电源电压为24V ,电阻R 0=60Ω,压力传感器R x 的阻值随所受压力F 变化的图象如图乙,压力传感器表面能承受的最大压力为400N ,压杆与压力传感器的接触面积是2×10﹣4m 2(取g=10N/kg ,托盘和压杆的质量忽略不计)。
求:甲 乙(1)托盘里的物体质量越大,压力传感器的阻值如何变化?(2)当通过压力表电流为0.2A 时,压力传感器上方托盘里物体的质量是多少kg ? (3)当压力为200N 时,通电700s ,R 0产生的焦耳热能使质量为0.1kg 的水温升高多少℃?力热电综合计算题训练1.地铁可以缓解城市公交运输压力,某学校综合实践活动小组的同学们收集到地铁 机车和公交汽车在某段运行区间内的相关数据如下:J (1(2)公交汽车每千米消耗燃油0.3kg ,行驶1.8 km 路程所消耗的燃油完全燃烧放出多少热量?公交汽车的效率是多少?(3)根据题中获得的信息,从物理学角度谈一谈地铁作为交通工具的优点.(写出两条即可)2.如表为现在家庭、宾馆常用的无线电水壶(一种在倒水时导线脱离,用电加热的方便水壶)的铭牌,某同学用这种电水壶烧开水,他将水放至最大容量,测得水的初温是20℃通电5分50秒,水烧开(在一个标准大气压下),试通过计算,回答下列问题:(1)算一算此电水壶啊正常工作时的电流。
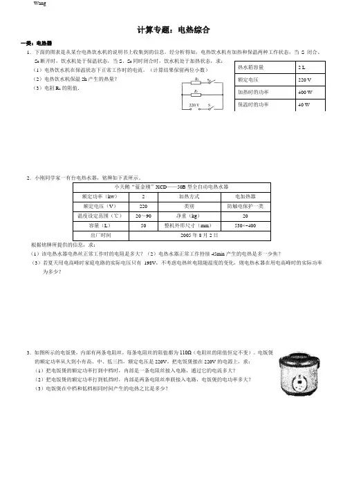
计算专题:电热综合一类:电热器1.下面的图表是从某台电热饮水机的说明书上收集到的信息。
经分析得知,电热饮水机有加热和保温两种工作状态,当S 闭合、S 0断开时,饮水机处于保温状态,当S 、S 0同时闭合时,饮水机处于加热状态,求: (1)电热饮水机在保温状态下正常工作时的电流。
(计算结果保留两位小数) (2)电热饮水机保温2h 产生的热量? (3)电阻R 1的阻值.2小天鹅“蓝金刚”XCD ——50B 型全自动电热水器额定功率(kw ) 2 加热方式 电加热器 额定电压(V ) 220 类别 防触电保护一类温度设定范围(℃)20~90 净重(kg ) 20 容量(L ) 50整机外形尺寸(mm )530×~400 出厂时间2005年8月2日根据铭牌所提供的信息,求:(1)该电热水器电热丝正常工作时的电阻是多大?(2)电热水器正常工作持续45min 产生的电热是多一少焦?(3)若夏天用电高峰时家庭电路的实际电压只有198V ,不考虑电热丝电阻随温度的变化,则电热水器在用电高峰时的实际功率为多少?3.如图所示的电饭煲,内部有两条电阻丝,每条电阻丝的阻值都为110Ω(电阻丝的阻值恒定不变)。
电饭煲的额定功率从大到小有高、中、低三挡,额定电压是220V 。
把电饭煲接在220V 的电源上,求: (1)把电饭煲的额定功率打到中档时,内部是一条电阻丝接入电路,通过它的电流多大? (2)把电饭煲的额定功率打到低挡时,内部是两条电阻丝串联接入电路,电饭煲的电功率多大? (3)电饭煲在中档和低档相同时间产生的电热之比是多少?热水箱容量 2 L 额定电压 220 V 加热时的功率 400 W 保温时的功率40 W二类:含有电动机(非纯电阻电路)1.电吹风是现代家庭的常用电器。
如图甲所示是电吹风的电路原理图,R 是电热丝,M 是带动风扇转动的电动机,某电吹风的主要技术参数如图乙所示。
(1)当只闭合S 1时,电吹风正常工作1min 消耗的电能是多少焦? (2)当同时闭合S 1、S 2时,电吹风正常工作。
专题45 电热综合计算考点 电热综合计算1.(2019·通辽)有一台热水器,内部简化电路如图所示,R 1和R 2均为电热丝。
R 1=88Ω,R 2=22Ω。
(1)如何控制S 1和S 2,使热水器处于高温挡; (2)求低温挡正常工作5min 电热丝产生的热量; (3)求中温挡正常工作时热水器的功率。
【答案】(1)当闭合开关S 1,并将S 2拨至位置a 时,热水器处于高温档;(2)1.32×105J ;(3)550W 。
【解析】(1)根据公式P =U 2R 可知,加热时电路的总电阻较小,再根据并联电路的电阻特点判断电路中电阻的大小关系,从而可以判断出电热水器处于处于什么状态;(2)先根据P =U 2R 判断出电路处于低温档时电路的结构,然后根据Q =U 2R t 求出低温档正常工作5min电热丝产生的热量;(3)先根据P =U 2R 判断出电路处于中温档时电路的结构,然后根据P =U 2R 求出中温档正常工作时热水器的功率。
解:(1)由图知,当闭合开关S 1,并将S 2拨至位置a 时,R 1和R 2并联接入电路,此时电路中的总电阻最小,电源电压不变,由P =U 2R可知,此时总功率最大,热水器处于高温档;(2)当断开S 1,并将S 2拨至位置b 时,R 1和R 2串联接入电路,由P =U 2R 可知,此时总功率最小,热水器处于低温档;此时热水器正常工作5min 内电热丝产生的热量:Q =U 2 R 1 +R 2 t =(220V)288Ω+22Ω×5×60s =1.32×105J ;(3)只闭合开关S 1时,电路为R 1的基本电路,热水器处于中温档; 此时电路的功率:P 中=U 2R 1 =(220V)2 88Ω=550W 。
2.(2019·娄底)小明家某型号电热加湿器的原理图如图甲,R 1、R 2都是发热电阻,不考虑温度对电阻的影响,且R 2=3R 1;S 为旋转型开关,1、2、3、4为触点,通过旋转开关S 可实现“关”、“低挡”、“高挡”之间的切换(低挡为小功率加热,高挡为大功率加热),其部分技术参数如下表。
2017年初中物理学业水平考试精品电热综合计算题全攻略1.有一只电热水壶,其铭牌上标有“220V 1210W”的字样,不考虑温度对电阻的影响,水的比热容4.2×103J/(kg.℃),g取10N/kg.求:(1)它正常工作时通过电阻丝的电流有多大?(2)它正常工作时电阻丝的电阻有多大?(3)当实际电压为200V时,该电热水壶的效率为80%,在一标准大气压下将壶内1Kg的水由20℃加热至沸腾,需要加热多少分钟?答案:(1)正常工作时通过电阻丝的电流为5.5A;(2)正常工作时电阻丝的电阻为40Ω(3)当实际电压为200V时,该电热水壶的效率为80%,在一标准大气压下将壶内1Kg的水由20℃加热至沸腾,需要加热7分钟.2.图甲是某电热水器的电路图。
其中U=3V,R2为可调电阻;R1为热敏电阻,其阻值随温度变化的关系如图乙所示;R3为电阻丝加热器;R1和R3均置于水箱中,继电器线圈电阻忽略不计。
当继电器线圈中的电流达到0.04A时,继电器的衔铁会被吸下。
甲乙(1)热水器中水的温度升高时,热敏电阻的阻值R1将____(填“变大”、“变小”或“不变”)。
(2)当继电器线圈中的电流达到0.06A,指示灯____发光(填“红灯”或“绿灯”),线圈下端M的磁极是____极(填“N”或“S”)。
(3)如果电热水器储有40kg的水,加热器R3工作1小时产生了4.2×106J的热量,其中有80%被水吸收,则水的温度升高了多少℃?(4)如果将热水器中的最高水温设置为80℃,R2的阻值应该调至多大?答案:(1)变小(2)绿灯S (3)Q水吸=Q放×80%=4.2×106J×80%=3.36×106J Δt=Q水吸/cm=3.36×106J/(4.2×103J·kg-1℃-1×40kg)=20℃(4)R总=U/I=3V/0.04A=75Ω 查乙图可知当t=80℃R1=15Ω R2=R总-R1=75Ω-15Ω=60Ω3.如表为现在家庭、宾馆常用的无线电水壶(一种在倒水时导线脱离,用电加热的方便水壶)的铭牌,某同学用这种电水壶烧开水,他将水放至最大容量,测得水的初温是20℃通,试通过计算,回答下列问题:(1)算一算此电水壶啊正常工作时的电流;(2)该电水壶正常工作时电热丝的电阻多大?(3)水从20℃烧开所吸收的热量是多少?(水的比热容c=4.2×103J/(kg•℃))(4)现测得电源电压为0伏,算一算此电水壶工作的效率.解:(1)电水壶正常工作时的功率为1280W,电压为220V,根据P=UI可得,此电水壶正常工作时的电流:I===5.5A;(2)根据P=可得,电热水壶的电阻:R===40Ω;(3)在一标准大气压下水的沸点是100℃,则水烧开时吸收的热量:Q吸=cm(t﹣t0)=4.2×103J/(kg•℃)×1kg×(100℃﹣18℃)=3.444×105J,(4)电水壶的加热时间:t=5min50s=5×60s×50s=350s,消耗的电能:W=t=×350s=385875J,此时电水壶工作的效率:η=×100%=×100%≈89.3%.答:(1)电水壶正常工作时的电流约为5.5A;(2)该电水壶电热丝的电阻约为40Ω;(3)水从20℃烧开所吸收的热量是3.444×105J;4.家用电磁炉以其高效、节能成为新一代智能灶具,小明在家中关闭其他所有用电器,在只有电磁炉正常工作的情况下.请你回答下列有关问题:(1)1标准大气压下,锅内装有4.5L温度为20℃的水,给电磁炉通电把水加热到沸腾,水至少吸收多少热量?[水的密度为1.0×103kg/m3,水的比热容为4.2×103J/(kg•℃)] (2)把上述水烧开用了20min.家中安装的标有“3000r/(kW•h)”的电能表转了1400圈,求该电磁炉的额定功率?(3)此电磁炉烧水时的效率是多少?解:(1)锅内水的体积:V=4.5L=4.5×10﹣3m3,由ρ=可得,锅内水的质量:m=ρV=1.0×103kg/m 3×4.5×10﹣3m 3=4.5kg ,1标准大气压下水的沸点是100℃,则水吸收的热量: Q 吸=cm (t ﹣t 0)=4.2×103J/(kg •℃)×4.5kg ×(100℃﹣20℃) =1.152×106J ;(2)该电磁炉正常工作20min 消耗的电能:W=×3.6×106J=1.68×106J ,因用电器正常工作时的功率和额定功率相等, 所以,该电磁炉的额定功率: P===1400W ;(3)此电磁炉烧水时的效率: η=×100%=×100%≈68.6%.答:(1)水至少吸收1.152×106J 的热量; (2)该电磁炉的额定功率为1400W ; (3)此电磁炉烧水时的效率是68.6%.5.如图(甲)所示是生活中常见的自动加热、保温的电水壶,它的铭牌如下面表格。
小专题(一) 电功率、电热的综合计算专题概述此类题目通常以电热水壶、饮水机、电热水器、电饭锅、电饭煲、电磁炉(微波炉)等常用家用电器为命题背景,通过用电器铭牌及相关介绍来提供有用信息,结合效率考查电功率、电热以及热量的计算,综合性很强,多以中考压轴题出现.(1)根据题目的已知条件和待求量,正确选用计算电热的公式,具体如下:Q =I 2Rt =IUt =U 2Rt. (2)正确理解热量的计算公式Q =cmΔt ,并注意公式各物理量的意义及单位.(3)认真审题,准确把握题目中的关键词,正确挖掘题目中的隐含条件,建立等量关系.如根据“电热器放出的热量全部被水吸收”,则有Q =I 2Rt =IUt =U 2Rt =cmΔt ;若已知加热效率η,则电热器放出的热量与水吸收的热量之间的关系有ηQ 放=Q 吸.专题训练类型1 电热器为载体的电、热综合计算1.(滨州中考)某中学学生公寓新安装了即热式电热水器,解决了学生日常饮水需要.图表为该电热水器的部分技术参数.容积(L)50(1)该电热水器正常工作时的电流是多少安培?(2)该电热水器贮满初温为20 ℃的水后,在一标准大气压下将其烧开,则在此过程中该电热水器消耗的电能是多少焦耳?(3)忽略温度对电热水器电阻的影响,若在实际电压为210 V 情况下的工作,该电热水器的实际功率是多少瓦?2.(东营中考)某品牌家用电熨斗的电路如图甲所示,额定电压为220 V 、最大功率为440 W ,发热部分由调温电阻R 和定值电阻R 0组成,调温电阻R 是可变电阻,其最大阻值为110 Ω.电阻值均不受温度影响.(1)定值电阻R 0的阻值是多大?(2)该电熨斗工作时的最小功率多大?此时通过电路的电流是多大?(3)假设电熨斗每秒钟散发的热量Q跟电熨斗温度t的关系如图乙所示,请分析得出电熨斗工作时温度的调节范围.类型2电热器档位问题的分析3.(多选)如图是某家用电热器内部电路结构图,其中R1、R2为加热电阻丝(R1>R2).下列关于电阻丝的四种连接方式,可使电热器提供不同的发热功率,其中大小说法正确的是()A.甲的连接方式发热功率最小B.乙的连接方式发热功率最小C.丙的连接方式发热功率最大D.丁的连接方式发热功率最大4.某工厂开发研制了一种高、中、低三档家用电火锅,观察其内部结构发现是由两个相同的发热电阻丝构成.改变档位就是改变电热丝连入电路的方式.研究发现:旋动开关,当转换开关在中档位置时,发热功率为600 W,这时只有一个电阻丝连入电路.那么,当转换开关分别处于高、低两档位置时,其发热功率分别为________W和________W.5.(泰州中考)某型号的电饭锅有两档,其原理如图所示,电阻R1=44 Ω.当开关S闭合时,电饭锅处于高温档,当开关S断开时,电饭锅处于焖饭、保温档,焖饭、保温时电饭锅的功率为高温档功率的0.02倍,求:(1)高温档的功率;(2)焖饭、保温时电路中的电流;(3)电阻R2的阻值.6.如图所示,是一种煲汤用的电热锅工作原理图,调节切换开关可以使电热锅处于“关、高温、自动、保温”四种工作状态,温控器的作用是当水沸腾后能自动断电一段时间,其中R1=605 Ω,R2=96.8 Ω,电热锅的部分参数如下表所示.(1)电热锅处于保温档正常工作时,锅内的水温度始终不变,则该电热锅的散热功率是多少?(2)电热锅处于高温档(切换开关接“1”)正常工作时,在标准大气压下高温加热2 kg的水,10 min内消耗多少电能?设散热功率不变,水的初温为75 ℃,则加热10 min后水的最终温度是多少?类型3综合提升7.“节能减排”是当今社会的主题,充分利用太阳能是当今社会发展的需要.太阳能热水器已经走进千家万户,如图所示是小佳家的太阳能热水器.它在晴天利用太阳能集热,在阴雨连绵的天气,则用标有“220 V 2 000 W”字样的电热管对水加热.(1)该太阳能热水器的容积为0.12 m3,当水箱装满水时,水的质量是多少?(水的密度为1.0×103 kg/m3)(2) 该热水器电热管正常工作时的电阻是多大?(3)利用太阳能将满箱水的温度从25 ℃加热到75 ℃,水吸收的热量是多少?(4)如用电热管给水加热,加热的效率为84%,则电热管把满箱水的温度从25 ℃加热到75 ℃需要消耗多少电能?这些电能可供“220 V 40 W ”的电灯正常工作多长时间?参考答案1.(1)电流I =P/U =9 680 W/220 V =44 A ;(2)电能W =Q =cmΔt =4.2×103 J/(kg·℃)×50×10-3 m 3×1.0×103kg/m 3×(100 ℃-20 ℃)=1.68×107 J ;(3)P 实∶P 额=U 2实∶U 2额,即P 实∶9 680 W =(210 V)2∶(220 V)2,解得P 实=8 820 W .2.(1)当调温电阻R =0时,电熨斗的电功率最大,根据P =U 2R 可得:R 0=U 2P =(220 V )2440 W =110 Ω;(2)当调温电阻R =110 Ω时,电熨斗的电功率最小,此时通过电路的电流:I =U R +R 0=220 V110 Ω+110 Ω=1 A ,电熨斗的最小电功率:P′=UI =220 V ×1 A =220 W ;(3)由图乙可知:当电熨斗功率是440 W 时,温度最高为200 ℃;当功率是220 W 时,温度最低为90 ℃;故电熨斗工作时温度的调节范围为90~200 ℃.3.BD4.1 200 3005.(1)P 高温=U 2R 1=(220 V )244 Ω=1 100 W ;(2)当开关S 断开时,电饭锅处于焖饭、保温档,保温时电饭锅的功率为高温档功率的0.02倍,∴P 保温=0.02 P 高温=0.02×1 100 W =22 W ,I 总=P 保温U 总=22 W 220 V =0.1 A ;(3)R 总=U 总I 总=220 V0.1 A =2 200 Ω,R 2=R 总-R 1=2 200 Ω-44 Ω=2 156 Ω.6.(1)因锅内水的温度始终不变,所以电热锅发热功率与散热功率相等,即P 散=80 W ;(2)电热锅10 min 内消耗的电能W =P 加t =500 W ×10×60 s =3×105 J ,设水温变化了Δt ,根据能量守恒得(P 加-P 散)t =cmΔt ,代入数据有:(500 W -80 W)×10×60 s =4.2×103 J/(kg·℃)×2 kg ×Δt ,解得:Δt =30 ℃,t =t 0+Δt =105 ℃,由此可知,水最终沸腾,即水的最终温度是100 ℃.7.(1)m =ρV =1.0×103 kg/m 3×0.12 m 3=1.2×102 kg ;(2)R =U 2/P =(220 V)2/2 000 W =24.2 Ω;(3)Q 吸=cmΔt =4.2×103 J/(kg·℃)× 1.2×102 kg ×(75-25)℃=2.52×107 J ;(4)Q 消= Q 吸/η=2.52×107 J/84%=3.00×107 J ,t =W/P = Q 消/P =3.00×107 J/40 W =7.5×105 s =208.33 h.。
《电热综合计算专题》教学目标:1. 练习有关热传递吸热、放热的计算;2. 练习有关电能的计算;3. 能够抓住热能和电能之间的关系进行电学与热学综合计算。
教学重点:电学与热学综合计算。
教学难点:电学与热学综合计算。
教具:多媒体课件教学过程:(一)复习引入新课:解决这类问题常用公式(要理解公式中的每个物理量及记住每个物理量的单位)(二)例题分析:【例题1】一天,小明在商店看到这样一则宣传广告:“天宝牌电热水壶高效、节能、省时,烧开一壶水仅需3分钟。
”小明心想:难道这是真的吗?他仔细看了电热水壶的铭牌(如右图所示),带着疑问,进行了计算。
已知:1L=1dm3,ρ水=1.0×103kg/m3,C水=4.2×103J/(kg·℃).(1)这壶水的质量是多少?(2)这壶水从20℃到烧开,需要吸收多少热量?(3)假如电能全部转化为热能且全部被水吸收,请根据计算结果判断广告中所说的“三分钟”是否真实?分析:假如电能全部转化为热能且全部被水吸收表示了电能和热能的关系是相等的,这是一种理想情况.解:(1)水的质量m=ρv=1×103kg/m3×2×10﹣3m3=2kg(2)水吸收的热量Q=cm⊿t=4.2×103J/(kg·℃) ×2kg×(100℃-20℃)=6.72×105J(3)W电=Q吸=6.72×105Jt=w/p=6.72×105J/1000w=672s=11.2min广告所说的“三分钟”不真实。
答:(1)水的质量为2kg.(2)水吸收的热量是6.72×105J。
(3)广告所说的“三分钟”不真实。
(三)请学生分析本题的解题要点并上台解答:1.小明学习了电功率的知识后,想利用家里的电能表(如右图)和手表,测出一些家用电器的有关数据。
(1)当家里只有电热水壶在正常工作时,他测出电能表1分钟转了30圈,求此时电热水壶的电功率是多少瓦?(2)如果用此电热水壶把1Kg的水由20℃加热至沸腾需要的时间是多少秒?[不考虑热量的损失,气压为一个标准大气压,水的比热容为4.2X103J/(Kg℃)](四)前面分析的例题是理想情况(即不考虑能量损失,电能=热能),然而实际上是存在能量的损失,所以找到电能和热能之间的关系就成了我们解答题目的关键。
课题:电力热综合计算专题复习目标:① 记住欧姆定律的内容、表达式,并能熟练运用欧姆定律 解决简单的电路问题; ② 知道串并联电路中电流、电压、电阻的关系,并分析解决简单的串、并联问题; ③ 知道电功、电功率的公式,并会求解简单的问题;④ 知道额定电压、额定功率、实际功率以及它们之间的关系; ⑤ 记住焦耳定律公式并能用焦耳定律进行求解通电导体发热问题。
⑥ 熟记密度、重力、压强、浮力、功、机械效率和滑轮组规律的有关计算公式。
⑦ 熟练运用上述公式或变形式进行力学综合计算。
⑧ 熟练运用电力公式进行综合计算,掌握解题方法和思路。
复习重点难点重点:电功率和机械效率的计算,电学力学综合计算。
难点:规范解题格式,单位要统一。
一、引导学生梳理基础知识力学知识: 1. 密度公式 2. 重力公式 3. 压强公式 4. 浮力公式 5. 功的定义式6. 滑轮组自由端拉力 滑轮组费距离公式7. 机械效率 电学知识: 1. 欧姆定律2. 串并联电路中电流、电压、电阻的关系3. 电功、电功率、4.额定功率、实际功率 5.焦耳定律二、典型例题【例1】如图23所示是某型号的电动巡逻车。
已知该电动巡逻车运动时所受的阻力为人和车总重的0.04倍,某次巡逻时人和车总质量为1.0×103kg, 在水平路面上以15Km/h 的速度匀速行驶了20min 。
(g 取10N /Kg )求:⑴巡逻车通过的路程是__________km ;⑵巡逻车在水平路面上匀速行驶时受到的牵引力是__________N ;⑶若电动机把80%的电能用来牵引巡逻车克服阻力做功,则此次巡逻电动机消耗了多少电能? 解:⑴t=20min=1/3h s=vt=15Km/h ×1/3h=5km⑵G=mg=1.0×103kg ×10N /Kg=10000N,f=0.04G=400N⑶牵引力做的功W=Fs =400N ×5×103m=2×106J电动机消耗的电能=2.5×106J 答:(略)【例2】从2011年5月11日起,执行酒驾重罚新规定。
九年级物理电学-电热综合计算专题题型1串联型多挡位电路思路方法:串联型的两挡位电热器往往采用短路式电路,短路开关断开时两电阻串联,电路中的电阻较大,根据P=U2/R可知此时发热功率较小,电热器处于低温挡;短路开关闭合时,只有一个电阻接入电路,电路中的电阻较小,根据P=U2/R可知此时发热功率较大,电热器处于高温挡。
例1:如图所示是调温型电熨斗的简化电路图,它的工作电压220 V,R1和R2均为电熨斗底板中的加热元件,R2的阻值为61.6Ω.只闭合S1时为低温挡,电功率为440 W;同时闭合S1和S2时为高温挡.试求:(1)低温挡工作时,电路中的电流是多少?(2)电阻R1的阻值是多少?(3)高温挡的电功率是多少?挡位开关闭合情况电阻接入情况电功率表达式(填空)低温挡S1闭合、S2断开R1、R2串联高温挡S1、S2均闭合R1柜的额定电压为220V.只闭合S1是保温状态,同时闭合S1、S2是加热状态,加热功率是4840W.试求:(1)R1的电阻是多少?(2)保温状态时,电路中的电流是多少?(3)该电热蒸饭柜保温10min,R1和R2所产生的总热量.练习2:如图所示是某品牌储水式电热水器的简化电路示意图。
该电热水器有加热、保温两种工作状态。
该电热水器的部分铭牌内容如表所示。
(1)电热水器处于保温状态时,温控开关S应处于什么状态?为什么?(2)R1和R2的阻值各是多大?(3)在额定电压下工作,电热水器的加热效率是70%,若将装满水箱的水从20℃加热至最高水温,需要多长时间?[C水=4.2×103J/(kg·℃)]练习3:如图甲所示是某型号养生壶的电路图,该养生壶具有加热、保温两挡,其中R1、R2为发热电阻,且R2=3R1,加热挡的功率为800 W.求:(1)养生壶保温挡时的电功率;(2)养生壶在加热挡将质量为1.2 kg的水由20℃加热到100℃,此过程中水吸收的热量;(3)在水加热过程中,养生壶工作时的功率与时间图像如图乙所示,则养生壶的加热效率是多少?练习4:市场上有一种电热饮水机,如图是饮水机的简化电路图,S是温控开关,R1是调节电阻,其阻值为176Ω,R2是供加热的电阻丝,饮水机的铭牌参数如下表所示.求:(1)若饮水机正常工作的加热效率为90%,现将质量为1.5 kg,初温为20℃的水在一标准大气压下烧开需要吸收的热量是多少?需加热多长时间?已知C水=4.2×103J/(kg·℃)(时间计算结果保留整数) (2)当饮水机处于保温状态时,它的保温功率是多少?思路方法:并联型的两挡位电热器往往采用单一支路开关式电路。
热点题型专练重难点28 综合计算题(四)——电热综合计算【解题思路】电热转化问题是中考计算题中最高频的考题,它往往结合生活实际,将热学计算、焦耳定律的运用,电功率的计算融为一体。
我们透过各种题目,发现这类题目,其实可以归纳为两类加热模式。
在前面已有介绍,在此,集中介绍,举例,配合练习,一举突破!一、串联式加热模型:如上图所示,对于两个电阻串联后组成的加热装置,都可以等效为这种模型。
当S闭合时,R1被短路,只有R2工作,这时处于加热状态,R2为一个阻值较小的电阻。
当S断开后,R1、R2串联,电路处于“保温”状态,R1是一个阻值较大的电阻。
对这类问题涉及的主要计算公式为:R2=U2/P加热;R=R1+R2=U2/P保温;P=P R1+P R2;W=Pt。
例1. (2019孝感市)家用电饭锅中自动开关一般由感温铁氧体组成,将电饭锅的自动开关S按下,电饭锅处于加热状态,当感温铁氧体温度达到103℃时失去磁性,被吸铁块由弹簧弹开,使电饭锅进入保温状态。
某家用电饭锅内部电路简化示意图如图甲,某次使用该电饭锅在220V的电压下煮饭过程中,通过的电流随时间变化的图象如图乙。
(1)当锅内温度为100℃时,自动开关S与(选填“1”或“2”)连接,此时电饭锅处于(选填“加热“或“保温”)状态。
(2)该电饭锅此次工作30分钟消耗的电能为多少?(3)电阻R1与R2的阻值之比为多少?(4)若要使该电饭锅的加热功率提高到1100W,可以给电阻R1并联一个阻值为多大的电阻R3?【答案】(1)1 加热(2)该电饭锅此次工作30分钟消耗的电能为7.92×105J (3)电阻R1与R2的阻值之比为1:3 (4)可以给电阻R1并联一个阻值为220Ω的电阻R3【简析】(1)由题意可知,温度为100℃时(低于103℃),电饭锅处于加热状态。
根据图甲可知:开关S与“1”连接,只有R1连入电路,电路中电阻较小,根据P=U2/R可知,此时的电功率较大,为加热状态。
1、前些日子,小亮的妈妈买了一个“天际”牌自动电热水壶送给爷爷,其铭牌如右表.小亮为了给爷爷说明电热水壶的使用方法,他接水至800ml刻度,然后把壶放在加热座上,拨
20℃.
自动电热水壶
型号ZDH100B
电源220V 50Hz
额定功率1100W
容量800ml
编号H8017664
(2)烧水时家中电压为220V,求电热水壶的热效率.
(3)在用电高峰,电路中的实际电压降为198V,这时电热水壶的实际功率为多大?
2、小理对家里的电磁炉进行研究,电磁炉的功率调节范围是120W~2200W,
(1)小理用电磁炉将质量为2kg的水从20℃加热到100℃,消耗了0.22kw•h的电能.水吸收的热量是多少?这时电磁炉的效率是多少?
(2)小理用电磁炉煮粥.先用大火将水开,后用小火煮.这段时间电功率随时间变化如图所示问第8分钟通过电磁炉的电流是多少?[水的比热是4.2×103J/(kg•℃),家庭电路的电压为220V].
3、电磁炉是一种效率较高的新型灶具,已广泛进入寻常百姓家中.小华观察到家中的电磁炉铭牌上标有“220V 2000W”、电能表铭牌上标有“220V 10(20)A 1500r/kW•h”字样.小华单独把电磁炉接入电路中,用它在5min内把1.5kg、20℃的水加热到100℃,观察到电能表转盘转了225转,则:
(1)加热5min水吸收的热量是多少?
(2)电磁炉工作5min实际消耗的电能是多少?
(3)电磁炉实际电功率是多少?
(4)比较(1)、(2)两问的计算结果,你发现什么问题?如何解释?
(5)根据电磁炉的铭牌说明与(3)问的计算结果,你发现什么问题?如何解释?
4、如图是研究电流热效应的实验装置图.两个相同的烧瓶中均装入0.1kg的煤油,烧瓶A 中电阻丝的阻值为4Ω,烧瓶B中的电阻丝标识已看不清楚.当闭合开关,经过210s的时间,烧瓶A中的煤油温度由20℃升高到24℃,烧瓶B中的煤油温度由20℃升高到22℃.假设电阻丝产生的热量全部被煤油吸收,电阻丝的阻值不随温度变化,电源电压保持不变,已知煤油的比热容c=2.1×103J/(kg•℃).求:
(1)在此过程中烧瓶A中煤油吸收的热量;
(2)烧瓶B中电阻丝的阻值;
(3)电源的电压及电路消耗的总功率.
5、某电水壶的铭牌信息如图1所示,电水壶在标准大气压下工作.[c水=4.2×103J(kg•℃)] (1)电水壶装满初温为20℃的水时,在额定电压下将水烧开用了7min.
求:①水吸收的热量是多少?
②电水壶烧水过程中的能量转化效率是多少?
(2)农村电网改造前,用电高峰时电压会下降l0%.求:这时电水壶的实际功率P0.(电阻不随温度改变)
(3)为使电水壶的功率在用电高峰时仍能达到2000W,甲、乙两位同学对电水壶的电路进行了改造,在原电阻丝R1两端并联一个电阻丝R2,如图2所示,并分别推导出了R2的表达式.
甲同学:R2=乙同学:R2=
请你指出哪个表达式是错误的,并分析若用此电阻丝来改造电水壶的结果.
6、小明家的电热饮水机,有加热和保温两种工作状态,饮水机热水箱内水温达到92℃时开关S1自动断开,处于保温状态;当水温降至一定温度t时,S1又闭合重新加热.饮水机的
热水箱水量额定电压加热时功率保温时功
率
2kg 220V 440W 40W
(1)求电阻R1的阻值;
(2)求正常加热时通过饮水机的电流;
(3)在无人取水情况下,饮水机重新加热一次的时间为5min.加热一次消耗的电能是多少?重新加热前的水温t是多少?(不计能量损失,c水=4.2×103J/(kg•℃))
7、如图是一条电热毯电路的示意图,R0是发热电阻丝,R是串联在电路中的分压电阻,S 是温控开关.电热毯铭牌上标有“220V 40W”字样.不考虑温度对电阻值的影响.
(1)求发热电阻丝R0的阻值.
(2)当电热毯处于低温档时,开关S应处于什么状态?为什么?
(3)当电热毯处于低温档时,电路中的电流为0.1A,求在1min内电热毯消耗的电能和电阻R0产生的热量.
8、小明家新购置了一台电热水器,电热水器的铭牌如图甲所示.若自来水的温度是20℃,加满水后,小明将温控开关调到如图乙所示的位置.接通电源,加热指示灯亮,当水温达到设定温度时,加热指示灯熄灭.请你帮助小明解答下列问题:
(1)电热水器正常工作时,其发热电阻丝的电阻为多少?
(2)加热指示灯从亮到灭的过程中,热水器中的水一共吸收多少热量?
(3)若在晚间用电高峰时,电路的实际电压只有198V,热水器加热的效率为80%,从接通电源到指示灯熄灭需要多少时间?[C水=4.2×103J/(kg•℃),不考虑发热电阻丝的电阻随温度变化,最后结果保留一位小数].
9、小强的爸爸从国外带回一个电热水壶,铭牌上的几个参数翻译过来后如下表.
(1)该电热水壶中发热体的电阻为多少Ω;若接在我国的家庭电路中,并能使它正常工作,那么应该在它的外部串联一个多大的电阻.
(2)某天用电高峰的时候,小强将改装好的电热水壶装满温度为28℃的水,用了11min 40s 的时间才将水烧开(当时的气压为标准大气压),那么电热水壶(串联在外的电阻不包括在内)实际消耗的功率是多少?
10、电热水壶由于使用方便、高效,巳成为家庭常用的电器之一.上面是某电热水壶的铭牌.要将lL 20℃的水烧开(在标准大气压下),此电热水壶需正常工作3min 20s 的时间.则:
(1)水吸收的热量是多少? (2)电热水壶消耗多少电能? (3)电热水壶的热效率是多少?
××牌电热水壶 额定电压 220V 额定功率 2000W 电源频率 50Hz 容量 1.2L
11、天然气灶是利用燃烧天然气获得热量的炉具,而电磁炉是新一代消耗电能获得热量的智能炉具.为了比较两种炉具的性能,小杰同学进行了相关调查,得到的有关数据见表.
如果小杰家每天做饭、烧水所需热量为8.0×106J.
(1)若这些热量靠天然气灶提供,需要燃烧多少天然气?(热值用q表示)
(2)若这些热量靠电磁炉提供时电磁炉正常工作了90min,该电磁炉的热效率是多少?(3)通过计算说明使用哪种炉具更省钱?
(4)若小杰家的进户线上装有一空气开关,当电流达到20A时,空气开关将自动“跳闸”。